风管系统安装检验批验收质量验收记录
- 格式:xls
- 大小:28.50 KB
- 文档页数:1
平米15/52/3全/1045/555/565/57全/108全/1015/525/535/54/5/6/75/585/595/5105/5115/5经检查,该检验批主控项目和一般项目合格。
年 月 日主控 项目一般项目检验批容量施工单位项目负责人监理单位验收结论项目专业质量检查员:年 月 日专业监理工程师:风管内过滤器安装第6.3.12条抽查5处,合格5处100%专业工长:施工单位检查结果风帽安装第6.3.10条抽查5处,合格5处100%消声器及静压箱安装第6.3.11条抽查5处,合格5处100%风阀的安装第6.3.8-1、2、3条抽查5处,合格5处100%排风口、吸风罩(柜)安装第6.3.9条抽查5处,合格5处100%非金属风管安装第6.3.6-1、2、3条//复合材料风管安装第6.3.7条//含凝结水或其他液体风管第6.3.3条抽查5处,合格5处100%柔性短管安装第6.3.5条//风管的支、吊架第6.3.1条抽查5处,合格5处100%风管系统的安装第6.3.2条抽查5处,合格5处100%风管严密性检验第6.2.9条共10处,检查10处,合格10处100%病毒实验室风管安装第6.2.12条共10处,检查10处,合格10处100%风管部件安装第6.2.7-1、3、4、5条抽查5处,合格5处100%风口的安装第6.2.8条抽查5处,合格5处100%风管内严禁其他管线穿越第6.2.3条共10处,检查10处,合格10处100%高于60℃风管系统第6.2.4条抽查5处,合格5处100%风管支、吊架安装第6.2.1条抽查5处,合格5处100%风管穿越防火、防爆墙体或楼板第6.2.2条//施工依据《通风与空调工程施工规范》GB50738-2011验收依据《通风与空调工程施工质量验收规范》GB50243-2016验收项目设计要求及规范规定最小/实际 抽样数量检查记录检查结果22分包单位∕分包单位 项目负责人∕检验批部位实验室风管系统安装风管系统安装检验批质量验收记录(送风系统)GD-C5-712163单位(子单位)工程名称分部(子分部)工程名称通风与空调(送风系统)分项工程名称风管系统安装。
风管系统安装检验批质量验收记录( Ⅱ)[ 空调风系统专页 ( 一)]GB 50243-2002单位 ( 子单位 ) 工程名称所属子分部 ( 系统 ) 工程名称/ 分项 ( 子系统 ) 工程名称相关的验收部位层、区、段、房、室)总承包施工单位项目负责人专业承包安装单位项目负责人施工执行的技术标准 ( 含企业的工艺规程、工法等 ) 名称及编号相关施工图名称及其图号《通风与空调工程施工质量验收规范》GB 50243—监理(建设) 2002 施工单位检查评定记录单位验收记的检查项目录风管穿越防火、防爆墙或楼板时设置套管的钢板厚度,以及套管第6.2.1 条1内采用不燃且对人体无害的柔性材料封堵的要求风管安装关于管内严禁其他管线穿越及室外立管拉索在避雷针(2 带、网)上固定的限制规定;以第6.2.2 条及涉及易燃、易爆气体 ( 或环境 )风管的严密性及接地规定主 3 控项 4 目输送气体温度高于 80℃的风管按第6.2.3 条设计要求采取防护措施风管部件安装关于:操作机构使用功能,以及斜插板风阀板和止第6.2.4 条回风阀、自动排气活门的安装方向等规定防火阀、排烟阀 ( 口) 安装方向5第6.2.5 条和位置的要求风管严密性检验 ( 测试 ) 应符合的6第6.2.8 条规定手动密闭阀安装关于阀门标志的7第6.2.9 条箭头方向要求风管系统安装关于:位置、标高一、般项1走向、有效截面,防腐措施,第6.3.1条连接严密性,以及关于其他工艺目质量要求的规定。
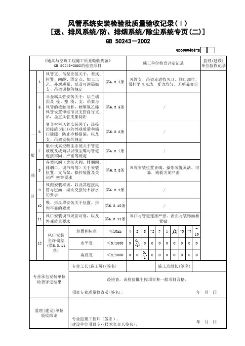
风管系统安装检验批质量验收记录表五篇篇一:风管系统安装检验批质量验收记录表(送、排风,防排烟,除尘系统)GB50243-2002(Ⅰ)0801008020080300804008050单位(子单位)工程名称金黔嘉华大酒店中央空调安装工程分部(子分部)工程名称防排烟系统验收部位负一层施工单位重庆精信格力中央空调工程有限公司项目经理陈科分包单位无分包项目经无理施工执行标准名称及编号通风与空调施工验收规范(GB50243-2002)施工质量验收规范的规定施工单位检查评定记录监理(建设)单位验收记录主控项目1 风管穿越防火、防爆墙第6.2.1条√2 风管内严禁其他管线穿越第6.2.2条√3 易燃、易爆环境风管第 6.2.2-2条√4 室外立管的固定拉索第 6.2.2-3条√5 高于80℃风管系统第6.2.3条√6 风管部件安装第6.2.4条√7 手动密闭阀安装第6.2.9条√8 风管严密性检验第6.2.8条√一般项目1 风管系统安装第6.3.1条√2 无法兰风管系统安装第6.3.2条√3 风管连接的水平、垂直质量第6.3.3条√4 风管支、吊架安装第6.3.4条√5 铝板、不锈钢板风管安装第 6.3.1-8条√6 非金属风管安装第6.3.5条√7 风阀安装第6.3.8条√8 风帽安装第6.3.9条√9 吸、排风罩安装第 6.3.10条√10 风口安装第 6.3.11条√施工单位检查评定结果专业工长(施工员)吴渭春施工班组长符合施工规范项目专业质量检查员:年月日监理(建设)单位验收结论专业监理工程师:(建设单位项目专业技术负责人):年月日篇二:风管系统安装检验批质量验收记录风管系统安装检验批质量验收记录编号:010004000102001 表5.22.4单位(子单位)工程名称电缆隧道单位工程分部(子分部)工程名称通风工程分项工程名称风管制作验收部位顶板施工单位青海鸿祥建设工程有限公司项目经理刘延斌施工执行标准名称及编号《变电(换流)站土建工程施工质量验收规范》(Q/GDW 1183—2012)专业工长(施工员)史有孝分包单位/分包项目经理/类别序号检查项目质量标准单位施工单位自检记录监理(建设)单位验收记录主控项目1风管穿越防火、防爆墙☆在风管穿过需要封闭的防火、防爆的墙体或楼板时,应设预埋管或防护套管,其钢板厚度不应小于1.6mm。
风管系统安装检验批质量验收记录(Ⅰ)(送、排风,防排烟,除尘系统)注:本表内容的填写需依据《现场验收检验批检查原始记录》。
本检验批质量验收的规范依据见本页背面。
填写说明一、填写依据1 《通风与空调工程质量验收规范》GB50243-2002。
2 《建筑工程施工质量验收统一标准》GB50300-2013。
二、检验批划分根据施工现场实际情况,可按照设计系统和设备组别划分成若干个检验批进行验收;设备安装可按型号划分成若干个检验批进行验收;大中型设备单独划分成一个检验批进行验收;管道可按照施工段、楼层划分若干个检验批进行验收。
三、GB50243-2002规范摘要主控项目6.2.1 在风管穿过需要封闭的防火、防爆的墙体或楼板时,应设预埋管或防护套管,其钢板厚度不应小于1.6mm。
风管与防护套管之间,应用不燃且对人体无危害的柔性材料封堵。
检查数量:按数量抽查20%,不得少于1个系统。
检查方法:尺量、观察检查。
6.2.2 风管安装必须符合下列规定:1 风管内严禁其他管线穿越。
2 输送含有易燃、易爆气体或安装在易燃、易爆环境的风管系统应有良好的接地,通过生活区或其他辅助生产房间时必须严密,并不得设置接口。
3 室外立管的固定拉索严禁拉在避雷针或避雷网上。
检查数量:按数量抽查20%,不得少于1个系统。
检查方法:手扳、尺量、观察检查。
6.2.3 输送空气温度高于80℃的风管,应按设计规定采取防护措施。
检查数量:按数量抽查20%,不得少于1个系统。
检查方法:观察检查。
6.2.4 风管部件安装必须符合下列规定:1 各类风管部件及操作机构的安装,应能保证其正常的使用功能,并便于操作。
2 斜插板风阀的安装,阀板必须为向上拉启;水平安装时,阀板还应为顺气流方向插入。
3 止回风阀、自动排气活门的安装方向应正确。
检查数量:按数量抽查20%,不得少于5件。
检查方法:尺量、观察检查,动作试验。
6.2.8 风管系统安装完毕后,应按系统类别进行严密性检验,漏风量应符合设计与本规范第4.2.5条的规定。