汽车电线束DFM
- 格式:pdf
- 大小:1.80 MB
- 文档页数:18
苏州汽车线束的生产工艺
苏州汽车线束是一种用于连接汽车电子元件的电线束。
它由多条电线组成,并使用绝缘材料进行包覆和保护。
电线束的设计和生产需要考虑到多个因素,如安全、可靠性、可维护性和成本等。
苏州汽车线束的生产工艺通常包括以下几个步骤:
1. 设计和规划。
在设计和规划阶段,工程师会根据客户的需求和要求,制定出合适的线束方案。
线束方案需要考虑到多个因素,包括电线数量、尺寸、颜色、长度、连接件和绝缘材料等。
2. 切割和剥离电线。
在这个阶段,工人需要根据线束方案,使用自动电线剥皮机和切线机,对电线进行准确的切割和剥皮,以适配线束方案的要求。
3. 组装和连接。
在组装和连接阶段,工人需要根据设计图纸和线束方案,将各个电线的端头连接起来,并进行绝缘处理,以确保线束的安全和可靠性。
4. 包覆和保护。
在包覆和保护阶段,工人需要使用绝缘材料,如PVC、尼龙布或聚氨酯等,对线束进行包覆和保护,以避免电线直接接触其他物体或受到外部环境的损坏。
5. 测试和检验。
在测试和检验阶段,工程师需要对线束进行全面的测试和检验,以确保线束的性能和质量符合设计要求,可以安全可靠地使用在汽车上。
以上是苏州汽车线束的生产工艺简述,通过严谨的生产工艺,苏州汽车线束可以确保高质量和可靠性,并在汽车电子行业得到了广泛的应用。
汽车电线束的检测与标准解析(QCT29106)汽车电线束的检测与标准解析(QC/T29106)汽车线束是连接汽车电子电器部件并使之发挥功能的组件,是汽车电路的网络主体,主要由铜制插接件(插头、插座)和塑料护套、电线等组成,插接件与电线压接后安装在塑料护套内,电线以线束捆扎、胶带包裹构成。
电线束在整车中的作用是将电气系统的电源信号和数据信号进行传递和交换,实现电气系统的功能和要求。
汽车线束遍布汽车的各个角落,有在高温环境下工作的发动机线束、机舱线束,有在尘土飞扬、水、泥浸渍环境下工作的底盘线束,有跨接在门与车身之间长期反复伸缩的车门线束,有承载着大功率器件长期满负荷或过载工作的电力线束等,这些线束随着车辆在高温高湿的南方沿海、严寒的东北地区等恶劣的环境下工作,同时经受着电气热负荷、机油汽油的浸蚀、颠簸振动等条件的洗礼。
所以要保证汽车线束的品质,必须从设计、选材、制造工艺、试验及装配等各个环节加以重视。
1 试验标准解析现行的汽车线束标准主要是QC/T29106《汽车低压电线束技术条件》及各企业的企标,试验项目大概有:检验端子与导线或导线接点的压接品质、接点的防水性能、线束的耐高低温及湿热性能、耐盐雾性能及耐振动性能。
如果按照这些条款进行试验,我们会发现试验结果不尽如人意,如QC/T29106中第4.11、4.12条高低温及湿热试验,标准要求在不工作状态下贮存8h,再在常温下放置24h后,检验电线束的包扎是否松散、绝缘护套是否脱开、电线导通率是否为100%;再如第4.14条耐盐雾试验:电线束经48h中性盐雾试验后导通率应为100%,无短路、错路现象;还有振动试验,按QC/T413规定的耐振动性能来试验,但线束如何安放?标准中并未明确,而且振动后检验的内容主要也只是外观,无电性能方面的检验。
如上种种,经过多年的试验发现,这些试验项目不能完全验证线束及其辅材的材质、设计及工艺,不能完全达到试验验证的目的。
汽车线束发展趋势电动化智能化轻量化随着汽车产业的快速发展,汽车线束也在不断演变和进步。
未来的汽车线束发展趋势主要包括电动化、智能化和轻量化。
首先,电动化是汽车行业的大势所趋。
电动汽车已成为未来汽车发展的重要方向,汽车线束在电动汽车中起着关键的作用。
传统的内燃机车辆线束主要用于供电、点火、照明和控制等功能,而电动汽车线束则需要支持更多的高压电和高功率传输。
电动汽车线束需要更高的电气性能和安全性,以支持电池管理系统、电动机控制系统、充电系统等功能的运行。
此外,随着电动汽车的快速发展,无线充电技术也将逐渐应用于汽车线束技术中。
其次,智能化是汽车线束发展的另一大趋势。
智能汽车的快速发展使得汽车线束需要具备更多的智能化功能。
智能汽车线束需要能够支持车载感知系统、通讯系统、导航系统、驾驶辅助系统等高度智能化的功能。
传感器信号的采集、处理和传输将成为智能汽车线束的重要功能。
此外,智能线束还需要具备自适应功能,能够根据车辆的不同工作状态和需求,自动调整线束的工作参数。
最后,轻量化是汽车线束发展的另一个重要方向。
随着汽车对燃油经济性和环保性的要求越来越高,轻量化已成为整个汽车行业的共识。
汽车线束作为汽车的重要组成部分,也需要不断轻量化。
轻量化的汽车线束需要采用更轻、更薄、更柔软的材料,同时保证线束的安全性和电气性能。
同时,随着电子技术的快速发展,汽车线束也可以实现模块化设计,将各种功能模块化,从而减少线束的散热和电磁干扰问题,提高汽车线束的效率和可靠性。
综上所述,未来汽车线束的发展趋势主要包括电动化、智能化和轻量化。
这将使得汽车线束能够更好地适应电动汽车的发展、提供更智能的功能,并满足汽车对轻量化的要求。
同时,这也将推动汽车线束技术的创新和进步,为汽车行业的可持续发展做出贡献。
汽车线束设计及线束用原材料2007-3-20 16:49:40 【文章字体:大中小】打印收藏关闭原作者:谷孝卫汽车线束是汽车电路的网络主体,没有线束也就不存在汽车电路。
随着人们对汽车的安全性、舒适性、经济性和排放性要求的提高,汽车线束变得越来越复杂,但车身给予线束的空间却越来越小。
因此,如何提高汽车线束的综合性能设计便成为关注的焦点,而且汽车线束制造厂家不再单纯地搞线束后期设计和制造,和汽车主机厂家联合进行前期开发成为必然的趋势。
笔者根据几年来从事线束设计和制造的经验,谈谈线束的一般设计流程和设计原则。
一、整车电路设计<一)电源分配设计汽车的供电系统设计是否合理,直接关系到汽车电器件的正常工作与否和全车的安全性,因此世界各国的汽车线束设计出发点基本都是以安全为主。
整车电气系统基本上由3个部分组成。
蓄电池直接供电系统<一般称常电或30电)。
这部分的电源所接负载一般都是汽车的安全件或重要件,主要目的是在为这些件提供电能时尽量少的加以控制,确保这些件即使汽车发动不起来也能短暂正常工作,以方便到站点维修等。
如:发动机ECU及发动机传感器的工作电源、燃油泵的工作电源、ABS控制器的电源、诊断接口电源等。
点火开关控制的供电系统<一般称为IG档或巧电)。
这部分电器件基本上是在发动机工作运转的情况下才使用,取自发电机的电源,避免了为蓄电池充电时争电源的可能性。
如:仪表电源、制动灯电源、安全气囊电源等。
发动机起动时卸掉负载的电源<一般称为ACC电源)。
这部分电器件一般所带的负载较大,且在汽车起动时不必工作。
一般有点烟器电源、空调电源、收放机电源、刮水器电源等。
<二)线路保护设计线路保护就是要对导线加以保护,兼顾对回路电器件的保护。
保护装置主要有熔断器、断路顺和易熔线。
1.熔断器的选取原则发动机ECU、ABS等对整车性能及安全影响大,另外,易受其他用电设备千扰的电器件必须单设熔断器。
发动机传感器、各类报警信号灯和外部照明灯、喇叭等电器件对整车性能及安全影响也较大,但该类电负荷对相互间的干扰并不敏感。
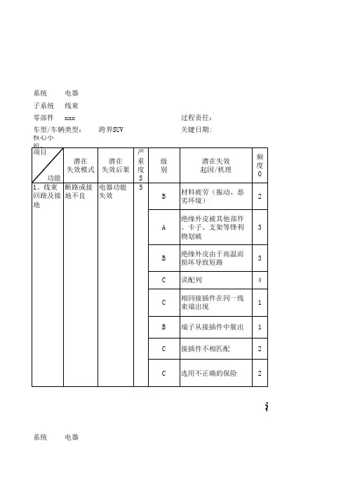
系统电器子系统线束零部件xxx过程责任:关键日期:核心小组:系统电器潜在车型/车辆类型:跨界SUV零部件xxx过程责任:车型/车辆类型:跨界SUV关键日期:核心小组:子系统线束零部件xxx过程责任:关键日期:核心小组:系统电器潜在车型/车辆类型:跨界SUV零部件xxx过程责任:关键日期:核心小组:系统电器潜在左前门线车型/车辆类型:跨界SUV零部件xxx过程责任:关键日期:核心小组:系统电器子系统线束潜在车型/车辆类型:跨界SUV零部件xxx过程责任:关键日期:核心小组:系统电器潜在车型/车辆类型:跨界SUV子系统线束零部件xxx过程责任:车型/车辆类型:跨界SUV关键日期:核心小组:潜在失效模式及后果分析(设计FMEA)编制人:FMEA日期(编制):文件编号:潜在失效模式及后果分析(设计FMEA)编制人:FMEA日期(编制):文件编号:潜在失效模式及后果分析(设计FMEA)编制人:FMEA日期(编制):文件编号:潜在失效模式及后果分析(设计FMEA)前门线束编制人:FMEA日期(编制):文件编号:潜在失效模式及后果分析(设计FMEA)编制人:FMEA日期(编制):文件编号:潜在失效模式及后果分析(设计FMEA)编制人:FMEA日期(编制):文件编号:潜在失效模式及后果分析DFMEA编制人:FMEA日期(编制):文件编号:(修订):共7页第1页(修订):共7页第2页附件6共7页3页(修订):0附件6共7页第4页(修订):0附件6共7页第5页(修订):0附件6共7页第6页(修订):0附件6共7页第7页(修订):0。
新能源汽车线束基本知识新能源汽车线束是指用于新能源汽车的电控系统中的电线和连接器的总称。
它是电网在新能源汽车中的重要组成部分,负责传输信号、数据和能量,用于控制新能源汽车的全部系统。
线束的制造技术和质量水平直接影响到新能源汽车的性能、安全和可靠性。
下面将从线束的组成、材料、制造工艺以及应用等方面介绍新能源汽车线束的基本知识。
一、线束的组成新能源汽车线束是由电线、连接器、保护套、标识标签等部分组成。
其中,电线是线束的基本组成部分,它通常由铜线或铝线制成,通过编织或缠绕的方式制成一条条线束。
连接器是连接线束和附属设备的重要部分,可以实现线束和部件之间的电信号、数据通讯和能量传输。
保护套是用于保护线束免受机械损伤、水、油、溶剂等化学品腐蚀的部分。
标识标签是线束上用于标识电线号码、电压等信息的标记。
除此之外,新能源汽车线束还可能包括其他附件,如继电器、保险丝等。
二、线束的材料1. 电线电线通常使用铜线或铝线制成。
铜线具有优良的导电性和延展性,同时具有较好的耐蚀性和耐热性,因此在制造线束时常常使用铜线。
铝线则具有较低的导电性和延展性,但其质量轻、价格低廉,可以广泛应用于低压线束。
2. 连接器连接器通常由金属材料制成。
其中最常用的金属是铜、铝、锌等。
有些高端连接器还使用不锈钢或铜镀金等材料制成,以提高连接器的机械强度、电气性能和耐腐蚀性。
3. 保护套保护套通常使用PVC、TPE、PA等材料制成。
这些材料具有良好的电绝缘性、机械强度和耐温性,适合用于保护线束免受机械损伤、水、油、溶剂等化学品腐蚀。
4. 标识标签标识标签通常使用PET或PVC等塑料材料制成,具有耐用和耐热的特性。
另外,一些高端的标识标签也可能使用金属材料制成,以在恶劣环境下保持标签的可读性。
三、线束的制造工艺新能源汽车线束制造工艺主要分为铜线加工、编制、绕包、连接器安装、防污染、标识标签等环节。
具体步骤如下:1. 铜线加工铜线会先经过焊接、剥皮、裸露、绞合等加工工艺。
汽车线束要点范文汽车线束是汽车中非常关键的一个部件,主要由导线、连接器、保护套等组成。
它负责汽车各个电气系统之间的信号传输和电力供应。
下面是汽车线束的一些要点。
一、线束分类1.功能分类:汽车线束可分为动力线束、信号线束和辅助线束。
动力线束主要负责车辆的电力供应,信号线束主要负责车辆各个电气系统之间的信号传输,辅助线束则负责车辆其他辅助设备的控制和供电。
2.结构分类:按组成部分的不同,汽车线束可分为电缆束和光缆束。
电缆束主要由导线和绝缘材料组成,而光缆束则是利用光导纤维传输信号。
3.材料分类:根据使用材料的不同,汽车线束可分为塑料线束、橡胶线束和硅胶线束等。
二、线束生产过程1.组织设计:根据汽车的电气系统设计,确定各个组成部分的数量和布局,并制定合理的线束布线方案。
2.选材和加工:根据设计要求,选择合适的导线、连接器等材料,并进行加工,如剥皮、绞合、压接等。
3.绝缘处理:对导线进行绝缘处理,常见的方法有包覆绝缘、按装绝缘套管等。
4.布线和固定:按照设计方案将线束布置到汽车的各个位置,并进行固定,以确保线束不受振动和外力影响。
5.测试和调试:对线束进行电气测试,确保线束连接正确,并进行必要的调试和修复。
三、线束的重要性1.保证电气系统正常工作:线束是汽车电气系统的重要组成部分,它负责将各个电气系统之间的信号传输和电力供应连接起来。
通过线束,各个电子设备可以相互通信,并保证汽车的正常工作。
2.提高安全性和可靠性:线束的质量直接影响汽车的安全性和可靠性。
优质的线束具有良好的绝缘性能和耐磨性,可以有效地预防短路、漏电等故障,提高车辆的安全性和可靠性。
3.减少线缆数量和重量:线束通过集成多个线缆,可以减少汽车中线缆的数量和重量。
这不仅可以降低汽车的油耗和排放,还可以提升车辆的性能和动力。
4.提高生产效率和质量:线束的集中制造和组装可以提高汽车生产过程的效率,并提高产品质量的一致性。
线束的标准化设计和模块化生产,使得线束的更换和维修更加方便和快捷。
线束DFMEA浅析线束DFMEA浅析1. 什么是DFMEA在实现汽车连接器的密闭性能中,密封圈是⼀个常⽤的⼯具,这种⼯具可以将不仅可以实现不同孔位之间的固定的效果,还能够实现密封的效果。
既能够保证汽车设备的稳定运⾏,⼜能够保证汽车设备在⼯作中的防⽔性能。
密封圈在制作中⼤部分会使⽤硅橡胶这种材料,这种材料是通过液硅和固硅经过⼀定的化学变化之后制作出来的。
DFMEA是⼀种分析技术,主要有设计负责的⼯程师/⼩组负责并尽可能的保证在产品投⼊⽣产之前将潜在的失效模式及相关的原因或失效机制被考虑和处理.每⼀个项⽬以及与之相关的系统/组件和零部件都应该进⾏评估。
DFMEA分析便捷图所⽰的边界系统功能,该关系包括基本组件间以及与系统边界外组件之间的关系,并识别和分析其可能的设计风险,以尽量减少潜在的失效风险发⽣。
DFMEA也可以⽤于评估⾮汽车产品(如设备和模具等)的失效分析。
分析结果可被⽤来建议设计变更、额外的测试以及其他在⽣产设计交付前降低失效风险或提⾼测试检测能⼒的措施。
DFMEA是先期质量策划中评价潜在失效模式及其起因的⼀种⼯具依照其发⽣在失效的风险优先排列,并采取⾏动排除或降低其发⽣的⽅法为未来使⽤和持续改进提供⽂件化的预防经验/⽅法DFMEA⾃⾝并不是问题的解决者,它通常与其他问题解决⼯具联合使⽤。
“DFMEA提出问题解决的时机并不是解决问题”将问题扼杀在摇篮之中墨菲定律:所有可能出错的地⽅都将会出错!2. FMEA发展史FMEA的发展历史可以追溯到60多年前,以下是该⽅法的重要⾥程碑:1949年:FMEA⽅法是由美国军⽅开发的军⽤标准MIL-P-1629它被⽤作可靠性评估技术,以描述系统和设备故障的影响。
失效根据成功、⼈员和设备安全来分类;1955年:⼴泛应⽤“潜在问题分析(APP)”KT法(由K印ner博⼠和Tregoe博⼠整理的合理想法/思考⽅法的模型);1963年:美国国家航空航天局(NASA)制定了“失败模式、影响和关鍵性分析“(FMECA)应⽤于阿波罗项⽬;1965年:⼴泛⽤于航空和航天应⽤,⾷品⼯业和核技术应⽤领域;1975年:这种⽅法被部署在核电⼯程以及其他领域;1977年:FMEA⽅法开始由福特汽车公司引⼊汽车⾏业使⽤;1980年:在德国失效模式和影响分析以“FMEA(DIN 25448)”为标题进⾏了标准化,在德国汽车⼯业协会中,该⽅法是专门应⽤于汽车领域。
汽车线束的基础知识来源:未知作者:admin 发布时间:2010-06-25 01:26 浏览:204 次汽车线束是汽车线路各部件联系的载体,有人曾经做过一个形象的比喻:汽车线束是血管,汽车引擎是心脏;心脏因血管而跳动,引擎因线束而运转;可见汽车线束对于汽车整车电路正常稳定的重要性。
汽车线束设计流程较为复杂,从事该行业的人对汽车线束的基础知识有一个基本的了解,是非常有必要的。
下面,浩智电子简要谈谈汽车线束的基础知识。
汽车线束的定义:汽车上的全车线路(除高压线之外),为了不零乱,安装方便和保护导线的绝缘,一般都将同路的不同规格的导线用绵纱编织或用薄聚氯乙烯带半叠缠绕包扎成束。
汽车线束的组成:由导线、端子、插接器、护套等组成。
端子:一般由黄铜、紫铜、铅材料制成,它与导线的连接采用冷铆压合而成。
插接器:用于导线之间的连接,为了保证连接可靠,一般都用一次锁紧、二次锁紧装置。
安装汽车线束的注意事项:1,线束不可拉得过紧,尤其在拐弯处更要注意。
2,连接电器时,应根据插接器的规格以及导线的颜色或接头处套管的颜色,分别接于电器上,若不容易辨别导线的头尾时,一般可用试灯分。
3,线束应用卡簧或绊钉固定,以免松动磨坏。
汽车线束知识的入门来源:未知作者:admin 发布时间:2010-06-28 16:52 浏览:236 次浩智电子这篇文章主要是让大家了解汽车线束的定义以及其基本组成元件,线束在汽车上的作用,生产线束的基本操作,以及工艺文件的基本知识。
本文可以算是汽车线束知识的入门,可以让大家初步了解我公司的产品及线束的生产。
汽车线束的定义在汽车上,为了安装方便和保护导线不被水、油侵蚀和磨损,汽车导线除高压线和蓄电池导线外,都用绝缘材料如薄聚氯乙烯带缠绕包扎成束,称为线束。
汽车线束是汽车线路各部件联系的载体,素有“汽车血管”之称,其对于汽车的稳定运行非常重要。
汽车线束的作用线束是整机设备动力和信号传输分配系统的总成,第一是可以通过线束传递整机设备所需的驱动信号,驱动整机设备运行;第二是将信号转换成电流传递给整机设备内的其他设备。
模块化线束是汽车线束的一种,它是由一系列模块组成的线束,每个模块只负责一个功能,如照明、信号、电源等。
这种线束的设计使得汽车线束的布局更加灵活,同时也方便了维修和更换。
模块化线束的另一个优点是易于集成新的技术,因为每个模块都可以单独升级和替换。
在汽车制造中,模块化线束的使用有助于提高生产效率和质量,同时也可以降低成本。
然而,模块化线束也存在一些挑战,如模块之间的接口需要保证电气性能的一致性,以及如何确保所有模块都能在各种环境下可靠工作。
因此,在设计和生产模块化线束时,需要充分考虑这些问题并采取相应的措施。
第4章电气连接与配线安装4.1概论第3章所描述的面向手工装配过程的设计在机械产品方面用得很成功。
然后,在包含大量电气连接的产品中,有关的装配劳动经常远远超过机械零件和紧固件的装配劳动。
例如,图4-1表示通过控制单元的再设计可能削减装配时间的潜在能力情况【1】。
可以看出,在原先的设计中,整个装配时间是260min (4.3h),其中大约一半用在接线的手工焊接上,还有31%用在机械固定接线上。
在提议的一种无手焊的再设计中,去除了许多连接,整个装配时间减少至仅为33min(0.55h)。
卫星电视接受的解密器是一种很能说明问题的例子。
这种产品与录像机VCR差不多大小,含有10块印制电路板,如表4-1所示:其中有51条连接电线或者电缆,31个电路板跳线,所完成的连接的总数为164。
表4-1表明,这些事项需7236s(2.01h)的装配时间,占产品整个装配时间(10613s,既2.95h)的68%。
表4-2总结了通过再设计节省成本的情况。
例如,如果能把10块电路板结合成为一块板的话就可以去除相互联接的配线;再加上如果能避免跳线,就有可能节约61%的装配成本。
图4-2为IBM PS 2 计算机的第一批广告之一,这种方便装配的惊人成就主要通过去除所有内部电缆而取得的。
The Personal System/2 Model 50 is the first computer to come with abullt-in party game.The object of this game is to disassambie and reassemble the machine as quickly as possible.Screwdrlver are prohibited.Sounds impossible?With a little practice,you might be able to clock in at under aminute.图4-2 1987年5月26日在PC Magazine上的广告有意思的是,如果把第3章中所描述的最少零件判据用于任何类型的连接,这些连接在理论上从来就不能被证明是正确的。