动脉血气标本采集操作流程及考核标准
- 格式:doc
- 大小:35.50 KB
- 文档页数:2
动脉血气标本采集流程及注意事项血气分析结果直接影响到对患者呼吸功能及酸碱平衡紊乱的诊断和治疗,因此动脉采血流程要规范化、标准化。
(一)动脉血气标本采集流程:一、动脉采血前准备:1 患者评估和准备:动脉采血前准确核对患者身份,身体状况,评估穿刺部位皮肤及动脉搏动情况。
采血前向患者解释动脉采血目的及穿刺方法,减少患者紧张,取得患者配合。
2 采血物品准备:专业安全型动脉采血器一支,碘伏消毒棉签或异丙醇棉球,无菌干棉签或无菌纱布,弯盘等。
二、动脉穿刺部位的选择:1最常用和首选桡动脉,因为其有丰富的侧支循环,动脉表浅,穿刺方便,易于固定和穿刺后按压止血。
其他可选择的部位依次是肱动脉、股动脉、足背动脉。
2 改良案例Allen实验呈阳性。
三、采血:1 采集动脉血气标本要用专业安全型动脉血气采血器,先把3ML 的动脉血气针的针栓推到底然后再拉回到1.6ML处,让抗凝剂在管壁均匀分布,减少凝血机会。
2 根据患者病情取平卧位或半卧位,手掌向上伸展手臂,腕部外展30度绷紧,手指自然放松。
必要时可以使用毛巾卷或小枕头以帮助腕部保持过伸和定位。
3 操作者左手食指、中指,定位桡动脉搏动最明显部位。
4 常规消毒穿刺区皮肤和操作者的食指和中指,消毒区域以穿刺点为中心直径应在5CM以上。
5 以斜刺或直刺方法进行动脉穿刺,见血后固定针头,待动脉血自动充盈针管至1.6ML位置后拔针。
6 拔针后,局部立即用无菌棉签或纱布按压穿刺部位3-5分钟,股动脉按压10-15分钟以上。
松开后立即检查穿刺部位,如未能止血需重复此步骤直至完全止血。
四、采血后要求:1 采血成功后,在按压止血的同时,立即单手启动采血器上的安全卡扣,防止针刺伤的发生。
2 将针头旋下换上安全帽,观察标本中有无气泡,如有气泡立即排除。
3 把标本垂直颠倒5次,平行揉搓5秒钟以上,保证样本充分抗凝。
五、样本的运输和送检:以手持方式运送标本,标本应在15分钟内立即送检,不能立即送检的可暂时保存在冰箱冷藏层中,15-30分钟内送检。
动脉血标本采集评分标准质量标准:患者血标本在最小疼痛下得到正确的收集,并将标本及化验单及时送检。
操作目的:采集动脉血,进行血气分析,判断患者氧合情况,为治疗提供依据。
(2分)护士仪表:着装整洁规范,仪表端庄大方。
(2分)用物准备:(5分)①治疗盘内:活力碘、棉签、专用动脉采血器、一次性治疗巾、无菌纱布块、弯盘、脉枕、动脉血气分析条形码标签及申请单、医嘱单、手消、医疗垃圾桶、生活垃圾桶。
操作流程接到一份医嘱,双人核对(1床,王红,女,30岁,住院号123456,遵医嘱查血气分析一次),双人核对无误后,转抄医嘱。
(2分)1.操作前评估七步洗手,携医嘱单到患者床旁。
(2分)三次核对(床头卡反问式核对,手腕带)(2分)护士:王红女士,我是您的责任护士**,您现在感觉怎么样?(1分)患者:感觉有点胸闷,没有精神,无力。
护士:这个是由于缺氧导致的,现在遵医嘱需要给您采集动脉血,做血气分析,了解血液中氧含量情况,为治疗提供依据。
您看可以吗?(2分)患者:可以。
护士:请您伸出您的右手,让我查看一下您手部的皮肤以及血管情况。
(掀开盖被,注意保暖,查看局部皮肤)局部皮肤完好无破损、无炎症,血管弹性良好。
(3分)护士:王红女士,现在给你做Allen(艾伦)试验,请您配合我好吗?(护士双手拇指分别按压患者桡动脉及尺动脉),请你握拳…松开…握拳…松开…(如此反复5-7次直至手掌变白,松开对尺动脉的压迫,继续保持压迫桡动脉,观察手掌颜色变化),1…2…手掌颜色迅速变红(或恢复正常),Allen(艾伦)试验阴性。
王红女士,待会儿就在您右手腕进行采血,可以吗?(8分)患者:可以。
护士:那好,您先休息,我去准备。
2.操作中返回治疗室,七步法洗手,戴口罩。
准备用物①,检查用物。
再次七步法洗手,携用物至病房。
(2分)三次核对(床头卡反问式核对,手腕带)(2分)护士:王红女士,因为动脉在体表看不到,需要用手去触及搏动,请您配合我好吗?(1分)患者:好的。
动脉血气标本采集护理技术操作流程一、评估病人情况在采集动脉血气标本之前,首先要评估病人的情况。
评估内容包括病人的病情、意识状态、配合程度、血液循环情况等。
此外,还需了解病人的用药情况,以便更好地评估病人情况,确定采集血气标本的最佳时机。
二、准备用物在采集动脉血气标本之前,需要准备必要的用物,包括:一次性动脉血气穿刺针、肝素抗凝剂、无菌棉签、无菌纱布、无菌手套、一次性塑料试管等。
此外,还需准备好血气分析仪,确保仪器处于正常工作状态。
三、核对病人信息在采集动脉血气标本之前,需要核对病人的信息,包括姓名、年龄、性别、诊断等,确保采集的血液与病人的信息相符。
四、选择动脉穿刺部位选择动脉穿刺部位是采集动脉血气标本的重要步骤。
一般选择易于穿刺、血液循环良好的动脉,如桡动脉、肱动脉、股动脉等。
在选择穿刺部位时,还需考虑病人的舒适度和安全因素。
五、消毒穿刺部位在选择好的动脉穿刺部位进行消毒,使用无菌棉签蘸取适量的消毒液(如碘伏),对穿刺部位进行全面消毒,确保无菌操作。
六、进行动脉穿刺消毒完成后,操作者戴上无菌手套,手持动脉血气穿刺针,迅速而准确地刺入动脉。
在穿刺过程中,需保持针头与血管垂直或呈一定的角度,以增加成功率。
七、抽取适量血液在成功穿刺后,操作者需要抽取适量的血液。
一般采集2-3毫升的血液,足够进行血气分析。
在抽取血液时,需避免过度抽吸或推注空气,以免影响检测结果。
八、拔出针头局部加压采集到所需血液后,操作者需迅速拔出针头,并用无菌纱布按压穿刺部位5-10分钟,以避免局部出血或血肿。
同时嘱咐病人保持穿刺部位干燥清洁,避免感染。
九、血气分析及时送检采集到的动脉血液应及时进行血气分析,以免影响检测结果的准确性。
在送检过程中,需确保血液不受污染,并及时送至实验室进行分析。
十、整理用物并记录采集完动脉血气标本后,需对用物进行整理和清洁。
将用过的物品按照医疗废物处理规定进行处理,防止交叉感染。
同时,需及时记录采集过程和结果,为后续治疗和护理提供依据。
动脉血气分析标本采集操作流程1.准备工作:-告知患者采集方法和注意事项,获得患者的理解和配合;-所需的材料包括:穿刺针、引流管、血气分析仪、消毒用品、一次性手套、棉球、止血带等。
2.病人的准备:-根据需要,患者可能需要卧床平躺或坐位。
由于血流较多的动脉通常可以提供更准确的结果,如桡动脉、股动脉或腋动脉,选择合适的采样部位;-检查患者的动脉脉搏,确定感觉下肢温度和皮肤颜色正常。
了解患者的近期用药史,尤其是对抗凝剂使用。
3.消毒和穿刺:-戴上一次性手套,准备消毒用品。
可以使用皮肤消毒剂(如酒精)来消毒皮肤,或使用带有酒精的消毒布棉球,清洁并消毒将要穿刺的部位;-用一根手指按压局部,使动脉血流处于最大状态,用另一根手指握住皮肤,使之微微凸起;-从一个较低的角度用穿刺针穿刺入皮肤,并沿着动脉方向插入,使血痕进入注射器内;-随着血痕的进入,轻轻地固定针头,保持其稳定的位置,不要扭动或晃动。
4.采集血样:-拔出内针,将一次性引流管插入穿刺处,确保其与针头连接紧密。
在引流管上贴上一张标志纸,并在上面记录患者的相关信息;-使用血气分析仪的引流口连接引流管,开始吸取血样。
通常,一次采集1-2毫升的血液即可;-监控血流的情况,一旦血流减弱或停止,可以施加轻轻的轻拍或搓揉动作以重建血流;-吸取足够的血样后,停止吸取,拔掉引流管,并用棉球轻轻按压穿刺处,以防止出血。
5.处理血样:-将血样放入标有患者个人信息的血样容器中,并密封好;-将血样送往实验室进行血气分析检测。
6.观察和记录:-观察患者采集后的状况,注意有无出血、感染或血肿等并发症;-在患者记录中准确记录采集时间、部位、患者症状和其他重要信息;-将采集数据与患者的临床情况相结合进行解读和分析;以上是动脉血气分析标本采集操作的流程。
在操作过程中,需要注意消毒手法的正确性、穿刺针的角度和深度、血样采集的时机和深度等。
同时在采集过程中要保持耐心,尽量减少患者的不适和疼痛。
动脉血标本采集操作流程一、概述动脉血标本采集是一项重要的临床操作,用于获取动脉血样本,以进行生化分析、血气分析等检测。
正确的采集操作流程能够确保标本的质量和准确性,提高诊断和治疗的准确性和效果。
二、操作准备1. 确定采集时间和采集部位:根据医嘱和患者情况,确定采集动脉血标本的时间和采集部位,通常选择桡动脉或股动脉。
2. 准备所需设备和材料:手套、无菌针头、注射器、消毒剂、止血带、采血管等。
三、操作步骤1. 患者准备:告知患者操作目的和过程,让患者保持平静,取松动衣物,选择合适的采集部位。
2. 洗手和戴手套:采集人员应先洗手,并戴上无菌手套,确保操作无菌。
3. 选择采集部位:根据患者情况和医嘱,选择合适的采集部位,通常选择桡动脉或股动脉。
4. 皮肤消毒:用消毒剂对采集部位进行彻底消毒,保持无菌状态。
5. 用止血带加压:将止血带绑在采集部位上,并适度加压,以减少血流速度,有利于采集操作。
6. 寻找动脉搏动:用手指触摸采集部位,寻找到动脉搏动的位置,确定采集点。
7. 选择合适的针头和注射器:根据采集部位和血流情况,选择合适的针头和注射器规格。
8. 采集动脉血标本:将针头插入动脉,角度应适中,以避免穿透动脉两侧壁,同时保证血液流畅。
9. 采集足够的血液:根据医嘱要求,采集足够的血液,通常为2-3ml。
10. 拔出针头:缓慢拔出针头,用无菌棉球轻压采集点,避免出血和感染。
11. 丢弃废弃物:将已使用的注射器和针头等废弃物按规定处理,保持环境整洁。
12. 观察采集点:观察采集点是否有出血或其他异常情况,及时处理。
四、注意事项1. 严格执行无菌操作:采集人员应保持手部清洁,戴上无菌手套,操作过程中避免交叉污染。
2. 注意采集部位选择:选择合适的采集部位,避免伤及神经或血管,同时考虑患者的舒适度。
3. 注意采集角度和深度:插入针头时角度应适中,以避免穿透动脉两侧壁,同时保证血液流畅。
4. 注意止血带的使用:使用止血带时,加压应适度,过紧或过久的加压会导致血液循环不畅,影响采集效果。
动脉血气采集流程动脉血气采集是一种常见的医学检查方法,用于测量患者的动脉血液中的氧气、二氧化碳以及酸碱平衡相关指标。
该检查对于评估患者的肺功能、氧合水平和酸碱平衡异常具有重要意义。
下面是动脉血气采集的流程:1.准备工作:在进行动脉血气采集前,医务人员需要向患者解释该检查的目的和过程,并获得其同意。
同时,应检查患者的动脉血流是否正常,通常选择桡动脉或股动脉作为采集部位。
此外,医务人员需要准备好必要的血气采集装置和消毒用品。
2.消毒和阻断:在采集动脉血气前,医务人员需要在采集部位(通常是桡动脉或股动脉)上消毒,以减少感染的风险。
然后,使用适当的器械(如绷带、压迫装置等),对血管进行轻度的阻断,以增加血流压力,有助于血液的顺利采集。
3.采集动脉血液:当采集部位准备就绪后,医务人员将通过穿刺器械(如一次性动脉穿刺针)将针头插入到动脉血管中。
在插入针头时,医务人员需要注意角度和深度,以及与患者的交流,避免疼痛和不适。
一旦插入成功,针头将进入动脉血管,血液会自动被吸入到血气采集器中。
4.绷带和压迫:在采集完成后,医务人员会迅速拔除针头,并立即在采集部位上施加适当的绷带或压迫,以促进止血并减少出血的风险。
通常情况下,患者需要保持压迫几分钟,直至血液止血。
5.标本处理和分析:采集到的动脉血样本将被送往实验室,进行相应的分析和检测。
实验室技术人员通常会测量血氧饱和度、二氧化碳分压、氧分压、酸碱平衡等指标,并及时将结果反馈给医务人员。
值得注意的是,动脉血气采集是一项技术要求较高的检查,需要经过专业的培训和实践才能熟练操作。
医务人员在执行该检查时需要格外小心,确保操作过程中患者的安全和舒适。
动脉血标本采集技术一、操作目的:采集动脉血,进行血气分析,判断患者氧和情况,为治疗提供依据。
二、评估患者:1、询问、了解患者身体状况,了解患者吸氧状况或者呼吸机参数的设置。
2、向患者解释动脉采血的目的及穿刺方法,取得患者配合。
3、评估患者穿刺部位皮肤及动脉搏动情况。
三、实施要点操作要点:1、仪表:复合要求2、操作用物:治疗盘、碘伏、棉签、采血针(含肝素的2ml注射器)放在无菌治疗垫内、橡皮塞、一次性手套,一次性治疗巾、弯盘3、操作步骤:1)核对医嘱,准备用物。
2)核对床号、姓名、住院号、手腕带,评估患者。
3)洗手、戴口罩。
4)携用物到病人床边,再次核对。
5)协助患者取舒适体位,暴露采血部位。
6)将一次性治疗巾垫在穿刺部位下。
7)消毒皮肤直径至少8cm。
8)检查采血针,并排气。
9)戴手套。
10)消毒左手食指、中指。
11)取一根干棉签夹在小指和无名指中间,再次核对。
12)取下针帽,左手食指中指摸桡动脉搏动,右手持针沿动脉走向在动脉搏动最强处垂直进针或在下方以45°角进针,见回血后抽0.5ml血液。
13)取到所需血量后左手按压穿刺点,右手拔针,指导患者或家属正确按压穿刺部位,脱手套。
14)立即将针头插入橡皮塞内,用手掌来回搓动标本,使之与抗凝剂混匀,注明采集时间及是否用氧。
15)再次核对,按压穿刺部位5-10分钟至无出血。
16)协助患者取舒适卧位,询问患者需要。
17)整理床单位。
18)标本核对无误后立即送检。
四、终末处理1、回治疗清理弯盘,一次性弯盘毁形。
2、抹布擦拭治疗盘、治疗车,备清洁弯盘在治疗盘内。
3、洗手,取口罩。
签医嘱。
五、指导患者:1、指导患者抽取血气时尽量放松,平静呼吸,避免影响血气分析结果。
2、告知患者正确按压穿刺点,并保持穿刺点清洁干燥。
六、注意事项:1、消毒面积应较静脉穿刺大,严格执行无菌操作技术,预防感染。
2、患者穿刺部位应当压迫至不出血为止。
3、患者若饮热水、洗澡、运动,需休息30分钟后取血,避免影响检查结果。
血液采样操作流程及考核标准(100分)一、操作流程血液采样是一个关键的步骤,需要按照规范的操作流程进行。
下面是血液采样的操作流程:1. 准备工作:- 确保采样区域和工具的清洁和消毒- 检查采样工具和材料的完整性和有效期2. 选择采样部位:- 常用的采样部位包括脉搏动脉和肘部静脉- 根据采样目的和患者状况选择合适的部位3. 穿戴手套:- 戴上无菌手套以避免交叉感染4. 准备采样工具:- 使用适当的注射器或针头,确保其干净和无菌5. 固定采样部位:- 对于动脉采样,适当固定采样部位以保持血液流动- 对于静脉采样,使用绷带或其他方法固定采样部位6. 选择插入点:- 对于动脉采样,选择适当的插入点,并用消毒棉球擦拭该区域- 对于静脉采样,选择适当的静脉,并用消毒棉球擦拭该区域7. 插入针头:- 对于动脉采样,以适当的角度插入针头,并注意血液回流- 对于静脉采样,以适当的角度插入针头,并注意血液回流8. 采集血液样本:- 对于动脉采样,使用适当的抽血器采集血液样本- 对于静脉采样,使用适当的采样管采集血液样本9. 拔出针头:- 拔出针头后,使用消毒棉球按压采样部位,避免血液渗漏和感染10. 处理采样物和废弃物:- 将采样物装入适当的中,确保安全处理废弃物- 清洁和消毒使用过的工具二、考核标准血液采样操作的质量和准确性对于诊断和治疗非常重要。
以下是血液采样操作的考核标准,满分为100分:1. 操作流程的掌握程度(20分):- 是否按照规范的操作流程进行血液采样- 是否准确地执行每个步骤2. 采样区域的准备(10分):- 是否按照要求对采样区域进行清洁和消毒3. 工具和材料的准备(10分):- 是否正确选择和准备采样工具和材料4. 手套的穿戴(5分):- 是否正确穿戴无菌手套以避免交叉感染5. 采样部位的选择(10分):- 是否根据采样目的和患者状况选择合适的采样部位6. 针头插入的准确性(15分):- 是否在正确的角度和位置插入针头7. 血液样本的采集(20分):- 是否使用适当的采集工具采集足够的血液样本8. 针头拔出后的处理(5分):- 是否正确处理针头拔出后的采样部位9. 废弃物的处理(5分):- 是否正确处理使用过的采样物和其他废弃物10. 其他操作细节的掌握(10分):- 是否注意到和正确处理操作过程中的细节以上是血液采样操作流程及考核标准的简要介绍。
动脉血气标本采集的操作
一、定义
重危患者常出现酸碱平衡与呼吸功能紊乱,故须经常用血气分析进行监护,血气分析是诊断与处理呼吸衰竭患者最重要的检测内容。
二、用物准备
皮肤消毒剂、5ml无菌注射器、肝素液、橡皮塞或软木塞、无菌棉签。
三、操作步骤
①穿刺部位:一般穿刺时可选用股动脉、肱动脉、桡动脉、足背动脉。
②穿刺方法:抽血用物准备后,选用5ml无菌注射器抽取生理盐水配制的1000U/ml肝素液约1ml,推拉针栓使肝素液湿润针管内壁,然后将肝素液全部推出,备好封闭针头的橡皮塞。
在动脉穿刺部位消毒皮肤,术者左手中指与示指亦要消毒后再触摸动脉搏动,并用左手的中指与示指纵行将动脉固定于两指之间,以右手持针垂直将针头穿刺于动脉内,即见有动脉血自动的压回于注射器内(玻璃注射器密封效果最好,塑料空针须用力回吸),取1~2ml即可。
抽出穿刺针后立即刺入橡皮塞内封闭针头使之与空气隔绝,同时用无菌棉签压迫穿刺点5分钟止血,以避免发生出血。
血标本应立即送检。
四、护理注意事项
①术前向患者说明此项检查的意义和注意事项,使其密切配合,保持情绪平稳,以便取得实际的血气结果。
②常规血气分析最好在早晨与生化检查同步进行,将两者的结果结合起来进行分析则更有利于正确结果的判断。
③血标本取出后争取在20分钟内测定。
如果不能立即测定,应放在4℃以下冰箱内保存,否则引起血细胞代谢会使PaO2与pH降低,PaCO2升高。
④血标本取出后要立即密封,以防止针尖处气体交换,一般将针尖刺入橡皮塞内即可达到密封目的。
⑤血取出后应摇动注射器使其与管壁肝素混匀,以防凝固。
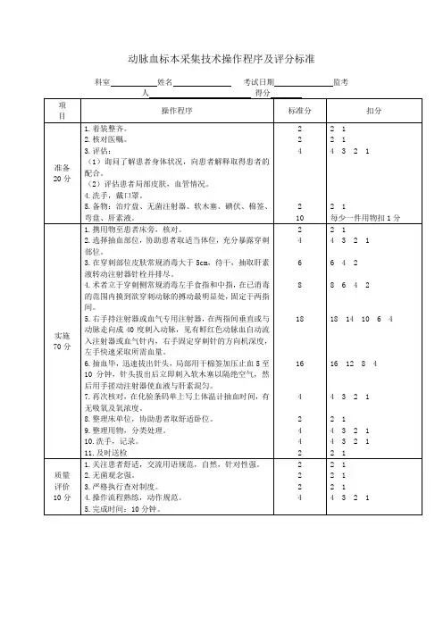
动脉血标本采集操作技术评分标准序号:考生姓名:得分:监考老师:操作时间:相关知识点一、标本采集的目1、进行血气分析,判断有无酸碱失衡、缺氧和二氧化碳潴留等,为诊断、治疗、用药提供依据。
2、指导氧疗、机械通气各种参数的调节。
3、作乳酸和丙酮酸测定二、采血前评估及解释1、动脉血气分析标本中气体指标变化较快,为准确反映患者状况,采血前应嘱患者平卧或静坐5min,帮助患者缓解紧张情绪,防止过度通气或屏气。
2、如患者的給氧方式发生改变,应在采血前等待至少20-30min,以达到稳定状态,保证检测结果的准确性。
3、记录患者的姓名、吸氧浓度、体温等,避免检测结果出现计算或校正错误。
4、艾伦试验:嘱患者握拳,同时按压桡尺动脉,伸开手指,手掌变苍白,按压尺动脉的手指抬起,观察手掌颜色恢复的时间(5-15秒)三、穿刺进针角度1、桡动脉40°-45°(首选)2、肱动脉45°3、足背动脉15°4、股动脉90°(最后的选择)5、头皮动脉20-30°(婴幼儿)6、动脉导管采血(留置动脉导管者)四、注意事项1、严格执行查对制度和无菌操作原则。
2、桡动脉穿刺点为前臂掌侧腕关节上2cm、动脉搏动明显处。
股动脉穿刺点在腹股沟股动脉搏动明显处;穿刺时病人取仰卧位,下肢伸直略外展外旋,以充分暴露穿刺部位。
新生儿宜选择桡动脉穿刺。
3、抽血时注射器内不能有空泡,抽出后立即封闭针头,隔绝空气。
采血后立即送检,以免影响检测结果。
4、拔针后局部用无菌纱布或沙袋加压止血,以免出血或形成血肿,压迫止血至不出血为止。
5、病人饮热水、洗澡、运动,需休息30min后再行采血,避免影响监测结果。
6、条形码合理有效使用,杜绝差错事故的发生。
7、有出血倾向者慎用动脉穿刺法采集动脉血标本。
五、常见并发症的预防及处理1、动脉痉挛及血管迷走神经反应动脉穿刺难度较大,患者可因紧张而发生动脉痉挛,或由于血管迷走神经反应出现晕厥,导致采血失败。