100t汽车吊性能表
- 格式:doc
- 大小:258.50 KB
- 文档页数:6
ZOYOMLION中联QY100T汽车吊主臂起重性能表适应角色转变,扎实开展团的工作———共青团铁东区委书记的述职报告2011年是适应角色转变、思想进一步成熟的一年。
这一年,自己能够坚持正确的政治方向,紧紧围绕党的中心,立足本职岗位,较好地完成本线的工作任务。
自己政治觉悟、理论水平、思想素质、工作作风等各方面有了明显的进步和提高。
总的来说,收获很大,感触颇深。
一、以德为先,进一步提升个人思想素质过去的一年,我以一个共产党员的标准,以一个团干部的标准严格要求自己,在个人的道德修养、党性锻炼、思想素质上有了很大的进步。
一是道德修养进一步提高。
作为一个团干部,我的一言一行、我的自身形象将直接影响到团委各成员,甚至更广大的青少年。
因此,在日常的工作和生活中,我每时每刻提醒自己,从小事做起,注重细节问题,做到干净做人、公正做事,以平常心看待自己的工作,要求自己在工作中诚实、守信、廉洁、自律,起好表率作用。
二是党性锻炼得到不断加强。
不断加强自己的党性锻炼,我严格按照《党章》和《中国共产党党员纪律处分条例》来要求和约束自己的行为,牢记党的宗旨,在团的工作中,以广大青少年的权益为出发点,务求时效。
三是政治思想素质不断提高。
一年来,我继续加强学习,积极参加理论中心组学习,经常自发利用休息时间学习,积极参加团省委组织赴井冈山革命传统与理想信念教育专题培训班、区委区政府组织赴清华大学县域经济培训班,通过“看、听、学、思”,进一步加深了对马列主义、毛泽东思想、邓小平理论、“三个代表”重要思想的理解,进一步系统掌握了党在农村的路线、方针、政策以及对共青团工作的要求。
特别是党的十七届六中全会以来,我通过学习原文、听专家讲课等,开拓了思想新境界,政治思想素质有了新的飞跃。
二、以能为先,进一步加强组织工作能力在上级领导的信任和支持下,我本人也自加压力,抓住一切机会学习,注重与同事、与兄弟单位团委书记的交流,虚心请教,不耻下问,使各项工作都有序地开展。
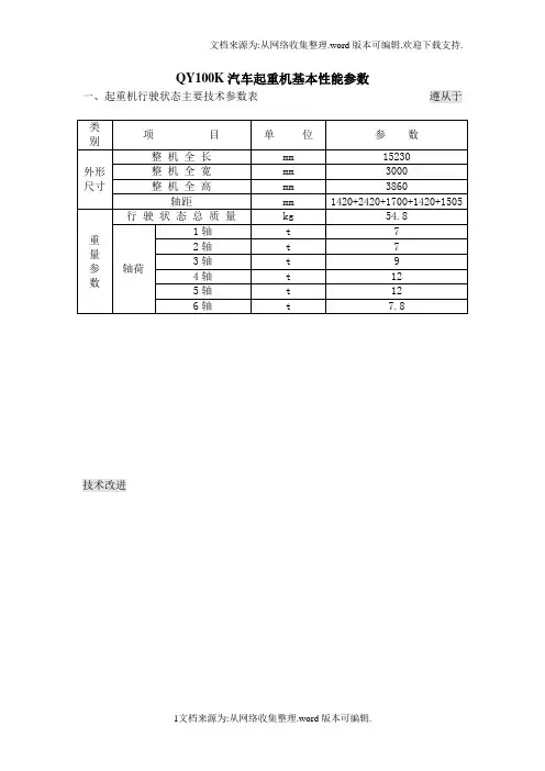
100t汽车吊QY100K汽车起重机基本性能参数一、起重机行驶状态主要技术参数表遵从于类项目单位参数别整机全长 mm 15230整机全宽 mm 3000 外形尺寸整机全高 mm 3860轴距 mm 1420+2420+1700+1420+1505行驶状态总质量 kg 54.81轴 t 7 重2轴 t 7 量参轴荷 3轴 t 9 数 4轴 t 125轴 t 12 技术改进6轴 t 7.8发动机额定功率 kw/(r/min) 306/1800 动力发动机额定扭矩 N.m/(r/min) 2010/1200 参数发动机额定转速 r/min 1900最高行驶速度 km/h 75最小转弯直径 m 24最小离地间隙 mm 310 行接近角 ? 23 驶参离去角 ? 15数制动距离(车速为30km/h) m ?10最大爬坡度 % 40百公里油耗 L 70二、起重机作业状态主要技术参数表类项目单位参数别最大额定总起重量 t 100最小额定幅度 m 3平衡重处 mm 4200 转台尾部回转半经副卷处 mm 45903450 主基本臂最大起重力矩kN.m (4m×88t) 要纵向 m 7.56 性支腿跨距 (全伸) 能横向 m 7.6 参基本臂 m 12.8 数起升高度最长主臂 m 48.8最长主臂 + 副臂 m 66.8基本臂 m 12.8起重臂长度最长主臂 m 49最长主臂 + 副臂 m 49+18.1起重臂起臂时间 s 75起重臂伸缩时间全伸/ 全缩 s 160 工作速度最大回转速度 m/min 2 参数主起升机构 m/min 105 起升速度(单绳,第四层) 副起升机构 m/min 104TAD720VE 发动机型号动力发动机额定功率 kw/(r/min) 174/2300 参数发动机额定扭矩 N.m/(r/min) 854/1400三、QY100K汽车起重机起重机主要起重性能表表1主臂起重性能表单位:吨19.2t平衡重全伸支腿 360?作业主臂长度(m) 幅度(m) 12.8 17.4 22 26.5 31 35.5 40 44.5 49 3 100 80 4 88 72 62 5 70 62 56 42 40 6 57 55 50 42 37.5 31.4 7 47 49 45 39 34.5 29.3 24.9 8 40.5 41 40.5 35.5 31.8 27.3 23.4 19.6 9 34.5 35.5 36 32.5 29.5 25.6 22 18.5 14.5 10 30 31 30.6 30 27.5 24 20.7 17.5 14 12 23.5 23.3 24.5 24 21.2 18.5 15.7 12.6 14 17.4 17 18.5 19.4 18.8 16.7 14.3 11.6 16 12.8 14 14.9 15.5 15.1 13 11 18 9.7 10.9 11.7 12.3 12.9 11.9 10 20 8.5 9.3 9.9 10.5 10.7 9.3 22 6.6 7.4 8 8.6 8.8 8.7 24 5.9 6.5 7.1 7.3 7.5 26 4.7 5.3 5.9 6 6.3 28 4.6 4.9 5 5.3 30 3.4 4 4.1 4.4 32 3.3 3.4 3.7 34 2.6 2.7 3 36 2.2 2.4 38 1.7 1.9 40 1.5 42 1.1 倍率 12 10 8 6 5 4 4 3 2表2 副臂起重性能表单位:吨19.2t平衡重全伸支腿侧、后方作业49m主臂10.6 18.1 主臂副臂0? 副臂15? 副臂30? 副臂0? 副臂15? 副臂30? 仰角起重幅度起重幅度起重幅度起重幅度起重幅度起重幅度量 (m) 量 (m) 量 (m) 量 (m) 量 (m) 量 (m) 78? 7 13.5 5 15.9 3.5 18.1 3.6 15.4 2.7 19.5 2.1 23.3 75? 6.5 16.5 4.3 18.9 3.4 20.9 3.3 18.8 2.5 22.9 2.0 26.5 72? 6.0 19.5 4.0 21.8 3.3 23.8 3.1 21.9 2.4 26.1 1.9 29.6 70? 5.2 21.4 3.8 23.7 3.2 25.6 2.9 24.3 2.3 28.3 1.8 31.6 65? 4.5 26.1 3.6 28.3 3.1 30.1 2.7 29.6 2.2 33.4 1.7 36.4 60? 4.1 30.6 3.4 32.7 3.0 34.3 2.5 34.6 2 38.2 1.6 40.9 55? 3.5 34.8 3.2 36.8 2.9 38.2 2.3 39.4 1.9 42.7 1.5 45.1 50? 2.5 38.8 2.3 40.6 2.2 41.8 1.8 43.8 1.6 46.9 1.4 49 45? 1.8 42.5 1.7 44.1 1.6 45.1 1.2 48 1.1 50.7 1 52.4 40? 1.2 45.8 1.1 47.2 1.0 48.1 -- -- -- -- -- --四、起升高度曲线。
100t吊车起重性能表[Logo][公司名称][文档标题]发布日期: [日期]目录1.引言1.1 产品概述1.2 目的1.3 读者对象2.产品描述2.1 产品外观2.2 技术特点2.3 主要部件3.产品规格3.1 重量及尺寸3.2 最大起重量 3.3 起重范围3.4 配置选项4.运行性能4.1 起重速度4.2 伸缩速度4.3 旋转速度4.4 最大工作半径5.安全性能5.1 安全措施5.2 报警系统5.3 紧急停机按钮6.维护与保养6.1 维护周期6.2 保养方法7.附件一[附件一名称]8.附件二[附件二名称]9.法律名词及注释9.1 [法律名词一]:[注释]9.2 [法律名词二]:[注释]10.结束语1.引言1.1 产品概述本文档为100t吊车的起重性能表,提供了该吊车的详细操作规范和技术参数。
1.2 目的本文档的目的是为用户或操作人员提供详细的起重性能表,以确保他们在使用100t吊车时了解其技术规格和安全操作要求。
1.3 读者对象本文档主要面向吊车操作人员、工程师及相关维护人员。
2.产品描述2.1 产品外观100t吊车外观结构紧凑,具有现代化的外观设计,采用高强度钢材制造,耐用性好。
2.2 技术特点- 最大起重量:100吨- 最大工作半径:米- 吊机转速:度/秒- 起重速度:米/秒- 伸缩速度:米/秒- 最大爬坡度:度2.3 主要部件- 起重臂:由防滑材料制成。
- 吊钩:采用高强度合金钢制造。
- 底盘:稳定性良好,具有自动水平调节功能。
3.产品规格3.1 重量及尺寸- 总重量:吨- 整机尺寸:长度米 x 宽度米 x 高度米3.2 最大起重量- 100吨,最大吊装能力。
3.3 起重范围- 最大工作半径:米- 高度:米- 水平距离:米- 伸缩范围:米3.4 配置选项- 燃料类型:- 发动机功率: kW- 操纵方式:- 其他配置选项详情详见附件一。
4.运行性能4.1 起重速度- 最大起重速度:米/秒- 最大起重高度:米/分钟4.2 伸缩速度- 伸缩臂伸缩速度:米/秒- 伸缩臂收缩速度:米/秒4.3 旋转速度- 旋转速度:度/秒4.4 最大工作半径- 最大工作半径为米,即吊臂水平最远距离。
100T汽车吊性能表(总1页)--本页仅作为文档封面,使用时请直接删除即可----内页可以根据需求调整合适字体及大小--起重特性表PATED LIFTING CAPACITY TABLE单位(UNIT):Kg工作幅度WORKING RADIUS (m)主臂 BOOM主臂仰角BOOMANGLE(°)主臂+副臂BOOM+JIB 支腿全伸、后方、侧方作业REAR&SIDE WORKING AREA WITH OUTRIGGER FULLY EXTENDED45+45+臂长 BOOM LENGTH副臂安装角JIB OFF SET副臂安装角JIB OFF SET 12.0m16.2m20.4m27.0m33.0m39.0m45.0m5°30°5°30°10000070000806000250040001300 920007000058000785500240036001200 850007000054000765000230032001150 76000640005100035000744500220030001100 70000580004900035000724000210027001050 6300051000450003500026000703700205025001000 570004600043000340002600068340019502400950 48000430004100033000260002000066320019002200900 44000400003900032000260002000064290018502100850 3700037000350003050025000200001500062240018001800800 340003400032000290004000190001500060200017501500750 2700027000270002500022500175001500058160015001200700 219002190002200020500165001500056140013501840019000195001800015500140001570016000165001600014500136001160001280013500130001200084009800105001100010500630078008200850090006000660072007500500052005800620042004800520038004300310036002900说明(NOTE):以上作业工况均为支腿全伸,不允许在不打支腿的情况下吊重。
100T汽车吊规格表
摘要
本文档提供了一份100T汽车吊的规格表,包含了该汽车吊的基本参数、性能指标等详细信息。
基本参数
- 最大起重量:100吨
- 工作半径:3米-30米
- 最大起升高度:40米
- 配置发动机:柴油发动机
- 发动机功率:500马力
- 操作方式:手动/遥控
结构特点
- 车辆整体采用框架结构,具有较高的稳定性和承载能力
- 采用液压系统控制起重动作,操作简便灵活
- 装载桥架采用折叠式结构,便于运输和存放
- 配备防倾翻装置,增加安全性能
性能指标
- 吊臂最大起升力矩:3200吨米
- 重量:25吨
- 起升速度:10米/分钟
- 起升倍率:4
- 平台旋转速度:0.6转/分钟
安全保护
- 超载保护装置:自动监测货物重量,超载时自动停机报警- 防坠器:保护吊钩在操作中不会疏忽坠落
- 防碰撞装置:防止吊臂在吊运过程中和障碍物碰撞
应用领域
100T汽车吊广泛应用于各类工地、港口、仓库等场所,可用于装卸重货物、搭建构筑物、维修设备等。
结论
本文档为100T汽车吊提供了详细的规格表,涵盖了其基本参数、结构特点、性能指标以及安全保护等方面的信息。
通过阅读本文档,用户可以全面了解该汽车吊的功能和适用领域,为相关工程项目选择合适的设备提供参考。
ZOYOMLION中联QY100T汽车吊主臂起重性能表适应角色转变,扎实开展团的工作———共青团铁东区委书记的述职报告2011年是适应角色转变、思想进一步成熟的一年。
这一年,自己能够坚持正确的政治方向,紧紧围绕党的中心,立足本职岗位,较好地完成本线的工作任务。
自己政治觉悟、理论水平、思想素质、工作作风等各方面有了明显的进步和提高。
总的来说,收获很大,感触颇深。
一、以德为先,进一步提升个人思想素质过去的一年,我以一个共产党员的标准,以一个团干部的标准严格要求自己,在个人的道德修养、党性锻炼、思想素质上有了很大的进步。
一是道德修养进一步提高。
作为一个团干部,我的一言一行、我的自身形象将直接影响到团委各成员,甚至更广大的青少年。
因此,在日常的工作和生活中,我每时每刻提醒自己,从小事做起,注重细节问题,做到干净做人、公正做事,以平常心看待自己的工作,要求自己在工作中诚实、守信、廉洁、自律,起好表率作用。
二是党性锻炼得到不断加强。
不断加强自己的党性锻炼,我严格按照《党章》和《中国共产党党员纪律处分条例》来要求和约束自己的行为,牢记党的宗旨,在团的工作中,以广大青少年的权益为出发点,务求时效。
三是政治思想素质不断提高。
一年来,我继续加强学习,积极参加理论中心组学习,经常自发利用休息时间学习,积极参加团省委组织赴井冈山革命传统与理想信念教育专题培训班、区委区政府组织赴清华大学县域经济培训班,通过“看、听、学、思”,进一步加深了对马列主义、毛泽东思想、邓小平理论、“三个代表”重要思想的理解,进一步系统掌握了党在农村的路线、方针、政策以及对共青团工作的要求。
特别是党的十七届六中全会以来,我通过学习原文、听专家讲课等,开拓了思想新境界,政治思想素质有了新的飞跃。
二、以能为先,进一步加强组织工作能力在上级领导的信任和支持下,我本人也自加压力,抓住一切机会学习,注重与同事、与兄弟单位团委书记的交流,虚心请教,不耻下问,使各项工作都有序地开展。