徐工100T吊车性能表.pdf
- 格式:pdf
- 大小:8.87 MB
- 文档页数:7
100T主要性能与参数项目值最大额定总起重量基本臂最大起重力矩最长主臂+副臂最大起重力矩主臂最大起升高度主臂+副臂最大起升高度62.1m 外形尺寸(长X宽X高)3750mm主臂长m副臂长数100000 kg 3238kN.m1127kN.m48m14550 X2750X12.8-4818.1m起重特性表PATED LIFTING CAPACITY TABLE说明(NOTE ):以上作业工况均为支腿全伸,不允许在不打支腿的情况下吊重。
(Above working condition is all withoutrigger fully extended,never lift a load on the wheels.)表中粗线以上数值是由起重机的结构强度所决定的,粗线以下数值是由起重机整机稳定性所决定的。
(Capacities above the thick line in the table are based on the boom strength,the others,on stablitiy of the complete machine.)打好第五支腿时,表中数值适用于圆周360°作业。
(With the 5th outrigger fully extended,full360rotation is available according to the values listed in the above table.)表中所列额定起重量为最大允许值,并包括吊钩重量( 100吨吊钩重815Kg, 60吨吊钩重560Kg, 6吨吊钩重 180Kg)和其他吊具的重量。
(The rated lifting capacity listed in the table ismax.allowed value,including weight of the hookblock (the hookblock weight is 815kg for100t,560kg for 60t,180kg for 6t)and other slings.)表中所给幅度值,是指吊载后吊钩中心到回转中心的水平距离。
100吨汽车吊参数以下是100吨汽车吊参数表格,其中列出了不同幅度下的工作参数。
主臂和支腿全伸时,可以进行侧方和后方的作业。
仰角为27.2度时,最大工作负荷为kg。
在不同幅度下,工作负荷和仰角都有所不同。
在3米幅度下,最大工作负荷为kg,而在54米幅度下,最大工作负荷为kg。
随着幅度的增加,最大工作负荷逐渐减小。
除了工作负荷外,仰角也是影响吊车工作的重要因素。
在27.2度的仰角下,吊车最大工作负荷为kg。
随着仰角的增加,最大工作负荷逐渐减小。
在侧方和后方作业时,支腿需要全伸。
在这种情况下,最大工作负荷为kg,仰角为27.2度。
在不同幅度下,最大工作负荷和仰角都有所不同。
总的来说,吊车的工作参数受到多种因素的影响,包括幅度、仰角和作业方向等。
在实际操作中,需要根据具体情况进行调整,以确保工作安全和效率。
无法判断文章原本的格式错误是什么,因此只能按照正常格式进行改写。
930087008000690058004900420036002900240019001600在这个列表中,数字是递减的。
最初的数字是,每个数字都比前一个数字小1000.80°78°76°74°72°70°68°66°64°62°60°58°56°54°52°50°45°40°这是一个角度的列表,从80度开始递减到40度。
倍率0°70007000680066006400600056005200480045004200390034503000270023501700115030°这个列表包含了倍率和角度。
倍率从0开始,角度从30度递减到0度。
400039003800370036003500340033003200310030002950290026002400220016001050这是一个递减的数字列表,从4000开始,每个数字比前一个数字小100.10°4000380036003400320030002900280027002600250023802250210019501800120030°这个列表包含了倍率和角度。
100T汽车吊性能表100T主要性能与参数项目数值最大额定总起重量 100000 kg基本臂最大起重力矩 3238kN.m最长主臂+副臂最大起重力矩 1127kN.m主臂最大起升高度 48m主臂+副臂最大起升高度 62.1m外形尺寸(长×宽×高) 14550×2750×3750mm主臂长 12.8-48m 副臂长 18.1m起重特性表PATED LIFTING CAPACITY TABLE 单位(UNIT):Kg说明(NOTE):●以上作业工况均为支腿全伸,不允许在不打支腿的情况下吊重。
(Above working condition is all withoutrigger fully extended,never lift a load on the wheels.)●表中粗线以上数值是由起重机的结构强度所决定的,粗线以下数值是由起重机整机稳定性所决定的。
(Capacities above the thick line in the table are based on the boom strength,the others,on stablitiy of the complete machine.)●打好第五支腿时,表中数值适用于圆周360°作业。
(With the 5th outrigger fully extended,full360rotation is available according to the values listed in the above table.)●表中所列额定起重量为最大允许值,并包括吊钩重量(100吨吊钩重815Kg,60吨吊钩重560Kg,6吨吊钩重180Kg)和其他吊具的重量。
(The rated lifting capacity listed in the table is max.allowed value,including weight of the hookblock (the hookblock weight is 815kg for 100t,560kg for 60t,180kg for 6t)and other slings.)●表中所给幅度值,是指吊载后吊钩中心到回转中心的水平距离。
8--500吨汽车吊性能参数表8吨汽车起重机性能表 (2)20吨汽车吊机额定性能表 (3)25吨汽车起重机起重性能表(主臂) (4)30吨汽车起重机性能表(一) (6)50吨汽车起重机性能表(主表) (8)80吨汽车起重机起重性能表(一) (10)100t汽车吊性能表 (12)120吨汽车起重机起重性能表 (13)150吨汽车起重机性能表(一) (14)150吨汽车起重机性能表(二) (15)160t汽车吊性能表 (16)200吨汽车吊车 (17)260吨吊车性能表 (18)LTM1300/1-300t全液压汽车吊机 (19)LTM1500-500t全液压汽车吊机 (21)LTM1500-500t全液压汽车吊机 (22)8吨汽车起重机性能表20吨汽车吊机额定性能表以下工况仅供参考,实际请与本公司业务员联系!25吨汽车起重机起重性能表(主臂)以下工况仅供参考,实际请与本公司业务员联系!(注:本表红字及红字以上栏目的数字为吊臂强度所决定,其下面栏目数字为倾翻力矩决定)25吨汽车起重机起重性能表(副臂)30吨汽车起重机性能表(一)以下工况仅供参考,实际请与本公司业务员联系!(注:本表红字及红字以上栏目的数字为吊臂强度所决定,其下面栏目数字为倾翻力矩决定)30吨汽车起重机性能表(二)注:1、若副臂在工作位置,但仍用主臂吊装,主臂的起重性能应相应的减去1.4t2、使用副臂吊装时,主臂的角度不得大于45,否则将倾翻50吨汽车起重机性能表(主表)以下工况仅供参考,实际请与本公司业务员联系!(注:本表红字及红字以上栏目的数字为吊臂强度所决定,其下面栏目数字为倾翻力矩决定)50吨汽车起重机性能表(副臂)80吨汽车起重机起重性能表(一)以下工况仅供参考,实际请与本公司业务员联系!80吨汽车起重机起重性能表(二)100t汽车吊性能表120吨汽车起重机起重性能表以下工况仅供参考,实际请与本公司业务员联系!150吨汽车起重机性能表(一)以下工况仅供参考,实际请与本公司业务员联系!(注:本表红字及红字以上栏目的数字为吊臂强度所决定,其下面栏目数字为倾翻力矩决定)150吨汽车起重机性能表(二)160t汽车吊性能表200吨汽车吊车260吨吊车性能表LTM1300/1-300t全液压汽车吊机LTM1300/1-300t全液压汽车吊机主臂额定性能表:支腿开距=8.85×8.5m、旋转角度=360°、标准配重=87.5t。
表1、表2的说明:
※表中所列重量是在平整坚固的地面上本机所能保证的最大重量,严禁超过其重量作业※表中所列额定起重量包括吊钩和吊具的重量
※表中的工作的幅度是包括吊臂的变形量在的的实际值
※臂端单滑轮的起重性能同10.6米副臂0°安装角时的起重性能(按主臂仰角)
※除全伸支腿基本臂工框外,即使空载,也不要使吊臂的仰角处于以下各工况表中所给出的围以外,以防起重机倾翻
※允许起重机在不大于7级风的情况下作业
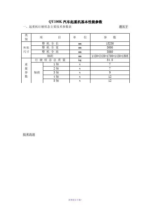
徐工QY100K汽车起重机主臂起重性能表( 表1-1 )
徐工QY100K汽车起重机主臂起重性能表( 表1-2 )
徐工QY100K汽车起重机主臂起重性能表( 表1-3 )
徐工QY100K汽车起重机主臂起重性能表( 表1-4 )
徐工QY100K汽车起重机副臂起重性能表(表2-1 )
徐工QY100K汽车起重机副臂起重性能表(表2-2 )
徐工QY100K汽车起重机副臂起重性能表(表2-3 )
单位:吨
表1、表2的说明:
※表中所列重量是在平整坚固的地面上本机所能保证的最大重量,严禁超过其重量作业※表中所列额定起重量包括吊钩和吊具的重量
※表中的工作的幅度是包括吊臂的变形量在的的实际值
※臂端单滑轮的起重性能同10.6米副臂0°安装角时的起重性能(按主臂仰角)
※除全伸支腿基本臂工框外,即使空载,也不要使吊臂的仰角处于以上各工况表中所给出的围以外,以防起重机倾翻
※允许起重机在不大于7级风的情况下作业。
表1、表2的说明:
※表中所列重量是在平整坚固的地面上本机所能保证的最大重量,严禁超过其重量作业※表中所列额定起重量包括吊钩和吊具的重量
※表中的工作的幅度是包括吊臂的变形量在的内的实际值
※臂端单滑轮的起重性能同10.6米副臂0°安装角时的起重性能(按主臂仰角)
※除全伸支腿基本臂工框外,即使空载,也不要使吊臂的仰角处于以下各工况表中所给出的范围以外,以防起重机倾翻
※允许起重机在不大于7级风的情况下作业
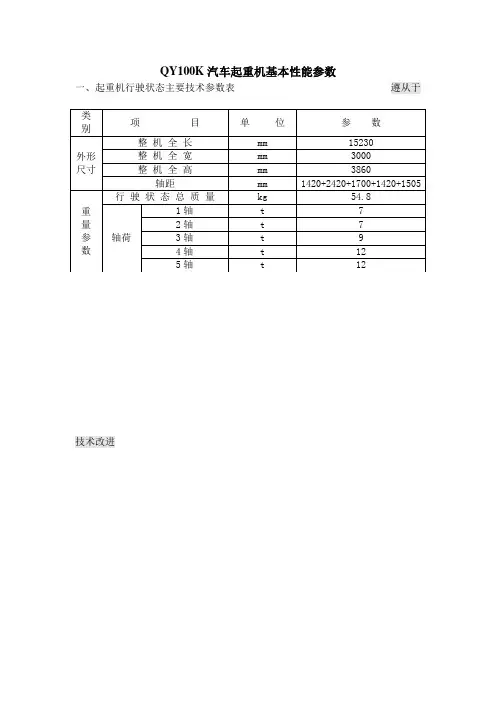
徐工QY100K汽车起重机主臂起重性能表( 表1-1 )
徐工QY100K汽车起重机主臂起重性能表( 表1-2 )
徐工QY100K汽车起重机主臂起重性能表( 表1-3 )
徐工QY100K汽车起重机主臂起重性能表( 表1-4 )
徐工QY100K汽车起重机副臂起重性能表(表2-1 )
徐工QY100K汽车起重机副臂起重性能表(表2-2 )
徐工QY100K汽车起重机副臂起重性能表(表2-3 )
单位:吨
表1、表2的说明:
※表中所列重量是在平整坚固的地面上本机所能保证的最大重量,严禁超过其重量作业※表中所列额定起重量包括吊钩和吊具的重量
※表中的工作的幅度是包括吊臂的变形量在的内的实际值
※臂端单滑轮的起重性能同10.6米副臂0°安装角时的起重性能(按主臂仰角)
※除全伸支腿基本臂工框外,即使空载,也不要使吊臂的仰角处于以上各工况表中所给出的范围以外,以防起重机倾翻
※允许起重机在不大于7级风的情况下作业。