100t汽车吊起重性能表
- 格式:xls
- 大小:15.50 KB
- 文档页数:1
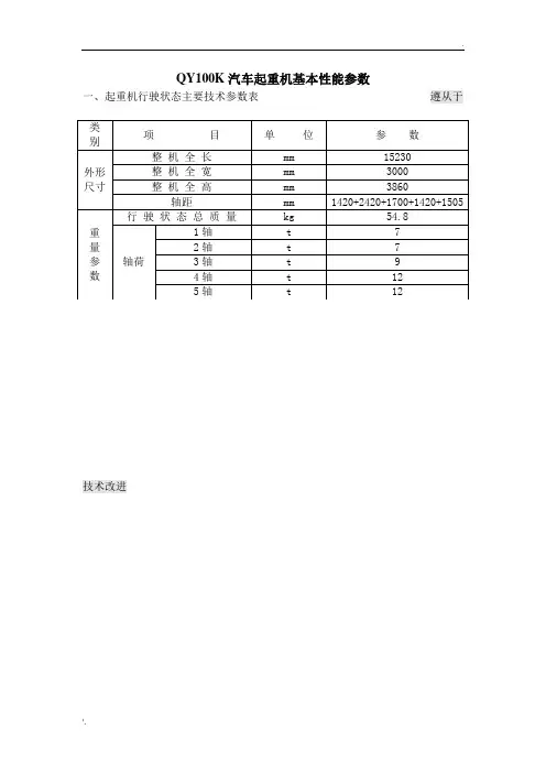
100T主要性能与参数项目值最大额定总起重量基本臂最大起重力矩最长主臂+副臂最大起重力矩主臂最大起升高度主臂+副臂最大起升高度62.1m 外形尺寸(长X宽X高)3750mm主臂长m副臂长数100000 kg 3238kN.m1127kN.m48m14550 X2750X12.8-4818.1m起重特性表PATED LIFTING CAPACITY TABLE说明(NOTE ):以上作业工况均为支腿全伸,不允许在不打支腿的情况下吊重。
(Above working condition is all withoutrigger fully extended,never lift a load on the wheels.)表中粗线以上数值是由起重机的结构强度所决定的,粗线以下数值是由起重机整机稳定性所决定的。
(Capacities above the thick line in the table are based on the boom strength,the others,on stablitiy of the complete machine.)打好第五支腿时,表中数值适用于圆周360°作业。
(With the 5th outrigger fully extended,full360rotation is available according to the values listed in the above table.)表中所列额定起重量为最大允许值,并包括吊钩重量( 100吨吊钩重815Kg, 60吨吊钩重560Kg, 6吨吊钩重 180Kg)和其他吊具的重量。
(The rated lifting capacity listed in the table ismax.allowed value,including weight of the hookblock (the hookblock weight is 815kg for100t,560kg for 60t,180kg for 6t)and other slings.)表中所给幅度值,是指吊载后吊钩中心到回转中心的水平距离。
100吨汽车吊参数以下是100吨汽车吊参数表格,其中列出了不同幅度下的工作参数。
主臂和支腿全伸时,可以进行侧方和后方的作业。
仰角为27.2度时,最大工作负荷为kg。
在不同幅度下,工作负荷和仰角都有所不同。
在3米幅度下,最大工作负荷为kg,而在54米幅度下,最大工作负荷为kg。
随着幅度的增加,最大工作负荷逐渐减小。
除了工作负荷外,仰角也是影响吊车工作的重要因素。
在27.2度的仰角下,吊车最大工作负荷为kg。
随着仰角的增加,最大工作负荷逐渐减小。
在侧方和后方作业时,支腿需要全伸。
在这种情况下,最大工作负荷为kg,仰角为27.2度。
在不同幅度下,最大工作负荷和仰角都有所不同。
总的来说,吊车的工作参数受到多种因素的影响,包括幅度、仰角和作业方向等。
在实际操作中,需要根据具体情况进行调整,以确保工作安全和效率。
无法判断文章原本的格式错误是什么,因此只能按照正常格式进行改写。
930087008000690058004900420036002900240019001600在这个列表中,数字是递减的。
最初的数字是,每个数字都比前一个数字小1000.80°78°76°74°72°70°68°66°64°62°60°58°56°54°52°50°45°40°这是一个角度的列表,从80度开始递减到40度。
倍率0°70007000680066006400600056005200480045004200390034503000270023501700115030°这个列表包含了倍率和角度。
倍率从0开始,角度从30度递减到0度。
400039003800370036003500340033003200310030002950290026002400220016001050这是一个递减的数字列表,从4000开始,每个数字比前一个数字小100.10°4000380036003400320030002900280027002600250023802250210019501800120030°这个列表包含了倍率和角度。
100T汽车吊性能表100T主要性能与参数项目数值最大额定总起重量 100000 kg基本臂最大起重力矩 3238kN.m最长主臂+副臂最大起重力矩 1127kN.m主臂最大起升高度 48m主臂+副臂最大起升高度 62.1m外形尺寸(长×宽×高) 14550×2750×3750mm主臂长 12.8-48m 副臂长 18.1m起重特性表PATED LIFTING CAPACITY TABLE 单位(UNIT):Kg说明(NOTE):●以上作业工况均为支腿全伸,不允许在不打支腿的情况下吊重。
(Above working condition is all withoutrigger fully extended,never lift a load on the wheels.)●表中粗线以上数值是由起重机的结构强度所决定的,粗线以下数值是由起重机整机稳定性所决定的。
(Capacities above the thick line in the table are based on the boom strength,the others,on stablitiy of the complete machine.)●打好第五支腿时,表中数值适用于圆周360°作业。
(With the 5th outrigger fully extended,full360rotation is available according to the values listed in the above table.)●表中所列额定起重量为最大允许值,并包括吊钩重量(100吨吊钩重815Kg,60吨吊钩重560Kg,6吨吊钩重180Kg)和其他吊具的重量。
(The rated lifting capacity listed in the table is max.allowed value,including weight of the hookblock (the hookblock weight is 815kg for 100t,560kg for 60t,180kg for 6t)and other slings.)●表中所给幅度值,是指吊载后吊钩中心到回转中心的水平距离。
100t吊车起重性能表[Logo][公司名称][文档标题]发布日期: [日期]目录1.引言1.1 产品概述1.2 目的1.3 读者对象2.产品描述2.1 产品外观2.2 技术特点2.3 主要部件3.产品规格3.1 重量及尺寸3.2 最大起重量 3.3 起重范围3.4 配置选项4.运行性能4.1 起重速度4.2 伸缩速度4.3 旋转速度4.4 最大工作半径5.安全性能5.1 安全措施5.2 报警系统5.3 紧急停机按钮6.维护与保养6.1 维护周期6.2 保养方法7.附件一[附件一名称]8.附件二[附件二名称]9.法律名词及注释9.1 [法律名词一]:[注释]9.2 [法律名词二]:[注释]10.结束语1.引言1.1 产品概述本文档为100t吊车的起重性能表,提供了该吊车的详细操作规范和技术参数。
1.2 目的本文档的目的是为用户或操作人员提供详细的起重性能表,以确保他们在使用100t吊车时了解其技术规格和安全操作要求。
1.3 读者对象本文档主要面向吊车操作人员、工程师及相关维护人员。
2.产品描述2.1 产品外观100t吊车外观结构紧凑,具有现代化的外观设计,采用高强度钢材制造,耐用性好。
2.2 技术特点- 最大起重量:100吨- 最大工作半径:米- 吊机转速:度/秒- 起重速度:米/秒- 伸缩速度:米/秒- 最大爬坡度:度2.3 主要部件- 起重臂:由防滑材料制成。
- 吊钩:采用高强度合金钢制造。
- 底盘:稳定性良好,具有自动水平调节功能。
3.产品规格3.1 重量及尺寸- 总重量:吨- 整机尺寸:长度米 x 宽度米 x 高度米3.2 最大起重量- 100吨,最大吊装能力。
3.3 起重范围- 最大工作半径:米- 高度:米- 水平距离:米- 伸缩范围:米3.4 配置选项- 燃料类型:- 发动机功率: kW- 操纵方式:- 其他配置选项详情详见附件一。
4.运行性能4.1 起重速度- 最大起重速度:米/秒- 最大起重高度:米/分钟4.2 伸缩速度- 伸缩臂伸缩速度:米/秒- 伸缩臂收缩速度:米/秒4.3 旋转速度- 旋转速度:度/秒4.4 最大工作半径- 最大工作半径为米,即吊臂水平最远距离。
100吨吊车起重参数表额定功率:306kW额定功率转速:1900rpm型号:QY100K-I整机尺寸:长×宽×高:15.00×3.00×3.50米轴距:1420/420/800/420/505mm工作重量:58吨最小转弯半径:12米最大爬坡度:40%接近角/离去角:20/14度最小离地间隙:310mm额定起重量:100吨额定起重力矩:3450KN.m最小工作幅度:3米起重臂长度-基本臂:13.5米起重臂全伸时间:160秒支腿跨距:纵向×横向:7.56×7.6米徐工起重机是一款起重机,产品包括汽车起重机和全地面起重机,能快速转移、长距离行驶,可满足在狭小和崎岖不平或泥泞场地上作业的要求,即行驶速度快,多桥驱动,全轮转向,三种转向方式,离地间隙大,爬坡能力高,可不用支腿吊重等功能,起重量的范围很大,可从8吨~1200吨,底盘的车轴数,可从2~10根。
是产量最大,使用最广泛的起重机类型。
目前徐工集团徐州重型机械有限公司自主研发出国产化全系列大吨位起重机。
该产品的投入使用及规模化生产,打破了国外巨头在高端起重机产品技术上的垄断。
吊车用户需要高质量的钢丝绳,应该就是使用寿命长且质量高度稳定可靠的钢丝绳。
大气环境中使用的钢丝绳,造成钢丝绳失效的主要原因是微动疲劳,目前,世界钢丝绳领域第一次针对微动疲劳采取防治措施是专利技术生产的磷化涂层钢丝绳,制绳钢丝经过锰系磷化或锌锰系处理,钢丝表面耐磨性耐蚀性全面提升,不易磨损和不易腐蚀使疲劳寿命大幅度提升,疲劳寿命是同结构光面钢丝绳的三倍,最高的试验值对比已经达到惊人的四倍,可通过疲劳试验进行验证,如果自己有疲劳寿命能力就自己做对比试验,这样的试验结果最可信,钢丝绳使用寿命与疲劳寿命成正比关系,疲劳寿命长则使用寿命同比例延长,使用成本更低,稳定性更佳。
因为供不应求,磷化涂层钢丝绳目前比较难买,需要多询问几个钢丝绳生产商。
汽车起重机起重机主要起重性能表3.1、QY100K汽车起重机主臂起重性能表(19.2t平衡重)单位:吨3.2、QY100K汽车起重机主臂起重性能表(8.3t平衡重)单位:吨3.4、QY100K汽车起重机主臂起重性能表(0t平衡重)单位:吨4、QY100K汽车起重机副臂起重性能表4.1、QY100K汽车起重机副臂起重性能表(19.2t平衡重)单位:吨4.2、QY100K汽车起重机副臂起重性能表(8.3t平衡重)单位:吨3、QY110K汽车起重机起重机主要起重性能表平衡重32t,全伸支腿360°作业主臂长度m幅度m12.8 17 17 17 21.1 21.1 21.1 25.3 25.3 25.33 110.0 91.0 86.0 62.03.5 106.0 87.0 86.0 62.04 97.0 85.0 82.0 62.0 80.5 78.4 57.5 58.0 55.7 65.0 4.5 89.0 81.0 74.0 60.0 74.7 74.4 54.7 56.0 52.2 64.03.1、QY110K主臂起重性能表(平衡重32t、全伸支腿、360°作业)续3.2、QY110K主臂起重性能表(平衡重0t、全伸支腿、360°作业)3.2、QY110K主臂起重性能表(平衡重0t、全伸支腿、360°作业)续3.2、QY110K主臂起重性能表(平衡重0t、全伸支腿、360°作业)续3.3、QY110K副起重臂性能表(32t平衡重,全伸支腿,副起重臂臂长10.6m)3.4、QY110K副起重臂性能表(32t平衡重,全伸支腿,副起重臂臂长18.1m)4、QY110K起升高度曲线3、QY130K汽车起重机起升性能表平衡重38 t , 全伸支腿 360°作业幅度m 主臂长度 m3.1、QY130K主臂起重性能表(平衡重 38 t, 全伸支腿 , 360°作业)续3.3、QY130K副起重臂起重性能表(平衡重38 t, 副臂11.55m,0度角)3.4、QY130K副起重臂起重性能表(平衡重38 t, 副臂20m,0度角)4、起升高度曲线3、QAY160全地面起重机起重性能表幅度m臂长m13.617.8722.1426.4130.6834.9439.2143.4847.7552.0256.29603 1603.5 124 1164 115 108 98 834.5 105 100 92 79 65.53.3、QAY160副起重臂起重性能表(45T配重、支腿全伸8.7m)支腿全伸、1节8m加长节)3.4、QAY160选装加长副臂起重性能表(4、QAY160起升高度曲线3、QAY180全地面起重机起重性能表3.1、QAY180主臂起重性能表(平衡重64吨,支腿跨距8.3米)幅度13.2 17.7 17.7 22.2 22.2 22.2 26.7 26.7 26.7 31.2 31.2 31.2 35.7 35.735.7 3 *1803.5 135.0120.076.04 122.0116.073.0115.0109.052.04.5 115.0108.070.0105.0102.049.595.094.052.05 109.0101.067.0101.096.046.792.091.049.877.076.049.03.1、QAY180主臂起重性能表(平衡重64吨,支腿跨距8.3米)(续)3.2、QAY180主臂起重性能表(平衡重0吨,支腿跨距8.3米)3.2、QAY180主臂起重性能表(平衡重0吨,支腿跨距8.3米)(续)3.3、QAY180副臂起重性能表(副臂长度11.55米平衡重64吨,支腿跨距8.3米)3.4、QAY180副臂起重性能表(副臂长度20米平衡重64吨,支腿跨距8.3米)3.5、QAY180选装1节8米副臂起重性能表(副臂28米平衡重64吨,支腿8.3米)4、QAY180作业范围图3、QAY200全地面起重机起重性能表臂长(m)13.8 18.1 22.5 26.8 31.2 35.5 39.9 44.2 48.5 52.9 57.2 61 幅度(m)3 2003.5 185 1204 170 118 115 984.5 153.6 115 112 95 785 138.2 110 104.5 91 75 613.3、QAY200副臂起重性能表(65t平衡重、支腿全伸8.7m,副臂长11.55m)3.4、 QAY200副臂起重性能表(65t平衡重、支腿全伸8.7m,副臂长20m)3.5、 QAY200副臂起重性能表(65t平衡重、支腿全伸8.7m,副臂长28m(选装1节8m加长节)3.6、 QAY200副臂起重性能表(65t平衡重、支腿全伸8.7m,副臂长36m(选装2节8m加长节)6 46/46/92 46/46/92 46/92 92 1004、QAY200起升高度曲线图4.1、QAY200起升高度曲线4.2、QAY200选装加长副臂(2×8m)起升高度曲线3、QAY220全地面起重性能参数臂长幅度13.6 18.2 18.2 18.2 22.9 22.9 22.9 27.5 27.5 27.5 32.1 32.1 32.1 36.8 36.8 36.83 220*3.5 160 150 145 1254 145 140 140 117.5 115 130 1104.5 135 130 130 110.5 108.5 122.5 104.5 103.5 115 1035 125 125 120 104.4 102 115.5 99.5 98 110 98 89 95 64.53.1、QAY220主臂起重性能表(支腿全伸8.7米,配重65吨)(续)。
100吨吊车起重参数表100吨吊车起重参数表释义:Qj----计算载荷K1-----动载荷系数(惯性载荷系数)起重机在吊装重物的运动过程中所产生的对起吊机具负载的影响而计入的系数。
一般取动载系数k1=1.1K2-----不均衡载荷系数在多分支(多台起重机、多套滑轮组等)共同抬吊一个重物时,由于起重机械之间的相互运动可能产生作用于起重机械、重物和吊索上的附加载荷,或者由于工作不同步,各分支往往不能完全按设定比例承担载荷,在起重工程中,以不均衡载荷系数计入其影响。
一般取不均衡载荷系数k2=1.1~1.25(注意:对于多台起重机共同抬吊设备,由于存在工作不同步而超载的现象,单纯考虑不均衡载荷系数是不够的,还必须根据工艺过程进行具体分析,采取相应措施)。
Q-----吊物和吊索具的载荷“我是吊司/吊车老板,我只管干活/接活,什么公式,我不懂”公式很晦涩,我们举个例子,假使1台吊车吊一个水泥块(重1t),吊索具为钢丝绳和卸扣(重量合计为0.2t),单机吊装不考虑不均衡载荷系数,即视K2为1,动载荷系数K1为1.1,那我们将这些带入公式:Qj=K1*K2*Q=1.1*1*(1+0.2)=1.32t现实中我们更多的是拿1.2t(即吊物重量和吊索具重量的和)去比对吊车的参数表,但今天小编告诉你,都错了,实际我们应该拿Qj 计算载荷1.32t去比对吊车的参数表很多吊司可能不以为然,动载荷和不均衡载荷看不到摸不着,但确实是实际存在的,也就是吊车承受的力量要大于吊物和吊索具的重量,至少大10%!在贴地面吊的时候确实好像影响不大,但我们回想一下,这么多年,拆塔吊、拆水泥罐、拆广告牌出过多少吊装事故,告诉你塔吊起重臂重量14吨,假使忽略吊索具重量,就按14吨去核吊车,大臂一拆吊车能不翻吗?!这个时候不考虑K1\K2能行吗!。
长 江 100 吨 汽 车 吊 车 额 定 起 重 量 表
4、表中额定起重量钩和吊具重量。
5、若副臂处于展开状态,使用主臂工作时,主臂允许的最大吊数重量,不仅要从额定起重量扣除吊钩、吊具自重,还要扣除2800kg 。
6、使用臂尖滑轮时的额定起重不超过6000kg 。
7、如果臂长超过表某一栏规定的数值时应把该栏数值与比它更长一级的数值相比较,按照其中较小的额定起重量进行作业。
8、副臂吊载时,若主钩仍保留在主臂头部,则副臂起吊的额定起重量中,必须减去主钩重量。
9、表中最低栏列出各种臂长时的主臂最小仰角,严禁将起重臂变幅到所对应的最小仰角以下。
说明:1、表中给定数值是在地面坚实,整机调平状态下,起重机的额定起重量。
表中工作幅度是指吊载后的实际幅度,注意副臂的工作幅度是在完全伸出主臂(45M ),并展开副臂进行作业的数值。
2、打好第五支腿时,表中数值适用于沿圆周3600作业。
3、表中粗实线以上数值由起重机强度决定,粗实线以下数值由起重机稳定性决定,臂长12.2M 时,各节臂应处于完全缩回状态。