品质部表格汇编
- 格式:xls
- 大小:678.00 KB
- 文档页数:2
品质部内审检查表1. 引言本文档为品质部内审检查表,旨在帮助品质部门对内部流程、标准以及文件进行自我检查和评估。
通过内部审查,可以发现潜在的问题,并采取相应的措施进行改良,以确保产品和效劳的质量和符合相关标准要求。
2. 内审检查内容2.1 流程检查2.1.1 流程定义和文档化•[ ] 流程是否明确定义?•[ ] 是否存在流程文档,并且是否是最新版本?•[ ] 流程文档是否清晰易懂,并包含相关的步骤、职责和控制要点?2.1.2 流程执行和控制•[ ] 流程执行是否符合要求?•[ ] 是否存在流程控制措施,如检查单、记录表等?•[ ] 流程中的关键步骤是否有明确的责任人,并有相应的控制措施?2.2 标准检查2.2.1 标准的制定和更新•[ ] 是否存在适用的标准和标准?•[ ] 是否有制定过程来更新标准和标准?•[ ] 标准和标准是否与最新的法规和行业要求保持一致?2.2.2 标准的执行和验证•[ ] 标准和标准是否被广泛应用和执行?•[ ] 是否存在相应的验证措施,以确保标准的有效性和执行情况?•[ ] 是否对标准执行进行定期的内部审核和评估?2.3 文件管理检查2.3.1 文件编制和审批•[ ] 是否有文件编制和审批的制度和程序?•[ ] 文件编制是否符合规定的格式和要求?•[ ] 审批流程是否完整,并有相应的记录和签名?2.3.2 文件的变更和控制•[ ] 是否有文件变更和控制的制度和程序?•[ ] 是否有明确的变更申请和批准流程?•[ ] 变更后的文件是否及时更新,并且通知相关人员?2.4 绩效评估检查2.4.1 目标设定和测量•[ ] 是否设定了可衡量和明确的目标?•[ ] 是否有相应的指标来测量目标的完成情况?•[ ] 目标的测量结果是否及时反应给相关人员并采取相应的行动?2.4.2 绩效评估和持续改良•[ ] 是否进行定期的绩效评估?•[ ] 绩效评估结果是否分析,发现潜在问题,并对其进行改良?•[ ] 是否有持续改良的机制和措施,以保持优质的绩效和产品交付?3. 总结本文档详细介绍了品质部内审检查表,通过对流程、标准、文件管理和绩效评估等方面的检查,旨在帮助品质部门进行自我评估和改良,以提高产品和效劳的质量。
品质部职责汇总表格模板可以包括以下几个部分:1. 品质部基本信息-部门名称:品质部-部门负责人:XXX-部门人数:XX人-部门联系方式:电话/邮箱2. 品质部职责概述-品质管理体系的建立与维护-产品质量监督与检查-供应商质量管理-客户投诉处理-品质改进活动的策划与实施3. 品质部具体职责-负责制定和完善品质管理体系文件,确保体系的有效运行-对生产过程进行质量监控,对不合格品进行跟踪、处理和改进-负责供应商的质量评估、选择和控制,确保供应商质量满足要求-负责客户投诉的处理,分析原因,制定改进措施,回复客户-负责组织品质改进活动,提高产品质量和客户满意度-负责品质培训与宣传,提高员工品质意识-负责对质量事故进行调查、分析、处理,制定预防措施-负责与相关政府部门、认证机构的沟通与协调,确保公司产品符合法规要求-负责对内外部审核、检查的迎检工作,确保审核顺利通过4. 品质部岗位设置及职责-品质经理:负责品质部的全面工作,对品质目标的达成负责-品质工程师:负责品质控制、品质改进、供应商管理等具体工作- IQC(进货质量控制):负责原材料、辅料、包装材料的检验和控制- IPQC(生产过程质量控制):负责生产过程中各环节的质量控制- FQC(成品质量控制):负责成品的检验、试验,确保出厂产品合格-客户服务工程师:负责客户投诉处理、客户满意度调查等工作5. 品质部绩效指标-产品合格率-顾客满意度-供应商质量合格率-质量改进项目完成率-质量培训覆盖率6. 品质部工作流程-产品质量检验流程-供应商评估与选择流程-客户投诉处理流程-品质改进活动实施流程-员工培训与成长流程7. 品质部工作计划与目标-短期工作计划(1-3个月)-中期工作计划(3-6个月)-长期工作计划(6-12个月)-品质目标(如:提高产品合格率、降低客户投诉率等)。
文件发放清单QSR0401-01共 3 页第 1 页编制/日期:/2002年7月28日审批/日期:/2002年7月28日文件发放清单QSR0401-01 共 3 页第 2 页编制/日期:/2002年7月28日审批/日期:/2002年7月28日文件发放清单QSR0401-01 共 3 页第 3 页编制/日期:/2002年7月28日审批/日期:/2002年7月28技术类文件更改通知单QSR0402-01 NO:文件发放/回收记录QSR0401-02塑胶制品有限公司文件反馈单QSR0401-03 NO:文件更改申请单塑胶制品有限公司文件最新状况一览表编制:审批:塑胶制品有限公司文件最新状况一览表编制:审批:塑胶制品有限公司文件复印申请单QSR0401-06技术类文件一览表QSR0402-02 共页第页编制:审核:QSR0403-01 质量记录一览表编制:审批:QSR0403-01 质量记录一览表编制:审批:QSR0403-01 质量记录一览表第3页共4页编制:审批:QSR0403-01 质量记录一览表编制:审批:QSR0501-01 质量方针、目标展开表质量方针:质量超越满意,产品持续改精修订状态:0 二0 0 二年度编制/日期:审核/日期:批准/日期:QSR0502-01产品清单NO:QSR0502-01 外贸产品清单NO:QSR0502-01江阴亚成产品清单NO:QSR0502-01惠兰灯饰产品清单NO:QSR0502-01 乐斯博产品清单NO:QSR0502-01北大方正产品清单NO:QSR0502-01沈阳华润产品清单NO:QSR0502-01八方机械厂产品清单NO:塑胶制品有限公司生产计划单QSR0502-02车间:年月日编制/日期:批准/日期:QSR0502-04要货通知单单位名称:订单号码:发货时间:年月日编制/日期:审批/日期:批准/日期:信息传递单QSR0502-05 NO:管理评审会议通知QCR0503-01 NO:会议记录塑胶制品有限公司QSR0503-03 管理评审报告共页第页生产指令表年度培训计划编制: 审核: 批准:2002 年度培训计划编制: 审核: 批准:培训效果调查表员工登记台帐员工培训记录表QSR0601-06培训需求申请单部门:NO:QSR0601-07人员上岗资格审查表培训效果考核表QSR0601-08员工培训档案QSR0601-09 NO:制表人/日期:设备维护、保养记录QSR0602-03 NO:注:1、保养结果可在相应栏目内打“√”。
品质管理表格格式集团标准化办公室:[VV986T-J682P28-JP266L8-68PNN]六A01 问题改善步骤说明:1.尽量用科学管理工具进行; 2.数据化(量化);3.目标化;4.运用PDCA。
六A02 品质改善工作计划说明:1.由质量部门提出具体的状况;2.质量部门和相关部门拟定推进方案; 3.各部门拟定各部门计划。
六A03 品质异常回馈与矫正系统表说明:1.此系统用于作业上之品质异常信息之传送及纠正措施; 2.信息之传递采用《品质异常通知书》。
六A04 月份品管训练计划表日期:现.通知 反应路线 传送解决对策 执行路线 异常通知书执行对策总经理:厂长:主管:制表:六A05 品管训练申请表日期:总经理:厂长:主管:制表:六A07 QCC活动计划表No.六A08 QCC开会通知单No.六A09 QCC活动成果报告书用途说明:1.QCC活动过程及成果的报告;2.不同QCC间相互观摩、学习;3.作为QCC活动的检讨及后续工作的资料。
六A10 QCC成果评价表说明:1.本表作为评审员对QCC小组评估之用;2.评审员的评估状况可让被评估者参考,并发表意见。
六A13 内部质量审核检查表部门: 编号: 审核主题部门注:N/A表示不适用; A表示找不到不符合项; B表示须要注意、改进;C 表示轻微不符合; D表示严重不符合。
审核员:日期:六A14 内部质量审核不符合项报告部门:编号:被审核部门范围六A15 内部质量审核报告书共2页第1页六A15 内部质量审核报告书共2页第2页部门:编号:六A16 协力厂商调查表编号:六A18 供应厂商品质履历卡No.说明:1.对每一家供应厂商建立交货品质记录;2.作为往来评估及升降级之依据。
六A19 供应厂商每月评比月报表月份:说明:1.由品管部统计评分;2.分送厂商要求改善。
品质部表格目录整改通知单2、由受检查部门制定整改措施并实施。
日期: 品质部经理审批:不合格服务评审表编号:G1WY-QB-O2 版号:B/0 NO.服务质量检查考核表编号:G1WY-QB-04 版号:B/0 NO.优秀项合格项、整改项、不符合要求项、严重不符合要求项。
小区清洁卫生检查考核表备注:1、此考核总分为100分,暂定85分为及格,85分以上甲方全额付款;2、85分以下,每扣1分扣除乙方工程款20元,上不封顶;3、考核标准依据《清洁服务工作标准》;4、每月检查不少于1次,检查时由甲乙双方共同检查绿化养护检查考核表编号:G1WY-QB-06 版号:B/0 NO:甲方检查人:乙方检查人:检查日期:一、此考核总分为100分,暂定85分为及格,85分以上甲方全额付款;2、85分以下,每扣一分扣除乙方养护费10元,上不封顶;3、每月检查1次,由甲乙双方共同检查。
咨询工作质量检查表纠正和预防措施通知单月质量检查工作计划业主意见征询表编号G1WY-QB-IO 版本:B/0 序号:顾客意见调查表(咨询项目)编号:G1WY-BB-O II版号:B/0 NO.尊敬的顾客(户):首先感谢贵司过往一直对我们工作的大力支持和配合,使咨询工作得以顺利开展。
现为了进一步加强双方的紧密合作,并严格按IS09001:2000国际质量体系标准来提高咨询服务的工作质量,使咨询工作更能够迎合实际需要,因此,烦请阁下对近期的咨询工作进行评价和分析,并将相应内容填入下列表格。
阁下宝贵的意见和建议,将成为我们今后完善咨询工作的依据,并指导未来咨询工作的实施。
阁下真诚的合作,我司仝人将致以衷心的感谢,谢谢!调查方式□电话□邮递□访问来函请寄:天津市友谊路5号北方金融大厦港联物业(天津)有限公司邮编:300201传真:************电话:************不符合项纠正措施跟踪表编号:G1WY-QB-12 版号:B/0N Q清洁绿化服务质量考核汇总表200年月日制表:审核:乙方确认:编号:G1WY-QB-13版号:B/0 序号:日期:顾客投诉处理表版号:B/0编号:G1WY-QB-15 序号:不合格/不符合提示单编号不合格/不符合提示单编号:被检。
文件发放、回收记录编制:审批:日期:日期:编制:审批:日期:日期:文件修订申请单文件借阅记录文件销毁清单质量记录清单编制:审批:日期:日期:培训记录表培训申请单年度培训计划设备台帐编制:日期:设备验收单设备报废单质量策划实施情况检查表产品要求评审审批表合同修改通知单供方调查表调查表(加盖公章);②营业执照复印件;③产品说明;④产品标准;⑤质量认证证书复印件尽早寄回本单位。
谢谢合作!供方评审表供方现场评定表供方业绩记录NO:QR/HN-08-05( )物资采购计划表编制人:日期:批准:日期:监视和测量装置周期检定计划表监视和测量装置卡片内校记录表顾客满意度调查表注:对本单位质量评价时,请在响应栏目内打“√”,在“较差”、“差”栏目内打“√”时请在备注栏内说明原因,以便本公司及时采取改进措施。
技术服务任务书内审计划审核实施计划NO:QR/HN-04-02( )审核组组长:组员:1.审核目的:2. 审核依据:3. 审核范围:4. 审核时间:年月日至月日首次会议时间:月日时分末次会议时间:月日时分5. 现场审核期间请被审核方有关人员参加下列活动:首、末次会议:最高管理者或其代表及与审核有关的管理人员参加。
审核活动:按审核日程安排,被审核方有关人员在本岗位。
6. 审核安排:内审报告会议记录NO:QR/HN-04-06( ) 主持部门:主持人:会议时间:地点:会议内容:出席人员:会议记录:不符合报告NO:编制:日期:改进计划质量信息反馈表不符合、纠正和预防措施通知单工程质量事故报告表工程质量事故处理记录不合格品报告不合格品及其处置记录降级使用、让步接收记录监视和测量装置登记台帐编制:日期:审批:日期:。
质量管理表格大全第一章质量管理部职责描述 (5)(一)质量管理部的工作职责 (5)第二章质量管理部组织管理 (6)(一)质量管理工作计划表 (6)(二)质量目标达成计划表 (6)(三)质量教育年度计划表 (6)(四)竞争产品质量比较表 (7)(五)质量计划实施情况检查表 (7)第三章质量方针与质量目标管理 (8)(一)质量方针实施对策表 (8)(二)质量方针实施评审表 (8)(三)质量方针管理工作流程 (9)(四)部门(车间)质量目标展开表 (10)(五)质量目标管理统计月报表 (11)(六)质量目标分解实施评审表 (11)(七)质量目标管理工作流程 (13)第四章供应质量管理 (14)(一)质量检验委托单 (14)(二)进厂零件质量检验表 (14)(三)零件质量检验报告表 (14)(四)采购材料检验报告表 (15)(五)材料试用检验通知单 (15)(六)说明书质量检验报告 (15)(七)采购设备检验报告单 (16)(八)特采/让步使用申请单 (17)(九)进厂检验情况日报表 (17)(十)供应商基本资料表 (17)(十一)供应商质量评价表 (18)(十二)合格供应商考核表 (19)(十三)供应商综合评审表 (20)(十四)供应商质量管理检查表 (21)(十五)进料检验工作流程 (22)(十六)检验状态标识流程 (23)(十七)供应商管理工作流程 (24)第五章制程质量管理 (25)(一)制程作业检查表 (25)(二)生产条件通知单 (25)(三)生产事前检查表 (25)(四)生产过程记录卡 (26)(五)过程控制标准表 (26)(六)产品质量标准表 (27)(七)产品质量检验表 (27)(八)质量因素变动表 (27)(九)操作标准变更通知单 (28)(十)生产过程检验标准表 (28)(十一)产品质量抽查记录 (28)(十二)制程质量管理工作流程 (29)(十三)质量分析统计工作流程 (30)(十四)质量指标报告工作流程 (31)(十五)制程质量异常处理工作流程 (32)(十六)工序质量分析表 (33)(十七)工序质量评定表 (33)(十八)工序质量跟踪卡 (34)(十九)工序控制点明细表 (34)(二十)工序质量审核记录表 (34)(二十一)检验工序作业指导书 (34)(二十二)工序质量检验评定表 (35)(二十三)工序操作标准通知单 (36)(二十四)工序质量异常报告表 (36)(二十五)工序质量控制工作流程 (38)(二十六)工序质量检验工作流程 (39)第六章质量检验管理 (40)(一)试验委托单 (40)(二)试验报告单 (40)(三)检验通知单 (40)(四)产品抽查汇总表单 (41)(五)待出厂产品检验表 (41)(六)产品出厂检验表单 (41)(七)产品质量检验报告 (42)(八)检验计划签审工作流程 (43)(九)成品抽样检验工作流程 (44)(十)成品入库送检工作流程 (45)(十一)产品样件检验工作流程 (46)(十二)工厂出货送检工作流程 (47)第七章质量控制管理 (48)(一)质量管理标准表 (48)(二)质量标准变动表 (48)(三)产品质量管理表 (48)(四)质量因素变动表 (49)(五)质量控制管理工作流程 (50)(六)质量标准制定工作流程 (51)(七)质量记录控制工作流程 (52)(八)质量管理小组资料登记表 (53)(九)质量管理小组会议报告表 (54)(十)质量管理小组活动计划表 (54)(十一)质量管理小组活动记录表 (55)(十二)质量管理小组活动报告表 (55)(十三)QC小组活动成果评审表 (55)(十四)质量管理小组组织建立流程 (57)(十五)质量管理小组活动组织流程 (58)(十六)清理和整理活动检查表 (59)(十七)清理和整理效果检查表 (60)(十八)清洁和保养活动检查表 (61)(十九)清洁和保养效果检查表 (62)(二十)素养活动检查表 (63)(二十一)素养效果检查表 (64)第八章不合格品管理 (66)(一)质量异常通知单 (66)(二)质量异常报告单 (66)(三)质量异常处理单 (66)(四)不合格品审理单 (67)(五)质量不良记录表 (67)(六)质量不良分析表 (68)(七)装配不良处理表 (68)(八)产品退货统计表 (68)(九)不良项目调查表 (69)(十)产品返修通知单 (69)(十一)不合格零件处理单 (69)(十二)不合格现象预防表 (70)(十三)不合格产品管理流程 (71)(十四)不合格现象分析流程 (72)(十五)报废品处理工作流程 (73)(十六)质量处罚工作流程 (74)(十七)预防措施工作流程 (75)第九章质量改进管理 (76)(一)产品质量改进记录表 (76)(二)产品质量改进分析表 (76)(三)质量改进评审记录表 (76)(四)质量改进结果记录表 (77)(五)质量持续改进工作流程 (78)(六)质量问题解决工作流程 (79)第十章质量成本管理 (80)(一)质量预防费用统计表 (80)(二)质量鉴定费用统计表 (80)(三)质量内部故障统计表 (80)(四)质量外部故障统计表 (80)(五)质量成本统计报告表 (81)(六)质量成本损失估计表 (81)(七)质量改进费用汇总表 (82)(八)质量培训费用计算表 (82)(九)质量奖励费用计算表 (82)(十)质量停工损失报告表 (82)(十一)质量事故处理费用计算表 (83)(十二)产品降级/降价处理报告表 (83)(十三)车间质量管理费月报表 (83)(十四)车间质量损失费月报表 (84)(十五)质量成本管理工作流程 (86)(十六)质量成本控制工作流程 (87)第十一章质量管理体系审核及建立 (88)(一)质量管理体系审核计划表 (88)(二)质量管理体系审核检查表 (88)(三)质量管理体系审核报告表 (89)(四)质量文件评审记录表 (89)(五)质量文件发放回收表 (92)(六)质量文件更改申请表 (92)(七)质量文件销毁申请表 (93)(八)过程业绩评审报告表 (93)(九)纠正预防措施处理单 (94)(十)质量文件记录清单 (94)(十一)不符合项报告表 (95)(十二)质量体系建立工作流程 (96)(十三)质量体系文件管理流程 (97)(十四)质量体系内审工作流程 (98)(十五)质量体系运行工作流程 (99)(十六)质量体系完善工作流程 (100)第一章质量管理部职责描述(一)质量管理部的工作职责质量管理部工作职责一览表第二章质量管理部组织管理(一)质量管理工作计划表编号:日期:年月(二)质量目标达成计划表编订人:审核人:发布时间:执行期限:(三)质量教育年度计划表填写日期:(四)竞争产品质量比较表产品名称:填写日期:(五)质量计划实施情况检查表填写日期:第三章质量方针与质量目标管理(一)质量方针实施对策表(二)质量方针实施评审表时间:年月日评审人:(三)质量方针管理工作流程(四)部门(车间)质量目标展开表(五)质量目标管理统计月报表单位:填写日期:单位负责人:制表人:(六)质量目标分解实施评审表部门:考核日期:年月日~年月日编制:审核:(七)质量目标管理工作流程第四章供应质量管理(一)质量检验委托单编号:填写日期:(二)进厂零件质量检验表零件编号:零件名称:号码:(三)零件质量检验报告表编号:填写日期:(四)采购材料检验报告表编号:填写日期:(五)材料试用检验通知单编号:填写日期:(六)说明书质量检验报告(七)采购设备检验报告单(八)特采/让步使用申请单编号:特采/让步使用类型:□原材料 □成品 填写日期: 年 月 日(九)进厂检验情况日报表填写日期:页次: (十)供应商基本资料表(十一)供应商质量评价表(十二)合格供应商考核表编号:考核时间:从年月日至年月日制表:审核:批准:(十三)供应商综合评审表编号:填写日期:(十四)供应商质量管理检查表□协作厂商□试用厂商□原料供应商□外协加工厂商填写日期:检查员:(十五)进料检验工作流程(十六)检验状态标识流程(十七)供应商管理工作流程第五章 制程质量管理(一)制程作业检查表注:使用记号:“√”妥善 “×”故障 “△”需改进(二)生产条件通知单编号:填写日期:(三)生产事前检查表(四)生产过程记录卡批号:规格:工令:用途:编号:经办:审核:(五)过程控制标准表(六)产品质量标准表(七)产品质量检验表审核:质量检验:(八)质量因素变动表编号:填写日期:(九)操作标准变更通知单编号:填写日期:审批:复核:(十)生产过程检验标准表产品名称:部门:页次:(十一)产品质量抽查记录机器名称:班别:抽查员:主管:(十四)质量指标报告工作流程(十五)制程质量异常处理工作流程(十七)工序质量评定表工程名称:编号:质检员签字:年月日(十九)工序控制点明细表(二十)工序质量审核记录表(二十一)检验工序作业指导书(二十二)工序质量检验评定表(二十三)工序操作标准通知单审核:填单人:(二十四)工序质量异常报告表(二十五)工序质量控制工作流程(二十六)工序质量检验工作流程第六章质量检验管理(一)试验委托单编号:填写日期:(二)试验报告单报告号码:(三)检验通知单编号:填写日期:主管:检验:(四)产品抽查汇总表单编号:填写日期:(五)待出厂产品检验表编号:填写日期:检验员:复检:(六)产品出厂检验表单编号:填写日期:(七)产品质量检验报告编号:填写日期:主管:检验员:第七章质量控制管理(一)质量管理标准表产品名称:(二)质量标准变动表(三)产品质量管理表(四)质量因素变动表编号:填写日期:(五)质量控制管理工作流程。
纠正与预防措施报告整改通知书物业工作检查评比情况汇总管理处:检查时间:编制:审核:批准:考核检查表部门:年月日性质:□公司检查□本部门检查□班组检查□其它检查人签名:行政人事部审核:总经理批准:日期:日期:日期:员工日常行为规范考核评分表部门/管理处:年月部门负责人:品质技术部:行政人事部:总经理:管理人员每日巡检表日常抽检记录表□公司本部:□物业管理处:年月日岗位月绩效考核评表部门/管理处:____年__月__日至__月__日日常行为规范考核总评分为《员工日常行为规范考核评分表》中对应数据;总得分=岗位绩效考核总评分×70%+日常行为规范考核总评分×30%美文欣赏1、走过春的田野,趟过夏的激流,来到秋天就是安静祥和的世界。
秋天,虽没有玫瑰的芳香,却有秋菊的淡雅,没有繁花似锦,却有硕果累累。
秋天,没有夏日的激情,却有浪漫的温情,没有春的奔放,却有收获的喜悦。
清风落叶舞秋韵,枝头硕果醉秋容。
秋天是甘美的酒,秋天是壮丽的诗,秋天是动人的歌。
2、人的一生就是一个储蓄的过程,在奋斗的时候储存了希望;在耕耘的时候储存了一粒种子;在旅行的时候储存了风景;在微笑的时候储存了快乐。
聪明的人善于储蓄,在漫长而短暂的人生旅途中,学会储蓄每一个闪光的瞬间,然后用它们酿成一杯美好的回忆,在四季的变幻与交替之间,散发浓香,珍藏一生!3、春天来了,我要把心灵放回萦绕柔肠的远方。
让心灵长出北归大雁的翅膀,乘着吹动彩云的熏风,捧着湿润江南的霡霂,唱着荡漾晨舟的渔歌,沾着充盈夜窗的芬芳,回到久别的家乡。
我翻开解冻的泥土,挖出埋藏在这里的梦,让她沐浴灿烂的阳光,期待她慢慢长出枝蔓,结下向往已久的真爱的果实。
4、好好享受生活吧,每个人都是幸福的。
人生山一程,水一程,轻握一份懂得,将牵挂折叠,将幸福尽收,带着明媚,温暖前行,只要心是温润的,再遥远的路也会走的安然,回眸处,愿阳光时时明媚,愿生活处处晴好。
5、漂然月色,时光随风远逝,悄然又到雨季,花,依旧美;心,依旧静。
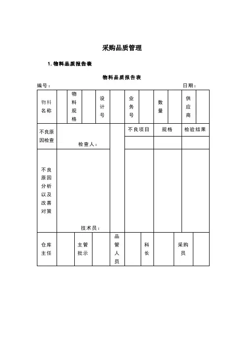
采购品质管理1.物料品质报告表物料品质报告表编号:日期:2.物料品质管理标准表物料品质管理标准表编号:日期:3.物料品质管理表物料品质管理表编号:日期:4.零部件品质标准表零部件品质标准表编号:日期:物料品质检验报告编号:填写日期:物料品质检验报告表供应商代号:产品等级:编号:科长:质检员:7.物料品质检验表物料品质检验表编号:日期:审核:质检员:物料品质检验标准表编号:日期:9.物料品质检验分析表物料品质检验分析表编号:日期:10.物料品质异常通知单物料品质异常通知单11.物料品质问题分析表物料品质问题分析表编号:日期:审核:制表:12.物料品质异常原因及改进报告物料品质异常原因及改进报告日期:编号:异常原因:人为疏忽变质其他改进状况:已改进已通知处理其他品质主管:采购主管:13.物料抽查检验记录表物料抽查检验记录表日期:编号:14.入库物料品质检验表入库物料品质检验表料别:制定日期:制定日期:拟定人:审核:15.零件入库品质检验表零件入库品质检验表编号:日期:16.采购品质管理中的常用指标采购品质管理中的常用指标项目定义生产部抱怨次数重大品质问题发生的次数相同问题生产部再次抱怨发生的次数类似问题生产部抱怨再度发生的次数 未准时交货的次数100%准时交货率采购退回金额%(品质原因)AOQ (PPM )OBA (PPM )准时交货率第一次良品率返工率总良品率个别零件使用率正常成品(标准使用量)个别零件或原料使用量 ×100%批总采购量批总使用量 ×100%全部批投入量 全部返工量 ×100%批采购量第一批使用量 ×100%准时交货批数 应交货总批数×(1-批退货率)×100%总不良率 总抽样数 ×100%总不良率总抽样数 ×(1-批退货率)×100%采购退回金额 总采购金额×100%物料检验报告表编号:日期:品质主管:质检员:18.入库物料检验情况报表入库物料检验情况报表报表编号:日期:来料检验报告20.入库物料检验日报表入库物料检验日报表日期:编号:审核:填表:21.入库零件检验情况报告入库零件检验情况报告编号:日期:22.零件检验表(1)零件检验表(1)编号:日期:23.零件检验表(2)零件检验表(2)编号:日期:填表:24.原材料检验表原材料检验表检验方式:□抽验□全数检验编号:日期:科长:记录:25.原材料入库检验记录表(1)原材料入库检验记录表(1)编号:日期:26.原材料入库检验记录表(2)原材料入库检验记录表(2)编号:日期:主管:质检员:27.入库零件验收表入库零件验收表日期:编号:28.物料检验委托单物料检验委托单29.物料检验通知单物料检验通知单编号:日期:品管主管:质检员:30.物料使用过程异常联络单物料使用过程异常联络单编号:日期:31.物料检查记录表物料检查记录表检查日期:品管主管:检验者:32.采购品质评审改进措施记录表采购品质评审改进措施记录表编号:日期:33.物料不合格报告物料不合格报告日期:编号:物料不合格品纠正措施记录表日期:编号:物料不合格品预防措施记录表日期:编号:36.供应商品质检验记录表供应商品质检验记录表编号:填表日期:填表人:37.供应商品质统计表供应商品质统计表月份:日期:编号:主管:填表:38.物料不合格品记录汇总表物料不合格品记录汇总表单位:日期:编号:审核:记录:39.次品材料采购记录表次品材料采购记录采购类别:页次:主管:制表:40.物料不合格品纠正预防措施处理表物料不合格品纠正预防措施处理表编号:日期:41.紧急放行物料申请表紧急放行物料申请表编号:日期:申请人:年月日批准:年月日42.物料入库验收单(1)物料入库验收单编号:年月日物料入库验收单编号:订购单编号:日期:44.物料入库验收单(3)物料入库验收单编号:年月日主管:证明人:物料入库验收单验收单号:46.次品材料采购记录47.物料不合格严重性分级原则表物料不合格严重性分级原则表48.样品品质评估表样品品质评估表编号:日期:49.采购品质管理制度50.进料验收管理办法(续)。