供应商管理规程
- 格式:doc
- 大小:70.50 KB
- 文档页数:8
管理供应商的规章制度第一章总则第一条为了规范供应商的行为,确保供应链的顺畅运作,保障公司利益,特制定本规章制度。
第二条本规章制度适用于公司所有与供应商有合作关系的部门和人员。
第三条供应商应当遵守相关法律法规和公司规定,积极履行合同义务,保证供应品质,确保交货准时。
第四条公司将对供应商的服务质量、信誉、履约能力等方面进行评估,根据评估结果确定供应商的等级,并在采购中做出相应决策。
第五条公司将建立完善的供应商管理体系,以确保供应链的高效运作。
第二章供应商的评估第六条公司将定期对供应商进行评估,包括但不限于供货能力、产品质量、服务态度、价格竞争力等方面的综合评估。
第七条评估结果将作为公司与供应商合作的重要依据,供应商的评级将直接影响到公司对其的采购决策。
第八条供应商对评估结果有异议的,可以向公司提出申诉,公司将根据实际情况作出调整或修正。
第三章供应商的管理第九条供应商应当建立健全的质量管理体系,确保产品质量符合国家标准和公司要求。
第十条供应商应当遵守合同约定,保证交货准时,不得因故延迟交货。
第十一条供应商应当保护公司的商业秘密,不得泄露公司的业务信息。
第十二条供应商应当遵守市场规则,不得采取不正当竞争行为。
第十三条供应商应当积极配合公司的监督检查工作,接受公司的监督和指导。
第十四条供应商应当保持良好的商业信誉,不得因经营不善或其他行为损害公司利益。
第十五条对于屡次违反规定的供应商,公司有权中止或终止与其的合作关系。
第四章供应商的权利第十六条供应商享有合法权益保护,公司不得随意变更合同内容或恶意拖延付款。
第十七条供应商有权要求公司提供合理的采购需求和信息,确保双方合作的顺利进行。
第十八条供应商有权在合作过程中参与价格谈判和合同条款的讨论,双方应当平等协商解决问题。
第十九条供应商有权提出建议和意见,公司应当认真听取并加以考虑。
第五章附则第二十条本规章制度由公司负责解释,并根据公司实际情况进行调整和修改。
第二十一条本规章制度自颁布之日起正式执行,之前的相关规定自行废止。
采购供应商管理规程一、概述采购供应商管理是指对公司采购活动中涉及到的供应商进行全面管理和监督,确保供应商的合规性、可靠性和稳定性,以保证采购活动的顺利进行。
本规程旨在规范和标准化供应商的管理,确保采购过程的高效性和质量。
二、供应商认证1. 供应商认证的目的是为了筛选出符合公司采购要求的优质供应商。
2. 供应商应提交相关资质证明文件,并提供真实、准确的信息。
3. 公司采购部门将根据供应商的资质、经验、信誉等方面进行综合评估,并决定是否对其进行认证。
4. 经认证的供应商将获得公司的授权,在一定期限内可参与公司的采购活动。
三、供应商管理1. 供应商绩效评估(1)公司采购部门将定期对供应商进行绩效评估,评估内容包括交货准时率、产品质量、售后服务等方面。
(2)供应商绩效评估结果将作为与供应商续约、更换或终止合作的重要依据。
2. 供应商合作协议(1)与供应商合作前,双方应签订供应商合作协议。
(2)供应商合作协议包括双方的权利义务、合作期限、产品质量要求、价格及支付方式等方面的内容。
(3)合作协议应具备法律效力,双方严格履行合同约定。
3. 供应商信息管理(1)公司采购部门应建立供应商信息数据库,详细记录供应商的基本信息、资质认证、合作协议等内容。
(2)供应商信息应定期更新,确保信息的准确性和及时性。
四、供应商监督1. 定期巡查(1)公司采购部门应定期派员对供应商的生产、质量管理等进行实地巡查。
(2)巡查内容包括现场设施、工艺流程、原材料采购等,以确保供应商的生产经营符合要求。
2. 风险评估(1)公司采购部门应对供应商进行风险评估,并制定相应应对措施。
(2)风险评估包括供应商的经营状况、财务状况、竞争力等方面的评估。
五、供应商奖惩制度1. 供应商奖励(1)公司将根据供应商的绩效评估结果,对表现突出的供应商进行奖励。
(2)奖励形式可以包括优先采购、商业合作推广、财务补贴等。
2. 供应商惩罚(1)对于供应商在交货期延误、产品质量问题等方面表现不佳的情况,公司将依照合同约定进行相应的惩罚。
供应商管理规程1. 引言供应商管理是企业管理的重要组成部分,对于确保企业的采购运作以及产品或服务的质量具有至关重要的作用。
本文将阐述一套供应商管理规程,以保证供应商的选择、评估和监管能够符合企业的需求和标准。
2. 供应商选择在选择供应商时,应考虑以下几个关键因素:2.1 供应商资质:供应商必须具备适当的证照和合规文件,以确保其合法经营和质量管理能力。
2.2 供应能力:供应商必须具备足够的产能和交货能力,以满足企业的需求。
2.3 质量控制:供应商必须能够提供符合质量标准的产品或服务,需进行质量管理体系的审核。
2.4 价格和成本:供应商的价格应与市场相符,并能提供具有竞争力的成本。
3. 供应商评估为了确保供应商的稳定性和可靠性,应定期对供应商进行评估。
评估的主要内容包括:3.1 财务状况评估:评估供应商的财务状况,以确保其经济实力和健康发展。
3.2 业绩评估:评估供应商的过往合作业绩,包括交货准时率、质量合格率等指标。
3.3 制度评估:评估供应商的管理制度和质量控制体系,以确保其内部管理的完善性和可靠性。
3.4 反馈评估:与供应商的合作伙伴进行交流,获取对供应商的评价和建议,以便及时调整合作关系。
4. 供应商监管为了确保合作供应商能够持续符合企业的要求,应进行有效的供应商监管。
监管的主要措施包括以下几点:4.1 合同管理:与供应商签订明确的合同,并监督合同执行情况,确保供应商按合同要求提供产品或服务。
4.2 定期审查:定期对供应商进行审查,检查其质量控制过程、财务状况等情况,并对发现的问题提出整改要求。
4.3 风险管理:识别供应商可能存在的风险,并采取相应的风险管理措施,如备选供应商、加强合同管理等。
4.4 持续改进:与供应商建立合作伙伴关系,促进双方的技术和管理水平的共同提升,以达到供应链的优化和协同发展。
5. 总结供应商管理规程是企业保证采购运作顺利进行和产品或服务质量稳定的重要手段。
通过合理选择供应商、有效评估和监管,企业可以最大限度地降低采购风险,并促进供应链的高效运作。
1、目的对原辅料、外购件的供应商进行审核,并对其进行评价,确保所采购物品满足其产品生产的质量和相关法规要求。
2、适用范围本规程适用于本公司提供原辅料、零部件、包装材料、设备以及配套服务的所有供应商。
3、职责3.1采购部负责供应商的调查和资格预审,以及物料采购的主导工作。
3.2质量部负责对供应商质量管理体系进行评估,建立合格供应商名单。
3.3检验员负责采购产品的抽样检验工作。
3.4管理者代表负责批准供应商的选用、续用。
4、工作程序4.1供应商选择的标准4.1.1供应商必须具有合法的资质,能够提供有效证件证明其生产的合法性。
4.1.2具有较完善的质量保证体系及相应的技术力量和管理,能从物料进厂到成品出厂的全过程进行质量控制。
4.1.3市场信誉好,物料的质量稳定,能按照合同条款合作,按时交货,价格合理。
4.2主要物料的确定4.2.1综合考虑所生产产品的质量风险、物料用量、物料对产品质量的影响程度及日常检测使用情况等对生产物料进行评估,确定主要物料。
4.2.2质量部每年年底负责组织生产部、采购部等相关部门对物料进行评估,确保主要物料。
4.2.3主要物料确定的意义在于对该物料供应商的评估采用不同的评估方式,确定主要物料。
4.3供应商的初选及评估4.3.1采购部负责供应商的初选。
根据生产经营计划和要求,采购人员与原料、辅料、包装材料供应商进行沟通,了解供应商基本情况,填写《供方调查表》,并向质量部提出申请,并附供应商的资质证明材料;①企业营业执照正副本复印件;②所执行的质量标准(国家或行业标准,若无国家或行业标准的应提供企业标准或合同标准),检验报告书或上级部门抽检报告书,将其与本公司质量标准进行对比确认其符合性,同时将本公司的质量标准一并放入档案。
③属于医疗器械的物料应增加以下内容:生产许可证、产品注册证(备案凭证)等。
④包装材料则应视种类增加以下内容:特种行业许可证、条形码承印资格认可证、印刷业经营许可证、印刷品印制许可证、印制商标单位证书等。
供应商准入与退出管理规程1. 引言2. 定义供应商准入:指供应商通过相关的审核、评估和筛选,获得与本公司建立供应关系的资格。
供应商退出:指已与本公司建立供应关系的供应商,因违反约定、质量问题、合作关系终止等原因被终止合作关系并退出供应商库。
3. 供应商准入管理流程3.1. 供应商申请3.2. 供应商初审采购部门对供应商申请材料进行初步审核,确认材料是否齐全、真实有效,并评估供应商的经营能力、管理水平以及产品质量等。
3.3. 供应商评估评估结果综合考虑供应商的技术能力、管理水平和合作意愿等因素,确定是否准予供应商准入。
3.4. 供应商准入审核采购部门对供应商评估结果进行汇总,提交给公司高层决策,由高层决策是否准予供应商准入。
若决策通过,则向供应商发出准入通知,签署供应合同,并将供应商信息录入供应商库。
3.5. 供应商准入后评估准入的供应商需按照公司相关要求,定期进行供应商评估和审核,以确保其在合作期间持续符合公司的要求。
评估内容包括但不限于供货质量、交货及服务情况、价格竞争力等。
4. 供应商退出管理流程4.1. 异常问题发现公司各部门在与供应商合作中,如发现供应商存在违约行为、服务质量问题或其他行为不符合公司要求的异常问题时,应及时记录并报告采购部门。
4.2. 异常问题调查采购部门将对异常问题进行调查核实,收集相关证据和信息,并与供应商进行沟通协商。
4.3. 供应商退出决策根据异常问题的严重程度和影响范围,采购部门将对供应商退出进行评估,提交给公司高层决策是否终止与供应商的合作关系。
4.4. 供应商退出执行若高层决策终止与供应商合作关系,采购部门将向供应商发出终止通知,并通知相关部门进行后续操作,包括但不限于退货、结算等。
4.5. 供应商退出后评估对终止合作的供应商,采购部门将进行退出评估,总结分析合作期间的各项问题和原因,以及对公司的影响。
5. 供应商准入与退出的监督与改进公司应建立健全的供应商管理体系,加强对供应商准入与退出流程的监督和管理,及时发现与处理问题,并持续改进流程和标准。
供应商管理操作规程1. 概述供应商管理操作规程旨在确保公司与供应商之间的合作顺利进行,保障供应链的高效运转。
本规程适用于所有与公司签订合作协议的供应商,涵盖了供应商的甄选、评估、合同管理、履约跟踪等方面。
2. 供应商甄选为了确保公司能够选择到合适的供应商,供应商甄选应按照以下步骤进行:2.1 需求确认:明确采购部门对于供应商的技术能力、交货期要求、质量控制等方面的需求。
2.2 供应商搜索:通过市场调研、招标等方式,筛选出符合需求的供应商。
2.3 供应商评估:对潜在供应商进行评估,包括对其资质、信用状况、生产能力、质量控制体系等进行审核。
2.4 选定供应商:根据评估结果,选择合适的供应商,并与其签订合作协议。
3. 合作协议管理签订合作协议是确立公司与供应商关系的重要步骤,以下是合作协议管理的要点:3.1 协议起草:采购部门根据采购需求和公司政策,起草合作协议,明确双方责任和权益。
3.2 合同审批:合作协议需经有关部门(如法务、财务等)审批通过,并保留相应的审批文件。
3.3 合同签订:经双方协商一致后,签署合作协议,并保留合同原件。
4. 履约跟踪为确保供应商按照合作协议履约,需要进行履约跟踪:4.1 交货期跟踪:及时与供应商核对交货期,并在交货前进行确认,确保供应商按时交货。
4.2 质量把控:对供应商提供的产品进行质量检验和抽样检测,确保产品质量符合公司标准。
4.3 履约评估:对供应商的履约情况进行评估,包括交货准时率、质量合格率等指标,及时采取相应措施,如奖励或惩罚措施。
5. 变更管理在合作过程中,可能会出现合同变更的情况。
为确保变更能够合理有效地进行,需注意以下要点:5.1 变更申请:供应商或公司需提出变更申请,并明确变更内容和原因。
5.2 变更审核:由相关部门审核变更申请的合理性和可行性,包括对变更可能带来的影响进行评估。
5.3 变更批准:经审核通过后,由合同管理部门批准合同变更,并及时通知供应商进行执行。
规范供应商的规章制度第一章总则第一条为规范供应商行为,维护公司利益,保障供应链稳定,提高供应商整体素质,特制定本规章制度。
第二条本规章制度适用于公司与供应商之间的商务合作关系,供应商包括但不限于材料供应商、设备供应商、服务供应商等。
第三条供应商在执行本规章制度时,应遵守相关法律法规,维护公司合法权益,提高服务质量,履行社会责任。
第四条公司与供应商应建立和谐、互信、互利、共赢的关系,共同推动公司可持续发展。
第二章供应商准入第五条供应商需符合《中华人民共和国公司法》及《国务院采购暂行办法》等相关法律法规,并具备独立法人资格。
第六条供应商应具备一定的生产能力或服务能力,拥有健全的生产设备和管理团队。
第七条供应商应具备合法的产品或服务资质,且产品或服务应符合国家标准或行业标准。
第八条供应商应具备财务稳定性,不存在重大经营风险,并能按时履行合同义务。
第九条供应商应遵守公司的采购政策和采购流程,确保采购合同的合法性和有效性。
第十条供应商需签订《供应商协议》,明确双方的权利和义务,保证交易的顺利进行。
第三章供应商管理第十一条公司与供应商建立长期合作关系,互相信任,互相尊重,共同发展。
第十二条供应商应不断改进产品和服务质量,提高竞争力,满足公司需求。
第十三条供应商应定期向公司提交产品或服务质量报告,确保产品或服务符合标准要求。
第十四条供应商应加强对员工的管理和培训,提高员工素质,确保产品或服务的质量和安全。
第十五条供应商应严格遵守合同约定,按时交付货物或提供服务,不得迟延或拖欠。
第十六条供应商应遵守国家环保法规,保护环境,降低资源浪费,促进可持续发展。
第四章供应商评价第十七条公司将对供应商进行定期评价,评价内容包括但不限于产品质量、服务水平、交货准时率等。
第十八条供应商评价结果将作为与供应商续约、调整合作方式或终止合作的依据。
第五章供应商激励第十九条公司将通过提高订单量、提高单价、增加付款周期等方式,激励优秀供应商,鼓励其提高服务质量。
供应商管理规程最新版
本文旨在规范公司供应商的选择、审批、管理、评估和退出等方面的工作流程,保障公司采购实践的公平性、透明度、责任性、安全性和高效性。
选择供应商
选择供应商应该以公司采购需求为导向,采取公开、公平、公正的原则,实现最大化的采购利益。
具体流程如下:
- 确定需求范围和标准
- 寻找潜在供应商
- 拉开对比窗口
- 最终选择供应商
审批新供应商
审批新供应商是确保新合作伙伴符合公司规定和质量标准的重要程序。
具体步骤如下:
- 申请信息审核
- 现场考察评估
- 合同条款的商务谈判
- 部门或领导的审批(如有必要)
管理供应商
供应商管理是采购活动中最为关键的技能之一。
管理好自己的供应商意味着获得更好的质量控制,更及时的交货期限,以及更好的前期代价管理。
具体要点如下:
- 签订合同
- 确定供应商管理制度
- 进行定期评价和监察
- 处理投诉和问题
供应商评估
供应商评估是公司建立完备、健康的供应商库的重要手段。
通过及时、充分的供应商评估,公司能更好的管理供应链,并为采购活动提供保证。
具体流程如下:
- 建立供应商档案
- 设立评估指标和标准
- 进行定期评估
- 根据评估结果进行管理
退出供应商
退出供应商是管理系统里极度重要的环节,因为该环节必须遵循国家相关的法律法规,请务必注意以下要点:
- 确定退出原因
- 确定退出期限
- 管理知识转移
本管理规程将遵循所在法域的法律法规进行修改和完善,欢迎广大员工积极参与。
供应商管理规程1. 背景和目的本供应商管理规程旨在确保公司与供应商之间的良好合作关系,提高供应链的效率和质量,降低供应风险,并促进公司的持续发展。
2. 供应商评选和审核2.1 供应商评选标准- 实力和信誉:供应商应具备良好的口碑和声誉,工厂设备和技术能力应符合公司的要求。
- 产品质量:供应商提供的产品应符合公司的质量标准,具备稳定的性能和符合相关法律法规要求的认证。
- 交货能力:供应商应具备稳定的供货能力,能够按时交付所需货物。
- 价格竞争力:供应商提供的产品价格应合理且具有竞争力。
2.2 供应商审核程序- 供应商资格初审:初步筛选供应商,进行资格审核,主要包括企业资质、产品质量和实力等方面的评估。
- 现场审核:对通过初审的供应商进行现场审核,查看供应商的生产设备、管理体系和原材料等情况。
- 样品测试:对供应商提供的样品进行全面测试,验证其质量和性能是否满足公司的需求。
- 综合评估:根据资料审核、现场审核和样品测试的结果,综合评估供应商的能力和合作价值。
3. 供应商绩效评估3.1 绩效评估指标- 产品质量:供应商提供的产品是否符合公司的质量标准,客户对产品的反馈等。
- 交货能力:供应商的交货准时率、延迟情况等。
- 供应商服务:供应商的售后服务、响应速度和问题解决能力。
- 成本效益:供应商提供的产品价格是否合理,与公司的合作是否能够获得成本效益。
3.2 绩效评估周期公司将按照规定的时间周期对供应商的绩效进行评估,通常为每年一次。
3.3 绩效评估结果的影响根据供应商的绩效评估结果,公司将采取相应的措施。
对于表现优秀的供应商,将给予奖励和优先承揽业务的机会;对于表现不佳的供应商,将进行整改指导,并有可能终止合作关系。
4. 供应商合作协议和契约管理4.1 合作协议的签订在与供应商确定合作意向后,公司将制定供应商合作协议,明确合作的准则、要求和责任。
4.2 契约管理公司将建立契约管理制度,对供应商合作协议进行有效管理和执行,包括合同订立、履行、变更和终止等方面的管理。
采购流程与供应商管理规程采购是企业运营中至关重要的一环,对于企业的发展和成果具有重要影响。
为了保证采购流程的有效运作和供应商的管理,下面将介绍采购流程与供应商管理规程。
一、采购流程1.需求确认与采购计划在采购开始之前,企业首先需要明确具体的需求和采购计划。
这包括确定采购的物品种类、数量、质量要求以及预算等方面的内容。
通过对需求的确认和采购计划的制定,企业能够更好地进行后续的采购工作。
2.供应商筛选与评估在确定需求和采购计划后,企业需要进行供应商的筛选与评估工作。
企业可以通过市场调研、询价、招标等方式来吸引潜在的供应商,并从中挑选出符合要求的供应商进行评估。
评估的指标可以包括价格、产品质量、服务水平、供应能力等方面的内容。
3.采购合同签订在确定了供应商后,企业需要与供应商签订采购合同。
采购合同是双方之间的法律约束文件,其中包括了采购物品的具体规格、数量、价格、付款方式等条款。
通过签订采购合同,可以确保双方的权益得到保障,减少后续合作中的风险。
4.采购执行与物流管理采购执行阶段是具体的采购操作过程,包括订单下达、供应商交货、验收入库、付款等环节。
同时,物流管理也是采购流程中不可忽视的一环,要保证采购物品按时、按量、按质到达企业,并进行仓储、配送等管理工作。
5.供应商绩效评估采购完成后,企业需要对供应商的绩效进行评估。
绩效评估的指标可以包括供货及时性、产品质量、服务响应速度等方面的内容。
通过对供应商绩效的评估,企业可以及时发现问题,并采取相应的改进措施,提高供应链的效率和质量。
二、供应商管理规程1.供应商准入管理企业应该建立供应商准入管理制度,明确供应商的准入标准和程序。
准入标准可以包括供应商的财务状况、生产能力、质量控制体系等方面的要求。
准入程序可以包括供应商的申请、资料审核、现场考察和评估等阶段。
2.供应商分类管理根据供应商的重要性和表现,企业可以将供应商进行分类管理。
可以将供应商分为核心供应商、优选供应商和普通供应商等不同级别,以便进行有针对性的管理。
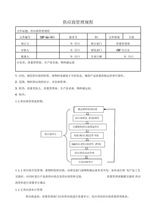
供应商管理规程1. 目的:规范供应商的管理,使物料来源处于可控状态,确保产品质量的稳定性和可靠性。
2. 范围:物料供应商的审计、评估和管理。
3. 职责:质量受权人、质量管理部、生产技术部、物料储运部。
4. 程序:4.1供应商管理流程图:4.1.1供应商开发管理:新物料的供应商,由研发部门或物料储运部负责开发。
如在进行研发产品工艺交接时,应同时进行产品的供应商及其供应商资料交接。
质量管理部根据交接的供应商资料进行质量审计确认4.1.2供应商审计管理供应商选用:质量管理部门应对供应商进行质量审计,综合评估供应商质量管理体系、物料的质量情况等,并经质量受权人批准确认,才能成为合格供应商。
对达不到要求的供应商由质量受权人进行否决,只能在经质量受权人批准的供应商中选购物料,其他人员不得干扰。
4.121 供应商审计方式供应商审计前,应根据物料对产品质量的风险程度,将物料的安全级别分级。
物料的安全级别表:4.121.1 资质审计:由物料储运部向供应商索取各种资质材料并提供给质量保证部,质量保证部根据提供的资料审核,对供应商进行质量评估。
4.1.2.1.2.2 质量标准 (中国药典不需要) 必需 必需 必需 必需厂家检验报告书b必需必需必需必需注:a.有批准文号的国产药用辅料,必须提供药品生产许可证。
b.应为对应批次的样品检验报告书。
c.如果内包材需要印字,还必须有印刷经营许可证。
d.食用级辅料必须有卫生许可证。
e. 有药用批准文号的辅料,应优先选用。
进口辅料,不必提供营业执照、药品生产许可证,但应提 供进口药品注册证、进口注册标准、对应样品批次的药品口岸检验所检验报告和出厂检验报告。
f. 没有药用批准文号辅料、API 物料,如为应许可生产的工业产品,应提供工业产品生产许可证。
g. 属安全许可生产的化工产品,还应有安全生产许可证。
4.121.2 首次审计4.12121 供应商首次审计流程图:组织机构代码证;税务登记证;供应商简介(包括企业规模及其发展历史、生产地址、人员); 组织机构图或表;生产管理、质量管理文件目录;产品基本工艺流程及关键控制点;产品检 验方法;主要生产设备一览表;主要检测仪器一览表;企业或产品质量信誉证书。
采购部门供应商管理与采购流程规程一、引言为了确保采购过程的顺利进行,以及保证企业采购的质量和效益,采购部门供应商管理与采购流程规程是必不可少的。
本规程旨在明确采购部门对供应商的管理要求,以及采购流程的规范性与透明度,以保证采购活动的公平、公正、合理。
二、供应商管理1. 供应商准入1.1 供应商评估采购部门应根据企业的采购需求,对供应商进行评估,并建立供应商库。
评估标准包括但不限于供应商的信用状况、质量管理体系、交货能力、技术水平等。
1.2 供应商选择在供应商库中,采购部门根据具体的采购需求,选择适合的供应商进行邀请投标或议价谈判。
选择的标准应以综合评估为基础,包括供应商的价格、质量、服务等。
1.3 供应商合同与供应商达成一致后,采购部门应与供应商签订正式合同,明确双方的权益与义务,确保采购活动的合法性与合规性。
2. 供应商维护与评估2.1 维护良好合作关系采购部门应与供应商保持良好的合作关系,及时与供应商沟通、解决问题,并确保供应商的权益得到保障。
2.2 供应商绩效评估采购部门应定期对供应商进行绩效评估,包括但不限于供应商的产品质量、交货准时率、售后服务等。
评估结果将作为日后供应商选择的依据。
三、采购流程规范1. 采购需求确认采购部门应与需求部门充分沟通,确认采购需求的具体规格、数量、要求等,并将需求记录下来。
2. 采购计划编制采购部门根据采购需求,编制采购计划,包括但不限于采购时间、采购方式、预算等,并报相关部门审核批准。
3. 供应商选择与谈判根据采购计划,采购部门邀请合格的供应商进行投标或议价谈判,最终选择与供应商达成一致。
4. 合同签订采购部门与选择的供应商签订正式合同,明确双方的权益与义务。
合同内容应包括但不限于采购物品的规格、数量、质量标准、交货时间、价格等。
5. 交货与验收供应商按照合同约定的时间和地点进行交货,采购部门进行验收,确保采购物品符合合同要求。
6. 付款与结算采购部门根据合同约定的付款方式和时间,及时支付供应商的货款,并办理相关的结算手续。
供应商管理规程1. 目的为保证供应商选择、评价和再评价的客观性、公证性、科学性,加强对供应商的日常管理和考核,有效掌握供应商的品质、价格、配合度,确保提供产品的质量以及交付、服务等符合公司要求,特制定本规程;2. 适用范围本规程适用于为我公司提供物料和服务的所有供应商的管理3. 职责经营中心负责寻找推荐供应商;负责建立本部门合格供应商档案及目录;信息技术部负责组织新供应商资格的考察、评定;负责组织合格供应商再评价;负责代表公司与供应商签订保密协议;负责供应商质量保证能力的监督、审查;负责供应商合格供方资格的暂停和解除;经营中心、质量部、相关生产单位、信息技术部、招标办参与对供应商资格的审计;质量部负责代表公司与供应签订产品质量保证协议;负责对供应商供货质量情况进行评价;并根据评价结果向信息技术部提出暂停和解除供应商资格的建议;执行总裁、副董事长、招标办负责人、总裁负责审批供应商合格供方资格;4. 程序供应商选择4.1.1 新供应商选择4.1.1.1 选择原则:应遵循高质量、低价格、重合同、守信用、管理好、就近选点的原则;4.1.1.2 除公司另有规定的以外,必须保证每种物料具有两家及以上的稳定供应商,以保证稳定供货;4.1.2 选择程序4.1.2.1 由经营中心根据公司安排和实际需求及选择要求,甄选候选供应商;收集供应商信息,填写候选供应商申请表并进行产品询价4.1.2.2 候选供应商提供相关证照复印件加盖企业鲜章:营业执照、生产许可证、组织机构代码证、税务登记证、质量管理体系认证证书、其它有关资质货证书交经营中心;4.1.2.3 采购中心对候选供应商相关信息及提供的有关资料进行初选;初选合格的,填写推荐意见交信息技术部;4.1.2.4 根据候选供应商类别,成立审计小组,信息技术部组织经营中心、质量部、相关生产单位、招标办等相关部门对候选供应商进行评估:◆进行材料审核◆组织进行现场评估4.1.2.5 审计小组根据评估结果,做出评估意见;4.1.3 签订协议4.1.3.1 供应商通过现场评估后,由质量部与供应商签订产品质量保证协议,信息技术部与供应商签订保密协议;4.1.4 样品评审4.1.4.1 由采购中心通知供应商按照要求的时间、数量提供制作样品;4.1.4.2 样品评价:样品送达后,由评审小组完成对样品的外观评价,质量部对样品进行抽样检验,出具检验报告书;供应商送样时,同时提供检验报告书,质量部对检验报告书进行确认;4.1.4.3 样品评价不合格,由经营中心通知供应商再次送样,送样频次不超过三次;样品评价合格后,进入批量使用阶段;4.1.5 批量试用4.1.5.1 样品检测合格后,由相关单位组织对样品进行试用,试用过程对其进行跟踪,质量部配合;4.1.5.2 如果试用通过,由信息技术部整理相关资料,会同审计小组对供应商进行综合评价,信息技术部负责人在供应商审计评价表上签署意见,将产品质量保证协议、保密协议等资料附后,报执行总裁及集团相关审批;4.1.5.3 经领导批准后,信息技术部将其列入合格供应商目录,通知经营中心建立供户档案;4.1.6 批量供货4.1.6.1 由经营中心按照批准的采购计划进行批量采购;物料的采购4.2.1 所有物料的采购中药材、中药饮片、化学原料、辅料、包装材料及其它均需按批准的合格供应商目录进行采购,特殊情况下的临时采购需经部门负责人及执行总裁批准认可;4.2.2 原则上一种采购产品,需两家及以上的合格供应商,以供采购时做竞价、交货期等选择;4.2.3 经验收和投入使用发现不合格品,按公司相关程序处理,同时由经营中心根据与供应商签订的产品质量保证协议协商处理意见;4.2.4 质量部每月对合格供应商所供产品质量状况进行统计,以书面形式实时向供应商发送产品质量信息;对出现较多问题的供应商,责令其采取纠正和预防措施,再根据纠正措施实施效果确定是否暂停或取消其供货资格;供应商管理4.3.1 供应商的考核与再评价合格供应商目录实施动态管理,每年年底评定一次;评定由信息技术部组织,评定的依据为供应商的考核结果;根据评定结果对合格供应商目录进行修订;4.3.1.1 考核对象列入合格供应商目录的所有供应商;4.3.1.2 考核方法对供应商进行综合评价,实行评分等级制度,满分为100分;◆评分大于或等于90分的,为A类供应商◆评分大于或等于80分,小于90分的,为B类供应商◆评分大于或等于70分,小于80分的,为C类供应商◆评分大于或等于70分的,为D类供应商4.3.1.3 评分项目及标准a 综合实力:5分b 质量状况:30分c 价格水平:30分d 技术能力:5分e 交货能力:10分f 信誉状况:5分g 整体服务:5分h 管理水平:5分i 合作现状:5分4.3.1.4 考核频次每年一次4.3.2 考核结果处理按对供应商的评估结果,将供应商分为A、B、C、D四类,分类管理;A类为优秀供应商,优先供应B类为良好供应商,备用供应C类为合格供应商,考察供应D类为不合格供应商,淘汰供应4.3.3 根据考核评定结果,进行供应商订单分配和管理;4.3.3.1 定点数位2个的情况,订单分配情况为:60:404.3.3.2 定点数位3个的情况,订单分配情况为:50:30:204.3.3.3 执行以上标准时,经营中心若在实际操作中认为确需调整时,需经分管领导同意,上报公司讨论决定;未经批准,执行部门不得擅自调整;5.相关文件供应商候选申请表合格供应商目录供应商审计表供应商评价表。
临时供应商管理规程一、目的与适用范围本规程旨在规范临时供应商的管理,确保公司在紧急或特殊情况下能够及时获取所需的物资和服务。
本规程适用于公司内临时供应商的选择、评估、合作与监督等过程。
二、职责与权限1.采购部门:负责临时供应商的筛选、谈判、合同签订及后续合作事宜。
2.质量部门:负责对供应商提供的物资进行质量检验,确保满足公司要求。
3.财务部门:负责对供应商的付款进行审核和支付。
4.其他相关部门:根据业务需要,参与临时供应商的管理工作。
三、供应商选择标准1.供应商应具有良好的信誉和经营状况,能够按时提供质量合格的物资和服务。
2.供应商应具有合理的价格和良好的售后服务。
3.供应商应具有快速响应能力和灵活性,能够适应公司紧急或特殊需求。
四、临时供应商的确定程序1.需求确认:采购部门根据实际需求,确认是否需要选择临时供应商。
2.供应商筛选:采购部门根据选择标准,筛选出符合要求的临时供应商。
3.谈判与合同签订:采购部门与筛选出的临时供应商进行谈判,达成合作意向后签订合同或协议。
4.合作执行:供应商按照合同或协议规定的条款,提供物资或服务。
5.合作评价与反馈:合作结束后,对临时供应商进行评价,并将评价结果作为后续合作的参考依据。
五、合同与协议签订1.合同或协议内容应明确,包括物资或服务的名称、规格、数量、质量要求、价格、付款方式、交货时间等。
2.合同或协议中应明确双方的权责和义务,确保合作的顺利进行。
3.合同或协议中应包含违约责任和纠纷解决方式等内容。
4.合同或协议签订前应经过相关部门审核,确保其合法性和合规性。
六、物资验收与付款1.物资到货后,质量部门应对其进行验收,确保质量合格。
验收不合格的物资应予以退货或更换。
2.验收合格的物资,财务部门应根据合同或协议约定的付款方式进行付款。
付款时应核对发票等相关单据的准确性。
原料供应商管理规程目的本规程的目的是确保公司与原料供应商之间的合作关系顺利进行,以保障原料的质量、稳定性和可持续性,并建立一个透明、公正和合规的供应链管理体系。
适用范围本规程适用于公司与所有原料供应商之间的合作关系。
供应商评估1. 供应商选择在选择供应商时,公司应根据以下标准进行评估:- 原料质量:供应商的原料是否符合公司的质量标准。
- 供货能力:供应商是否能够按时、按量供货。
- 价格竞争力:供应商的价格是否具有竞争力。
- 供应链可持续性:供应商是否遵守环境保护和可持续发展的相关法规和准则。
2. 供应商审核公司应对潜在供应商进行审核,包括但不限于以下内容:- 公司注册和资质认证情况。
- 原料生产流程和设备设施的合规性。
- 质量管理体系和认证情况。
- 环境保护和可持续发展措施的执行情况。
3. 供应商合同与供应商进行合作前,公司应与其签订供应商合同,明确以下内容:- 原料名称、规格和质量要求。
- 供货时间和方式。
- 价格和支付方式。
- 双方的责任和义务。
- 合同的期限和解除条件。
供应商管理1. 供应商绩效评估公司应定期对供应商的绩效进行评估,包括但不限于以下指标:- 原料质量是否符合公司的要求。
- 供货准时率。
- 原料价格的稳定性。
- 供应商对环境保护和可持续发展的贡献。
2. 供应商风险管理公司应对供应商的风险进行评估和管理,包括但不限于以下方面:- 供应商的经济状况和信用评级。
- 供应商在其他客户中的声誉和合作情况。
- 供应商的稳定性和可靠性。
3. 供应商沟通和反馈公司应与供应商建立良好的沟通和反馈机制,及时解决合作中的问题,并与供应商共同探讨改进和创新的可能性。
不合规行为处理如果供应商存在不合规行为,公司应采取适当的措施予以处理,包括但不限于以下方法:- 发出警告信,要求供应商改正。
- 暂停或中止合作,并与其他潜在供应商进行洽谈。
- 终止合同并追究法律责任。
其他事项本规程的具体实施细则由公司制定,包括但不限于审核和评估的具体步骤和频率、供应商合同模板等。
目的:建立物料供应商质量审计批准、变更的办法,评估现有的或可能的供应商,促使供应商不断改善内部质量情况,以保证所供产品的质量符合本厂的生产要求;范围:适用于本公司所有用于生产的原料、辅料、包装材料、试剂、等供应商的审计批准和变更的管理;职责:物料部负责拟新增或变更物料供应商审核确认的提出;质量部负责对所有生产用物料的供应商进行质量评估,会同有关部门对关键物料供应商尤其是生产商的质量体系进行现场质量审计,负责与关键物料供应商签订质量协议,并对质量审计或评估不符合要求的供应商行使否决权;仓库负责及时反馈接受到物料的包装、数量情况;质量负责人负责供应商的最终批准;企业法人代表、企业负责人及其他部门人员不得干扰或妨碍质量部门对物料供应商独立做出质量评估;内容:1、供应商选择原则要求供应商必须是经过国家有关部门注册批准、具有相应生产或经营批文的合法企业;具有相应产品的生产、检测设施设备条件和较完善的质量保证体系,产品满足相应的质量标准要求,售后服务完善;在选择供应商时,对主要物料应有备用的合格供应商;物料供应本着优质、定点、就近、经济、合法、及时的原则;2、供应商资质基本要求原辅料生产商需提供以下证明文件并加盖公司红章:证复印件;包装材料则应视种类增加以下内容:包装印刷品印刷许可证、药品包装用材料、容器生产许可证、药品包装材料和容器注册证;属于危险化学品的必须有危险化学品生产许可证;经销商需提供以下证明文件并加盖公司红章:危险化学品经营许可证若是危险化学品经销商3、供应商分类原则质量部对品种涉及的物料进行风险评估,根据对产品质量的风险程度,确定物料的安全等级;按其对药品质量及安全性的影响程度,分为I、II、III类物料供应商;类物料供应商I类物料供应商也称作关键物料的供应商,指影响产品的内在质量的物料如口服制剂直接入口的物料的供应商,主要包括原料、部分辅料如缓控释功能辅料、包衣剂等的供应商; 对于I类影响产品内在质量的物料的供应商,除了必须符合法定的资质外,还要进行现场审计;若需变更I类物料供应商,必须重新对拟选定的物料供应商进行上述审计和批准;还需要对产品进行相关的验证及稳定性考察,主要的物料供应商变更需要及时上报省食品药品监督管理局进行备案;类物料供应商II类物料供应商指产品对药品质量及安全用药有影响但程度非常有限的物料供应商,包括用量很小的辅料如包衣用食用色素、虫蜡、中药材炮制用辅料、直接接触药品的包装材料及标签、说明书等的供应商;对II类物料对产品内在质量有一定影响的物料供应商,企业首先要对供应商提供的物料进行风险分析,视物料对产品质量的风险程度决定是否进行现场审计;风险较低的物料只审计资质即可;类物料供应商III类物料供应商指对产品质量没有影响物料的供应商,主要包括打包带、油墨、热收缩膜、托盘、纸箱等的供应商;对III类物料对产品内在质量没有影响的物料的供应商一般只考察其资质,只要其产品适用,均可以批准供货;4、供应商审计要求对I类物料供应商审计通常情况下应包括但不限于以下的内容;1资质审计原料审计内容:营业执照、生产许可证、经营许可证、GMP证书、GSP证书、原料药生产批件、质量标准、经营授权书、业务员资料:进口物料的进口批件、样品的检验报告书包括生产企业的检验报告书和口岸药检所的检验报告书等;辅料审计内容:营业执照、生产许可证、经营许可证、具有药品批准文号的药用辅料的生产批件、质量标准、经营授权书、业务员资料、样品的检验报告书;2现场审计:现场审计内容包括:该企业的生产厂房、设施设备、生产能力、卫生条件、质量管理、售后服务以及原料等是否符合国家标准和本企业的要求;对II类物料供应商审计的内容1资质审计辅料审计内容:营业执照、生产许可证、经营许可证、业务员资料、样品的检验报告书;内包装材料审计内容:营业执照、生产许可证、经营许可证、药包材注册证、业务员资料;外包装材料审计内容:营业执照、生产许可证、经营许可证、经营授权书、业务员资料;2现场审计必要时进行对III类物料供应商的审计的内容资质审计内容:营业执照、生产、经营许可的证明文件;5、审计的实施供应商的审计包括:首次审计、定期审计、原因审计、追踪审计;首次审计是指第一次对某个供应商的物料和资质进行审计,以前从未从该供应商处采购过该物料;物料部对拟采购物料的供应商发出供应商调查表,由供应商填写,并同时提供相应的资质材料;由质量部对供应商的资质和质量管理水平进行初步的评估,对通过初步评估的供应商按照物料级别要求对其进行资质或现场审计;资质审计:对风险较低的II类物料供应商和III类物料供应商只审计其资质;现场审计:a.对I类物料供应商和风险较高的II类物料供应商则必须进行现场审计,审计时按照质量部制定的“现场审计的内容和标准”进行,做好审计记录,并召开有供应商代表参加的总结会议;b.对存在严重缺陷的供应商若无采购意向则说明后结束审计,若仍有采购意向则提出定期整改的意见;c.对一般缺陷提出整改措施;d.质量部在规定的时间内完成供应商现场审计报告;定期审计对资质进行定期审计,审计其资质是否在有效期内,是否发生过变更,本公司订购的物料是否仍在该供应商的生产、经营范围内,变更后是否更新资料等;对需现场审计的供应商根据上次制定的再审计日期进行现场全面审计,同时跟踪上次审计发现的问题以及年度质量回顾中存在的缺陷,落实整改是否到位,对本次审计发现的问题提出整改意见;如发现严重缺陷,存在较大的质量风险则报请受权人中止采购,对已使用该物料的产品进行风险分析及采取相应的措施; 原因审计当出现重大的质量投诉时如:混批,印刷错误,产品中发现人体毛发,严重的异物混入,微生物污染等,应根据风险情况启动物料供应商的审计,可以是书面审计或现场审计; 追踪审计对上一次审计问题采取的整改措施的确认,可以是书面审计或现场审计; 6、物料供应商确认流程 供应商确认流程图:由质检中心QC 依据本企业质量标准、对样品进行检验,填写检验记录;对于确实无法得到样品的情况下,QC 主任应拿供应商提供的检验报告单与我公司内控标准对比,必须符合公司内控标准;如小样检验不合格,视为供应商审计不合格; 样品试制关键物料由QA 与生产车间主任共同确定中试的批量以适应设备的最小量为准,报质量部审核,由质量负责人批准;中试结束后,产品留样,进行加速及长期稳定性考察;需上报申请的,根据注册法规要求由研发中心进行申报;对以下情况视为供应商审计不合格:a 、对关键物料供应商提供的样品进行小批量试生产,结果不符合要求的;I 类II IIIb、对关键物料供应商提供的样品进行小批量试生产的样品进行稳定性考察,其结果不符合规定的;现场审计关键物料审计准备:现场审计是在资质材料审核合格的基础上进行;由质量部组织相关部门的人员参加,组成现场审计小组;审计小组人员的组成:可由质量部、物料部、生产部等部门的人员组成,必要时组长由质量部长或质量负责人担任;审计计划:由质量部制定供应商现场审计计划,填写供应商质量体系审计计划表,报质量负责人审核批准后执行;审计通知:现场审计批准后由物料部向供应商发出供应商现场审计通知,通知现场审计时间及内容,由物料部负责与供应商的协调、安排;现场审计内容参照供应商现场审计项目表;审计汇总:审计结束后,审计小组对现场检查的情况如实作出审计结论,填写供应商现场审计项目表;审计报告的审批:现场审计结束后,质量部应在5个工作日内将供应现场商审计报告整理后交质量负责人批准,存档;现场的审计结论应向供应商反馈;质量部将审计情况填入供应商审批表,报质量负责人;质量部将质量负责人意见写入供应商现场审计报告,反馈给相应供应商和物料部;批准供应商合格供应商由质量负责人批准;质量负责人根据供应商审批表,作出同意、不同意采购或经整改后重新审计的意见;对于II类、III类供应商,调查评估和产品质量符合要求,则批准为公司的供应商,对于I类的供应商,需调查评估、产品质量、现场审计均符合要求后,方能批准为公司的供应商,否则供应商审计不合格,如进行小试生产的产品不符合质量标准或者稳定性不符合要求的同样视为供应商审计不合格,该潜在供应商不能作为公司的定点供应商;质量管理部门应当与主要物料供应商签订质量协议,在协议中应当明确双方所承担的质量责任;质量协议内容:供货方为甲方,使用方为乙方甲方须向乙方承诺公司合法、质量标准合法、产品质量符合规定、供货渠道畅通及运输方法合理,如果产生问题所要承担的责任;乙方应向甲方承诺公司合法、检验标准合法、产品应用合法、验收方法合理,如果产生问题所要承担的责任;签订时间、公章和有效期;合格物料供应商名单依据物料供应商评估情况,质量部制定批准的供应商名单,经质量负责人批准;合格物料供应商名单内容包括:物料名称、规格、质量标准、生产商名称和地址、经销商名称如有等,并及时更新;..3合格物料供应商名单由质量部分发至物料部;供应商发生变更时,质量部在变更执行之日前,将变更后的现行供应商清单及时重新分发;原合格物料供应商名单收回,做销毁处理;物料部必须在合格物料供应商处采购物料,未按此采购的物料,仓库不应接收;为了保证本公司产品的正常生产需要,保证供货不断,原则上每种原辅材料应确定两家定点供应商;7、质量部门应当定期对物料供应商进行评估或现场质量审计,回顾分析物料质量检验结果、质量投诉和不合格处理记录;如物料出现质量问题或生产条件、工艺、质量标准和检验方法等可能影响质量的关键因素发生重大改变时,还应当尽快进行相关的现场质量审计;8、供应商复审现场复审:定期对已批准的关键物料供应商现场至少每两年现场审核一次;产品质量出现不稳定趋势,原料、工艺、设备发生重大变化,生产场所变更、企业隶属关系、管理人员发生重大变化应增加现场审计次数至1年一次;资料复审:质量部对供应商档案资料每年进行一次复审,检查资质证明文件及标准等资料的有效性,对已近期或超期的资料,应通知物料部,物料部通知物料供应商重新提供;9、改变物料供应商,按变更控制管理规程进行管理,应当对新的供应商进行质量评估;改变主要物料供应商的,还需要对产品进行相关的验证及稳定性考察;10、供应商档案管理质量部应对每家物料供应商建立质量档案;档案内容包括:物料供应商资质证明文件、质量标准、质量协议、样品检验数据和报告、供应商的检验报告、供应商审计报告、产品稳定性考察报告、定期的质量回顾分析报告等; 修订历史:。
供应商的管理规程
在商业的大舞台上,供应商就像是演员背后的化妆师,他们的表现
直接影响着整个演出的效果。
要是供应商这一环出了岔子,那可就好
比做饭没了盐,滋味全变啦!所以,管理好供应商那是相当重要。
咱们先来说说怎么找到合适的供应商。
这就好比找对象,不能只看
外表,得深入了解。
要看看他们的信誉怎么样,是不是那种说话算数、守时守信的主儿。
要是找了个不靠谱的,答应的货期总是拖延,那可
就麻烦大了。
再说说质量这一块。
供应商提供的东西质量不过关,那不是给自己
找麻烦吗?这就好像买了双新鞋,没走几步就开胶,能不闹心?所以,得有严格的质量检验标准,不能让次品混进来。
价格也是个关键。
谁不想花少钱办大事?但也不能一味追求低价,
把质量给丢了。
这就跟买水果一样,便宜的可能不新鲜,贵的也不一
定就最好,得找到那个性价比高的平衡点。
合作过程中,沟通可不能少。
要是双方都闷着头不说话,那问题来
了都不知道。
就像两个人一起走路,不交流方向,能走到一块儿去吗?得及时把需求、问题都摆到桌面上,共同解决。
还有啊,对供应商的表现得有个评估。
做得好的,给点奖励,让他
们更有干劲;做得不好的,也得给点提醒,甚至考虑换一家。
这就跟
学校里考试排名一样,有进步的表扬,退步的就得加油努力啦。
咱再想想,要是没有一套完善的供应商管理规程,那不是乱套了吗?今天这个出问题,明天那个掉链子,生意还怎么做?所以啊,咱们得
重视这个事儿,把供应商管理得妥妥当当,让咱们的生意顺风顺水,
一路向前!。
供应商管理规程
1.目的:规范供应商的管理,使物料来源处于可控状态,确保产品质量的稳定性和可靠性。
2.范围:物料供应商的审计、评估和管理。
3.职责:质量受权人、质量管理部、生产技术部、物料储运部。
4.程序:
4.1 供应商管理流程图:
4.1.1 供应商开发管理:新物料的供应商,由研发部门或物料储运部负责开发。
如在进行研发产品工艺交接时,应同时进行产品的供应商及其供应商资料交接。
质量管理部根据交接的供应商资料进行质量审计确认。
4.1.2 供应商审计管理
供应商选用:质量管理部门应对供应商进行质量审计,综合评估供应商质量管理体系、
物料的质量情况等,并经质量受权人批准确认,才能成为合格供应商。
对达不到要求的供应商由质量受权人进行否决,只能在经质量受权人批准的供应商中选购物料,其他人员不得干扰。
4.1.2.1 供应商审计方式
供应商审计前,应根据物料对产品质量的风险程度,将物料的安全级别分级。
物料的安全级别表:
4.1.2.1.1 资质审计:由物料储运部向供应商索取各种资质材料并提供给质量保证部,质量保证部根据提供的资料审核,对供应商进行质量评估。
资质审计内容见下表:
c. 如果内包材需要印字,还必须有印刷经营许可证。
d. 食用级辅料必须有卫生许可证。
e. 有药用批准文号的辅料,应优先选用。
进口辅料,不必提供营业执照、药品生产许可证,但应提
供进口药品注册证、进口注册标准、对应样品批次的药品口岸检验所检验报告和出厂检验报告。
f. 没有药用批准文号辅料、API物料,如为应许可生产的工业产品,应提供工业产品生产许可证。
g. 属安全许可生产的化工产品,还应有安全生产许可证。
4.1.2.1.2 首次审计
4.1.2.1.2.1供应商首次审计流程图:
组织机构代码证;税务登记证;供应商简介(包括企业规模及其发展历史、生产地址、人员);组织机构图或表;生产管理、质量管理文件目录;产品基本工艺流程及关键控制点;产品检验方法;主要生产设备一览表;主要检测仪器一览表;企业或产品质量信誉证书。
4.1.2.1.2.3 向供应商索取的样品量一般为全检量(由质量控制部确定)的3倍,贵重物料可以适当减量。
如果是变更/增加供应商,可能还要加上供试验或上机所需的数量。
4.1.2.1.2.4 属首次审计的原料药供应商,物料储运部还应将供应商调查问卷邮寄或传真给供应商,请供应商填写后寄回,并与上述文件资料一起交QA。
4.1.2.1.3 现场审计
首次现场审计,一般在经过供应商资质审计,符合规定后进行。
4.1.2.1.3.1 由质量受权人从各相关部门选定人员成立供应商现场审计小组,小组成员应具
有不少于三年的药品生产质量管理的工作经验,一般由质量管理部长、QA主任和QC主任、生产负责人等相关人员组成。
4.1.2.1.3.2 现场审计内容:人员机构、厂房设施和设备、物料管理、生产工艺流程和生产管理、质量控制实验室的设备、仪器、文件管理等。
把现场审计存在的缺陷反馈给供应商,现场审计完成后,审计小组应根据现场审计情况提出现场审计报告,对供应商的质量管理体系以及对产品的质量和安全方面进行风险评估,同时给出合格、不合格供应商的结论,并书面反馈给供应商。
4.1.2.1.4不同安全级别的物料供应商的审计内容:
4.1.2.1.4.1 A级物料供应商:应经过资质审计和现场审计。
4.1.2.1.4.2 B级物料供应商:进行资质审计即可。
供应商批准后,物料在使用过程,如经风险评估存在较高风险的物料,应报请质量受权人批准决定是否进行现场审计。
4.1.2.1.4.3 C级物料供应商:一般只考察其资质,只要其产品适用,均可以批准供货,除非对药品的外观、生产效率或其它方面有特别的不良影响,才需质量受权人对其实施否决。
4.1.2.1.4.4 供应商为经销商时,对经销商进行资质审计,同时应按C级物料供应商规定的审计内容对物料的生产企业进行审计。
4.1.2.2 供应商审计的实施
4.1.2.2.1 供应商的初步评估:
4.1.2.2.1.1 QA收到供应商提供的相关资料和样品后,应立即审查资料的完整性。
资料完整的,收下;反之,退回物料储运部补充。
4.1.2.2.1.2 QA应规定的物料级别和不同级别物料供应商的审计内容,对供应商进行初步评估,确定对供应商进行资质或现场审计。
若属A类物料供应商,应立即报告质量受权人。
4.1.2.2.2 样品的请检、检验
4.1.2.2.2.1 供应商提供的样品,如为原料药、辅料、原料药生产用物料时,QA填写请检单,在请检目的项注明“供应商审计”,然后将样品与请检单、质量标准(中国药典不需要)一起送QC。
4.1.2.2.2.2 QC收到供应商审计样品请验单和样品后,按质量标准和相关规程及时检验样品,并出具检验报告交QA。
4.1.2.2.3 小试工艺研究与试机
4.1.2.2.3.1 需进行小试工艺试验的物料,对试生产的药品检验合格后,QA应将剩余样品送交研发或质量管理部进行相关试验。
供应商提供的样品不足的,QA应及时通知物料储运部,要求供应商增加提供样品。
4.1.2.2.3.2 需进行上机测试与设备匹配性的胶囊、冷冲压成型固体药用复合硬片、铝箔、PVC、复合膜等,供应商应将样品交车间安排试机,试机后车间应编写试机报告确认试机结果,并将试机报告复印件提供给QA。
4.1.2.2.3.3 对试生产检验合格的药品进行稳定性考察实验。
4.1.2.2.4供应商的评估确定:质量受权人根据供应商的资质证明文件、质量标准、检验报告、公司对物料样品的检验数据和报告、或现场质量审计报告以及小试产品的检验报告和稳定性考察报告等进行审核,决定该供应商是否是合格供应商。
4.1.2.2.2 日常审计
4.1.2.2.2.1 QA根据物料验收和日常使用过程发现的质量问题,及时反馈给供应商并要求整改。
QA主任负责对供应商回复的整改措施的有效性进行确认,并报告质量受权人。
4.1.2.2.2.2 供应商的产品出现严重的质量缺陷;供应商供应的产品造成本公司产品发生质
量事故时;供应商的生产设备,生产工艺发生重大变化时;供应商供货的生产场所发生变化等非正常情况发生时,质量保证部应对供应商和物料进行风险评估,对存在高风险的,应立即报请质量由质量受权人决定是否进行现场审计或撤销其合格供应商资格。
4.1.2.2.3 定期审计:
4.1.2.2.3.1 资质定期审计:每年审计供应商资质是否在有效期内,是否发生过变更,本公司定购的物料是否仍在该供应商的生产、经营范围内,变更后是否更新资料等。
4.1.2.2.3.2 现场审计:A级物料的供应商,每3年进行现场全面审计,同时跟踪上次审计发现的问题以及年度质量回顾中存在的缺陷,落实整改是否到位,对本次审计发现的问题提出整改意见。
如发现严重缺陷,存在高的质量风险则报请质量受权人批准撤销合格供应商资格,对已使用该物料的产品进行风险分析并采取相应的措施。
4.1.3 供应商回顾评价
4.1.3.1 每年第一季度,QA应对上一回顾周期内每个物料的供应商进行回顾性评价,并根据评价结果,确定供应商是否继续选用。
4.1.3.2回顾评价周期确定:首次回顾之后,每2年回顾一次。
4.1.3.3 合格供应商目录每3个月回顾更新一次。
4.1.4 供应商变更管理
4.1.4.1 选定供应商后,一般不进行变更,以确保产品质量的稳定性和可靠性。
有以下情况之一,QA可以提出撤销供应商资格,经质量受权人批准后,通知物料储运部,并更新合格供应商目录:
4.1.4.1.1 供应商产品质量不稳定严重影响本公司产品的质量或供货产品连续三批检验不合格;
4.1.4.1.2 供应商的定期或日常审计不合格且缺陷不能及时更改;
4.1.4.1.3 供应商的供货(数量、规格等)不能满足生产需要;供应商内部发生重大变化等,未能通过本公司的质量审计;
4.1.4.1.4 供应商停产或经营出现危机;
4.1.4.1.5 存在其它危及公司正常生产和产品质量的情况。
4.1.4.2 现有物料需要增加新供应商或改变供应商时,由物料储运部提出申请,按《变更控制管理规程》执行。
4.1.4.3 现有原料、辅料、内包材料及有气密性要求的外包装材料需要增加新供应商或变更供应商时,质量管理部应会同物料储运部、生产技术部、研发部等相关部门进行沟通,评估
决定实验的项目。
4.1.5 供应商档案管理
QA负责建立和维护所有原辅料、包装材料的供应商档案,以提供产品质量改进和审计所需的信息。
4.1.
5.1供应商档案内容应包括:
供应商的资质证明文件(包括供应商企业证明性文件、产品证明性文件)、质量协议、质量标准、样品检验数据和报告、供应商的检验报告、产品稳定性考察报告、供应商评估审批表、现场质量审计报告(如进行)、供应商对质量问题反馈的整改和改进行情况(如有)、供应商回顾评价表或物料质量回顾分析报告(对已进行供应商回顾评估的物料)等。
4.2 相关的文档和记录
《供应商评估审批表》;
《供应商调查问卷》;
《质量协议模板》;
《供应商回顾评价表》;
《合格供应商目录》;
《撤销供应商资格审批表》。
5.依据:
《药品生产质量管理规范》2010年版第十章第七节
6.培训:
6.1培训对象:质量管理部、生产技术部、物料储运部相关人员;
6.2培训负责人:质量管理部部长。
7.变更历史:
文件变更记录。