《电工技能实训教程》项目11三相异步电动机接触器的点动控制
- 格式:ppt
- 大小:225.00 KB
- 文档页数:15
实验一三相异步电动机点动与连续运行控制一、实验目的1、熟悉常用低压电器元件(接触器、热继电器和按钮等)的功能及使用方法。
2、掌握自锁作用。
3、培养学生电气控制系统的识图能力和安装调试电气线路的动手能力。
4、培养学生分析实际问题和解决实际问题的能力。
二、实验仪器设备三相异步电动机、接触器、热继电器、一组按钮。
电源、导线若干、万用表等。
三、实验内容三相异步电动机点动与连续运行控制四、实验步骤1、点动控制图1 点动控制主电路和控制电路(1)按图1连接点动控制的主电路和控制电路。
先连接主电路,然后连接控制电路。
(2)运行、调试:合上电源开关QS;起动:按下按钮SB →接触器KM 线圈得电→KM 主触头闭合→电动机M 起动运行;停车:松开按钮SB →接触器KM 线圈失电→KM 主触头断开→电动机M 停转;停止使用时:断开电源开关QS 。
2 、连续运行控制线路图2 连续运行主电路和控制电路(1)按图2连接连续运行控制电路的主电路和控制电路。
先连接主电路,然后连接控制电路。
(2)运行、调试:合上电源开关QS;起动:按下按钮SB2 →接触器KM 线圈得电→KM 主触头闭合→电动机M 起动运行,接触器KM 的辅助常开触头闭合-自锁,使接触器KM线圈保持得电→电动机M 连续运行;停车:按下按钮SB1 →接触器KM 线圈失电→KM 主触头断开→电动机M 停转;保护环节:短路保护、过载保护、失压和欠压保护当电气控制系统中出现短路、过载或失压和欠压等故障现象,保护环节的电器动作,电动机M 停转。
停止使用时:断开电源开关QS 。
五、实验分析1.分析点动控制、连续运行控制电路的特点,比较二者区别。
2.分析电路中常见的故障现象,采取哪些保护措施?3.在实验过程中出现的异常现象,及解决措施。
实验二 三相异步电动机正反转控制一、实验目的1、熟悉常用低压电器元件(按钮、接触器及热继电器)的功能及使用方法。
2、掌握自锁、互锁的作用。
3、培养学生电气控制系统的识图能力和安装调试电气线路的动手能力。
三相异步电动机接触器点动控制原理说明下载提示:该文档是本店铺精心编制而成的,希望大家下载后,能够帮助大家解决实际问题。
文档下载后可定制修改,请根据实际需要进行调整和使用,谢谢!本店铺为大家提供各种类型的实用资料,如教育随笔、日记赏析、句子摘抄、古诗大全、经典美文、话题作文、工作总结、词语解析、文案摘录、其他资料等等,想了解不同资料格式和写法,敬请关注!Download tips: This document is carefully compiled by this editor. I hope that after you download it, it can help you solve practical problems. The document can be customized and modified after downloading, please adjust and use it according to actual needs, thank you! In addition, this shop provides you with various types of practical materials, such as educational essays, diary appreciation, sentence excerpts, ancient poems, classic articles, topic composition, work summary, word parsing, copy excerpts, other materials and so on, want to know different data formats and writing methods, please pay attention!三相异步电动机接触器点动控制原理说明在工业生产中,三相异步电动机广泛应用于各种设备和机械中,其控制方式多样。
三相异步电动机点动、连动控制项目教案安丘职业中专胡乔生三相异步电动机点动、连动控制项目教案项目目标1、掌握三相异步电动机点动、连动控制意义。
2、理解接触器自锁环节的作用。
3、掌握三相异步电动机的点动、连动控制原理分析。
4、电气原理图识图技能目标1、三相异步电动机点动、连动的安装与调试。
2、元器件安装和布线基本工艺。
3、掌握电气识图4、根据原理图到实物接线的接线原则5、能根据现象迅速判断故障点工艺要求1、学会安装电器元件,要求布局合理规范。
2、会进行线路布线,要求布线合理、合乎要求3、功能调试时,能按照电工规范进行操作项目内容通过例子,让学生了解点动连动控制的定义定义:在电机控制系统中,因为工作需要,有时按下某一启动按钮,电机就旋转,当松开这个按钮时,电机就停转,这种控制方式称为点动控制;若按下启动按钮,电机旋转,即使松开,电机也不停转,只有按下停止按钮时,电机才能停止,这种控制方式称为连动控制。
一、三相异步电动机点动、连动控制电路项目内容图4-2-1实现点动控制:合上电源开关QS,按下点动按钮SB2,接触器KM线圈通电,主触点闭合,电机接入三相电源旋转。
松开按钮SB2,接触器线圈KM断电,主触点复位断开,电机断开三相电源停转。
图4-2-2实现连动控制:合上电源开关QS,按下连动按钮SB2,接触器KM线圈通电,主触点闭合,电机通电旋转,接触器KM的辅助常开触点闭合,能保持接触器线圈通电。
松开按钮SB2,由于接触器KM 的辅助常开触头闭合,所以接触器KM线圈继续通电,电机持续旋转,实现连动控制。
按下停止按钮SB1,接触器KM1线圈通电的回路断开,其辅助常开触点复位断开、主触点复位断开,电机断电停转。
通过分析图4-2-2,当松开启动按钮SB2后,接触器(或继电器)利用本身的辅助常开触点闭合使其线圈保持通电的作用,称为自锁。
起自锁作用的触点称为自锁触点,此控制电路也称作接触器自锁控制电路。
项目内容图4-2-2控制电路还具有以下保护功能1、短路保护:有熔断器FU1、FU2实现短路保护。
实验报告十:三相异步电动机接触器点动控制路线实验目的:2. 了解三相异步电动机的基本性能参数。
3. 掌握三相异步电动机的调试与运行方法。
4. 培养实际操作技能与实验技能。
实验器材:1. 三相异步电动机2. 接触器3. 断路器4. 电动机调速器5. 电压表7. 万用表8. 细线圈表9. 脉冲信号测试仪实验原理:三相异步电动机接触器点动控制路线是一种常见的电气控制系统,其主要实现方式是利用接触器点动启动电动机。
点动启动电动机的过程即是通过断开与接通电流来实现的。
具体来说,当启动按钮按下时,接触器控制电路关闭,电动机的空载运行开始;当按钮松开时,接触器控制电路恢复,电动机停转。
实验步骤:1. 转动电动机风扇叶片,观察电动机是否正常旋转,检查电气系统是否正常工作。
2. 打开电动机调速器,设定适当的三相电源电压,调整电流控制器以得到适当的电动机起动电流,保证电动机可以正常运行。
3. 观察电动机的运行状况,记录电动机的电压、电流、转速等基本性能参数,并根据参数调整电动机的运行状态,保证其正常运行。
4. 切换电源电压,比较电动机在不同电压下的运行性能,观察电机的启动变化情况,分析电压对电动机性能的影响。
5. 利用万用表和细线圈表等工具对电气系统进行检查,确认电气系统的状况良好。
6. 利用脉冲信号测试仪进行测试分析,并确定是否需要进行一些调整。
7. 关闭电动机调速器,断开电源前,注意需要先切断电动机的电源,然后才能关闭电动机调速器。
实验结论:通过三相异步电动机接触器点动控制路线的实验,我们深入掌握了电气控制的基本原理和要点,得到了更系统、全面的实验经验。
在实验过程中,我们充分考虑了实验器材的特点和用途,根据实验结果和实验数据进行了周密分析和归纳总结,实验结论具有较强的可靠性和实用价值。
同时,我们对实验设备的操作方法和技巧有了更深刻的认识,能够更加熟练地运用实验技能和专业知识。
实训一三相异步电动机点动控制一、实训目的1、了解三相异步电动机点动控制电路的基本原理。
2、熟悉三相异步电动机点动控制电路的控制过程。
3、掌握三相异步电动机点动控制电路的接线技能。
4、熟悉各控制元器件的工作原理及构造。
二、实训内容1、三相异步电动机点动控制的主回路参考原理图如图1.1.1 (a)所示。
2、三相异步电动机点动控制的控制回路参考原理图如图1.1.1 (b)所示。
FU KM FRL NQS2FRM(a)主回路原理图(b)控制回路原理图图1.1.1 三相异步电动机点动控制电路参考原理图三、实训器材三相鼠笼式异步电动机1台,交流接触器1个,热继电器1个,按钮开关1个,指示灯2个,熔断器3个,小型三相断路器1个,小型两相断路器1个,连接导线及相关工具若干。
四、工作原理1、继电-接触控制在各类生产机械中获得了广泛的应用,凡是需要进行前后、上下、左右、进退等运动的生产机械,均采用传统的典型的正、反转继电——接触控制。
交流电动机继电器——接触控制电路的主要设备是交流接触器,其主要构造为:(1)电磁系统——铁心、吸引线圈和短路环。
(2)触头系统——主触头和辅助触头,还可按吸引线圈得电前后触头的动作状态,分动合(常开)、动断(常闭)两类。
(3)消弧系统——在切断大电流的触头上装有灭弧罩,以迅速切断电弧。
(4)接线端子,反作用弹簧。
2、控制按钮通常通过短时通、断小电流的控制回路,实现近、远距离控制电动机等执行部件的起、停或正、反转等控制。
按钮是专供人工操作使用。
对于复合按钮,其触点的动作规律是:当按下时,其动断触头先断,动合触头后合;当松手时,则动合触头先断,动断触头后合。
3、在电动机运行过程中,应对可能出现的故障进行保护。
采用熔断器作短路保护,当电动机或电器发生短路时,及时熔断熔体,达到保护线路、保护电源的目的。
熔体熔断时间与流过的电流关系称为熔断器的保护特性,这是选择熔体的主要依据。
采用热继电器实现过载保护,使电动机免受过载之危害,其主要的技术指标是整定电流值,即电流超过此值的20%时,其动断触头应能在一定的时间内断开,切断控制回路,动作后只能由人工进行复位。
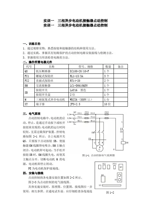
实训一三相异步电动机接触器点动控制实训一三相异步电动机接触器点动控制一、训练目的1.通过观察实物,熟悉按钮和接触器的结构和使用方法。
2.通过实践,掌握具有短路保护的点动控制电路安装接线与检测方法。
3.掌握使用万用表检查电路的方法。
二、操作所需电器元件代号名称型号、规格数量备注QS 低压断路器DZ108-20/10-F 1个FU1 螺旋式保险丝RL1-15/3A 3个FU2 直插式保险丝RT14-20 2个KM 交流接触器LC1-D0610Q5N 1个SB 按钮开关LAY16 黑色1个按钮开关盒2位1个M 三相鼠笼式异步电动机WDJ26(380V/△)1台XT 端子排JF5-2.5 10位三、电气原理点动控制电路中,电动机的启动、停止,是通过手动按下或松开按钮来实现的,电动机的运行时间较短,无需过载保护装置。
控制电路如图2-1所示,合上电源开关QS,只要按下点动按钮SB,使接触器KM线圈得电吸合,KM主触点闭合,电动机即可起动;当手松开按钮SB时,KM线圈失电,而使其主触点分开,切断电动机M的电源,电动机即停止转动。
PE为电动机保护接地线。
四、安装与接线点动控制的各电器安装位置如图2-2所示。
图2-3为点动控制的电气接线图。
具体实施安装时,原理图、位置图、接线图应一并使用,相互参照。
在通电试车前,应仔细检查各线端连图1-2图1-1 点动控制电气原理图接是否正确、可靠,并用万用表的欧姆档检查控制回路是否短路或开路(按下起动控制按钮时,控制电路的两端电阻应为吸引线圈的直流电阻)、主电路有无开路或短路等。
图1-3 点动控制电路接线图实训二三相异步电机接触器自锁控制线路在点动控制的电路中,要使电动机转动,就必须用手按住按钮不放,这不适合电动机长时间连续运行的控制场合,而必需具有接触器自锁的控制电路。
一、操作所需电器元件代号名称型号规格数量备注QS 低压断路器DZ108-20/10-F 1FU1 螺旋式熔断器RL1-15 配熔体3A 3FU2 直插式保险丝RT14-20 配熔体2A 2KM 交流接触器LC1-D0610Q5N 线圈电压AC380V 1FR热继电器LR2-D1305N 整定范围0.63-1A 1整定值0.63A 热继电器座LA7-D1064 1SB1 按钮开关LAY16 红色 1 SB2 按钮开关LAY16 绿色 1 按钮开关盒2位 1 XT 接线端子排JF5-2.5 AC660V25A 10位M 三相鼠笼式异步电动机380V(△) 1二、训练目的1.通过实践训练,熟悉热继电器的结构、原理和使用方法。
三相异步电动机的点动和自锁控制一、实验目的1.进一步熟悉三相异步电动机、交流接触器、热继电器、按钮的结构、作用和接线。
2.培养电气线路安装接线并进行操作的能力。
3.加深理解点动和自锁控制的原理。
二、实验原理 1.点动控制点动控制是用按钮和接触器控制三相异步电动机的最简单的控制线路,其原理如图1所示。
线路的动作原理如下: 合上电源开关QS起动:按住按钮SB (不松手) 接触器KM 线圈得电KM 主触点闭合 电动机M 接通三相交流电源,起动运转。
停止:松开按钮SB 接触器KM 线圈失电 KM 主触点断开 电动机M 脱离三相交流电源,自然停转。
2.具有过载保护的自锁控制电动机经过按钮起动后,要想在松开按钮后仍能连续运转,则必须在电路中加入“自锁”功能。
电动机在运转过程中,如果长期负载过大、频繁操作、或断相运行等都会引起电动机绕组过热,影响电动机的使用寿命,甚至会烧坏电动机。
因此,对电动机要采用过载保护,一般采用热继电器作为过载保护元件。
具有过载保护的自锁控制线路原理图如图2所示。
(1)自锁控制 线路的动作原理如下: 合上电源开关QS图1 点动控制线路 图2 具有过载保护的自锁控制线路辅助常开触点闭合自锁起动:按下SB2 KM线圈得电主触点闭合电动机M运转松开起动按钮SB2,由于并在SB2两端的KM辅助常开触点闭合自锁,控制回路仍保持接通,KM线圈依然通电,电动机M不会停转。
辅助常开触点断开,解除自锁停止:按下SB1 KM主触点断开电动机M停转(2)过载保护线路动作原理如下:电动机在运行过程中由于过载或其它原因使负载电流超过额定值时,经过一定时间,串接在主回路中的热继电器的热元件因受热弯曲,使串在控制回路中的常闭触点断开,切断控制回路,接触器KM的线圈断电,其主触点断开,电动机M脱离电源停止转动,达到了过载保护的目的。
三、实验设备四、实验内容与步骤1.点动控制实验(1) 开起控制屏上的“电源总开关”,按下“开”按钮,向顺时针方向旋转控制屏左侧端面上的调压器旋钮,将三相调压器电源输出的线电压调到220V,以后保持不变。
《电工技能实训教程》项目三相异步电动机接触器自锁控制与故障检测精讲电工技能实训教程中的项目"三相异步电动机接触器自锁控制与故障检测"是一个非常重要且常见的实训项目,本文将对其进行详尽解析。
首先,我们来介绍一下三相异步电动机接触器自锁控制的基本原理。
在实际工作中,为了节约能源和保护设备,我们通常希望电动机能够在完成工作后自动停止。
而接触器自锁控制就是通过控制接触器的回路,实现电动机的自动停止。
具体而言,接触器自锁控制的实现需要以下几个步骤:1.接触器的自动闭合:在启动时,通过按钮或其他控制方式,使接触器的控制回路闭合,将电源的电流传给电动机。
2.电动机的启动:闭合的接触器使得电动机能够获得电源电流,从而开始转动。
3.自锁控制的触发:在电动机转动一段时间后,通过时间继电器或其他控制装置,触发接触器的自锁功能。
4.接触器的断开:自锁功能触发后,接触器的控制回路断开,电源电流不再传给电动机,电动机停止转动。
通过以上步骤,我们可以实现三相异步电动机的接触器自锁控制,达到自动停止的目的。
接下来,我们来介绍故障检测的精讲。
在实际工作中,电动机可能会出现各种故障,如过载、短路等。
为了保护电动机和其他设备的安全运行,我们需要对这些故障进行及时检测。
具体而言,故障检测需要以下几个步骤:1.故障检测装置的安装:我们需要将故障检测装置,如热继电器、短路保护器等,与电动机的电路相连。
2.故障信号的监测:当电动机发生故障时,故障检测装置会发送故障信号。
我们可以通过观察指示灯、听到警报声等方式,来判断电动机是否存在故障。
3.故障的处理:一旦检测到电动机故障,我们需要及时采取相应的措施,如停止电动机运行、检修电动机等,以避免进一步损坏。
通过以上步骤,我们可以及时检测到电动机的故障,采取相应的措施,确保电动机和其他设备的安全运行。
综上所述,项目"三相异步电动机接触器自锁控制与故障检测"是电工技能实训教程中的一个重要项目,通过学习和掌握该项目的内容,我们可以实现电动机的自动停止和故障及时检测,确保设备的安全运行。
实训一三相异步电动机接触器点动控制线路1.实验元件代号名称型号规格数量备注QS 低压断路器DZ47 5A/3P 1FU 螺旋式熔断器RL1-15 配熔体3A 3KM 交流接触器CJX2-9/380 AC380V 1SB 实验按钮LAY3-11 1 绿色M 三相鼠笼式异步电动机380V 0.45A120W 12.实验电路图3.实验过程如图2-1所示,该电路可分成主电路和控制电路两部分。
主电路从电源L1、L2、L3、开关QS、熔断器FU、接触器触头KM到电动机M。
控制电路由按钮SB和接触器线圈KM组成。
当合上电源开关QS时,电动机是不会起动运转的,因为这时接触器KM 的线圈未通电,它的主触头处在断开状态,电动机M的定子绕组上没有电压。
若要使电动M转动,只要按下按钮SB,使线圈KM通电,主电路中的主触头KM闭合,电动机M即可起动。
但当松开按钮SB时,线圈KM即失电,而使主触头分开,切断电动机M的电源,电动机即停转。
这种只有当按下按钮电动机才会运转,松开按钮即停转的线路,称为点动控制线路。
4.检测与调试检查接线无误后,接通交流电源,合上开关QS,此时电机不转,按下按钮SB,电机即可起动,松开按钮电机即停转,若电机不能点动控制或熔丝熔断等故障,则应分开断电源,分析排除故障后使之正常工作。
实验二三相异步电动机接触器自锁控制线路1.实验元件代号名称型号规格数量备注QS 低压断路器DZ47 5A/3P 1FU 螺旋式熔断器RL1-15 配熔体3A 3KM 交流接触器CJX2-9/380 AC380V 1SB1,SB2 实验按钮LAY3-11 2 SB2红SB1绿FR 热继电器JR-36 整定电流0.68A 11 M 三相鼠笼式异步电动机380V0.45A120W2.实验电路图3.实验过程如图3-1所示为具有接触器自锁的控制线路,该线路与点动控制线路的不同之处在于,控制电路中增加了停止按钮SB2,在起动按钮SB1的两端并联一对接触器KM的常开触头。
三相异步电动机的点动与长动控制一、实验目的1、了解按钮、中间继电器、接触器的结构、工作原理及使用方法。
2、熟悉电气控制实验装置的结构及元器件分布。
3、掌握三相异步电动机点动与长动控制的工作原理和接线方法。
4、掌握电气控制线路的故障分析及排除方法。
二、实验仪器电气控制实验装置 1台电动机 Y801-4 0.55kw 1 台;万用表 1只电工工具及导线三、实验线路与原理图(a)为用按钮实现长动与点动的控制电路,点动按钮SB3的常闭触点作为连接触点串联在接触器KM的自锁触点电路中。
当长动时按下起动按钮SB2,接触器KM得电自锁;当点动工作时按下按钮SB3,其常开触点闭合,接触器KM得电。
但SB3的常闭触点KM的自锁电路切断,手一离开按钮,接触器KM失电,从而实现了点动控制。
若接触器外的释放时间大于按钮恢复时间,则点动结束SB3常闭触点复位时,接触器KM的常开触尚未断开,使接触器自锁电路继续通电,线路就无法实现点动控制。
这种现象称为“触点竞争”。
在实际应用中应保证接触器KM释放时间大于按钮恢复时间,从而实现可靠的点动控制。
图(b)为用开关SA实现长动与点动转换的控制电路。
当转换开关SA闭合,按下按钮SB2,接触器KM得电并自锁,从而实现了长动;当转换开关SA断开时,由于接触器KM的自锁电路被切断,所以这时按下按钮SB2是点动控制。
这种方法避免了(b)图中“触点竞争”现象,但在操作上不太方便。
图(c)为用中间继电器实现长动与点动的控制电路。
长动控制时按下按钮SB2,中间继电器KA得电并自锁。
点动工作时按下按钮SB3,由于不能自锁从而可靠地实现点动工作。
这种方法克服了(a)图和(b)图的缺点,但因为多用了一个继电器KA,所以成本增加。
四、实验内容及要求1、检查各电器元件的质量情况,了解其使用方法。
2、按图(d)连接长动与点动联锁控制的电气控制线路。
先接主电路,再接控制回路。
3、用万用表检查所连线路是否正确,自已检查无误后,经指导教师检查认可后合闸通电试验。
三相异步电动机点动连动控制教案一、教学目标:1. 了解三相异步电动机的点动和连动控制原理。
2. 学会使用控制器、接触器、继电器等元器件进行点动和连动控制电路的设计。
3. 能够对三相异步电动机的点动连动控制电路进行安装、调试和维护。
二、教学内容:1. 三相异步电动机的点动控制原理及电路。
2. 三相异步电动机的连动控制原理及电路。
3. 点动连动控制电路的设计方法。
4. 点动连动控制电路的安装与调试。
5. 点动连动控制电路的维护与故障排除。
三、教学准备:1. 教学PPT。
2. 三相异步电动机及控制设备。
3. 控制器、接触器、继电器等元器件。
4. 电线、插座等连接器材。
四、教学过程:1. 讲解三相异步电动机的点动控制原理及电路。
2. 讲解三相异步电动机的连动控制原理及电路。
3. 示范点动连动控制电路的设计方法。
4. 学生分组进行点动连动控制电路的安装与调试。
5. 讲解点动连动控制电路的维护与故障排除方法。
五、教学评价:1. 学生能熟练掌握三相异步电动机的点动和连动控制原理。
2. 学生能独立完成点动连动控制电路的设计。
3. 学生能正确安装、调试和维护点动连动控制电路。
4. 学生能有效排除点动连动控制电路的故障。
六、教学方法:1. 采用讲授法,讲解三相异步电动机点动连动控制的基本原理和电路构成。
2. 采用演示法,展示点动连动控制电路的工作过程和操作方法。
3. 采用实践法,让学生动手操作,实际安装和调试点动连动控制电路。
4. 采用问题驱动法,引导学生思考和解决点动连动控制电路实际应用中可能遇到的问题。
七、教学步骤:1. 导入新课,回顾上一节课的内容,引出点动连动控制的概念。
2. 讲解三相异步电动机的点动控制原理,并通过示例电路图进行分析。
3. 讲解三相异步电动机的连动控制原理,并通过示例电路图进行分析。
4. 演示点动连动控制电路的工作过程,让学生理解其工作原理。
5. 分组讨论,让学生设计一个简单的点动连动控制电路,并进行实际操作。
实验报告十:三相异步电动机接触器点动控制路线一、实训目的1、熟悉三相异步电动机的结构和铭牌数据。
2、熟悉电动机常用控制电器的结构与动作原理。
3、学会三相异步电动机的点动控制的接线和操作方法。
二、实训仪器及设备三、实训操作的内容及电路图安装接线1、检查电器元件质量应在不通电的情况下,用万用表检查各触点的分、合情况是否良好。
检查接触器时,应拆卸灭弧罩,用手同时按下三副主触点并用力均匀;同时应检查接触器线圈电压与电源电压是否相符。
2、按图3-1检验控制板布线正确性。
用万用表进行检查时,应选用电阻档的适当倍率,并进行校零,以防错漏短路故障。
a.检查控制电路,可将表棒分别搭在U1、V1线端上,读数应为“∞”,按下SB时读数应为接触器线圈的直流电阻阻值。
b.检查主电路时,可以手动来代替接触器受电线圈励磁吸合时的情况进行检查。
3、接电源、电动机等控制板外部的导线。
⑶控制实验经教师检查后,通电试车。
①接通电源。
合上电源开关QS。
②起停实验。
按下启动按钮SB,接触器KM线圈得电,KM主触头闭合,电动机M启动运转,观察线路和电动机运行有无异常现象;松开启动按钮SB,接触器KM线圈失电,KM主触头断开,电动机停转,这就是所谓的点动控制电路。
4、实验结束①实验工作结束后,应切断电动机的三相交流电源。
②拆除控制线路、主电路和有关实验电器。
③将各电气设备和实验物品按规定位置安放整齐四、实训的心得体会及注意要点1、电动机和按钮的金属外壳必须可靠接地。
接至电动机的导线必须穿在导线通道内加以保护,或采用坚韧的四芯橡皮线或塑料护套线进行临时通电校验。
2、电源进线应接在螺旋式熔断器底座的中心端上,出线应接在螺纹外壳上。
3、按钮内接线时,用力不能过猛,以防螺钉打滑。
4、接线时一定要认真仔细,不可接错。
5、接电前必须经教师检查无误后,才能通电操作。
6、实验中一定要注意安全操作。
《三相异步电动机点动控制和自锁控制及联锁正反转控制实验报告》实验目的:1. 掌握三相异步电动机的基本特性。
2. 掌握三相异步电动机的点动控制和自锁控制。
3. 掌握联锁正反转控制的原理和方法。
实验设备:1. 三相异步电动机。
2. 电动机控制器。
3. 转动表。
4. 交流电源。
5. 电阻箱。
6. 电流表、电压表。
7. 开关。
实验原理:1. 三相异步电动机的基本特性三相异步电动机是一种常用的电动机,它通过三相交流电源供电,产生旋转磁场,驱动转子旋转。
三相异步电动机的基本特性是:(1) 启动电流大。
(2) 转速变化范围小。
(3) 转矩较小。
(4) 负载能力强。
2. 三相异步电动机的点动控制和自锁控制(1) 点动控制点动控制是一种控制方法,通过按下控制按钮使电动机运行一定时间后自动停止,可用于定位、检测、调整等工作。
点动控制可用电路实现。
(2) 自锁控制自锁控制也是一种控制方法,通过按下控制按钮使电动机运行一次后停止,并锁定在停止状态。
自锁控制可用电路实现。
3. 联锁正反转控制联锁正反转控制是指,在电动机正转和反转时,按下另一个按钮将被联锁,使电动机停止后再按下原来的按钮才能启动电动机反向运转。
联锁控制可用电路实现。
实验步骤:1. 连接电动机和控制器(1) 将电动机的三条电缆分别连接至控制器的三条电缆;(2) 按照指示将控制器连接至电源上。
2. 点动控制(1) 打开交流电源,并启动控制器。
(2) 按下点动按钮,控制器工作,电动机转动;(3) 松开按钮,电动机停止。
3. 自锁控制(1) 按下自锁按钮,控制器工作,电动机转动;(2) 松开按钮,电动机停止,并锁定在停止状态。
4. 联锁正反转控制(1) 按下正转按钮,电动机正向旋转;(2) 按下关锁按钮,电动机停止;(3) 按下反转按钮,电动机反向旋转。
实验结果:通过实验,我们成功掌握了三相异步电动机的基本特性和点动控制、自锁控制、联锁正反转控制的原理和方法,并且通过实验获得了相关数据和图表,验证了实验结果的正确性。
三相异步电机点动控制一、实验目的要求1.了解按钮、交流接触器和热继电器的基本结构和动作原理;2.掌握三相异步电动机直接起动的工作原理、接线及操作方法;3.了解三相异步电动机运行时的保护方法。
二、实验设备实训台、三相异步电动机三、实验原理交流接触器主由铁芯、吸引线圈和触点组等部件组成。
铁芯分为动铁芯和静铁芯,当吸引线圈加上额定电压时,两铁芯吸合,从而带动触点组动作。
触点可分主触点和辅助触点。
主触点的接触面积大,并具有灭弧装置,能通断较大的电流,可接在主电路中,控制电动机的工作。
辅助触点只能通断较小的电流,常接在辅助电路(控制电路)中。
触点还有动合触点和动断触点之分,前者当吸引线圈无电时处于断开状态,后者为吸引线圈无电时处于闭合状态。
当吸引线圈带电时,动合触点闭合,动断触点断开。
交流接触器在工作时,如加于吸引线圈的电压过低,则铁芯会释放,使触点组复位,故具有欠位保护功能。
按钮是一种简单的手动开关,在控制电路中用来发出“接通”或“断开”的指令。
它的点也有动合和动断两种形式。
热继电器是一种利用感受到的热量进行动作的保护电器,用来保护电路的过载。
它主要由发热元件和辅助触点等组成。
当电路过载时点动作,从而使控制电路失电,达到切断主电路的目的。
四、实验内容四.实验内容1.了解常用低压电器的结构和动作原理,掌握常用继电接触控制电路的工作原理。
2.三相异步电动机的点动控制1)按图8-1接线,其中电动机采用Y接法;并请指导教师检查线路是否无误,方可通电;2)合上电源开关,操作按钮SB,使电动机起动,观察电动机和交流接触器的动作情况;3)断开SB,观察电动机的工作情况,体会自锁触头的作用。
图8-1电动机点动控制五、实验报告1.接线时首先接主电路,后接控制电路2.拆线时,应注意着拔下电源插头切勿带点操作。
3.继电器要分清楚主触点以及线圈。
三相异步电动机点动连动控制教案一、教学目标1. 理解三相异步电动机的点动和连动控制原理。
2. 学会点动和连动控制电路的接线方法。
3. 能够对点动和连动控制电路进行调试和故障排除。
二、教学内容1. 三相异步电动机的点动控制电路点动控制原理点动控制电路接线图点动控制电路的调试与故障排除2. 三相异步电动机的连动控制电路连动控制原理连动控制电路接线图连动控制电路的调试与故障排除三、教学方法1. 讲授法:讲解点动和连动控制原理,分析电路图。
2. 演示法:展示点动和连动控制电路的接线过程。
3. 实践操作法:学生动手搭建和调试点动和连动控制电路。
四、教学准备1. 教学材料:点动和连动控制电路图、接线diagram、调试指南。
2. 实验设备:三相异步电动机、接触器、继电器、按钮、开关、电线等。
五、教学过程1. 导入:简要介绍三相异步电动机的点动和连动控制的概念。
2. 讲解点动控制电路:讲解点动控制原理,分析点动控制电路的接线图。
3. 演示点动控制电路:展示点动控制电路的接线过程,解释各个组件的作用。
4. 学生动手实践:学生分组搭建和调试点动控制电路。
5. 讲解连动控制电路:讲解连动控制原理,分析连动控制电路的接线图。
6. 演示连动控制电路:展示连动控制电路的接线过程,解释各个组件的作用。
7. 学生动手实践:学生分组搭建和调试连动控制电路。
8. 调试与故障排除:引导学生如何对点动和连动控制电路进行调试和排除故障。
10. 拓展与提高:引导学生进一步学习其他电动机控制电路,提高控制电路的设计和应用能力。
六、教学评估1. 课堂互动:评估学生在课堂上的参与度和提问回答情况。
2. 实践操作:评估学生在动手搭建和调试点动和连动控制电路的过程中的操作技能和理解程度。
3. 课后作业:布置相关课后作业,评估学生对点动和连动控制电路的理解和应用能力。
七、教学反思在教学过程中,教师应不断反思教学方法和解题思路,针对学生的实际情况进行调整,以提高教学效果。