管道支吊架.doc
- 格式:doc
- 大小:445.00 KB
- 文档页数:44
管道支吊架负荷计算书说明:1、标准与规范:《室内管道支架及吊架》 (图集03S402)《钢结构设计规范》 (GB50017-2003)《压力管道规范》 (GBT20801-2006)2、项目支架计算所采用的型钢库为:热轧普通槽钢 GB707-88 12#、10#、8#,采用E43型手工双面焊。
3、吊架的支座通过M12,M10膨胀螺栓固定在地下室楼板或梁上。
4、所采用管支架组合如下:4根DN200 间距6m 12#槽钢 8颗M12膨胀螺栓2根DN150+2根DN125 间距4m 10#槽钢 6颗M12膨胀螺栓2根DN150+2根DN100 间距4m 10#槽钢 6颗M12膨胀螺栓4根DN125 间距4m 8#槽钢 6颗M10膨胀螺栓4根DN100 间距4m 8#槽钢 6颗M10膨胀螺栓2根DN100+2根DN65 间距4m 8#槽钢 6颗M10膨胀螺栓一、管架跨距分析车库采用B1级橡塑保温,DN80、DN100保温层厚度32mm,DN125、DN150、DN200保温层厚度36mm;管道材质:Q235-B;钢管许用应力[δ]t=112,刚性弹性模量E t=2.1*105N/mm2;DN65无缝钢管外径73mm,壁厚4mm,线重7.536kg/mDN100无缝钢管外径108mm,壁厚4mm,线重10.26kg/m;DN125无缝钢管外径133mm,壁厚4mm,线重12.73kg/m;DN150无缝钢管外径159mm,壁厚4.5mm,线重17.15kg/m;DN200无缝钢管外径219mm,壁厚6mm,线重31.52kg/m;计算管道长度荷载如下:Q65=7.536 kg/m+1000*3.14*(0.073-0.004*2)2/4+45*3.14*0.032* (0.065+0.032)=11.29 kg/m=11.29*9.8=110.64 N/m.Q100=7850*3.14*0.004*(0.108-0.004+1000*3.14*(0.108-0.004*2)2/4+45*3.14*0.032*(0.108+0.032)=18.74kg/m=18.74*9.8 =183.65N/m.Q125=7850*3.14*0.004*(0.133-0.004)+1000*3.14*(0.133-0.004* 2)2/4+45*3.14*0.036*(0.133+0.036)=25.84kg/m=25.84*9.8=253.2 8N/m.Q150=7850*3.14*0.0045*(0.159-0.0045)+1000*3.14*(0.159-0.0045*2)2/4+45*3.14*0.036*(0.159+0.036)=35.86kg/m=35.79*9. 8=350.76 N/mQ200=7850*3.14*0.006*(0.219-0.006)+1000*3.14*(0.219-0.006* 2)2/4+45*3.14*0.036*(0.219+0.036)=66.44 kg/m=66.44*9.8=651.06N/m经计算,求得管道截面抗弯系数W如下:W65=14.18 W100=32.753,W125=50.73,W150=82.005,W200=207.998;管道截面惯性矩II 65=51.74 I 100=176.86,I 125=337.35,I 150=651.94,I 200=2277.58;1. 按强度条件计算的管架最大跨距的计算公式: []tw qL δφ124.2max =L max ——管架最大允许跨距(m )q ——管道长度计算荷载(N/m ),q=管材重+保温重+附加重 W ——管道截面抗弯系数(cm 3) Φ——管道横向焊缝系数,取0.7[δ]t 钢管许用应力——钢管许用应力(N/mm 2)强度条件下计算得:L max(65)=7.09m 、L max(100)=8.37m 、L max(125)=8.87m 、L max(150)=9.59m 、L max(200)=11.21m2. 按刚度条件计算的管架最大跨距的计算公式: 30max 10019.0Ii E qL t =L max ——管架最大允许跨距(m )q ——管道长度计算荷载(N/m ),q=管材重+保温重+附加重 E t ——刚性弹性模量(N/mm 2) I ——管道截面惯性矩(cm 4) i 0——管道放水坡度,取0.002刚度条件下L max(65)=5.12m 、L max(100)=6.52m 、L max(125)=7.26m 、L max(150)=8.12m 、L max(200)=10.02m综合强度与刚度条件下管道最大允许跨距(取最小值):L max(65)=5.12m> 4m,符合要求;L max(100)=6.52m>4m,符合要求;L max(125)=7.26m>4m,符合要求;L max(150)=8.12m> 4m,符合要求;L max(200)=10.02m>6m,符合要求。
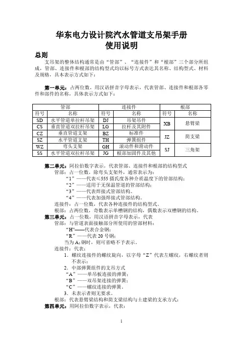
华东电力设计院汽水管道支吊架手册使用说明总则支吊架的整体结构通常是由“管部”、“连接件”和“根部”三个部分所组成,管部、连接件和根部的结构型式均以标号方式表达其名称、结构型式、材料及规格,具本表示方式如下:第一单元:占两位数,用汉语拼音字母表示,代表管部、连接件和根部各零件和部件的名称,具体表示方式如下:第二单元:阿拉伯数字表示,代表管部、连接件和根部的结构型式管部:占一位数,除弯头支架外,通常表示为:“1”——代表≤555摄氏度各种介质温度下的管部结构;“2”——适用于无保温管道的管部结构;“3”——代表焊接式管部结构。
“4”——代表加强焊接式管部结构。
连接件:占一位数,代表各种连接件的结构型式。
根部:占两位数,奇数表示单槽钢的结构,偶数表示双槽钢的结构。
第三单元:占一位数,用汉语拼音字母表示,代表管部:与管道表面接触部分所使用的管部材料:“H”——代表合金钢;“R”——代表20号钢;当为A3钢时,则可省略不予表示。
连接件:代表:1.螺纹连接件的螺纹旋向,以字母“Z”代表左螺纹,右螺纹者则不表示:2.中部弹簧组件的支吊方式“A”——单吊板连接的弹簧;“B”——双吊架连接的弹簧;“C”——螺纹连接的弹簧。
3.未表示者则无要求。
根部:代表悬臂梁结构和简支梁结构与土建梁的支承方式:第四单元:用阿拉伯数字表示,代表:管部:管子的外径(毫米)连接件:1.拉杆及其附件和标准件的直径(毫米)和拉杆的长度(毫米);2.弹簧编写及其冷态荷载(公斤力);3.滚筒的直径(毫米);4.其他连接件的编号。
根部:表示编号及支吊点距离(毫米)和主要型钢的长度(毫米)。
第五单元:占一位数,用汉语拼音字母表示,代表:管部:1.表示荷载等级:“Q”——轻荷载;“Z”——重荷载;“J”——减震支架管夹。
2.表示支架支座上的特殊要求,当支座上需要带有聚四氟乙烯板作滑动材料时,应注明有“F”字样。
连接件:表示支承底板的特殊要求,同“管部(2)”根部:空白。
管道支吊架设计及计算一、管道支吊架设计的基本原则1、保证管道的安全性:支吊架应能正常支持和悬挂管道,防止管道产生振动或者外力作用下发生位移;2、考虑管道的热膨胀和收缩:管道在工作过程中会发生热膨胀和收缩,因此需要在设计支吊架时考虑到这一点,以保证管道不会因为热膨胀而受损;3、确保施工的便利性:在设计管道支吊架时,需要考虑施工的便利性,以方便施工人员安装和维护;4、降低成本:在保证安全的前提下,要尽量降低支吊架的材料和人力成本。
二、管道支吊架的类型1、固定支架:用于安装位置不需要调整的直线管道段,通过固定安装在支架上,可以保证管道的稳固性;2、滑动支吊架:用于安装位置需要调整的管道段,通过滑动支持,以便在管道热膨胀和收缩时进行调整;3、弹性支吊架:用于安装位置需要调整且管道工作温度较高的管道段,通过弹性支持和松紧调节装置,以适应管道的热膨胀;4、吊架:用于悬挂管道,通过杆件和吊索来支撑管道;5、夹具:用于固定和连接管道的附件,如夹管夹、法兰夹等。
三、管道支吊架设计的计算方法1、管道重量计算:根据管道的尺寸、材质和长度,计算出管道的总重量;2、支吊架的定位设计:根据设计要求和施工图纸,确定支吊架的位置和间距;3、支吊架的尺寸计算:根据管道的重量和长度,计算出支吊架的尺寸和材料;4、管道热膨胀计算:根据管道的工作温度和材料的热膨胀系数,计算出管道热膨胀的长度;5、管道热膨胀补偿计算:根据管道的热膨胀长度,计算出热膨胀补偿装置的长度和材料;6、吊架的计算:根据管道的跨度和重量,计算出吊架的尺寸和材料;7、弹性支吊架的计算:根据管道的工作温度和热膨胀系数,计算出弹性支吊架的尺寸和材料。
在进行管道支吊架的设计和计算时,需要根据具体的工程要求和管道的实际情况来进行,同时,还需要遵循相关国家和地方的建设规范和标准,以确保管道的安全和可靠性。
此外,工程项目中还需要注重施工的现场管理,以确保支吊架的质量和安装的正确性。
关于管道支吊架设计1、管架设计的标准1)SH/T 3073-2004 《石油化工管道支吊架设计规范》2)HG/T 21629 《管架标准图》2、管架的作用2.1 承载1、恒载:重力(管子及支架),雪2、活载:重力(介质),内压,盲板力,冷热位移力,风3、临时载荷:水压试验,安全阀反力,地震,水锤2.2 管道支吊架按其主要功能可分为:a) 承受管道载荷:1、恒力弹簧支架:荷载变化率不大于6%,可调范围10%-15%(垂直位移量大的为重锤式)2、可变弹簧支架:荷载变化率大于6%,但不应大于25%。
可活动的拉杆长度不应小于吊点处水平位移的15倍,吊杆与垂直线夹角不应大于4°(位移量大的可设两个串连;载荷量大的可设两个并联)3、刚性支吊架:无垂直位移量或者垂直位移很小。
可活动的拉杆长度不应小于吊点处水平位移的20倍,吊杆与垂直线夹角不应大于3°。
4、滚动支架5、滑动支架:蒸汽管道,热、冷管,注意管托长度满足位移量b) 限制管道位移1、导向支架(单向):带温塔上下管、Ω及补偿器两侧(不受侧向力防止法兰泄漏),两相流易震动管道,机泵进出口,安全阀,放空管道,为保持管道的稳定(弯曲<0.004)按规定间距设导向支架(水平与垂直)1)当管道在支撑点处有轴向位移且需限制横向位移时,应选用导向支架2)对于柔性较大、直管段较长的管道,应设置导向支架3)设置导向支架时,应不影响管道的自然补偿4)补偿器两侧宜设置导向支架。
导向支架的设置宜符合下列要求:①水平管道上π型补偿器与导向支架的间距按图Ⅰ确定:图1 π型补偿器与导向支架最大间距②波纹管膨胀节应设在两固定支架(限位支架)之间,波纹管膨胀节宜靠近一端固定架设置,波纹管膨胀节与各导向支架的最大间距按图Ⅱ确定。
图2 波纹管膨胀节与导向支架的最大间距2、限位支架(双向)3、固定支架:保护管口、阀门、三通、调节阀(有温升)一端,活塞式(容积式)机泵出口(缩短管架间距用管卡型不用吊架),补偿器两端,分界处,安全阀出口处。
一、交底目的为确保管道支吊架安装过程中的安全,防止安全事故的发生,特制定本安全技术交底。
二、交底对象参与管道支吊架安装的施工人员、技术人员及管理人员。
三、交底内容1. 安全操作规程(1)所有施工人员必须经过专业培训,了解管道支吊架的安装工艺和安全要求。
(2)施工前,必须对施工现场进行安全检查,确保施工环境安全。
(3)施工过程中,必须穿戴好个人防护用品,如安全帽、安全带、防尘口罩等。
(4)严禁酒后、疲劳、精神不集中等状态进行施工。
2. 施工准备(1)施工前,应对施工图纸进行仔细阅读,了解管道支吊架的布置、型号、尺寸等信息。
(2)根据施工图纸和现场实际情况,制定详细的施工方案和安全措施。
(3)施工所需工具、设备必须齐全,并确保其安全性能良好。
3. 安装工艺(1)支架与螺帽间加设垫片,螺帽下端丝杆外露2-3丝。
(2)支架与桥架间用圆头螺栓固定。
小于等于200mm中间一个,大于200mm在1/4处各设置1个。
(3)与预埋铁件采用固定时,焊缝应饱满,采用固定时,选用的螺栓应适配,连接应牢固。
(4)支吊架螺栓钻孔应该与螺栓大小一致。
(5)支架切割断面的毛刺应打磨清理,切割与钻孔部位均应防腐处理。
(6)支架末端螺栓孔边缘距支架边缘距离为螺栓孔直径的2.5倍。
(7)槽钢吊架下料采用45角下料,两面切割,一面不切割煨弯至90。
槽钢吊架45角满焊焊接,焊缝饱满平直。
(8)采用煨弯,光滑无毛刺。
(9)吊杆式吊架,槽钢受力面应为槽钢侧面;吊杆伸出螺帽长度为吊杆直径的1/2;应采用双螺帽,与槽钢接触处加平垫,有振动处除平垫外还应加弹簧垫。
(10)支架锚固点应该尽量选择梁、柱上等结构承力好的部位。
(11)槽钢应居中,钢板方正、满焊。
(12)螺栓孔边缘距离钢板边缘距离为2.5倍螺栓直径。
(13)钢板及角钢组合、朝向合理,明装立管单个支架高度以 1.5~1.8米为宜。
(14)所有支架尖锐突出部位应倒角处理。
(15)立管卡子应固定牢固,尽量采用成品U型卡,增加接触摩擦力。
工业金属管道设计管道支吊架10 管道支吊架10.1 一般规定10.1.1 在管道支吊架的布置设计中,管道的纵向应力,应符合本规范第3.2.6及3.2.8条的规定。
10.1.2 应优先选用标准的及通用的支吊架,对主要受力的支吊架结构的零部件应进行强度及刚度计算。
10.2 支吊架的设置及最大间距10.2.1 支吊架位置和型式,应符合管道布置情况和管道柔性计算的要求。
可选用有效的包括特殊型式的支架,控制管道位移和防止管道振动。
10.2.2 装有膨胀节的管道,固定架、导向架和限位架等的设置应符合产品特性及使用要求。
10.2.3 支吊架生根在建(构)筑物的构件上时,该构件应有足够的强度和刚度。
10.2.4 支吊架的设置不应影响设备和管道的运行操作及维修。
10.2.5 管道上有重力大的管道组成件时,应核算支吊架间距,或在管道组成件的附近设置支吊架。
10.2.6 支吊架的设置,应使支管连接点和法兰接头处承受的弯矩值,控制在安全的范围内。
10.2.7 水平管道支吊架最大间距应满足强度和刚度条件。
强度条件是控制管道自重弯曲应力不应超过设计温度下材料许用应力的一半。
刚度条件是限制管道自重产生的弯曲挠度,一般管道设计挠度不应超过15mm。
装置外管道的挠度允许适当放宽,但不应超过38mm。
敷设无坡度的蒸汽管道,其挠度不宜超过10mm。
其他有特殊要求的管道需采用更小的挠度值时,可按国家现行标准执行。
10.2.8 对于不允许积液并带有坡度的管道,支吊架间距除满足本规范第10.2.7条要求外,它与挠度及坡度之间的关系还应符合式(10.2.8)的要求。
式中Y S——管道自重弯曲挠度(mm);L S——支吊架间距(mm);i S——管道坡度。
10.2.9 对有压力脉动的管道,决定支架间距时,应核算管道固有频率,防止管道产生共振。
10.3 支吊架荷载10.3.1 支吊架的设计应承受下述荷载:10.3.1.1 应承受本规范第3.1.6条所述的各项重力及支吊架零部件的重力。
管道设计中支吊架的正确设置彭进摘要:在炼油厂工艺装置及系统管道设计中,进行支吊架设置的设计时,应使支吊架间距不超过管道刚度允许值和满足柔性要求,严格遵循正确设置支吊架的方法和选用原则,列举了9条具体选用原则,对可变弹簧支架的选用方法也进行了详尽的叙述。
此外,还介绍了支吊架对管道产生的一次应力和二次应力所起的作用,并以同一管道选用不同支架类型的应力分析计算,说明在管道设计中正确设置支吊架的重要性。
主题词:管线支架管吊设计类型位置应力应用CORRECT INSTALLATION OF SUPPORTS & HANGERSIN PIPING DESIGNPeng JinLuoyang Petrochemical Engineering Corporation(Luoyang,Henan471003)Abstract When installing supports and hangers in piping design of petroleum process units and refinerywide system,the space between subhangers should not exceed the allowable value of pipe rigidity and should meet flexibility requirement of the pipingsystem.Meanwhile,it should strictly compile the correct method and selection principles for support and hanger installation.Nine specific selection principles together with the selection method for variable spring supports were described in detail.Effects of supports and hangers on both primary and secondary stresses of the pipe were also introduced.The importance of correct installation of supports and hangers in piping design were emphasized with an example of stress analysis and calculation for selecting different types of support for the same pipe.Keywords pipesupport,hanger,design,allocation,stress,application 管道设计应力分析的目的是确保管系安全可靠,它是涉及多种学科的综合性技术,也是管道设计的基础。
管道支吊架摘要本文主要介绍石油化工管道支吊架的一些规定。
关键词管道支吊架一、管道支吊架分类管道支吊架根据其功用分为以下几类:承重架:用来承受管道的重力及其它垂直向下载荷的支架:刚性支吊架:用于无垂直位移的场合;可调刚性支架:用于无垂直位移、安装误差严格的场合或泵出口。
可变弹簧支吊架:用于有垂直位移的场合。
限制性支架:用来阻止、限制或控制管系位移的支架:固定架:限制管道的各个方向的位移;限制性支架:限制管道位移的支吊架。
其中,只限制管道水平方向位移的支架称为导向架;只限制管道轴向位移的支架称为限位架。
管道在受限制方向应保留1.5mm或2mm的默认间隙。
恒力弹簧支吊架:用于垂直位移大、希望保持管道在冷、热状态下支吊点的荷载不能变化很大的场合。
防振支架:用于限制、缓和往复式机、泵进出口管道和由地震、风压、水击、安全阀排出反力引起的管系振动的支架:阻尼器:缓和往复式机泵、地震、水击、安全阀排出反力等引起的油压式振动。
特殊支架:非标支架,特殊支架是常规支架的组合和调整。
可能是限位、导向元素与管托之间的距离有特殊要求,例如30mm等;也可能是弹簧支架与其它支架形式的组合。
二、管道支吊架的跨距管线的跨距由管线的刚度和强度决定,取刚性跨距和强度跨距两者中小值为管线的跨距值。
水平管线的跨距可在《石油化工装置工艺管道安装设计手册》(第一篇设计与计算)中查找。
管道的最大导向支架间距参见下表表1垂直管段导向支架间的最大间距表2水平管段导向支架间的最大间距三、确定管道支吊架位置的要点要满足管道最大允许跨度的要求;在有集中荷载时,支架要布置在靠近荷载的地方,以减少偏心荷载和弯曲应力;在敏感设备(泵、压缩机等)附近,应设置支架,以防管道荷载作用于设备管口;往复式压缩机的吸入或排出管道及其他有强烈振动的管道,宜单独设置支架,并与建筑物隔离,以避免将振动传递到建筑物上;承重支架应安装在靠近设备管口处,以减少管口受力;除振动管道外,应尽可能利用建筑物、构筑物的梁柱作为支架的生根点,且应考虑生根点所能承受的荷载;对于需要作应力计算的管道,应根据应力计算结果设置管架;管道尽量集中布置,如成排布置,便于做联合支架,尽量减少分散独立设置的柱式架。
附件1 技术规范1 总则1.1 本技术规范用于xxxx“上大压小”新建项目工程的四大管道(包括主蒸汽管道、高压旁路管道、高温再热蒸汽管道、低压旁路管道、低温再热蒸汽管道、高压给水管道(含汽泵再循环管道)、高旁减温水、以及主汽和热段管道的暖管、疏水管道,以下简称(四大管道))支吊架支吊架。
它提出了四大管道支吊架的功能设计、结构、性能、安装和试验等方面的技术要求。
锅炉厂供货范围内的四大管道支吊架由锅炉厂负责,不属于本次招标范围。
1.2 本技术规范提出的是最低限度的技术要求,并未对一切技术要求做出详细规定,也未充分引述有关标准和规范的条文,投标方应提供一套满足本招标文件和所列标准要求的高质量产品及其相应服务。
对国家有关安全、环保等强制性标准,投标方必须满足其要求。
在签订合同之后,招标方保留对本规范书提出补充要求和修改的权力,投标方应承诺予以配合。
如提出修改,具体项目和条件由买卖双方商定。
1.3 投标方如对本招标文件有偏差(无论多少或微小)都必须清楚地表示在本招标文件的“技术差异表”中。
否则招标人将认为投标方完全接受和同意本招标文件的要求。
禁止更改本招标书内各条款序号。
1.4 投标人对四大管道支吊架(包括附件)负有全责,包括分包(或采购)的产品。
分包(或采购)的产品制造商应事先征得招标方的认可。
1.5 本技术规范书所使用的标准,如遇与投标方所执行标准发生矛盾时,按较高标准执行。
投标方在设备设计和制造中所涉及的各项规程、规范和标准必须遵循现行最新标准版本。
1.6 在合同签订后,按本招标文件的要求,投标方提出合同设备的设计、制造、检验/试验、装配、安装、调试、试运、验收试验、运行和维护等标准清单给招标方,由招标方确认。
招标方有权因协议、标准、规程发生变化而提出一些补充要求,具体内容双方共同商定。
1.7 投标设备采用的专利涉及到的全部费用均被认为已包含在设备报价中,投标方保证招标方不承担有关设备专利的一切责任。
管道支吊架间距标准
根据不同的管道尺寸、材质和安装要求,管道支吊架的间距标准会有所不同。
一般来说,以下是常见的几种管道支吊架间距标准:
1. 排水管道:在水平线上,直径小于100mm的排水管道的支吊架间距一般为3-4米;直径100-300mm的排水管道的支吊架间距一般为2-3米;直径大于300mm的排水管道的支吊架间距一般为1-2米。
2. 输送管道:输送管道的间距标准根据管道的直径、重量和材质等因素而定。
一般来说,直径小于100mm的输送管道的支吊架间距一般为1-2米;直径100-300mm的输送管道的支吊架间距一般为0.8-1.5米;直径大于300mm的输送管道的支吊架间距一般为0.6-1.2米。
需要注意的是,以上仅为一般情况下的参考数值,具体的管道支吊架间距标准应根据相关标准和设计要求进行确定。
在实际安装过程中,还需考虑管道的热胀冷缩、振动和重量等因素,以确保管道的安全和稳定。
火力发电厂汽水管道支吊架设计手册 第1页 共181页火力发电厂汽水管道支吊架设计手册第2页共181页本手册作标准设计(修改本)用根据1983年5月20日水利电力部电力规划设计院(83)水电电规技字第39号文“关于发送一九八三年电力设计标准化计划项目的通知”,本手册应正名为“汽水管道支吊架标准设计”。
考虑到生产施工实践尚不充分,故定名为手册,并作“汽水管道支吊架标准设计”(修改本)使用,待在工程中总结经验并进行必要修改后再正式报此为标准设计。
水利电力部西北电力设计院一九八三年七月西安火力发电厂汽水管道支吊架设计手册第3页共181页前言在电站汽水管道的设计和安装中支吊架是一项相当重要的工作。
随着机组容量和参数的提高,对支吊架的功能及型式也提出了新的要求:除承受管道自重的一般支吊架型式外,还产生了限制管道位移的限位装置,保持管道在冷热状态时支吊点的荷载恒定不变的恒力支吊架,以及防止或减缓管道振动的减振器等。
支吊架设计得好坏,及结构型式选用得恰当与否将影响管道(特别是高温高压管道)的应力状态和管道的安全运行。
支吊架工厂化专业生产是电力工业高速发展的一个重要措施。
它不仅提高了劳动生产率、加快管道的安装速度,而且保证了支吊架制造质量。
本手册系根据原电力部建设总局<80>火电技字第23号文和原电力部机械制造局<81>机计字第52号文下达的由我院负责,兰州电力修造厂配合的“火电厂汽水管道支吊架结构型式研究”项目进行编制的。
本手册的内容分两部分:第一部分:支吊架零部件及附录;第二部分:特殊用途支吊架装置(恒力支吊架、限位装置及减振器)火力发电厂汽水管道支吊架设计手册第4页共181页支吊架零部件目录使用说明-------------------------------------------------------------------------------------------------1管部、连接件、根部索引----------------------------------------------------------------------------5组装示意图----------------------------------------------------------------------------------------------11管部-------------------------------------------------------------------------------------------------------16连接件----------------------------------------------------------------------------------------------------63根部-------------------------------------------------------------------------------------------------------88附录一、焊接符号表----------------------------------------------------------------------------------------131二、螺纹吊杆允许荷载-------------------------------------------------------------------------------131三、钢材基本许用应力-------------------------------------------------------------------------------131四、管道支吊架间接表-------------------------------------------------------------------------------132五、管道断面力学性质-------------------------------------------------------------------------------158六、根部材料表----------------------------------------------------------------------------------------160七、弹簧系列特性数据表----------------------------------------------------------------------------184八、常用武钢特性数据表----------------------------------------------------------------------------186九、吊杆长度计算有关尺寸参考表----------------------------------------------------------------192火力发电厂汽水管道支吊架设计手册第1页共181页使用说明编制说明一、适用范围:1.容量:30万瓩及以下的机组。
常用管道支吊架间距规范一、管道支吊架的作用管道支吊架主要有以下几个作用:1、承受管道的重量,包括管道自身的重量、介质的重量以及保温层的重量等。
2、限制管道的位移,防止管道因热胀冷缩、振动等原因产生过大的位移,从而保证管道与设备的连接紧密,避免泄漏。
3、平衡管道的内力,减少管道因内压、外压等因素产生的应力,提高管道的强度和稳定性。
二、影响管道支吊架间距的因素管道支吊架的间距不是固定不变的,而是受到多种因素的影响,主要包括以下几个方面:1、管道的材质不同材质的管道具有不同的强度和刚度,因此其支吊架的间距也会有所不同。
例如,钢管的强度较高,其支吊架间距可以相对较大;而塑料管的强度较低,其支吊架间距则需要相应减小。
2、管道的直径和壁厚管道的直径越大、壁厚越厚,其自身的承载能力就越强,支吊架的间距就可以适当增大;反之,管道直径越小、壁厚越薄,支吊架的间距就需要相应减小。
3、管道内介质的温度和压力管道内介质的温度和压力会对管道的膨胀和收缩产生影响。
如果介质温度较高或压力较大,管道的热胀冷缩和变形就会比较明显,此时支吊架的间距就需要适当减小,以增加管道的稳定性。
4、管道的敷设方式管道的敷设方式分为架空敷设、地沟敷设和埋地敷设等。
架空敷设的管道受到的约束较少,支吊架间距可以相对较大;地沟敷设和埋地敷设的管道受到周围土壤或沟壁的约束,支吊架间距则需要根据具体情况进行调整。
5、管道的连接方式管道的连接方式有焊接、法兰连接、螺纹连接等。
不同的连接方式对管道的强度和密封性有不同的影响,从而也会影响支吊架的间距。
三、常用管道支吊架间距的规范要求1、钢管支吊架间距(1)对于无保温的水平钢管,其支吊架间距应符合以下规定:直径小于或等于 25mm 的管道,支吊架间距不应大于 35m。
直径为 32mm 至 80mm 的管道,支吊架间距不应大于 45m。
直径大于或等于 100mm 的管道,支吊架间距不应大于 55m。
(2)对于有保温的水平钢管,其支吊架间距应根据保温层的厚度进行调整,一般比无保温管道的间距适当减小。
(1)管道支吊架应在管道的允许跨距内设置,并符合下列要求:A、靠近设备;B、设在集中荷载附近;C、设在弯管和大直径三通式分支管附近;D、宜利用建筑物、构筑物的梁、柱等设置支吊架的生根构件;E、设在不妨碍管道与设备的连接和检修的部位。
(2)管道的支承点在垂直方向无位移时可采用刚性支吊架;有位移时应采用可变弹簧支吊架。
位移量大时应采用恒力弹簧支吊架。
(3)水平敷设在支架上的有隔热层的管道应设置管托,当管道热胀量超过100mm时,应选用加长管托。
(4)除下列情况外,应采用焊接型的管托和管吊:A、管内介质温度等于或高于400℃的碳素钢材质的管道;B、输送冷冻介质的管道;C、输送浓碱液的管道;D、合金钢材质的管道;E、生产中需要经常拆卸检修的管道;F、不易焊接施工的管道和不宜与管托、管吊直接焊接的管道。
(5)允许管道有轴向位移,而对横向位移需要加以限制时,在下列情况应设置导向支架:A、安全阀出口的高速放空管道和可能产生振动的两相流管道;B、横向位移过大可能影响邻近管道时,固定支架之间的距离过长,可能产生横向不稳定时;C、为防止法兰和活接头泄漏要求管道不宜有过大的横向位移时;D、“Π”型补偿器两侧的管道上应设导向支架,其位置距补偿器弯头宜为管道公称直径的40倍;E、导向支架不宜设置在靠近弯头和支管的连接处。
(6)生根于建筑物、构筑物上的支吊架,其生根点宜设在立柱或主梁等承重构架上,支架生根件焊在需整体热处理设备上时,应向设备专业提出所用垫板的条件。
(7)需要限制管道位移量时,应设置限位支架。
(8)不得用高温管道、低温管道、振动管道和蒸汽管道支撑其他管道。
(9)直接与设备管口相接或靠近设备管口的公称直径等于或大于150mm的水平安装阀门应考虑支撑。
(10)沿直立设备布置的立管应设置承重支架和导向支架。
立管支架间的最大间距应符合表6-1-3的规定。
承重支架应设置在靠近设备管口处,以减少管口受力。
如果管道重量过大,一个支架承重有困难时,可增设可变弹簧承重支架。
管道支吊架间距的标准是根据管道的材质、管径、工作压力、管道长度、支吊架的类型、安装方式等因素综合考虑而定的。
一般来说,管道支吊架的间距应该足够支撑管道的重量,并且要保证管道的稳定性和安全性。
以下是一些常见的管道支吊架间距标准供参考:
1. 管道材质:不同材质的管道支吊架间距有所不同,一般来说,钢管的间距较小,铸铁管的间距较大。
2. 管径和工作压力:管径和工作压力越大,支吊架的间距应该越小,以保证管道的稳定性和安全性。
3. 管道长度:管道长度越长,支吊架的间距应该越小,以保证管道的稳定性和安全性。
4. 支吊架类型和安装方式:不同类型的支吊架和安装方式对支吊架间距的要求也不同,一般来说,需要根据具体情况进行选择。
需要注意的是,管道支吊架的间距应该符合国家相关标准和规范的要求,以确保管道的安全运行。
在实际应用中,需要根据具体情况进行选择,并且应该由专业的工程师进行设计和施工。
第二章弹簧支吊架第一节弹簧支吊架的工作原理当管道的支吊点有垂直方向的热位移时,如果采用刚性支吊架,对向上热位移的支吊点,热态荷重就会大幅度下降,甚至悬空不吃力;而对向下热位移的支吊点,不但承受上位移支吊架的转移荷重,而且要承受较大的限位作用产生的管道热胀推力或力矩。
这时支吊架本身和管道应力(包括自重一次应力和热胀二次应力)产生相应的有害影响。
因此,有垂直方向热位移的支吊点,除了专门设置的限位刚吊外,一般应选用弹属于支上架,弹簧支吊架便是其中一种。
在弹簧支吊架中,支吊架的荷重垂直直接与弹簧力相平衡,而弹簧力等地弹簧刚度与压缩值的乘积。
当支吊点产生垂直方向的热位移时,弹簧压缩值也发生改变,支中架为荷重也就发生变化,如能选择合适的弹簧,支中架荷重变化就会限制在某一允许范围之内,不会发生刚性支吊架那样荷重大幅度变化或完全不吃力的情况。
弹簧支吊架的设计,目前多数采用热态吊零方案,即管道在热态时,弹簧支吊架为荷重等于分配给该支吊架点的工作荷重。
因此,管道在冷态时(安装状态),弹簧支吊架的荷重(安装荷重)比工作荷重或大(上位移时)或小(下位移时)些。
弹簧的荷重和压缩值是有一定限度的。
当单个弹簧不能满足热位移要求时,可以串联弹簧;当单个弹簧不能满足荷重要求时,可以并联弹簧。
弹簧支吊架工作中,有一定的荷重变化;热位移较大的支吊点,需串联多个弹簧,而串联数量是有限的。
因此,对严格控制荷重变化和热位移很大的场合,弹簧支吊困将不能满足需要。
但它具有结构简单的优点,所以应用还是非常广泛。
第二节弹簧特性和工作范围弹簧使用特性参数主要有允许压缩值、允许荷重和刚变。
弹簧压死时的压缩值(全压缩值或称极限压缩值)用Fb表示,对应的荷重(即极限荷重)和Po 表示。
为了避免弹簧支吊架成为刚性支吊架(弹簧压死)。
或是空不吃力,并保证压缩值与荷重之间为线性关系,弹簧工作时,不允许压缩值过大或过小。
最大允许压缩值用Fmax表示,对应的最大允许荷重用Pmax表示。
Fmax一般取(0.7~0.8)Fb,现行支吊架标准中,Fmax≈0.7Fb。
弹簧最小允许压缩值用Fmin表示,对应的最小值允许荷重用Pmin表示。
Fmin一般取(0.2~0.3)Fb,现行支吊架标准中,Fmin ≈0.3Fb。
单位压缩值所需的力称为弹簧刚度,用P′表示。
P′=P/F=Pmax/Fmax=Pmin/Fmin(公斤/毫米)(2—1)式中P为压缩力(应在Pmax 和Pmin范围之内);F为压缩值。
刚度的倒数称弹簧系数,用K表示(毫米/公斤)。
弹簧在工作过程中,管道由冷态到热态时的荷重变化另与支吊架工作荷重之比,称为荷重变化率,用C表示。
C=|ΔP|/Pgz=|Pgz-Paz|/Pgz=Pˊ·Δy/Pgz (2—2)式中:Pgz为支吊架工作荷重(公斤);Paz为支吊架安装荷重(公斤);Pˊ为弹簧刚度(公斤/毫米);Δy为支吊点垂直位移(毫米)。
按“汽水管道设计技术规定”,C≤0.35(0.25)(2—3)有些国外机组,主要管道的C值取0.2~0.25。
C了为越小,支吊架工作过程中荷重变化量就越小,弹簧支吊架就越接近恒力支吊架,有利改善管道应力和冷态设备推力,但弹簧允许范围就越窄,弹簧选用经济性也越差。
弹簧工作过程中,需要满足支吊架的工作荷重、安装荷重、荷重变化率的要求,和支吊点热位移的需要,因而弹簧的实际允许工作范围就受到相当的限制。
下面详细分析一下满足上述要求时的弹簧工作范围。
第三节弹簧规格和技术要求弹性支吊架为弹簧已实现了标准化、系列化。
1975年7月版支吊架手册中的弹簧标准系列见表2—2。
此系列弹簧足,在原苏联I类和II类弹簧基础上,为满足不断增大的荷重和热位移需要扩充而来的。
因而系列繁杂,也不尽合理。
此系列弹簧在1984年前投产的机组在广泛采用。
另一类弹簧系列,是1981年7月版为“汽水管道设计技术规定”中的弹簧系列。
此弹簧系列在个别设计单位或一些小工程仍被采用。
1现行弹簧标准,是1983年版“汽水管道支吊架设计手册”中的系列,见表2—3。
此弹簧系列按最大压缩值分为两类。
荷重范围宽,不但有较宽的大荷重范围,而且也有较宽的小荷重范围。
荷重系列按等比原则确定,除了小荷重的1至5号弹簧采用约1.538系列比外,统一采用1.333系列比,荷重系列合理。
支吊架弹簧标准(1975年版)表2-22支吊架弹簧在满足下列技术要求:弹簧表面不应有裂纹、折送、分层、过烧等缺陷。
弹簧材料应满足60SizMnA钢技术条件。
弹簧两端应有不少于3/4圈的拼紧圈。
两端应磨平,磨平部分不少于园周的3/4。
弹簧的节距应均匀,节距偏差不应大于0.1(t-d),其中七为节距,Do 钢丝直径;且在最大压缩值范围内,弹簧的工作圈不得相碰。
弹簧为两个端面应与轴线垂直,弹簧倾斜量不应超过自由高度为2%。
弹簧在最大允许荷重范围内,其荷重与标准荷重的偏差,不应超过±10%。
弹簧应有出厂合格证件。
用于主蒸汽、再热蒸汽、主给水管上的弹簧,安装前应进行刚度测定。
必要明作全压缩试验:弹簧压缩到极限状态保持5分钟。
卸去载荷后,永久变形量不得超过原自由高度的2%;如超过规定,应进行第二次全压缩试验,两次试验的总永久变形量不得超过原自由高度的3%。
第四节弹簧选择和安装整定(一)弹簧选择为基本原则第二节详细叙述了弹簧的适用范围,其结论是弹簧选择的理论基础。
选择弹簧时,在任何情况下压缩保证在Fmax至Fmin之间;应满足工作荷重和热位移需要;荷重变化率不应大于规定值。
当热位移量较大,单个弹簧不能满足热位移要求时,需串联弹簧。
弹簧允许串联数量,对Fmax=140~150毫米的弹簧为二个;对Fmax=70~75毫米的弹簧为四个(实际上此种串联方式很少采用)。
弹簧串联使用时,每个弹簧的荷重是一样的,故串联弹簧的最大允许荷重应一样(即弹簧号应一样,类别可不同)。
由单个弹簧的允许热位移值和允许串联数量可知,弹簧吊架的热位移适用范围为:上位移时约60毫米,下位移时约80毫米,超过此范围时应选用恒力吊架。
对弹簧支架,为了支架的稳定性很少采用串联弹簧结构。
为了保证弹簧正常工作,选择弹簧时,应根据热位移值的计算精度而当一定的裕量。
近似计算时,一般加20%且不小于5毫米裕量作为选择弹簧的热位移值。
单个弹簧不能满足荷重要求时,或结构上需要采用双吊结构时,需并联弹簧。
并联弹簧的安装荷重是一样的,热位移时弹簧的压缩值变化也相同,即工作荷重也一样,可以并联弹簧应选择完全相同的弹簧,即选用同类、同号弹簧。
(二)弹簧为选择和安装整定计算方法计算需要的原始数据是:支吊架的工作荷重、热位移大小和方向。
计算的内容包括:弹簧类别和弹簧号选择、串联或并联数量、弹簧的安装压缩值、工作过程的转移荷重和荷重变化率。
下面介绍的方法,是以第二节所述理信纸为基础的计算方法。
乎先按给定的工作荷重,查表2—1,确定弹簧的Pmax值以确定弹簧号。
为了选择方便,将表2—3弹簧系列的工作荷重和允许热位移范围表格化,列于表2—4中。
表2—5则是表2—2弹簧系列的工作荷重和允许热位移范围。
3弹簧(83年版)工作荷重和允许热位移范围表2—44弹簧(75年版)工作荷重和允许热位移值范围5弹簧号确定后,用(2—20)式或(2—21)式计算每类弹簧的允许热位移值:[Δy]=0.35Fmax·Pgz/Pmax(2—20)对上位移支吊架,当工作荷重为0.74Pmax<Pgz≤0.88Jpmax时,[Δy]= Fmax·(1- Pgz/Pmax)(2—21)然后,根据[Δy]和支吊架的热位多值确定弹簧类别;当一个弹簧不能满足热位移需要时,可用(2—22)式计算串联弹簧数量:n=ΔY/[Δy](计算结果进位取整数)(2—22)或6=[Δy]≥ΔY式中ΔY为热位移值;[Δy]为一个弹簧的允许热位移值。
“支吊架设计手册”(83年版)中弹簧选择方法,与上面介绍的方法原理完全相同。
只是把计算过程全部表格化而已。
弹簧安装压缩值和安装荷重计算热位移向上时,安装压缩值为:Faz·s=Fgz+ΔY=Pgz/P′+ΔY (2—23)式中:Faz·s为上位移吊架的弹簧安装压缩值(毫米);Fgz为弹簧工作压缩值(毫米);ΔY为分配在每个弹簧的支吊架热位称值(毫米);Pgz为工作荷重(公斤);P′为弹簧刚度(公斤/毫米)。
上位移安装荷重以(2—24)式计算:Paz·s= p′·Faz·s=Pgz+ p′·ΔY (2—24)热位移向下时,安装压缩值和安装荷重以(2—25)式和(2—26)式计算:Faz·x=Fgz-ΔY=Pgz/ p′-ΔY (2—25)Paz·x= p′·Faz·x=Paz- p′·ΔY (2—26)热位移向上的弹簧支吊的附加荷重,以(2—27)式计算:ΔPs= p′·ΔY=Paz·s-Pgz (2—27)热位移向下的弹簧支吊架的转移荷重以(2—28)式计算:ΔPx= p′·ΔY=Pgz-Paz·x (2—28)(2—23)式至(2—28)式中的ΔY和Pgz说明如下:同类弹簧串联时,ΔY=ΔY6/n (2—29)式中ΔY6为支吊的热位移值(毫米);n为串联数量。
不同类弹簧串联时,ΔYII=2ΔYI (2—30)ΔY+2ΔYI=ΔY6式中ΔYII为II类弹簧的热位移值;6。