应力转移型特强钢芯软铝型线绞线 新版讲解
- 格式:ppt
- 大小:10.29 MB
- 文档页数:69
增容导线选型边界条件的选择韩志军;李显鑫;何健;陈光;陈大斌【摘要】为将更多的新技术、新材料、新工艺应用到电网建设中,叙述了增容导线(碳纤维导线、铝包殷钢芯耐热铝合金导线和应力转移型导线)的结构、电气性能和机械性能,并将主要特性进行对比分析,以220 kV线路双分裂300 mm2导线和500 kV线路四分裂400 mm2导线为例,在导线选型过程中,主要从年费用、导线价格方面对普通钢芯铝绞线与上述3种增容导线进行了技术经济比较,最终得出增容导线选型的边界条件.【期刊名称】《吉林电力》【年(卷),期】2015(043)004【总页数】4页(P28-31)【关键词】导线;选型;增容;节能【作者】韩志军;李显鑫;何健;陈光;陈大斌【作者单位】中国电力工程顾问集团东北电力设计院有限公司,长春 130021;国网北京经济技术研究院,北京 100052;中国电力工程顾问集团东北电力设计院有限公司,长春 130021;中国电力工程顾问集团东北电力设计院有限公司,长春 130021;国网北京经济技术研究院,北京 100052【正文语种】中文【中图分类】TM244目前我国的输电线路主要采用钢芯铝绞线,随着电网升级发展,对架空导线的输送能力、工程应用和经济效益提出了更高要求。
作为电力输送载体的导线应具备在线路运行时降低损耗而节能,在增容的状况下又可以减少改造费用。
用电需求的增加使输电线路上需要输送更多的电能,可采用提高导线运行温度的方法来增加线路输送容量。
随着科技的高速发展,碳纤维导线、殷钢芯耐热铝合金导线和应力转移型特强钢芯软铝型线绞线等增容导线应运而生,并均在线路上得到了广泛应用。
1 3种增容导线简介1.1 碳纤维芯导线碳纤维芯导线为新型复合材料合成芯导线,它的芯线是由碳纤维为中心层和玻璃纤维包覆制成的单根芯棒,外层与邻外层铝线股可根据不同要求制成型线,材质可为耐热铝合金或软铝等。
由于芯棒的外表面为绝缘体的玻璃纤维层,芯棒与铝股之间不存在接触电位差,保护铝导线免受电腐蚀。
绞线1.绞合定义所谓绞合,就是将若干根相同直径或不同直径的单线,按一定方向和一定的规则绞合在一起,成为一个整体的绞合线芯。
2.线芯绞制的特点柔软性好:提高了导线的弯曲能力,便于电线电缆的加工制造和安装敷设。
稳定性好:当绞线受到两端向下弯曲时,单线受力相等,不会产生伸长和压缩,绞线也不会发生变形。
可靠性好:绞线很好的分散了材料的不均匀性和制造中产生的缺陷问题,使这些缺陷不会集中到某一点上。
强度高:比同截面单线强度高。
3、绞合方向及判定绞线方向分为左向(S向)和右向(Z向)。
判定方法是:摊开手掌,让四指顺着绞线的前进方向,让单线的斜出方向与伸开的大拇指方向一致,如果是右手,绞向就是右向;如果与左手大拇指方向一致,就是左向。
同心绞合的每一相邻层绞合方向相反(圆型紧压线芯可以采用同方向绞合).钢芯铝绞线及铝绞线最外层绞向为右向,电力电缆线芯最外层绞向为左向.4.绞线节距定义:单线沿绞线轴旋转一周所前进的距离。
测量方法:用长度大于节距的纸绷紧在绞线上,用蜡笔沿绞线轴平划过去,可得一组印痕.印痕数目应多于测量层单线根数,在其中之一的中点做一标记,从相邻的一个开始编号至测量层单线根数时做一标记.测量这两个标记之间的距离。
绞层为6根时的节距测量如图所示。
65432105. 绞合工艺绞合线芯分类非紧压圆行线芯紧压圆行线芯紧压异型线芯(扇形、瓦形、半圆形)线芯绞制形式主要分为正规绞合和非正规绞合正规绞合可分为正规同心式单线绞合(见图1)和正规同心式股线绞合(复绞线)(见图2)两种。
正规式同心单线绞合又可以分为普通绞线(铜、铝绞线)和组合绞线(如钢芯铝绞线)。
非正规绞合如束绞同心式绞合的每一层单线的绞向都相反,其原因一是当绞线受到拉力的作用时,因绞向相反,每层受到的回松作用力相互抵消,使绞线不易松散;二是如果绞线中所有单线均向一个方向绞合,不单是绞线在受拉力时会产生旋转,使单线都回松,而且在未受拉力的情况下,绞线也会发生打卷,卷曲等情况,增加了制造和敷设的麻烦;三是如果相邻两次单线绞合相同,外层单线在绞制时,难免会嵌入内层的单线缝隙中,难免保证绞线的圆整度。
应力转移型特强钢芯软铝型线绞线典型结构及技术参数表1、应力转移型特强钢芯软铝型线绞线典型结构一层结构两层结构三层结构图1、应力转移型特强钢芯软铝型线绞线结构图2、应力转移型特强钢芯软铝型线绞线技术参数表表1 应力转移型特强钢芯软铝型线绞线AF(SZ)+S4A导线规格 200+26 200+32 250+33 250+40 315+41 315+50 钢比(%) 13 16 13 16 13 16截面积(mm2)铝200 200 250 250 315 315 钢26 32 33 40 41 50 总226 232 283 290 356 365导线直径(mm)17.8 18.1 19.9 20.2 22.3 22.7 单位长度质量(kg/km) 753.9 800.8 946.3 1001.0 1187.9 1258.2 计算拉断力(kN)61.70 71.80 78.00 89.80 97.30 112.50 拉力重量比(km)8.4 9.1 8.4 9.2 8.4 9.1 20℃直流电阻(Ω/km) 0.1414 0.1414 0.1131 0.1131 0.0898 0.0898以下为参考性资料弹性模量(N/mm2)拐点前71000 74000 71000 74000 71000 74000 拐点后190000 190000190000190000190000190000线膨胀系数(10-6/℃)拐点前15.5 15.0 15.5 15.0 15.5 15.0 拐点后11.5 11.5 11.5 11.5 11.5 11.5载流量计算条件风速:0.5m/s; 环境温度:40℃;日照强度:1000W/m2; 表面吸收系数:0.9;辐射系数:0.9;工作温度:70℃-150℃载流量运行温度70℃387 388 444 445 512 51380℃473 475 546 548 632 63590℃543 545 627 630 728 731 100℃601 604 696 699 810 813 110℃653 656 756 760 881 885 120℃698 702 810 814 944 949 130℃740 744 859 863 1001 1007 140℃778 783 904 908 1055 1061 150℃814 819 946 951 1104 1111表2 应力转移型特强钢芯软铝型线绞线AF(SZ)+S4A导线规格 400+52 400+64 450+59 450+72 500+65 500+80 钢比(%) 13 16 13 16 13 16截面积(mm2)铝400 400 450 450 500 500 钢52 64 59 72 65 80 总452 464 509 522 565 580导线直径(mm)25.2 25.6 26.7 27.1 28.2 28.6 单位长度质量(kg/km) 1507.9 1601.7 1700.3 1803.8 1884.9 2004.2 计算拉断力(kN)123.50 143.70 139.80 155.30 154.40 172.50 拉力重量比(km)8.4 9.2 8.4 8.8 8.4 8.8 20℃直流电阻(Ω/km) 0.0707 0.0707 0.0630 0.0630 0.0567 0.0567以下为参考性资料弹性模量(N/mm2)拐点前71000 74000 71000 74000 71000 74000 拐点后190000190000190000190000190000190000线膨胀系数(10-6/℃)拐点前15.5 15.0 15.5 15.0 15.5 15.0 拐点后11.5 11.5 11.5 11.5 11.5 11.5载流量计算条件风速:0.5m/s; 环境温度:40℃;日照强度:1000W/m2; 表面吸收系数:0.9;辐射系数:0.9;工作温度:70℃-150℃载流量运行温度70℃593 594 637 639 679 682 80℃736 739 793 796 848 852 90℃850 854 917 922 982 987 100℃947 951 1023 1027 1096 1101 110℃1032 1036 1115 1120 1195 1201 120℃1107 1112 1197 1203 1284 1291 130℃1176 1183 1271 1277 1365 1372 140℃1240 1247 1340 1347 1440 1447 150℃1299 1306 1405 1412 1510 1518表3 应力转移型特强钢芯软铝型线绞线 AF(SZS)+S4A导线规格 560+73 560+90 630+82 630+101 710+92 710+114 钢比(%) 13 16 13 16 13 16截面积(mm2)铝560 560 630 630 710 710 钢73 90 82 101 92 114 总633 650 712 731 802 824导线直径(mm)29.8 30.3 31.6 32.1 33.6 34.1 单位长度质量(kg/km) 2122.1 2255.4 2386.4 2535.4 2686.2 2858.7 计算拉断力(kN)166.80 193.90 187.40 217.70 210.60 245.60 拉力重量比(km)8.0 8.8 8.0 8.8 8.0 8.8 20℃直流电阻(Ω/km) 0.0508 0.0508 0.0451 0.0451 0.0400 0.0400以下为参考性资料弹性模量(N/mm2)拐点前71000 74000 71000 74000 71000 74000 拐点后190000190000190000190000190000190000线膨胀系数(10-6/℃)拐点前15.5 15.0 15.5 15.0 15.5 15.0 拐点后11.5 11.5 11.5 11.5 11.5 11.5载流量计算条件风速:0.5m/s; 环境温度:40℃;日照强度:1000W/m2; 表面吸收系数:0.9;辐射系数:0.9;工作温度:70℃-150℃载流量运行温度70℃728 731 782 784 841 844 80℃ 912 916 982 986 1060 106490℃1058 1063 1141 1146 1233 1239 100℃1181 1187 1275 1281 1379 1386 110℃1289 1295 1392 1399 1507 1515 120℃1385 1393 1497 1505 1622 1630 130℃1470 1479 1592 1601 1728 1736 140℃1551 1560 1681 1690 1824 1834 150℃1627 1637 1764 1774 1915 1925表4 应力转移型特强钢芯软铝型线绞线常用参数规格导线规格 AF(S)+S4A-95+20AF(S)+S4A-125+20AF(S)+S4A-125+25AF(SO)+S4A-150+25AF(SZ)+S4A-185+30钢比(%) 21 16 20 17 16截面积(mm2)铝95 125 125 150 185 钢20 20 25 25 30 总115 145 150 175 215导线直径(mm)12.8 14.3 14.6 16.2 17.4 单位长度质量(kg/km) 416.6 498.8 537.9 608.4 743.9 计算拉断力(kN)42.20 44.90 53.30 55.50 67.10 拉力重量比(km)10.3 9.2 10.1 9.3 9.2 20℃直流电阻(Ω/km) 0.2963 0.2252 0.2252 0.1885 0.1528以下为参考性资料弹性模量(N/mm2)拐点前78400 73600 77500 74200 73800 拐点后190000 190000 190000 190000 190000线膨胀系数(10-6/℃)拐点前15.5 15.5 15.5 15.5 15.0拐点后11.5 11.5 11.5 11.5 11.5载流量计算条件风速:0.5m/s; 环境温度:40℃;日照强度:1000W/m2; 表面吸收系数:0.9;辐射系数:0.9;工作温度:70℃-150℃载流量运行温度70℃247 291 293 328 370 80℃299 353 355 399 452 90℃341 403 406 457 518 100℃376 446 448 506 574 110℃407 483 486 549 623 120℃434 516 519 587 667 130℃459 546 549 621 707 140℃482 573 577 653 743 150℃503 599 603 683 777表5 应力转移型特强钢芯软铝型线绞线常用参数规格导线规格 AF(SZ)+S4A-210+34AF(SZ)+S4A-240+30AF(SZ)+S4A-240+40AF(SZ)+S4A-280+36AF(SZ)+S4A-300+40钢比(%) 16 13 17 13 13截面积(mm2)铝210 240 240 280 300 钢34 30 40 36 40 总244 270 280 316 340导线直径(mm)18.5 19.5 19.9 21.1 21.9 单位长度质量(kg/km) 844.0 895.4 973.5 1052.4 1138.7计算拉断力(kN)76.10 72.10 88.90 85.80 94.30 拉力重量比(km)9.2 8.2 9.3 8.3 8.5 20℃直流电阻(Ω/km) 0.1346 0.1178 0.1178 0.1010 0.0942以下为参考性资料弹性模量(N/mm2)拐点前73800 70000 74200 70300 70800 拐点后190000 190000 190000 190000 190000线膨胀系数(10-6/℃)拐点前15.0 15.5 15.0 15.5 15.5拐点后11.5 11.5 11.5 11.5 11.5载流量计算条件风速:0.5m/s; 环境温度:40℃;日照强度:1000W/m2; 表面吸收系数:0.9;辐射系数:0.9;工作温度:70℃-150℃载流量运行温度70℃ 400 433 435 476 497 80℃ 490 531 534 586 613 90℃ 563 610 614 674 706 100℃ 624 677 681 749 784 110℃ 677 735 740 815 853 120℃ 725 788 793 873 915 130℃ 769 835 841 926 971 140℃ 809 879 885 975 1022 150℃ 846 920 926 1021 1070表6应力转移型特强钢芯软铝型线绞线常用参数规格导线规格 AF(SZ)+S4A-360+46AF(SZ)+S4A-370+41AF(SZ)+S4A-370+48AF(SZ)+S4A-380+50AF(SZ)+S4A-400+45钢比(%) 13 11 13 13 11截面积(mm2)铝360 370 370 380 400 钢46 41 48 50 45 总406 411 418 430 445导线直径(mm)23.9 24.0 24.2 24.6 25.0 单位长度质量(kg/km)1350.9 1339.3 1394.0 1437.2 1453.2 计算拉断力(kN)109.80 102.30 114.10 118.30 111.70 拉力重量比(km)8.3 7.8 8.4 8.4 7.8 20℃直流电阻(Ω/km) 0.0785 0.0764 0.0764 0.0744 0.0707以下为参考性资料弹性模量(N/mm2)拐点前70200 68400 70500 70600 68600 拐点后190000 190000 190000 190000 190000线膨胀系数(10-6/℃)拐点前15.5 16.0 15.5 15.5 16.0拐点后11.5 11.5 11.5 11.5 11.5载流量计算条件风速:0.5m/s; 环境温度:40℃;日照强度:1000W/m2; 表面吸收系数:0.9;辐射系数:0.9;工作温度:70℃-150℃载流量运行温度70℃555 564 565 574 591 80℃688 698 700 713 734 90℃794 806 808 823 848 100℃883 897 900 916 944 110℃962 977 980 997 1029 120℃1032 1048 1051 1070 1104 130℃1096 1113 1116 1137 1173 140℃1154 1172 1176 1198 1236 150℃1209 1228 1232 1255 1295。
应力转移型导线在架空输电线路中的应用“应力转移型导线”是由铝线和钢芯构成并经应力转移处理的组合导线。
它在制造时预先把应由铝线承担的应力,部分或全部转移给钢芯,在导线架设使用状态下,钢芯便承担大部分或全部应力的一种节能增扩容导线。
其结果改善了导线机械力学性能与弧垂特性,常用所指的“应力转移型导线”为“应力转移型特强钢芯软铝型线绞线”,本文主要针对其优点以及现实中的应用技术进行研究,以供广大同行学习交流。
标签:应力转移导线优点线路应用一、应力转移型导线的主要优点1 输电时节能,或者说输电时减少能耗,在所有输电线路中所用的钢芯铝绞线,不论国外或是国内,导线的铝导体导电率,在20℃时均为61%IACS,即28.264nΩ.m,资源节约型线路用导线的导电率就应该优于61%IACS,例如为62.5%IACS以上至63%IACS,这种导线在输电是其能耗约减少2.5%~3%。
2老线路改造时节材:老旧线路需要增容,几乎无需改变线路,改造杆塔的情况下,可增容50%~80%,甚至100%,节约线路改造的材料及其它相关的费用。
3新建线路节约土地:当需要建设2条线路时,可以采用这种新型导线,简化成1条线路,节约另1条线路的用地,节约投资;或在建设时便蕴藏着输送更大容量的可能。
4 长寿命:导体的材料为软铝,形状为SZ型,这样的结构,使导线更耐振,自阻尼性能更优,抗振能力好,紧密的型线,减缓了导线的腐蚀速度从而大大延长了导线的使用寿命,全周期寿命更长。
5 优良的性价比:应力转移型特强钢芯软铝型线绞线的基本材料仍为生产和使用性能最为稳定,可靠的特高强度钢芯和软铝型线,其价格远比殷钢芯,碳纤维芯,铝基陶瓷纤维芯便宜得多,如果以输送容量计,它的价格几乎和常规的钢芯铝绞线相当,线路还省去杆塔,基础,金具等投资,其性价比最优。
6 安装架设方便,性能可靠,缩短施工周期与费用。
施工和普通导线相近,远比间隙型导线及碳纤维导线的施工方便的多。
应力转移型特强钢芯软铝型线绞线的特性和应用黄豪士上海电缆研究所上海 200093摘要应力转移型特强钢芯软铝型线绞线是我国自行开发,具有自主知识产权的一种节能型增容导线,它既不是一般所指的软铝型线导线,也有别于间隙型导线,它比(铝包)殷钢芯耐热铝合金导线的性能更优越。
在输电时节能;用于新建线路建设,隐藏着输送150%~200%的能力,可节省建设新建线路时的投资和节约用地;用于老旧增容改造时节约材料费用,可用原有杆塔,简化线路改造;其特殊的结构使导线寿命更长,全周期寿命性能优良;它在线路建设,不管是老旧线路改造或新线路建设中都具有优良的性价比,是未来输电线路建设时的一个重要新线种。
本文对应力转移型导线的主要性能做分析比较,并对用于新建线路或老旧线路改造用导线举例说明。
这种导线已在500kV,220 kV,110 kV等各级线路中的10余条线路中试用,均取得良好效果,值得积极推广应用。
关键词应力转移型导线;特强钢芯软铝型线绞线;节能;增容;特性;应用1. 概述电力是能源的最主要的形式。
电能通过输电线路从发电端送往受电端,因此输电线路便是电能输送过程中最主要的部分,输电线是输电线路最最重要的器材。
自解放以来,我国输电线路的建设与日俱增,特别是改革开放后,这种增长更加迅猛。
随着用电量的激增,以前建设的输电线路也已进入更新期,近年来每年我国生产的输电线达百万吨以上,成为世界上输电线生产和应用第一大国。
为了增加线路的输送容量,在新建的线路上可以采用大截面的导线,对于老旧线路的增容,在不更换杆塔的条件下,最有效,最方便的办法就是只更换导线来达到,这类导线是以提高导线的运行温度来增加线路输送容量的。
对于采用提高导线运行温度,增加线路输送容量所用的导线,必须具备当导线在高温下使用时,其中导体强度的降低较小,不得大于10%,并应有较优的导电能力;而且当导线在高温下运行时,弧垂的增量应尽量小,需控制在允许的范围内,这就要求作为导线的加强承力件的热膨胀系数应较小,或者采用导线结构的改进,或者利用人为的办法降低导线的综合热膨胀系数等方法来获得。
钢芯铝合金绞线技术参数钢芯铝合金绞线技术参数钢芯铝合金绞线技术参数目录1 JLHA1/G1A-185/30-26/7标准技术参数1-1 JLHA1/G1A-185/30-26/7钢芯铝合金绞线技术参数响应表1-2 JLHA1/G1A-185/30-26/7铝合金单线技术参数响应表1-3 JLHA1/G1A-185/30-26/7镀锌钢线技术参数响应表2 JLHA2/G1A-185/30-26/7标准技术参数2-1 JLHA2/G1A-185/30-26/7钢芯铝合金绞线技术参数响应表2-2 JLHA2/G1A-185/30-26/7铝合金单线技术参数响应表2-3 JLHA2/G1A-185/30-26/7镀锌钢线技术参数响应表3 JLHA1/G1A-240/40-26/7标准技术参数3-1 JLHA1/G1A-240/40-26/7钢芯铝合金绞线技术参数响应表3-2 JLHA1/G1A-240/40-26/7铝合金单线技术参数响应表3-3 JLHA1/G1A-240/40-26/7镀锌钢线技术参数响应表4 JLHA2/G1A-240/40-26/7标准技术参数4-1 JLHA2/G1A-240/40-26/7钢芯铝合金绞线技术参数响应表4-2 JLHA2/G1A-240/40-26/7铝合金单线技术参数响应表4-3 JLHA2/G1A-240/40-26/7镀锌钢线技术参数响应表5 JLHA1/G1A-300/50-26/7标准技术参数5-1 JLHA1/G1A-300/50-26/7钢芯铝合金绞线技术参数响应表5-2 JLHA1/G1A-300/50-26/7铝合金单线技术参数响应表5-3 JLHA1/G1A-300/50-26/7镀锌钢线技术参数响应表6 JLHA2/G1A-300/50-26/7标准技术参数6-1 JLHA2/G1A-300/50-26/7钢芯铝合金绞线技术参数响应表6-2 JLHA2/G1A-300/50-26/7铝合金单线技术参数响应表6-3 JLHA2/G1A-300/50-26/7镀锌钢线技术参数响应表7 JLHA1/G1A-400/50-54/7标准技术参数7-1 JLHA1/G1A-400/50-54/7钢芯铝合金绞线技术参数响应表7-2 JLHA1/G1A-400/50-54/7铝合金单线技术参数响应表7-3 JLHA1/G1A-400/50-54/7镀锌钢线技术参数响应表8 JLHA2/G1A-400/50-54/7标准技术参数8-1 JLHA2/G1A-400/50-54/7钢芯铝合金绞线技术参数响应表8-2 JLHA2/G1A-400/50-54/7铝合金单线技术参数响应表8-3 JLHA2/G1A-400/50-54/7镀锌钢线技术参数响应表9 JLHA1/G1A-400/95-30/19标准技术参数9-1 JLHA1/G1A-400/95-30/19钢芯铝合金绞线技术参数响应表9-2 JLHA1/G1A-400/95-30/19铝合金单线技术参数响应表9-3 JLHA1/G1A-400/95-30/19镀锌钢线技术参数响应表10 JLHA2/G1A-400/95-30/19标准技术参数10-1 JLHA2/G1A-400/95-30/19钢芯铝合金绞线技术参数响应表10-2 JLHA2/G1A-400/95-30/19铝合金单线技术参数响应表10-3 JLHA2/G1A-400/95-30/19镀锌钢线技术参数响应表11 JLHA1/G1A-460/60-54/7标准技术参数11-1 JLHA1/G1A-460/60-54/7钢芯铝合金绞线技术参数响应表11-2 JLHA1/G1A-460/60-54/7铝合金单线技术参数响应表11-3 JLHA1/G1A-460/60-54/7镀锌钢线技术参数响应表12 JLHA2/G1A-460/60-54/7标准技术参数12-1 JLHA2/G1A-460/60-54/7钢芯铝合金绞线技术参数响应表12-2 JLHA2/G1A-460/60-54/7铝合金单线技术参数响应表12-3 JLHA2/G1A-460/60-54/7镀锌钢线技术参数响应表。
浅谈应力转移型导线在架空输电线路中的应用摘要:在目前输电线路发展过程中,应力转移型导线的应用已经变得非常普遍。
应力转移型导线主要是将铝线承受应力转移到钢芯上,进而保证导线在工作状态下,使钢芯承受更多的应力可以改善导线机械力学性能和相关的弧垂特性。
因此本文主要针对应力转移型导线进行分析,并总结其优点以及在现实生活中的实际应用,促进应力转移型导线在架空输电线路中的具体应用发展。
关键词:应力转移;优点;应用一、应力转移型导线的优点随着经济社会的迅速发展,电力的大量供应也变得十分广泛,电力客户的用电需求也日益增大,为了促进输电线路的稳定发展,保证输电线路安全稳定运行,在架空输电线路架设及增容项目实施过程中可以应用应力转移型导线。
应力转移型导线是近两年来迅速发展的一种新型节能型导线,在使用过程中应力转移型导线具有以下众多优点:1、减少能耗使用应力转移型导线,可以在输电过程中尽可能的降低能源损耗,达到节能的作用。
目前在架空输电线路施工过程中使用的导线大多是钢芯铝绞线,钢芯铝绞线的导体为铝导体,其导电率为61%IACS;而应力转移型导线的导体为软铝型线,其导电率63%IACS及以上,其导电率完全优于钢芯铝绞线,导电率越高,其电阻率越小,应力转移型导线在使用过程中可以尽可能的降低输电过程中的能耗,与传统输电线路导线相比,应力转移型导线可以降低2.5%左右的能耗。
2、节省材料使用应力转移型导线可以尽可能的降低老旧线路增容改造过程中的资源浪费现象,传统的老旧线路在增容改造过程中需要改造原来的线路,因此会产生材料浪费的现象。
而通过使用应力转移型导线可以增大老旧线路的输送容量,使线路容量可以达到原先的150%及以上,进而提高老旧线路的使用寿命,以此达到节约材料,降低工程造价成本的效果。
3、延长使用率应力转移型导线的导体材料为铝制品,其形状则为SZ型,这种结构可以在一定程度上提升导线的性能参数,提升抗振动的能力。
同时,使用SZ型线条也可以在一定程度上缓解导线的腐蚀程度,提高导线的全寿命周期,进而保证输电线路的安全稳定进行。
钢芯铝合金绞线的用途钢芯铝合金绞线是一种重要的导线材料,通常用于输电和配电系统中。
它由外层的铝绞线和内层的钢芯组成,钢芯起到增强线缆强度和刚度的作用,而铝绞线则具有良好的导电性能。
首先,钢芯铝合金绞线常用于高压输电线路。
由于钢芯的加入,绞线的强度和刚度得到了显著提高,能够承受更高的张力。
而铝绞线的使用,则可以减轻线路的重量和成本,并且具备良好的导电性能,能够有效地输送电能。
因此,钢芯铝合金绞线广泛应用于电网的高压输电线路中,用于连接变电站、发电厂和城市等地的输电塔。
其次,钢芯铝合金绞线也适用于中压配电系统。
中压配电线路是将高压输电线路的电能传输到用户终端的重要环节,钢芯铝合金绞线在这个环节中发挥着重要作用。
与传统的铜芯绞线相比,钢芯铝合金绞线具有更轻的重量和更低的成本,能够在保证电能传输质量的同时降低工程投资。
因此,钢芯铝合金绞线广泛应用于城市供电网络、工矿企业的配电系统以及农村电网的建设中。
另外,钢芯铝合金绞线也常用于特殊电器设备的连接线路。
特殊电器设备往往要求电缆具有较高的强度和刚度,以便承受设备的运行负载和外部环境的影响。
钢芯铝合金绞线由于钢芯的加入,具备较高的机械强度和稳定性,适用于一些要求较高的特殊电器设备的连接。
例如,一些重型机械设备、起重机、电动机等,都可以使用钢芯铝合金绞线进行连接。
此外,钢芯铝合金绞线也广泛应用于电力工程的施工和维护中。
在电力工程中,通常需要将不同的设备和设施相互连接起来,钢芯铝合金绞线可以提供良好的导电性能和机械强度,以满足电力工程的要求。
此外,钢芯铝合金绞线易于安装和维护,能够降低电力工程的施工难度和维护成本。
综上所述,钢芯铝合金绞线作为一种重要的导线材料,具有广泛的用途。
它常用于高压输电线路、中压配电系统、特殊电器设备的连接线路,以及电力工程的施工和维护中。
钢芯铝合金绞线通过结合铝和钢芯的优势,既能够提供良好的导电性能,又能够保证线缆的强度和刚度,实现了在电力传输和供电系统中的高效、可靠和经济的电能传输。
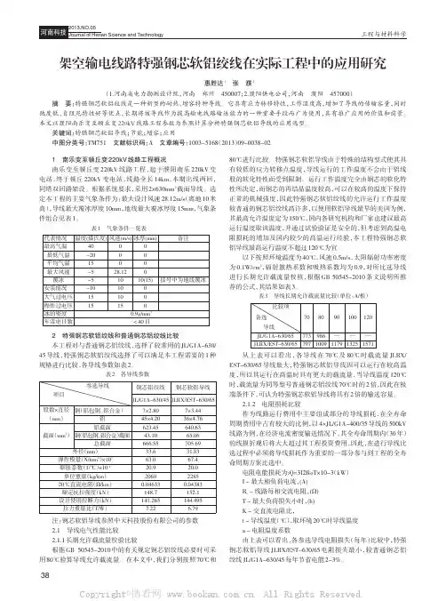
新型特强钢芯软铝绞线在实际工程中的应用作者:谢钢来源:《山东工业技术》2015年第10期摘要:新型特强钢芯软铝绞线的广泛使用,可有效提高输电线路输送能力,具有推广应用的价值和前景。
本文以东莞500kV沙广甲乙线迁改工程为案例,分析特强钢芯软铝导线的应用特点。
关键词:钢芯软铝绞线;优势;技术难点;关键技术;创新点1 前言随着我国国民经济的高速发展,对电力的需求也在迅速的增长。
虽然近几年建设并投产了一大批发电机组,但是输电瓶颈问题一直没有得到很好的解决,特别是城市供电矛盾尤为突出,这其中一个重要的原因是城市及周边的电网建设受到土地供应和线路走势的限制开工不足,无法满足快速增长的城市用电需求。
为了提高输电线路的输送容量,利用现有线路走势尽可能多的输送电力,各国的相关科技人员一直在努力探索新型输电导线,包括耐热铝合金导线、殷钢芯或铝包殷钢芯导线、钢芯铝绞线以及复合加强芯导线等[1,2]。
其中钢芯铝绞线的铝股线是硬铝,而低弧垂软铝导线是63%IACS导电率的全退火软铝线,有显著的节能、增容效果,不仅可以增容50%以上,而且在高温下弧垂下降更小,比普通导线具有低弧垂效果。
以JLRX/EST-500/50型特强钢芯软铝绞线为例,我公司在东莞500kV沙广甲乙线迁改工程中进行了施工,由于JLRX/EST-500/50型特强钢芯软铝绞线独特的结构和受力情况,其施工方法与日常施工方法有较大的不同,为了规范以后同类导线的施工工艺,我公司特组织研制了新型特强钢芯软铝绞线的新架线施工方法。
2 新型特强钢芯软铝绞线优势及技术难点分析通过对钢芯铝绞线4×LGJ-630/45、特强钢芯软铝绞线4×JLRX/EST-500/50和钢芯耐热铝合金绞线4×JNRLH58/G1A-400/50的载流量、机械特性、杆塔外负荷和塔材塔重的全面比较,新型JLRX/EST-500/50特强钢芯软铝绞线的重量较轻--自重力荷载田较小,导线截面积较小--风荷载相应较小,在相同的弧垂时的最大使用张力也较小等优点。
钢芯铝绞线规格型号参数含义1. 你知道钢芯铝绞线规格型号参数的含义吗?就像我们选衣服要看尺码,这钢芯铝绞线的规格型号参数那可太重要啦!比如说,LGJ-185/25 这个型号,185 表示铝线的截面积,25 就是钢芯的截面积。
这就好比人的胳膊和腿,得搭配好了才能干活利索,这线的参数搭配好了才能更好地输电呀!2. 钢芯铝绞线规格型号参数含义,你真搞懂了?想象一下,它就像一个神秘的密码,解开就能掌握输电的关键!比如 LGJ-300/40 这个型号,300 多的铝截面积加上 40 的钢芯截面积,这不就像一个大力士有了强壮的骨骼和结实的肌肉,能扛起更重的电力输送任务嘛!3. 还在为钢芯铝绞线规格型号参数含义头疼?别呀!这就像破解游戏关卡的密码一样有趣!像 LGJ-240/30 型号,240 的铝和 30 的钢芯,这不就像一场精彩的舞蹈,两者默契配合,才能跳出完美的电力传输之舞!4. 你难道不想弄明白钢芯铝绞线规格型号参数含义?这可关乎着电力传输的效率和安全!比如说 LGJ-120/20 这个型号,120 的铝加上 20 的钢芯,是不是就像一辆汽车有了合适的发动机和车身,才能跑得又稳又快!5. 钢芯铝绞线规格型号参数含义,你真的不想深入了解?这简直就是打开电力世界大门的钥匙!就拿 LGJ-95/15 来说,95 的铝和 15 的钢芯,这不就是一个团队里有了核心人物和得力助手,才能出色完成任务!6. 还不了解钢芯铝绞线规格型号参数含义?那可不行!这就像做菜要知道食材的用量一样重要!比如 LGJ-400/50 型号,400 的铝和 50 的钢芯,这不就像一座坚固的大桥有了粗壮的钢梁和厚实的桥面,才能承受住巨大的交通压力!7. 钢芯铝绞线规格型号参数含义,你还没搞清楚?哎呀,这可错过了好多精彩!像 LGJ-70/10 这个型号,70 的铝配上 10 的钢芯,这不就像一只雄鹰有了有力的翅膀和坚强的骨架,才能翱翔天空!8. 难道你对钢芯铝绞线规格型号参数含义不感兴趣?这可太让人意外啦!比如说 LGJ-500/65 型号,500 的铝加上 65 的钢芯,这难道不像一艘巨轮有了强大的动力和坚固的船体,才能在大海中乘风破浪?9. 还没搞懂钢芯铝绞线规格型号参数含义?别着急,这其实很简单!就像我们了解朋友的性格特点一样。