X62W万能铣床电气原理图
- 格式:doc
- 大小:534.50 KB
- 文档页数:17
一、X62W万能铳床电气统造对于象之阳早格格创做X62W型卧式一般铳床电气本理图.该机床公有三台电效果:Ml 是主轴电效果,正在电气上需要真止起动统造与造就赶快停转统造,为了完毕族锦与IR铳,还需要正反转统造,别的还需主轴脚时造动以完毕变速收留历程.M2是处事台进给电效果,X62W万能烧床有火仄处事台战圆形处事台,其中火仄处事台不妨真止纵背进给(有安排二个进给目标)、横背进给(有前后二个进给目标)战降落进给(有上下二个进给目标),圆处事台转化等四个疏通,铢床目前只可举止一个进给疏通(一般铢床上没有克没有及真止二个或者以上多个进给疏通的妖现),通过火仄处事台收配脚柄、圆处事台变换启关、纵背进给收配脚桶、十字复式收配脚柄等选定,选定后M2的正反转便是所选定让给疏通的二个进给目标.YA是赶快牵引电磁铁.当赶快牵引电磁铁线圈通电后,牵引电磁铁通过牵引赶快离合器中的对接统造部件,使火仄处事台与赴怏离合器对接真止赴怏移动,当YA断电时,火仄处事台睨后赶快离合器,回复缓速移现.M3是热切泵电效果,唯有正在主轴电效果Ml起动后,热却泵电效果才搞起现.X62W月能铳床电气元件标记及其功能电气元件标记称呼及用途电气元件标记称呼及用途Ml主轴电效果SQ6进给变速统造启关M2进给电效果SQ7主轴变速造动启关M3热却泵电效果SAl圆处事台变换启关KMl热划泵电效果起停统造交战器SA3热划泵变换启关KM2反接造动统造交微器SA4照明灯启关KM3主电效果起停统造交战器SA5主轴换背启关KM4、KM5进给电效果正转、反转统造交战器QS电源断绝启关KM6快移统造交战器SBkSB2分段正在二处的主轴起动按钮KS速度继电器SB3、SB4分设正在二处的主轴停止按钮YA赶快移助电磁铁线圈SB5、SB6处事台赶快移动按钮R限流电阻FRl主轴电效果热继电器SQI处事台背左进给路程启关FR2进给电效果热维电器SQ2处事台背左进给珞程启关FR3热却泵热继电器SQ3处事台背前、进与进给珞程启关TC变压器SQ4处事台背后、背下进给路程启关FU1~FU4熔断二、能源电路识读1.主轴转化电路三相电源通过FUl熔断器,由电源断绝启关QS引进X62W万能铳床的主电路.正在主轴转化区中,FRl是热继电器的加热元件,起过载呵护效率.KM3主触头关合、KM2主触头断启时,SA5推扰启关有厦铳、停、题籍三个变换位子,分刖统造Ml主电效果的正转、停、反转.一往KM3主触头断启,KM2主触头关合,则电源电流经KM2主触头、二相限流电阻R正在KS速度继电器的机共下真止反接造动.与主电效果共轴拆置的KS速度维电器检测元件对于主电效果举止速度监控,根据主电效果的速度对于接正在统造线路中的速度维电器触头KSLKS2的关合与断启举止统造.2.进给疏通电路KM4主触头关合、KM5主触头断启时,M2电效果正转.反之KM4主触头断后、KM5主触头关适时,则M2电效果反转.M2正反转功夫,KM6主触头处于断后状态时,处事台通过齿轮变速箱中的缓速传动门路与M2电效果相联,处事台做缓速自动进给;一往KM6主触头关合,则YA赴快进给磁铁通电,处事台通过电磁离合器与齿轮变速箱中的赶快疏通传研门路与M2电效果相联,处事台做赶快移动.3.热却泵电路KMl主触头关合,M3热却泵电效果单背运止;KMl断启,则M3停转.主电路中,MkM2、M3均为齐压起动.三、统造线路识读TC变压器的一次侧接进接流电压,二次恻分别接⅛127V与36V二路二相接流电,其中36V供给照明线路,而127V则供给统造线路使用.1.主轴电效果统造1)主轴电效果齐压起动主轴电效果Ml采与齐压起动办法,起动前由推扰启关SA5采用电效果转背,统造线珞中SQ71断后、SQ72关适时主输电效果处正在仄常处事办法.按下SBl或者SB2,通过3、8、12、SBl(或者SB2)、13、14收路,KM3线圈接通,而16区的KM3常启辅帮触头关合产死自能.主轴转化电路中果KM3主触头关合,主电效果Ml 按SA5所选转背起动.2)主轴电弱体造助统造按下SB3或者SB4时,KM3线圈果天圆收路断路而断电,引导主轴转仇电路中KM3主触头断后.由于统造线路的U区与13区别别接进了二个受KS速度维电器统造的触头KSl(正背触头)、KS2(反背触头).按下SB3或者SB4的共时,KSl或者KS2触头中总有一个触头会果主轴转速较下而处于关合状态,即正转造动时KSl关合,而反转造动时KS2关合.正转造动时通过8、SB3、11、9、KM3、10收路,反转造动时通过8、SB4、9、KM3、10收路,皆将使KM2线圈通电,引导主轴转化电路中KM2主触头关合.主轴转化电路中KM3主触头断启的共时,KM2主触头关合,主轴电效果Ml中接进通过限流的反接造动电流,垓电流正在Ml电效果转子中爆收造研转矩,对消KM3主触头断后后转子上的惯性转矩使Ml赴怏落速.当Ml转速靠近整速时,本先脆持关合的KSl或者KS2触头将断启,KM2线圈会果天圆收路断珞而断电,进而即时卸除转子中的造动转矩,使主轴电效果MI停转.SBl与SB3、SB2与SB4二对于按钿分别位于X62W万能铳床二个收配里板上,真止主轴电效果MI的二天收配统造.3)主轴变速造动统造主轴变速时既可正在主轴停转时举止,也可有主轴运止时举止.当主轴处于运止状态,推出变速收配脚桶将使变速启关SQ71、SQ72触动,即SQ71关合、SQ72断启.SQ72率先断启12区中的KM3线圈天圆收路,而后SQ71通过3、7、KM3、10收路,使15区中的KM2线圈通电.主轴转化电路中KM3主触头率先断启、KM2主触头随后关合,主电效果Ml反接造动,转速赶快落矮并停车,包管主轴变速历程成功举止.主轴变速完毕后,推回变速收配脚柄,KM2主触头率先断合,KM3主触头随后关合、主轴电效果Ml正在新转速下沉新运止.2.进给电效果M2统造唯有14-16区中的SBUSB2、KM3三个触头中的一个触头脆持关适时,KM3线圈才搞通电,而线圈KM3通电之后,进给统造区战赶快进给区的统造线珞部分才搞接进电流,即X62W 万能扰床的让给疏通与刀架赶怏疏通惟有正在主输电效果起现运止后才搞举止.1)火仄处事台以背进给统造火仄处事台安排纵背进给前,机床把持里板上的十字复合脚桶报到“中间”位子,使处事台与横背前后进给板滞离合器、共时与上下降落进给板滞离合器脱启;而圆处事台变换启关SAl 置于“断启”位子,使圆处事台与圆处事台转化板滞离合器也处于脱启状态.以上收配完毕后,火仄处事台安排以背进给疏通便可通过纵背收配脚柄与路程启关SQlSSQ2推扰统造.纵背收配脚柄有左、停、左三个收配位子.当脚柄板到“中间”位子时,纵背板滞离合器脱启,路程启关SQll(19区)、SQ12(20区)、SQ21(21区)、SQ22(20区)没有受压,KM4与KM5线图均处于断电状态,主电路中KM4与KM5主触头断后,电效果M2没有克没有反转化,处事台处于停止状态.纵背脚柄扳到“左”位时,将台上纵背进给板滞离合器,使路程启关SQl压下(SQII关合、SQ12断启).果SAl置于“断启”位,引导SAll关合,通过SQ62、SQ42、SQ32、SAlkSQlk17、18的收路使KM4线圈通电,电效果M2正转,处事台左移.纵背脚柄扳到“左”位时,将压下SQ2而使SQ21关合、SQ22断启,通过SQ62、SQ42、SQ32、SAll、SQ21、19、20的收路使KM5线圈通电,电效果M2反转,处事台左移.2)火仄处事台横背进给统造当纵背脚柄板到“中间”位子、圆形处事台变换启关置于“断启”位子时,SAlKSA13接通,处事台进给疏通便通过十字复合脚柄分歧处事位于采用以及SQ3、SQ4推优决定.十字复合即柄扳到“前”位时,将台上横背进给板滞离合器并压下SQ3而使SQ31关合、SQ32断启,果SAILSA13接通,S以经15、SA13s SQ22、SQI2、16、SAlKSQ31、17、18的收路使KM4线圈通电,电效果M2正转,处事台横背前移.十字复合脚柄板到“后”位时,将合上横背进给板滞离合器并压下SQ4而使SQ41关合、SQ42断启,果SA11、SA13接通,S以经15、SAI3、SQ22、SQ12s16、SAILSQ41、19、20的收路使KM5线圈通电,电效果M2反转,处事台横背后移.3)火仄处事台降落进给统造十字复合脚柄板到“上”位时,将合降下落进给板滞离合器并压下SQ3而使SQ31关合、SQ32断启,果SAlUSA13接通,S以经15、SAI3、SQ22、SQ12s16、SAILSQ31、KM5常关辅帮触头的收路使KM4线圈通电,电效果M2正转,处事台上移.十字复合脚柄板到“后”位时,将合降下落进给板滞离合器并压下SQ4而使SQ41关合、SQ42断启,果SAlUSA13接通,S以经15、SAI3、SQ22、SQI2、16、SAll s SQ4KKM4常关辅帮触头的收路使KM5线圈通电,电效果M2反转,处事台下移.4)火仄处事台正在安排、前后、上下任一个目标移幼时,若按下SB5或者SB6,KM6线圈通电,主电路中果KM6主触头关合引导牵引电磁铁线圈YA通电,于是火仄处事台接上赶快离合器而往所采用的目标赶快移研.当SB5或者SB6按钮紧后时,赶快移动停止并回复缓速移现状态.牵引电磁铁的结构睹图37.5)火仄处事台进给联城统造如果展展只对于纵背收配脚柄(采用左、左进给目标)与十字复合收配删柄(采用前、后、上、下进给目标)中的一个脚柄举止收配,必定只可采用一种进给疏通目标,而如果其时收配二个脚柄,便须通过电气互锁预防火仄处事台的疏通搞涉..由于受纵背脚柄统造的SQ22、SQ12常关触头串接正在20区的一条收路中,而受十字复合收配脚桶统造的SQ42、SQ32常关触头串接正在19区的一条收路中,假若共时收和纵背收配脚柄与十字复合收配脚桶,二条收珞将共时切断,KM4与KM5线圈均没有克没有及通电,处事台启动电效果M2便没有克没有及起动运止.6)火仄处事台进给变速统造变速时背中推出统造处事台变速的蘑菇形脚轮,将触动启关SQ6使SQ62率先断启,线圈KM4或者KM5断电;随后SQ61再关合,KM4线圈通过15、SQ61、17、KM4线圈、KM5常关触头收路通电,引导M2瞬时停转,随即正转.若M2处于停转状态,则上述收配引导M2正转.蘑菇形脚轮转化至所需进给速度后,再将脚轮推回本位,那一收配历程中,SQ61率先断启,SQ62随后关合,火仄处事台以新的进给速度移动.7)圆形处事台疏通统造为了夸大X62W万能就床的加工本领,可正在火仄处事台上拆置圆形处事台.使用圆形处事台时,处事台纵背收配脚柄与十字复合收配脚桶均处于中间位于,圆形处事台变换启关SAl则置于“接通”位,此时SA12关合、SAll战SAB断后,通过15、SQ62、SQ42、SQ32、16、SQl2、SQ22、SAI2、17、18的收路使KM4线圈通电,电效果M2正转并戴助圆形处事台单背回转,其回转速度也可通过变速脚轮安排.由于圆形处事台统造收相中串联了SQ42、SQ32、SQI2、SQ22等常关辅帮触头,S以扳动火仄处事台任性一个目标的进给收配脚桶时,皆将使圆形处事台停止回转疏通.3.热却泵电效果M3统造SA3变换后关置于“启”位时,KMl线圈通电,热却泵主电路中KMI主触头关合,热却泵电效果M3起动供液.而SA3置于“关”位时,M3停止供液.4.照明线路与呵护关节机床局部照明由TC变压器供给36V仄安电压,变换启关SA4统造照明灯.当主轴电效果MI过载时,FRI动做断启所有统造线路的电源;进给电效果M2过载时,由FR2动做断启自己的统造电源;而当热划泵电效果M3过我时,FR3动做便可断启M2、M3的统造电源.FUKFU2真止主电路的短路呵护,FU3真止统造电路的短路呵护,而FU4则用于真止照明线路的短路呵护.。
一、X62W万能铣床电气控制对象之欧侯瑞魂创作X62W型卧式普通铣床电气原理图.该机床共有三台电念头:M1是主轴电念头, 在电气上需要实现起动控制与制动快速停转控制, 为了完成顺铣与逆铣, 还需要正反转控制, 另外还需主轴临时制动以完成变速把持过程.M2是工作台进给电念头, X62W万能铣床有水平工作台和圆形工作台, 其中水平工作台可以实现纵向进给(有左右两个进给方向)、横向进给(有前后两个进给方向)和升降进给(有上下两个进给方向), 圆工作台转动等四个运动, 铣床以后只能进行一个进给运动(普通铣床上不能实现二个或以上多个进给运动的联动), 通过水平工作台把持手柄、圆工作台转换开关、纵向进给把持手柄、十字复式把持手柄等选定, 选定后M2的正反转就是所选定进给运动的两个进给方向.YA是快速牵引电磁铁.当快速牵引电磁铁线圈通电后, 牵引电磁铁通过牵引快速离合器中的连接控制部件, 使水平工作台与快速离合器连接实现快速移动, 当YA断电时, 水平工作台脱开快速离合器, 恢复慢速移动.M3是冷却泵电念头, 只有在主轴电念头M1起动后, 冷却泵电念头才华起动.X62W万能铣床电气元件符号及其功能电气元件符号名称及用途电气元件符号名称及用M1主轴电念头 SQ6进给变速控制开关M2进给电念头 SQ7主轴变速制动开关M3冷却泵电念头 SA1圆工作台转换开关KM1冷却泵电念头起停控制接触器 SA3冷却泵转换开关KM2反接制动控制接触器 SA4照明灯开关KM3主电念头起停控制接触器 SA5主轴换向开关KM4、KM5进给电念头正转、反转控制接触器 QS电源隔离开关KM6快移控制接触器 SB1、SB2分设在两处的主轴起动按钮KS速度继电器 SB3、SB4分设在两处的主轴停止按钮YA快速移动电磁铁线圈 SB5、SB6工作台快速移动按钮R限流电阻 FR1主轴电念头热继电器SQ1工作台向右进给行程开关 FR2进给电念头热继电器SQ2工作台向左进给行程开关 FR3冷却泵热继电器 SQ3工作台向前、向上进给行程开关 TC变压器SQ4工作台向后、向下进给行程开关 FU1~FU4熔断二、动力电路识读1.主轴转动电路三相电源通过FU1熔断器, 由电源隔离开关QS引入X62W万能铣床的主电路.在主轴转动区中, FR1是热继电器的加热元件, 起过载呵护作用.KM3主触头闭合、KM2主触头断开时, SA5组合开关有顺铣、停、逆铣三个转换位置, 分别控制M1主电念头的正转、停、反转.一旦KM3主触头断开, KM2主触头闭合, 则电源电流经KM2主触头、两相限流电阻R在KS速度继电器的配合下实现反接制动.与主电念头同轴装置的KS速度继电器检测元件对主电念头进行速度监控, 根据主电念头的速度对接在控制线路中的速度继电器触头KS1、KS2的闭合与断开进行控制.2.进给运动电路KM4主触头闭合、KM5主触头断开时, M2电念头正转.反之KM4主触头断开、KM5主触头闭合时, 则M2电念头反转.M2正反转期间, KM6主触头处于断开状态时, 工作台通过齿轮变速箱中的慢速传动路线与M2电念头相联, 工作台作慢速自动进给;一旦KM6主触头闭合, 则YA快速进给磁铁通电, 工作台通过电磁离合器与齿轮变速箱中的快速运动传动路线与M2电念头相联, 工作台作快速移动.3.冷却泵电路KM1主触头闭合, M3冷却泵电念头单向运转;KM1断开, 则M3停转.主电路中, M1、M2、M3均为全压起动.三、控制线路识读TC变压器的一次侧接入交流电压, 二次侧分别接出127V与36V两路二相交流电, 其中36V供给照明线路, 而127V 则供给控制线路使用.1.主轴电念头控制1)主轴电念头全压起动主轴电念头M1采纳全压起动方式, 起动前由组合开关SA5选择电念头转向, 控制线路中SQ71断开、SQ72闭合时主轴电念头处在正常工作方式.按下SB1或SB2, 通过3、8、12、SB1(或SB2)、13、14支路, KM3线圈接通, 而16区的KM3常开辅助触头闭合形成自锁.主轴转动电路中因KM3主触头闭合, 主电念头M1按SA5所选转向起动.2)主轴电念头制动控制按下SB3或SB4时, KM3线圈因所在支路断路而断电, 招致主轴转动电路中KM3主触头断开.由于控制线路的11区与13区分别接入了两个受KS速度继电器控制的触头KS1(正向触头)、KS2(反向触头).按下SB3或SB4的同时, KS1或KS2触头中总有一个触头会因主轴转速较高而处于闭合状态, 即正转制动时KS1闭合, 而反转制动时KS2闭合.正转制动时通过8、SB3、11、9、KM3、10支路, 反转制动时通过8、SB4、9、KM3、10支路, 都将使KM2线圈通电, 招致主轴转动电路中KM2主触头闭合.主轴转动电路中KM3主触头断开的同时, KM2主触头闭合, 主轴电念头M1中接入经过限流的反接制动电流, 该电流在M1电念头转子中发生制动转矩, 抵消KM3主触头断开后转子上的惯性转矩使M1迅速降速.当M1转速接近零速时, 原先坚持闭合的KS1或KS2触头将断开, KM2线圈会因所在支路断路而断电, 从而及时卸除转子中的制动转矩, 使主轴电念头M1停转.SB1与SB3、SB2与SB4两对按钮分别位于X62W万能铣床两个把持面板上, 实现主轴电念头M1的两地把持控制.3)主轴变速制动控制主轴变速时既可在主轴停转时进行, 也可有主轴运转时进行.当主轴处于运转状态, 拉出变速把持手柄将使变速开关SQ71、SQ72震动, 即SQ71闭合、SQ72断开.SQ72率先断开12区中的KM3线圈所在支路, 然后SQ71通过3、7、KM3、10支路, 使15区中的KM2线圈通电.主轴转动电路中KM3主触头率先断开、KM2主触头随后闭合, 主电念头M1反接制动, 转速迅速降低并停车, 保证主轴变速过程顺利进行.主轴变速完成后, 推回变速把持手柄, KM2主触头率先断合, KM3主触头随后闭合、主轴电念头M1在新转速下重新运转.2.进给电念头M2控制只有14~16区中的SB1、SB2、KM3三个触头中的一个触头坚持闭合时, KM3线圈才华通电, 而线圈KM3通电之后, 进给控制区和快速进给区的控制线路部份才华接入电流, 即X62W万能铣床的进给运动与刀架快速运动只有在主轴电念头起动运转后才华进行.1)水平工作台纵向进给控制水平工作台左右纵向进给前, 机床把持面板上的十字复合手柄扳到“中间”位置, 使工作台与横向前后进给机械离合器、同时与上下升降进给机械离合器脱开;而圆工作台转换开关SA1置于“断开”位置, 使圆工作台与圆工作台转念头械离合器也处于脱开状态.以上把持完成后, 水平工作台左右纵向进给运动就可通过纵向把持手柄与行程开关SQ1和SQ2组合控制.纵向把持手柄有左、停、右三个把持位置.当手柄扳到“中间”位置时, 纵向机械离合器脱开, 行程开关SQ11(19区)、SQ12(20区)、SQ21(21区)、SQ22(20区)不受压, KM4与KM5线圈均处于断电状态, 主电路中KM4与KM5主触头断开, 电念头M2不能转动, 工作台处于停止状态.纵向手柄扳到“右”位时, 将合上纵向进给机械离合器, 使行程开关SQ1压下(SQ11闭合、SQ12断开).因SA1置于“断开”位, 招致SA11闭合, 通过SQ62、SQ42、SQ32、SA11、SQ11、17、18的支路使KM4线圈通电, 电念头M2正转, 工作台右移.纵向手柄扳到“左”位时, 将压下SQ2而使SQ21闭合、SQ22断开, 通过SQ62、SQ42、SQ32、SA11、SQ21、19、20的支路使KM5线圈通电, 电念头M2反转, 工作台左移.2)水平工作台横向进给控制当纵向手柄扳到“中间”位置、圆形工作台转换开关置于“断开”位置时, SA11、SA13接通, 工作台进给运动就通过十字复合手柄分歧工作位置选择以及SQ3、SQ4组合确定.十字复合手柄扳到“前”位时, 将合上横向进给机械离合器并压下SQ3而使SQ31闭合、SQ32断开, 因SA11、SA13接通, 所以经15、SA13、SQ22、SQ12、16、SA11、SQ31、17、18的支路使KM4线圈通电, 电念头M2正转, 工作台横向前移.十字复合手柄扳到“后”位时, 将合上横向进给机械离合器并压下SQ4而使SQ41闭合、SQ42断开, 因SA11、SA13接通, 所以经15、SA13、SQ22、SQ12、16、SA11、SQ41、19、20的支路使KM5线圈通电, 电念头M2反转, 工作台横向后移.3)水平工作台升降进给控制十字复合手柄扳到“上”位时, 将合上升降进给机械离合器并压下SQ3而使SQ31闭合、SQ32断开, 因SA11、SA13接通, 所以经15、SA13、SQ22、SQ12、16、SA11、SQ31、KM5常闭辅助触头的支路使KM4线圈通电, 电念头M2正转, 工作台上移.十字复合手柄扳到“后”位时, 将合上升降进给机械离合器并压下SQ4而使SQ41闭合、SQ42断开, 因SA11、SA13接通, 所以经15、SA13、SQ22、SQ12、16、SA11、SQ41、KM4常闭辅助触头的支路使KM5线圈通电, 电念头M2反转, 工作台下移.4)水平工作台在左右、前后、上下任一个方向移动时, 若按下SB5或SB6, KM6线圈通电, 主电路中因KM6主触头闭合招致牵引电磁铁线圈YA通电, 于是水平工作台接上快速离合器而朝所选择的方向快速移动.当SB5或SB6按钮松开时, 快速移动停止并恢复慢速移动状态.牵引电磁铁的结构见图3-7.5)水平工作台进给联锁控制如果每次只对纵向把持手柄(选择左、右进给方向)与十字复合把持手柄(选择前、后、上、下进给方向)中的一个手柄进行把持, 肯定只能选择一种进给运动方向, 而如果同时把持两个手柄, 就须通过电气互锁防止水平工作台的运动干涉..由于受纵向手柄控制的SQ22、SQ12常闭触头串接在20区的一条支路中, 而受十字复合把持手柄控制的SQ42、SQ32常闭触头串接在19区的一条支路中, 假如同时把持纵向把持手柄与十字复合把持手柄, 两条支路将同时切断, KM4与KM5线圈均不能通电, 工作台驱动电念头M2就不能起动运转.6)水平工作台进给变速控制变速时向外拉出控制工作台变速的蘑菇形手轮, 将震动开关SQ6使SQ62率先断开, 线圈KM4或KM5断电;随后SQ61再闭合, KM4线圈通过15、SQ61、17、KM4线圈、KM5常闭触头支路通电, 招致M2瞬时停转, 随即正转.若M2处于停转状态, 则上述把持招致M2正转.蘑菇形手轮转动至所需进给速度后, 再将手轮推回原位, 这一把持过程中, SQ61率先断开, SQ62随后闭合, 水平工作台以新的进给速度移动.7)圆形工作台运动控制为了扩年夜X62W万能铣床的加工能力, 可在水平工作台上装置圆形工作台.使用圆形工作台时, 工作台纵向把持手柄与十字复合把持手柄均处于中间位置, 圆形工作台转换开关SA1则置于“接通”位, 此时SA12闭合、SA11和SA13断开, 通过15、SQ62、SQ42、SQ32、16、SQ12、SQ22、SA12、17、18的支路使KM4线圈通电, 电念头M2正转并带动圆形工作台单向回转, 其回转速度也可通过变速手轮调节.由于圆形工作台控制支路中串连了SQ42、SQ32、SQ12、SQ22等常闭辅助触头, 所以扳动水平工作台任意一个方向的进给把持手柄时, 都将使圆形工作台停止回转运动.3.冷却泵电念头M3控制SA3转换开关置于“开”位时, KM1线圈通电, 冷却泵主电路中KM1主触头闭合, 冷却泵电念头M3起动供液.而SA3置于“关”位时, M3停止供液.4.照明线路与呵护环节机床局部照明由TC变压器供给36V平安电压, 转换开关SA4控制照明灯.当主轴电念头M1过载时,FR1举措断开整个控制线路的电源;进给电念头M2过载时, 由FR2举措断开自身的控制电源;而当冷却泵电念头M3过载时, FR3举措就可断开M2、M3的控制电源.FU1、FU2实现主电路的短路呵护, FU3实现控制电路的短路呵护, 而FU4则用于实现照明线路的短路呵护.。
X62W 万能铣床1 / 342 /341、床身2、主轴3、刀杆4、横梁5、刀杆支架6、作台7、回转盘8、横溜板9、升降台10、基座3 / 344 / 34机床检修控制线路授课主要内容1、人门指导2、线路特点3、运动形式4、分析电路工作原理5、故障分析及检修6、检修注意事项●X62W型万能铣床电气控制线路检修●课题要求● 1、技术理论知识:掌握X62W型万能铣床控制原理和运动形式,熟悉各元件位置,掌握检修方法,排除故障步骤,检修注意事项● 2、实际技术操作:根据原理图及运动形式,用仪表按检修步骤及检修工艺要求检修排除故障,要求在定额时5 / 34间内完成检修任务。
● 3、设备、工量具准备:电工工具、500万用表、摇表● 4、材料准备:组合开关、熔断器、接触器、热继电器、按钮、行程、开关、倒顺开关、电阻、变压器、导线,号码管、灯座● 5、示范操作准备:安装板一块三相异步电动机三台三相电源,在板上示范检修操作等。
●●实验要求:1、提前15分钟进入教室绘好图,做好上课前准备工作2、学生进入课室后先清点学生人数,填写考勤记录,巡查学生工作服、鞋子等是否符合实习安全要求。
3、强调实习课堂纪律,安装检修时安全注意事项。
4、课间休息不允许用电工工具开玩笑。
5、不允许损坏公物。
6、通电时必须有老师在场,并经老师同意才允许通电。
7、通电检修时电工工具必须放好,手不允许在通电检修台上乱指。
8、通电检修完毕后,检查所有开关断开后方可离开。
6 / 34宣布今天的实习内容、技术要求、工时、劳动纪律。
工具:常用电工工具。
仪表:500型万用表、摇表提问:X62W型万能铣床主要有几种进给方式?检修时有哪些安全注意事项?●导入新课题● X62W万能铣床是一种通用的多用途机床,它可以用圆柱铣刀,圆片铣刀,角度铣刀,成型铣刀及端面铣刀等刀具各种零件进行平面、斜面、螺旋面及成型表面的加工,还可以加装万能铣头,分度头和圆工作台等机床附件来扩大加工范围。
X62W万能铣床电路图2010-10-06 06:47:14 作者:260c 来源:网络浏览次数:217 网友评论 0 条中1/1张图片介绍:X62W万能铣床是一种通用的多用途机床,它可以进行平面、斜面、螺旋面及成型表面的加工,它采用继电接触器电路实现电气控制。
PLC专为工业环境应用而设计,其显著的特点之一就是可靠性高,抗干扰能力强。
将X62W万能铣床电气控制线路改造为可编程控制器控制,可以提高整个电气控制系统的工作性能,减少维护、维修的工作量。
1 X62W万能铣床的控制要求及电气控制线路分析X62W万能铣床共用3台异步电动机拖动,它们分别是主轴电动机M1、进给电动机M2和冷却泵电动机M3。
X62W万能铣床的电路如图1所示,该线路分为主电路、控制电路和照明电路三部分。
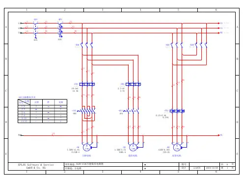
电气控制线路的工作原理如下:图1万能铣床电气原理图1.1 主电路分析主轴电动机M1拖动主轴带动铣刀进行铣削加工,通过组合开关SA3来实现正反转;进给电动机M2通过操纵手柄和机械离合器的配合拖动工作台前后、左右、上下6个方向的进给运动和快速移动,其正反转由接触器KM3、KM4来实现;冷却泵电动机M3供应切削液,且当M1启动后,用手动开关QS2控制;3台电动机共用熔断器FU1作短路保护,3台电动机分别用热继电器FR1、FR2、FR3作过载保护。
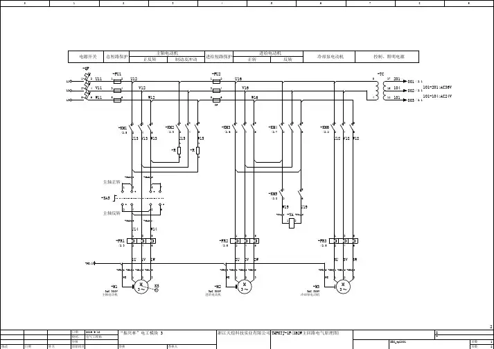
1.2 控制电路分析控制电路的电源由控制变压器TC输出110V电压供电。
⑴主轴电动机M1的控制主轴电动机M1的两地控制由启动停止按钮SB1、SB2与SB5、SB6完成。
KM1是主轴电动机启动接触器,YC1是主轴制动用的电磁离合器,SQ1是主轴变速时瞬时点动的位置开关。
⑵进给电动机M2的控制工作台的进给运动在主轴启动后方可进行。
工作台的进给可在3个坐标的6个方向运动,进给运动是通过两个操作手柄和机械联动机构控制相应的位置开关使进给电动机M2正转或反转来实现的,并且6个方向的运动是联锁的,不能同时接通。
X62W万能铣床的实训说明一、X62W万能铣床实训的基本组成1、面板1面板上安装有机床的所有主令电器及动作指示灯、机床的所有操作都在这块面板上进行,指示灯可以指示机床的相应动作。
2、面板2面板上装有断路器、熔断器、接触器、热继电器、变压器等元器件,这些元器件直接安装在面板表面,可以很直观的看它们的动作情况。
3、电动机三个380V三相鼠笼异步电动机,分别用作主轴电动机、进给电动机和冷却泵电动机。
4、故障开关箱设有32个开关,其中K1到K29用于故障设置;K30到K31四个开关保留;K32用作指示灯开关,可以用来设置机床动作指示与不指示。
二、原理图三、机床分析1、机床的主要结构及运动形式(1)主要结构由床身、主轴、刀杆、横梁、工作台、回转盘、横溜板和升降台等几部分组成,如右图所示。
(2)运动形式1)主轴转动是由主轴电动机通过弹性联轴器来驱动传动机构,当机构中的一个双联滑动齿轮块啮合时,主轴即可旋转。
1)工作台面的移动是由进给电动机驱动,它通过机械机构使工作台能进行三种形式六个方向的移动,即:工作台面能直接在溜板上部可转动部分的导轨上作纵向(左、右)移动;工作台面借助横溜板作横向(前、后)移动;工作台面还能借助升降台作垂直(上、下)移动。
2、机床对电气线路的主要要求(1)机床要求有三台电动机,分别称为主轴电动机、进给电动机和冷却泵电动机。
(2)由于加工时有顺铣和逆铣两种,所以要求主轴电动机能正反转及在变速时能瞬时冲动一下,以利于齿轮的啮合,并要求还能制动停车和实现两地控制。
(3)工作台的三种运动形式、六个方向的移动是依靠机械的方法来达到的,对进给电动机要求能正反转,且要求纵向、横向、垂直三种运动形式相互间应有联锁,以确保操作安全。
同时要求工作台进给变速时,电动机也能瞬间冲动、快速进给及两地控制等要求。
(4)冷却泵电动机只要求正转。
(5)进给电动机与主轴电动机需实现两台电动的联锁控制,即主轴工作后才能进行进给。
一、X62W万能铣床电气控制对象之迟辟智美创作X62W型卧式普通铣床电气原理图.该机床共有三台电念头:M1是主轴电念头,在电气上需要实现起动控制与制动快速停转控制,为了完成顺铣与逆铣,还需要正反转控制,另外还需主轴临时制动以完成变速把持过程.M2是工作台进给电念头,X62W万能铣床有水平工作台和圆形工作台,其中水平工作台可以实现纵向进给(有左右两个进给方向)、横向进给(有前后两个进给方向)和升降进给(有上下两个进给方向),圆工作台转动等四个运动,铣床以后只能进行一个进给运动(普通铣床上不能实现二个或以上多个进给运动的联动),通过水平工作台把持手柄、圆工作台转换开关、纵向进给把持手柄、十字复式把持手柄等选定,选定后M2的正反转就是所选定进给运动的两个进给方向.YA是快速牵引电磁铁.当快速牵引电磁铁线圈通电后,牵引电磁铁通过牵引快速离合器中的连接控制部件,使水平工作台与快速离合器连接实现快速移动,当YA断电时,水平工作台脱开快速离合器,恢复慢速移动.M3是冷却泵电念头,只有在主轴电念头M1起动后,冷却泵电念头才华起动.X62W万能铣床电气元件符号及其功能电气元件符号名称及用途电气元件符号名称及用途M1主轴电念头 SQ6进给变速控制开关M2进给电念头 SQ7主轴变速制动开关M3冷却泵电念头 SA1圆工作台转换开关KM1冷却泵电念头起停控制接触器SA3冷却泵转换开关KM2反接制动控制接触器 SA4照明灯开关KM3主电念头起停控制接触器 SA5主轴换向开关KM4、KM5进给电念头正转、反转控制接触器QS 电源隔离开关KM6快移控制接触器SB1、SB2分设在两处的主轴起动按钮KS速度继电器SB3、SB4分设在两处的主轴停止按钮YA快速移动电磁铁线圈SB5、SB6工作台快速移动按钮R限流电阻 FR1主轴电念头热继电器SQ1工作台向右进给行程开关FR2进给电念头热继电器SQ2工作台向左进给行程开关 FR3冷却泵热继电器 SQ3工作台向前、向上进给行程开关 TC变压器SQ4工作台向后、向下进给行程开关FU1~FU4熔断器二、动力电路识读1.主轴转动电路三相电源通过FU1熔断器,由电源隔离开关QS引入X62W万能铣床的主电路.在主轴转动区中,FR1是热继电器的加热元件,起过载呵护作用.KM3主触头闭合、KM2主触头断开时,SA5组合开关有顺铣、停、逆铣三个转换位置,分别控制M1主电念头的正转、停、反转.一旦KM3主触头断开,KM2主触头闭合,则电源电流经KM2主触头、两相限流电阻R在KS速度继电器的配合下实现反接制动.与主电念头同轴装置的KS速度继电器检测元件对主电念头进行速度监控,根据主电念头的速度对接在控制线路中的速度继电器触头KS1、KS2的闭合与断开进行控制.2.进给运动电路KM4主触头闭合、KM5主触头断开时,M2电念头正转.反之KM4主触头断开、KM5主触头闭合时,则M2电念头反转.M2正反转期间,KM6主触头处于断开状态时,工作台通过齿轮变速箱中的慢速传动路线与M2电念头相联,工作台作慢速自动进给;一旦KM6主触头闭合,则YA快速进给磁铁通电,工作台通过电磁离合器与齿轮变速箱中的快速运动传动路线与M2电念头相联,工作台作快速移动. 3.冷却泵电路KM1主触头闭合,M3冷却泵电念头单向运转;KM1断开,则M3停转.主电路中,M1、M2、M3均为全压起动.三、控制线路识读TC变压器的一次侧接入交流电压,二次侧分别接出127V与36V两路二相交流电,其中36V供给照明线路,而127V则供给控制线路使用.1.主轴电念头控制1)主轴电念头全压起动主轴电念头M1采纳全压起动方式,起动前由组合开关SA5选择电念头转向,控制线路中SQ71断开、SQ72闭合时主轴电念头处在正常工作方式.按下SB1或SB2,通过3、8、12、SB1(或SB2)、13、14支路,KM3线圈接通,而16区的KM3常开辅助触头闭合形成自锁.主轴转动电路中因KM3主触头闭合,主电念头M1按SA5所选转向起动.2)主轴电念头制动控制按下SB3或SB4时,KM3线圈因所在支路断路而断电,招致主轴转动电路中KM3主触头断开.由于控制线路的11区与13区分别接入了两个受KS 速度继电器控制的触头KS1(正向触头)、KS2(反向触头).按下SB3或SB4的同时,KS1或KS2触头中总有一个触头会因主轴转速较高而处于闭合状态,即正转制动时KS1闭合,而反转制动时KS2闭合.正转制动时通过8、SB3、11、9、KM3、10支路,反转制动时通过8、SB4、9、KM3、10支路,都将使KM2线圈通电,招致主轴转动电路中KM2主触头闭合.主轴转动电路中KM3主触头断开的同时,KM2主触头闭合,主轴电念头M1中接入经过限流的反接制动电流,该电流在M1电念头转子中发生制动转矩,抵消KM3主触头断开后转子上的惯性转矩使M1迅速降速.当M1转速接近零速时,原先坚持闭合的KS1或KS2触头将断开,KM2线圈会因所在支路断路而断电,从而及时卸除转子中的制动转矩,使主轴电念头M1停转.SB1与SB3、SB2与SB4两对按钮分别位于X62W万能铣床两个把持面板上,实现主轴电念头M1的两地把持控制.3)主轴变速制动控制主轴变速时既可在主轴停转时进行,也可有主轴运转时进行.当主轴处于运转状态,拉出变速把持手柄将使变速开关SQ71、SQ72震动,即SQ71闭合、SQ72断开.SQ72率先断开12区中的KM3线圈所在支路,然后SQ71通过3、7、KM3、10支路,使15区中的KM2线圈通电.主轴转动电路中KM3主触头率先断开、KM2主触头随后闭合,主电念头M1反接制动,转速迅速降低并停车,保证主轴变速过程顺利进行.主轴变速完成后,推回变速把持手柄,KM2主触头率先断合,KM3主触头随后闭合、主轴电念头M1在新转速下重新运转.2.进给电念头M2控制只有14~16区中的SB1、SB2、KM3三个触头中的一个触头坚持闭合时,KM3线圈才华通电,而线圈KM3通电之后,进给控制区和快速进给区的控制线路部份才华接入电流,即X62W万能铣床的进给运动与刀架快速运动只有在主轴电念头起动运转后才华进行.1)水平工作台纵向进给控制水平工作台左右纵向进给前,机床把持面板上的十字复合手柄扳到“中间”位置,使工作台与横向前后进给机械离合器、同时与上下升降进给机械离合器脱开;而圆工作台转换开关SA1置于“断开”位置,使圆工作台与圆工作台转念头械离合器也处于脱开状态.以上把持完成后,水平工作台左右纵向进给运动就可通过纵向把持手柄与行程开关SQ1和SQ2组合控制.纵向把持手柄有左、停、右三个把持位置.当手柄扳到“中间”位置时,纵向机械离合器脱开,行程开关SQ11(19区)、SQ12(20区)、SQ21(21区)、SQ22(20区)不受压,KM4与KM5线圈均处于断电状态,主电路中KM4与KM5主触头断开,电念头M2不能转动,工作台处于停止状态.纵向手柄扳到“右”位时,将合上纵向进给机械离合器,使行程开关SQ1压下(SQ11闭合、SQ12断开).因SA1置于“断开”位,招致SA11闭合,通过SQ62、SQ42、SQ32、SA11、SQ11、17、18的支路使KM4线圈通电,电念头M2正转,工作台右移.纵向手柄扳到“左”位时,将压下SQ2而使SQ21闭合、SQ22断开,通过SQ62、SQ42、SQ32、SA11、SQ21、19、20的支路使KM5线圈通电,电念头M2反转,工作台左移.2)水平工作台横向进给控制当纵向手柄扳到“中间”位置、圆形工作台转换开关置于“断开”位置时,SA11、SA13接通,工作台进给运动就通过十字复合手柄分歧工作位置选择以及SQ3、SQ4组合确定.十字复合手柄扳到“前”位时,将合上横向进给机械离合器并压下SQ3而使SQ31闭合、SQ32断开,因SA11、SA13接通,所以经15、SA13、SQ22、SQ12、16、SA11、SQ31、17、18的支路使KM4线圈通电,电念头M2正转,工作台横向前移.十字复合手柄扳到“后”位时,将合上横向进给机械离合器并压下SQ4而使SQ41闭合、SQ42断开,因SA11、SA13接通,所以经15、SA13、SQ22、SQ12、16、SA11、SQ41、19、20的支路使KM5线圈通电,电念头M2反转,工作台横向后移.3)水平工作台升降进给控制十字复合手柄扳到“上”位时,将合上升降进给机械离合器并压下SQ3而使SQ31闭合、SQ32断开,因SA11、SA13接通,所以经15、SA13、SQ22、SQ12、16、SA11、SQ31、KM5常闭辅助触头的支路使KM4线圈通电,电念头M2正转,工作台上移.十字复合手柄扳到“后”位时,将合上升降进给机械离合器并压下SQ4而使SQ41闭合、SQ42断开,因SA11、SA13接通,所以经15、SA13、SQ22、SQ12、16、SA11、SQ41、KM4常闭辅助触头的支路使KM5线圈通电,电念头M2反转,工作台下移.4)水平工作台在左右、前后、上下任一个方向移动时,若按下SB5或SB6,KM6线圈通电,主电路中因KM6主触头闭合招致牵引电磁铁线圈YA通电,于是水平工作台接上快速离合器而朝所选择的方向快速移动.当SB5或SB6按钮松开时,快速移动停止并恢复慢速移动状态.牵引电磁铁的结构见图37.5)水平工作台进给联锁控制如果每次只对纵向把持手柄(选择左、右进给方向)与十字复合把持手柄(选择前、后、上、下进给方向)中的一个手柄进行把持,肯定只能选择一种进给运动方向,而如果同时把持两个手柄,就须通过电气互锁防止水平工作台的运动干涉..由于受纵向手柄控制的SQ22、SQ12常闭触头串接在20区的一条支路中,而受十字复合把持手柄控制的SQ42、SQ32常闭触头串接在19区的一条支路中,假如同时把持纵向把持手柄与十字复合把持手柄,两条支路将同时切断,KM4与KM5线圈均不能通电,工作台驱动电念头M2就不能起动运转.6)水平工作台进给变速控制变速时向外拉出控制工作台变速的蘑菇形手轮,将震动开关SQ6使SQ62率先断开,线圈KM4或KM5断电;随后SQ61再闭合,KM4线圈通过15、SQ61、17、KM4线圈、KM5常闭触头支路通电,招致M2瞬时停转,随即正转.若M2处于停转状态,则上述把持招致M2正转.蘑菇形手轮转动至所需进给速度后,再将手轮推回原位,这一把持过程中,SQ61率先断开,SQ62随后闭合,水平工作台以新的进给速度移动.7)圆形工作台运动控制为了扩年夜X62W万能铣床的加工能力,可在水平工作台上装置圆形工作台.使用圆形工作台时,工作台纵向把持手柄与十字复合把持手柄均处于中间位置,圆形工作台转换开关SA1则置于“接通”位,此时SA12闭合、SA11和SA13断开,通过15、SQ62、SQ42、SQ32、16、SQ12、SQ22、SA12、17、18的支路使KM4线圈通电,电念头M2正转并带动圆形工作台单向回转,其回转速度也可通过变速手轮调节.由于圆形工作台控制支路中串连了SQ42、SQ32、SQ12、SQ22等常闭辅助触头,所以扳动水平工作台任意一个方向的进给把持手柄时,都将使圆形工作台停止回转运动.3.冷却泵电念头M3控制SA3转换开关置于“开”位时,KM1线圈通电,冷却泵主电路中KM1主触头闭合,冷却泵电念头M3起动供液.而SA3置于“关”位时,M3停止供液.4.照明线路与呵护环节机床局部照明由TC变压器供给36V平安电压,转换开关SA4控制照明灯.当主轴电念头M1过载时,FR1举措断开整个控制线路的电源;进给电念头M2过载时,由FR2举措断开自身的控制电源;而当冷却泵电念头M3过载时,FR3举措就可断开M2、M3的控制电源.FU1、FU2实现主电路的短路呵护,FU3实现控制电路的短路呵护,而FU4则用于实现照明线路的短路呵护.。
一、X62W万能铣床电气控制对象X62W型卧式普通铣床电气原理图。
该机床共有三台电动机:M1是主轴电动机,在电气上需要实现起动控制与制动快速停转控制,为了完成顺铣与逆铣,还需要正反转控制,此外还需主轴临时制动以完成变速操作过程。
M2是工作台进给电动机,X62W万能铣床有水平工作台和圆形工作台,其中水平工作台可以实现纵向进给(有左右两个进给方向)、横向进给(有前后两个进给方向)和升降进给(有上下两个进给方向),圆工作台转动等四个运动,铣床当前只能进行一个进给运动(普通铣床上不能实现二个或以上多个进给运动的联动),通过水平工作台操作手柄、圆工作台转换开关、纵向进给操作手柄、十字复式操作手柄等选定,选定后M2的正反转就是所选定进给运动的两个进给方向。
YA是快速牵引电磁铁。
当快速牵引电磁铁线圈通电后,牵引电磁铁通过牵引快速离合器中的连接控制部件,使水平工作台与快速离合器连接实现快速移动,当YA断电时,水平工作台脱开快速离合器,恢复慢速移动。
M3是冷却泵电动机,只有在主轴电动机M1起动后,冷却泵电动机才能起动。
X62W万能铣床电气元件符号及其功能电气元件符号名称及用途电气元件符号名称及用途M1主轴电动机 SQ6进给变速控制开关M2进给电动机 SQ7主轴变速制动开关M3冷却泵电动机 SA1圆工作台转换开关KM1冷却泵电动机起停控制接触器 SA3冷却泵转换开关KM2反接制动控制接触器 SA4照明灯开关KM3主电动机起停控制接触器 SA5主轴换向开关KM4、KM5进给电动机正转、反转控制接触器 QS电源隔离开关KM6快移控制接触器 SB1、SB2分设在两处的主轴起动按钮KS速度继电器 SB3、SB4分设在两处的主轴停止按钮YA快速移动电磁铁线圈 SB5、SB6工作台快速移动按钮R限流电阻 FR1主轴电动机热继电器SQ1工作台向右进给行程开关 FR2进给电动机热继电器SQ2工作台向左进给行程开关 FR3冷却泵热继电器SQ3工作台向前、向上进给行程开关 TC变压器SQ4工作台向后、向下进给行程开关 FU1~FU4熔断器二、动力电路识读1.主轴转动电路三相电源通过FU1熔断器,由电源隔离开关QS引入X62W万能铣床的主电路。
一、X62W万能铣床电气控制对象X62W型卧式普通铣床电气原理图。
该机床共有三台电动机:M1是主轴电动机,在电气上需要实现起动控制与制动快速停转控制,为了完成顺铣与逆铣,还需要正反转控制,此外还需主轴临时制动以完成变速操作过程。
M2是工作台进给电动机,X62W万能铣床有水平工作台和圆形工作台,其中水平工作台可以实现纵向进给(有左右两个进给方向)、横向进给(有前后两个进给方向)和升降进给(有上下两个进给方向),圆工作台转动等四个运动,铣床当前只能进行一个进给运动(普通铣床上不能实现二个或以上多个进给运动的联动),通过水平工作台操作手柄、圆工作台转换开关、纵向进给操作手柄、十字复式操作手柄等选定,选定后M2的正反转就是所选定进给运动的两个进给方向。
YA是快速牵引电磁铁。
当快速牵引电磁铁线圈通电后,牵引电磁铁通过牵引快速离合器中的连接控制部件,使水平工作台与快速离合器连接实现快速移动,当YA断电时,水平工作台脱开快速离合器,恢复慢速移动。
M3是冷却泵电动机,只有在主轴电动机M1起动后,冷却泵电动机才能起动。
X62W万能铣床电气元件符号及其功能电气元件符号名称及用途电气元件符号名称及用途M1主轴电动机SQ6进给变速控制开关M2进给电动机SQ7主轴变速制动开关M3冷却泵电动机SA1圆工作台转换开关KM1冷却泵电动机起停控制接触器SA3冷却泵转换开关KM2反接制动控制接触器SA4照明灯开关KM3主电动机起停控制接触器SA5主轴换向开关KM4、KM5进给电动机正转、反转控制接触器QS电源隔离开关KM6快移控制接触器SB1、SB2分设在两处的主轴起动按钮KS速度继电器SB3、SB4分设在两处的主轴停止按钮YA快速移动电磁铁线圈SB5、SB6工作台快速移动按钮R限流电阻FR1主轴电动机热继电器SQ1工作台向右进给行程开关FR2进给电动机热继电器SQ2工作台向左进给行程开关FR3冷却泵热继电器SQ3工作台向前、向上进给行程开关TC变压器SQ4工作台向后、向下进给行程开关FU1~FU4熔断器二、动力电路识读1.主轴转动电路三相电源通过FU1熔断器,由电源隔离开关QS引入X62W万能铣床的主电路。
X62W万能铣床电⽓控制原理图及过程⼀、X62W 万能铣床电⽓控制对象X62W 型卧式普通铣床电⽓原理图。
该机床共有三台电动机:M1 是主轴电动机,在电⽓上需要实现起动控制与制动快速停转控制,为了完成顺铣与逆铣,还需要正反转控制,此外还需主轴临时制动以完成变速操作过程。
M2 是⼯作台进给电动机,X62W 万能铣床有⽔平⼯作台和圆形⼯作台,其中⽔平⼯作台可以实现纵向进给(有左右两个进给⽅向)、横向进给(有前后两个进给⽅向)和升降进给(有上下两个进给⽅向),圆⼯作台转动等四个运动,铣床当前只能进⾏⼀个进给运动(普通铣床上不能实现⼆个或以上多个进给运动的联动),通过⽔平⼯作台操作⼿柄、圆⼯作台转换开关、纵向进给操作⼿柄、⼗字复式操作⼿柄等选定,选定后M2 的正反转就是所选定进给运动的两个进给⽅向。
YA 是快速牵引电磁铁。
当快速牵引电磁铁线圈通电后,牵引电磁铁通过牵引快速离合器中的连接控制部件,使⽔平⼯作台与快速离合器连接实现快速移动,当YA 断电时,⽔平⼯作台脱开快速离合器,恢复慢速移动。
M3 是冷却泵电动机,只有在主轴电动机M1 起动后,冷却泵电动机才能起动。
X62W 万能铣床电⽓元件符号及其功能电⽓元件符号名称及⽤途电⽓元件符号名称及⽤途M1 主轴电动机SQ6 进给变速控制开关M2 进给电动机SQ7 主轴变速制动开关M3 冷却泵电动机SA1 圆⼯作台转换开关KM1 冷却泵电动机起停控制接触器SA3 冷却泵转换开关KM2 反接制动控制接触器SA4 照明灯开关KM3 主电动机起停控制接触器SA5 主轴换向开关KM4 、KM5 进给电动机正转、反转控制接触器QS 电源隔离开关KM6 快移控制接触器SB1、SB2 分设在两处的主轴起动按钮KS 速度继电器SB3、SB4分设在两处的主轴停⽌按钮YA 快速移动电磁铁线圈SB5、SB6 ⼯作台快速移动按钮R 限流电阻FR1 主轴电动机热继电器SQ1 ⼯作台向右进给⾏程开关FR2 进给电动机热继电器SQ2 ⼯作台向左进给⾏程开关FR3 冷却泵热继电器SQ3 ⼯作台向前、向上进给⾏程开关TC 变压器SQ4 ⼯作台向后、向下进给⾏程开关FU1~FU4 熔断器&ff^t 圭铺施射挖解屯 J S 师 W1 2 3 4 5 6 T薛如杲怏速堆堵⽼转前下右吕 9 10 11 12 15 1-1 15 16 1T 13 19 ?0 21 22 22m ⽇T5気sEM 列⼚淡忌Ki 2—D - 5 Ei1A 2 _z 2 £12s LIL Ijn* .TL2212通⼆、动⼒电路识读1.主轴转动电路三相电源通过FU1 熔断器,由电源隔离开关QS 引⼊X62W 万能铣床的主电路。
一、X62W全能铣床电气控制对象之杨若古兰创作X62W型卧式普通铣床电气道理图.该机床共有三台电动机:M1是主轴电动机,在电气上须要实现起动控制与制动快速停转控制,为了完成顺铣与逆铣,还须要正反转控制,此外还需主轴临时制动以完成变速操纵过程.M2是工作台进给电动机,X62W全能铣床有水平工作台和圆形工作台,其中水平工作台可以实现纵向进给(有摆布两个进给方向)、横向进给(有前后两个进给方向)和升降进给(有上下两个进给方向),圆工作台动弹等四个活动,铣床当前只能进行一个进给活动(普通铣床上不克不及实现二个或以上多个进给活动的联动),通过水平工作台操纵手柄、圆工作台转换开关、纵向进给操纵手柄、十字复式操纵手柄等选定,选定后M2的正反转就是所选定进给活动的两个进给方向.YA是快速牵引电磁铁.当快速牵引电磁铁线圈通电后,牵引电磁铁通过牵引快速离合器中的连接控制部件,使水平工作台与快速离合器连接实现快速挪动,当YA断电时,水平工作台脱开快速离合器,恢复慢速挪动.M3是冷却泵电动机,只要在主轴电动机M1起动后,冷却泵电动机才干起动.X62W全能铣床电气元件符号及其功能电气元件符号名称及用处电气元件符号名称及用处M1主轴电动机 SQ6进给变速控制开关M2进给电动机 SQ7主轴变速制动开关M3冷却泵电动机 SA1圆工作台转换开关KM1冷却泵电动机起停控制接触器SA3冷却泵转换开关KM2反接制动控制接触器 SA4照明灯开关KM3主电动机起停控制接触器 SA5主轴换向开关KM4、KM5进给电动机正转、反转控制接触器QS 电源隔离开关KM6快移控制接触器 SB1、SB2分设在两处的主轴起动按钮KS速度继电器SB3、SB4分设在两处的主轴停止按钮YA快速挪动电磁铁线圈SB5、SB6工作台快速挪动按钮R限流电阻 FR1主轴电动机热继电器SQ1工作台向右进给行程开关FR2进给电动机热继电器SQ2工作台向左进给行程开关 FR3冷却泵热继电器 SQ3工作台向前、向上进给行程开关 TC变压器SQ4工作台向后、向下进给行程开关FU1~FU4熔断器二、动力电路识读1.主轴动弹电路三相电源通过FU1熔断器,由电源隔离开关QS引入X62W全能铣床的主电路.在主轴动弹区中,FR1是热继电器的加热元件,起过载呵护感化.KM3主触头闭合、KM2主触头断开时,SA5组合开关有顺铣、停、逆铣三个转换地位,分别控制M1主电动机的正转、停、反转.一旦KM3主触头断开,KM2主触头闭合,则电源电流经KM2主触头、两相限流电阻R在KS速度继电器的配合下实现反接制动.与主电动机同轴安装的KS速度继电器检测元件对主电动机进行速度监控,根据主电动机的速度对接在控制线路中的速度继电器触头KS1、KS2的闭合与断开进行控制. 2.进给活动电路KM4主触头闭合、KM5主触头断开时,M2电动机正转.反之KM4主触头断开、KM5主触头闭合时,则M2电动机反转.M2正反转期间,KM6主触头处于断开形态时,工作台通过齿轮变速箱中的慢速传动路线与M2电动机相联,工作台作慢速主动进给;一旦KM6主触头闭合,则YA快速进给磁铁通电,工作台通过电磁离合器与齿轮变速箱中的快速活动传动路线与M2电动机相联,工作台作快速挪动. 3.冷却泵电路KM1主触头闭合,M3冷却泵电动机单向运转;KM1断开,则M3停转.主电路中,M1、M2、M3均为全压起动.三、控制线路识读TC变压器的一次侧接入交流电压,二次侧分别接出127V与36V两路二订交流电,其中36V供给照明线路,而127V则供给控制线路使用.1.主轴电动机控制1)主轴电动机全压起动主轴电动机M1采取全压起动方式,起动前由组合开关SA5选择电动机转向,控制线路中SQ71断开、SQ72闭合时主轴电动机处在正常工作方式.按下SB1或SB2,通过3、8、12、SB1(或SB2)、13、14歧路,KM3线圈接通,而16区的KM3常开辅助触头闭合构成自锁.主轴动弹电路中因KM3主触头闭合,主电动机M1按SA5所选转向起动.2)主轴电动机制动控制按下SB3或SB4时,KM3线圈因所在歧路断路而断电,导致主轴动弹电路中KM3主触头断开.因为控制线路的11区与13区分别接入了两个受KS速度继电器控制的触头KS1(正向触头)、KS2(反向触头).按下SB3或SB4的同时,KS1或KS2触头中总有一个触头会因主轴转速较高而处于闭合形态,即正转制动时KS1闭合,而反转制动时KS2闭合.正转制动时通过8、SB3、11、9、KM3、10歧路,反转制动时通过8、SB4、9、KM3、10歧路,都将使KM2线圈通电,导致主轴动弹电路中KM2主触头闭合.主轴动弹电路中KM3主触头断开的同时,KM2主触头闭合,主轴电动机M1中接入经过限流的反接制动电流,该电流在M1电动机转子中发生制动转矩,抵消KM3主触头断开后转子上的惯性转矩使M1敏捷降速.当M1转速接近零速时,本来坚持闭合的KS1或KS2触头将断开,KM2线圈会因所在歧路断路而断电,从而及时卸除转子中的制动转矩,使主轴电动机M1停转.SB1与SB3、SB2与SB4两对按钮分别位于X62W全能铣床两个操纵面板上,实现主轴电动机M1的两地操纵控制.3)主轴变速制动控制主轴变速时既可在主轴停转时进行,也可有主轴运转时进行.当主轴处于运转形态,拉出变速操纵手柄将使变速开关SQ71、SQ72触动,即SQ71闭合、SQ72断开.SQ72率先断开12区中的KM3线圈所在歧路,然后SQ71通过3、7、KM3、10歧路,使15区中的KM2线圈通电.主轴动弹电路中KM3主触头率先断开、KM2主触头随后闭合,主电动机M1反接制动,转速敏捷降低并停车,包管主轴变速过程顺利进行.主轴变速完成后,推回变速操纵手柄,KM2主触头率先断合,KM3主触头随后闭合、主轴电动机M1在新转速下从头运转.2.进给电动机M2控制只要14~16区中的SB1、SB2、KM3三个触头中的一个触头坚持闭合时,KM3线圈才干通电,而线圈KM3通电以后,进给控制区和快速进给区的控制线路部分才干接入电流,即X62W全能铣床的进给活动与刀架快速活动只要在主轴电动机起动运转后才干进行.1)水平工作台纵向进给控制水平工作台摆布纵向进给前,机床把持面板上的十字复合手柄扳到“两头”地位,使工作台与横向前后进给机械离合器、同时与上下升降进给机械离合器脱开;而圆工作台转换开关SA1置于“断开”地位,使圆工作台与圆工作台动弹机械离合器也处于脱开形态.以上操纵完成后,水平工作台摆布纵向进给活动就可通过纵向操纵手柄与行程开关SQ1和SQ2组合控制.纵向操纵手柄有左、停、右三个操纵地位.当手柄扳到“两头”地位时,纵向机械离合器脱开,行程开关SQ11(19区)、SQ12(20区)、SQ21(21区)、SQ22(20区)不受压,KM4与KM5线圈均处于断电形态,主电路中KM4与KM5主触头断开,电动机M2不克不及动弹,工作台处于停止形态.纵向手柄扳到“右”位时,将合上纵向进给机械离合器,使行程开关SQ1压下(SQ11闭合、SQ12断开).因SA1置于“断开”位,导致SA11闭合,通过SQ62、SQ42、SQ32、SA11、SQ11、17、18的歧路使KM4线圈通电,电动机M2正转,工作台右移.纵向手柄扳到“左”位时,将压下SQ2而使SQ21闭合、SQ22断开,通过SQ62、SQ42、SQ32、SA11、SQ21、19、20的歧路使KM5线圈通电,电动机M2反转,工作台左移.2)水平工作台横向进给控制当纵向手柄扳到“两头”地位、圆形工作台转换开关置于“断开”地位时,SA11、SA13接通,工作台进给活动就通过十字复合手柄分歧工作地位选择和SQ3、SQ4组合确定.十字复合手柄扳到“前”位时,将合上横向进给机械离合器并压下SQ3而使SQ31闭合、SQ32断开,因SA11、SA13接通,所以经15、SA13、SQ22、SQ12、16、SA11、SQ31、17、18的歧路使KM4线圈通电,电动机M2正转,工作台横向前移.十字复合手柄扳到“后”位时,将合上横向进给机械离合器并压下SQ4而使SQ41闭合、SQ42断开,因SA11、SA13接通,所以经15、SA13、SQ22、SQ12、16、SA11、SQ41、19、20的歧路使KM5线圈通电,电动机M2反转,工作台横向后移.3)水平工作台升降进给控制十字复合手柄扳到“上”位时,将合上升降进给机械离合器并压下SQ3而使SQ31闭合、SQ32断开,因SA11、SA13接通,所以经15、SA13、SQ22、SQ12、16、SA11、SQ31、KM5常闭辅助触头的歧路使KM4线圈通电,电动机M2正转,工作台上移.十字复合手柄扳到“后”位时,将合上升降进给机械离合器并压下SQ4而使SQ41闭合、SQ42断开,因SA11、SA13接通,所以经15、SA13、SQ22、SQ12、16、SA11、SQ41、KM4常闭辅助触头的歧路使KM5线圈通电,电动机M2反转,工作台下移.4)水平工作台在摆布、前后、上下任一个方向挪动时,若按下SB5或SB6,KM6线圈通电,主电路中因KM6主触头闭合导致牵引电磁铁线圈YA通电,因而水平工作台接上快速离合器而朝所选择的方向快速挪动.当SB5或SB6按钮松开时,快速挪动停止并恢复慢速挪动形态.牵引电磁铁的结构见图37.5)水平工作台进给联锁控制如果每次只对纵向操纵手柄(选择左、右进给方向)与十字复合操纵手柄(选择前、后、上、下进给方向)中的一个手柄进行操纵,必定只能选择一种进给活动方向,而如果同时操纵两个手柄,就须通过电气互锁防止水平工作台的活动干涉..因为受纵向手柄控制的SQ22、SQ12常闭触头串接在20区的一条歧路中,而受十字复合操纵手柄控制的SQ42、SQ32常闭触头串接在19区的一条歧路中,假如同时操纵纵向操纵手柄与十字复合操纵手柄,两条歧路将同时切断,KM4与KM5线圈均不克不及通电,工作台驱动电动机M2就不克不及起动运转.6)水平工作台进给变速控制变速时向外拉出控制工作台变速的蘑菇形手轮,将触动开关SQ6使SQ62率先断开,线圈KM4或KM5断电;随后SQ61再闭合,KM4线圈通过15、SQ61、17、KM4线圈、KM5常闭触头歧路通电,导致M2瞬时停转,随即正转.若M2处于停转形态,则上述操纵导致M2正转.蘑菇形手轮动弹至所需进给速度后,再将手轮推回原位,这一操纵过程中,SQ61率先断开,SQ62随后闭合,水平工作台以新的进给速度挪动.7)圆形工作台活动控制为了扩大X62W全能铣床的加工能力,可在水平工作台上安装圆形工作台.使用圆形工作台时,工作台纵向操纵手柄与十字复合操纵手柄均处于两头地位,圆形工作台转换开关SA1则置于“接通”位,此时SA12闭合、SA11和SA13断开,通过15、SQ62、SQ42、SQ32、16、SQ12、SQ22、SA12、17、18的歧路使KM4线圈通电,电动机M2正转并带动圆形工作台单向回转,其回转速度也可通过变速手轮调节.因为圆形工作台控制歧路中串联了SQ42、SQ32、SQ12、SQ22等常闭辅助触头,所以扳动水平工作台任意一个方向的进给操纵手柄时,都将使圆形工作台停止回转活动.3.冷却泵电动机M3控制SA3转换开关置于“开”位时,KM1线圈通电,冷却泵主电路中KM1主触头闭合,冷却泵电动机M3起动供液.而SA3置于“关”位时,M3停止供液.4.照明线路与呵护环节机床局部照明由TC变压器供给36V平安电压,转换开关SA4控制照明灯.当主轴电动机M1过载时,FR1动作断开全部控制线路的电源;进给电动机M2过载时,由FR2动作断开本身的控制电源;而当冷却泵电动机M3过载时,FR3动作就可断开M2、M3的控制电源.FU1、FU2实现主电路的短路呵护,FU3实现控制电路的短路呵护,而FU4则用于实现照明线路的短路呵护.。
一、X62W万能铣床电气控制对象之答禄夫天创作X62W型卧式普通铣床电气原理图。
该机床共有三台电动机:M1是主轴电动机,在电气上需要实现起动控制与制动快速停转控制,为了完成顺铣与逆铣,还需要正反转控制,此外还需主轴临时制动以完成变速操纵过程。
M2是工作台进给电动机,X62W万能铣床有水平工作台和圆形工作台,其中水平工作台可以实现纵向进给(有左右两个进给方向)、横向进给(有前后两个进给方向)和升降进给(有上下两个进给方向),圆工作台转动等四个运动,铣床当前只能进行一个进给运动(普通铣床上不克不及实现二个或以上多个进给运动的联动),通过水平工作台操纵手柄、圆工作台转换开关、纵向进给操纵手柄、十字复式操纵手柄等选定,选定后M2的正反转就是所选定进给运动的两个进给方向。
YA是快速牵引电磁铁。
当快速牵引电磁铁线圈通电后,牵引电磁铁通过牵引快速离合器中的连接控制部件,使水平工作台与快速离合器连接实现快速移动,当YA断电时,水平工作台脱开快速离合器,恢复慢速移动。
M3是冷却泵电动机,只有在主轴电动机M1起动后,冷却泵电动机才干起动。
X62W万能铣床电气元件符号及其功能电气元件符号名称及用途电气元件符号名称及用M1主轴电动机 SQ6进给变速控制开关M2进给电动机 SQ7主轴变速制动开关M3冷却泵电动机 SA1圆工作台转换开关KM1冷却泵电动机起停控制接触器 SA3冷却泵转换开关KM2反接制动控制接触器 SA4照明灯开关KM3主电动机起停控制接触器 SA5主轴换向开关KM4、KM5进给电动机正转、反转控制接触器 QS电源隔离开关KM6快移控制接触器 SB1、SB2分设在两处的主轴起动按钮KS速度继电器 SB3、SB4分设在两处的主轴停止按钮YA快速移动电磁铁线圈 SB5、SB6工作台快速移动按钮R限流电阻 FR1主轴电动机热继电器SQ1工作台向右进给行程开关 FR2进给电动机热继电器SQ2工作台向左进给行程开关 FR3冷却泵热继电器 SQ3工作台向前、向上进给行程开关 TC变压器SQ4工作台向后、向下进给行程开关 FU1~FU4熔断二、动力电路识读1.主轴转动电路三相电源通过FU1熔断器,由电源隔离开关QS引入X62W万能铣床的主电路。
X62W万能铣床的实训说明一、X62W万能铣床实训的基本组成1、面板1面板上安装有机床的所有主令电器及动作指示灯、机床的所有操作都在这块面板上进行,指示灯可以指示机床的相应动作。
2、面板2面板上装有断路器、熔断器、接触器、热继电器、变压器等元器件,这些元器件直接安装在面板表面,可以很直观的看它们的动作情况。
3、电动机三个380V三相鼠笼异步电动机,分别用作主轴电动机、进给电动机和冷却泵电动机。
4、故障开关箱设有32个开关,其中K1到K29用于故障设置;K30到K31四个开关保留;K32用作指示灯开关,可以用来设置机床动作指示与不指示。
二、原理图三、机床分析1、机床的主要结构及运动形式(1)主要结构由床身、主轴、刀杆、横梁、工作台、回转盘、横溜板和升降台等几部分组成,如右图所示。
(2)运动形式1)主轴转动是由主轴电动机通过弹性联轴器来驱动传动机构,当机构中的一个双联滑动齿轮块啮合时,主轴即可旋转。
1)工作台面的移动是由进给电动机驱动,它通过机械机构使工作台能进行三种形式六个方向的移动,即:工作台面能直接在溜板上部可转动部分的导轨上作纵向(左、右)移动;工作台面借助横溜板作横向(前、后)移动;工作台面还能借助升降台作垂直(上、下)移动。
2、机床对电气线路的主要要求(1)机床要求有三台电动机,分别称为主轴电动机、进给电动机和冷却泵电动机。
(2)由于加工时有顺铣和逆铣两种,所以要求主轴电动机能正反转及在变速时能瞬时冲动一下,以利于齿轮的啮合,并要求还能制动停车和实现两地控制。
(3)工作台的三种运动形式、六个方向的移动是依靠机械的方法来达到的,对进给电动机要求能正反转,且要求纵向、横向、垂直三种运动形式相互间应有联锁,以确保操作安全。
同时要求工作台进给变速时,电动机也能瞬间冲动、快速进给及两地控制等要求。
(4)冷却泵电动机只要求正转。
(5)进给电动机与主轴电动机需实现两台电动的联锁控制,即主轴工作后才能进行进给。
3.电气控制线路分析机床电气控制线路见图。
电气原理图是由主电路、控制电路和照明电路三部分组成。
(1)主电路有三台电动机。
M1是主轴电动机;M2是进给电动机;M3是冷却泵电动机。
1)主轴电动机M1通过换相开关SA5与接触器KM1配合,能进行正反转控制,而与接触器KM2﹑制动电阻器R及速度继电器的配合,能实现串电阻瞬时冲动和正反转反接制动控制,并能通过机械进行变速。
2)进给电动机M2能进行正反转控制,通过接触器KM3、KM4与行程开关及KM5、牵引电磁铁YA配合,能实现进给变速时的瞬时冲动、六个方向的常速进给和快速进给控制。
3)冷却泵电动机M3只能正转。
4)熔断器FU1作机床总短路保护,也兼作M1的短路保护;FU2作为M2、M3及控制变压器TC、照明灯EL的短路保护;热继电器FR1、FR2、FR3分别作为M1、M2、M3的过载保护。
(2)控制电路1)主轴电动机的控制(电路见图1)①SB1、SB3与SB2、SB4是分别装在机床两边的停止(制动)和启动按钮,实现两地控制,方便操作。
②KM1是主轴电动机启动接触器,KM2是反接制动和主轴变速冲动接触器。
③SQ7是与主轴变速手柄联动的瞬时动作行程开关。
④主轴电动机需启动时,要先将SA5扳到主轴电动机所需要的旋转方向,然后再按启动按钮SB3或SB4来启动电动机M1。
⑤M1启动后,速度继电器KS的一副常开触点闭合,为主轴电动机的停转制动作好准备。
⑥停车时,按停止按钮SB1或SB2切断KM1电路,接通KM2电路,改变M1的电源相序进行串电阻反接制动。
当M1的转速低于120转/分时,速度继电器KS的一副常开触点恢复断开,切断KM2电路,M1停转,制动结束。
据以上分析可写出主轴电机转动(即按SB3或SB4)时控制线路的通路:1-2-3-7-8-9-10-KM1线圈-O ;主轴停止与反接制动(即按SB1或SB2)时的通路:1-2-3-4-5-6-KM2线圈-O⑦主轴电动机变速时的瞬动(冲动)控制,是利用变速手柄与冲动行程开关SQ7通过机械上联动机构进行控制的。
变速时,先下压变速手柄,然后拉到前面,当快要落到第二道槽时,转动变速盘,选择需要的转速。
此时凸轮压下弹簧杆,使冲动行程SQ7的常闭触点先断开,切断KM1线圈的电路,电动机M1断电;同时SQ7的常开触点后接通,KM2线圈得电动作,M1被反接制动。
当手柄拉到第二道槽时,SQ7不受凸轮控制而复位,M1停转。
接着把手柄从第二道槽推回原始位置时,(2 主轴变速冲动控制示意图)凸轮又瞬时压动行程开关SQ7,使M1反向瞬时冲动一下,以利于变速后的齿轮啮合。
(图2是主轴变速冲动控制示意图)但要注意,不论是开车还是停车时,都应以较快的速度把手柄推回原始位置,以免通电时间过长,引起M1转速过高而打坏齿轮。
2)工作台进给电动机的控制,工作台的纵向、横向和垂直运动都由进给电动机M2驱动,接触器KM3和KM4使M2实现正反转,用以改变进给运动方向。
它的控制电路采用了与纵向运动机械操作手柄联动的行程开关SQ1、SQ2和横向及垂直运动机械操作手柄联动的行程开关SQ3、SQ4、组成复合联锁控制。
即在选择三种运动形式的六个方向移动时,只能进行其中一个方向的移动,以确保操作安全,当这两个机械操作手柄都在中间位置时,各行程开关都处于未压的原始状态,如书中附图所示。
由原理图可知:M2电机在主轴电机M1起动后才能进行工作。
在机床接通电源后,将控制圆工作台的组合开关SA3-2(21-19)扳到断开状态,使触点SA3-1(17-18)和SA3-3(11-21)闭合,然后按下SB3或SB4,这时接触器KM1吸合,使KM1(8-12)闭合,就可进行工作台的进给控制。
①工作台纵向(左右)运动的控制,工作台的纵向运动是由进给电动机M2驱动,由纵向操纵手柄来控制。
此手柄是复式的,一个安装在工作台底座的顶面中央部位,另一个安装在工作台底座的左下方。
手柄有三个:向左、向右、零位。
当手柄扳到向右或向左运动方向时,手柄的联动机构压下行程SQ2或SQ1,使接触器KM4或KM3动作,控制进给电动机M2的转向。
工作台左右运动的行程,可通过调整安装在工作台两端的撞铁位置来实现。
当工作台纵向运动到极限位置时,撞铁撞动纵向操纵手柄,使它回到零位,M2停转,工作台停止运动,从而实现了纵向终端保护。
工作台向左运动:在M1启动后,将纵向操作手柄扳至向右位置,一方面机械接通纵向离合器,同时在电气上压下SQ2,使SQ2-2断,SQ2-1通,而其他控制进给运动的行程开关都处于原始位置,此时使KM4吸合,M2反转,工作台向右进给运动。
其控制电路的通路为:11-15-16-17-18-24-25-KM4线圈-O,工作台向右运动:当纵向操纵手柄扳至向左位置时,机械上仍然接通纵向进给离合器,但却压动了行程开关SQ1,使SQ1-2断,SQ1-1通,使KM3吸合,M2正转,工作台向右进给运动,其通路为:11-15-16-17-18-19-20-KM3线圈-O 。
②工作台垂直(上下)和横向(前后)运动的控制:工作台的垂直和横向运动,由垂直和横向进给手柄操纵。
此手柄也是复式的,有两个完全相同的手柄分别装在工作台左侧的前、后方。
手柄的联动机械一方面压下行程开关SQ3或SQ4,同时能接通垂直或横向进给离合器。
操纵手柄有五个位置(上、下、前、后、中间),五个位置是联锁的,工作台的上下和前后的终端保护是利用装在床身导轨旁与工作台座上的撞铁,将操纵十字手柄撞到中间位置,使M2断电停转。
工作台向后(或者向上)运动的控制:将十字操纵手柄扳至向后(或者向上)位置时,机械上接通横向进给(或者垂直进给)离合器,同时压下SQ3,使SQ3-2断,SQ3-1通,使KM3吸合,M2正转,工作台向后(或者向上)运动。
其通路为:11-21-22-17-18-19-20-KM3线圈-O;工作台向后(或者向上)运动的控制:将十字操纵手柄扳至向前(或者向下)位置时,机械上接通横向进给(或者垂直进给)离合器,同时压下SQ4,使SQ4-2断,SQ4-1通,使KM4吸合,M2反转,工作台向前(或者向下)运动。
其通路为:11-21-22-17-18-24-25-KM4线圈-O。
③进给电动机变速时的瞬动(冲动)控制:变速时,为使齿轮易于啮合,进给变速与主轴变速一样,设有变速冲动环节。
当需要进行进给变速时,应将转速盘的蘑菇形手轮向外拉出并转动转速盘,把所需进给量的标尺数字对准箭头,然后再把蘑菇形手轮用力向外拉到极限位置并随即推向原位,就在一次操纵手轮的同时,其连杆机构二次瞬时压下行程开关SQ6,使KM3瞬时吸合,M2作正向瞬动。
其通路为:11-21-22-17-16-15-19-20-KM3线圈O,由于进给变速瞬时冲动的通电回路要经过SQ1-SQ4四个行程开关的常闭触点,因此只有当进给运动的操作手柄都在中间(停止)位置时,才能实现进给变速冲动控制,以保证操作时的安全。
同时,与主轴变速时冲动控制一样,电动机的通电时间不能太长,以防止转速过高,在变速时打坏齿轮。
④工作台的快速进给控制:为提高劳动生产率,要求铣床在不作铣切加工时,工作台能快速移动。
来驱动,在纵向、横向和垂直三种运动工作台快速进给也是由进给电动机M2形式六个方向上都可以实现快速进给控制。
主轴电动机启动后,将进给操纵手柄扳到所需位置,工作台按照选定的速度和方向作常速进给移动时,再按下快速进给按钮SB5(或SB6),使接触器KM5通电吸合,接通牵引电磁铁YA,电磁铁通过杠杆使摩擦离合器合上,减少中间传动装置,使工作台按运动方向作快速进给运动。
当松开快速进给按钮时,电磁铁YA 断电,摩擦离合器断开,快速进给运动停止,工作台仍按原常速进给时的速度继续运动。
3)圆工作台运动的控制:铣床如需铣切螺旋槽、弧形槽等曲线时,可在工作台上安装圆形工作台及其传动机械,圆形工作台的回转运动也是由进给电动机M2传动机构驱动的。
圆工作台工作时,应先将进给操作手柄都扳到中间(停止)位置,然后将圆工作台组合开关SA3扳到圆工作台接通位置。
此时SA3-1断,SA3-3断,SA3-2通。
准备就绪后,按下主轴启动按钮SB3或SB4,则接触器KM1与KM3相继吸合。
主轴电机M1与进给电机M2相继启动并运转,而进给电动机仅以正转方向带动圆工作台作定向回转运动。
其通路为:11-15-16-17-22-21-19-20-KM3线圈-O,由上可知,圆工作台与工作台进给有互锁,即当圆工作台工作时,不允许工作台在纵向、横向、垂直方向上有任何运动。
若误操作而扳动进给运动操纵手柄(即压下SQ1-SQ4、SQ6中任一个),M2即停转。
四、X62W万能铣床电气线路的故障与维修铣床电气控制线路与机械系统的配合十分密切,其电气线路的正常工作往往与机械系统的正常工作是分不开的,这就是铣床电气控制线路的特点。