铣床电路控制原理图
- 格式:docx
- 大小:12.27 KB
- 文档页数:5
铣床电气线路分析与排故一、铣床的结构认识X6132万能卧式铣床主要构造由床身、悬梁及刀杆支架、工作台、溜板和升降台等几部分组成,其外形图如图5-9所示。
(说明:主要关注可移动部分的结构)主轴(铣刀)→主轴电机→主轴电机控制电路工作台→进给电机→进给电机控制电路图5-9 铣床结构图1-主轴变速手柄2-主轴变速盘3-主轴电动机4-床身5-主轴6-悬架7-刀架支杆8-工作台9-转动部分10-溜板11-进给变速手柄及变速盘12-升降台13-进给电动机14-底盘箱形的床身4固定在底座14上,在床身内装有主轴传动机构及主轴变速操纵机构。
在床身的顶部有水平导轨,其上装有带着一个或两个刀杆支架的悬梁。
刀杆支架用来支承安装铣刀心轴的一端,而心轴的另一端则固定在主轴上。
在床身的前方有垂直导轨,一端悬持的升降台可沿之作上下移动。
在升降台上面的水平导轨上,装有可平行于主轴轴线方向移动(横向移动)的溜板10。
工作台8可沿溜板上部转动部分9的导轨在垂直与主轴轴线的方向移动(纵向移动)。
这样,安装在工作台上的工件可以在三个方向调整位置或完成进给运动。
此外,由于转动部分对溜板10可绕垂直轴线转动一个角度(通常为±450),这样,工作台于水平面上除能平行或垂直于主轴轴线方向进给外,还能在倾斜方向进给,从而完成铣螺旋槽的加工。
二、铣床的运动情况认识主运动:铣刀的旋转运动。
进给运动:工件相对于铣刀的移动。
工作台的左右、上下和前后进给移动。
旋转进给移动:装上附件圆工作台。
工作台是用来安装夹具和工件。
在横向溜板上的水平导轨上,工作台沿导轨作左、右移动。
在升降台的水平导轨上,使工作台沿导轨前、后移动。
升降台依靠下面的丝杠,沿床身前面的导轨同工作台一起上、下移动。
变速冲动:为了使主轴变速、进给变速时变换后的齿轮能顺利地啮合,主轴变速时主轴电动机应能转动一下,进给变速时进给电动机也应能转动一下。
这种变速时电动机稍微转动一下,称为变速冲动。
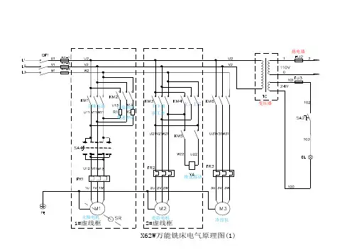
一、X62W 万能铣床电气控制对象X62W 型卧式普通铣床电气原理图。
该机床共有三台电动机:M1 是主轴电动机,在电气上需要实现起动控制与制动快速停转控制,为了完成顺铣与逆铣,还需要正反转控制,此外还需主轴临时制动以完成变速操作过程。
M2 是工作台进给电动机,X62W 万能铣床有水平工作台和圆形工作台,其中水平工作台可以实现纵向进给(有左右两个进给方向)、横向进给(有前后两个进给方向)和升降进给(有上下两个进给方向),圆工作台转动等四个运动,铣床当前只能进行一个进给运动(普通铣床上不能实现二个或以上多个进给运动的联动),通过水平工作台操作手柄、圆工作台转换开关、纵向进给操作手柄、十字复式操作手柄等选定,选定后M2 的正反转就是所选定进给运动的两个进给方向。
YA 是快速牵引电磁铁。
当快速牵引电磁铁线圈通电后,牵引电磁铁通过牵引快速离合器中的连接控制部件,使水平工作台与快速离合器连接实现快速移动,当YA 断电时,水平工作台脱开快速离合器,恢复慢速移动。
M3 是冷却泵电动机,只有在主轴电动机M1 起动后,冷却泵电动机才能起动。
X62W 万能铣床电气元件符号及其功能电气元件符号名称及用途电气元件符号名称及用途M1 主轴电动机SQ6 进给变速控制开关M2 进给电动机SQ7 主轴变速制动开关M3 冷却泵电动机SA1 圆工作台转换开关KM1 冷却泵电动机起停控制接触器SA3 冷却泵转换开关KM2 反接制动控制接触器SA4 照明灯开关KM3 主电动机起停控制接触器SA5 主轴换向开关KM4 、KM5 进给电动机正转、反转控制接触器QS 电源隔离开关KM6 快移控制接触器SB1、SB2 分设在两处的主轴起动按钮KS 速度继电器SB3、SB4分设在两处的主轴停止按钮YA 快速移动电磁铁线圈SB5、SB6 工作台快速移动按钮R 限流电阻FR1 主轴电动机热继电器SQ1 工作台向右进给行程开关FR2 进给电动机热继电器SQ2 工作台向左进给行程开关FR3 冷却泵热继电器SQ3 工作台向前、向上进给行程开关TC 变压器SQ4 工作台向后、向下进给行程开关FU1~FU4 熔断器&ff^t 圭铺施射挖解屯 J S 师 W1 2 3 4 5 6 T薛如杲怏速堆堵老转 前下右吕 9 10 11 12 15 1-1 15 16 1T 13 19 ?0 21 22 22m 日T5気sEM 列厂淡忌Ki 2—D - 5 Ei1A 2 _z 2 £12s LIL Ijn* .TL2212通二、动力电路识读1.主轴转动电路三相电源通过FU1 熔断器,由电源隔离开关QS 引入X62W 万能铣床的主电路。
一、X62W万能铳床电气统造对于象之阳早格格创做X62W型卧式一般铳床电气本理图.该机床公有三台电效果:Ml 是主轴电效果,正在电气上需要真止起动统造与造就赶快停转统造,为了完毕族锦与IR铳,还需要正反转统造,别的还需主轴脚时造动以完毕变速收留历程.M2是处事台进给电效果,X62W万能烧床有火仄处事台战圆形处事台,其中火仄处事台不妨真止纵背进给(有安排二个进给目标)、横背进给(有前后二个进给目标)战降落进给(有上下二个进给目标),圆处事台转化等四个疏通,铢床目前只可举止一个进给疏通(一般铢床上没有克没有及真止二个或者以上多个进给疏通的妖现),通过火仄处事台收配脚柄、圆处事台变换启关、纵背进给收配脚桶、十字复式收配脚柄等选定,选定后M2的正反转便是所选定让给疏通的二个进给目标.YA是赶快牵引电磁铁.当赶快牵引电磁铁线圈通电后,牵引电磁铁通过牵引赶快离合器中的对接统造部件,使火仄处事台与赴怏离合器对接真止赴怏移动,当YA断电时,火仄处事台睨后赶快离合器,回复缓速移现.M3是热切泵电效果,唯有正在主轴电效果Ml起动后,热却泵电效果才搞起现.X62W月能铳床电气元件标记及其功能电气元件标记称呼及用途电气元件标记称呼及用途Ml主轴电效果SQ6进给变速统造启关M2进给电效果SQ7主轴变速造动启关M3热却泵电效果SAl圆处事台变换启关KMl热划泵电效果起停统造交战器SA3热划泵变换启关KM2反接造动统造交微器SA4照明灯启关KM3主电效果起停统造交战器SA5主轴换背启关KM4、KM5进给电效果正转、反转统造交战器QS电源断绝启关KM6快移统造交战器SBkSB2分段正在二处的主轴起动按钮KS速度继电器SB3、SB4分设正在二处的主轴停止按钮YA赶快移助电磁铁线圈SB5、SB6处事台赶快移动按钮R限流电阻FRl主轴电效果热继电器SQI处事台背左进给路程启关FR2进给电效果热维电器SQ2处事台背左进给珞程启关FR3热却泵热继电器SQ3处事台背前、进与进给珞程启关TC变压器SQ4处事台背后、背下进给路程启关FU1~FU4熔断二、能源电路识读1.主轴转化电路三相电源通过FUl熔断器,由电源断绝启关QS引进X62W万能铳床的主电路.正在主轴转化区中,FRl是热继电器的加热元件,起过载呵护效率.KM3主触头关合、KM2主触头断启时,SA5推扰启关有厦铳、停、题籍三个变换位子,分刖统造Ml主电效果的正转、停、反转.一往KM3主触头断启,KM2主触头关合,则电源电流经KM2主触头、二相限流电阻R正在KS速度继电器的机共下真止反接造动.与主电效果共轴拆置的KS速度维电器检测元件对于主电效果举止速度监控,根据主电效果的速度对于接正在统造线路中的速度维电器触头KSLKS2的关合与断启举止统造.2.进给疏通电路KM4主触头关合、KM5主触头断启时,M2电效果正转.反之KM4主触头断后、KM5主触头关适时,则M2电效果反转.M2正反转功夫,KM6主触头处于断后状态时,处事台通过齿轮变速箱中的缓速传动门路与M2电效果相联,处事台做缓速自动进给;一往KM6主触头关合,则YA赴快进给磁铁通电,处事台通过电磁离合器与齿轮变速箱中的赶快疏通传研门路与M2电效果相联,处事台做赶快移动.3.热却泵电路KMl主触头关合,M3热却泵电效果单背运止;KMl断启,则M3停转.主电路中,MkM2、M3均为齐压起动.三、统造线路识读TC变压器的一次侧接进接流电压,二次恻分别接⅛127V与36V二路二相接流电,其中36V供给照明线路,而127V则供给统造线路使用.1.主轴电效果统造1)主轴电效果齐压起动主轴电效果Ml采与齐压起动办法,起动前由推扰启关SA5采用电效果转背,统造线珞中SQ71断后、SQ72关适时主输电效果处正在仄常处事办法.按下SBl或者SB2,通过3、8、12、SBl(或者SB2)、13、14收路,KM3线圈接通,而16区的KM3常启辅帮触头关合产死自能.主轴转化电路中果KM3主触头关合,主电效果Ml 按SA5所选转背起动.2)主轴电弱体造助统造按下SB3或者SB4时,KM3线圈果天圆收路断路而断电,引导主轴转仇电路中KM3主触头断后.由于统造线路的U区与13区别别接进了二个受KS速度维电器统造的触头KSl(正背触头)、KS2(反背触头).按下SB3或者SB4的共时,KSl或者KS2触头中总有一个触头会果主轴转速较下而处于关合状态,即正转造动时KSl关合,而反转造动时KS2关合.正转造动时通过8、SB3、11、9、KM3、10收路,反转造动时通过8、SB4、9、KM3、10收路,皆将使KM2线圈通电,引导主轴转化电路中KM2主触头关合.主轴转化电路中KM3主触头断启的共时,KM2主触头关合,主轴电效果Ml中接进通过限流的反接造动电流,垓电流正在Ml电效果转子中爆收造研转矩,对消KM3主触头断后后转子上的惯性转矩使Ml赴怏落速.当Ml转速靠近整速时,本先脆持关合的KSl或者KS2触头将断启,KM2线圈会果天圆收路断珞而断电,进而即时卸除转子中的造动转矩,使主轴电效果MI停转.SBl与SB3、SB2与SB4二对于按钿分别位于X62W万能铳床二个收配里板上,真止主轴电效果MI的二天收配统造.3)主轴变速造动统造主轴变速时既可正在主轴停转时举止,也可有主轴运止时举止.当主轴处于运止状态,推出变速收配脚桶将使变速启关SQ71、SQ72触动,即SQ71关合、SQ72断启.SQ72率先断启12区中的KM3线圈天圆收路,而后SQ71通过3、7、KM3、10收路,使15区中的KM2线圈通电.主轴转化电路中KM3主触头率先断启、KM2主触头随后关合,主电效果Ml反接造动,转速赶快落矮并停车,包管主轴变速历程成功举止.主轴变速完毕后,推回变速收配脚柄,KM2主触头率先断合,KM3主触头随后关合、主轴电效果Ml正在新转速下沉新运止.2.进给电效果M2统造唯有14-16区中的SBUSB2、KM3三个触头中的一个触头脆持关适时,KM3线圈才搞通电,而线圈KM3通电之后,进给统造区战赶快进给区的统造线珞部分才搞接进电流,即X62W 万能扰床的让给疏通与刀架赶怏疏通惟有正在主输电效果起现运止后才搞举止.1)火仄处事台以背进给统造火仄处事台安排纵背进给前,机床把持里板上的十字复合脚桶报到“中间”位子,使处事台与横背前后进给板滞离合器、共时与上下降落进给板滞离合器脱启;而圆处事台变换启关SAl 置于“断启”位子,使圆处事台与圆处事台转化板滞离合器也处于脱启状态.以上收配完毕后,火仄处事台安排以背进给疏通便可通过纵背收配脚柄与路程启关SQlSSQ2推扰统造.纵背收配脚柄有左、停、左三个收配位子.当脚柄板到“中间”位子时,纵背板滞离合器脱启,路程启关SQll(19区)、SQ12(20区)、SQ21(21区)、SQ22(20区)没有受压,KM4与KM5线图均处于断电状态,主电路中KM4与KM5主触头断后,电效果M2没有克没有反转化,处事台处于停止状态.纵背脚柄扳到“左”位时,将台上纵背进给板滞离合器,使路程启关SQl压下(SQII关合、SQ12断启).果SAl置于“断启”位,引导SAll关合,通过SQ62、SQ42、SQ32、SAlkSQlk17、18的收路使KM4线圈通电,电效果M2正转,处事台左移.纵背脚柄扳到“左”位时,将压下SQ2而使SQ21关合、SQ22断启,通过SQ62、SQ42、SQ32、SAll、SQ21、19、20的收路使KM5线圈通电,电效果M2反转,处事台左移.2)火仄处事台横背进给统造当纵背脚柄板到“中间”位子、圆形处事台变换启关置于“断启”位子时,SAlKSA13接通,处事台进给疏通便通过十字复合脚柄分歧处事位于采用以及SQ3、SQ4推优决定.十字复合即柄扳到“前”位时,将台上横背进给板滞离合器并压下SQ3而使SQ31关合、SQ32断启,果SAILSA13接通,S以经15、SA13s SQ22、SQI2、16、SAlKSQ31、17、18的收路使KM4线圈通电,电效果M2正转,处事台横背前移.十字复合脚柄板到“后”位时,将合上横背进给板滞离合器并压下SQ4而使SQ41关合、SQ42断启,果SA11、SA13接通,S以经15、SAI3、SQ22、SQ12s16、SAILSQ41、19、20的收路使KM5线圈通电,电效果M2反转,处事台横背后移.3)火仄处事台降落进给统造十字复合脚柄板到“上”位时,将合降下落进给板滞离合器并压下SQ3而使SQ31关合、SQ32断启,果SAlUSA13接通,S以经15、SAI3、SQ22、SQ12s16、SAILSQ31、KM5常关辅帮触头的收路使KM4线圈通电,电效果M2正转,处事台上移.十字复合脚柄板到“后”位时,将合降下落进给板滞离合器并压下SQ4而使SQ41关合、SQ42断启,果SAlUSA13接通,S以经15、SAI3、SQ22、SQI2、16、SAll s SQ4KKM4常关辅帮触头的收路使KM5线圈通电,电效果M2反转,处事台下移.4)火仄处事台正在安排、前后、上下任一个目标移幼时,若按下SB5或者SB6,KM6线圈通电,主电路中果KM6主触头关合引导牵引电磁铁线圈YA通电,于是火仄处事台接上赶快离合器而往所采用的目标赶快移研.当SB5或者SB6按钮紧后时,赶快移动停止并回复缓速移现状态.牵引电磁铁的结构睹图37.5)火仄处事台进给联城统造如果展展只对于纵背收配脚柄(采用左、左进给目标)与十字复合收配删柄(采用前、后、上、下进给目标)中的一个脚柄举止收配,必定只可采用一种进给疏通目标,而如果其时收配二个脚柄,便须通过电气互锁预防火仄处事台的疏通搞涉..由于受纵背脚柄统造的SQ22、SQ12常关触头串接正在20区的一条收路中,而受十字复合收配脚桶统造的SQ42、SQ32常关触头串接正在19区的一条收路中,假若共时收和纵背收配脚柄与十字复合收配脚桶,二条收珞将共时切断,KM4与KM5线圈均没有克没有及通电,处事台启动电效果M2便没有克没有及起动运止.6)火仄处事台进给变速统造变速时背中推出统造处事台变速的蘑菇形脚轮,将触动启关SQ6使SQ62率先断启,线圈KM4或者KM5断电;随后SQ61再关合,KM4线圈通过15、SQ61、17、KM4线圈、KM5常关触头收路通电,引导M2瞬时停转,随即正转.若M2处于停转状态,则上述收配引导M2正转.蘑菇形脚轮转化至所需进给速度后,再将脚轮推回本位,那一收配历程中,SQ61率先断启,SQ62随后关合,火仄处事台以新的进给速度移动.7)圆形处事台疏通统造为了夸大X62W万能就床的加工本领,可正在火仄处事台上拆置圆形处事台.使用圆形处事台时,处事台纵背收配脚柄与十字复合收配脚桶均处于中间位于,圆形处事台变换启关SAl则置于“接通”位,此时SA12关合、SAll战SAB断后,通过15、SQ62、SQ42、SQ32、16、SQl2、SQ22、SAI2、17、18的收路使KM4线圈通电,电效果M2正转并戴助圆形处事台单背回转,其回转速度也可通过变速脚轮安排.由于圆形处事台统造收相中串联了SQ42、SQ32、SQI2、SQ22等常关辅帮触头,S以扳动火仄处事台任性一个目标的进给收配脚桶时,皆将使圆形处事台停止回转疏通.3.热却泵电效果M3统造SA3变换后关置于“启”位时,KMl线圈通电,热却泵主电路中KMI主触头关合,热却泵电效果M3起动供液.而SA3置于“关”位时,M3停止供液.4.照明线路与呵护关节机床局部照明由TC变压器供给36V仄安电压,变换启关SA4统造照明灯.当主轴电效果MI过载时,FRI动做断启所有统造线路的电源;进给电效果M2过载时,由FR2动做断启自己的统造电源;而当热划泵电效果M3过我时,FR3动做便可断启M2、M3的统造电源.FUKFU2真止主电路的短路呵护,FU3真止统造电路的短路呵护,而FU4则用于真止照明线路的短路呵护.。
精心整理铣床控制电路:
一、铣床的结构原理:
1、铣床的工作台及夹具
2、铣床的外形
3、铣床结构:
①、主轴;②、悬梁;③、刀杆支架;④、工件工作台;⑤、(工件工作台)左右进给操作手柄;
⑥、(工件工作台)前后进给操作手柄;⑦、(工件工作台)上下操作手柄;⑧、进给变速手柄及变速盘;
⑨、升降工作台;⑩、主轴变速盘及变速手柄;⑾、主轴电动机及进给电动机等等。
4
②、,
YC3(YC3
5
6
YC2(
M2———
YC3
7
④、(装上分度盘)可以铣切齿轮和螺旋面;
⑤、(装上园工作台)可以铣切凸轮和弧形槽。
二、铣床电路控制原理:
1、电路图(见上)
2、原件作用:
SA1——主轴上刀制动开关;
SA2——工作台状态选择开关:当接通圆形工作台时SA2-2(15-13)接通;当圆形工作台不工作时SA2-1(8-15)、SA2-3(11-12)接通。
SA3——主轴正反转转换开关;SA4——照明;
精心整理
SQ1——主轴变速瞬时点动行程开关(主轴工作:手柄使SQ1-2通,SQ1-1断;主轴上刀制动:手柄使SQ1-2断,SQ1-1通)
SQ2——进给变速瞬时点动行程开关(正常时SQ2-1断,瞬时点动时SQ2-1闭合);
M1
M2
M3
1
2
3
4
5
6
7
8、列出一条快速进给时,KM3线圈得电的电流通路。
9、十字手柄扳向向前位置,并按下快速进给,KM3或KM4哪个线圈得电,列出线圈得电的电流通路。
10、SQ3-2不能复位,有哪几种故障形式。
X62W万能铣床电路图2010-10-06 06:47:14 作者:260c 来源:网络浏览次数:217 网友评论 0 条中1/1张图片介绍:X62W万能铣床是一种通用的多用途机床,它可以进行平面、斜面、螺旋面及成型表面的加工,它采用继电接触器电路实现电气控制。
PLC专为工业环境应用而设计,其显著的特点之一就是可靠性高,抗干扰能力强。
将X62W万能铣床电气控制线路改造为可编程控制器控制,可以提高整个电气控制系统的工作性能,减少维护、维修的工作量。
1 X62W万能铣床的控制要求及电气控制线路分析X62W万能铣床共用3台异步电动机拖动,它们分别是主轴电动机M1、进给电动机M2和冷却泵电动机M3。
X62W万能铣床的电路如图1所示,该线路分为主电路、控制电路和照明电路三部分。
电气控制线路的工作原理如下:图1万能铣床电气原理图1.1 主电路分析主轴电动机M1拖动主轴带动铣刀进行铣削加工,通过组合开关SA3来实现正反转;进给电动机M2通过操纵手柄和机械离合器的配合拖动工作台前后、左右、上下6个方向的进给运动和快速移动,其正反转由接触器KM3、KM4来实现;冷却泵电动机M3供应切削液,且当M1启动后,用手动开关QS2控制;3台电动机共用熔断器FU1作短路保护,3台电动机分别用热继电器FR1、FR2、FR3作过载保护。
1.2 控制电路分析控制电路的电源由控制变压器TC输出110V电压供电。
⑴主轴电动机M1的控制主轴电动机M1的两地控制由启动停止按钮SB1、SB2与SB5、SB6完成。
KM1是主轴电动机启动接触器,YC1是主轴制动用的电磁离合器,SQ1是主轴变速时瞬时点动的位置开关。
⑵进给电动机M2的控制工作台的进给运动在主轴启动后方可进行。
工作台的进给可在3个坐标的6个方向运动,进给运动是通过两个操作手柄和机械联动机构控制相应的位置开关使进给电动机M2正转或反转来实现的,并且6个方向的运动是联锁的,不能同时接通。
数控铣床原理图
数控铣床原理图如下:
- 硬件部分:包括计算机控制系统、电源系统、运动控制系统
和机床本体。
- 计算机控制系统:由主机和I/O设备组成,主机负责运算和
数据处理,I/O设备用于输入和输出数据。
- 电源系统:提供机床所需的电能,包括交流电源和直流电源。
- 运动控制系统:负责控制机床的运动,包括轴的运动控制、
速度控制和位置控制。
- 机床本体:由床身、工作台、主轴和刀具组成,用于实现工
件的加工。
- 主轴:通过伺服电机带动刀具进行旋转运动,控制工件的转
速和方向。
- 刀具:安装在主轴上,用于切削工件。
- 工作台:用于固定工件,具有XY方向的移动能力,控制工
件在坐标系中的位置。
- 数据传输:通过计算机和运动控制系统之间的数据传输,实
现对机床的远程控制和监控。
X62W 万能铣床的实训说明一、X62W 万能铣床实训的基本组成1、面板1 面板上安装有机床的所有主令电器及动作指示灯、机床的所有操作都在这块面板上进行,指示灯可以指示机床的相应动作。
2、面板2 面板上装有断路器、熔断器、接触器、热继电器、变压器等元器件,这些元器件直接安装在面板表面,可以很直观的看它们的动作情况。
3、电动机三个380V 三相鼠笼异步电动机,分别用作主轴电动机、进给电动机和冷却泵电动机。
4、故障开关箱设有32个开关,其中K1到K29用于故障设置;K30到K31四个开关保留; K32用作指示灯开关,可以用来设置机床动作指示与不指示。
二、原理图电锤开关惺护至柚电前机进恰也动机电功机笠制、廉明电洋工柞會竝蛤、冲动艮IB工作台的■控制正辰* 制动履沖动正誌反转哎逹冲动反玄动[正反转口站冲动、右、谊、下注、用、上快速13&45&9K11 | 1213141516171819 2 &2122庸貓万能铁床电气原理图*主轴电机进给电机冷却泵电机rn115¥14匚CCFK2 匚亡匚1DSQ2-2SB5百師3--^3 3 3三、机床分析1机床的主要结构及运动形式(1)主要结构由床身、主轴、刀杆、横梁、工作台、回转盘、横溜板和升降台等几部分组成,如右图所示。
(2)运动形式1)主轴转动是由主轴电动机通过弹性联轴器来驱动传动机构,当机构中的一个双联滑动齿轮块啮合时,主轴即可旋转。
1)工作台面的移动是由进给电动机驱动,它通过机械机构使工作台能进行三种形式六个方向的移动,即:工作台面能直接在溜板上部可转动部分的导轨上作纵向(左、右)移动;工作台面借助横溜板作横向(前、后)移动;工作台面还能借助升降台作垂直(上、下)移动。
2、机床对电气线路的主要要求(1)机床要求有三台电动机,分别称为主轴电动机、进给电动机和冷却泵电动机。
(2)由于加工时有顺铣和逆铣两种,所以要求主轴电动机能正反转及在变速时能瞬时冲动一下,以利于齿轮的啮合,并要求还能制动停车和实现两地控制(3)工作台的三种运动形式、六个方向的移动是依靠机械的方法来达到的,对进给电动机要求能正反转,且要求纵向、横向、垂直三种运动形式相互间应有联锁,以确保操作安全。
前言尊敬的客户:对您惠顾选用广州数控设备有限公司的GSK983Me铣床加工中心数控系统,我们深感荣幸!GSK983Me铣床加工中心数控系统是具有总线通信的高速、高精、高稳定、高性价比的中高档数控系统。
安全警告!操作不当将可能导致产品、机床损坏,工件报废甚至人身伤害的严重意外事故!必须要具有相应资格的人员才能操作本系统!在对本产品进行安装连接、编程和操作之前,必须详细阅读本产品手册以及机床制造厂的使用说明书,严格按手册与使用说明书等的要求进行相关的操作。
目录!连接安装注意事项 (1)1 NC单元接口一览 (3)2 互连方框图 (4)3 NC单元与DA98D驱动单元的连接(不带抱闸) (5)4 NC单元与DA98D驱动单元的连接(Z轴带抱闸时) (6)5 NC单元与主轴伺服驱动单元的连接 (7)6 NC单元与主轴变频器的连接 (8)7 NC单元与I/O单元的连接 (9)8 机床操作面板接口 (10)9 NC单元与操作面板连接 (11)10 外置手脉与操作面板连接 (12)11 NC单元与PC机连接 (13)12 Z轴抱闸、系统上电控制连接方法 (14)13 外置I/O单元(X1)接口概述 (15)14 I/O单元(X1)输入输出信号连接原理 (16)15 I/O单元(X1)输入输出点定义 (17)16 安装主轴定向机械位置检测开关的相关说明 (20)17 安装Z轴第2参考点机械位置检测开关的相关说明 (21)附录安装尺寸图 (22)GSK983Me-H/V铣床加工中心数控系统连接手册版本升级登记表 (27)连接安装注意事项1、系统配套的电源盒,是仅为本数控系统提供的专用电源,严禁将此电源给其他设备供电,如抱闸、电磁阀等,否则将产生极大危险!2、机床电柜箱的要求安装系统和驱动单元的机床电柜箱应该采用全封闭防尘设计,电柜箱内外的温差不能超过10℃。
如果不能满足此要求必须安装热交换系统。
系统周围环境温度最高不能超过45℃,必须防止润滑油、冷却液等液体进入系统任何部件内部。
工作原理:一、铣床电气元件符号及功能说明符号名称及用途M1 主轴电动机M2 进给电动机M3 冷却泵电动机KM3 主电动机启、停控制接触器KM2 反接制动接触器KM4、KM5 进给电动机正、反转接触器KM6 快速移动接触器KM1 冷却泵接触器KS 速度继电器YA 快速电磁铁线圈R 限流电阻SQ1 工作台向右进给行程开关SQ2 工作台向左进给行程开关SQ3 工作台向前、向下进给行程开关SQ4 工作台向后、向上进给行程开关SQ6 进给变速冲动开关SQ7 主轴变速冲动开关SA1 圆工作台转换开关SA3 冷却泵转换开关SA4 照明灯开关SA5 电源隔离开关QS 控制变压器SB1、SB2 分设在两处的主轴启动按钮SB3、SB4 分设在两处的主轴停滞按钮SB5、SB6 工作台快速移动按钮FR1 主轴电动机热继电器FR2 进给电动机热继电器FR3 冷却泵热继电器TC 变压器FU1~FU4 短路保护二、控制电路分析(一)主电动机M1的控制主电动机由接触器KM3控制,为方便操作,主轴电动机的起停按钮各有两个,可在两处中的任一处进行操作。
起动前,先将换向开关SA5旋转到所需旋转方向,然后按下起动按钮SB1或SB2,接触器KM3线圈通电并自锁,主轴电动机M1起动。
热继电器FR1的动断触点串接于KM3控制电路中作过载保护。
在主电动机达到一定转速时,速度继电器KS的动合触头闭合,为停车时的反接制动作好准备。
主轴电动机制动时,按下停止按钮SB3或SB4,其动断触点断开,切断KM3电源,主轴电动机M1的电源被切断,因为惯性,M1会继续旋转。
SB3或SB4的动合触点接通,使接触器KM2线圈通电,M1反接制动,直至转速降低至速度继电器KS的动合触点断开,反接制动停止。
在速度继电器触点断开前,不应松开按钮SB3或SB4,以保证在整个停车过程中进行反接制动。
当主轴需要变速时,为保证变速齿轮易于啮合,需设置变速冲动控制,它是利用变速手柄和冲动开关SQ7通过机械上的联动机构完成的。
一、X62W万能铣床电气控制对象X62W型卧式普通铣床电气原理图。
该机床共有三台电动机:M1是主轴电动机,在电气上需要实现起动控制与制动快速停转控制,为了完成顺铣与逆铣,还需要正反转控制,此外还需主轴临时制动以完成变速操作过程.M2是工作台进给电动机,X62W万能铣床有水平工作台和圆形工作台,其中水平工作台可以实现纵向进给(有左右两个进给方向)、横向进给(有前后两个进给方向)和升降进给(有上下两个进给方向),圆工作台转动等四个运动,铣床当前只能进行一个进给运动(普通铣床上不能实现二个或以上多个进给运动的联动),通过水平工作台操作手柄、圆工作台转换开关、纵向进给操作手柄、十字复式操作手柄等选定,选定后M2的正反转就是所选定进给运动的两个进给方向。
YA是快速牵引电磁铁。
当快速牵引电磁铁线圈通电后,牵引电磁铁通过牵引快速离合器中的连接控制部件,使水平工作台与快速离合器连接实现快速移动,当YA断电时,水平工作台脱开快速离合器,恢复慢速移动。
M3是冷却泵电动机,只有在主轴电动机M1起动后,冷却泵电动机才能起动。
X62W万能铣床电气元件符号及其功能电气元件符号名称及用途电气元件符号名称及用途M1主轴电动机SQ6进给变速控制开关M2进给电动机SQ7主轴变速制动开关M3冷却泵电动机SA1圆工作台转换开关KM1冷却泵电动机起停控制接触器SA3冷却泵转换开关KM2反接制动控制接触器SA4照明灯开关KM3主电动机起停控制接触器SA5主轴换向开关KM4、KM5进给电动机正转、反转控制接触器QS电源隔离开关KM6快移控制接触器SB1、SB2分设在两处的主轴起动按钮KS速度继电器SB3、SB4分设在两处的主轴停止按钮YA快速移动电磁铁线圈SB5、SB6工作台快速移动按钮R限流电阻FR1主轴电动机热继电器SQ1工作台向右进给行程开关FR2进给电动机热继电器SQ2工作台向左进给行程开关FR3冷却泵热继电器SQ3工作台向前、向上进给行程开关TC变压器SQ4工作台向后、向下进给行程开关FU1~FU4熔断器二、动力电路识读1.主轴转动电路三相电源通过FU1熔断器,由电源隔离开关QS引入X62W万能铣床的主电路。
铣床控制电路:
一、铣床的结构原理:
1、铣床的工作台及夹具
2、铣床的外形
3、铣床结构:
①、主轴;②、悬梁;③、刀杆支架;④、工件工作台;⑤、(工件工作台)左右进给操作手柄;
⑥、(工件工作台)前后进给操作手柄;⑦、(工件工作台)上下操作手柄;⑧、进给变速手柄及变速盘;
⑨、升降工作台;⑩、主轴变速盘及变速手柄;⑾、主轴电动机及进给电动机等等。
4、铣床的运动形式:
①、主轴运动:主轴带动铣刀作旋转运动,由M1拖动(为减小负载波动对加工质量影响,主轴上装有飞轮);
②、进给运动:指工作台带动工件作上下、左右、前后6个方向的直线运动(由三根进给丝杆实现),及圆形工作台的旋转运动,由M2拖动;
③、辅助运动:指工作台带动工件作上下、左右、前后6个方向的快速运动,由M2与电磁离合器YC3(YC3又叫快速电磁离合器)联合拖动。
5、铣床对各运动形式的要求:
①、主轴旋转平稳,以保证加工质量(采用飞轮);
②、铣削加工时,工件同一时刻只能作某一个方向的进给运动;
③、用圆形工作台加工时,不能移动,只能旋转;
④、主轴变速、进给变速用机械变速实现,为保证变速易于齿合,应有变速冲动控制;
⑤、据工艺要求,先主轴旋转后再进给运动;
⑥、为操作方便,应有两地控制。
(机械离合器)
6、机床进给运动示意图:圆形工作台旋转传动链
横向移动传动链
(电磁离合器)
YC2(正常进给) 垂直移动传动链
M2———
YC3(快速进给)纵向移动传动链
7、铣床的加工功能:
①、加工平面;
②、加工斜面;
③、加工沟槽;
④、(装上分度盘)可以铣切齿轮和螺旋面;
⑤、(装上园工作台)可以铣切凸轮和弧形槽。
二、铣床电路控制原理:
1、电路图(见上)
2、原件作用:
SA1——主轴上刀制动开关;
SA2——工作台状态选择开关:当接通圆形工作台时SA2-2(15-13)接通;当圆
形工作台不工作时SA2-1(8-15)、SA2-3(11-12)接通。
SA3——主轴正反转转换开关; SA4——照明;
SQ1——主轴变速瞬时点动行程开关(主轴工作:手柄使SQ1-2通,SQ1-1断;主轴上刀制动:手柄使SQ1-2断,SQ1-1通)
SQ2——进给变速瞬时点动行程开关(正常时SQ2-1断,瞬时点动时SQ2-1闭合);
SQ3、SQ4——工作台横向和垂直操纵手柄与离合器、进给行程开关;SQ3、SQ4工作状态表:
SQ5、SQ6——工作台纵向操纵手柄与离合器、进给行程开关;SQ5、SQ6工作状态表:
M1——主轴拖动电动机
M2——冷却泵电动机
M3——进给电动机
三、模拟故障题:
1、合上电源,无照明,列出故障点。
2、合上电源,有电源指示,主轴工作,但无进给,列出一个最大的故障点。
3、无抱闸制动现象,列出三个故障点。
4、无快速进给现象,列出三个故障点。
5、向上可以自动进给,但向下无自动进给,列出两个故障点。
6、圆盘不能自动进给,列出五个以上故障点。
7、假如SQ6-1触点不能闭合,可能产生何种故障现象。
8、列出一条快速进给时,KM3线圈得电的电流通路。
9、十字手柄扳向向前位置,并按下快速进给,KM3或KM4哪个线圈得电,列出线圈得电的电流通路。
10、SQ3-2不能复位,有哪几种故障形式。