山东大学2009年材料力学试卷
- 格式:pdf
- 大小:207.36 KB
- 文档页数:4
重庆大学材料力学II 课程试卷200 ~200 学年第学期开课学院:资环学院课程号:考试日期:考试方式:考试时间:120 分钟复印件进考场。
一、简答题(5分/每小题,共20分)⒈写出两图所示梁在梁端的边界条件。
题一. 1 (a) 图题一. 1 (b) 图⒉指出以下两图所示构件是几次静不定,并列出多余约束相应的变形协调方程。
题一.2 (a) 图轴的扭转问题题一. 2 (b) 图梁的平面弯曲问题二、(共15分)铸铁梁的受载情况和截面尺寸如图所示。
已知材料的许用拉应力[]40MPatσ=,许用压应力[]100MPacσ=,试校核梁的强度。
题二图A30kN10kN命题人:张晓敏组题人:审题人:命题时间:教务处制学院专业、班年级学号姓名公平竞争、诚实守信、严肃考纪、拒绝作弊封线密三、 (15分)一齿轮传动轴由 2.2k W N =的电动机通过皮带轮C 带动,转速为966r /m i n n =。
传动轴的直径为35m m ,材料为45钢,许用应力[]85MPa σ=。
皮带轮的直径132mm D =,齿轮E 的直径为50mm d =。
作用在齿轮E 上的力P 在yEz 平面内。
皮带的拉力465N F =,135N f =,两力都在过点C 的、与yEz 平行的平面内,与水平线的夹角分别为024和030。
试用第四强度理论校核传动轴的强度。
题三图四、 (共15分)直径40mm D =的铝圆柱,放在厚度为2mm δ=的钢套筒内,且两者之间没有间隙。
作用于圆柱上的轴向压力为40kN P =。
铝的弹性模量及泊松比分别为170GPa E =,3501.=ν ;钢的弹性模量及泊松比分别为210GPa E =,求套筒内的环向应力。
题四图五、 (共15分)万能铣床工作台升降丝杆内径为22mm ,螺距5mm s =。
丝杆钢材的210GPa E =,300MPa s σ=,260MPa p σ=,461MPa a =, 2.568MPa b =。
目录Ⅰ历年考研真题试卷 (2)山东大学2015年招收攻读硕士学位研究生入学考试试题 (2)山东大学2016年招收攻读硕士学位研究生入学考试试题 (5)山东大学2017年招收攻读硕士学位研究生入学考试试题 (9)Ⅱ历年考研真题试卷答案解析 (12)山东大学2015年招收攻读硕士学位研究生入学考试试题答案解析 (12)山东大学2016年招收攻读硕士学位研究生入学考试试题答案解析 (21)山东大学2017年招收攻读硕士学位研究生入学考试试题答案解析 (29)Ⅰ历年考研真题试卷山东大学2015年招收攻读硕士学位研究生入学考试试题科目代码:850科目名称:材料力学(专)(答案必须写在答卷纸上,写在试卷上无效)一、(15分)作图示梁的剪力图和弯矩图。
二、(15分)设圆截面钢杆受轴向拉力F=100kN,E=200GPa 。
若杆内的应力不得超过120MPa ,应变不得超过20001,试求圆杆的最小直径。
三、(15分)图示阶梯型圆轴,已知122d d =,若使梁端内单位长度的扭转角’ϕ相等,则12e e M M 的比值为多少?四、(15分)图示槽型截面悬臂梁,已知。
481002.1,70,10mm I m kN M kN F z e ⨯=⋅==试求梁的最大拉应力)(max max 为截面形心)和最大压应力()(C c t σσ。
五、(18分)图示水平只教折杆受铅垂力F 作用。
已知AB 段的直径mm a mm d 400,100==,材料的GPa E 200=,25.0=υ,K 点轴向线应变401075.2-⨯= ε。
试按第三强度理论求该折杆危险点的相当应力3r σ六、(18分)空心圆轴的外径。
内径mm d mm D 160,200==在端部有集中力F ,作用点为切于圆周的A 点。
已知[]。
MPa m l kN F 80,5.0,60===σ试:(1)绘出危险点的应力状态;(2)按第三强度理论校核轴的强度。
山东大学2008至2009年度理论力学试题(12分)平面机构如图所示•曲柄■匚以角速度J绕轴转动,通过滑块和摇杆邙带动皿运动,已知,在图示位置, °』处于铅垂位置,滑块二为的中点。
试求该瞬时□杆的速度(12分)图示小环工套在半径一一;L.二工的固定半圆环和作平动的直杆」J上。
当一i' - J ...二丄瞬时,丄杆以速度为……丄】及加速度为…二工了, 向右加速运动;试求小环T相对直杆」J的相对速度和相对加速度三(12分)在图示机构中,已知:」J杆的角速度为73,叩为常量,且一二,BC=2^3r。
试求图示位置0=30"时,CD杆的角速度和角加速度。
四(12分)一重210N 半径为0.2m 的轮子放置如图所示,在轮子上作用一力偶,接触处的摩擦因数了 = °268,求平衡时力偶矩的最大值。
五(12分)圆柱重::IIL 放在斜面上用撑架支承如图;杆」J 长匚丄,圆六(12分)在一重100kN 的驳船上,用绞车拉动一重 5kN 的箱子。
设开始时,船与箱子均处于静止,水的阻力略去不计。
求:(1)当箱子在船上移动的速度为3m/s 时,驳船移动的速度; ⑵ 当箱子在船上拉过10m 时,驳船移动的水平距 离。
O 柱半径- f I七(14分)图中均质轮的圆筒上缠一绳索,并作用一水平方向的力200 N,轮和圆筒的总质量为50 kg,对其质心的回转半径为70 mm。
已知轮与水平面间的静、动摩擦系数均为f = 0.20,求轮心O的加速度和轮的角加速度。
八(14分)图示机构中,已知均质圆盘的半径为□,沿水平面作纯滚动,均质细杆」「长为.,圆盘、杆及滑块「的质量均为•圈。
试求杆一丄自水平位置无初速地滑到与铅垂线成亍时,圆盘中心虫的速度。
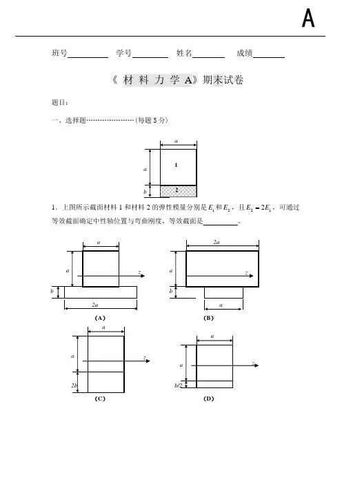
(完整版)材料⼒学试题及答案(2)选择题(20分)1、图⽰刚性梁AB 由杆1和杆2⽀承,已知两杆的材料相同,长度不等,横截⾯积分别为A 1和A 2,若载荷P 使刚梁平⾏下移,则其横截⾯⾯积()。
A 、A 1〈A 2B 、A 1 〉A 2C 、A 1=A 2D 、A 1、A 2为任意2、建⽴圆周的扭转应⼒公式τρ=M ρρ/I ρ时需考虑下列因素中的哪⼏个?答:()(1)扭矩M T 与剪应⼒τρ的关系M T =∫A τρρdA (2)变形的⼏何关系(即变形协调条件)(3)剪切虎克定律(4)极惯性矩的关系式I T =∫A ρ2dAA 、(1)B 、(1)(2)C 、(1)(2)(3)D 、全部 3、⼆向应⼒状态如图所⽰,其最⼤主应⼒σ1=() A 、σ B 、2σ C 、3σ D 、4σ4、⾼度等于宽度两倍(h=2b)的矩形截⾯梁,承受垂直⽅向的载荷,若仅将竖放截⾯改为平放截⾯,其它条件都不变,则梁的强度()题⼀、3图题⼀、1图A 、提⾼到原来的2倍B 、提⾼到原来的4倍C 、降低到原来的1/2倍D 、降低到原来的1/4倍5. 已知图⽰⼆梁的抗弯截⾯刚度EI 相同,若⼆者⾃由端的挠度相等,则P 1/P 2=() A 、2 B 、4C 、8D 、16⼆、作图⽰梁的剪⼒图、弯矩图。
(15分)三、如图所⽰直径为d 的圆截⾯轴,其两端承受扭转⼒偶矩m 的作⽤。
设由实验测的轴表⾯上与轴线成450⽅向的正应变,试求⼒偶矩m 之值、材料的弹性常数E 、µ均为已知。
(15分)四、电动机功率为9kW ,转速为715r/min ,⽪带轮直径D =250mm ,主轴外伸部分长度为l =120mm ,主轴直径d =40mm ,〔σ〕=60MPa ,⽤第三强度理论校核轴的强度。
(15分)题⼀、5图五、重量为Q的重物⾃由下落在图⽰刚架C点,设刚架的抗弯刚度为EI,试求冲击时刚架D处的垂直位移。
(15分)六、结构如图所⽰,P=15kN,已知梁和杆为⼀种材料,E=210GPa。
2009材料力学考研试题一、画图示梁的剪力图和弯矩图,已知q , l, M e=q l2。
(15分)二、钢制平面直角曲拐ABC均是直径为d的圆截面,受力如图所示,已知[σ]=160 MPa, F x = F Z = 10 kN, L = 10d。
试用强度理论设计AB段的直径d。
(20分)三、平面直角曲拐ABC和CD杆均为圆截面,材料相同,已知:3EI=GI p,3EI=EAL2,试求CD杆的内力。
(20分)四、钢制圆轴受力如图所示,已知材料的E=200GPa,μ=0.3,圆轴直径d=10cm,长为l=1m,q=10kN/m,F=30kN,M e=10kN·m,试求:(1)确定危险截面,危险点;(2)取出危险点处的原始单元体;(3)求危险点处的主应力;(4)求危险点处的最大切应力;(5)求危险点处的最大线应变;(6)画出危险点的应力圆草图。
(20分)五、结构受力如图所示,AB梁为偏心工字型截面铸铁梁,其许用拉应力为[σt]=40MPa,许用压应力为[σc]=90MPa,I z=800cm4,y1=40mm,y2=80mm,CD杆用Q235钢制成,截面为矩形,b=20mm,h=60mm,l=1m,E=200GPa,σp=200MPa,σs=240MPa,稳定安全系数n st=3,经验公式为:σcr=(304-1.12λ)MPa,试求结构的许用载荷[q]。
(20分)六、结构受力如图所示,已知AB梁的抗弯刚度为EI,CD杆的抗拉刚度为EA,且EI=4l2EA/3,F=ql,试求AB梁C截面转角θc。
(20分)七、试求图示T字型截面的形心位置和形心主惯性矩I z,并简要回答:(1)何为主轴? 主惯性矩? (2)主惯性矩是否唯一? (3)形心主惯性矩是否唯一? (10分)八、简述金属疲劳破坏的特点,并回答材料的持久极限(疲劳强度极限)是否唯一?影响构件持久极限的主要因素有哪些? 写出对称循环下材料的持久极限与构件的持久极限之间的关系式。
诚信应考,考试作弊将带来严重后果!华南理工大学期末考试《材料力学》试卷(2009级 A 卷)注意事项:1. 考前请将密封线内填写清楚; 2. 所有答案请直接答在试卷上; 3.考试形式:闭卷;4. 本试卷共 六 大题,满分100分, 考试时间120分钟。
题 号 一 二 三 四 五 六 总 分 得 分 评卷人一、简单计算题(共38分)1.如图所示是一枚被称为“孔方兄”的中国古钱币,设圆的直径为d ,挖去的正方形边长为b ,若2/d b =,求该截面的弯曲截面系数Z W 。
(6分)2. 已知某点处的应力状态如图所示,,MPa 100,MPa 60==στ弹性模量GPa 200=E ,泊松比25.0=ν,求该点处的三个主应力及最大正应变。
(6分)_____________ ________姓名 学号学院 专业 座位号( 密 封 线 内 不 答 题 ) …………………………密………………………………………………封………………………………………线……………………………………OyτzxσZy3.试画出低碳钢的拉伸应力-应变曲线,并在图上标出4个极限应力。
(4分)4.已知交变应力的,MPa 5,MPa 3m in m ax -==σσ, 求其应力循环特征r 及应力幅度a σ。
(4分)5.如图所示为矩形截面悬臂梁,在梁的自由端突然加一个重为Q 的物块,求梁的最大弯曲动应力。
(4分)6.如图所示为两根材料相同的简支梁,求两梁中点的挠度之比b a w w /。
(4分)QLhbL P2LEI2)(b 2/L P2/L )(a EI7.两块相同的钢板用5个铆钉连接如图所示,已知铆钉直径d ,钢板厚度t ,宽度b ,求铆钉所受的最大切应力,并画出上钢板的轴力图。
(6分)8.超静定结构如图所示,所有杆件不计自重,AB 为刚性杆,试写出变形协调方程。
(4分)PP ttPP bPaaaa2/3a 12B AC DE Fαβ二、作图示梁的剪力图与弯矩图。
专业 2007 年级 班 2008 ~2009 学年第 2 学期 材料力学 课试卷 试卷类型: A 卷 题号 一 二 三 四 五 六 七 八 九 十 总成绩 得分阅卷人一、简答题(共31 分。
1-7小题各 3 分,8-12小题各2 分)1、 低碳钢的εσ-曲线如图,当应力加至k 点时逐渐卸载,相应的卸载路径为哪条?答: kj 。
卸载前对应的弹性应变e ε和塑性应变p ε为哪部分?答: e:ji p:oj 。
(第1题图) (第2题图)2、 如图所示(a)、(b)二轴的扭矩和长度相同,图(b)轴的直径为d ,图(a)轴的左端的直径为2d ,右端的直径为0.5d 。
当2/,13221M M M l l ===时,哪个轴两端相对转角大?答: (a) ; 哪个轴的单位长度转角大?答:(a) 。
3、已知某梁的剪力图,试判断梁上有无力偶。
若有,请给出力偶大小、转向。
答:有外力偶距me ,me=3,顺时针(第3题图) (第4题图)4、 如图示非对称循环交变应力的循环特征r= _—1/3 ;平均应力=m σ 20Mpa ;应力幅=a σ 40Mpa 。
5.一点的应力状态如下图所示,该点的三个主应力分别为__1=60Mpa______ __2=10Mpa______ __3=0Mpa______。
(第5题图)试卷类型:(A )卷 考核方式:(闭)卷 共 5 页 第 1 页试题要求: 1.试题后标注本题得分;2.试卷应附有评卷用标准答案,并有每题每步得分标准;3.试卷必须提前一周送考试中心;4.考试前到指定地点领取试卷;5.考生不得拆散试卷,否则试卷无效。
学号: 姓名: 班级:。
密。
封。
线。
6、 画出右拉板的受力图和轴力图,并说明在右拉板上那个截面是危险截面。
答: 3截面是危险截面 。
(第6题图) (第7题图)7、 如图。
此梁是几次超静定问题?答: 1次 。
若其静定基是悬臂梁,请写出原系统和相当系统变形的协调条件。
2012-2013学年第一学期《工程材料学》试题B参考答案及评分标准一、简答题:(30分,每题5分)1.试分析材料的化学成分、组织结构、加工工艺与使用性能之间的关系。
答:化学成分和组织结构是性能的内在依据,是基础,性能是一定化学成分和组织结构的外部表现。
金属材料的组成元素与含量从内部、热处理工艺从外部实现对组织结构的改变,从而使材料具有不同的使用性能。
2.按形成碳化物的倾向性大小写出主要的碳化物形成元素。
答: Ti、Zr、Nb、V、Mo、W、Cr、Mn、Fe (写出6个元素以上3 分,写对顺序2分)3.说明细化晶粒对钢的强度、塑性和韧性的影响及其作用机制。
答:晶粒越细小,晶界面积越大,对位错运动的阻力越大,据霍尔-配奇公式,强度越高;晶粒细小塑性变形更均匀,提高均匀塑变能力,晶界多,阻碍裂纹扩展,提高韧性。
4.给出高速工具钢常用热处理工艺,为什么淬火后要采用三次高温回火?答:如图,亦可文字说明。
淬Array火后要采用高温回火的目的是使奥氏体化时溶入基体的碳和合金元素析出,形成二次硬化;高速钢淬火后残余奥氏体量很大,高温回火冷却时可形成二次淬火,降低残余奥氏体量,三次回火后可降至1%左右。
5.说明材料电化学腐蚀机理,给出提高耐蚀性能的方法及依据。
答:电化学腐蚀过程为同一钢板中不同物相电极电位不同,天然构成许多微小原电池,引起钢板腐蚀。
提高耐腐途径:1)减少微电池数量:限制C、S量,减少第二相;2)提高基体电极电位:加入Cr、Ni、i;3)钝化效应—表面形成氧化膜;4)形成单相组织。
6.为什么γ-Fe基热强钢比α-Fe基热强钢的热强性要高?答:1) γ-Fe为面心立方结构,α-Fe为体心立方结构,面心立方致密度高,原子间结合力强,高温稳定性好;2) γ-Fe再结晶温度高,组织稳定。
二、试述下面各类钢的服役条件、可能失效形式和主要性能要求,并分别举出两种典型钢号:(15分,每题5分)1.低合金构件用钢答:服役条件:无相对运动、长期受静载,有时有温度要求,有腐蚀环境;主要失效形式:弹性变形、低温脆断、环境腐蚀、锅炉和压力容器的爆裂等。
临沂师范学院2008—2009学年度第二学期《材料力学》试题(A卷)(适用于2007级土木工程专业本科学生,闭卷考试,时间120分钟)(1)阶梯型杆件的横截面积分别为A 1=2A ,A 2=A ,材料的弹性模量为E 。
杆件受轴向拉力P 作用时,最大的伸长线应变为 。
A .122Pl Pl PlEA EA EAε=+= B .1232P P P EA EA EAε=+= C .12P P EA EAε== D .2P P EA EAε== (第1题图)(第2题图)(2)圆轴直径为d ,受外力偶扭矩作用如图所示。
已知T 1=3T ,T 2=7T ,T 3=4T ,材料的剪变模量为G 。
C 截面相对A 截面的扭转角为 。
A .432AC AB BC TlG dφφφπ=+=-B .4224AC AB BC TlG dφφφπ=-+=- C.4224AC AB BC TlG d φφφπ=-=D .432AC AB BC TlG d φφφπ=--=(3)矩形截面木拉杆的接头如图所示。
其剪切面积和挤压面积分别为 。
A .bl ,alB .lh ,alC .bl ,abD .lh ,ab(第3题图)(第4题图)(4)图示悬臂梁的抗弯刚度为EI ,在其下面有一半径为R 的圆柱面。
若使梁弯曲变形后恰好和圆柱面贴合,但无接触压力,则梁上所受的荷载为 。
A .在全梁加竖直向下的均布荷载q =EI /Rl 2B .在自由端加竖直向下的集中力P =EI /RlC .在自由端加顺时针转向的力偶矩M =EI /RD .在自由端加逆时针转向的力偶矩M =EI /R(5)圆截面杆上受力如图所示。
材料为A3钢,许用正应力为[σ],许用剪应力为[τ],横截面面积为A ,抗弯截面系数为W ,抗扭截面系数为W t 。
下列各强度条件中正确的是 。
A . [],[]e tM P TA W W στ+≤≤ B.[]P A σ+≤ C.[]e M W σ≤ D.[]σ (6)纯剪切应力状态中,已知材料的弹性模量为E ,泊松比为ν。
一、填空题:请将正确答案写在划线内(每空1分,计16分) ⒈ 工程构件正常工作的条件是 ――――――――――――、、――――――――――――、―――――――――――――。
⒉ 工程上将延伸律------- δ的材料称为脆性材料。
⒊ 矩形截面梁横截面上最大剪应力max τ出现在―――――――――――各点,其值=τmax -------------。
4.平面弯曲梁的q 、F s 、M 微分关系的表达式分别为--------------、、-------------、、 ----------------。
二、单项选择题⒈ 没有明显屈服平台的塑性材料,其破坏应力取材料的――――――――――――。
⑴ 比例极限p σ; ⑵ 名义屈服极限2.0σ; ⑶ 强度极限b σ; ⑷ 根据需要确定。
2. 矩形截面的核心形状为----------------------------------------------。
⑴ 矩形; ⑵ 菱形; ⑶ 正方形; ⑷三角形。
3. 杆件的刚度是指――――――――――――――-。
⑴ 杆件的软硬程度; ⑵ 杆件的承载能力; ⑶ 杆件对弯曲变形的抵抗能力; ⑷ 杆件对弹性变形的抵抗能力;6、当系统的温度升高时,下列结构中的――――――――――不会产生温度应力.A BC D四、(12分)某形截面的外伸梁如图所示,已知:mm 600=l ,截面对中性轴的惯性矩46mm 1073.5⨯=z I ,mm 721=y ,mm 382=y 。
梁上的荷载kN 9,kN 2421==F F 。
材料的许用拉应力[]a MP 30=t σ,许用压应力[]a MP 90=c σ,试校核梁的强度。
一、判断题:正确的划√,错误的划×(每小题2分,计10分)1、对于没有屈服极限的塑性材料,通常将总应变为0.2%时的应力值,定为屈服强度,并以 表示。
()2.0P2、空心截面与实心截面比较,由于充分发挥了截面各点的承载能力,因此是扭转变形的合理截面形状。