基本逻辑指令说明及应用
- 格式:docx
- 大小:88.34 KB
- 文档页数:20
基本位逻辑指令应用举例 1. 起动、保持、停止电路起动、保持和停止电路(简称为“起保停”电路),其梯形图和对应的PLC 外部接线图如图23所示。
在外部接线图中起动常开按钮SB1和SB2分别接在输入端I0.0和I0.1,负载接在输出端Q0.0。
因此输入映像寄存器I0.0的状态与起动常开按钮SB1的状态相对应,输入映像寄存器I0.1的状态与停止常开按钮SB2的状态相对应。
而程序运行结果写入输出映像寄存器Q0.0,并通过输出电路控制负载。
图中的起动信号I0.0和停止信号I0.1是由起动常开按钮和停止常开按钮提供的信号,持续ON 的时间一般都很短,这种信号称为短信号。
起保停电路最主要的特点是具有“记忆”功能,按下起动按钮,I0.0的常开触点接通,如果这时未按停止按钮,I0.1的常闭触点接通,Q0.0的线圈“通电”,它的常开触点同时接通。
放开起动按钮,I0.0的常开触点断开,“能流” 经 Q0.0的常开触点和I0.1的常闭触点流过Q0.0的线圈,Q0.0仍为ON ,这就是所谓的“自锁”或“自保持”功能。
按下停止按钮,I0.1的常闭触点断开,使Q0.0的线圈断电,其常开触点断开,以后即使放开停止按钮,I0.1的常闭触点恢复接通状态,Q0.0的线圈仍然“断电”。
时序分析如图24所示。
这种功能也可以用图25中的S 和R 指令来实现。
在实际电路中,起动信号和停止信号可能由多个触点组成的串、并联电路提供。
小结:(1)每一个传感器或开关输入对应一个PLC 确定的输入点,每一个负载PLC 一个确定的输出点。
(2)为了使梯形图和继电器接触器控制的电路图中的触点的类型相同,外部按钮一般用常开按钮。
I0.0I0.1Q0.01M2ML+DC24VSB1SB2外部电路接线图1L起、保、停电路梯形图输入映像寄存器 输出映像寄存器图23外部接线图和梯形图图25 S/R 指令实现的起、保、停电路图24时序分析图I0.0I0.1 Q0.0外部电路接线图2. 互锁电路如图26所示输入信号I0.0和输入信号I0.1,若I0.0先接通,M0.0自保持,使Q0.0有输出,同时M0.0的常闭接点断开,即使I0.1再接通,也不能使M0.1动作,故Q0.1无输出。
60㊀第一节 基本逻辑指令一、基本的连接与驱动指令1.LD㊁LDILD称为 取 指令,用于单个常开触点与左母线的连接㊂LDI称为 取反 指令,用于单个常闭触点与左母线的连接㊂2.OUTOUT称为 驱动 指令,是用于对线圈进行驱动的指令㊂取 指令与 驱动 指令的使用如图3-1所示㊂图3-1㊀ 取 指令与 驱动 指令的使用指令使用说明:1)LD和LDI指令可以用于软元件X㊁Y㊁M㊁T㊁C和S㊂2)LD和LDI指令还可以与ANB㊁ORB指令配合,用于分支电路的起点处㊂3)OUT指令可以用于Y㊁M㊁T㊁C和S,但是不能用于输入继电器X㊂4)对于定时器和计数器,在OUT指令之后应设置常数K或数据寄存器D㊂3.AND㊁ANIAND称为 与 指令,用于单个常开触点的串联,完成逻辑 与 的运算㊂ANI称为 与非 指令,用于单个常闭触点的串联,完成逻辑 与非 的运算㊂触点串联指令的使用如图3-2所示㊂图3-2㊀触点串联指令的使用指令使用说明:1)AND㊁ANI的目标元件可以是X㊁Y㊁M㊁T㊁C和S㊂61㊀2)触点串联使用次数不受限制㊂4.OR㊁ORI OR 称为 或 指令,用于单个常开触点的并联,实现逻辑 或 运算㊂ORI 称为 或非 指令,用于单个常闭触点的并联,实现逻辑 或非 运算㊂触点并联指令的使用如图3-3所示㊂图3-3㊀触点并联指令的使用指令使用说明:1)OR㊁ORI 指令都是指单个触点的并联㊂2)触点并联指令连续使用的次数不受限制㊂3)OR㊁ORI 指令的目标元件可以为X㊁Y㊁M㊁T㊁C㊁S㊂5.ORB㊁ANB ORB 称为 块或 指令,用于两个或两个以上触点串联而成的电路块的并联㊂ANB 称为 块与 指令,用于两个或两个以上触点并联而成的电路块的串联㊂ORB 指令的使用如图3-4所示㊂图3-4㊀ORB 指令的使用ORB 指令的使用说明:1)电路块并联时,对于电路块的开始应该用LD 或LDI 指令㊂62㊀2)如有多个电路块并联时,要对每个电路块使用ORB指令㊂连续使用次数不应超过8次㊂ANB指令的使用如图3-5所示㊂图3-5㊀ANB指令的使用ANB指令的使用说明:1)电路块串联时,对于电路块的开始应该用LD或LDI指令㊂2)如有多个电路块按顺序串联时,要对每个电路块使用ANB指令㊂ANB指令与ORB指令一样,连续使用次数不应超过8次㊂二、置位与复位指令SET是置位指令,其作用是使被操作的目标元件置位并保持㊂RST是复位指令,其作用是使被操作的目标元件复位并保持清零状态㊂SET㊁RST的使用如图3-6所示㊂图3-6㊀置位与复位指令的使用63㊀图3-6c 所示为时序图㊂时序图可以直观地表达出梯形图的控制功能㊂在画时序图时,我们一般规定只画各元件常开触点的状态,如果常开触点是闭合状态,用高电平 1 表示;如果常开触点是断开状态,则用低电平 0 表示㊂假如梯形图中只有某元件的线圈和常闭触点,则在时序图中仍然只画出其常开触点的状态㊂指令使用说明:1)SET 指令的目标元件可以是Y㊁M㊁S㊂2)RST 指令的目标元件为Y㊁M㊁S㊁T㊁C㊁D㊁V㊁Z㊂RST 指令常被用来对D㊁Z㊁V 的内容清零,还用来复位积算定时器和计数器㊂3)对于同一目标元件,SET㊁RST 指令可多次使用,顺序也可随意,但最后执行者有效㊂三㊁脉冲微分指令微分指令可以将脉宽较宽的输入信号变成脉宽等于PLC 一个扫描周期的触发脉冲信号,相当于对输入信号进行微分处理,如图3-7所示㊂PLS 称为上升沿微分指令,其作用是在输入信号的上升沿产生一个扫描周期的脉冲输出㊂PLF 称为下降沿微分指令,其作用是在输入信号的下降沿产生一个扫描周期的脉冲输出㊂脉冲微分指令的应用格式如图3-7所示㊂图3-7㊀脉冲微分指令的应用格式脉冲微分指令的使用如图3-8所示,利用微分指令检测到信号的边沿,M0或M1仅接通一个扫描周期,通过置位和复位指令控制Y0的状态㊂指令使用说明:1)PLS㊁PLF 指令的目标元件为Y 和M㊂2)使用PLS 指令时,是利用输入信号的上升沿来驱动目标元件,使其接通一个扫描周期;使用PLF 指令时,是利用输入信号的下降沿来驱动目标元件,使其接通一个扫描周期㊂四㊁其他基本指令END 为结束指令,将强制结束当前的扫描执行过程,若不写END 指令,将从用户程序存储器的第一步执行到最后一步;将END 指令放在程序结束处,只执行第一步至END 之间的程序,所以使用END 指令可以缩短扫描周期㊂另外在调试程序过程中,可以将END 指令插在各段程序之后,这样可以大大地提高调试的速度㊂NOP 是空操作指令,其作用是使该步序作空操作㊂执行完清除用户存储器的操作后,用户存储器的内容全部变为空操作指令㊂64㊀图3-8㊀脉冲微分指令的使用图3-9㊀并行输出梯形图ʌ名师点拨一ɔ㊀并行输出、纵接输出和多路输出1.几种常见的输出形式我们已经学习了15条基本指令,在此基础上,我们一起来认识几种特殊的梯形图结构㊂如图3-9所示,在同样的驱动条件下,OUT指令连续使用了3次㊂这种OUT指令连续使用若干次(相当于线圈并联)的输出形式称为并行输出㊂65㊀图3-10㊀纵接输出梯形图图3-11㊀多路输出梯形图㊀㊀如图3-10中,OUT M100指令之后,再通过T1的常开触点去驱动Y2㊂这种在OUT 指令之后,再通过其他触点去驱动其他线圈的方式称为纵接输出㊂如图3-11所示,各个输出线圈除了有相同的条件X0外,还有各自不同的控制条件去控制多个逻辑行㊂这种一个触点或触点组控制多个逻辑行的输出形式称为多路输出㊂对于多路输出的梯形图,要想把它转换为指令表,需要用到栈指令或主控指令,下面我们分别来介绍一下㊂2.栈指令(MPS ㊁MPP ㊁MRD )在FX 系列PLC 中有11个存储单元,如图3-12a 所示,它们专门用来存储程序运算的中间结果,被称为栈存储器㊂对栈存储器的操作对应有三个栈指令:MPS ㊁MPP 和MRD ㊂MPS 是进栈指令,其作用是将运算结果送入栈存储器的第一个单元,同时将先前送入的数据依次移到栈的下一个单元㊂MPP 是出栈指令,其作用是将栈存储器第一个单元的数据(最后进栈的数据)读出且该数据从栈中消失,同时将栈中其他数据依次上移㊂66㊀图3-12㊀栈存储器及栈指令的应用图3-13㊀一层堆栈指令的使用㊀㊀MRD是读栈指令,其作用是将栈存储器第一个单元的数据(最后进栈的数据)读出且该数据继续保存在栈存储器的第一个单元,栈内的数据不发生移动㊂栈指令用在某一个电路块与其他不同的电路块串联,以便实现驱动不同线圈的场合,即用于多重输出电路㊂其应用如图3-12b所示㊂指令使用说明:1)栈指令没有目标元件㊂2)MPS和MPP指令必须配对使用㊂3)栈存储器只有11个单元,所以栈最多为11层㊂图3-13所示为一层堆栈使用实例,图3-14所示为二层堆栈使用实例㊂4)栈指令在应用时遵循先进后出㊁后进先出的原则㊂67㊀图3-14㊀二层堆栈指令的使用图3-15㊀主控指令的使用(一)㊀㊀3.主控指令(MC ㊁MCR )MC 是主控指令,其作用是用于公共串联触点的连接㊂执行MC 后,左母线移到MC 触点的后面,即产生一个临时左母线㊂MCR 是主控复位指令,它是MC 指令的复位指令,即利用MCR 指令恢复原左母线的位置㊂主控指令的使用如图3-15所示㊂利用MC N0M100实现左母线右移,其中N0表示嵌套等级,利用MCR N0恢复到原先左母线的位置;如果X0断开,则会跳过MC ㊁MCR 之间的指令向下执行㊂图3-16所示为另一个主控指令的使用实例㊂指令使用说明:1)MC ㊁MCR 指令的目标元件为Y 和M ,不能是特殊辅助继电器㊂MC 占三个程序步,MCR 占两个程序步㊂2)主控触点在梯形图中与一般触点垂直(如图3-16中的M120)㊂与主控触点相连的触点必须用LD 或LDI 指令㊂68㊀图3-16㊀主控指令的使用(二)㊀㊀3)MC指令的输入触点断开时,在MC和MCR之内的积算定时器㊁计数器㊁用复位/置位指令驱动的元件保持其之前的状态不变㊂非积算定时器㊁计数器,以及用OUT指令驱动的元件将被复位,如图3-15中当X0断开,Y0和Y1即变为OFF㊂4)在一个MC指令区内若再次使用MC指令,则称为嵌套㊂主控指令的嵌套级数最多为8级,编号按N0ңN1ңN2ңN3ңN4ңN5ңN6ңN7顺序增大,每级的返回用对应的MCR指令,复位时从编号大的嵌套级开始㊂图3-17㊀起停控制程序(一)ʌ名师点拨二ɔ㊀基本逻辑指令的应用1.基本起停控制程序起动㊁停止的控制程序是最基本的常用控制程序㊂常用以下两种方法来实现㊂(1)起-保-停控制图3-17中,X0是起动信号,X1是停止信号㊂当X0为ON状态时,输出继电器Y0的线圈接通,并通过其常开触点形成自锁;当X1为ON状态时,输出继电器Y0的线圈断开,其常开触点断开㊂69㊀图3-18㊀起停控制程序(二)图3-19㊀用脉冲微分指令产生单脉冲图3-20㊀单脉冲发生器控制程序㊀㊀(2)置位㊁复位控制起动和停止的控制也可以通过SET ㊁RST 指令来实现的,如图3-18所示㊂2.脉冲产生程序(1)单脉冲发生器在PLC 的程序设计中,经常需要单个脉冲来实现计数器的复位,或作为系统的起动㊁停止信号㊂可以通过脉冲微分指令PLS 和PLF 指令来实现,如图3-19所示㊂在图3-20中,输入点X0每接通一次,就产生一个定时的单脉冲㊂无论X0接通时间长短如何,输出Y0的脉宽都等于定时器T0设定的时间㊂70㊀㊀㊀(2)连续脉冲发生器在PLC程序设计中,经常需要一系列连续的脉冲信号作为计数器的计数脉冲或其他作用,连续脉冲可分为周期不可调和周期可调两种情况㊂1)周期不可调的连续脉冲发生器㊂如图3-21所示,输入点X0接带自锁的按钮㊂利用辅助继电器M1产生一个脉宽为一个扫描周期㊁脉冲周期为两个扫描周期的连续脉冲㊂其工作原理分析如下:当X0常开触点闭合后,第一个扫描周期,M1常闭触点闭合,所以M1线圈能得电;第二个扫描周期,因在上一个扫描周期M1线圈已得电,所以M1的常闭触点断开,因此使M1线圈失电㊂因此,M1线圈得电时间为一个扫描周期㊂M1线圈不断连续地得电㊁失电,其常开触点也随之不断连续地闭合㊁断开,就产生了脉宽为一个扫描周期的连续脉冲信号输出,但是脉冲宽度和脉冲周期不可调㊂2)周期可调的连续脉冲发生器㊂若要产生一个周期可调节的连续脉冲,可使用如图3-22所示的程序㊂图3-21㊀周期不可调连续脉冲发生器㊀图3-22㊀周期可调连续脉冲发生器其工作原理分析如下:当X0常开触点闭合后,在第一个扫描周期,T0常闭触点闭合,T0线圈得电㊂经过2s的延时,T0的当前值和设定值相等,T0的触点将要动作㊂所以在断开后的第一个扫描周期中,T0常闭触点断开,使T0线圈失电㊂在此后的下一个扫描周期,T0常闭触点恢复闭合,又使T0线圈得电,重复以上动作,就产生了脉宽为一个扫描周期㊁脉冲周期为2s的连续脉冲㊂可以通过改变T0的设定值来改变连续脉冲的周期㊂第二节 定时器与计数器前面我们简单认识了定时器和计数器,下面我们具体来学习定时器和计数器的特点和应用㊂。
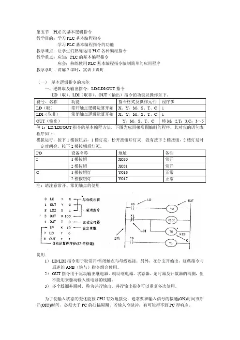
第五节PLC的基本逻辑指令教学目的:学习PLC基本编程指令学习PLC基本编程指令的功能教学难点:让学生们熟练运用PLC各种编程指令教学重点:应知:PLC的基本编程指令应会:熟练使用PLC基本编程指令编制简单的应用程序教学学时:讲解2课时,实训4课时(一)基本逻辑指令的功能一、逻辑取及输出指令:LD/LDI/OUT指令例1:LD/LDI/OUT指令的基本编程方法。
下图为应用梯形图编制的程序,其对应的语句表程序如下:模拟运行:按下1楼按钮后,1楼灯亮,松开按钮后灯灭;没有按下2楼按钮,2楼灯延时一定时间亮,按下2楼按钮后灯灭。
注:请注意常开、常闭触点的使用说明:1)LD/LDI指令用于取常开/常闭触点与母线连接。
另外,在分支开始出,这些指令与后述的ANB(块与)指令组合使用。
2)OUT指令用于驱动输出继电器、辅助继电器、状态器、定时器及计数器的线圈,但不能用来驱动输入继电器的线圈。
3)多个线圈并联时,称为并行输出。
并行输出指令可以重复多次使用。
为了使输入状态的变化能被CPU有效地接受,通常要求输入信号的接通(ON)时间或断开(OFF)时间,必须大于PC的扫描周期。
若输入窄脉冲,有可能得不到PC得响应。
考虑到输入滤波器得相应定时器为10MS,若PC的扫描周期为10MS,则输入信号的接通时间或断开时间至少为20MS以上,因此当输入信号的频率高于25HZ时,则不能被PC有效的接受和处理。
但是使用后述的有关特殊功能指令,可以处理高频率的输入信号。
1、多重输出操作如图所示,输出继电器的线圈Y3被安排在两个位置上(双重输出),j假定在输入处理阶段X1=ON,X2=OFF。
最初因X1=ON,使Y3第一次出现时其映象机春起的状态为ON,Y4的映象寄存器的状态也为ON。
又因为X2=OFF,使Y3第二次出现时其映象寄存器的状态改为OFF。
因此,最终的外部输出为Y3=ON。
由以上分析可知,当执行多重输出操作时,最后执行的输出操作优先。
汇编逻辑运算类指令
汇编语言中的逻辑运算类指令包括与、或、非和异或等操作。
这些指令用于对数据进行逻辑运算,常用于处理位操作和逻辑判断。
首先是“与”操作,通常用AND指令表示,在大多数汇编语言
中是用关键字“AND”来表示。
AND指令用于将两个操作数的对应位
进行逻辑与操作,结果为1的位保留,结果为0的位清零。
其次是“或”操作,通常用OR指令表示,在汇编语言中是用关
键字“OR”来表示。
OR指令用于将两个操作数的对应位进行逻辑或
操作,只要有一个操作数的对应位为1,结果位就为1。
接下来是“非”操作,通常用NOT指令表示,在汇编语言中是
用关键字“NOT”来表示。
NOT指令用于对操作数的每一位进行取反
操作,即1变为0,0变为1。
最后是“异或”操作,通常用XOR指令表示,在汇编语言中是
用关键字“XOR”来表示。
XOR指令用于将两个操作数的对应位进行
异或操作,即相同则结果为0,不同则结果为1。
这些逻辑运算指令在汇编语言中被广泛应用于各种数据处理和控制流程中,能够对数据进行精确的位操作和逻辑判断,是编程中不可或缺的重要指令。
通过合理的组合和应用,可以实现复杂的逻辑运算和数据处理功能。
plc基本逻辑指令及编辑方法
PLC的基本逻辑指令及编辑方法包括以下几个部分:
1. LD(读取):表示一个与输入母线相连的常开接点指令,用于常开接点接到母线上的逻辑运算起始。
2. LDI(读取反):表示一个与输入母线相连的常闭接点指令,用于常闭接点接到母线上的逻辑运算起始。
3. AND(与指令):用于单个常开接点的串联。
4. ANI(与非指令):用于单个常闭接点的串联。
5. OR(或指令):用于单个常开接点的并联。
6. ORI(或非指令):用于单个常闭接点的并联。
7. OUT:输出指令,目标元件是Y,M,S,T,C。
8. SET(置位指令):使动作保持。
9. RST(复位指令):使操作保持复位。
10. PLS(输入信号上升沿产生脉冲输出):目标元件为Y,M,但特殊辅助继电器不能作为目标元件。
11. PLF(输入信号下降沿产生脉冲输出):目标元件为Y,M,但特殊辅助继电器不能作为目标元件。
12. INV:该指令用于运算结果的取反。
此外,还有NOP(无操作指令)和END(结束指令)等基本逻辑指令。
以上信息仅供参考,如需了解更多信息,建议查阅PLC编程相关书籍或咨询专业人士。
第二章S7-200 PLC的基本指令本章重点:<1)了解SIEMENS S7-200 PLC的软器件特点。
<2)掌握SIEMENS S7-200 PLC的指令系统的功能以及编程的方法。
本章的能力要求:通过学习,使学生具有灵活应用SIEMENS S7-200 PLC 指令进行编程的能力。
一、基本逻辑指令LD<load):常开触点逻辑运算开始。
A<And):常开触点串联连接。
O<Or):常开触点并联连接。
= <Out):线圈驱动。
图2-1 基本逻辑指令应用1. 指令使用说明:1)LD指令用于与输入母线相连的触点,在分支电路块的开始处也要使用LD指令。
2)触点的串/并联用A/O指令,线圈的驱动总是放在最右边,用=<Out)指令。
3)LD、A、O指令的操作元件<操作数)可为I,Q,M,SM,T,C,V,S。
=<Out)指令的操作元件<操作数)一般可为Q,M,SM,T,C,V,S。
4)在PLC中,用于常闭触点的基本逻辑指令为:LDN<Load Not):常闭触点逻辑运算开始。
AN<And Not):常闭触点串联。
ON<Or Not):常闭触点并联。
2. 指令使用注意问题1)在程序中不要用=<Out)指令去驱动实际的输入<I),因为I的状态应由实际输入器件的状态来决定。
2)尽量避免双线圈输出<即同一线圈多次使用)。
二、复杂的逻辑指令1.电路块的串/并联OLD<Or Load):电路块的并联。
ALD<And Load):电路块的串联。
每个电路块开始用LD、LDN指令,OLD指令用于电路块的并联,ALD指令用于电路块的串联,OLD及ALD指令均没有操作元件。
图2-2 串并联练习:根据下列梯形图写出指令表。
图2-3 练习12、逻辑堆栈的操作LPS<LogicPush):逻辑入栈指令<分支电路开始指令)。
1、输入继电器(X0-X177)FX2N系列可编程控制器输入继电器编号范围为X0~X177(128点)。
输入继电器与PLC的输入端相连,是PLC接收外部开关信号的元件,如开关、传感器等输入信号,输入继电器必须由外部信号来驱动,不能用程序驱动。
它可提供无数对常开接点、常闭接点,如图5.1所示。
这些接点在PLC内可以自由使用。
FX2N型PLC 输入继电器采用八进制地址编号,最多可达128点(X0~X177)。
2. 输出继电器(Y0~Y177) 输出继电器是PLC用来输送信号到外部负载的元件,输出继电器只能用程序指令驱动,如图5.1所示。
每一个输出继电器有一个外部输出的常开触点。
而内部的软接点,不管是常开还是常闭,都可以无限次地自由使用,输出继电器的地址是八进制,最多可达128点。
3. 辅助继电器(M)PLC内部有很多辅助继电器,辅助继电器与输出继电器一样只能用程序指令驱动,外部信号无法驱动它的常开常闭接点,在PLC内部编程时可以无限次地自由使用。
但是这些接点不能直接驱动外部负载,外部负载必须由输出继电器的外部接点来驱动。
在逻辑运算中经常需要一些中间继电器作为辅助运算用,这些器件往往用作状态暂存、移位等运算。
另外,辅助继电器还具有一些特殊功能。
下面是几种常见的辅助继电器。
1) 通用辅助继电器M0~M499(500点)通用辅助继电器按十进制地址编号(在FX型PLC中除了输入/输出继电器外,其他所有器件都是十进制编号)。
2) 断电保持辅助继电器M500~M1023(524点)PLC在运行时若发生停电,输出继电器和通用辅助继电器全部成为断开状态。
上电后,除了PLC运行时被外部输入信号接通的以外,其它仍断开。
不少控制系统要求保持断电瞬间状态。
断电保持辅助继电器就是用于此场合的,断电保持是由PLC内装锂电池支持的。
3) 特殊辅助继电器M8000~M8255(256点)PLC内有256个特殊辅助继电器,这些特殊辅助继电器各自具有特定的功能。
第二章基本逻辑指令说明及应用NOP空操作无动作 1END结束输入输出及返回到开始 1●软元件为Y和一般M的程序步为1,S和特殊辅助继电器M的程序步为2,定时器T的程序步为3,计数器C的程序步为3-5。
●软元件为Y和一般M的程序步为1,S和特殊辅助继电器M、定时器T、计数器C的程序步为2,数据寄存器D以及变址寄存器V和Z的程序[LD],[LDI],[LDP],[LDF],[OUT] 指令指令解说助记符、名称功能可用软元件程序步LD取常开触点逻辑运算开始X,Y,M,S,T,C 1LDI取反常闭触点逻辑运算开始X,Y,M,S,T,C 1上升沿检出运算开始X,Y,M,S,T,C 2LDP取脉冲上升沿LDF取脉冲下降下降沿检出运算开始X,Y,M,S,T,C 2沿OUT输出线圈驱动Y,M,S,T,C 见说明●LD,LDI,LDP,LDF指令将触点连接到母线上。
多个分支用ANB,ORB时也使用。
●LDP指令在上升沿(软元件由OFF到ON变化时)接通一个周期;LDF指令在下降沿(软元件由ON到OFF变化时)接通一个周期。
●LD,LDI,LDP,LDF指令的重复使用次数在8次以下。
即与后面的ANB,ORB指令使用时串并连使用的最多次数为8个。
●软元件为Y和一般M的程序步为1,S和特殊辅助继电器M的程序步为2,定时器T的程序步为3,计数器C的程序步为3-5。
●OUT指令各种软元件的线圈驱动,但对输入继电器不能使用。
并列的OUT可多次连续使用。
●OUT指令驱动计数器时,当前面的线圈从ON变成OFF,或者是从OFF变成ON时,计数器才加一。
编程示例0 LD X0001 OUT Y0002 OUT C0 K105 LDI X0016 OUT Y0017 OUT T0 K10010 LD C011 OUT Y00212 LD T013 OUT Y00314 LDP X00216 OUT M217 LDF X00319 OUT M320 END●用LD,LDI,LDP,LDF指令与母线连接。
输出使用OUT指令驱动线圈。
●使用OUT指令驱动定时器的计时线圈或者计数器的计数线圈时,必须设定定时和计数的时间和计数的值,可以是常数K,或者由数据寄存器间接指定数值。
●每个程序结束必须要有END指令,关于END指令详见后面的END指令介绍。
●AND,ANI,ANDP,ANDF指令只能串接一个触点,两个以上的并联回路串联时使用后面的ANB指令。
串联次数不受限制。
●ANDP,ANDF指令在上升沿(即软元件由ON到OFF变化时)和下降沿即(软元件由OFF到ON变化时)接通一个周期。
0 LD X0001 AND X0012 OUT Y0003 LD X0024 ANI X0035 OUT Y0016 LD Y0007 ANDP Y0019 OUT Y00210 LDI X00411 ANDF Y00113 OUT Y00314 END实例中X001,X003,Y001作为串联触点与前面的触点相连。
[OR],[ORI],[ORP],[ORF] 指令指令解说助记符、名称功能可用软元件程序步OR或常开触点并联连接X,Y,M,S,T,C 1ORI或非常闭触点并联连接X,Y,M,S,T,C 1ORP或脉冲上升上升沿检出并联连接X,Y,M,S,T,C 2沿下降沿检出并联连接X,Y,M,S,T,C 2ORF或脉冲下降沿●OR,ORI,ORP,ORF指令只能并接一个触点,两个以上的串联回路并联时使用后面的ORB指令。
●ORP,ORF指令在上升沿(即软元件由OFF到ON变化时)和下降沿(即软元件由ON到OFF变化时)接通一个周期。
●OR,ORI,ORP,ORF指令和前面的LD,LDI,LDP,LDF指令一起使用,并联次数不受限制。
编程示例0 LD X0001 ORP X0013 ORI M04 OUT Y0005 LD X0026 ORF X0108 ANI X0039 ORI X01110 AND X00411 OR X01212 LDI X00513 ORF X01315 AND X00616 ORI X01417 ANB18 OUT Y00119 END使用OR,ORI,ORP,ORF与前面的LD,LDI,LDP,LDF并联连接,在程序步12到16中,由于是两个并联回路块的串联,所以使用ANB指令,关于ANB 指令详见后面的说明。
2. 5 [ANB],[ORB] 指令2. 指令解说助记符、名称功能可用软元件程序步ANB块与并联回路块的串联连接 1ORB块或串联回路块的并联连接 1●当多分支回路与前面的回路串联连接时,使用ANB指令。
分支以LD,LDI,LDP,LDF指令作为起点,使用ANB指令与前面以LD,LDI,LDP,LDF指令作为起点的分支串联连接。
●当2个以上的触点串接的串联回路块并联连接时,每个分支使用LD,LDI指令开始,ORB指令结束。
●ANB,ORB指令都是不带软元件的指令。
●ANB,ORB使用的并串联回路的个数不受限制,但是当成批使用时,必须考虑LD,LDI的使用次数在8次以下。
2. 编程示例0 LD X0001 ANI X0012 LDI X0023 AND X0034 ORB5 LD X0046 AND X0057 ORB8 OUT Y0009 LD X00610 OR X00711 LD X01012 ANI X01113 LDI X01214 AND X01315 ORB16 ORI X01417 ANB18 OR X01519 OUT Y00120 END●在每个分支的最后使用ORB指令,不要在所有的分支后面使用ORB指令,如程序步4和7所示。
●ORB和ANB指令只是对块的连接,如果不是块就不能使用,如程序步16和18不是块就不能使用。
如图所示,串联回路块和并联回路块的示例。
[INV] 指令指令解说助记符、名称功能可用软元件程序步INV取反运算结果的反转 1 INV指令是将INV指令之前,LD,LDI,LDP,LDF指令之后的运算结果取反的指令,没有软元件。
编程示例0 LD X0001INV2 OUT Y0003 LDI X0014INV5INV6 OUT Y0017 ENDINV指令的动作范围如图:[PLS],[PLF] 指令指令解说助记符、名称功能可用软元件程序步1PLS上升沿脉冲上升沿输出Y,M(特殊M除外)1PLF下降沿脉冲下降沿输出Y,M(特殊M除外)●使用PLS指令时,只在线圈由OFF变成ON的一个扫描周期内,驱动软元件。
●使用PLF指令时,只在线圈由ON变成OFF的一个扫描周期内,驱动软元件。
●对具有停电保持功能的软元件,它只在第一次运行时产生脉冲动作。
编程示例0 LD X0001 PLS M03 LD M04 SET Y0005 LD X0006 PLF M18 LD M19 RST Y00010 LDP X00112 OUT M213 LD M214 SET Y00115 LDF X00117 OUT M318 LD M319 RST Y00120 END●程序段0-2和10-12的动作相同,都是在线圈闭合的上升沿,驱动一个扫描周期的输出。
同样,程序段5-7和15-17的动作相同,都是在在线圈闭合的下降沿,驱动一个扫描周期的输出。
●关于SET,RST指令的作用详见后面的说明。
[SET],[RST] 指令指令解说助记符、名称功能可用软元件程序步SET置位动作保持Y,M,S 见说明RST复位清除动作保持,寄存器清零Y,M,S,T,C,D,V,Z●软元件为Y和一般M的程序步为1,S和特殊辅助继电器M、定时器T、计数器C的程序步为2,数据寄存器D以及变址寄存器V和Z的程序步为3。
●SET指令在线圈接通的时候就对软元件进行置位,只要置位了,除非用RST指令复位,否则将保持为1的状态。
同样,对RST指令只要对软元件复位,将保持为0的状态,除非用SET指令置位。
●对同一软元件,SET,RST指令可以多次使用,顺序随意,但是程序最后的指令有效。
●RST指令可以对数据寄存器(D),变址寄存器(V,Z),定时器(T)和计数器(C),不论是保持还是非保持的都可以复位置零。
编程示例0 LD X0001 SET Y0002 LDI X0013 RST Y0004 LDP X0016 SET Y0017 LDF X0018 RST Y00110 END[NOP],[END] 指令指令解说助记符、名称功能可用软元件程序步NOP空操作无动作 1END结束输入输出及返回到开始 1●程序清除时指令变为NOP指令,指令之间加入NOP指令,程序对他不做任何事情,继续向下执行,只是增加了程序的步数。
●每个程序必须有一个且只有一个END指令,表示程序的结束。
PLC不断反复进行如下操作:输入处理,从程序的0步开始执行直到END指令,程序处理结束,接着进行输出刷新。
然后开始循环操作。
编程示例0 LD X0001 AND X0012 OUT Y0003 NOP4NOP5 LDI X0026 ANI X0037 OUT Y0018END[MPS],[MRD],[MPP] 指令指令解说助记符、名称功能可用软元件程序步MPS压栈运算存储 1MRD读栈存储读出 1MPP出栈存储读出与复位 1●嵌入式PLC中有11个栈空间,也就是说可以压栈的最大深度为11级。
每使用一次MPS将当前结果压入第一段存储,以前压入的结果依次移入下一段。
MPP指令将第一段读出,并且删除它,同时以下的单元依次向前移。
MRD指令读出第一段,但并不删除它。
其他单元保持不变。
使用这三条指令可以方便多分支的编程。
●在进行多分支编程时,MPS保存前面的计算结果,以后的分支可以利用MRD,MPP从栈中读出前面的计算结果,再进行后面的计算。
最后一个分支必须用MPP,保证MPS,MPP使用的次数相同。
注意,使用MPP以后,就不能再使用MRD读出运算结果,也就是MPP必须放在最后的分支使用。
●MRD指令可以使用多次,没有限制。
MPS连续使用的最多次数为11,但是可以多次使用。
每个MPS指令都有一个MPP指令对应,MPP的个数不能多于MPS的个数。
编程示例实例1:0 LD X0001 MPS2 AND X0013 OUT Y0004 MRD5 ANI X0026 OUT Y0017 MPP8 OUT Y0029 AND X00310 OUT Y00311 END●该实例只使用一级堆栈,使用一个MPS指令压栈,一个MRD指令读栈,一个MPP指令出栈。
实例2:0 LD X0041 MPS2 LD X0053 ORI X0064 ANB5 ANI X0076 OUT Y0047 MRD8 LDI X0109 AND X01110 LD X01211 ANI X01312 ORB13 ANB14 OUT Y00515 MPP16 AND X01417 OUT Y00618 MPS19 LDI X01520 OR X01621 ANB22 OUT Y00723 MPP24 AND X01725 OUT Y01026 END该实例使用一级两段堆栈,并且跟OR,ORB,ANB指令混合使用。