工程项目检查表(试用)
- 格式:docx
- 大小:56.33 KB
- 文档页数:32
建设工程项目检查表1. 项目基本信息- 项目名称:- 项目地址:- 项目负责人:- 施工单位:- 监理单位:- 建设单位:- 开工日期:- 完工日期:2. 施工现场管理- 施工现场是否设置了必要的安全警示标志?- 施工现场是否有专门的施工人员管理和指挥?- 施工现场是否有合理的布局和道路通行?- 施工现场是否设置了临时设施(如临时办公室、临时仓库等)?3. 施工材料和设备- 施工材料是否符合规定标准?- 施工材料是否按照规定存放和保管?- 施工设备是否符合安全要求?- 施工设备是否定期维护和检修?4. 施工质量控制- 施工过程中是否进行了必要的质量检测和控制?- 施工过程中是否有专人负责质量管理?- 施工过程中是否按照设计图纸和规范进行施工?- 施工过程中是否及时处理施工中出现的问题和质量缺陷?5. 安全生产管理- 施工现场是否设置了必要的安全设施(如防护网、安全帽等)?- 施工现场是否有专门的安全管理人员?- 施工过程中是否进行了安全教育和培训?- 施工过程中是否有安全事故记录和处理?6. 环境保护管理- 施工现场是否进行了环境影响评价?- 施工现场是否有环境保护设施(如垃圾箱、污水处理设备等)?- 施工过程中是否按照环境保护要求进行施工?- 施工过程中是否对环境进行了污染防控?7. 工程进度管理- 施工进度是否按照计划进行?- 施工过程中是否存在进度延误的情况?- 施工过程中是否存在工期压缩的情况?- 施工过程中是否存在工序顺序错乱的情况?8. 工程支付管理- 施工单位是否按照合同约定的支付方式进行申请?- 施工单位是否按照合同约定的工程进度进行支付?- 施工单位是否按照合同约定的质量要求进行支付?- 施工单位是否按照合同约定的支付时间进行支付?以上是建设工程项目检查表的一些基本内容,具体可以根据实际情况进行调整和补充。
施工现场安全标志牌一览表工程名称:表〔八〕序号安全标志牌名称数量挂设位置备注1 《制止吸烟》牌挂设在木工制作场所2 《制止烟火》牌挂设在木料堆放场所3 《制止用水灭火》牌挂设在配电室内4 《制止通行》牌挂设在井架吊篮下5 《禁带火种》牌挂设在油漆、柴油仓库6 《制止跨越》牌挂设在提升卷扬机地面钢丝绳旁7 《制止攀登》牌挂设在井架上、脚手架上8 《制止外人入内》牌挂设在工地大门入口处9 《禁放易燃物》牌挂设在电焊、气割焊场所10 《有人修理、严禁合闸》牌有人修理时挂在开关箱上11 《留意安全》牌挂设在外脚手架上和高处作业处12 《留神火灾》牌挂在木料堆放场所和电气焊场所13 《留神触电》牌挂在机械作业棚和配电室等处14 《留神机械伤人》牌挂在机械作业场所15 《留神伤手》牌挂设在木工机械场所16 《留神吊物》牌挂设在提升机作业区域内17 《留神扎脚》牌挂设在模板作业区域内18 《留神落物》牌挂设在地面外架周边区域内19 《留神坠落》牌挂设在高处作业的四口、五临边20 《安全通道》牌挂设在外架斜道上和主要通道口21 《必需戴安全帽》牌挂设在进入工地的大、小门口22 《必需系安全带》牌挂在高空作业又没有牢靠防护处23 《留神塌方》牌开挖土方时挂设在基坑临边24 《必需戴防护手套》牌挂设在振捣混凝土场所25 《必需穿防护鞋》牌挂设在振捣混凝土场所26 《留神滑跌》牌工程负责人:填表人:挂设在雨天易滑处填表时间:年04 月表〔七〕单位〔工程〕名称〔盖章〕:1、本月平均人数〔人〕:人;其中:临时工〔人〕:人;2、分包人员〔人〕:人3、本月伤亡事故件数:件;其中:死亡事故〔件〕:0件;重伤事故〔件〕:0件;轻伤事故〔件〕:件4、本月伤亡人数〔人〕:;其中:死亡人数〔人〕:0人;重伤人数〔人〕:0人;轻伤人数〔人〕:人5、本月伤亡事故状况:性级事故发生姓名工种年龄别别时间工程名称损害程损害部经济损损失工用工形度位失〔元〕日〔元〕式6、本月伤亡事故直接经济损失总计〔元〕:元;本月伤亡事故损失工日总计〔日〕:日7、本企业职工以外人员伤亡状况:死亡〔人〕:0人;重伤〔人〕:0人;轻伤〔人〕:人注:本表一式2 份,1 份工地留存,1 份上报。
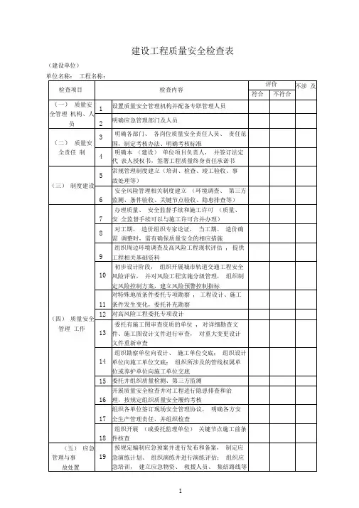
建设工程质量安全检查表(建设单位)
建设工程质量安全检查表(施工单位管理行为)
检:
建设工程质量安全检查表(土建施工单位)
检查组成员(签字):检查日期:
建设工程质量安全检查表
(土建施工单位- 盾构)
建设工程质量安全检查表
(监理单位)
建设工程质量安全检查表
(第三方监测)
单位名称:工程名称:
检查组成员(签字):检查日期:
建设工程质量安全督查表
(勘察单位)
单位名称:工程名称:
建设工程质量安全督查表
(设计单位)
单位名称:工程名称:
督查组成员(签字):督查日期:。
项目工程质量三检制度及检查表格一、背景为了保证项目工程的质量,提高工程建设效率,规范工程管理,建立了项目工程质量三检制度。
三检是指设计、施工、竣工阶段的质量检查,旨在发现和解决工程质量问题,确保工程质量和安全。
二、制度概述(一)适用范围本制度适用于各类工程建设和重大改造项目的设计、施工、竣工阶段,确保工程质量符合国家和行业标准要求。
(二)检查周期设计、施工、竣工三个阶段均需进行质量检查,并分别制定相应的检查表格。
三个阶段的检查周期分别为:•设计阶段:在施工前进行一次全面检查•施工阶段:分阶段进行检查,具体周期由项目实际情况决定•竣工阶段:在验收前进行一次全面检查(三)检查内容检查内容包括但不限于以下方面:•工程施工质量是否符合设计要求和相关标准•工程材料质量是否符合要求•工程施工过程中是否存在同类工程质量问题•工程竣工后进行技术验收前是否按照要求进行了安全质量检查(四)检查结果及处理检查结果应当详细记录并保存,不合格项目应当及时进行整改。
检查发现的问题应当及时通报相关责任人,并责令整改到位。
三、检查表格(一)设计阶段检查表格检查内容检查标准检查结果工程体量、结构和布局是否符合设计要求□符合□不符合(请注明原因)施工技术要求是否符合规范要求□符合□不符合(请注明原因)工程选材是否符合设计技术要求□符合□不符合(请注明原因)设计文件是否完备□是□否(请注明不完备的内容)(二)施工阶段检查表格检查内容检查标准检查结果施工图和施工方案是否符合设计要求□符合□不符合(请注明原因)工程施工质量是否符合要求□符合□不符合(请注明原因)工程施工过程中是否存在质量问题,有则列明桩基、地基、基础工程的材料质量是否符合要求□符合□不符合(请注明原因)(三)竣工阶段检查表格检查内容检查标准检查结果竣工文书准备是否齐全□是□否(请注明不齐全的内容)工程竣工质量是否符合验收要求□符合□不符合(请注明原因)工程竣工质量检验结果安全文明施工标准化是否符合要求□符合□不符合(请注明原因)四、本制度的实施对于工程建设质量的提高具有积极意义,有利于规范工程管理和加强质量监督,同时也给招投标人和建设单位提供了更强的信心。
工程项目检查表(试用)概述本文档为工程项目检查表的试用版本。
该检查表旨在对工程项目的各项工作做出全面、系统的检查,确保工程项目的质量、安全、进度等方面得到有效的控制和管理。
本检查表按照工程项目的各个阶段,将工作内容划分为多个工作模块,并对每个工作模块涉及的内容,制定相应的检查点。
检查点包括但不限于:工作内容是否按照合同、规范、标准执行;安全保障措施是否得到落实;现场秩序是否良好等。
使用说明适用范围本检查表适用于建筑工程、安装工程、结构工程、市政工程等各种类型的工程项目,可作为客观评价工程项目的工具。
使用方法本检查表采用Excel表格形式编写,下面为具体使用方法:1.打开工程项目检查表软件。
2.选择需要进行检查的工作模块。
3.根据检查点进行检查,填写对应的检查结果。
4.根据检查结果,进行现场整改或补救措施的制定与实施。
5.检查结束后,保存检查表并进行评估分析。
使用注意事项1.检查者应对被检查单位进行提前通知以及工作模块、检查点等具体事项的说明。
2.检查者应认真检查,并按照实际情况进行打分。
3.检查表仅供参考,请结合实际情况进行合理修改。
4.检查表不得用于追究任何单位或个人责任,仅供工程项目开展时的管理和控制参考。
检查表内容阶段一:前期准备1.是否编制项目建议书或可行性研究报告。
2.是否进行环境影响评价和土地使用审批等工作。
3.是否取得施工许可证和规划许可证等相关证件。
4.是否编制完善的施工组织设计、安全管理规划等相关计划。
5.是否制定项目管理机构、施工组织机构、技术管理机制等组织机构安排。
阶段二:施工过程1.施工作业场所是否符合规定标准,现场是否存在安全隐患。
2.施工作业单位是否按合同规定和施工组织设计施工。
3.施工单位是否按国家规定使用标准材料,质量是否符合要求。
4.施工单位是否合理制定施工计划,确保工程进度。
5.施工单位是否落实工程验收制度,保证工程质量。
阶段三:竣工验收1.工程竣工前是否对工程进行全面的自检和试运行,确保工程完好无损。
工程工程项目检查表(试用版)检查时间:年月日参加人员:浙江宏宇建筑有限责任公司关于工程检查表的编制说明1.工程项目检查汇总表是由一.工程项目检查评分表(项目部标化准化建设).二.工程项目检查评分表(施工现场标准化建设)。
三.工程项目检查评分表(安全资料)。
四.工程项目检查评分表(临时用电)。
五.工程项目评分表(质量技术资料)。
六.工程项目评分表(工程现场管理)六个分部分汇总而成的结果。
2.六个工程项目检查评分表自成体系又相关联,组成一个工程管理体系和质量体系。
整个表格是为公司对项目部一月一次的综合检查准备的,同时也为项目部能完成公司的考核指标做指导。
表六又可以作为工程部对项目平时检查,也可作为项目自查的指导。
所以表五和表六相重复的地方,更加能体现表格的完整性和各自的独立性。
3.表中没有列入成本考核的内容。
4.各部分的考核没有过分的详细说明,有一定的伸缩性,在使用过程中可以灵活掌握。
5.工程管理的多样性,说明这个表格存在许多的缺陷,请在使用中及时与工程部,以使得更加完善,更能为公司的施工生产服务。
6.工程进度没有单独的列出,但只在工程项目检查汇总表体现,完成进度就满分,不完成则不得分。
宏宇建筑河北分公司工程部2015年5月18日工程项目检查汇总表工程项目检查评分表(项目部标准化建设)工程项目检查评分表(施工现场标准化建设)工程项目检查评分表(安全资料)工程项目检查评分表(临时用电)工程项目检查评分表(质量技术资料)工程项目检查评分表(现场质量管理)在建工程施工质量检查评分说明建筑工程实体质量评价用得分率表示。
根据实际检查项目,先计算每大项的应得分和实得分,再计算本次检查的应得分和实得分,最后计算得分率。
检查内容包括质保体系、工程实体、材料抽检。
其中建筑工程实体检查项目包括①基础、主体技术资料,②混凝土和砌体工程,③钢筋、模板工程,④屋面、装饰技术资料,⑤屋面、装饰工程等五大项。
每大项中包含若干子项。
建设工程项目检查表一、项目概况本次建设工程项目为一座位于某市中心的商业综合体,总建筑面积约10万平方米,包括地下车库、商业楼、写字楼和酒店等多个功能区域。
项目计划投资约10亿元,预计工期为两年。
二、项目背景该商业综合体的建设旨在满足市民对于商业、办公和休闲娱乐的需求,提升城市形象和商业氛围。
项目选址优越,周边交通便利,具备良好的商业发展潜力。
三、项目目标1. 建设一座现代化、功能齐全、符合安全标准的商业综合体;2. 提供多样化的商业服务,满足市民的购物、办公和休闲需求;3. 促进当地经济发展,带动就业增长;4. 打造城市新地标,提升城市形象和吸引力。
四、项目主要内容1. 地下车库:设计车位1000个,满足商业综合体和周边居民的停车需求;2. 商业楼:设有多个商铺和餐饮场所,提供丰富的购物和餐饮选择;3. 写字楼:提供办公空间,吸引企业入驻,促进商业合作;4. 酒店:设有酒店客房和会议室,满足商务旅客的住宿和会议需求。
五、项目进展情况1. 前期准备工作:已完成项目可行性研究报告、土地规划和环境评估等前期准备工作;2. 设计阶段:已完成项目总体规划和初步设计,包括建筑结构、设备布置和装修方案等;3. 施工准备:已完成施工图设计和施工组织设计,招标工作正在进行中;4. 施工阶段:计划于今年年底开工,预计工期为两年,将按照设计方案进行施工;5. 竣工验收:项目竣工后将进行验收工作,确保项目符合相关标准和规定。
六、项目风险及应对措施1. 资金风险:项目投资较大,资金筹措可能存在困难。
应加强资金管理,确保资金到位;2. 施工风险:施工期间可能遇到工程质量问题、施工进度延误等问题。
应加强施工管理和监督,及时解决问题;3. 安全风险:建设工程涉及高空作业、电气设备等,存在安全隐患。
应加强安全管理和培训,确保施工过程安全;4. 环保风险:建设工程可能对周边环境产生一定影响。
应加强环境监测和治理,确保环保要求得到满足。
工程安全检查表一、项目信息项目名称:____________________项目地点:____________________项目负责人:__________________检查日期:____________________二、检查内容1. 建筑结构安全- 检查建筑结构的完整性,是否存在裂缝、倾斜等问题;- 检查承重结构的设计、施工是否符合相关标准;- 检查建筑物的地基与基础是否稳固。
2. 电气安全- 检查电气设备的安装是否规范,配线是否整齐;- 检查电气线路的绝缘情况,是否存在漏电等问题;- 检查用电设备的接地是否良好。
3. 消防安全- 检查消防设施的配置是否到位,灭火器的数量、种类是否符合要求;- 检查疏散通道是否畅通,标志是否清晰可见;- 检查消防设备的运行状态是否正常。
4. 施工现场安全- 检查施工现场的防护措施是否到位,是否设置了警示标志;- 检查施工机械设备的使用是否符合规定,是否存在安全隐患;- 检查现场人员是否佩戴安全帽、安全鞋等必要防护装备。
5. 材料储存及管理安全- 检查材料堆放是否规范,是否存在杂乱堆放、滞留物堆积等情况; - 检查危险化学品及易燃易爆物品的储存是否符合相关标准;- 检查材料管理过程中是否存在丢失、浪费等问题。
6. 环境保护安全- 检查施工现场的环境污染情况,是否存在废弃物乱倒现象;- 检查施工过程中是否采取了相应的环保措施,如防尘、防噪音等; - 检查施工对周边环境的影响是否得到有效控制。
三、检查结果及处理意见1. 建筑结构安全:__________________________处理意见:_______________________________2. 电气安全:_____________________________处理意见:_______________________________3. 消防安全:_____________________________处理意见:_______________________________4. 施工现场安全:__________________________处理意见:_______________________________5. 材料储存及管理安全:____________________处理意见:_______________________________6. 环境保护安全:__________________________处理意见:_______________________________四、备注_____________________________________________________________________________________________五、检查人员签字检查人员:____________________日期:_______________________。
检查记录表
QSEG0209B3被检查方项目编号
检查部门技术质量部检查日期2020年11月22日
检查参加人等
项目概况:
现场主要检查部位:基础底板钢筋绑扎
一、实测实量情况
二、内业资料:(样板、交底、周报、学习、试验管理等)
1、26#楼防水卷材复试报告缺失
整改回复:26#报告已返回资料已报验。
产生原因:甲分包的防水队伍未付款。
预防措施:加强对甲分包防水队伍的管理。
三、原材料管理(主要施工材料的进场验收、报验、复试)
1、钢筋无材料标识牌。
整改措施
产生原因:广告公司未制作出,管理人员监督不到位;
预控措施:加强对项目标示的管理。
四、渗漏水情况
五、实体质量:
1
、后台加工直螺纹丝头未戴保护帽,成品保护差。
整改措施:
产生原因:工人未进行套丝保护,管理人员监督不到位;预控措施:加强对现场的管理。
2、部分基础梁钢筋直螺纹套筒连接外露丝扣数量不合规范要求。
整改措施:
产生原因:项目部及劳务班组长对操作工人要求不严,监督不到位。
预控措施:要求劳务班组严格按照规范标准施工,同时对劳务班组长及操作工人进行交底教育。
中铁四局集团项目精细化管理手册(试行)(鲁编写部分)第二章安全管理第二章安全管理第三条安全管理流程1、识别、评价危险源,建立危险源清单和重大危险源清单(施工过程中,应在危险源现场,设置危险源告知牌)针对重大危险源,编制专项安全方案和应急救援预案(施工过程中,应对应急预案进行演练和完善);针对一般危险源,编制安全保证措施(纳入施工组织设计中)对操作人员进行安全教育和岗前安全培训施工过程中,随着施工进展,配备安全设施并组织验收,如安全防护设施、施工用电设备、消防设施等,为作业人员发放安全防护用品对操作人员进行技术交底的同时进行安全技术交底按照安全质量管理组织设计,进行日常安全检查和定期安全检查,督促问题整改,验证整改效果定期召开安全专题会议,分析研究解决重要安全问题对安全工作进行总结,提出改进意见和下步工作思路,填写各项安全工作资料和报表。
第五条安全教育和培训(一)职责1、项目综合办公室是安全教育培训的主责部门,制定安全教育培训计划,并按计划组织培训和考核.2、项目部综合办公室可采取多层次、多渠道和多种形式开展安全教育,通过举办讲座、黑板报、宣传栏、放映音像制品等方式宣传安全生产。
3、项目安质部制定安全教育培训制度,协助综合办公室,提出全员安全教育培训计划,并提供安全教育培训的业务支持。
4、项目安质部负责组织全体员工学习贯彻国家、行业主管部门、属地政府和上级单位有关安全生产的文件精神。
5、项目工程技术部门负责安全技术交底具体实施.6、项目物机部门负责做好物资、设备相关安全知识的培训教育。
7、项目部其他部门协助做好涉及本部门管理范围内的安全教育培训工作。
(二)流程:1、项目部综合办公室根据项目特点,制定教育培训计划,项目“三类人员”、特种作业人员培训计划由项目部提报,由公司、局组织实施。
2、项目部综合办公室按计划组织相关部门编写整理培训教材、组织实施教育培训,并如实记录安全生产教育和培训情况。
3、安质部结合安全生产月活动、11。
工程工程项目检查表(试用版)
检查时间:年月日
参加人员:
浙江宏宇建筑有限责任公司
关于工程检查表的编制说明
1.工程项目检查汇总表是由一.工程项目检查评分表(项目部标化准
化建设).二.工程项目检查评分表(施工现场标准化建设)。
三.工
程项目检查评分表(安全资料)。
四.工程项目检查评分表(临时用电)。
五.工程项目评分表(质量技术资料)。
六.工程项目评分表(工程现
场管理)六个分部分汇总而成的结果。
2.六个工程项目检查评分表自成体系又相关联,组成一个工程管理
体系和质量体系。
整个表格是为公司对项目部一月一次的综合检
查准备的,同时也为项目部能完成公司的考核指标做指导。
表六
又可以作为工程部对项目平时检查,也可作为项目自查的指导。
所以表五和表六相重复的地方,更加能体现表格的完整性和各自
的独立性。
3.表中没有列入成本考核的内容。
4.各部分的考核没有过分的详细说明,有一定的伸缩性,在使用过
程中可以灵活掌握。
5.工程管理的多样性,说明这个表格存在许多的缺陷,请在使用中
及时与工程部,以使得更加完善,更能为公司的施工生产服务。
6.工程进度没有单独的列出,但只在工程项目检查汇总表体现,完
成进度就满分,不完成则不得分。
宏宇建筑河北分公司工程部
2015年5月18日
工程项目检查汇总表
工程项目检查评分表(项目部标准化建设)
工程项目检查评分表(施工现场标准化建设)
工程项目检查评分表(安全资料)
工程项目检查评分表(临时用电)
工程项目检查评分表(质量技术资料)
工程项目检查评分表(现场质量管理)
在建工程施工质量检查评分说明
建筑工程实体质量评价用得分率表示。
根据实际检查项目,先计算每大项的应得分和实得分,再计算本次检查的应得分和实得分,最后计算得分率。
检查内容包括质保体系、工程实体、材料抽检。
其中建筑工程实体检查项目包括①基础、主体技术资料,②混凝土和砌体工程,③钢筋、模板工程,④屋面、装饰技术资料,⑤屋面、装饰工程等五大项。
每大项中包含若干子项。
检查时,针对每个子项进行扣分,子项实得分最高为应得分(满分),最低为零分。
根据每个子项实得分统计每大项的实得分。
大项或子项若没有检查或没有该项均按该大项或子项的应得分计算。
每个子项的扣分标准一般情况下应按表中规定执行,特殊情况下经检查组全体人员研究后可进行局部调整。
对于表中未列出的质量缺陷,可视严重程度参照表中其他缺陷的权重予以扣分。
建筑工程实体质量评价是在质量合格的基础上进行的。
在检查中发现结构实体质量不合格时,本标准的评价系统失效,该项工程须按照国家有关规范的要求进行处理,处理后可参照本标准进行评价。
{附}在建工程施工质量检查评分表
表一、施工现场质量保证体系检查表(50分)
表二、基础、主体技术资料(140分)
表三、混凝土和砌体工程(100分)
表四、钢筋、模板工程(100分)
表五、屋面、装饰技术资料(90分)
表六、屋面、装饰工程(130分)
表七、材料抽检(60分)
在建工程施工质量检查评分汇总表。