最新往复式压缩机安装方案
- 格式:doc
- 大小:678.50 KB
- 文档页数:54
往复式压缩机安装要点及质量控制探析往复式压缩机是一种常见的压缩机类型,广泛应用于空调、制冷设备、工业生产等领域。
在安装往复式压缩机时,需要注意很多细节,并进行严格的质量控制,以确保其正常运行和长期稳定性。
本文将探讨往复式压缩机安装的要点及质量控制,并提出相关探析。
一、往复式压缩机安装要点1. 确定安装位置往复式压缩机的安装位置需要考虑周围环境温度、通风情况和周围设备的布局等因素。
一般来说,应选择通风良好的地方,避免阳光直射以及通风口和排气口相对接近的情况。
同时还需要保证周围的噪音和振动不会对压缩机的正常运行造成影响。
2. 安装基础往复式压缩机的安装基础应该平整、牢固,能够承受压缩机的重量和振动。
安装基础与地面之间需要采用防震垫进行隔离,以减少振动对周围设备和建筑结构的影响。
3. 连接管道在连接压缩机的进出口管道时,需要严格按照厂家提供的安装图纸和要求进行。
管道的连接应牢固可靠,避免泄露或接头松动。
同时还需要保证管道的走向和长度符合设计要求,以确保压缩机的运行效率和安全性。
4. 做好电气连接在进行压缩机的电气连接时,需要特别注意线路的绝缘性能和接线的牢固性。
电气连接应该符合国家相关标准,并且需要进行漏电保护和接地处理,以确保使用安全。
5. 调试和检验压缩机安装完成后,需要进行调试和检验。
通过运行试验和负载试验,以确保压缩机的各项指标符合设计要求,并且保证其稳定性和耐久性。
1. 厂家指导在进行压缩机安装时,需要严格按照厂家提供的安装指导和图纸进行。
安装人员应该熟悉相关技术要求,并且具有经验丰富的安装技能。
2. 质量检查在安装过程中,需要进行多次质量检查。
进出口管道的连接、电气接线的牢固性、基础和防震垫的安装情况等,都需要进行严格的检查和确认。
3. 安全保障在安装过程中,需要严格遵守相关安全操作规程,确保安装人员的人身安全和设备的安全。
如需进行高空操作或需要移动重物时,必须采取相应的安全措施,避免发生意外。
往复式压缩机安装方案1 工程概况 1.1 工程概述中国石油化工股份有限公司XXXX石油化工项目XXXX装置往复式压缩机机组共两台。
两台新氢压缩机型号为4M45-33/20-91,本压缩机为四列两级、对称平衡式压缩机,气缸为少油润滑、水冷式双作用;布置方式为两层布置。
本方案主要针对XXXX石油化工项目XXXX装置往复式压缩机机组的开箱检验、压缩机解体清洗、对中找正、二次灌浆、附属设备安装及压缩机配管一般规定,其压缩机油运、试车另行编制方案。
1.2 新氢压缩机主要结构特征XXXX石油化工项目XXXX装置新氢压缩机共两套,一开一备,采用沈阳远大压缩机制造有限公司的产品。
该机为对称平衡型往复式压缩机,四列气缸,二级压缩。
机组均由压缩机、电动机、润滑油系统、冷却水系统、检测控制系统、辅助设备等组成。
1.2.1 主要结构参数1.2.2工艺操作参数1.2.3电动机的主要参数:2 编制依据2.1 《压缩机、风机、泵安装工程施工及验收规范》 GB50275-98; 2.2 《化工机器安装工程施工及验收规范(中小型活塞式压缩机)》 HGJ206-92; 2.3 《化工机器安装工程施工及验收规范(对置式压缩机)》 HGJ204-83; 2.4 《化工机器安装施工及验收规范(通用规定)》 HG20203-2000; 2.5 《石油化工机器安装工程施工及验收通用规范》SH/T3538-2019; 2.6 《石油化工设备安装工程质量检验评定标准》 SH3514-2001 2.7 《机械设备安装工程施工及验收通用规范》 GB50231-98 2.8 压缩机厂家提供的安装资料及图纸和技术要求;3 施工基本程序往复式压缩机组施工程序见图3-1。
图3-1往复式压缩机组施工基本程序4 施工准备4.1 所有施工人员熟悉施工图纸(包括机组出厂技术文件、安装指导书、装箱单及合格证等)、技术人员编制施工方案、进行图纸汇审等。
4.2 每一步工序施工前都要经有关管理人员(技术、质量、安全)对全体作业人员进行技术和HSE交底,使作业人员对工程的情况、施工的程序和要求有全面深入的了解,同时也了解本工程的质量、HSE方面的要求。
往复式压缩机活塞拆卸与安装方法往复式压缩机是一种常见的压缩机种类,广泛应用于空调、制冷设备以及工业领域。
活塞是往复式压缩机的核心部件之一,其拆卸和安装过程需要注意一些关键步骤和方法,以确保操作安全有效。
以下是往复式压缩机活塞拆卸与安装的详细步骤及注意事项。
活塞拆卸1.首先,断开压缩机的电源,并确保压缩机冷却后才进行操作。
打开压力释放阀,释放压缩机内部的压力。
2.在拆卸活塞之前,需要移除压缩机的外罩,以便于操作。
根据压缩机的型号和结构,解除活塞上的连接螺栓或销钉。
一般而言,活塞与连杆通过销钉连接,可以使用适当的工具将销钉从连杆上拆下。
3.拆卸活塞之前,需要注意记录每个活塞的位置和安装方向,以便后续的安装过程中能够正确安装。
4.将活塞从连杆上轻轻取下。
需要注意的是,活塞可能比较重,建议使用合适的工具或设备进行支撑,以免造成不必要的伤害。
5.拆卸活塞后,需要仔细检查活塞和活塞环的磨损情况。
如果发现磨损较严重,需要及时更换。
活塞安装1.在安装活塞之前,需要彻底清洁活塞和连杆。
清除表面的污垢和残留物,确保其表面清洁和光滑。
2.在活塞上涂抹一层适量的润滑油,以减少摩擦和磨损。
同样,在活塞环上也可以涂抹一些润滑油,以便顺利安装。
3.确保活塞环和活塞的方向和位置正确。
根据之前记录的信息,将活塞正确安装到连杆上,确保活塞与连杆的定位销钉对准。
4.轻轻推动活塞,确保其在连杆上能够自由运动。
如果发现卡住或不同寻常的阻力,请检查安装是否正确。
5.在活塞安装完成后,安装压缩机的外罩,并将压缩机连接到相应的电源。
注意事项1.在活塞拆卸和安装的整个过程中,务必小心操作,避免因操作不当而导致伤害或压缩机内部的损坏。
2.拆卸和安装活塞时,要提前做好相应的准备工作,摸清活塞的型号、安装方式和相关零部件的位置。
3.如果您不熟悉往复式压缩机的拆卸和安装工作,建议请专业技术人员进行操作,以确保工作的安全和有效进行。
4.在活塞拆卸和安装过程中,要保持工作区域的整洁和安全,避免杂物和异物进入压缩机内部,造成故障。
往复式压缩机安装方案(一)、工程概况220万吨/年蜡油加氢装置有2台往复式压缩机,为新氢压缩机,一开一备;为指导该压缩机的施工,特编制此原则方案循环氢压缩机组一台(二)、编制依据1、《化工机器安装工程施工及验收规范-对置式压缩机》HGJ204-832、《化工机器安装工程施工及验收规范-通用规定》HGJ203-833、《压缩机、风机、泵安装工程施工及验收规范》GB50275-984、《机械设备安装工程施工及验收通用规范》GB50231-98(三)、前期准备工作压缩机组安装施工前,安装现场应达到下列条件,以保证压缩机安装进度及质量:1、压缩机厂房钢屋架安装完、封顶完;2、厂房内应设足够的照明,水、电、气具备使用条件;3、厂房天车须安装就位并且具备使用条件;4、厂房二层平台钢格板铺设完,栏杆、扶手等劳动保护措施施工完;5、底层地面粗地坪施工完,为压缩机安装创造清净的无土化施工环境。
(四)、施工工艺步骤及控制要求1、施工工艺步骤2、过程质量控制点3、关键工序、重要工序的工艺控制要求(1)设备到货验收设备到货检验必须由供货单位、监理单位、总承包单位、施工单位有关人员共同参加,按照以下项目进行核查,对于检验过程中出现不符合设计图纸要求的不合格检查项目,由四方根据实际情况确定处理意见及补救措施并形成文字说明,处理合格后再次进行共检并填写设备开箱检验记录。
1>、设备随机资料检查⑪.机组出厂合格证书及下列技术检验证明书:①机身、中体、气缸、主轴、连杆、活塞杆等主要部件的时效或调质处理证明书。
②机身试漏合格证明书。
③气缸本体及水冷夹套的水压试验合格证明书。
④高压缸体、主轴、连杆和活塞杆等部件的无损探伤合格证明书。
⑤压力容器的质量证明书。
⑥高压件(管件、阀门及紧固件)的无损探伤合格证明书,应符合《钢制焊接压力容器技术条件》(JB4730-94)的要求。
⑦重要零件和机器所附的管材、管件、高压紧固件、阀门等的材质合格证明书(或抄件)及阀门试压合格证明书。
往复式压缩机安装要求1)机身组装要求①用煤油注人机身曲轴箱内至润滑油的最高油面位置,经2~4h,不应有渗漏现象。
如发生渗漏现象时,须进行修补后再行试验,一直到完全合格时为止。
②机身的纵向和横向水平度偏差,在每米长度上不大于0.05mm。
卧式和对称平衡式压缩机的纵向水平度应在机身十字头导轨上测量,横向水平度应在曲轴轴承座上测量;立式压缩机在曲轴箱的接合面上测量;L型压缩机在机身法兰面上测量。
③双列压缩机两机身的中心线,其平行度公差在每米长度上不大于0.04mm;水平度偏差在每米长度上不大于0.1mm。
2)曲轴轴承组装要求①轴瓦应进行刮研,轴颈与对开式轴瓦的下瓦承受负荷部分有90°~120°的弧面接触,接触点的总面积不小于该接触弧面面积的60%~80%;对四开式轴瓦轴颈与下瓦和侧瓦接触点的总面积不小于该瓦面积的70%,接触点应均匀分布。
②轴瓦与轴颈间的径向和轴向间隙,应符合规定。
③曲轴的水平度偏差在每米长度上不大于0.1mm。
④曲轴中心线与机身十字头导轨中心线的垂直度公差,在每米长度上不大于0.05mm。
3)气缸和中体组装要求①气缸体和气缸盖应按规定进行水压试验,如有渗漏,应修补好后方能组装。
②卧式气缸中心线应与机身中心线重合。
③立式气缸中心线应与机身十字头导轨中心线重合。
此时活塞在气缸内的间隙应均匀分布,其偏差不大于活塞与气缸间平均间隙的1/2。
④卧式气缸的水平度偏差在每米长度上不大于0.05mm。
4)连杆组装要求①分别刮研连杆大头轴瓦和小头轴瓦,使其与曲拐轴颈和十字头销接触点的总面积为各自面积的70%;接触点应分布均匀。
②连杆大头轴瓦与曲拐轴颈的径向间隙和轴向间隙,应符合规定。
③连杆小头轴瓦与十字头销间的径向间隙,小头瓦与十字头体间的轴向间隙,均应符合规定。
④连杆螺栓及螺母应拧紧不得有松动现象,其拧紧程度应使螺栓伸长量大于螺栓长度的1/1000、但不得超过螺栓的弹性极限。
5)十字头组装要求①刮研十字头滑板,并用红丹油检查其与机身十字头导轨的接触情况。
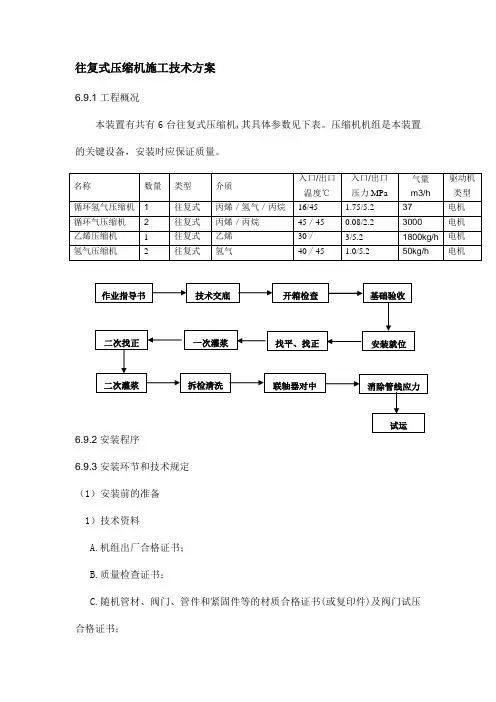
往复式压缩机施工技术方案6.9.1工程概况本装置有共有6台往复式压缩机,其具体参数见下表。
压缩机机组是本装置的关键设备,安装时应保证质量。
6.9.2安装程序6.9.3安装环节和技术规定(1)安装前的准备1)技术资料A.机组出厂合格证书;B.质量检查证书;C.随机管材、阀门、管件和紧固件等的材质合格证书(或复印件)及阀门试压合格证书;D.压力容器产品质量证明书;E.气缸和气缸夹套水压实验记录;F.压缩机出厂前预组装及试运转记录;2)机组的设备图、安装图、易损件图及产品使用说明书等;3)机组装箱清单;(2)压缩机开箱检查1)压缩机开箱验收应在业主/监理、供货商和施工单位代表参与下进行,并应符合下列规定:A.按照图纸、技术资料及装箱清单等对机器进行外观检查,并核对机器及其零、部件、附件的名称、型号、规格、数量;B.参与验收的各方代表,应在整理好的验收记录上签字;2)压缩机开箱验收后,如暂不安装,应设专库存放,存放压缩机和随机附件的仓库,应保持干燥、通风,注意防潮,避免腐蚀;3)压缩机应垫高,摆放整齐;4)采用临时遮盖,以保证压缩机不受太阳直射和雨雪的侵蚀;5)压缩机进出口法兰均应用盲板封住;6)存放现场应备有相应的消防器材;(3)压缩机基础验收1)土建施工单位将基础提交给安装施工单位时,必须提交基础质量合格证书;2)按有关土建基础施工图及压缩机技术资料,对压缩机基础尺寸及位置进行复测检查,其允许偏差应符合下表的规定;3缺陷,不得办理中间交接;4)基础复查合格后,应由土建专业向安装专业办理基础交接手续;(4)压缩机吊装就位1)压缩机就位前,将地脚螺栓光杆部分的油污及锈蚀清除干净,并均用涂一层防锈油,然后将地脚螺栓放入孔内;2)将基础上放置垫铁的部位解决平整、干净,按照供货商提供的垫铁布置图摆放好垫铁,每组垫铁不得超过4块,平垫铁、斜垫铁配合使用;3)压缩机吊装均采用280T汽车吊与160T汽车吊安装,吊装时要保证机身平稳,吊点应在公用底座吊耳上,钢丝绳不得接触机身的重要部件,否则采用吊装扁担进行吊装;(5)压缩机的找正、找平1)机组水平度调整在解体清洗后进行;2)使用螺丝千斤顶进行调整,垫铁同时配合使用,找正用的水平精度为0.02mm/m;3)机组水平度找正规定:纵向水平度不大于0.05mm/m,在机身主轴孔处进行测量;横向水平度不大于0.05mm/m,在滑道处进行测量;4)水平度找正时,横向应使滑道水平度高向汽缸侧,并符合规定,纵向应使水平度高向电机侧,并符合规定;5)水平调整完后用扭矩板手按图纸给定的力矩拧紧地脚螺栓,同时检查水平度;(6)灌浆1)复测机器找正、找平数值后,应在24小时内进行二次灌浆,否则,应重新找正、找平;2)二次灌浆前,应将各组垫铁及小型螺丝千斤顶点焊固定。
往复式压缩机安装要点及质量控制探析往复式压缩机是一种常用的压缩机类型,广泛应用于空调、冰箱、冷库等领域。
在往复式压缩机的安装过程中,要注意一些关键的要点,并且进行质量控制,以确保设备安全稳定运行。
本文将探讨往复式压缩机安装的要点以及质量控制的方法。
一、往复式压缩机安装要点1. 安装地点选择往复式压缩机应安装在通风良好、温度适宜的场所。
压缩机周围不应有易燃、易爆、腐蚀性气体或粉尘。
要选择坚固平整的地面,以确保设备稳定运行。
2. 安装基础制作安装往复式压缩机前,要对基础进行认真制作。
基础应平整、牢固,能够承受整个压缩机组的重量,并且能够有效减震。
3. 安装定位在安装往复式压缩机时,要注意定位的准确性。
压缩机安装后,应该进行水平校准,以确保设备运转平稳,减少振动和噪音。
4. 安装管道连接往复式压缩机的管道连接应该牢固可靠,避免漏气现象。
安装时要注意管道的布置和角度,以减少管道阻力,降低能耗。
5. 安装电气接线安装往复式压缩机的电气接线应符合相应的标准和规范,保证安全可靠。
所有接线应牢固、良好接触,避免短路或接触不良的情况发生。
1. 质量控制要点在往复式压缩机的安装过程中,要对关键环节进行严格的质量控制。
包括基础制作、定位校准、管道连接、电气接线等方面。
只有质量得到保证,设备才能长期稳定运行。
为了保证往复式压缩机安装质量,可以采取以下方法进行控制:(1)严格执行安装规范和标准,确保每一个环节都符合要求。
(2)对安装人员进行专业培训,提高他们的技术水平和安全意识。
(3)采用先进的安装设备和工具,提高安装效率和精度。
(4)在安装完成后,进行全面的检查和测试,确保设备没有任何质量问题。
(5)建立健全的档案管理制度,对每一台往复式压缩机的安装记录、检测报告进行归档保存,以备日后查阅。
通过这些质量控制方法,可以有效保证往复式压缩机的安装质量,提高设备的可靠性和安全性。
往复式压缩机的安装要点和质量控制是非常重要的,它关系到整个系统的稳定运行和设备的使用寿命。
目录1、工程概况-------------------------------------------------------------12、编制依据-------------------------------------------------------------13、适用范围-------------------------------------------------------------14、施工前准备----------------------------------------------------------15、施工程序-------------------------------------------------------------26、质量控制-------------------------------------------------------------57、进度控制-------------------------------------------------------------68、安全文明施工-------------------------------------------------------69、附录1、工程概况嘉兴永明石化有限公司6万吨/年环氧乙烷装置工程的往复式压缩机共3台,其中C320、C950为引进设备,C960为江阴市压缩机厂设备。
C320为往复式压缩机,流量Q=875 Nm³/h,附电机:N=93.25KW,n=1490r/min。
C950为往复式压缩机,流量Q=120Nm³/h,附电机:N=30KW,n=1480r/min。
C960为往复式压缩机,流量Q=200Nm³/h,附电机:N=18.5KW,n=1460r/min。
2、编制依据《化工机器安装工程施工及验收规范(中小型活塞式压缩机)》 HGJ206-92 《化工工程建设起重施工规范》 HGJ201-83《石油化工设备安装工程质量检验评定标准》 SH3514-2001 《机械设备安装工程施工及验收通用规范》 GB50231-98 《压缩机、风机、泵安装工程施工及验收规范》 GB50275-98 参《化工机器安装施工及)》 HGJ203-83验收规范(通用规定随机的技术文件16t行车使用规范吊车性能表中国石油集团工程设计有限责任公司东北分公司设计图纸3、适用范围本方案适用于嘉兴永明石化有限公司6万吨/年环氧乙烷装置工程的往复式压缩机(C320、C950、C960)安装。
一、编制依据1. 《化工机器安装工程施工及验收规范(中小型活塞式压缩机)》2. 《化工机器设备安装施工及验收规范(通用规定)》3. XX改扩建工程动力站技术文件4. 沈阳气体压缩机股份有限公司氮气压缩机组C8802AB随机资料二、工程概况XX改扩建工程动力站新增两套氮气压缩机组(C8802AB),一开一备,由沈阳气体压缩机股份有限公司供货,压缩机驱动电机由南阳防爆集团有限公司生产供货,压缩机和电机两部分成套供货。
三、安装施工方案1. 施工人员及机具进场准备(1)组织施工人员进场,对施工人员进行技术培训和安全教育。
(2)配备满足此项目要求的施工机具及检验合格的计量器具。
(3)成立施工经验丰富、责任心强、技术力量过硬的项目经理部。
2. 施工工艺(1)基础处理:根据设计图纸要求,对基础进行测量、放线、定位,确保基础平面和标高符合设计要求。
(2)垫铁放置:根据设备重量和尺寸,选择合适的垫铁,放置在基础上,确保垫铁平稳、牢固。
(3)设备就位:将压缩机、电机等设备吊装至基础上,确保设备就位准确、平稳。
(4)找正找平:对设备进行找正找平,确保设备垂直、水平,满足设计要求。
(5)一次灌浆:对设备基础进行一次灌浆,确保灌浆密实、平整。
(6)二次灌浆:待一次灌浆凝固后,进行二次灌浆,确保灌浆密实、平整。
(7)设备调试:对设备进行调试,确保设备运行正常、稳定。
3. 施工措施(1)施工过程中,严格遵守施工规范和操作规程,确保施工安全。
(2)施工过程中,加强现场管理,确保施工现场整洁、有序。
(3)加强施工过程中的质量控制,确保施工质量符合设计要求。
(4)做好施工过程中的记录,为后续验收和投入使用提供依据。
四、验收标准1. 基础处理:基础平面、标高符合设计要求,无裂纹、蜂窝、麻面等缺陷。
2. 垫铁放置:垫铁平稳、牢固,无松动现象。
3. 设备就位:设备就位准确、平稳,无倾斜、偏移现象。
4. 找正找平:设备垂直、水平,满足设计要求。
往复式压缩机高精度安装施工工法往复式压缩机高精度安装施工工法一、前言往复式压缩机作为一种广泛应用于工业领域的设备,其安装施工工法对设备的性能和稳定运行具有重要影响。
本文将介绍一种高精度安装施工工法,以提高往复式压缩机的安装精度和施工效率,保证设备的正常运行。
二、工法特点1. 高精度要求:该工法侧重于提高往复式压缩机的安装精度,以确保设备的性能和效率。
2. 系统化施工:通过系统化的施工工序和流程,提高施工效率,减少错误。
3. 安全可靠:该工法严格遵循安全要求,保证施工过程中的安全性和稳定性。
三、适应范围该工法适用于往复式压缩机的安装施工,无论是新建项目还是设备更换和维修,都可采用该工法。
四、工艺原理该工法基于以下原理进行施工:1. 精确定位:采用先进的定位工具和测量仪器,精确确定往复式压缩机的安装位置。
2. 优化施工序列:根据设备的特点和施工要求,优化施工顺序,确保每个施工阶段的连贯性和协调性。
3. 精确调试:采用精确的调试方法和仪器,确保设备的性能和效率达到设计要求。
五、施工工艺1. 设备准备:对设备进行清洁和检查,确保设备的完整和功能正常。
2. 安装定位:根据设计要求,使用定位工具和测量仪器,精确确定设备的安装位置。
3. 安装固定:采用合适的固定方法和设备,将往复式压缩机固定在预定位置。
4. 连接管道:根据设计图纸,连接进出口管道和附件,确保连接的牢固和密封。
5. 调试优化:根据设备的特点和要求,使用精确的调试方法和仪器,对往复式压缩机进行调试和优化。
六、劳动组织1. 施工人员:根据工艺要求,安排合适的施工人员,包括操作工、技术人员和安全人员等。
2. 工期安排:根据施工工艺和设备需求,合理安排工期,确保施工的顺利进行。
七、机具设备1. 定位工具:使用高精度的定位工具,如激光定位仪、几何测量仪等。
2. 测量仪器:使用精确的测量仪器,如压力表、温度表等。
3. 固定设备:使用合适的固定设备,如膨胀螺栓、支架等。
往复式压缩机方案往复式压缩机的工作原理非常简单。
它包含一个活塞、活塞连杆、曲轴和一个压缩腔。
活塞在压缩腔内做往复运动,通过活塞的上下运动,气体被压缩到较高压力。
活塞的上升运动将气体吸入压缩腔,而下降运动将气体压缩并推出。
1.单级往复式压缩机方案:单级往复式压缩机由一个压缩腔和一个活塞组成。
气体被压缩一次后即可达到所需压力。
这种方案适用于对压力要求不高的应用。
它的结构简单,维护方便,但效率相对较低。
2.多级往复式压缩机方案:多级往复式压缩机通过将气体在多个压缩腔中压缩多次,从而达到更高的压力。
每个腔体都有一个活塞进行运动。
这种方案适用于对压力要求较高的应用,比如工业领域中的大型压缩机。
尽管结构复杂、维护难度较大,但效率更高。
3.平衡式往复式压缩机方案:平衡式往复式压缩机通过在活塞两端增加平衡重或者采用双曲轴来平衡活塞的质量,在降低振动和噪音的同时提高了运行的稳定性。
这种方案在需要高精度和高稳定性的应用中经常使用。
4.水冷往复式压缩机方案:水冷往复式压缩机通过将冷却水引入压缩腔,来降低压缩机的温度。
这种方案适用于高温环境下的应用,可以提供更好的冷却效果,延长压缩机的使用寿命。
5.油冷往复式压缩机方案:油冷往复式压缩机通过将冷却油引入压缩腔,来冷却活塞和缸体。
这种方案适用于高温和高压力的应用,比如空气压缩机。
油冷压缩机具有更好的冷却效果和更长的使用寿命。
总结:往复式压缩机是一种常见且重要的压缩机类型,具有结构简单、维护方便等优势。
在选择压缩机方案时,需要考虑应用的压力要求、工作环境以及冷却需求等因素。
以上介绍的几种常见的往复式压缩机方案,是根据不同需求和应用场景进行设计和选择的。
一、项目背景为了满足工业生产中氮气需求,本项目将在XX工厂安装一套往复式氮气压缩机。
该氮气压缩机由沈阳气体压缩机股份有限公司提供,驱动电机由南阳防爆集团有限公司提供。
为确保安装质量和安全,特制定本施工方案。
二、施工依据1. 《化工机器安装工程施工及验收规范(中小型活塞式压缩机)》2. 《化工机器设备安装施工及验收规范(通用规定)》3. XX改扩建工程动力站技术文件4. 沈阳气体压缩机股份有限公司氮气压缩机组C8802AB随机资料三、施工内容1. 氮气压缩机安装2. 电机安装3. 润滑油系统安装4. 管道系统安装5. 控制系统安装6. 系统调试四、施工步骤1. 施工准备(1)熟悉施工图纸,了解设备安装要求。
(2)检查设备、材料、工具、仪表等是否齐全,质量是否符合要求。
(3)确定施工顺序,明确各工种之间的配合关系。
2. 氮气压缩机安装(1)设备开箱检查,确认设备完好无损。
(2)检查压缩机基础,确保符合设计要求。
(3)设备搬运就位,找正、找平和对中。
(4)安装气缸、填料函、入口阀卸荷器等部件。
(5)连接管道,确保管道密封性良好。
3. 电机安装(1)检查电机基础,确保符合设计要求。
(2)设备搬运就位,找正、找平和对中。
(3)连接电机与压缩机,确保连接牢固。
(4)安装防护装置,确保安全。
4. 润滑油系统安装(1)检查润滑油系统,确保无泄漏。
(2)安装润滑油泵、油过滤器等部件。
(3)连接管道,确保管道密封性良好。
5. 管道系统安装(1)检查管道材料,确保符合设计要求。
(2)安装管道,确保管道安装位置正确、连接牢固。
(3)进行管道试压,确保管道无泄漏。
6. 控制系统安装(1)检查控制系统,确保无损坏。
(2)安装控制器、传感器等部件。
(3)连接电缆,确保连接牢固。
7. 系统调试(1)进行空负荷试运转,检查设备运行状态。
(2)调整设备参数,确保设备运行稳定。
(3)进行负荷试运转,检查设备运行状态。
五、施工注意事项1. 严格按照施工图纸和规范进行施工。
往复式压缩机的拆装步骤复式压缩机是一种常见的压缩机类型,它由多个压缩级组成,每个级别都有一个活塞和一个气缸。
拆装复式压缩机需要按照一定的步骤进行,下面将详细介绍其拆装步骤。
一、准备工作在进行复式压缩机的拆装之前,首先需要做好准备工作。
包括准备所需的工具,如扳手、螺丝刀、润滑油等;确保工作区域安全整洁,避免杂物堆积和火源等;断开电源,确保安全操作。
二、拆卸各个部件1. 拆卸罩盖:使用扳手或螺丝刀拧下罩盖上的螺钉,并将罩盖从压缩机上取下。
2. 拆卸气缸:使用扳手拆卸气缸上的螺母,并将气缸从压缩机上拆下。
注意,拆卸气缸时要小心保持其内部零件的完整性。
3. 拆卸活塞:将活塞从气缸中取出,注意检查活塞是否有损坏或磨损。
4. 拆卸连杆:使用扳手拧下连杆螺栓,并将连杆从活塞上拆下。
5. 拆卸曲轴:使用扳手拧下曲轴上的螺母,并将曲轴从压缩机上拆下。
注意,拆卸曲轴时要小心保持其平衡性,避免损坏。
三、清洗和检查零件1. 清洗零件:将拆下来的零件放入清洗槽中,使用清洗剂进行清洗。
清洗时要注意使用刷子等工具清除零件表面的污垢。
2. 检查零件:清洗后的零件需要进行仔细检查,包括检查是否有损坏或磨损的情况,如有需要及时更换。
四、组装各个部件1. 组装曲轴:将清洗好的曲轴放回压缩机上,并用螺母固定好。
2. 组装连杆:将清洗好的连杆放回活塞上,并用螺栓固定好。
3. 组装活塞:将组装好的连杆和活塞一起放入气缸中。
4. 组装气缸:将气缸放回压缩机上,并用螺母固定好。
5. 组装罩盖:将罩盖放回压缩机上,并用螺钉固定好。
五、润滑和测试1. 润滑:在组装好的复式压缩机上添加适量的润滑油,并确保润滑油能够覆盖各个部件。
2. 测试:重新连接电源,启动压缩机,观察其运行情况。
检查是否有异常噪音、震动等现象,确保压缩机正常运行。
六、清理和整理在完成复式压缩机的拆装后,需要清理和整理工作区域,将使用过的工具和材料收拾整齐,确保工作区域的整洁。
以上就是复式压缩机的拆装步骤,通过按照这些步骤进行操作,可以保证拆装过程的顺利进行,并确保压缩机的正常运行。
超高压往复式压缩机安装工法l工法特点 (2)2工艺内容 (2)3适用范围 (2)4压缩机主要结构及安装程序 (2)5安装技术 (3)6主要劳动力组织 (7)7机械设备及工具、量具 (8)8质量保证措施 (9)9效益分析 (9)聚合化工工业为了提高化学反应效率,在研制新催化剂的同时,更多采用高温、高压手段。
由于高温受限制因素较多,因此高压甚至超高压已成为化工工业生产的重要手段。
中建一局安装公司根据1975年以来多次安装、检修超高压往复式压缩机的经验编制本工法。
l工法特点超高压往复式压缩机出口压力往往达到200MPa以上,其压缩介质易燃易爆,而且运动付数量多,安装工艺繁杂,因此对零部件加工精度、安装精度要求较高,以保证安全运行。
本工法将安装过程按部位划分为多个节点,对主要节点制定相应的安装工艺,可满足安装要求,亦可用于检修。
2工艺内容2.l多块底板找平工艺;2.2无垫铁施工工艺;2.3液力拉伸紧固螺栓工艺;2.4轴与轴承配合测量工艺;2.5滑块安装工艺;2.6曲轴与电机同心联接工艺;2.7连杆安装工艺;2.8缸体安装工艺;2.9管线酸洗工艺;2.10试运转工艺。
3适用范围适用于高压、超高压往复式压缩机(以下简称压缩机)安装及检修。
4压缩机主要结构及安装程序4.1压缩机典型传动机构详见图4.l。
4.2压缩机安装程序技术准备:制定安装工艺,编写施工方案→基础交接、复验、处理、放线→曲轴箱底板安装→二次灌浆→曲轴箱吊装就位→曲轴箱清洗及润滑油管安装→曲轴轴承下轴瓦安装→曲轴吊装就位→曲轴轴承上轴瓦及轴承盖安装→滑枕安装→中间十字架及连杆安装→十字头安装→气缸安装→气缸润滑油泵安装→冷却和润滑油台安装→本体油管安装及油系统配管→电气仪表安装→柱塞安装→试运行。
4.3电动机安装程序技术准备:制定安装工艺,编写施工方案→基础复查处理→底板安装、调整→后侧轴承座安装→定子、转子吊装就位→联轴器对中→盘车马达安装→气隙调整→励磁机安装→下部冷却器安装→机罩安装→冷却风机安装→接线→试运行。