模板安装验收记录
- 格式:doc
- 大小:25.97 KB
- 文档页数:2
1JA12-2 模板工程验收记录
施工单位:_______________________
工程名称:_______________________
日期:年月日
资料员(章): 咨料员
证号:
某某省建筑施工安全监督总站监制
模板工程验收表1JA12—2—1—1
安全生产十项注意事项:
一、工作前穿戴好规定的劳动防护品,检查设备及作业场地,做到安全可靠。
二、不违章作业,并监督制止他人违章作业。
三、不准擅自开动别人操作的机械,电器开关设备。
登高作业应戴好安全带、安全帽、并有专人监护、防止坠落,严禁向下乱抛工具和设备零件。
四、不准随便拆除各种安全防护装置、信号标志、仪表及专指示器等。
保持设备齐全有效灵敏可靠。
五、不准随意启动设备。
机器设备停机检查或修理时,应切断电源并悬挂警示牌,取牌人应是挂牌人。
开机时发出信号,听到回音确定安全后才能开机。
六、不准吊装物及下行人。
多人操作起重搬运要统一指挥,密切配合。
不准超负荷使用机器。
七、不在易燃物品附近吸烟动火,不乱扔垃圾。
八、不在厂内无证驾驶机动车辆,机动车进出车间转弯必须鸣号减速。
车辆行驶中严禁爬上跳下。
九、工作时精力集中,不准打闹、赤脚、赤膊、穿拖鞋和高跟鞋。
十、上班时间不准怠工、滋事、脱岗或擅离职守。
有事请假经领导批准后方可离开岗位。
模板安装检验批质量验收记录
项目:______________
施工单位:______________
监理单位:______________
日期:______________
检验批次:______________
一、模板安装质量检验情况
1. 模板安装前检查模板材料是否完好,无裂纹、破损等缺陷。
2. 模板拼接是否紧密,无明显的缝隙和错位现象。
3. 模板支撑、调整和固定是否牢固可靠,是否符合设计要求。
4. 模板表面是否平整光滑,无明显凹凸、裂缝和鼓包现象。
5. 模板安装是否符合施工图纸和相关规范要求。
二、质量验收情况
1. 经检验,模板安装质量符合设计要求和相关规范,检验结果合格。
2. 监理工程师签字:______________
3. 施工单位负责人签字:______________
4. 监理单位负责人签字:______________ 备注:______________
5. 质量验收日期:______________。
一、工程名称:XX住宅楼二、施工单位:XX建筑有限公司三、验收日期:2022年10月25日一、验收目的为确保工程质量,保障施工安全,根据《建筑工程施工质量验收统一标准》(GB50300-2013)及《模板工程及支撑体系施工及验收规范》(GB50204-2015)的相关规定,对XX住宅楼模板工程进行验收。
二、验收依据1. 《建筑工程施工质量验收统一标准》(GB50300-2013)2. 《模板工程及支撑体系施工及验收规范》(GB50204-2015)3. 施工图纸及技术规范4. 施工单位提交的模板工程验收资料三、验收内容1. 模板设计及施工方案(1)模板设计:模板设计符合施工图纸要求,结构合理,材料选用符合规范。
(2)施工方案:施工方案编制合理,施工顺序明确,施工工艺规范。
2. 模板及支撑系统(1)模板:模板尺寸准确,表面平整,接缝严密,无变形、裂纹等现象。
(2)支撑系统:支撑系统设计合理,支撑间距符合规范要求,支撑牢固,无松动现象。
3. 验收要求(1)模板安装:模板安装位置准确,垂直度、水平度符合规范要求,模板与混凝土接触面清洁。
(2)模板支撑:支撑系统稳固,支撑间距均匀,支撑与模板连接牢固。
(3)模板材料:模板材料符合设计要求,无锈蚀、变形等现象。
四、验收结果1. 模板设计及施工方案符合规范要求,批准通过。
2. 模板及支撑系统符合规范要求,批准通过。
3. 验收过程中未发现重大质量问题,批准通过。
五、验收意见1. 施工单位应严格按照规范要求进行模板工程施工,确保工程质量。
2. 施工单位应加强施工现场管理,确保施工安全。
3. 施工单位应加强模板工程验收,确保工程质量。
六、验收记录1. 验收人员:验收小组2. 验收内容:模板设计及施工方案、模板及支撑系统、验收要求3. 验收结果:批准通过4. 验收日期:2022年10月25日5. 验收单位:XX建筑有限公司6. 验收部门:质量监督站七、附件1. 模板设计及施工方案2. 模板及支撑系统施工图3. 模板工程验收资料4. 施工单位质量保证体系文件5. 施工单位安全生产责任制文件。
模板安装检验批质量验收记录项目名称:[项目名称]检验批号:[检验批号]施工单位:[施工单位]监理单位:[监理单位]质检单位:[质检单位]日期:[日期]一、项目概述本次质量验收记录适用于模板安装工程,旨在确保模板安装的质量符合相关标准和要求。
二、检验批范围本次检验批的模板安装范围为:[具体范围描述]三、质量验收人员1. 施工单位负责人:[姓名]2. 监理单位负责人:[姓名]3. 质检单位负责人:[姓名]四、质量验收依据1. 《建筑工程质量验收规范》2. 相关标准和规范五、质量验收内容1. 模板安装质量验收1.1 模板材料及规格[对模板材料及规格进行检查,并记录相关信息]1.2 模板安装质量[对模板安装质量进行检查,包括固定情况、垂直度、水平度等,记录检查结果]1.3 模板支撑及固定[对模板支撑及固定进行检查,包括支撑方式、支撑点间距、固定方法等,记录检查结果]2. 其他质量验收内容(如有)[根据实际情况列出其他质量验收内容,逐项进行检查,并记录检查结果]六、质量验收结果根据对模板安装的质量验收,现对质量验收结果进行汇总:1. 完全符合验收标准和要求的项目数量:[数量]2. 符合验收标准要求但存在缺陷的项目数量:[数量]3. 不符合验收标准和要求的项目数量:[数量]七、质量验收结论根据质量验收结果,现对模板安装的质量进行评价并得出结论:1. 模板安装质量评价:[优、良、中、差]2. 若存在不符合验收标准和要求的项目,请说明具体问题,并提出整改要求。
八、质量整改措施对于存在不符合验收标准和要求的项目,应提出具体的整改要求,并指定整改责任单位和整改期限。
九、质量验收附件1. 照片记录:[拍摄模板安装的照片,并附于质量验收记录中]2. 相关文件资料:[如施工图纸、设计说明等]附注:[请在此处进行补充说明,如需要进一步澄清问题或提供其他信息]注:本质量验收记录经相关单位人员签字确认后方具有法律效力。
施工单位负责人签字:_______________日期:_____________监理单位负责人签字:_______________日期:_____________质检单位负责人签字:_______________日期:_____________。
基础承台模板安装检验批质量验收记录
检验批名称:基础承台模板安装
检验日期:____________
检验单位:____________
检验项目:
1. 模板材料:检查模板材料是否符合设计要求,包括材料种类、规格、强度等。
2. 模板连接:检查模板连接是否牢固可靠,是否采用了相应的连接件。
3. 模板表面:检查模板表面是否光滑平整,表面不得有任何裂缝、毛刺等缺陷,以确保混凝土浇注时表面平整。
4. 尺寸检查:检查模板的尺寸是否符合设计要求,包括高度、宽度、长度等。
5. 端部密封:检查模板端部是否用密封材料填充,确保混凝土不会漏出。
6. 垂直度检查:检查模板安装是否垂直,确保混凝土浇注后基础层面垂直。
检验结果:
1. 模板材料符合设计要求,强度、规格符合标准。
2. 模板连接牢固可靠,连接件符合标准。
3. 模板表面光滑平整,没有任何裂缝、毛刺等缺陷。
4. 模板尺寸符合设计要求,高度、宽度、长度等尺寸准确。
5. 模板端部用密封材料填充,确保混凝土不会漏出。
6. 模板安装垂直度符合要求,确保混凝土浇注后基础层面垂直。
检验结论:基础承台模板安装合格。
检验人员:
签字:______________ 签字:______________
日期:______________ 日期:______________。
模板安装检验批质量验收记录
一、验收人员。
本次模板安装质量验收记录的验收人员为,_______。
二、验收时间。
本次模板安装质量验收记录的验收时间为,_______。
三、验收内容。
1. 模板材料验收。
a. 模板材料的种类、规格、数量是否符合设计要求;
b. 模板材料的表面是否有明显的损坏、变形、开裂等情况;
c. 模板材料的加工质量是否合格。
2. 模板安装验收。
a. 模板的支撑和连接是否牢固可靠;
b. 模板的水平、垂直度是否符合要求;
c. 模板的布置是否合理,是否存在空鼓、松动现象;
d. 模板的固定方式是否符合要求。
3. 模板浇筑验收。
a. 混凝土浇筑前的模板验收,包括模板表面清洁、防漏处理等;
b. 混凝土浇筑后的模板拆除验收,包括模板表面的光洁度、拆模面平整度等。
四、验收结果。
根据以上的验收内容,本次模板安装的质量验收结果为,_______。
五、存在的问题及处理意见。
1. 对于存在的问题,需要详细列出,并提出解决方案;
2. 对于已经解决的问题,需要说明解决过程和结果。
六、验收人员签名。
验收人员在验收记录中签名确认,表示对本次模板安装质量验收结果的认可。
七、总结。
模板安装质量验收记录的总结部分,需要从本次验收中得到的经验教训进行总结,为今后的工作提供参考和借鉴。
以上就是本次模板安装检验批质量验收记录的内容,通过认真填写和记录,可以及时发现和解决问题,确保模板安装质量,提高施工效率,保证工程质量。
希望各位验收人员能够认真执行,确保记录的准确性和完整性。
模板安装现场验收检查原始记录检查日期:[日期]检查地点:[地点]检查人员:[人员姓名及职务]被检查单位:[单位名称]被检查人员:[人员姓名及职务]一、检查目的本次验收检查的目的是对模板安装现场进行全面检查,确保模板安装工作符合相关规范和要求。
二、检查内容1. 模板材料及规格核对模板材料的种类、规格及质量,并确保其符合设计要求。
检查记录:[填写检查情况]2. 模板安装情况a. 检查模板的固定方式,包括支撑方式、连接方式等,并核实是否稳固可靠。
b. 检查模板的水平度和垂直度,符合设计要求。
c. 检查模板的拼接缝隙,无明显开裂或松动情况。
d. 检查模板的表面平整度,无明显凹凸或破损。
3. 安全措施a. 检查模板安装现场的安全措施是否到位,包括防护栏杆、警示标志等。
b. 检查模板安装人员是否佩戴必要的安全装备,并具备相关操作证书。
4. 施工记录a. 核实模板安装的施工记录是否完整、准确。
b. 检查模板安装过程中的质量检测记录和问题整改记录。
三、检查结果根据对现场的全面检查,以下是本次模板安装现场验收的检查结果:1. 模板材料及规格:[填写结论]2. 模板安装情况:[填写结论]3. 安全措施:[填写结论]4. 施工记录:[填写结论]四、存在问题和整改要求根据检查结果,以下是本次模板安装现场验收中存在的问题和整改要求:1. 问题一:[具体问题描述]整改要求:[具体整改要求]2. 问题二:[具体问题描述]整改要求:[具体整改要求]五、整改情况1. 整改措施:[填写针对存在问题的整改措施]2. 整改负责人:[填写整改负责人姓名及职务]3. 整改期限:[填写整改期限]六、验收结论根据对整改情况的综合评估,以下是本次模板安装现场验收的最终结论:1. 模板安装符合相关规范和要求,验收合格。
2. 模板安装存在的问题已经得到及时整改。
3. 模板安装现场验收合格报告将于[填写时间]发送相关部门。
七、备注[填写其他需要说明的事项]以上为模板安装现场验收检查的原始记录,经过全面检查和整改后,确保模板安装工作符合相关规范和要求。
模板工程质量验收记录日期:20XX年XX月XX日地点:XXXXX一、项目基本信息项目名称:XXXXX模板工程建设单位:XXXXXXXX监理单位:XXXXXXXX施工单位:XXXXXXXX二、验收内容本次模板工程质量验收包括以下内容:1. 模板材料验收;2. 模板施工验收;3. 模板结构验收;4. 模板表面平整度验收;5. 模板防水验收;6. 模板破损修复验收;7. 模板安装稳固性验收等。
1. 模板材料种类:XXXXX2. 规格、型号及数量:XXXXX3. 材料质量验收标准:按照《建筑模板材料质量验收标准》执行。
4. 验收结果:经验收合格,各项指标均符合要求。
四、模板施工验收1. 施工方法:XXXXX2. 是否按照技术要求施工:是/否3. 若否,请说明问题原因并提出整改意见。
五、模板结构验收1. 模板结构是否符合设计图纸:是/否2. 若否,请说明问题原因并提出整改意见。
六、模板表面平整度验收1. 表面平整度测量方法:XXXXX2. 验收结果及测量数值:XXXXX3. 是否符合要求:是/否4. 若否,请说明问题原因并提出整改意见。
1. 防水层材料:XXXXX2. 防水层施工方法:XXXXX3. 是否按照技术要求施工:是/否4. 若否,请说明问题原因并提出整改意见。
八、模板破损修复验收1. 破损情况:XXXXX2. 修复方法及效果:XXXXX3. 是否修复合格:是/否4. 若否,请说明问题原因并提出整改意见。
九、模板安装稳固性验收1. 模板安装是否牢固:是/否2. 是否使用合格的连接件:是/否3. 若否,请说明问题原因并提出整改意见。
4. 是否符合相关安全标准:是/否十、验收结论本次模板工程质量验收结果如下:1. 模板材料验收合格;2. 模板施工存在XXXXX问题,需要进行整改;3. 模板结构与设计图纸不符合,需要进行整改;4. 模板表面平整度不符合要求,需要进行整改;5. 模板防水施工不合格,需要进行整改;6. 模板破损修复验收合格;7. 模板安装稳固性不符合相关安全标准,需要进行整改。
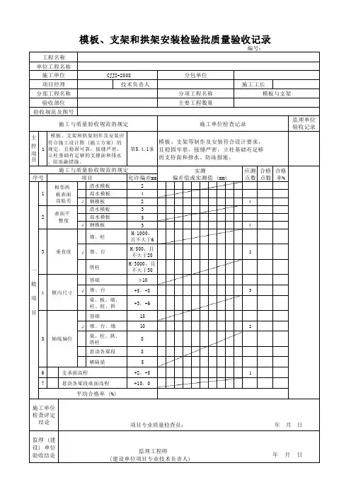
工程名称单位工程名称施工单位CJJ2-2008 分包单位项目经理技术负责人施工工长分部工程名称分项工程名称模板与支架验收部位主要工程数量验收规范及图号施工与质量验收规范的规定施工单位检查记录监理单位验收记录主控项目1模板、支架和拱架制作及安装应符合施工设计图 (施工方案) 的规定,且稳固可靠,接缝严密,立柱基础有足够的支撑面和排水、防冻融措施。
第5.4.1条模板、支架等制作及安装符合设计要求,且稳固牢靠,接缝严密,立柱基础有足够的支持面和排水、防冻措施。
施工与质量验收规范的规定实测偏差值或实测值 (mm)应测点数合格点数合格率%序号项目允许偏差mm一般项目1相邻两板表面高低差清水模板 2混水模板 4√钢模板 2 4 2表面平整度清水模板 3混水模板 5√钢模板 3 4 3 垂直度墙、柱H/1000,且不大于6√墩、台H/500,且不大于202 塔柱H/3000,且不大于304 模内尺寸基础±10√墩、台+5,-8 3 梁、板、墙、柱、桩、拱+3,-65 轴线偏位基础15√墩、台、墙10 2 梁、柱、拱、塔柱8悬浇各梁段8横隔梁 56 支承面高程+2,-5 17 悬浇各梁段底面高程+10,0平均合格率 (%)施工单位检查评定结论项目专业质量检查员:年月日监理 (建设) 单位验收结论监理工程师(建设单位项目专业技术负责人)年月日。
模板质量样板验收记录
1. 验收时间,记录模板进行验收的具体时间,包括年、月、日、时、分。
2. 验收人员,记录参与模板验收的人员姓名及职务,以确保验
收人员的合法性和权威性。
3. 验收内容,详细描述对模板的验收内容,包括模板的设计风格、布局结构、文字排版、图片质量等方面的验收标准。
4. 验收标准,列举出模板验收的具体标准和要求,以便验收人
员进行参照和对比。
5. 验收结果,记录模板验收的具体结果,包括合格、不合格、
需改进等评定结果。
6. 改进措施,若模板存在不合格的地方,需要记录下改进的具
体措施和要求,以便进行后续的改进工作。
7. 验收意见,记录验收人员对模板质量的意见和建议,以便为
后续的模板制作提供参考。
通过以上内容的记录,可以全面地了解模板的质量验收情况,为后续的模板制作提供参考和改进方向。
同时,也可以作为模板制作过程中的重要文件,为模板的质量管理提供依据和参考。
GB50204-2002 目录号:4.1.10.4.16 共(检验批)模板安装(现浇结构)检验批质量验收记录第
GB50204-2002 目录号:4.1.10.4.16 共(检验批)模板安装(现浇结构)检验批质量验收记录第
GB50204-2002 目录号:4.1.10.4.16 共(检验批)模板安装(现浇结构)检验批质量验收记录第
GB50204-2002 目录号:4.1.10.4.16 共(检验批)模板安装(现浇结构)检验批质量验收记录第
GB50204-2002 目录号:4.1.10.4.16 共(检验批)模板安装(现浇结构)检验批质量验收记录第
GB50204-2002 目录号:4.1.10.4.16 共(检验批)模板安装(现浇结构)检验批质量验收记录第
GB50204-2002 目录号:4.1.10.4.16 共(检验批)模板安装(现浇结构)检验批质量验收记录第
目录号4.2.7.11 GB50242-2002
室内采暖辅助设备及散热器安装检验批质量验收表
目录号4.2.7.11 GB50242-2002
室内采暖辅助设备及散热器安装检验批质量验收表。
模板安装检验批质量验收记录表1. 引言本文档为模板安装的检验批质量验收记录表,旨在记录模板安装过程中的质量验收情况,确保模板安装符合规范和要求。
2. 项目信息项目名称:项目编号:施工单位:检验日期:3. 检验人员姓名职务4. 检验内容检验内容检验结果模板材料质量模板安装的垂直度和平整度模板的固定和连接方式模板的支撑和支架的牢固性模板的防护层和保护措施模板的拆除和清理工作其他需要检验的内容5. 检验结果根据对以上检验内容的检查和测试,确认如下检验结果:检验内容检验结果模板材料质量模板安装的垂直度和平整度模板的固定和连接方式模板的支撑和支架的牢固性模板的防护层和保护措施模板的拆除和清理工作其他需要检验的内容6. 检验结论根据以上检验结果,结合相关标准要求和设计要求,得出如下检验结论:检验内容检验结论模板材料质量模板安装的垂直度和平整度模板的固定和连接方式模板的支撑和支架的牢固性模板的防护层和保护措施模板的拆除和清理工作其他需要检验的内容7. 不合格处理如发现以下问题,请记录不合格项目并描述处理措施和结果:1.不合格项目1:•描述:模板材料破损严重。
•处理措施:更换破损的模板材料,并重新进行安装。
•处理结果:更换后的模板材料正常安装,符合要求。
2.不合格项目2:•描述:模板安装的垂直度不达标。
•处理措施:重新调整模板的安装位置,使其达到垂直度要求。
•处理结果:调整后,模板的垂直度满足要求。
8. 验收意见根据以上对模板安装的检验和不合格处理情况的评估,提出以下验收意见:1.合格。
2.不合格,需重新进行模板安装。
9. 验收人员姓名职务10. 验收日期验收日期: | |以上为模板安装的检验批质量验收记录表,记录了模板安装过程中的检验内容、检验结果以及不合格处理情况。
通过此表可以对模板安装的质量进行评估,并提出相应的验收意见和建议。
模板安装检验批质量验收记录一、检验批名称模板安装检验批二、施工单位施工单位:XXXX公司施工部位:XXXX楼三、检验内容1、现场模板安装是否符合设计要求2、模板板面的平整度是否符合要求3、模板的加固措施是否符合要求四、检验仪器设备1、 5m直尺2、接触式测高仪3、钢丝绳五、检验步骤及记录编号检验项目检验内容检验结果备注1 现场模板安装是否符合设计要求合格 / 不合格2 模板板面平整度是否符合要求合格 / 不合格3 模板加固措施是否符合要求合格 / 不合格1、现场模板安装是否符合设计要求实施检验时,检查模板搭设牢固是否平稳,模板是否有错拼,模板立杆、支撑圆孔是否对准,并作详细记录。
检验结果:检验项目检验内容检验结果备注现场模板安装是否符合设计要求合格 / 不合格2、模板板面平整度是否符合要求以5m直尺为主要依据,结合接触式测高仪对模板板面的平整度进行检验,着重检查垂直方向和水平方向,作详细记录。
检验结果:检验项目检验内容检验结果备注模板板面平整度是否符合要求合格 / 不合格3、模板加固措施是否符合要求主要检查临边模板加固和顶承模板加固措施是否在位、牢固,检查是否采用拉钢、大樘木、加强筋等进行加固。
作详细记录。
检验结果:检验项目检验内容检验结果备注模板加固措施是否符合要求合格 / 不合格六、检验评定经检验,各项指标均符合设计及规范要求,检验结果为合格,现场不必进行重新整改处置。
同时,要求施工单位在后续施工工作中,严格按照设计要求进行模板安装,保证施工质量。
七、检验人员检验验收人员:XXX、XXX检验日期:XXXX年XX月XX日八、附录无。
基础承台模板安装检验批质量验收记录基础承台模板安装检验批质量验收记录日期:XXXX年XX月XX日地点:工程现场单位:施工单位施工单位名称:_______________________________检验单位名称:_______________________________验收人员:_______________________________项目名称:_______________________________基础承台模板安装检验批质量验收记录:1. 施工单位应按照设计要求和现场施工图纸,按序号对基础承台模板的安装进行检验验收。
2. 检验前,质检人员应对模板材料进行检查,包括模板板材的厚度、平整度、规格等方面是否符合要求。
3. 检验人员对基础承台模板的搭建工艺进行检查,包括支撑方案、模板搭设方案等,保证施工过程稳定可靠。
4. 检验人员应对基础承台模板的安装情况进行检查,包括模板支撑结构的稳定性、板材之间的连接方式和连接件的牢固度等。
5. 检验人员应对模板表面进行检查,包括平整度、线条的精确性和表面是否有凹凸不平或起翘等状况。
6. 检验人员还应对基础承台模板的尺寸进行检查,包括模板的高度、长度、宽度等,确保符合设计要求。
7. 对施工单位在安装过程中可能存在的不合理现象或问题进行指导和纠正,确保基础承台模板安装质量。
8. 检验人员应记录施工单位检查合格的基础承台模板数量和不合格的数量,并详细记录不合格项的具体情况,以及整改措施和整改结果。
9. 在检验过程中,检验人员应与施工单位进行充分沟通,解答施工单位关于基础承台模板安装的疑问,并提供相关培训和指导。
10. 按照检验结果,判定基础承台模板安装的合格率,对合格和不合格情况进行统计,并填写相关表格。
11. 若基础承台模板安装存在较多不合格项,需要施工单位整改后重新进行检验验收,确保基础承台模板安装质量符合设计要求。
12. 检验完成后,检验人员与施工单位代表签署验收记录,确认基础承台模板安装的质量验收工作完成。
模板工程检验批质量验收记录
一、工程名称:XXXXXX
二、施工单位:XXXXXX
三、验收日期:XXXX年XX月XX日
四、验收内容:
1. 模板安装工程检验批质量验收记录表(见附表)
2. 模板拆除工程检验批质量验收记录表(见附表)
3. 模板支撑工程检验批质量验收记录表(见附表)
4. 模板工程质量问题处理记录(见附表)
5. 模板工程质量检验评定表(见附表)
五、验收结论:
经过对模板安装、拆除、支撑工程的检验,本检验批质量符合要求,同意验收。
六、参加验收人员:
1. 建设单位:XXX、XXX、XXX
2. 监理单位:XXX、XXX、XXX
3. 施工单位:XXX、XXX、XXX
4. 设计单位:XXX、XXX、XXX
5. 其他单位:XXX、XXX、XXX
七、验收意见和建议:
1. 建议对模板工程质量进行定期检查,确保施工安全和质量;
2. 在模板安装和拆除过程中,应注意施工人员的安全,严格按照操作规程进行;
3. 建议对模板支撑工程进行定期维护和检查,确保工程质量和安全。
八、备注:
本记录一式四份,建设、监理、施工和设计单位各执一份。
如有疑问或需要进一步了解情况,请联系相关人员。