机井工程地层柱状图
- 格式:docx
- 大小:255.91 KB
- 文档页数:31
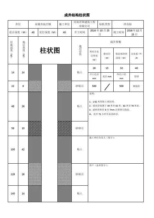
井址:西王庄西岭施工日期:2016.4.1钻井深度:132m 连接方法:焊接口径:360mm 施工单位:翔龙胜水井维修队地层柱状图地层描述机井结构柱状图0-27 无记录以下空白均为实管27-52 米沙48-52 滤水管52-55 粘土55-57 米沙56-60 滤水管57-70 粘土70-72 硬沙层72-68 滤水管72-80 粘土80-83 胶结岩83-85 米沙80-84 滤水管85-86 粘土86-91 米沙88-92 滤水管91-92 粘土92-94 中粗砂94-96 粘土96-99 米沙96-100 滤水管99-115 粘土115-117 硬沙层112-116 滤水管117-119 米沙119-120 黑粘土120-123 中粗沙120-124 滤水管123-132 黑粘土备注井址:西王庄后西洼施工日期:2016.3.24钻井深度:140m 连接方法:焊接口径:360mm 施工单位:翔龙胜水井维修队地层柱状图地层描述机井结构柱状图0-50 无记录以下空白均为实管50-53 粘土53-57 米沙57-58 粘土58-65 中粗砂56-60 滤水管65-70 粘土70-71.5 米沙71.5-75 泥岩75-83 细沙岩76-80 滤水管83-85 粘土85-90 米沙84-88 滤水管90-92 细沙92-95 粘土95-98 米沙96-100 滤水管98-102 粘土102-103 细沙103-112.5 粉沙104-108 滤水管112.5-113.5 细沙113.5-115 黑粘土115-117 细沙岩116-120 滤水管117-120 黑粘土120-121.5 米沙121.5-124 黑粘土124-127 米沙124-128 滤水管127-136 黑粘土136-137 硬沙岩132-136 滤水管137-140 黑粘土备注。
中国近海和盆地综合柱状图
一.渤海盆地综合柱状图 (2)
二.南黄海钻井地质综合柱状图 (3)
三.东海陆架盆地地层岩性柱状简图 (4)
四.珠江口盆地(东部)综合柱状示意图 (6)
五.莺琼盆地综合柱状示意图 (7)
六.北部湾盆地综合柱状示意图 (9)
一.渤海盆地综合柱状图
二.南黄海钻井地质综合柱状图
三.东海陆架盆地地层岩性柱状简图
四.珠江口盆地(东部)综合柱状示意图
五.莺琼盆地综合柱状示意图
六.北部湾盆地综合柱状示意图
Welcome To Download !!!
欢迎您的下载,资料仅供参考!。
实验七:编制地层综合柱状图作者:佚名文章来源:本站原创点击数: 374 更新时间:2009-5-29一、目的要求1. 建立地层层序律的概念,熟悉地质年代表。
2. 了解地层柱状图的内容及意义,初步学会编制地层柱状图。
二、实验用品方格纸、直尺(或三角板)、铅笔、小刀与橡皮等。
三、实验内容1. 地层柱状图简介按一定比例尺和图例,将工作区地层自下而上(即从老到新)把各地层的岩性、厚度、接触关系等现象,用柱状图表的方式表示出来的图件,称地层柱状图或称柱状剖面图(图1)。
地层柱状图可分为一般地层柱状图和综合地层柱状图两类。
(1)一般地层柱状图一般地层柱状图习惯上简称地层柱状图。
它是一种原始地质图件,是根据一口钻井或一条地层剖面所确定的地层层序,地层厚度、岩性特征等资料编制的。
编制时应注意下列事项:① 应严格反映地层的生成顺序,在地层柱状图上严格按上新下老的顺序,按时代逐层绘制。
② 按比例尺要求在图上厚度达lmm的岩层,原则上均应反应出来;对矿层、标志层或具有其它重要意义的岩层,即使在图上其厚度小于lmm时,也应适当夸大给予表示,对于重要性不大岩性相仿的岩层,可适当进行归并,对一些岩性单一、厚度极大的岩层,可用省略符号适当缩短其在柱状图上的长度(见图1第l层)。
③ 在柱状图上,地层的接触关系必须用规定的符号清楚地表示出来。
国际统一规定以“————”表示整合接触,“----------”表示假整合接触和“﹏﹏”表示不整合接触。
④ 地层剖面中如果有岩浆岩时,岩体与围岩的接触关系及岩浆活动的时代等,是否应反映出来,可视情况而定,如任务是研究地层,且没有影响地层的厚度时则可以不表示;但在钻孔柱状图等图件中,则必须表示。
(2)综合地层柱状图综合地层柱状图是一种综合性图件,它是根据整个工作地区若干个钻井或若干条地层剖面资料,经过综合整理后而编制成的;它是工作区内地层、岩性特征、厚度变化、岩相、古生物的变化等情况的总结;是区域地质资料的重要组成部分。
机井工程地层柱状图 Document number:NOCG-YUNOO-BUYTT-UU986-1986UT
机井工程地层柱状图
合同名称:全国新增千亿斤粮食生产能力规划汝州市2012年田间工程建设项目二标段
合同编号:
合同名称:全国新增千亿斤粮食生产能力规划汝州市2012年田间工程建设项目二标段
合同编号:
机井工程地层柱状图
合同名称:全国新增千亿斤粮食生产能力规划汝州市2012年田间工程建设项目二标段
合同编号:
机井工程地层柱状图
合同名称:全国新增千亿斤粮食生产能力规划汝州市2012年田间工程建设项目二标段
合同编号:
机井工程地层柱状图
合同名称:全国新增千亿斤粮食生产能力规划汝州市2012年田间工程建设项目二标段
合同编号:
机井工程地层柱状图
合同名称:全国新增千亿斤粮食生产能力规划汝州市2012年田间工程建设项目二标段
合同编号:
机井工程地层柱状图
合同名称:全国新增千亿斤粮食生产能力规划汝州市2012年田间工程建设项目二标段
合同编号:
机井工程地层柱状图
合同名称:全国新增千亿斤粮食生产能力规划汝州市2012年田间工程建设项目二标段
合同编号:
机井工程地层柱状图
合同名称:全国新增千亿斤粮食生产能力规划汝州市2012年田间工程建设项目二标段
合同编号:
机井工程地层柱状图
合同名称:全国新增千亿斤粮食生产能力规划汝州市2012年田间工程建设项目二标段
合同编号:
机井工程地层柱状图
合同名称:全国新增千亿斤粮食生产能力规划汝州市2012年田间工程建设项目二标段
合同编号:
机井工程地层柱状图
合同名称:全国新增千亿斤粮食生产能力规划汝州市2012年田间工程建设项目二标段
合同编号:
机井工程地层柱状图
合同名称:全国新增千亿斤粮食生产能力规划汝州市2012年田间工程建设项目二标段
合同编号:
机井工程地层柱状图
合同名称:全国新增千亿斤粮食生产能力规划汝州市2012年田间工程建设项目二标段
合同编号:
机井工程地层柱状图
合同名称:全国新增千亿斤粮食生产能力规划汝州市2012年田间工程建设项目二标段
合同编号:
机井工程地层柱状图
合同名称:全国新增千亿斤粮食生产能力规划汝州市2012年田间工程建设项目二标段
合同编号:
机井工程地层柱状图
合同名称:全国新增千亿斤粮食生产能力规划汝州市2012年田间工程建设项目二标段
合同编号:
机井工程地层柱状图
合同名称:全国新增千亿斤粮食生产能力规划汝州市2012年田间工程建设项目二标段
合同编号:
机井工程地层柱状图
合同名称:全国新增千亿斤粮食生产能力规划汝州市2012年田间工程建设项目二标段
合同编号:
机井工程地层柱状图
合同名称:全国新增千亿斤粮食生产能力规划汝州市2012年田间工程建设项目二标段
合同编号:
机井工程地层柱状图
合同名称:全国新增千亿斤粮食生产能力规划汝州市2012年田间工程建设项目二标段
合同编号:
机井工程地层柱状图
合同名称:全国新增千亿斤粮食生产能力规划汝州市2012年田间工程建设项目二标段
合同编号:
机井工程地层柱状图
合同名称:全国新增千亿斤粮食生产能力规划汝州市2012年田间工程建设项目二标段
合同编号:
机井工程地层柱状图
合同名称:全国新增千亿斤粮食生产能力规划汝州市2012年田间工程建设项目二标段
合同编号:
机井工程地层柱状图
合同名称:全国新增千亿斤粮食生产能力规划汝州市2012年田间工程建设项目二标段
合同编号:
机井工程地层柱状图
合同名称:全国新增千亿斤粮食生产能力规划汝州市2012年田间工程建设项目二标段
合同编号:
机井工程地层柱状图
合同名称:全国新增千亿斤粮食生产能力规划汝州市2012年田间工程建设项目二标段
合同编号:
机井工程地层柱状图
合同名称:全国新增千亿斤粮食生产能力规划汝州市2012年田间工程建设项目二标段
合同编号:。