版《增值税纳税申报表(小规模纳税人适用)》及其附列资料
- 格式:doc
- 大小:57.50 KB
- 文档页数:2
小规模及其附列资料填写说明《增值税纳税申报表》(小规模纳税人适用)及其附表填写说明一、《增值税纳税申报表》(小规模纳税人适用)填写说明(一)“税款所属时间”:指纳税人申报的增值税应纳税额的所属时间,应填写具体的起止年、月、日。
(二)“填表日期”:指纳税人填写本表的具体日期。
(三)“纳税人名称”:填写纳税人名称全称。
(四)“纳税人识别号”:填写纳税人的税务登记证号码。
(五)“本年累计”列:填写本年度内“本期数”之和,本表第17栏除外。
(六)第1栏“一、全部销售额”:填写纳税人本期发生的全部销售额,包括“计税销售额”、“境内免税销售额”和“出口免税销售额”,应税(免税)服务有扣除项目的,本栏应填写扣除之前的销售额。
本表及附表所称“销售额”均为不含税销售额。
销售额=含税销售额÷(1+征收率)(七)第2栏“(一)计税销售额”:填写纳税人本期按照简易计税方法计算增值税的销售额。
(八)第3栏“其中:税控器具开具发票销售额”:填写纳税人本期使用税控器具开具发票的销售额,包括税控器具开具发票的出口计税销售额。
(九)第4栏“税务机关代开发票销售额”:填写纳税人到税务机关代开发票的销售额。
(十)第5栏“出口计税销售额”:填写纳税人本期全部出口货物、劳务与跨境服务按照规定出口适用征税政策的销售额,不包括税控器具开具发票的出口计税销售额。
(十一)第6栏“(二)境内免税销售额”:填写纳税人本期按照税法规定免征增值税的销售额,不包括出口免税销售额。
本栏=附表(一)第4栏第1列“销售额”。
(十二)第7栏“其中:税控器具开具发票销售额”:填写纳税人免税项目本期使用税控器具开具发票的销售额。
(十三)第8栏“(三)出口免税销售额”:填写纳税人本期出口免税的销售额。
(十四)第9栏“其中:税控器具开具发票销售额”:填写纳税人本期使用税控器具开具发票的出口免税销售额。
(十五)第10栏“二、应税服务扣除金额”:填写纳税人本期按照税法规定予以扣除的应税服务金额。
增值税纳税申报表(适用于增值税小规模纳税人)附列资料篇一:增值税纳税申报表附列资料增值税纳税申报表(适用于增值税小规模纳税人)附列资料税款所属期:年月日至年月日填表日期:年月日纳税人名称(公章):金额单位:元(列至角分)《增值税纳税申报表(适用于增值税小规模纳税人)附列资料》填表说明(一)填报范围本附列资料适用于应税服务有扣除项目的增值税小规模纳税人填报。
本附列资料各栏次申报项目均不包含免税服务数据。
应税服务扣除项目指根据国家有关营业税改征增值税的税收政策规定,对纳税人按照国家有关营业税政策规定差额征收营业税的,在计算应税服务销售额时,允许从其取得的全部价款和价外费用中扣除的项目。
(二)填写附列资料)项目1.本附列资料“税款所属期”是指纳税人申报的增值税应纳税额的所属时间,应填写具体的起止年、月、日。
2.本附列资料“纳税人名称”栏,填写纳税人单位名称全称,不得填写简称。
3.本附列资料第1项“期初余额”栏数据,为从本附列资料上期第4项“期末余额”栏转入本期的数额。
4.本附列资料第2项“本期发生额”栏数据,填写本期发生的根据国家有关营业税改征增值税的税收政策规定,对纳税人按照国家有关营业税政策规定差额征收营业税的,在计算应税服务销售额时,允许从其取得的全部价款和价外费用中扣除的价款数额。
5.本附列资料第3项“本期扣除额”栏数据,填写应税服务扣除项目本期实际扣除的价款数额。
6.本附列资料第4项“期末余额”栏数据,填写应税服务扣除额的期末余额。
第4栏“期末余额”=第1栏“期初余额”+第2栏“本期发生额”-第3栏“本期扣除额”7.本附列资料第5项“全部含税收入”栏数据,填写纳税人提供应税服务,取得的全部价款和价外费用数额。
8.本附列资料第6项“本期扣除额”栏数据,为本附列资料第3项“本期扣除额”栏数据。
第6栏“本期扣除额”=第3栏“本期扣除额”9.本附列资料第7项“含税销售额”栏数据,填写应税服务的含税销售额。
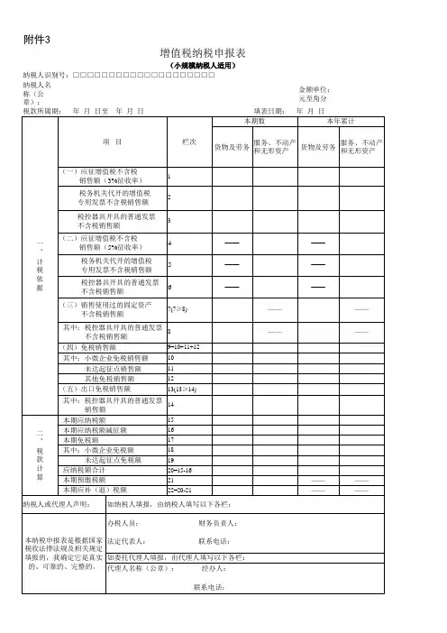
附件3增值税纳税申报表(适用于增值税小规模纳税人)纳税人识别号:纳税人名称(公章):税款所属期:年月日至年月日受理人:受理日期:年月日受理税务机关(签章):本表为A3竖式一式三份,一份纳税人留存、一份主管税务机关留存、一份征收部门留存《增值税纳税申报表(适用于增值税小规模纳税人)》及其一、名词解释(一)本申报表及本《填表说明》所称“应税货物”,是指增值税应税的货物。
增值税纳税申报表(适用于增值税小规模纳税人)附列税款所属期: 年 月 日至 年 月 日 应税服务有扣除项目的纳税人,应填报本表附列资料。
(二)填报项目1.本表“税款所属期”是指纳税人申报的增值税应纳税额的所属时、月、日。
2.本表“纳税人识别号”栏,填写税务机关为纳税人确定的识别号3.本表“纳税人名称”栏,填写纳税人单位名称全称,不得填写简4.本表第1项“应征增值税不含税销售额”栏数据,填写应税货物及销售额,不包括销售使用过的应税固定资产和销售旧货的不含税销售额、免税免税销售额、稽查查补销售额。
(二)本申报表及本《填表说明》所称“应税劳务”,是指增值税应税的加工、修理 (三)本申报表及本《填表说明》所称“应税服务”,是指营业税改征增值税的应税 (四)本申报表及本《填表说明》所称“应税服务扣除项目”,是指按照国家现行营额征收营业税的纳税人,营业税改征增值税后,允许其从取得的应税服务全部价款和价外。
二、《增值税纳税申报表(适用于增值税小规模纳税人)》填表说明(一)填报范围本申报表适用于增值税小规模纳税人(以下简称纳税人)填报。
本对应税服务有扣除项目的纳税人,本栏数据为减除应税服务扣除额其数据与当期《增值税纳税申报表(适用于增值税小规模纳税人)附列资料》5.本表第2项“税务机关代开的增值税专用发票不含税销售额”栏数增值税专用发票注明的金额合计。
6.本表第3项“税控器具开具的普通发票不含税销售额”栏数据,填物及劳务、应税服务的普通发票注明的金额换算的不含税销售额。
《增值税纳税申报表(小规模纳税人适用)》及其附列资料填写说明本纳税申报表及其附列资料填写说明(以下简称本表及填写说明)适用于增值税小规模纳税人(以下简称纳税人).一、名词解释(一)本表及填写说明所称“货物”,是指增值税的应税货物.(二)本表及填写说明所称“劳务”,是指增值税的应税加工、修理、修配劳务。
(三)本表及填写说明所称“服务、不动产和无形资产",是指销售服务、不动产和无形资产(以下简称应税行为)。
(四)本表及填写说明所称“扣除项目”,是指纳税人发生应税行为,在确定销售额时,按照有关规定允许其从取得的全部价款和价外费用中扣除价款的项目.二、《增值税纳税申报表(小规模纳税人适用)》填写说明本表“货物及劳务”与“服务、不动产和无形资产”各项目应分别填写。
(一)“税款所属期”是指纳税人申报的增值税应纳税额的所属时间,应填写具体的起止年、月、日。
(二)“纳税人识别号”栏,填写纳税人的税务登记证件号码。
(三)“纳税人名称”栏,填写纳税人名称全称.(四)第1栏“应征增值税不含税销售额(3%征收率)":填写本期销售货物及劳务、发生应税行为适用3%征收率的不含税销售额,不包括应税行为适用5%征收率的不含税销售额、销售使用过的固定资产和销售旧货的不含税销售额、免税销售额、出口免税销售额、查补销售额。
纳税人发生适用3%征收率的应税行为且有扣除项目的,本栏填写扣除后的不含税销售额,与当期《增值税纳税申报表(小规模纳税人适用)附列资料》第8栏数据一致。
(五)第2栏“税务机关代开的增值税专用发票不含税销售额":填写税务机关代开的增值税专用发票销售额合计。
(六)第3栏“税控器具开具的普通发票不含税销售额":填写税控器具开具的货物及劳务、应税行为的普通发票金额换算的不含税销售额。
(七)第4栏“应征增值税不含税销售额(5%征收率)”:填写本期发生应税行为适用5%征收率的不含税销售额。
附件4《增值税及附加税费申报表(小规模纳税人适用)》及其附列资料填写说明本申报表及其附列资料填写说明(以下简称本表及填写说明)适用于增值税小规模纳税人(以下简称纳税人)。
一、名词解释(一)本表及填写说明所称“货物”,是指增值税的应税货物。
(二)本表及填写说明所称“劳务”,是指增值税的应税加工、修理、修配劳务。
(三)本表及填写说明所称“服务、不动产和无形资产”,是指销售服务、不动产和无形资产(以下简称应税行为)。
(四)本表及填写说明所称“扣除项目”,是指纳税人发生应税行为,在确定销售额时,按照有关规定允许其从取得的全部价款和价外费用中扣除价款的项目。
二、《增值税及附加税费申报表(小规模纳税人适用)》填写说明本表“货物及劳务”与“服务、不动产和无形资产”各项目应分别填写。
(一)“税款所属期”是指纳税人申报的增值税应纳税额的所属时间,应填写具体的起止年、月、日。
(二)“纳税人识别号(统一社会信用代码)”:填写纳税人的统一社会信用代码或纳税人识别号。
(三)“纳税人名称”:填写纳税人名称全称。
(四)第1栏“应征增值税不含税销售额(3%征收率)”:填写本期销售货物及劳务、发生应税行为适用3%征收率的不含税销售额,不包括应税行为适用5%征收率的不含税销售额、销售使用过的固定资产(不含不动产,下同)和销售旧货的不含税销售额、免税销售额、出口免税销售额、查补销售额,国家税务总局另有规定的除外。
纳税人发生适用3%征收率的应税行为且有扣除项目的,本栏填写扣除后的不含税销售额,与当期《附列资料(一)》第8栏数据一致,适用小微企业免征增值税政策的纳税人除外。
(五)第2栏“增值税专用发票不含税销售额”:填写纳税人自行开具和税务机关代开的增值税专用发票销售额合计。
(六)第3栏“其他增值税发票不含税销售额”:填写增值税发票管理系统开具的增值税专用发票之外的其他发票不含税销售额。
(七)第4栏“应征增值税不含税销售额(5%征收率)”:填写本期发生应税行为适用5%征收率的不含税销售额。
《增值税纳税申报表(小规模纳税人适用)》及其附列资料填写说明本纳税申报表及其附列资料填写说明(以下简称本表及填写说明)适用于增值税小规模纳税人(以下简称纳税人)。
一、名词解释(一)本表及填写说明所称“货物",是指增值税的应税货物.(二)本表及填写说明所称“劳务”,是指增值税的应税加工、修理、修配劳务。
(三)本表及填写说明所称“服务、不动产和无形资产”,是指销售服务、不动产和无形资产(以下简称应税行为).(四)本表及填写说明所称“扣除项目”,是指纳税人发生应税行为,在确定销售额时,按照有关规定允许其从取得的全部价款和价外费用中扣除价款的项目。
二、《增值税纳税申报表(小规模纳税人适用)》填写说明本表“货物及劳务"与“服务、不动产和无形资产"各项目应分别填写。
(一)“税款所属期”是指纳税人申报的增值税应纳税额的所属时间,应填写具体的起止年、月、日。
(二)“纳税人识别号"栏,填写纳税人的税务登记证件号码。
(三)“纳税人名称”栏,填写纳税人名称全称。
(四)第1栏“应征增值税不含税销售额(3%征收率)”:填写本期销售货物及劳务、发生应税行为适用3%征收率的不含税销售额,不包括应税行为适用5%征收率的不含税销售额、销售使用过的固定资产和销售旧货的不含税销售额、免税销售额、出口免税销售额、查补销售额。
纳税人发生适用3%征收率的应税行为且有扣除项目的,本栏填写扣除后的不含税销售额,与当期《增值税纳税申报表(小规模纳税人适用)附列资料》第8栏数据一致。
(五)第2栏“税务机关代开的增值税专用发票不含税销售额”:填写税务机关代开的增值税专用发票销售额合计。
(六)第3栏“税控器具开具的普通发票不含税销售额":填写税控器具开具的货物及劳务、应税行为的普通发票金额换算的不含税销售额.(七)第4栏“应征增值税不含税销售额(5%征收率)”:填写本期发生应税行为适用5%征收率的不含税销售额。
A06454《增值税纳税申报表小规模纳税人适用附列资料》整理表姓名:职业工种:申请级别:受理机构:填报日期:A06454《增值税纳税申报表(小规模纳税人适用)附列资料》【分类索引】1. 业务类别申报纳税1. 表单类型纳税人填报1. 设置依据(表单来源)政策规定表单【政策依据】《国家税务总局关于调整增值税纳税申报有关事项的公告》(税务总局公告2016年第27号)【表单】增值税纳税申报表(小规模纳税人适用)附列资料税款所属期:年月日至年月日填表日期:年月日纳税人名称(公章):金额单位:元至角分【表单说明】本纳税申报表及其附列资料填写说明(以下简称本表及填写说明)适用于增值税小规模纳税人(以下简称纳税人)。
一、名词解释(一)本表及填写说明所称“货物”,是指增值税的应税货物。
(二)本表及填写说明所称“劳务”,是指增值税的应税加工、修理、修配劳务。
(三)本表及填写说明所称“服务、不动产和无形资产”,是指销售服务、不动产和无形资产(以下简称应税行为)。
(四)本表及填写说明所称“扣除项目”,是指纳税人发生应税行为,在确定销售额时,按照有关规定允许其从取得的全部价款和价外费用中扣除价款的项目。
二、《增值税纳税申报表(小规模纳税人适用)附列资料》填写说明本附列资料由发生应税行为且有扣除项目的纳税人填写,各栏次均不包含免征增值税项目的金额。
(一)“税款所属期”是指纳税人申报的增值税应纳税额的所属时间,应填写具体的起止年、月、日。
(二)“纳税人名称”栏,填写纳税人名称全称。
(三)第1栏“期初余额”:填写适用3%征收率的应税行为扣除项目上期期末结存的金额,试点实施之日的税款所属期填写“0”。
(四)第2栏“本期发生额”:填写本期取得的按税法规定准予扣除的适用3%征收率的应税行为扣除项目金额。
(五)第3栏“本期扣除额”:填写适用3%征收率的应税行为扣除项目本期实际扣除的金额。
第3栏“本期扣除额”≤第1栏“期初余额”+第2栏“本期发生额”之和,且第3栏“本期扣除额”≤第5栏“全部含税收入(适用3%征收率)”。
附件4《增值税纳税申报表(小规模纳税人适用)》及其附列资料填写说明本纳税申报表及其附列资料填写说明(以下简称本表及填写说明)适用于增值税小规模纳税人(以下简称纳税人)。
一、名词解释(一)本表及填写说明所称“货物”,是指增值税的应税货物。
(二)本表及填写说明所称“劳务”,是指增值税的应税加工、修理、修配劳务。
(三)本表及填写说明所称“服务、不动产和无形资产”,是指销售服务、不动产和无形资产。
(四)本表及填写说明所称“扣除项目”,是指纳税人销售服务、不动产,在确定销售额时,按照有关规定允许其从取得的全部价款和价外费用中扣除价款的项目。
二、《增值税纳税申报表(小规模纳税人适用)》填写说明本表“货物及劳务”与“服务、不动产和无形资产”各项目应分别填写。
(一)“税款所属期”是指纳税人申报的增值税应纳税额的所属(二)“纳税人识别号”栏,填写纳税人的税务登记证件号码。
(三)“纳税人名称”栏,填写纳税人名称全称。
(四)第1栏“应征增值税不含税销售额”:填写本期销售货物及劳务、服务和无形资产的不含税销售额,不包括销售、出租不动产、销售使用过的固定资产和销售旧货的不含税销售额、免税销售额、出口免税销售额、查补销售额。
服务有扣除项目的纳税人,本栏填写扣除后的不含税销售额,与当期《增值税纳税申报表(小规模纳税人适用)附列资料》第8栏数据一致。
(五)第2栏“税务机关代开的增值税专用发票不含税销售额”:填写税务机关代开的增值税专用发票销售额合计。
(六)第3栏“税控器具开具的普通发票不含税销售额”:填写税控器具开具的货物及劳务、服务和无形资产的普通发票金额换算的不含税销售额。
(七)第4栏“销售、出租不动产不含税销售额”:填写销售、出租不动产的不含税销售额,销售额=含税销售额/(1+5%)。
销售不动产有扣除项目的纳税人,本栏填写扣除后的不含税销售额。
(八)第5栏“税务机关代开的增值税专用发票不含税销售额”:填写税务机关代开的增值税专用发票销售额合计。