除尘器技术方案设计.docx
- 格式:docx
- 大小:54.30 KB
- 文档页数:13
一、总则本技术协议适用于锅炉除尘输灰系统工程的设计、制造、安装、检验及售后服务等,工程内容包括袋式除尘器和气力输灰系统(仅包含仓泵及控制系统)的安装、调试、培训,包括电气(预留DCS接口)、空压系统等,工程为交钥匙工程。
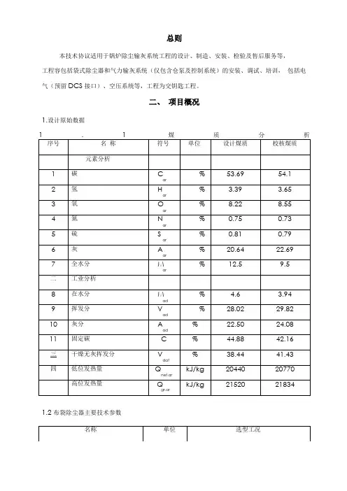
二、项目概况1.设计原始数据1.1煤质分析1.2布袋除尘器主要技术参数(1)除尘器须满足在线清灰、在线检修功能。
(2)除尘器本体阻力:≤1200 Pa,布袋寿命终期阻力:≤1500 Pa。
(3)壳体设计压力:±6kPa(4)除尘器的长度方向进出口之间尺寸不大于:20m。
三、技术规范1.买方提供的技术参数1.1设备名称:袋式除尘器1.2除尘器处理烟气量:219685m³/h1.3除尘器入口含尘浓度:≤5g/m³1.4除尘器出口含尘浓度:≤100mg/m³1.5除尘器滤袋设计温度:150℃,瞬时温度180℃1.6除尘器设计压力:±6000pa1.7除尘器本体阻力:≤1200pa,滤袋寿命终期阻力≤1500pa1.8供货数量:1台除尘器2.设备技术参数锅炉布袋除尘器3.1除尘器钢结构可承受以下载荷(1)除尘器载荷(自重、保温层重、附属设备、灰斗满灰重);(2)地震载荷:按照地震裂度8级(3)风载:1kN/㎡;(4)雪载:2kN/㎡(5)检修载荷:4kN/㎡3.2本体技术要求(1)不以布袋除尘器进口灰浓度、粒度及烟气量变化作为布袋除尘器出口浓度超过100mg/Nm3及阻力超过设计值的理由;(2)保证布袋除尘器不因锅炉负荷的变化发生堵塞;(3)进气口内布置气流分布板,保证烟气均匀通过滤袋;(4)壳体设计保证足够的强度和刚度,保证密封、防雨、排水(不能有积水的地方)及防腐,并提供防冻保温设计;壳体设计中无死角或灰尘积聚区,并充分考虑热膨胀;(5)除尘器顶部设有检修孔,以便对除尘器进行检修和更换滤袋;3.3灰斗(1)灰斗与水平面夹角不小于63°;内侧灰斗板夹角处设有弧形板,避免积灰;(2)灰斗设置有电加热、振打机构和捅灰孔,防止灰出现板结;(3)灰斗法兰口设置为400x400mm。
废气除尘系统设计案上海宝田智能系统科技有限公司2016年11月除尘系统设计案一、项目概况1、工程概况我公司结合在多年在工业领域废气治理经验,根据现有机组废气排放净化系统,设计出一套完善合理的废气净化处理装置。
2、设计要求及原则●依据有关环保法律、法规及产业政策要求对工业污染进行治理,充分发挥建设项目的社会效益、环境效益和经济效益。
●积极稳妥地采用新技术、新设备,结合企业的现状和管理水平采用先进、可靠的改造技术和污染治理工艺处理工艺,力求运行稳定、费用低、管理便、维护容易,从而达到治理污染、保护环境的目的。
●妥善解决项目建设及运行过程中产生的污染物,达到和地排放标准。
●格执行现行的防火、安全、卫生、环境保护等和地颁布的规、法规与标准。
●选择新型、高效、低噪元件、注意节能降耗。
●确保异味治理系统能够安全、稳定运行。
3、设计依据及规1.《环境空气质量标准》GB 3095-19962.《中华人民国大气污染防治法》(2004年4月修订)3.国发(1996)31号《国务院关于环境保护若干问题的决定》4.中华人民国主席令第72号《中华人民国清洁生产促进法》5.《环境保护“十五”计划》6.《恶臭污染物排放标准》(GB14554-93)7.《大气环境质量标准》(GB3095-1996)8.《低压配电设计规》(GB5005495)9.《工业与民用电装置的接地设计规》(GBJ65-83)三、现行标准1、国工业废气主要执行以下标准《环境空气质量标准》GB 3095-19962、设计参数针对现在粉尘产生源经集气罩收集后废气一台滤筒除尘器排放至高空。
相关参数如下:除尘管道直径:600mm,按除尘风速20m/s设计,按每个除尘点位3000m3/h 风量计算,共7个除尘点,除尘风量预估为:Q2=21000 m3/h。
除尘器选型:DFT4-24 过滤面积:566.4m2风机选型:按除尘风量适当留有10%余量设计,即:Q1=23100 m3/h。
脉冲袋式除尘器设计方案脉冲袋式除尘器是工业生产中常用的一种除尘设备,主要用于粉尘、颗粒物的过滤和回收。
根据实际使用情况,设计方案如下:一、除尘器结构设计1. 外形尺寸:根据实际情况确定除尘器的尺寸,确保其在现场安装和使用时能够满足空间要求。
2. 除尘室:除尘室采用整体焊接结构,保证密封性能,避免漏风,减少能耗。
3. 滤袋支撑架:设计合理的滤袋支撑架,使滤袋能够牢固地固定在除尘器上,避免滤袋振动。
二、气流设计1. 进口气流速度:根据待处理气体的特性和处理要求确定进口气流速度,一般为1.5-2.5m/s。
2. 气流分布:合理设置气流分布板,使气流分布均匀,避免局部阻力大。
3. 出口气流速度:保持出口气流速度低于5m/s,避免粉尘再次扬尘。
三、脉冲系统设计1. 气箱:设计大容量的气箱,以储存压缩空气,实现对滤袋的脉冲清灰。
2. 脉冲阀:选择高效的脉冲阀门,确保清灰能够及时、彻底进行。
3. 控制方式:采用PLC控制系统,实现自动清灰和手动清灰两种方式的切换。
四、滤袋材质选择1. 材质选择:根据待处理气体的性质和颗粒物的大小选择合适的滤袋材料,一般采用聚酯纤维。
2. 滤袋规格:根据实际情况确定滤袋尺寸,确保对粉尘和颗粒物具有较好的过滤效果。
五、维护和保养1. 设计合理的检修孔和维护通道,方便设备的维护和保养。
2. 滤袋的定期清洗和更换,以保证除尘效果和设备的正常运行。
六、风机系统设计1. 风机功率:根据净化器的阻力损失计算风机所需的功率,保证风机的正常运行。
2. 风机选型:选择高效、低噪音的风机,确保设备的运行效率和环保性能。
通过以上的设计方案,脉冲袋式除尘器能够有效过滤粉尘和颗粒物,提高空气质量和环境安全性。
同时,设计合理的脉冲清灰系统和维护通道,方便设备的维护和保养,延长设备寿命。
总则本技术协议适用于锅炉除尘输灰系统工程的设计、制造、安装、检验及售后服务等,工程容包括袋式除尘器和气力输灰系统(仅包含仓泵及控制系统)的安装、调试、培训,包括电气(预留DCS接口)、空压系统等,工程为交钥匙工程。
二、项目概况1.设计原始数据1.2布袋除尘器主要技术参数(1)除尘器须满足在线清灰、在线检修功能。
(2)除尘器本体阻力:41200 Pa,布袋寿命终期阻力:41500 Pa。
(3)壳体设计压力:±6kPa(4)除尘器的长度向进出口之间尺寸不大于:20m。
三、技术规1.买提供的技术参数1.1设备名称:袋式除尘器1.2除尘器处理烟气量:219685m3/h1.3除尘器入口含尘浓度:4 5g/m31.4除尘器出口含尘浓度:4100mg/m31.5除尘器滤袋设计温度:150℃,瞬时温度180℃1.6除尘器设计压力:±6000pa1.7除尘器本体阻力:41200pa,滤袋寿命终期阻力41500pa1.8供货数量:1台除尘器2.设备技术参数锅炉布袋除尘器3.1除尘器钢结构可承受以下载荷(1)除尘器载荷(自重、保温层重、附属设备、灰斗满灰重);(2)地震载荷:按照地震裂度8级(3)风载:1kN/忏;(4)雪载:2kN/忏(5)检修载荷:4kN/忏3.2本体技术要求(1)不以布袋除尘器进口灰浓度、粒度及烟气量变化作为布袋除尘器出口浓度超过100mg/Nm3及阻力超过设计值的理由;(2)保证布袋除尘器不因锅炉负荷的变化发生堵塞;(3)进气口布置气流分布板,保证烟气均匀通过滤袋;(4)壳体设计保证足够的强度和刚度,保证密封、防雨、排水(不能有积水的地)及防腐,并提供防冻保温设计;壳体设计中无死角或灰尘积聚区,并充分考虑热膨胀;(5)除尘器顶部设有检修,以便对除尘器进行检修和更换滤袋;3.3灰斗(1)灰斗与水平面夹角不小于63°;侧灰斗板夹角处设有弧形板,避免积灰;(2)灰斗设置有电加热、振打机构和捅灰,防止灰出现板结;(3)灰斗法兰口设置为400x400mm。
袋式除尘器选型设计说明书1. 设计方案简介 1。
1方案的确定依据设计题目选用分室反吹袋式除尘器,采用逆气流反吹清灰及二状态清灰制度。
根据石灰窑含尘气体特性,选用玻璃纤维滤料。
含尘气体从灰斗上部的进气口进入除尘器,然后含尘气体向上进入滤袋中,尘粒被阻留在滤袋内,积在滤袋表面,洁净的气体逸出滤袋.当压力损失达到一定值时,需对滤袋进行清灰,即向除尘器鼓入与进气方向相反的空气,,滤袋在逆气流的作用下向里压缩,由于滤袋的形变,积在滤袋内表面的尘粒从滤袋上脱落入积灰斗中。
如此即完成了净化气体和收集灰尘的任务。
2.设计计算 2。
1基础数据①含尘气流的温度T=300℃,进气流量Q=6000m 3/h, 含尘浓度ρ=5g/m 3,②参考《大气污染控制工程》,逆气流反吹清灰的过滤气速f v =0。
5~2。
0 m/min ;选取f v=0。
7 m/min 。
③参考《大气污染控制工程》,袋式除尘器的压力损失P f p p p ∆+∆=∆,通过清洁滤袋的压力损失f p ∆一般为100~130Pa ,当压力损失p ∆接近1000Pa 时一般需要对滤袋进行清灰。
此处选取f p ∆为100 Pa 。
④参考《除尘设备》,石灰窑中颗粒的比阻系数p R =1.50 min/(g ·m)⑤参看《环境工程设计手册》,石灰的堆积密度P ρ=1500Kg/m 3,含尘气流达到国家标准的排放浓度标ρ=200mg/m 3⑥参看《袋式除尘器的设计与应用》,相邻两滤袋安装的中心距为210~250mm ,滤袋与花板边界距离为200mm ,单元间隔大于相邻两滤袋的间隔。
⑦物理学结论,将物体置于倾斜角大于45°的倾斜板上,物体将向下滑动,故当灰斗倾斜角大于45°时,灰粒可自行落下.⑧含尘气体进气流速i v 为18m/s ,净气出口流速o v 为3~8m/s 。
2。
2过滤面积、滤袋数目的确定参考《大气污染控制工程》,袋式除尘器的过滤面积A=286.1427.060600060m v Q f =⨯= 根据《袋式除尘器的设计与应用》所述,滤袋长度L 与直径D 的比L/D 的取值范围5~40,及滤袋尺寸的参考数据选取: L=1500mm, d=160mm.计划所需滤袋总数n=1905.116.086.142=⨯⨯=ππLd A 故分两个单元,每个单元安装100条滤袋,按10×10布置,总计200条滤袋。
除尘器技术方案1. 引言在工业生产和日常生活中,空气中往往存在着各种污染物,如灰尘、细菌、烟尘等。
这些污染物不仅会对人体健康产生负面影响,还会导致设备的损坏和生产效率的下降。
因此,研究和应用除尘器技术成为了现代社会的迫切需求。
本文将介绍一种基于传统的除尘器技术的新方案,通过优化设计和应用新材料,提高除尘效率和性能,并减少能源消耗。
2. 技术原理传统的除尘器技术通常采用过滤和静电除尘的方式。
其中,过滤器通常由纤维材料制成,通过物理隔离的方式吸附和阻挡污染物。
静电除尘则是利用静电力将带电污染物从空气中分离出来。
本方案的创新之处在于引入了电场增强技术和新型的纤维材料。
电场增强技术利用了电场力的作用,在纤维材料表面附加电极,并通过电极间施加高电压,增加了污染物的电荷密度,从而提高了静电除尘效率。
新型的纤维材料具有更大的比表面积和更好的吸附能力,能够更有效地捕获污染物。
3. 技术方案基于以上技术原理,我们提出了一种改良型除尘器方案,具体步骤如下:3.1 选择合适的纤维材料选择新型的纤维材料作为过滤器的基材,该材料需要具备以下特点:•高比表面积:通过提高纤维材料的比表面积,增大了与污染物接触的表面积,提高了吸附效率。
•高吸附性能:优化纤维材料的结构和成分,使其具有更好的吸附能力,能够吸附更多的污染物。
•耐高温和耐腐蚀性:确保纤维材料在高温和恶劣环境下的稳定性和可靠性。
3.2 引入电场增强技术在纤维材料表面附加电极,并在电极间施加高电压,形成强电场。
这样可以增加污染物的电荷密度,从而提高静电吸附效果。
同时,电场增强还可以改善纤维材料的抗污染性能,延长过滤器使用寿命。
3.3 设计优化通过优化过滤器的结构和布局,减小气体流阻,提高气体流通性,并减少漏风和二次扬尘的问题。
同时,优化除尘器的尺寸和形状,使其更加紧凑和便于安装。
3.4 能耗控制在使用过程中,通过合理调整电场的电压和频率,以及控制过滤器的工作时间和循环次数,实现能耗的控制和降低。
20t/h锅炉配套除尘设备设计方案丹东黄海环保机械设备有限公司2016年03月目录一、工作原理 (3)二、项目概述: (3)三、高效布袋除尘器设计方案: (3)四、供货范围: (7)五、项目其他要求: (8)六、设备分交界面: (8)七、电器控制及设置说明: (8)八、质量保障: (9)九、运输安装: (9)十、工程验收: (9)十一、资料交付: (9)十二、售后服务: (10)十三、分项报价: (10)一、工作原理脉冲袋式除尘器的清灰方式“离线分室”脉冲清灰,气体净化方式为外滤式,含尘气体由进风口进入进气室,经过导流板由底部进入过滤室,含尘烟气先通过沉降室去除大颗粒及未燃尽的火星颗粒物后进入过滤区域,气流通过导流分布装置,适当导流自然流向分布,从下部均匀进入袋室,整个过滤室内气流分布均匀,含尘气体中大颗粒粉尘及大颗粒未燃尽火星在进风道内通过沉降室自然沉降直接落入灰斗,飘逸粉尘在导流装置的引导下,随气流进入中箱体过滤区,吸附在滤袋外表面。
过滤后的洁净气体透过滤袋经上箱排风口排出。
设备型号规格设备型号:LCM-D设备规格: 8500mm×4500mm×14000mm二、项目概述:_公司为了将锅炉大气污染物达到国家环保排放标准排放的要求,现阶段国家实行了节能减排政策,对烟尘有着更加严格的要求,给燃煤工业锅炉的大气污染物治理增加了难度。
环保部门要求对锅炉烟气治理要实行除尘,同时处理效果达到《锅炉大气污染物排放标准 GB13271-2001》标准。
三、高效布袋除尘器设计方案:本公司经现场勘查并结合现场基本条件,设计满足环保要求的除尘技术方案如下。
3.1 工作介质:燃煤锅炉烟气3.2 设计参数(1)设计风量:50000m³/h,(2)过滤面积:1220m²(3)过滤风速:0.7m-0.9m/min,(4)运行阻力:≤1500Pa(5)脉冲阀规格:DMF-Y-76s(6)分室气缸:SC-100-600H-FA(7)灰斗数量:4个(8)电器控系统:西门子(9)压缩空气系统:3m³/min 0.8MPa 一用一备(10)烟道:设计风速12-15m/s3.3 项目预期达到指标3.4 设计喷吹技术特点采用“分室离线”脉冲清灰,清灰时清灰箱室与风机气道关闭,气室处于常压状态,喷吹压缩空气无须克服风机气压阻力,清灰彻底,保持最佳过滤性能,提高除尘稳定性,提高布袋使用寿命, N室交替进行。
除尘器设计方案1. 引言在工业生产过程中,空气中常常存在大量的灰尘、颗粒物等污染物,对工作环境和工人的健康产生不良影响。
为了保证生产环境的清洁和工人的健康,设计一种高效、可靠的除尘器十分重要。
本文将介绍一种基于滤料和离心力的除尘器设计方案,旨在提高工业生产过程中的空气质量。
2. 设计原理2.1 滤料原理滤料是除尘器中的关键组件,其功能是过滤和捕获空气中的颗粒物。
常用的滤料有纤维滤料、膜滤料和活性炭滤料等。
在本设计方案中,我们选择了高效的纤维滤料作为主要滤料。
纤维滤料的工作原理是通过孔径和纤维作用来捕获颗粒物。
当空气中的颗粒物经过滤料时,大局部颗粒物会受到滤料纤维的阻截作用而被捕获住。
较小的颗粒物那么会通过滤料孔隙的扩散作用逃逸。
因此,在设计滤料时,需要考虑滤料的孔径大小和纤维的密度。
2.2 离心力原理除尘器中的离心力也是起到重要作用的一种原理。
当空气通过旋转装置进入除尘器时,由于离心力的作用,颗粒物会被迫向离心装置壁面靠拢。
在离心力的作用下,较大的颗粒物会沉积在除尘器的底部,而较小的颗粒物那么会随着空气流继续向上。
3. 设计方案3.1 结构设计本设计方案采用如下的除尘器结构:除尘器结构示意图除尘器结构示意图除尘器由入口管、旋转装置、滤料和底部排灰装置组成。
入口管将带有颗粒物的空气引入除尘器,旋转装置通过旋转产生强大的离心力,使颗粒物向除尘器壁面靠拢并沉积。
滤料那么负责捕获较小的颗粒物,确保出口空气的清洁。
底部排灰装置负责定期清理除尘器中的沉积颗粒物。
3.2 操作流程除尘器的操作流程如下:1.翻开除尘器的进气阀门,将机器或设备的废气引入除尘器;2.空气进入除尘器后,通过入口管进入旋转装置;3.旋转装置产生的离心力将颗粒物沉积在除尘器壁面;4.接下来,空气通过滤料,较小的颗粒物被捕获住,清洁的空气从出口处排出;5.定期翻开底部排灰装置,去除除尘器中的沉积颗粒物。
3.3 考前须知在使用除尘器时,需要注意以下几点:•定期清理滤料,以保证滤料的过滤效果;•定期清理除尘器的底部排灰装置,防止堵塞;•定期检查除尘器的各个部件,确保其正常工作;•根据实际情况,调整除尘器的运行参数,以到达最正确除尘效果。
一、工程概况本标段工程热源厂的锅炉房工程的附属工程,其共包括除尘器控制室,空压机房及3~5号砼支架等分项工程mm。
1、结构特征除尘器空压室基础砼为筏板式钢筋砼,埋深2.5m,主体为单层框架结构,粘土空心砖封闭,其共为8个钢筋砼支架,支架最高为10.2m。
2、水文地质及施工条件2.1、建筑物场地土类别为二类土,抗震设防烈度8度。
2.2、场区地下水位6.5m~7.9m,场区标准冻层深度1.6m。
现场因其周围工程均已在施工,且本项目分散布置,施工场地紧张。
二、施工部署1、总体思路工程工期要求9月15日完工,较之锅炉房工程不算紧张,但因其位于锅炉房施工重地内场区施工要道,所以要将土方挖除后,全部运至甲方指定弃土场地,回填时再运回,考虑到本分项工程的支架、框架等特点,同时为加快施工进度,为锅炉房主体施工创造有利的条件,其砼浇筑均采用汽车泵输送砼。
2、施工组织劳力安排:1.1、为完成本工程的各项任务,我方用“项目法”组织施工,锅炉房工程的全套班子兼顾此项目施工。
1.2、劳动力组织及资源安排:本工程实行目标管理,程序控制。
安排一个土建队负责全部施工任务,配备的劳动力主要为钢筋工、木工、砼工、瓦工、力工等。
主要劳动力配备及主要施工机械配备,周转料具及测量检测仪器见附表。
3、施工准备3.1、生产准备提前提出所需材料计划报与甲方,进行钢筋配料组织施工。
3.2、技术准备组织有关人员进行图纸会审,制定技术措施,进行技术交底,及时提出本项目工程所需予埋件,及时加工。
及时取样水泥、砂、石子送检。
4、施工平面布置图(同锅炉房平面布置图)本分项施工、搅拌站、钢筋场,水电源设置均利用原锅炉房施工用设施。
三、施工方法1、施工工序2、测量放线该分项工程的测量定位均采用控制桩,控制桩要设在建筑物外围轴线上,钉钢筋桩且浇筑砼,打出中心点,并标出标高和控制点号,同时将引桩引到已建引风机室及锅炉房主体上。
3、主要施工方法3.1、土方开挖除尘器控制室及空压机房均采用土方大开挖,反铲挖土,自卸汽车运至甲方指定弃土场,机械挖土预留200~300mm厚,人工清底。
*************有限公司含尘废气治理工程项目技术方案常州千帆环保科技有限公司2013年 12 月目录一、概述 (3)二、设计依据 (4)三、设计原则 (4)四、工艺设计范围 (4)五、工艺设计基础参数 (4)六、除尘工艺确定 (4)七、DMC-210-Ⅱ型脉冲袋式尘器主要技术参数 (7)八、电器控制 (10)九、工程实施计划 (10)十、项目组织及有关技术措施 (10)十一、售后服务 (11)(一)现场服务 (11)(二)售后服务 (11)常州千帆环保科技有限公司简介一、概述*************有限公司在生产和投料过程中会产生大量的含尘废气为了保证处理效果企业需要对原有除灰系统进行改造。
为确保员工及周边群众的身体健康,为了企业的可持续发展,减少环境污染,业主要求我公司设计除尘工艺,选型除尘设备,治理后达标排放,为环保事业作贡献,造福于人类。
由于水膜除尘有以下缺点:1:除尘水的二次污染问题;2:除尘效果不稳定;3:粉尘浓度高时处理效果不好,不能保证稳定达标;4:烟气湿度大,对后续设备腐蚀严重,如风机,如果烟气特性不含酸性气体会好的多,但也会有腐蚀和粘灰等问题;由于脉冲布袋除尘器具有以下优点:1.除尘效率高,可捕集0.3nm以上的粉尘,使含尘气体净化到15mg /m3甚至以下。
2.附属设备少,投资省,技术要求没有电除尘器那样高。
3.能捕集电除尘难以回收的粉尘;并且在一定程度上能收集硝化物、硫化物等化合物。
4.对负荷变化适应性好,特别适宜捕集细微而干燥的粉尘,所收的干尘便于处理和回收利用。
5.袋式除尘器收集含有爆炸危险或带有火花的含尘气体时安全性较高。
所以基于水膜除尘器和脉冲布袋除尘器的优点,以及我们对同类企业的处理工程经验,我们建议业主选择脉冲布袋除尘器。
二、设计依据(1)《中华人民共和国环境保护法》(2)《中华人民共和国大气污染防治法》(3)《大气污染物综合排放标准》GB16297-1996(4)《工业炉窑污染物排放标准》(GB9078-1996)(5)《锅炉大气污染物排放标准》(GB13271-2001)(6)《建筑结构荷载规范》GB19-87(7)《钢结构设计规范》GBJ17-88(8)《建筑防雷设计规范》GB50057-97(9)《工业与民用供配电系统设计规范》GB50052-95(10)业主提供的基础数据、三、设计原则1、采用国内先进成熟的、可靠且方便操作的净化设备。
袋式除尘器技术方案一、引言袋式除尘器作为一种常见的空气净化设备,具有高效、经济、可靠等优势,广泛应用于工业生产、环境治理等领域。
本文旨在介绍袋式除尘器技术方案,包括其原理、结构设计、性能指标和应用范围等内容。
二、原理袋式除尘器基于惯性分离、重力沉降和过滤等原理,将含尘气体通过滤料过滤,将颗粒物截留在滤料表面并排除净化后的气体。
其核心元件是滤袋,常用的滤料有聚酯纤维、涤纶、玻璃纤维等。
通常,袋式除尘器具备预处理装置、滤袋组件、清灰系统和排气装置等主要部分。
三、结构设计1. 预处理装置预处理装置用于将气体中的粗颗粒物截留或分离,以减轻对滤袋的磨损和堵塞,同时可提高过滤效果。
常见的预处理装置有旋风分离器、惯性碰撞装置等。
2. 滤袋组件滤袋组件是袋式除尘器的核心部分,决定了其过滤效率和使用寿命。
滤袋的选材应根据工作环境的特点,选择抗酸碱、高温、耐腐蚀等性能的滤料。
此外,滤袋布局合理、间距适当也能提高除尘效果。
3. 清灰系统清灰系统用于定时或定期清除袋面积积的颗粒物,以保持袋式除尘器的稳定性和长效性能。
常用的清灰方式有振打清灰、反吹清灰和振动清灰等。
4. 排气装置排气装置用于将净化后的气体排放到大气中,通常还需配备静音装置、脱硫装置等进行综合处理,以满足环保要求。
四、性能指标袋式除尘器的性能指标包括过滤效率、阻力损失、处理风量和除尘效率等。
过滤效率通常通过含尘气体中颗粒物的截留率来衡量,常要求达到95%以上。
阻力损失是指气体通过滤料层时受到的阻力,低阻力损失能降低能耗。
处理风量指单位时间内处理的气体量,需根据工况和需求合理设定。
而除尘效率则是滤袋对颗粒物的净化能力。
五、应用范围袋式除尘器广泛应用于冶金、电力、化工、水泥、陶瓷、建材等领域。
具体应用场景包括锅炉尾气治理、炼钢炉除尘、水泥熟料制造、喷涂车间净化等。
在这些领域,袋式除尘器可有效去除气中的颗粒物、有害气体和异味,保障生产环境和工人健康。
六、结论袋式除尘器技术方案在工业生产和环境治理中发挥着重要作用。
除尘器技术方案文件管理序列号:[K8UY-K9IO69-O6M243-OL889-F88688]20t/h锅炉配套除尘设备设计方案丹东黄海环保机械设备有限公司2016年03月目录一、工作原理脉冲袋式除尘器的清灰方式“离线分室”脉冲清灰,气体净化方式为外滤式,含尘气体由进风口进入进气室,经过导流板由底部进入过滤室,含尘烟气先通过沉降室去除大颗粒及未燃尽的火星颗粒物后进入过滤区域,气流通过导流分布装置,适当导流自然流向分布,从下部均匀进入袋室,整个过滤室内气流分布均匀,含尘气体中大颗粒粉尘及大颗粒未燃尽火星在进风道内通过沉降室自然沉降直接落入灰斗,飘逸粉尘在导流装置的引导下,随气流进入中箱体过滤区,吸附在滤袋外表面。
过滤后的洁净气体透过滤袋经上箱排风口排出。
设备型号规格设备型号:LCM-D设备规格:8500mm×4500mm×14000mm二、项目概述:_公司为了将锅炉大气污染物达到国家环保排放标准排放的要求,现阶段国家实行了节能减排政策,对烟尘有着更加严格的要求,给燃煤工业锅炉的大气污染物治理增加了难度。
环保部门要求对锅炉烟气治理要实行除尘,同时处理效果达到《锅炉大气污染物排放标准GB13271-2001》标准。
三、高效布袋除尘器设计方案:本公司经现场勘查并结合现场基本条件,设计满足环保要求的除尘技术方案如下。
3.1工作介质:燃煤锅炉烟气3.2设计参数(1)设计风量:50000m3/h,(2)过滤面积:1220m2(3)过滤风速:0.7m-0.9m/min,(4)运行阻力:≤1500Pa(5)脉冲阀规格:DMF-Y-76s(6)分室气缸:SC-100-600H-FA(7)灰斗数量:4个(8)电器控系统:西门子(9)压缩空气系统:3m3/min0.8MPa一用一备(10)烟道:设计风速12-15m/s3.3项目预期达到指标3.4设计喷吹技术特点采用“分室离线”脉冲清灰,清灰时清灰箱室与风机气道关闭,气室处于常压状态,喷吹压缩空气无须克服风机气压阻力,清灰彻底,保持最佳过滤性能,提高除尘稳定性,提高布袋使用寿命,N室交替进行。
除尘器技术方案一、引言随着工业化进程的不断推进,工业生产过程中产生的粉尘和有害气体成为了环境污染的主要来源之一。
为了保障员工安全和确保生产环境符合环保要求,除尘器成为了必不可少的设备。
本文将重点讨论除尘器技术方案,通过对比常见的几种除尘器技术,探讨其原理、特点和适用范围。
二、常见的除尘器技术1. 重力除尘器重力除尘器是将颗粒物利用重力的作用进行沉降分离的一种简单而有效的除尘器技术。
其工作原理是将含有颗粒物的气体通过设备底部通入,使气流减速,颗粒物受到重力作用而沉降至设备底部,通过排放口将净化后的气体排放出去。
重力除尘器适用于颗粒物较大且浓度较低的场合,如轻工业和建筑材料生产过程中的除尘处理。
2. 惯性除尘器惯性除尘器是利用颗粒物在流体中的惯性作用使其与流体分离的除尘器技术。
当气流通过设备时,颗粒物受到气流的扰动而向一侧偏移,借助流体的流速变化将颗粒物分离出来,再通过排放口将净化后的气体排放。
惯性除尘器相对于重力除尘器而言,具有更好的除尘效果,适用于工况条件中颗粒物较细且浓度较高的情况,如煤炭、矿石等工业生产过程中的除尘。
3. 湿式除尘器湿式除尘器是通过将含有颗粒物的气体与水进行接触,使颗粒物附着在水滴上,以达到净化空气的目的。
湿式除尘器通常包括喷淋装置和撞击板,喷淋装置使水以细小的水滴形式喷洒到气体中,颗粒物通过与水滴的撞击和吸附而被去除。
湿式除尘器适用于处理湿度较高的气流和含有粘性颗粒物的场合,如冶金、化工等工业领域。
4. 电除尘器电除尘器是利用电场力将带电颗粒物从气体中分离的一种高效除尘器技术。
电除尘器由两块电极构成,通过在两个电极之间建立高电场,使空气中的带电颗粒物被电场吸附在电极上,形成粗颗粒后再由重力作用落入集尘槽,最后通过排放口将净化后的气体排放。
电除尘器广泛应用于炉窑、化工等高温场合,对烟尘的净化效果明显。
三、除尘器技术方案选择在选择合适的除尘器技术方案时,需考虑以下几个因素:1. 颗粒物浓度和颗粒物的粒径分布;2. 工况条件,如温度、湿度、气流速度等;3. 运行成本,包括设备投资、维护费用和能耗等;4. 环保要求,如对粉尘排放浓度和有毒气体的处理要求。
荣奇热电1#输煤皮带输送及3#皮带机尾除尘2#转运站除尘改造简要技术方案泊头市富泰环保环保设备有限公司2016年12月目录一、概述 (2)二、本次除尘设备选型及改造方法 (3)三、本次除尘系统报价 (9)四、我公司PPC、PPCS、PPW布袋除尘器介绍 (11)一、概述本次要安装和整改的除尘系统有三套。
第一套是1#输煤皮带,拟在1#转运站安装一套除尘系统,以处理1#皮带机头2个落料尘源点和转运站的两个落料尘源点,尘源点总数量为4个;。
所以我方按照4个尘源点设计。
第二套是3#皮带机尾,该处目前有2个尘源点,拟安装一套除尘系统;第三套是原2#皮带转运站布袋除尘器PPCS32-5修改引风线路及改造灰斗落料系统。
1、1#输煤皮带及1#转运站目前1#输煤皮带无收尘设备,皮带运行时皮带廊内粉尘量超标,不仅使清洁工人劳动量增大、影响操作工人身体健康,同时会使设备磨损加快,抬高生产的运行成本,所以必须要进行治理。
1#皮带宽度为1.0米,皮带架宽度1.4米;皮带上平面距皮带廊高度约2米。
本次要处理的尘源点有4个:1#皮带南端的机头落料2个尘源点及1#转运站漏斗落料2个尘源点。
4个尘源点相距实测约100米,加之皮带廊深度的和密封性强,所以要通过管道连接尘源点,然后再引至地面进行集中处理的方法进行除尘,其难度将很大且阻力很大。
除尘器拟安装在1#转运站顶部距底面约3米高的平台上,4个尘源点分成两组,一组2个在皮带南端,距除尘器约100米,另一组在转运站下部,距除尘器距离约30米。
2、3#皮带机尾3#皮带机尾目前有2个尘源点无除尘设备。
拟在3#皮带机车间东侧、顶层楼顶的合理位置安装除尘系统,预计管道长度约50米。
由于该两个尘源点有同时运行的情况,故本次设计的除尘系统应按2个尘源点同时运行。
3、原2#皮带转运站除尘器改装、管道改换改造后的除尘器将处理粉煤料仓落料及料仓顶部尘源点,按照使用方提出的要求,除尘器必须要将灰斗进行改造,以适应改造后的除尘要求。
120吨转炉配套φ9m圆式电除尘器大修项目技术方案甲方:集团-—装备有限公司乙方环保设备有限公司日期: 2012年3月2日1。
项目概况1。
1项目简介-—集团—-装备有限公司2x120吨转炉配套2xφ9m圆式电除尘器。
工程性质:φ9m圆式电除尘大修备件安装、调试工程1。
2设备使用地点项目地点:--集团-—装备有限公司。
安装地点:—-集团—-装备有限公司转炉配套φ9m圆式电除尘器周围20米内.2.双方承诺:2。
1乙方依据甲方提供的基本工艺参数、基本设计资料、质量标准、技术规范,对所供设备设计正确性、设备的完整性、所供设备部件的质量性能及拆卸、安装质量负责,乙方对电除尘器大修进行总负责,所供部件应确保达到甲方要求的全部功能、要求,并进行无负荷试车、配合热负荷试车。
2.2甲方应统一组织协调各方关系及调试提供方便条件。
2。
3乙方与甲方密切结合,详细了解现有转炉电除尘器存在的问题,并在深入现场调研的基础上提出科学合理的改造方案,确保改造后电除尘器正常运行.2。
4乙方的电除尘器改造方案应借鉴国内新建转炉电除尘器技术方案的优点。
2.5乙方根据甲方要求,在合同签订后7天内提出合理的备件制作及改造施工进度计划。
3.大修方案3。
1、大修原则本台电除尘器维修本着“高效、合理、安全、节能”的原则进行,确保除尘系统正常运行。
不影响主体设备的生产以及其它设备的运转检修,制定合理周密的维修计划,确保生产投入时间。
采用成熟可靠的技术,确保除尘设备安全运行。
3。
2、现除尘器存在的问题电除尘器于2006年投入运行,到目前已运行近八年时间,电场内阳极板有变形情况,使得阴阳极之间的极间距出现问题,影响了电除尘器的正常运行,其中阴极系统还存在局部掉线现象。
运行期间曾进行过更换局部阳极板排等工作,目前除尘器运行情况基本稳定,但收尘效率有所降低.3.3、大修内容3。
3。
1更换A、B、D三个电场的阳极装配系统,包括阳极板悬挂梁、振打杆、限位装置等全部配套件。
.20t/h 锅炉配套除尘设备设计方案丹东黄海环保机械设备有限公司.2016 年 03 月目录一、工作原理 (3)二、项目概述: (4)三、高效布袋除尘器设计方案: (4)四、供货范围: (9)五、项目其他要求: (10)六、设备分交界面: (10)七、电器控制及设置说明: (10)八、质量保障: (11)九、运输安装: (12)十、工程验收: (12)十一、资料交付: (12)十二、售后服务: (12)十三、分项报价: (13)一、工作原理脉冲袋式除尘器的清灰方式“离线分室”脉冲清灰,气体净化方式为外滤式,含尘气体由进风口进入进气室,经过导流板由底部进入过滤室,含尘烟气先通过沉降室去除大颗粒及未燃尽的火星颗粒物后进入过滤区域,气流通过导流分布装置,适当导流自然流向分布,从下部均匀进入袋室,整个过滤室内气流分布均匀,含尘气体中大颗粒粉尘及大颗粒未燃尽火星在进风道内通过沉降室自然沉降直接落入灰斗,飘逸粉尘在导流装置的引导下,随气流进入中箱体过滤区,吸附在滤袋外表面。
过滤后的洁净气体透过滤袋经上箱排风口排出。
设备型号规格设备型号: LCM-D设备规格:8500mm ×4500mm ×14000mm二、项目概述:_公司为了将锅炉大气污染物达到国家环保排放标准排放的要求,现阶段国家实行了节能减排政策,对烟尘有着更加严格的要求,给燃煤工业锅炉的大气污染物治理增加了难度。
环保部门要求对锅炉烟气治理要实行除尘,同时处理效果达到《锅炉大气污染物排放标准 GB13271-2001 》标准。
三、高效布袋除尘器设计方案:本公司经现场勘查并结合现场基本条件,设计满足环保要求的除尘技术方案如下。
3.1 工作介质:燃煤锅炉烟气3.2 设计参数(1)设计风量: 50000m 3/h ,(2)过滤面积: 1220m2(3)过滤风速: 0.7m-0.9m/min ,(4)运行阻力:≤1500Pa(5)脉冲阀规格: DMF-Y-76s(6)分室气缸: SC-100-600H-FA(7)灰斗数量: 4 个(8)电器控系统:西门子(9)压缩空气系统: 3m3/min 0.8MPa一用一备(10)烟道:设计风速 12-15m/s3.3 项目预期达到指标名称单位指标备注除尘效率%≥99.9排放浓度mg/Nm 3≤30漏风率≤2%烟气排放符合 GB13271-2001《锅炉大气污染物排放标准》3.4 设计喷吹技术特点采用“分室离线”脉冲清灰,清灰时清灰箱室与风机气道关闭,气室处于常压状态,喷吹压缩空气无须克服风机气压阻力,清灰彻底,保持最佳过滤性能,提高除尘稳定性,提高布袋使用寿命,N 室交替进行。
3.5 设备主体描述除尘器组成是由除尘器上箱体、中箱体、下锥体、喷吹系统、压缩空气系统(包括储气罐、管路、压缩空气净化系统及独立电器控制部分)输灰系统、电器控制系统等组成。
除尘器上箱体除尘器上箱体分N 个净气室组成,每个气室通过分室阀控制切换风道,使气室处于常压状态,每个气室过滤面积㎡乘以N 室等于总过滤面积㎡。
除尘器上箱体设有差压变送器。
除尘器中箱体除尘器中箱体分N 个过滤室和沉降室组成,每个滤室与导流分布装置相连接,导流装置是引导含尘烟气和净化后气流的分隔板,导流装置也是引导气流由底部进入过滤区域的装置。
除尘器中箱体入口处设有温度变送器,沉降室设有差压变送器。
除尘器下锥体除尘器下锥体分N 个灰斗,每个灰斗与导流分布装置相连接,整个过滤室内气流分布均匀并与除尘器中箱体相连,烟气在经过中箱体沉降室时将含尘气体中大颗粒粉尘及大颗粒未燃尽颗粒物自然沉降直接落入灰斗,下锥体设有灰斗加热板、料位计、振动器、空气炮、检修门、插板阀、自动卸灰阀等组成。
设备保温与油漆设计供方遵循“火力发电厂保温油漆设计规程” (DL/T5072-1997)中的规定。
供方提供除尘系统范围内的保温、油漆设计,材料供应和施工。
包括:设备、管道、阀门及附件等;除尘设备的所有部件的金属表面均在出厂前进行净化和油漆;钢结构先涂防锈底漆,采用耐风化、防腐蚀的优质防滑油漆,该油漆为防腐蚀专用油漆,面漆在现场实施,所有易被踩踏的保温均设计有良好的防护措施。
3.6 设计配置内容◆布袋除尘器所用滤料的选型设计◆高效布袋徐尘器本体及旁路电气及自动化控制设计◆高效布袋除尘器卸灰系统设计◆脉冲喷吹结构设计◆温度检测装置设计◆差压或定时喷吹控制设计◆灰斗料位计安装设计◆高效布袋除尘器反吹用压缩空气控制系统设计3.7 除尘器性能参数表本项目的布袋除尘器选用长袋低压脉冲高效布袋式除尘器(以下简称高效布袋式除尘器)项目名称:工作介质锅炉烟气单台处理烟气量:(m3 /h ) 50000出口烟气含尘量:≤3 0(mg/Nm 3)除尘效率:( %)≥99.9除尘器入口烟温“(℃)≤220布袋除尘器运行阻力:≤1500(Pa ).设备耐压 Pa8500除尘器漏风率:( %)≤2有效过滤面积㎡ 1 2 2 0过滤风速:( m/min )0.7-0.9滤袋材质:耐 260 ℃高温,燃煤锅炉行业专业高效滤料滤袋使用寿命:( h)供方承诺质保 3 年脉冲阀使用寿命:(年)≥3 意大利(图尔波)( 100 万次以上)袋笼14 ~ 16 根筋,防腐(静电喷涂)花板厚度δ=6 mm, 光洁无毛刺,加工数控冲压成型除尘器本体厚度:( mm )≮5 有保温。
保温岩棉δ 75,彩钢瓦不小于0.5mm 蓝色除尘器灰斗厚度:( mm )≮8 灰斗有伴热装置,灰斗内装有位料计,灰斗有空气炮灰斗数量:个4清灰控制:定时、定阻并存,定时优先电器控制系统:西门子压缩空气系统:3m3/min 0.8MPa ,一用一备 4除尘器布置方式:除尘器灰斗积灰排放方式:与锅炉排渣系统联合除渣3.8 过滤滤袋选择我公司滤袋选择高硅氧滤袋,滤袋材质选用进口,按照其它耐高温过滤毡的生产工艺,生产加工的过滤材料,为耐高温过滤材料的主要品种之一。
其性能参数见下表:DCE931M- 燃煤锅炉行业专业高效滤料基本参数材质高硅氧(改性)纤维织纹双斜纹处理工艺PTFE 浸渍、覆膜厚度0.8 ±0.2成品重( g/m 2)760 ±15透气量( cm 3/m2.s) 3.6使用≤260强力经向≥3000温度℃瞬间纬向<280(N/50mm )≥3000经向<2推荐风速( m/min )<0.8伸长率纬向<2适用工况 /炉型电力、燃煤锅炉3.9 选用滤料的针对性说明1.布袋除尘器的使用主要在滤袋上,特别是在高温工况下,选用好的滤料对整体设备的使用至关重要,就本项目的锅炉烟气工况分析我公司选用DCE931M- 燃煤锅炉行业专业高效滤料。
2.耐高温可达到260 ℃以下正常使用,滤料对明火有一定的承受能力。
3.过滤精度高滤料密度高纤维间的孔隙小而均匀,能分离所有大多数直径的粉尘,所以烟尘净化效率高而稳定。
测试结果表明,总捕集效率也可达99.9% ,比普通针刺毡滤布过滤效率高,对粒径为0.01 ~1.0 μm 集尘效率也有较好的效率,这种粒径是国际社会要求严格控制的微细粉尘PM10 (可吸入粉尘)和PM2.5 (呼吸性粉尘),因此很容易实现小于30mg/Nm 3的排放。
4.孔隙率高滤料孔隙率高不易造成粉尘堵塞,足以使大量的气体通过。
5.易于清灰滤料由于PTFE处理后可减少了粉尘在表面的集聚,有利于粉尘剥离,因而可以减少清灰次数,延长清灰周期,节省压缩空气。
6.运行阻力低、使用寿命长滤料由于PTFE处理后粉尘在表面的集聚量少,因此减少了滤袋的维护量,延长了其使用寿命。
滤料压差稳定,系统阻力上升缓慢,可以长期平稳运行3.9.1 滤袋骨架:滤袋骨架防腐采用静电喷涂(黑色)3.10 采用设计标准(1)《中华人民共和国大气污染防治法》(2)《锅炉大气污染物排放标准》GB13271-2001(4)《工程机械焊接件通用技术条件》JB/T5943(6)钢结构 .非标设备 .管道涂装技术规程:BZO (TJ) 11-94(7)钢结构施工规范:GB50205-92(8)工业企业噪声控制设计标准:GB82-85(9)《袋式除尘器用滤料及滤袋技术条件》GB12625-90(10 )《分室反吹袋式除尘器技术条件》ZBJ88012-89(11 )《袋式除尘器用滤袋框架技术条件》GB/T 5917-91(12 )《电控设备第一部分低压电器电控设备》GB4720(13 )固定式钢梯及平台安全要求第 1 部分:钢直梯GB 4053.1(14 )固定式钢梯及平台安全要求第 2 部分:钢斜梯GB 4053.23.11 设计原则1)遵循技术成熟、先进、经济实用、运行可靠的原则,设计出第一流的除尘设备,满足与用户。
2)实现全过程的烟气净化,排放标准≤30mg/Nm 3。
3)采用低阻、中温、大流量技术,确保除尘系统稳定运行。
4)采用最佳实用技术与设备。
5)合理设计除尘器进口流速及各部尺寸的比例协调,达到低阻、高效的运行效果,将压力损失稳定在 1200Pa 以下。
6)合理设计布袋除尘器过滤风速,提高布袋使用寿命和稳定运行。
四、供货范围:(1)除尘器本体、底部支架、平台、梯子、护栏、检修门、安全设施等。
(2 )脉冲阀、离线提升阀、滤袋、滤袋骨架、喷吹系统、一次仪表、电器元件、控制部分等。
(4)除尘器全套基础螺栓等。
(5)除尘器下锥体辅助系统等。
(6)除尘器旁路及膨胀节等(7)电控装置能够实现自动高效控制(PLC 程序),设备连锁,自动检测,自动启停,留有远程控制接口,带键盘,液晶显示。
五、项目其他要求:(1)土建部分供方提供主体总吨位,需方另行委托设计风载,雪载及地震载荷由土建专业考虑施工。
(2)需方负责将动力电缆(380V/50Hz )敷设至供方提供的进线柜,其余由乙方负责。
(3)需方提供控制信号接点至设备指定点。
六、设备分交界面:1.供方负责除尘器设备本体制造;除尘器烟气进口至出口配对法兰之间;自地脚板之上的设计、安装、调试;2.供方负责喷吹系统用压缩空气储气罐入口配对外法兰以内的设计、安装、调试;3.需方负责将电缆送电至除尘电气室的电源进线柜总开关上口;4.供方负责包括电源柜在内的所有电气总成。
除尘器以外的低压电气由需方接线到供方的PLC 柜预留接口处。
除尘器低压电气到PLC 柜、PLC 柜到显示屏之间均由供方负责供货、接线安装,同时供方负责整套系统所有电气的编程。
七、电器控制及设置说明:7.1 控制方式1.操作方式采用集中联动、手动控制、机旁单动控制三类控制方法。
2.控制模式: PLC 与显示屏采用以太网通讯控制;PLC 采用端子方式控制设备;4.除显示屏显示和调整外,常用主要参数经数显表显示和调整设备调整。