单级离心泵检修工序卡
- 格式:xls
- 大小:33.00 KB
- 文档页数:2
IEJ单级离心泵检修操作规程概述IEJ单级离心标准化工泵为卧式,单吸、单级、悬臂式离心泵。
安装和使用前,请核实泵铭牌上的型号、位号、流量、扬程、转速、过流件材质。
在运输和存放期间以及安装管路之前,泵进出口法兰、各螺纹接口都必须封住,以防杂物进入!!结构1、单级离心标准化工泵主要由泵体、叶轮、轴、轴套、泵盖、轴承箱部件和悬架支架等部件组成。
2、IEJ型化工标准流程泵叶轮与泵轴用右螺纹固定,叶轮端面设0型圈,进行可靠的密封,防止腐蚀性介质腐蚀泵轴。
(CZ型化工标准流程泵叶轮与泵轴采用并帽固定。
中间加四氟垫片密封。
)3、前后轴承压盖轴孔处用非接触式迷宫密封,最下方有回油沟,能有效地防止润滑油外漏。
注意两个轴承盖外侧的箭头应在顶部,以保证回油沟和回油孔均在最下方。
安装●整机就位、找平和灌浆1、将地脚螺栓插入泵底座的螺栓孔内,套上垫圈,拧上螺母。
将垫铁插入底座与基础之间,尽量靠近地脚螺栓的两侧,将水平仪放在泵进出口法兰上进行找平。
横向水平度允差为0、1mm/m,纵向水平度允差为0、05mm/m;2、向地脚螺栓顶留孔灌浆,混凝土凝固后,拧紧地脚螺栓上的螺母,再检查水平度并校正;3、用无收缩水泥砂浆向泵底座内进行二次灌浆,混凝土应灌满底座下的整个空间。
对焊接底座应灌注到槽钢底座的上表面。
●装联轴器1、因IEJ型泵的叶轮与轴用右旋螺纹连接,严禁泵反转,因此应先检查电动机转向正确后(从泵壳处看,应为与蜗壳的旋向一致),再装联轴器;(如图2)2、用百分表测量两联轴器同心度,轴向和径向偏差应≤0、05mm.●配管1、靠近泵的进出管道上应有可靠的固定,避免管道重量和管道热应力作用在泵上2、 连接轴封辅助管路和轴承座水冷管路。
注意轴封进水在下部,出水在顶部;3、泵高于液面时应在吸入管端装底阀,并在排出管路上设灌液支管和阀门,供起动泵灌液之用。
运 行1、为止;2、 检查轴封及冷却水;3、 用手转动联轴器,应轻重均匀,泵内无磨擦声。
离 心 泵 检 修 工 艺 卡编 号:检修性质: 设备编号: 检修单位: 工作负责人: 检修时间:编制: 审核: 批 准:2007-06-15发布 2007-06-30实施河南華潤電力古城有限公司China Resources (Henan) Power Gucheng Co. Ltd.1.目的1.1 规范检修行为,确保脱硫离心泵检修质量符合检修规程规定要求。
1.2 本检修文件包所规定的程序为所有参加本项目的工作人员所必须遵循的质量保证程序。
2 适用范围2.1 适用于脱硫离心泵的检修工作。
3 概述3.1概述3.1.1脱硫系统离心泵包括:滤布/滤饼冲洗水泵:IHE 50-32-250 襄樊525泵业有限公司石灰石浆液泵50ZJA-I-A33A 淄博华成泵业有限公司石膏排出泵50ZJA-I-A50A 淄博华成泵业有限公司石膏浆液输送泵50ZJA-I-A33A 淄博华成泵业有限公司废水旋流泵40ZJA-I-A17A 淄博华成泵业有限公司事故浆液返回泵65ZJA-I-A30 淄博华成泵业有限公司吸收塔区排水坑泵50ZJLA-20T1 淄博华成泵业有限公司浆液制备/石膏脱水区排水坑泵50ZJLA-20T2 淄博华成泵业有限公司回收水泵80ZJA-I-A36 淄博华成泵业有限公司工艺水泵IS125-80-200Z 淄博华成泵业有限公司除雾器清洗水泵IS100-65-250A 淄博华成泵业有限公司水环式真空泵CBF300-2BV3-1Y490 广东省佛山水泵厂2007年1月17日168小时试运结束正式投运。
3.1.2 本次检修停工待检点:H 点,见证点:W点。
4引用文件厂家图纸、厂家说明书、《河南华润电力古城有限公司脱硫检修规程》。
5 修前准备5.1 安全措施及检修工作票□ 5.1.1严格依照《电业安全工作规程》,作好安全防护措施。
□ 5.1.2 严格执行检修管理制度, 开工前认真办理工作票。
5.2 备品备件□ 5.2.1 本次检修所需要备品及易耗品准备叶轮、耐磨板、机械密封、转子部件、联轴器、油位指示器5.3工具□ 5.3.1工具12″扳手2把、100MM螺栓刀1只、100mm扁铲1只、毛刷1只、20mm铜棒1只、2P手锤1只、1M撬扛2根、记号笔1只、拆轴承箱专用工具、内六角扳手1套、10P大锤1只、46呆板子2把、水平仪1只、百分表4只、百分表座4只、0.5T手动葫芦1个、300mm游标卡尺1把、离心泵检修专用工具2套、离心泵转子支架1套、2T手动葫芦1只、敲击扳手36#5.4检修前准备工作□ 5.4.1工作票已办理,检修设备安全隔离措施已确认。
内蒙古中煤蒙大新能源化工有限公司甲醇项目部单级离心泵检修规程(试行版)检修维护中心单级离心泵检修作业规程审批页: 01页-状态卡: 02-03页-动作卡: 04-11页-附件:单独提供工程验收确认检修时间:检修负责人:装置设备技术员:机动处主管技术员:状态卡000 检修前准备010 确认泵已经具备安全拆卸的条件100 电机与泵体之间的联轴器护罩拆卸,复查对中并作好记录,拆卸联轴器110 拆除泵体上的相连冷却书、密封水管线、排放管线120 泵头拆离泵体并解体130 泵径向支撑结构、密封结构拆卸、泵体解体200 泵内部支撑结构、配合间隙、密封结构的检查测量210 依据检查结果确定以下修复方案(双方或三方),明确修复目标与范围、深度220 执行修复方案300 泵体回装前的确认检查310 复核实际加工完的最终尺寸320 泵体开始组装400 泵头运回泵房现场复位410 电机与泵体之间同轴度调整420 联轴器回装、联轴器护罩回装430 进液与排出管线法兰回装、附属冷却水、密封水管线回装510 机泵试车520 办理交工验收手续动作卡000 检修前准备001 B-( ) 检修施工的时间安排(进度统筹)已经确定;002 B-( ) 检修所需的零配件和相应的材料已备齐;003 B-( ) 检查检修专用工具器具和经检验合格的量具已备齐;B-< > 对起吊设施进行检查,应符合安全规定;签字( ) 004 B-( ) 查阅停机前泵各部位振动值、轴承温度、泄漏情况;005 B-( ) 查阅上次检修资料和有关图纸,准备好最新版本的检修作业规程;010 办理施工作业票011 B-( ) 施工作业票已经按规定程序办理审批好;B-< > 确认施工作业票规定的内容已经全部落实;签字( ) 020 确认泵已经具备安全拆卸的条件021 B < >-C < > 确认驱动电机断电;签字 ( ) ( ) 022 B-< >-C < > 确认泵体出口阀和入口阀已经完全切断,及泵泄压完毕无余压;签字( )100 电机与泵体之间的联轴节拆检,复查对中101 B-[ ] 拆卸联轴器护罩;102 B-[ ] 使用合适的套筒或梅花扳手一对拆卸联轴器螺栓,脱开联轴器并做好标记;检查联轴器螺栓有无咬扣、变形、断裂等损伤,螺栓与孔的配合间隙≮0.02mm;检查联轴器直口有无打堆的现象。
单吸离心泵与双吸离心泵检修步骤及方法一、单吸离心泵的检修:(一)、解体步骤:(1)、先将泵盖和泵体上的紧固螺栓松开,将转子组件从泵体中取出。
(2)、将叶轮前的叶轮螺母松开(螺母拆卸的旋转方向应与泵的旋转方向一致),即可取下叶轮(叶轮键应妥善保管好)。
(3)、取下泵盖和轴套,并松开轴承压盖,即可将轴从悬架中抽出(注意在用铜棒敲打轴头时,应戴上叶轮螺母以防损伤螺纹)。
(二)、装配顺序:(1)、检查各零部件有无损伤,并清洗干净;(2)、将各连接螺栓、丝堵等分别拧紧在相应的部件上;(3)、将“O”形密封圈及纸垫分别放置在相应的位置;(4)、将密封环、水封环及填料压盖等依次装到泵盖内;(5)、将轴承装到轴上后,装入悬架内并合上压盖,将轴承压紧,然后在轴上套好挡水圈(注意轴承端盖的方向);(6)、将轴套在轴上装好,再将泵盖装在悬架上,然后将叶轮、止动垫圈、叶轮螺母等依次装入并拧紧,最后将上述组件装到泵体内并拧紧泵体、泵盖的连接螺栓。
(7)、在上述过程中,对平键、挡油环、挡水圈及轴套内的“O”形密封圈等小件易遗漏或错装,应特别引起注意。
二、双吸泵的解体步骤:1、分离泵壳:(1)、拆除联轴器销子,将水泵与电机脱离。
(2)、拆下泵结合面螺栓及销子,使泵盖与下部的泵体分离,然后把填料压盖卸下。
(3)、拆开与系统有连接的管路(如空气管、密封水管等),并用布包好管接头,以防止落入杂物。
2、吊出泵盖:(1)、检查上述工作已完成后,即可吊下泵盖。
(2)、起吊时应平稳,并注意不要与其它部件碰磨。
3、吊转子:(1)、将两侧轴承体压盖松下并脱开。
(2)、用钢丝绳拴在转子两端的填料压盖处起吊,要保持平稳、安全。
转子吊出后应放在专用的支架上,并放置牢靠。
4、转子的拆卸:(1)、将泵侧联轴器拆下,妥善保管好连接键。
(2)、松开两侧轴承体端盖并把轴承体取下,然后依次拆下轴承紧固螺母、轴承、轴承端盖及挡水圈。
(3)、将密封环、填料压盖、水封环、填料套等取下,并检查其磨损或腐蚀的情况。
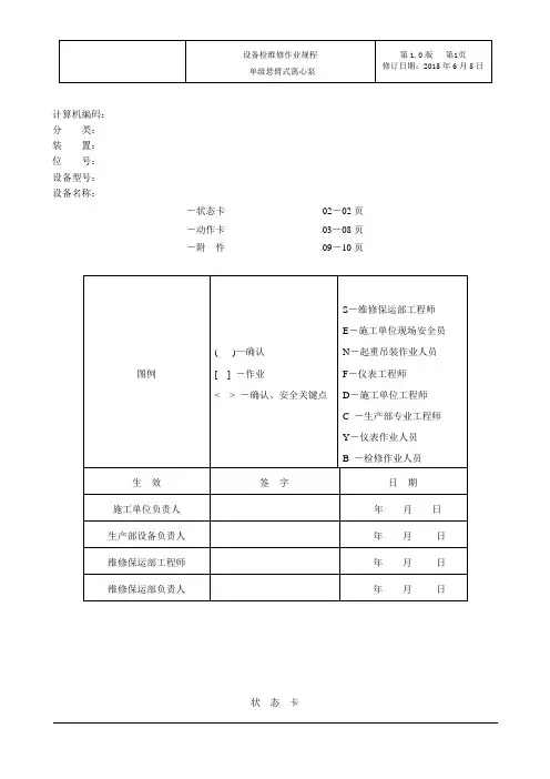
计算机编码:分类:装置:位号:设备型号:设备名称:-状态卡02-02页-动作卡03-08页-附件09-10页状态卡准备阶段000检修前准备010办理转动设备检修及风险评价作业票020确认机泵已经具备安全拆卸的条件检修阶段100拆卸联轴器110拆卸轴承箱,检查轴承及主轴磨损情况120拆卸并检查机械密封130拆卸泵体大盖140拆卸并检查叶轮、主轴200组装转子并进行测量210回装主轴、叶轮220回装泵体大盖230 测量转子窜动量240回装机械密封、轴承箱250回装联轴器、泵体找同心度交工阶段300现场清扫310泵试车及验收动作卡准备阶段000检修前准备001B-[]检修所需要的零配件和相应的材料已经确定002B-[]检修专用工具和经检验合格的量具已经备齐003B-[]停机前的振动值、轴承温度、压力均进行测量记录004B-[]了解机泵运行中存在的问题005B-[]查阅上次检修的资料和有关图纸,准备最新版本的检修作业规程010办理转动设备检修及风险评价工作票011B-[]作业票已经按规定程序办理审批完毕012B-<>作业票规定的内容已经全部落实签字B()020确认机泵已经具备安全拆卸的条件021B-<>-C-<>确认电机已经停电022B-<>-C-<>确认泵出、入口阀门已经关闭,泵体放空完毕签字B()C()检修阶段100拆卸联轴器101B-[]拆卸联轴器护罩102B-[]拆卸对轮螺栓,用专用拉力器拉出泵侧对轮103B-[]检查联轴器磨损情况签字B()110 拆卸泵体大盖111 B-[]拆卸泵体大盖与泵体连接螺栓112 B-[]拆卸平衡管活接,取下平衡管113 B-[]用专用吊架吊出泵体大盖120拆卸并检查叶轮、主轴121B-[]用拉力器拉出叶轮122B-[]检查叶轮流道及叶轮磨损、腐蚀情况签字B()130拆卸并检查机械密封131B-[]拆卸前、后密封压盖螺栓,取下密封压盖及静环132B-[]拆卸前、后密封轴套锁紧螺母,用专用拉力器拉出轴套及动环组件133B-[]检查密封磨损情况签字B()140拆卸轴承箱141B-[]拆卸前、后挡油环及轴承压盖,取出甩油环142B-[]拆卸前、后轴承箱与泵体连接螺栓及冷却水管活接,取下轴承箱143 B-[]拆卸前、后轴承止退垫圈及轴承锁紧螺母,连同轴承套和轴承一起取下144 B-[]检查轴承磨损情况签字B()200组装转子并进行测量(以下表内数据均为测量三次所取平均值)201B-[]组装叶轮,检测转子轴向及径向跳动轴的直线度径向及端面圆跳动签字B()202B[]-C()叶轮更换、车削及口环间隙调整后数据测量)203B-[]叶轮更换、车削后间隙测量210 测量转子窜动量211 B-[]将转子推到一端极限位置,把百分表放在轴头上,然后将转子推到另一端极限位置,百分表上的读数即为转子的总窜量212 B-[]将前、后轴承及轴承箱装上,不上轴承压盖,重复上述步骤,得到的窜量即为二次窜量,应为总窜量的一半213 B-[]上紧压盖后为三次定心,轴承压盖与止推轴承外圈的轴向间隙应为0.02~0.06mm214 B-[]窜量调整好后将前后轴承箱220回装机械密封、轴承箱(以下表内数据均为测量三次所取平均值)221B-[]将静环及密封圈安装于压盖内,注意静环尾部防转槽与防转销顶部应留有1~2mm的轴向间隙222B-[]将弹簧托、弹簧、动环及密封圈装于轴套上,检查辅助密封无损伤,密封圈间隙合适223B-[]将轴套装入轴上,调整好压缩量后将弹簧托固定,压缩量应在4~6mm之间224B-[]装入轴套密封圈,上紧轴套锁紧螺母225B-[]装入密封压盖,压盖与轴套的直径间隙为0.75~1mm,压盖与密封腔间的垫片厚度为1~2mm,上紧压盖应在找正之后进行226 B-[]将轴承加热装入轴承套中,加热温度不应超过120℃227 B-[]将轴承套连同轴承一起装在轴上,上紧锁紧螺母及止退垫圈228 B-[]安装轴承箱并上紧连接螺栓229 B-[]将甩油环装入轴承箱中,上紧轴承压盖,上紧挡油环,回装冷却水管签字B()230回装泵体大盖(以下表内数据均为测量三次所取平均值)231 B-[]用专用吊架将泵体大盖装入泵体内232 B-[]上紧泵体大盖与泵体连接螺栓及平衡管)240泵体找同心度(以下表内数据均为测量三次所取平均值)241 B-[]回装泵侧对轮,上紧联轴器连接螺栓242 B-[]D-()调整电机与泵的同轴度联轴器同轴度要求:联轴器两端面轴向间隙一般为2~6mm泵-签字B()D()243B-[]回装联轴器护罩交工阶段300现场清扫301B-[]回收更换的配件,送回库房302B-[]回收工具303B-[]清扫检修现场,擦拭检修后的机泵310试车及验收311B-<>封工作票312B-[]联系生产装置,由生产装置进行试车313B-()D-()检查运行参数签字B()D()314B-()C-()机泵运行合格签字B()C()附录1、主要技术参数及联锁报警值:入口压力(MPa):出口压力(MPa):入口温度(℃):操作出口温度(℃):流量: (m³/hr):额定功率(Kw):操作转速:总效率:转向:级数: 1附件1、检修更换主要备件:2、改造情况:3、检修后遗留的问题:。
单级离心泵的检修过程及标准下载温馨提示:该文档是我店铺精心编制而成,希望大家下载以后,能够帮助大家解决实际的问题。
文档下载后可定制随意修改,请根据实际需要进行相应的调整和使用,谢谢!并且,本店铺为大家提供各种各样类型的实用资料,如教育随笔、日记赏析、句子摘抄、古诗大全、经典美文、话题作文、工作总结、词语解析、文案摘录、其他资料等等,如想了解不同资料格式和写法,敬请关注!Download tips: This document is carefully compiled by the editor. I hope that after you download them, they can help yousolve practical problems. The document can be customized and modified after downloading, please adjust and use it according to actual needs, thank you!In addition, our shop provides you with various types of practical materials, such as educational essays, diary appreciation, sentence excerpts, ancient poems, classic articles, topic composition, work summary, word parsing, copy excerpts,other materials and so on, want to know different data formats and writing methods, please pay attention!单级离心泵是工业领域中常见的一种泵类,它在各种领域中被广泛应用,如工业生产、建筑工程、农业灌溉等。
单吸离心泵和双吸离心泵检修步骤及方法1.拆卸吸入管道:首先关闭进口阀门,然后拆卸吸入管道。
2.检查泵体或抽水壳及叶轮:检查是否有裂纹、磨损或腐蚀等情况,如有需要及时进行修复或更换。
3.拆下叶轮:使用专用工具将安装在泵轴上的叶轮拆卸下来,检查叶轮的磨损状况,并进行修复或更换。
4.检查泵轴和轴承:检查泵轴和轴承的磨损情况,如有需要进行修复或更换。
5.清洗泵体和叶轮:使用清洁剂和刷子清洗泵体和叶轮,并彻底冲洗干净。
6.检查密封件:检查泵体的密封件是否磨损,如有需要进行更换。
7.组装:按照逆序组装泵体和叶轮,确保装配的准确性和稳固性。
8.检查和测试:组装完成后,连接进口管道并打开进口阀门,进行泵的启动和运行测试,检查各项指标是否符合要求。
1.拆卸进口和出口管道:关闭泵进口和出口阀门,拆卸进口和出口管道。
2.清洗泵体和叶轮:使用清洁剂和刷子清洗泵体和叶轮,并彻底冲洗干净。
3.检查泵体或抽水壳及叶轮:检查是否有裂纹、磨损或腐蚀等情况,如有需要及时进行修复或更换。
4.拆下叶轮:使用专用工具将安装在泵轴上的叶轮拆卸下来,检查叶轮的磨损状况,并进行修复或更换。
5.检查泵轴和轴承:检查泵轴和轴承的磨损情况,如有需要进行修复或更换。
6.检查密封件:检查泵体的密封件是否磨损,如有需要进行更换。
7.组装:按照逆序组装泵体和叶轮,确保装配的准确性和稳固性。
8.检查和测试:组装完成后,连接进口管道并打开进口阀门,进行泵的启动和运行测试,检查各项指标是否符合要求。
总结:单吸离心泵和双吸离心泵的检修步骤大致相似。
在检修过程中,需要注意的是保持泵体清洁,检查和处理磨损情况,以及正确安装和组装泵部件。
另外,在组装后需要进行测试和调试,确保泵的正常运行。
根据具体的泵的特点和制造商提供的检修说明,还需根据实际情况采取相应的措施。
单级离心泵检修作业指导书
单级离心泵检修作业指导书主要包括以下步骤:
1. 准备工具和资料:在检修前,需要准备好相应的工具和资料,例如检修工具、测量仪器、离心泵说明书等。
2. 切断电源:在开始检修前,必须先切断离心泵的电源,以确保安全。
3. 检查泵的基础:检查离心泵的基础是否牢固,是否有异常声音或振动。
4. 检查泵的外观:检查离心泵的外观是否完好,是否有明显的磨损或损坏。
5. 检查泵的附件:检查离心泵的附件是否完好,例如轴承、密封件、螺丝等。
6. 检查泵的转动部分:检查离心泵的转动部分是否灵活,是否有卡滞现象。
7. 检查泵的润滑系统:检查离心泵的润滑系统是否正常,油位是否合适。
8. 更换磨损件:如果发现有明显的磨损或损坏件,需要及时更换。
9. 试运行:在检修完成后,需要对离心泵进行试运行,检查是否有异常声音或振动。
10. 记录检修情况:在检修过程中,需要记录检修情况,例如更换了哪些配件、进行了哪些调整等。
这有助于后续的维护和检修工作。
需要注意的是,在检修过程中,必须遵守安全操作规程,确保人身安全和设备安全。
同时,也需要注意配件的质量和规格,以免影响离心泵的正常运行和使用寿命。
目录1 总则 (2)1.1 适用范围 (2)1.2 结构简述 (2)1.3 技术性能 (2)2. 完好标准 (3)2.1 零、部件 (3)2.2 运行性能 (3)2.3 技术资料 (3)2.4 设备及环境 (3)3. 设备的维护 (3)3.1 日常维护 (3)3.2 定期检查内容 (3)3.3 常见故障处理方法 (4)3.4 紧急情况停车 (4)4. 检修周期和检修内容 (4)4.1 检修周期 (4)4.2 检修内容 (4)5. 检修方法及质量标准 (5)5.1 泵体及底座 (5)5.2 泵轴及轴套 (5)5.3 叶轮 (5)5.4 转子部分拆装 (5)5.5 滚动轴承 (7)5.6 滑动轴承 (7)5.7 密封装置 (7)5.8 联轴器 (8)6. 试车与验收 (8)6.1 试车前准备工作 (8)6.2 试车 (8)6.3 验收 (8)7 维护检修安全注意事项 (9)7.1 维护安全注意事项 (9)7.2 检修安全注意事项 (9)7.3 试车安全注意事项 (9)1 总则1.1 适用范围本规程适用于化工企业吸入口径小于600mm、型号为IS、IH、Sh型的单级单吸和单级双吸离心泵的维护和检修。
亦可用于BA型、F型离心泵的维护和检修。
其它相似类型的泵可作参考。
1.2 结构简述单级离心泵主要由泵体、泵盖、叶轮、轴和托架等部件组成。
单吸泵的叶轮安装在轴端呈悬臂式,轴线端面进水,排出口与泵的轴线垂直。
双吸泵的泵体为水平剖分式,叶轮采用双吸式叶轮,由两端轴承支承、吸入口与排出口均在泵体上,成水平方向与泵体垂直。
电动机通过联轴器直接驱动泵。
1.3 技术性能1.3.1 IS型、IH型单级单吸离心泵主要性能见表1。
2.1 零、部件2.1.1 泵本体及各零、部件完整齐全。
2.1.2 基础螺栓及各连接螺栓齐全、紧固。
2.1.3 安全防护装置齐全、稳固。
2.1.4 压力表、电流表等仪表齐全、灵敏,量程符合规定,并定期校验。
单级双吸离心泵维护与检修工艺方法一、维护工艺方法1.定期检查泵的各个连接部位,包括电机与泵的连接、泵体与进出口法兰盘的连接、法兰盘螺栓的紧固情况等。
如有松动现象,应及时进行紧固。
2.定期检查泵的轴、轴承等运转部件,确保其光滑无阻,如有异常情况,应及时清除杂质。
3.定期检查和更换密封件。
泵的密封件是保证泵的密封性能的关键部件,如有泄漏现象,应及时更换。
4.定期对泵的液压装置进行检查和维护,包括泵的进出口阀门、压力表、泄压装置等,确保泵的液压系统正常工作。
5.定期清洗泵的各个部位,包括泵体、叶轮、滑轮等。
清洗过程中应注意避免使用尖锐硬物,以免损坏泵的表面。
6.定期进行润滑。
根据泵的使用情况和润滑要求,选择合适的润滑剂进行润滑,确保运转部件的顺畅运转。
1.首先,将离心泵的进出口阀门关闭,并切断电源,确保安全。
然后,拆下泵的进出口法兰盘,将泵体与电机分开。
2.拆下泵体后,检查叶轮是否有磨损等情况,如有磨损,应进行修复或更换。
3.检查轴承是否发生异常,如有异常,应及时更换。
4.彻底清洗泵体内部的杂质,特别是吸入口处常容易积累污垢,应仔细清理。
5.检查泵的密封件是否磨损,如有磨损,应及时更换。
6.同时,对泵的电机进行检查,包括电机的绝缘情况、电流的平衡等。
如有异常,应及时处理。
7.在检修完成后,重新组装泵的各个部件,并进行试运转。
试运转时,应注意泵的运转方向和电机的电源接线。
维护与检修过程中,应注意安全操作,避免对工作人员和设备造成伤害。
另外,应保持工作环境的整洁和卫生,避免杂物污染泵及工作区域。
及时记录下维护和检修的情况,以便后续分析和参考。
最后,建议根据具体情况制定维护与检修计划,定期进行维护与检修,以保证单级双吸离心泵的正常运行和延长使用寿命。
S型单级双吸清水离心泵检修规程模版一、概述本文档旨在规范S型单级双吸清水离心泵的检修工作,确保泵的正常运行和延长使用寿命。
检修工作包括泵的拆卸、清洗、零部件更换、润滑和组装等环节。
二、检修前准备1. 停机准备a. 关闭泵的进、出口阀门;b. 切断电源,确保泵完全停机;c. 周围区域清理干净,确保安全。
2. 工具和材料准备a. 准备所需的常用工具,如扳手、螺丝刀等;b. 准备所需的零部件和润滑剂。
三、泵的拆卸1. 拆卸进、出水管道连接件;2. 拆卸泵的联轴器和电动机;3. 拆卸吸入、排出侧的连接法兰;4. 拆卸法兰连接螺栓。
四、泵的清洗1. 清洗泵的外表面,去除泥土和灰尘;2. 使用清洁剂清洗泵的内部零部件;3. 用清水冲洗泵的内部,确保彻底清洁;4. 将零部件晾干。
五、零部件更换1. 检查泵的轴承和密封件,如有损坏需更换;2. 拆卸叶轮和叶轮盖板,清洗叶轮并更换磨损严重的部分;3. 检查泵的轴、轴套和衬套,如有磨损需更换。
六、润滑1. 涂抹轴承和轴套的润滑脂;2. 涂抹泵的轴封处润滑油。
七、泵的组装1. 安装轴和轴套,注意调整轴的位置;2. 安装叶轮和叶轮盖板,确保定位正确;3. 安装法兰连接螺栓,顺序按照规定进行紧固;4. 安装吸入、排出侧的连接法兰;5. 安装泵的联轴器和电动机;6. 连接进、出水管道。
八、试运行1. 开启进、出口阀门;2. 接通电源,启动泵;3. 检查泵是否正常运行,有无异常声音和震动;4. 检查进、出水压力是否正常。
九、检修结束1. 停止泵的运行,切断电源;2. 清理工作现场,保持整洁;3. 对检修后的泵进行记录和报告。
以上即为S型单级双吸清水离心泵的检修规程模版,按照此规程进行检修,能够确保泵的正常运行和延长使用寿命。
请按照实际情况做出相应的调整和补充。
单级悬臂式离心泵型号:--状态卡 02-03 页--动作卡 04-14 页--附件 15-18 页计算机编码:验收确认:检修负责人:检修班组质量员验收:车间质量员验收:装置设备负责人:状态卡000 检修前准备;010 办理施工作业票;100 拆除泵体各部位的水线,油标,压力表等;110 拆除电机与泵之间的联轴器短节,检查对中;120 拆卸泵大盖,整体拆下转子和轴承箱部件;130 将转子和机械密封部件解体;140 将轴承箱部件解体;200 清扫并检查泵壳,泵大盖;210 清洗并检查轴承箱;220 清洗并检查所有轴承;230 清洗并检查油封和机械密封;240 清洗并检查转子部件;300 回装前准备,确认;310 将轴承箱部件组装到主轴上;320 将机封、泵大盖和轴承箱部件组装到轴上;330转子回装;400 联轴器回装;410 检查泵与电机的对中情况;420 附属管线回装;500 现场清扫;510机泵试车及验收;动作卡000 B-()检修前准备;001 B-()查阅停机前泵各部位振动值,轴承温度。
002 B-()查阅上次检修资料和有关图纸,准备检修作业规程。
003 B-()检修施工的主修人员、检修进度及检修原因、项目已经确定。
)004 B-< > 对起吊设施进行检查,应符合安全规定。
)005 B-()检修所需的零配件和相应的材料已备齐。
006 B-()检查检修专用工具和经检验合格的量具,器具已备齐。
010 办理施工作业票及办理作业风险评估报告;011 B-()施工作业票已按规定程序办理审批好。
B-< > 确认施工作业票规定的内容已经全部落实确认电机电源已经切断。
确认机泵出入口阀门关闭。
临时用电票,临时火票办理完毕。
确认泵体温度降低到40℃以下。
签字()012 B-< >-D< > 参加检修人员已经进行了安全教育。
签字()()013 B< >-D< > 办理作业风险评估报告。