邻苯二甲酸二丁酯理化特性及危险特性(新)
- 格式:doc
- 大小:53.50 KB
- 文档页数:1
白酒中邻苯二甲酸二丁酯有何危害?2012年11月19日有媒体报道,国内相关实验室的检测报告显示,酒鬼酒中检测出3种塑化剂成分,分别为邻苯二甲酸二(2-乙基)己酯(DEHP)、邻苯二甲酸二异丁酯(DIBP)和邻苯二甲酸二丁酯(DBP)。
其中,酒鬼酒中邻苯二甲酸二丁酯的含量为1.08㎎/㎏。
2011年6月卫生部签发的551号文件《卫生部办公厅官员通报食品及食品添加剂中邻苯二甲酸酯类物质最大残留量的函》,规定邻苯二甲酸二丁酯的最大残留量为0.3㎎/㎏,酒鬼酒中的塑化剂邻苯二甲酸二丁酯被认为超标260%。
相关报道认为长期食用塑化剂超标的食品,会损害男性生殖能力,促使女性性早熟以及对免疫系统和消化系统造成伤害,甚至会损害人类基因。
2012年11月20日媒体披露,中国酒业协会在2012年8月20日的《关于白酒产品塑化剂有关问题的说明》中指出,通过对全国白酒产品大量全面的测定,白酒产品中基本上都含有塑化剂成分。
其中高档白酒含量较高,低档白酒含量较低。
鉴于白酒在我国有巨大的消费群体,白酒中塑化剂是否能够导致健康危害,引人注目。
何为塑化剂?塑化剂是邻苯二甲酸形成大约30种酯类的统称,常温下为无色透明的油状液体,难溶于水,易溶于甲醇、乙醇、乙醚等多种有机溶剂。
邻苯二甲酸酯可通过呼吸道、消化道和皮肤吸收进入人体。
19世纪30年代以来,邻苯二甲酸酯被广泛应用于塑料增塑剂,还可用于农药载体、驱虫剂、化妆品、润滑剂和去污剂的生产原料。
过去一直认为邻苯二甲酸酯化合物的毒性低而毫无限制的生产与使用,在欧、美、日本等发达国家, 每人每年消耗的塑料达50-60公斤之多。
在各种塑料制品中, 特别是在聚氯乙烯塑料制品中, 为了增加塑料的可塑性和提高塑料的强度, 需要添加邻苯二甲酸酯,其含量有时可达产品的50%。
邻苯二甲酸酯与塑料分子的相容性很好,但是两者间没有紧密的化学键结合,彼此保持着独立的化学结构,因此当塑料制品接触到食品中的水、脂肪时,其中的邻苯二甲酸酯便会溶入其中。
邻苯二甲酸二丁酯 MSDS将泄漏物收集到中,密闭妥善处理。
大量泄漏:构筑围堤或挖坑收容。
用泡沫、雾状水或雾状干粉扑灭火源,避免使用水直接冲洗泄漏物。
泄漏物处理后,应根据当地法规妥善处置。
第七部分:操作处置与储存操作注意事项:操作时应佩戴个人防护装备。
避免接触皮肤和眼睛。
操作后及时洗手、淋浴换衣。
操作场所应配备应急处理设备和材料。
储存注意事项:储存于阴凉、干燥、通风良好的库房内,远离火源、热源。
储存区应设有防漏设施,避免与氧化剂、强酸、强碱等混储。
第八部分:接触控制/个体防护呼吸系统防护:如操作过程中产生粉尘、气体或雾,应佩戴防尘口罩或防毒面具。
眼睛防护:戴化学安全护目镜。
皮肤防护:穿戴防护服、防化服等个人防护装备,避免接触皮肤。
手防护:戴化学防护手套。
第九部分:理化特性外观与性状:无色透明液体。
相对密度(水=1):1.044熔点/冰点(℃):-35沸点/沸程(℃):340闪点(℃):177蒸气压(kPa):0.0001(20℃)溶解性:不溶于水,易溶于乙醇、乙醚等有机溶剂。
主要危害:对皮肤、粘膜有刺激作用,可引起过敏、神经炎等症状。
第十部分:稳定性和反应活性稳定性:稳定。
避免接触的物质:强氧化剂、强酸、强碱等。
危险反应:遇明火、高热可燃。
与氧化剂能发生强烈反应。
邻苯二甲酸二丁酯是一种有害化学品,常用于塑料、橡胶等行业。
本说明书分为十个部分,包括化学品名称、成分信息、危险性概述、急救措施、消防措施、泄漏应急处理、操作处置与储存、接触控制/个体防护、理化特性和稳定性反应活性等方面的内容。
其中,化学品名称部分介绍了邻苯二甲酸二丁酯的中英文名称、技术说明书编码、CAS No。
分子式和分子量等信息。
成分信息部分主要介绍了该化学品的有害物成分、毒理学资料、生态学资料和废弃处置等内容。
危险性概述部分详细介绍了该化学品的健康危害和燃爆危险等方面的信息。
在急救措施部分,说明了皮肤接触、眼睛接触、吸入和食入等情况下的应急处理方法。
邻苯二甲酸二甲酯安全周知卡危险性类别可燃品名、英文名及分子式、CC码及CAS号邻苯二甲酸二甲酯Dimethyl-o-phthalateC10H10O4CAS号:131-11-3危险性理化数据熔点(℃):2 闪点:146沸点(℃):283.7相对密度(水=1):1.19(25℃)饱和蒸气压(kPa):0.13(100.3℃)危险特性本品为无色、无臭、耐光的稳定液体。
遇高热、明火或与氧化剂接触,有引起燃烧的危险。
接触后表现健康危害:本品无皮肤刺激和过敏作用。
大剂量可引起麻醉作用,误服可引起胃肠道刺激,中枢神经系统抑制、麻痹、血压降低。
人接触后可能会引起多发性神经炎。
现场急救措施皮肤接触:脱去污染的衣着,用流动清水冲洗。
眼睛接触:立即翻开上下眼睑,用流动清水冲洗。
吸入:脱离现场至空气新鲜处。
呼吸困难时给输氧。
呼吸停止时,立即进行人工呼吸。
就医。
食入:误服者给饮足量温水,催吐,就医。
身体防护措施泄漏处理及防火防爆措施切断火源。
应急处理人员戴自给式呼吸器,穿工作服。
在确保安全情况下堵漏。
用砂土或其它不燃性吸附剂混合吸收,然后收集运至废物处理场所。
或在保证安全情况下,就地焚烧。
如大量泄漏,利用围堤收容,然后收集、转移、回收或无害处理后废弃。
雾状水、泡沫、二氧化碳、干粉、砂土。
浓度MAC(mg/m3):未制订标准当地应急救援单位名称市消防队:119市人民医院:120当地应急救援单位电话消防队:119人民医院:120危险性标志邻苯二甲酸二甲酯职业病危害告知卡作业场所存在邻苯二甲酸二甲酯,对人体有损害,请注意防护邻苯二甲酸二甲酯Dimethyl-o-phthalate健康危害理化特性本品无皮肤刺激和过敏作用。
大剂量可引起麻醉作用,误服可引起胃肠道刺激,中枢神经系统抑制、麻痹、血压降低。
人接触后可能会引起多发性神经炎。
不溶于水,溶于普通溶剂。
遇高热、明火或与氧化剂接触,有引起燃烧的危险。
应急处理皮肤接触:脱去污染的衣着,用流动清水冲洗。
邻苯二甲酸二异丁酯MSDS————————————————————————————————作者:————————————————————————————————日期:邻苯二甲酸二异丁酯diisobutyl phthalate第一部分:化学品名称化学品中文名称:邻苯二甲酸二异丁酯化学品英文名称:diisobutyl phthalate中文名称2:英文名称2:技术说明书编码:1358CAS No.:84-69-5分子式:C16H22O4分子量:278.38第二部分:成分/组成信息有害物成分含量CAS No.邻苯二甲酸二异丁酯84-69-5第三部分:危险性概述危险性类别:侵入途径:健康危害:热解能放出有腐蚀性的烟和雾。
环境危害:燃爆危险:本品可燃。
第四部分:急救措施皮肤接触:脱去污染的衣着,用流动清水冲洗。
眼睛接触:提起眼睑,用流动清水或生理盐水冲洗。
就医。
吸入:脱离现场至空气新鲜处。
如呼吸困难,给输氧。
就医。
食入:饮足量温水,催吐。
就医。
第五部分:消防措施危险特性:遇明火、高热可燃。
有害燃烧产物:一氧化碳、二氧化碳。
灭火方法:尽可能将容器从火场移至空旷处。
喷水保持火场容器冷却,直至灭火结束。
处在火场中的容器若已变色或从安全泄压装置中产生声音,必须马上撤离。
灭火剂:雾状水、泡沫、干粉、二氧化碳、砂土。
第六部分:泄漏应急处理应急处理:迅速撤离泄漏污染区人员至安全区,并进行隔离,严格限制出入。
切断火源。
建议应急处理人员戴自吸过滤式防毒面具(全面罩),穿防毒服。
尽可能切断泄漏源。
防止流入下水道、排洪沟等限制性空间。
小量泄漏:用砂土、干燥石灰或苏打灰混合。
也可以用不燃性分散剂制成的乳液刷洗,洗液稀释后放入废水系统。
大量泄漏:构筑围堤或挖坑收容。
用泵转移至槽车或专用收集器内,回收或运至废物处理场所处置。
第七部分:操作处置与储存操作注意事项:密闭操作,全面通风。
操作人员必须经过专门培训,严格遵守操作规程。
建议操作人员佩戴自吸过滤式防毒面具(半面罩),戴化学安全防护眼镜,穿防毒物渗透工作服,戴防化学品手套。
邻苯二甲酸二丁基酯邻苯二甲酸二丁基酯(Di-n-butyl phthalate,简称DBP)是一种常用的塑化剂,具有良好的可塑性和稳定性,广泛应用于塑料制品、涂料、油墨等领域。
下面将从DBP的性质、应用、安全性等方面进行介绍。
一、性质邻苯二甲酸二丁基酯是一种无色到微黄色的液体,具有特殊的香气。
其化学式为C16H22O4,相对分子质量为278.34。
DBP具有较低的沸点和高的闪点,能够溶解于大多数有机溶剂中。
二、应用邻苯二甲酸二丁基酯主要用作塑化剂,可以增加塑料制品的柔软度和可塑性。
它广泛应用于聚氯乙烯(PVC)制品、合成橡胶、树脂等领域。
在PVC制品中,DBP可以使其具有良好的可拉伸性和抗冷性,提高制品的机械强度和耐磨性。
同时,DBP还可以作为涂料和油墨的增塑剂,提高其流动性和附着力。
三、安全性邻苯二甲酸二丁基酯在使用过程中需要注意其安全性。
长期接触DBP可能对人体健康造成一定的影响,如对生殖系统和肝脏有一定的毒性。
因此,在使用过程中应遵循相关的安全操作规程,避免直接接触皮肤和吸入其蒸气。
此外,DBP还可能对环境产生一定的影响,因此需要妥善处理和处置废弃物。
为了减少对DBP的使用,一些国家和地区已经采取措施限制其使用,推动替代塑化剂的研发和应用。
一些替代品如环保型塑化剂和生物基塑化剂已经开始逐渐应用于塑料制品的生产中,以减少对环境和人体健康的潜在风险。
邻苯二甲酸二丁基酯作为一种常用的塑化剂,具有广泛的应用领域。
然而,在使用过程中需要注意其安全性,并逐步推动替代塑化剂的研发和应用,以减少对环境和人体健康的潜在风险。
我们应该加强对塑化剂的研究,寻找更加环保和安全的替代品,为可持续发展做出贡献。
邻苯二甲酸二辛酯化学品安全技术说明书目录第一部分:化学品名称第二部分:成分/组成信息第三部分:危险性概述第四部门:急救措施第五部分:消防措施第六部分:泄露应急处理第七部分:操作处置与储存第八部分:接触控制/个体防护第九部分:理化特性第十部分:稳定性和反应活性第十一部分:毒理学资料第十二部分:生态学资料第十三部分:废弃处置第十四部分:运输信息第十五部分:法规信息第十六部分:其他信息第一部分:化学品名称化学品中文名称:邻苯二甲酸二辛酯化学品英文名称:dioctyl phthalate中文名称2:邻苯二甲酸二正辛酯英文名称2:n-octyl phthalate技术说明书编码:2509CAS No.:117-84-0分子式:C24H38O4分子量:390.62第二部分:成分/组成信息有害物成分含量 CAS No.邻苯二甲酸二辛酯 117-84-0第三部分:危险性概述危险性类别:侵入途径:健康危害:摄入有毒。
对眼睛和皮肤有刺激作用。
受热分解释出腐蚀性、刺激性的烟雾。
环境危害:对环境有危害。
燃爆危险:本品可燃,具刺激性。
第四部门:急救措施皮肤接触:脱去污染的衣着,用大量流动清水冲洗。
眼睛接触:提起眼睑,用流动清水或生理盐水冲洗。
就医。
吸入:迅速脱离现场至空气新鲜处。
保持呼吸道通畅。
如呼吸困难,给输氧。
如呼吸停止,立即进行人工呼吸。
就医。
食入:饮足量温水,催吐。
就医。
第五部分:消防措施危险特性:遇明火、高热可燃。
与氧化剂可发生反应。
流速过快,容易产生和积聚静电。
若遇高热,容器内压增大,有开裂和爆炸的危险。
有害燃烧产物:一氧化碳、二氧化碳。
灭火方法:消防人员须佩戴防毒面具、穿全身消防服,在上风向灭火。
尽可能将容器从火场移至空旷处。
喷水保持火场容器冷却,直至灭火结束。
处在火场中的容器若已变色或从安全泄压装置中产生声音,必须马上撤离。
灭火剂:雾状水、泡沫、干粉、二氧化碳、砂土。
不宜用水。
第六部分:泄露应急处理应急处理:迅速撤离泄漏污染区人员至安全区,并进行隔离,严格限制出入。
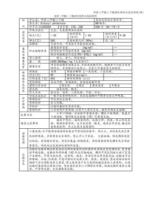
邻苯二甲酸二丁酯理化特性及危险特性
标识中文名:邻苯二甲酸二丁酯危险化学品目录序号:英文名:Dibutyl phthalate UN编号:
分子式:C16H22O4 分子量:278.348 CAS号:84-74-2
理化性质外观与性状无色、无臭透明油状液体
熔点(℃)-35
相对密度
(水=1)
1.05
相对密度
(空气=1)
9.58 沸点(℃)340 饱和蒸汽压(KPa)0.15
溶解性不溶于水,可混溶于多数有机溶剂。
毒性及健康危害职业接触限值
最高容许浓度(mg/m3)-
时间加权平均容许浓度(mg/m3)-
短时间接触容许浓度(PC-STEL)(mg/m3)-
侵入途径吸入、食入、经皮吸收。
毒性LD50:8000mg/kg(大鼠经口)
健康危害
对皮肤黏膜有刺激左右,有轻度致敏作用。
接触者可引起多发性神经
炎。
有误服后引起恶心、头晕几中毒性肾炎的报导。
燃烧爆炸危险性燃烧性易燃燃烧分解物一氧化碳、二氧化碳。
闪点(℃) 99 燃烧热(kJ/mol)
引燃温度(℃) 402 爆炸极限%(v/v)
危险特性本品可燃,具刺激性,具轻度致敏作用。
建规火险分级稳定性稳定聚合危害不聚合禁忌物强氧化剂、酸类。
灭火方法雾状水、泡沫、二氧化碳、干粉、砂土。
防护措施呼吸系统防护一般不需要特殊防护,高浓度接触时可佩带自给式呼吸器。
眼睛防护可采用安全面罩。
身体防护穿工作服。
手防护必要时戴防化学品手套。
其他防护工作现场严禁吸烟。
注意个人清洁卫生。
避免长期反复接触。
包装方法
小开口钢桶;安瓿瓶外普通木箱;螺纹口玻璃瓶、铁盖压口玻璃瓶、塑料瓶或金属桶(罐)外普通木箱。
储存注意事项
储存于阴凉、通风仓间内。
远离火种、热源。
防止阳光直射。
保持容器密封。
应与氧化剂、酸类、碱类分开存放。
搬运时要轻装轻卸,防止包装及容器损坏。
泄露处理小量泄漏:尽可能将泄漏液体收集在可密闭的容器中。
用沙土、活性炭或其它惰性材料吸收,并转移至安全场所。
禁止冲入下水道。
大量泄漏:构筑围堤或挖坑收容。
封闭排水管道。
用泡沫覆盖,抑制蒸发。
用防爆泵转移至槽车或专用收集器内,回收或运至废物处理场所处置。
运输信息运输时运输车辆应配备相应品种和数量的消防器材及泄漏应急处理设备。
夏季最好早晚运输。
运输时所用的槽(罐)车应有接地链,槽内可设孔隔板以减少震荡产生静电。
严禁与氧化剂、还原剂、碱类、食用化学品等混装混运。
运输途中应防曝晒、雨淋,防高温。
中途停留时应远离火种、热源、高温区。
装运该物品的车辆排气管必须配备阻火装置,禁止使用易产生火花的机械设备和工具装卸。
公路运输时要按规定路线行驶,勿在居民区和人口稠密区停留。
铁路运输时要禁止溜放。
严禁用木船、水泥船散装运输。