【CN109834814A】混凝土预制件生产线【专利】
- 格式:pdf
- 大小:1.20 MB
- 文档页数:17
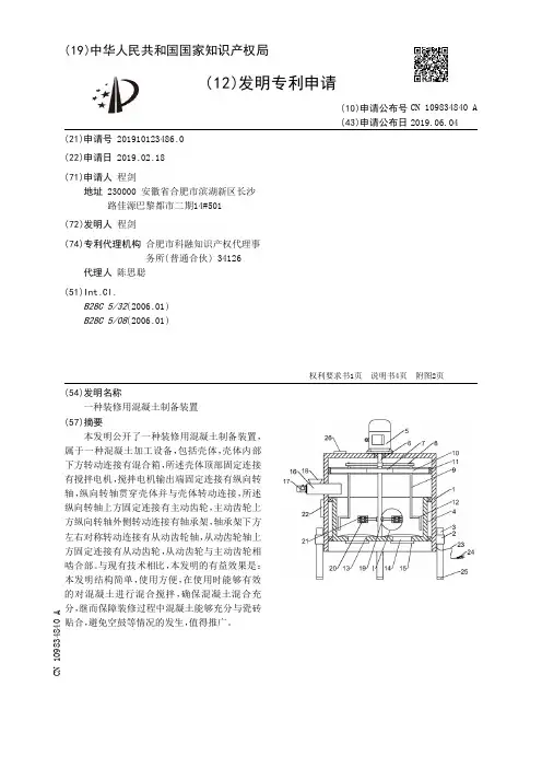
(19)中华人民共和国国家知识产权局(12)发明专利申请(10)申请公布号 (43)申请公布日 (21)申请号 201910123486.0(22)申请日 2019.02.18(71)申请人 程剑地址 230000 安徽省合肥市滨湖新区长沙路佳源巴黎都市二期14#501(72)发明人 程剑 (74)专利代理机构 合肥市科融知识产权代理事务所(普通合伙) 34126代理人 陈思聪(51)Int.Cl.B28C 5/32(2006.01)B28C 5/08(2006.01)(54)发明名称一种装修用混凝土制备装置(57)摘要本发明公开了一种装修用混凝土制备装置,属于一种混凝土加工设备,包括壳体,壳体内部下方转动连接有混合箱,所述壳体顶部固定连接有搅拌电机,搅拌电机输出端固定连接有纵向转轴,纵向转轴贯穿壳体并与壳体转动连接,所述纵向转轴上方固定连接有主动齿轮,主动齿轮上方纵向转轴外侧转动连接有轴承架,轴承架下方左右对称转动连接有从动齿轮轴,从动齿轮轴上方固定连接有从动齿轮,从动齿轮与主动齿轮相啮合部。
与现有技术相比,本发明的有益效果是:本发明结构简单,使用方便,在使用时能够有效的对混凝土进行混合搅拌,确保混凝土混合充分,继而保障装修过程中混凝土能够充分与瓷砖贴合,避免空鼓等情况的发生,值得推广。
权利要求书1页 说明书4页 附图2页CN 109834840 A 2019.06.04C N 109834840A权 利 要 求 书1/1页CN 109834840 A1.一种装修用混凝土制备装置,包括壳体(1),壳体(1)内部下方转动连接有混合箱(4),其特征在于,所述壳体(1)顶部固定连接有搅拌电机(5),搅拌电机(5)输出端固定连接有纵向转轴(6),纵向转轴(6)贯穿壳体(1)并与壳体(1)转动连接,所述纵向转轴(6)上方固定连接有主动齿轮(7),主动齿轮(7)上方纵向转轴(6)外侧转动连接有轴承架(8),轴承架(8)下方左右对称转动连接有从动齿轮轴(9),从动齿轮轴(9)上方固定连接有从动齿轮(10),从动齿轮(10)与主动齿轮(7)相啮合,所述壳体(1)内部上方固定连接有齿轮圈(11),所述从动齿轮(10)与齿轮圈(11)相啮合,从动齿轮轴(9)底部下沿至混合箱(4)内部,所述从动齿轮轴(9)底部固定连接有直角混料杆(12);所述纵向转轴(6)底部与混合箱(4)中央固定连接,纵向转轴(6)下端外侧左右对称固定连接有弹簧铰链(19),弹簧铰链(19)外侧固定连接有摆动混合板(20),摆动混合板(20)上交错开设有混合通槽(21),所述直角混料杆(12)内端与摆动混合板(20)相配合。
专利名称:一种混凝土预制件生产线和搅拌站专利类型:发明专利
发明人:魏小华,张庆成,贺杰
申请号:CN201510991438.5
申请日:20151225
公开号:CN105437375A
公开日:
20160330
专利内容由知识产权出版社提供
摘要:本发明公开了一种混凝土预制件生产线和搅拌站,在卸料斗下方两侧安装有轨道梁,在轨道梁上安装有可在轨道梁上行走的漏斗机架和鱼雷罐小车,在漏斗机架上安装有漏斗,当漏斗机架沿轨道梁行走至预定位置时,漏斗的上端开口处于卸料斗的下端开口的正下方;在鱼雷罐小车上安装有鱼雷罐,当鱼雷罐小车在轨道梁上行走至预定位置时,鱼雷罐的上端开口处于卸料斗的下端开口的正下方。
本发明不仅可以配合混凝土预制件生产线使用,还可以配合搅抖拌车接料,安全可靠。
申请人:湖南三一路面机械有限公司
地址:410100 湖南省长沙市经济技术开发区三一工业城
国籍:CN
更多信息请下载全文后查看。
专利名称:一种混凝土预制构件环形生产线专利类型:发明专利
发明人:孟庆川,彭文波,高海成,赵宝平,马永辉申请号:CN202010527194.6
申请日:20200611
公开号:CN111496993A
公开日:
20200807
专利内容由知识产权出版社提供
摘要:本发明涉及一种混凝土预制构件环形生产线,包括柔性养护窑、横向轨道、纵向轨道、移动模台、摆渡车和柔性布料机,所述的横向轨道包括依次平行设置的第一轨道、第二轨道、第三轨道和第四轨道;所述的柔性养护窑由平行于横向轨道的高位养护窑、低位养护窑和预养窑组成,低位养护窑位于高位养护窑与预养窑之间,用以养护大型构件的高位养护窑跨设在第一轨道上,用以养护中小型构件的低位养护窑跨设在第二轨道上,用以对中小型构件进行预养的预养窑跨设在第三轨道上。
本发明可同时进行双向环形循环作业,适合多品类、大批量混凝土构件的生产,通用性强,可有效提高设备使用率,同时增加生产效率。
申请人:中电建(洛阳)装配式建筑科技有限公司
地址:471200 河南省洛阳市汝阳县产业集聚区管委会老办公楼4楼
国籍:CN
代理机构:洛阳润诚慧创知识产权代理事务所(普通合伙)
代理人:智宏亮
更多信息请下载全文后查看。
专利名称:建筑梁柱混凝土预制构件的生产线
专利类型:发明专利
发明人:陈佛生,肖鸿韬,赵沃洲,植开生,区兆琪,彭玉城,李汉文
申请号:CN201710575910.6
申请日:20170714
公开号:CN107175759A
公开日:
20170919
专利内容由知识产权出版社提供
摘要:本发明公开一种建筑梁柱混凝土预制构件的生产线,包括混凝土搅拌站、混凝土运输系统、布料装置、模台、设在布料机下方的振动装置和设在模台上的模具,混凝土运输系统将混凝土运输至布料装置上,布料装置用于将混凝土运输至振动台上方并将混凝土自动布置到模台上的模具内,振动装置对安装在模台上的模具里的物料进行震实。
本发明中生产线的整体流程是:混凝土搅拌—运输系统运输—布料机布料—振动装置对模具里的钢筋混凝土进行震实—混凝土养护凝结成混凝土预制构件。
本发明将上述建筑梁柱混凝土预制构件的整个生产过程结合在一起,因此,可以利用机器代替人工完成大部分操作,具有更高的效率,可以节省人力物力。
申请人:广东省建筑机械厂有限公司
地址:510000 广东省广州市越秀区永福路48号大院自编15栋
国籍:CN
代理机构:北京商专永信知识产权代理事务所(普通合伙)
更多信息请下载全文后查看。
专利名称:一种混凝土构件生产线
专利类型:发明专利
发明人:谢炜煜,张宝利,戴一飞,孟凡增,陈守昭,严璞龄,陈勇,李斌
申请号:CN202210187212.X
申请日:20220228
公开号:CN114454326A
公开日:
20220510
专利内容由知识产权出版社提供
摘要:本发明提供一种混凝土构件生产线,包括第一轨道,所述第一轨道上设有多组轨道小车,所述轨道小车上设有一个或多个底模,所述第一轨道上设有浇筑振捣工位和若干混凝土构件加工工位,所述浇筑振捣工位内设有至少两个可以沿第一轨道长度方向移动的布料机。
本发明提供的一种混凝土构件生产线,采用轨道小车上设置一个长的底模或多个短的底模,轨道小车为生产线部分,更换底模时不需要更换轨道小车,降低成本;当轨道小车上设置两个或两个以上底模时,一次可以加工两个或两个以上的混凝土构件,虽然在一个工位停留加工的时间变长,但是单个混凝土构件的加工工时缩短,日产能提高,且因为在一个工位停留的时间变长,加工出来的混凝土构件质量也更好。
申请人:中铁建(无锡)工程科技发展有限公司
地址:214183 江苏省无锡市惠山区玉祁街道湖西科创大楼8501-8512室
国籍:CN
更多信息请下载全文后查看。
(19)中华人民共和国国家知识产权局
(12)发明专利申请
(10)申请公布号 (43)申请公布日 (21)申请号 201910270299.5
(22)申请日 2019.04.04
(71)申请人 廊坊海斯建材机械有限公司
地址 065000 河北省廊坊市经济技术开发
区二号路17号
申请人 中铁四局集团第四工程有限公司
(72)发明人 王卉芬 刘亮 刘建明 王建军
陈平 罗支贵
(74)专利代理机构 石家庄国为知识产权事务所
13120
代理人 陆林生
(51)Int.Cl.
B28B 15/00(2006.01)
B28B 1/087(2006.01)
B28B 13/02(2006.01)
B28B 13/06(2006.01)B28B 11/24(2006.01)B28B 17/00(2006.01)
(54)发明名称混凝土预制件生产线(57)摘要本发明提供了一种混凝土预制件生产线,属于混凝土预制件生产领域,包括浇筑振动线、脱模线、养护线和子母车,脱模线将养护后的模具脱模处理,并将经脱模处理后的模具循环送入浇筑振动线进行振动布料;养护线设置于浇筑振动线和脱模线的同一侧,且其排列方向与脱模线的模具输送方向垂直;子母车沿养护窑和脱模线之间的输送轨道运行,将浇筑后的模具送入养护窑,并将养护后的模具转送入脱模线脱模;模具沿浇筑振动线、养护线、脱模线再返回所浇筑振动线进行浇筑,构成一个循环闭合的生产线路。
本发明提供的混凝土预制件生产线,各工序之间连接紧凑,模具转运速度快,周转周期短,使用频率高,能够提高生产效率,缩短生产周期,减少劳
动力的使用。
权利要求书2页 说明书7页 附图7页CN 109834814 A 2019.06.04
C N 109834814
A
权 利 要 求 书1/2页CN 109834814 A
1.混凝土预制件生产线,其特征在于,包括:
浇筑振动线,用于对模具进行布料和振动;
至少一条与所述浇筑振动线平行的脱模线,用于将养护后的模具脱模处理,并将经脱模处理后的模具循环送入浇筑振动线进行振动布料;
养护线,包括若干个呈一排排列的养护窑,设置于所述浇筑振动线和脱模线的同一侧,且其排列方向与所述脱模线的模具输送方向垂直;
子母车,沿所述养护窑和所述脱模线之间的输送轨道运行,用于将浇筑后的模具送入所述养护窑,并将养护后的模具转送入脱模线进行脱模;
模具顺次沿所述浇筑振动线、所述养护线、所述脱模线再返回所述浇筑振动线进行浇筑,构成一个循环闭合的生产线路。
2.如权利要求1所述的混凝土预制件生产线,其特征在于,所述浇筑振动线包括:
布料机,用于对模具进行浇筑布料;
倾翻振动台,用于对模具布料的同时进行倾翻振动;
双层码垛机,用于将布料振动后的模具码垛,以便送入养护窑进行养护;
第一输送辊道,用于输送模具。
3.如权利要求2所述的混凝土预制件生产线,其特征在于,所述倾翻振动台包括:
振动台座;
翻转台体,借助销轴与所述振动台座铰接,用于对模具提供振动;
伸缩驱动机构,一端与所述振动台座铰接,另一端与所述翻转台体铰接,用于顶升所述翻转台体,使所述翻转台体倾斜一定的角度;
升降输送装置,位于所述振动台座的上方,借助固定于所述振动台座两侧的升降驱动机构升降,将模具输送并放置到所述翻转台体上,所述升降输送装置具有用于所述翻转台体通过的矩形孔;
四个同步杆,竖向设置于所述振动台座的四角,用于支撑所述振动台座,所述同步杆的上端与所述升降输送装置的四角滑动配合,用于导向所述升降输送装置;
至少两个夹紧定位装置,对称安装于所述翻转台体的两侧,用于夹紧所述模具。
4.如权利要求3所述的混凝土预制件生产线,其特征在于,所述升降输送装置包括:
输送辊道架,结构为矩形框架,所述矩形孔设置在所述矩形框架内;
若干输送辊,为两列,分设于所述输送辊道架的两侧,用于支撑和输送模具;
输送辊驱动机构,安装于所述输送辊道架的一侧,与所述输送辊传动连接,用于驱动所述输送辊转动。
5.如权利要求3所述的混凝土预制件生产线,其特征在于,所述夹紧定位装置包括:
底座,借助螺栓固定于所述翻转台体的侧面;
伸缩式执行机构,具有固定体和伸缩杆,所述固定体借助螺栓,固定于所述底座上;
夹紧体,具有用于与所述底座铰接的第一铰接部、用于与所述伸缩杆铰接的第二铰接部和用于夹紧模具的夹紧部;
所述伸缩式执行机构推动所述夹紧体转动,夹紧或松开所述模具。
6.如权利要求2所述的混凝土预制件生产线,其特征在于,所述双层码垛机包括:
支架,具有四个立柱和支撑于四个所述立柱上的支撑架,四个所述立柱两两对称设置;
2。