直螺纹套筒连接套丝标准
- 格式:docx
- 大小:13.76 KB
- 文档页数:4
钢筋直螺纹连接⼯艺标准及验收规范钢筋直螺纹连接⼯艺标准及验收规范1 适⽤范围本⼯艺标准适⽤于⼯业与民⽤建筑中全现浇混凝⼟的钢筋程,主要是将Φ16~Φ40钢筋端部滚压成螺纹并⽤连接套筒将两根钢筋连接成⼀体的钢筋接头。
2 施⼯准备2.1材料2.1.1钢筋:品种、规格、外观必须符合设计要求,应有出⼚证明、试验报告单。
2.1.2直螺纹连接套筒⽤45号优质碳素结构钢或其他经试验确认符合要求的钢材。
套筒表⾯应有规格标记。
2.2 设备机具2.2.1机械设备:GHG-40型直螺纹套丝机、砂轮切割机、⾓向磨光机、台式砂轮等。
2.2.2主要⼯具:⼒矩扳⼿、量规(⽛形规、卡规、直螺纹塞规)等。
2.3 作业条件2.3.1 参加接头施⼯的操作⼈员已经过技术培训、考核合格,可持证上岗。
2.3.2直螺纹套丝机等机械设备经维修试⽤,测⼒扳⼿经校验,可满⾜施⼯要求。
2.3.3螺纹套及钢筋端头已清理、除锈、去污,按规格尺⼨加⼯,存放备⽤。
2.4 技术准备2.4.1钢筋应先调直再加⼯,切⼝端⾯宜与钢筋轴线垂直,端头弯曲、马蹄严重的应切去,不得⽤⽓割下料。
2.4.2检验合格的丝头应加以保护,在其端头加带保护帽或⽤套筒拧紧,按规格分类堆放整齐。
2.5 现场连接施⼯2.5.1 连接钢筋时,钢筋规格和套筒的规格必须⼀致,钢筋和套筒的丝扣应⼲净、完好⽆损。
2.5.2采⽤预埋接头时,连接套筒的位置、规格和数量应符合设计要求。
带连接套筒的钢筋应固定牢,连接套筒的外露端应有保护盖。
2.5.3滚压直螺纹接头应使⽤管钳和⼒矩扳⼿进⾏施⼯,将两个钢筋丝头在套筒中间位置相互顶紧,接头拧紧⼒矩应符合表2.5.3的规定。
⼒矩扳⼿的精度为±5%。
2.5.4经拧紧后的滚压直螺纹接头应作出标记,单边外露丝扣长度不应超过2P。
3 施⼯操作⼯艺3.1 ⼯艺规程3.1.1直螺纹连接套连接钢筋施⼯⼯艺。
钢筋预加⼯在钢筋加⼯棚进⾏,其施⼯程序是:钢筋除锈调直钢筋端头切平(与钢筋轴线垂直)料磨光⽑刺、缝边将钢筋端头送⼊套丝机卡盘开⼝内出头测量和检验丝头质量合格的按规定⼒矩值拧上直螺纹连接套,在两端分别拧上塑料保护套编号、成捆分类、堆放备⽤3.2 ⼯艺操作⽅法:施⼯现场钢筋安装连接程序是:钢筋就位回收待连接钢筋上的保护帽拧上钢筋,⾸尾对接拧⼊连接套按直螺纹连接的⼒矩扭紧钢筋接头,直到⼒矩扳⼿发出响声为⽌⽤油漆在接好的钢筋上标记质检⼈员按规定⼒矩值检查钢筋连接质量,⼒矩扳⼿发出响声为合格接头做钢筋接头的抽检记录3.3 常⽤接头连接⽅法有三种:3.3.1同径或异径普通接头系分别⽤⼒矩扳⼿将下钢筋与连接套、连接套与上钢筋拧到规定的⼒矩。
表C2- 2
技术、安全交底记录
剥肋滚丝头加工尺寸(mm)
规格剥肋直径螺纹尺寸丝头长度完整丝扣圈数16 15.1±0.2M16.5×222.5 ≥8
18 16.9±0.2M19×2.527.5 ≥7
20 18.8±0.2M21×2.530 ≥8
22 20.8±0.2M23×2.532.5 ≥9
25 23.7±0.2M26×335 ≥9
28 26.6±0.2M29×340 ≥10
标准型套筒的几何尺寸
规格螺纹直径套筒外径套筒长度
16 M16.5×225 45
18 M19×2.529 55
20 M21×2.531 60
22 M23×2.533 65
25 M26×339 70
28 M29×344 80
现场连接施工要求
连接钢筋时,钢筋规格和套筒的规格必须一致,钢筋和套筒的丝扣应干净、完好无损。
滚压直螺纹接头应使用扭力扳手或管钳进行施工,将两个钢筋丝头在套筒中间位置相互顶紧,接头拧紧力矩应符合要求。
扭力扳手的精度为±5%。
经拧紧后的滚压直螺纹接头应做出标记,单边外露丝扣长度不应超过2P。
根据待接钢筋所在部位及转动难易情况,选用不同的套筒类型,采取不同的安装方法。
标准型接头安装正反丝扣型接头安装。
钢筋直螺纹套筒连接施工工艺标准1 适用范围钢筋套筒连接,适用于1、2#隧道基坑围护桩的主筋(螺纹筋)的连接。
与钢筋焊接相比,钢筋套筒连接可以加快施工进度、降低作业人员的施工难度,进而保证钢筋主筋间距和钢筋保护层的合格率。
2 工艺流程图说明:本流程图反映的是一个合格的钢筋直螺纹套筒连接施工工艺.如果某道工序经自检不合格,不能进行下道工序施工。
3 主要技术参数3。
1 钢筋的连接宜采用机械连接接头. 3。
2 受力钢筋的连接街头应设置在内力较小处,并应错开布置。
对焊接接头和机械连接接头,在接头长度区段内,同一根钢筋不得有两个接头.配置在接头长度区段内的受力钢筋,其接头的截面面积占总截面面积的百分率,应符合表1的规定。
表1 接头长度区段内的受力钢筋接头面积的最大百分率接头形式接头面积的最大百分率(%)受拉区受压区施 工 准 备1、钢筋下料工具检查2、钢筋下料端面检查1、套丝长度检查2、螺纹丝头牙形和螺距钢 筋 下 料1、钢筋原材检验2、套筒检验3、操作人员培训4、加工平台检验钢 筋 套 丝 钢 筋 连 接下 道 工 序1、套筒与钢筋规格是否一致2、两端钢筋拧进是否对称3、接头拧紧扭矩检查注:1.焊接接头长度区段内是指35d(d为钢筋直径)长度范围内,但不得小于500mm.2.在同一根钢筋上宜少设接头.3。
3 套筒应符合以下要求:3。
3.1 套筒与锁母材料宜采用优质碳素结构钢或合金结构钢,表面无裂纹或其它缺陷。
3。
3。
2 有产品质量合格证。
套管成品分类包装、存放,未混淆和生锈。
3.3.3 套筒必须为定型产品,严禁私自加工。
4 工艺要求4。
1 支架布置:套丝机主轴中心线与放置在支架上的待加工钢筋中心线保持一致,同时支架的搭设应保证钢筋摆放水平。
4。
2 钢筋下料:钢筋下料可采用钢筋切断机、砂轮切割机等下料,不得用气割下料.钢筋下料时,要求切口端面应与钢筋轴线垂直,不得有马蹄形或挠曲,端部不直须调直下料。
4。
3 钢筋套丝:检查合格的丝头,及时将其一端戴上塑料保护帽,另一端拧上同规格的连接套筒并拧紧,并按规格堆放整齐待用.4.4 钢筋连接4.4.1 钢筋连接之前,先回收丝头上的塑料保护帽和套筒端头的塑料密封盖,检查螺纹丝扣是否完好无损、清洁。
表C2-2技术、安全交底记录损。
滚压直螺纹接头应使用扭力扳手或管钳进行施工,将两个钢筋丝头在套筒中间位置相互顶紧,接头拧紧力矩应符合要求。
扭力扳手的精度为±5%。
经拧紧后的滚压直螺纹接头应做出标记,单边外露丝扣长度不应超过2P。
根据待接钢筋所在部位及转动难易情况,选用不同的套筒类型,采取不同的安装方法。
标准型接头安装正反丝扣型接头安装接头质量检验由项目部试验员在同一施工条件下采用同一批材料的同等级、同型式、同规格接头以500个为一个验收批进行见证取样并送已选定的试验室检验滚压直螺纹接头的单向拉伸强度试验。
滚压直螺纹接头的单向拉伸试验破坏形式有三种:钢筋母材拉断、套筒拉断、钢筋从套筒中滑脱,只要满足强度要求,任何破坏形式均可判断为合格。
技术负责交底人接交人:剥肋滚丝头加工尺寸(mm)规格剥肋直径螺纹尺寸丝头长度完整丝扣圈数16 15.1±0.2 M16.5×2 22.5 ≥818 16.9±0.2 M19×2.5 27.5 ≥720 18.8±0.2 M21×2.5 30 ≥822 20.8±0.2 M23×2.5 32.5 ≥925 23.7±0.2 M26×3 35 ≥928 26.6±0.2 M29×3 40 ≥10标准型套筒的几何尺寸规格螺纹直径套筒外径套筒长度16 M16.5×2 25 4518 M19×2.5 29 5520 M21×2.5 31 6022 M23×2.5 33 6525 M26×3 39 7028 M29×3 44 80现场连接施工要求连接钢筋时,钢筋规格和套筒的规格必须一致,钢筋和套筒的丝扣应干净、完好无损。
滚压直螺纹接头应使用扭力扳手或管钳进行施工,将两个钢筋丝头在套筒中间位置相互顶紧,接头拧紧力矩应符合要求。
面与钢筋轴线不垂直、端头弯曲、马蹄严重的用砂轮切割机切去。
钢筋切头效果(3)夹持钢筋,利用滚丝机上的设备台钳夹持钢筋,夹持时要注意:1)设备必须停止转动,并已在最后端。
2)台钳在夹紧前必须将钢筋顶紧限位挡铁,否则将影响丝头长度。
3)挡铁撤走后,不得将钢筋向前移动,否则丝头将过长。
4)不同规格的钢筋应选用相应的限位挡铁,不得乱用。
(4)面对滚丝头方向,滚丝头顺时针方向旋转为反转,用于加工反丝螺纹;滚丝头逆时针方向旋转为正转,用于加工普通型螺纹。
开机后要注意滚丝头旋转方向与所加工的丝头形式是否一致。
另外,普通型螺纹与反丝螺纹各有专用滚丝头,应由厂家驻现场人员调整,严禁混用。
(5)钢筋剥肋滚丝1)加工丝头时,应采用水溶性切削液,操作前切削液应已开始循环充分,在滚丝头出水口未出水时严禁进行加工。
2)采用剥肋滚轧直螺纹工艺,应使用钢筋剥肋滚丝机。
先剥肋,后滚丝。
在台钳夹紧,切削液已循环充分后,开始扳动进给手柄,剥肋刀片在刚接触钢筋时要舒缓,当刀片全部咬住钢筋后可以加力向前扳动手柄,待5~10秒,滚丝头自行前进时,即可松开手柄,由设备自行完成操作,待滚丝头自行反转并向后运动,不再轴向移动时,扳动手柄复位,则完成剥肋。
3)剥肋完成后,再次扳动手柄,减速机向前移动到调整长度,涨刀推动左右拉环后移,刀体与涨刀环脱离后涨开,减速机继续向前进给,涨刀触头缩回,滚丝刀开始滚压螺纹,滚压到设定长度后,进行挡铁与限位开关断电,设备自动停机并延时反转,将螺纹钢筋退出滚丝头,扳动进给手柄后退,减速机退到极限位置,停机。
然后移开台钳,取出钢筋,完成螺纹的加工。
4)钢筋在剥肋或滚轧螺纹过程中,如发现台钳移动,应立即夹紧。
若在滚轧螺纹过程发现没有停机反转的迹象应立即将面板开关关闭,使设备停止转动,然后按下点动按钮(红色),使滚丝头退出钢筋,并立即修理。
5)丝头的有效长度应依据技术提供单位提供的技术参数,严格控制丝头的长度和观感质量,丝头长度为套筒长度的1/2,最大公差为+2P(P为螺距);丝头表面应牙形饱满、无损坏和锈蚀,螺纹数量一致。
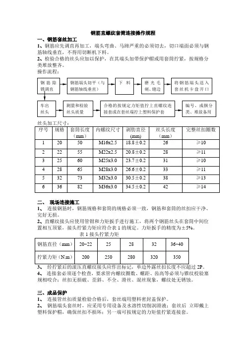
钢筋直螺纹套筒连接操作规程
一、钢筋套丝加工
1、钢筋应先调直再加工,端头弯曲、马蹄严重的必须切去,切口端面必须与钢筋轴线垂直,不得用切断机下料。
2、检验合格的丝头应加以保护,在其端头加带保护帽或用套筒拧紧,按规格分类堆放整齐。
操作流程:
二、现场连接施工
1、连接钢筋时,钢筋规格和套筒的规格必须一致,钢筋和套筒的丝扣应干净、完好无损。
2、直螺纹接头应使用管钳和力矩扳手进行施工,将两个钢筋丝头在套筒中间位置相互顶紧,接头拧紧力矩应符合表1的规定。
力矩扳手的精度为±5%。
2P。
4、连接套必须逐个检查,要求管内螺纹圈数、螺距、齿高等必须与锥纹校验塞规相咬合;丝扣无损破、歪斜、不全、滑丝、混丝现象,螺纹处无锈蚀。
三、成品保护
1、连接管丝扣质量检验合格后,套丝端用塑料密封盖保护。
2、钢筋端头套丝时,应采用专用设备及水溶性切削润滑液;套丝后立即戴上塑料保护帽,确保丝扣不损坏;另一端可按规定的力矩值拧紧连接套。
3、连接半成品应按规格分类堆放整齐待用,不得随意抛掷。
四、应注意的质量问题
1、必须分开施工用和检验用的力矩扳手,不能混用,以保证力矩检验值准确。
2、钢筋在套丝前,必须对钢筋规格及外观质量进行检查。
如发现钢筋端头弯曲,必须先进行调直处理。
钢筋边肋尺寸如超差,要先将端头边肋砸扁方可使用。
3、钢筋套丝,操作前应先调整好定位尺的位置,并按照钢筋规格配以相对应的加工导向套。
对于大直径钢筋要分次车削到规定的尺寸,以保证丝扣精度,避免损坏梳刀。
钢筋直螺纹套丝技术交底为了保证工程质量,按时完成工程任务,达到安全生产文明施工,特进行技术交底:一、基本概况本工程需套丝钢筋规格如下:1。
梁钢筋:直径≥16mm的钢筋采用直螺纹套筒连接。
2。
柱(含暗柱)钢筋:直径≥16mm的钢筋采用直螺纹套筒连接。
3。
基础底板钢筋:采用直螺纹套筒连接。
二、施工准备1.劳动组织⑴。
依据作业量大小及工期要求,现场设两个钢筋套丝班组,一个班组配备一套钢筋剥肋滚丝机,人员3-4人。
⑵。
操作人员必须经专业培训后方可上岗.⑶。
施工人员应经过三级安全教育,并经体检合格后方可上岗。
2. 机械准备主要机具:直辊式直螺纹套丝机、止环规、通环规、丝头卡板、止塞规、通塞规、工作扳手等。
3。
材料要求⑴钢筋:①钢筋的级别、直径必须符合设计要求及国家标准《钢筋混凝土用热轧带肋钢筋》(GB1499。
2—2007)及《钢筋混凝土用余热处理钢筋》(GB13014—91)的要求,应有出厂质量证明(材质单)及进场复试报告.②钢筋端部应用无齿锯切割平直,不得用钢筋切断机进行切断.任何影响钢筋插入和连接的铁锈、油污、砂浆以及马蹄、飞边、毛刺应予以清除和修磨。
⑵连接套筒应符合以下要求:①连接套筒选用45号优质碳素结构钢或其他经型式检验确认符合要求的钢材,套筒表面应有生产批号标识,并有厂家提供的产品合格证,合格证内容应包括适用钢筋直径和接头性能等级、套筒类型、生产单位、生产日期以及可追溯产品原材料力学性能和加工质量的生产批号。
②滚压直螺纹接头连接用套筒的规格与尺寸见下表:钢筋直径螺纹直径套筒外径套筒长度16 M16。
5×2 25 4518 M19×2。
5 29 5520 M21×2.5 31 6022 M23×2.5 33 6525 M26×3 39 7028 M29×3 44 80③连接套筒应分类包装存放,不得混淆和锈蚀。
4.技术准备⑴组织施工人员学习规范和直螺纹钢筋连接接头行业标准,掌握技术交底的要求。
表C2-2技术、安全交底记录损。
滚压直螺纹接头应使用扭力扳手或管钳进行施工,将两个钢筋丝头在套筒中间位置相互顶紧,接头拧紧力矩应符合要求。
扭力扳手的精度为±5%。
经拧紧后的滚压直螺纹接头应做出标记,单边外露丝扣长度不应超过2P。
根据待接钢筋所在部位及转动难易情况,选用不同的套筒类型,采取不同的安装方法。
标准型接头安装正反丝扣型接头安装接头质量检验由项目部试验员在同一施工条件下采用同一批材料的同等级、同型式、同规格接头以500个为一个验收批进行见证取样并送已选定的试验室检验滚压直螺纹接头的单向拉伸强度试验。
滚压直螺纹接头的单向拉伸试验破坏形式有三种:钢筋母材拉断、套筒拉断、钢筋从套筒中滑脱,只要满足强度要求,任何破坏形式均可判断为合格。
技术负责交底人接交人:剥肋滚丝头加工尺寸(mm)规格剥肋直径螺纹尺寸丝头长度完整丝扣圈数16 15.1±0.2 M16.5×2 22.5 ≥818 16.9±0.2 M19×2.5 27.5 ≥720 18.8±0.2 M21×2.5 30 ≥822 20.8±0.2 M23×2.5 32.5 ≥925 23.7±0.2 M26×3 35 ≥928 26.6±0.2 M29×3 40 ≥10标准型套筒的几何尺寸规格螺纹直径套筒外径套筒长度16 M16.5×2 25 4518 M19×2.5 29 5520 M21×2.5 31 6022 M23×2.5 33 6525 M26×3 39 7028 M29×3 44 80现场连接施工要求连接钢筋时,钢筋规格和套筒的规格必须一致,钢筋和套筒的丝扣应干净、完好无损。
滚压直螺纹接头应使用扭力扳手或管钳进行施工,将两个钢筋丝头在套筒中间位置相互顶紧,接头拧紧力矩应符合要求。
技术、安全交底记录交底内容:钢筋机械连接(直螺纹滚压套筒)C22及以上钢筋拟用直螺纹套筒连接。
通过连接 件的机械咬合作用或钢筋端面的承压作用,将一根钢筋中的力传递至另一根钢筋。
实践 证明采用机械连接接头质量稳定可靠,不受钢筋化学成分的影响,人为因素的影响也小, 操作简便,施工速度快,且不受气候条件影响。
钢筋滚压直螺纹套筒连接是利用金属材料塑性变形后冷作硬化增强金属材料强度 的特性,使接头与母材等强的连接方法。
根据滚压直螺纹成型方式,又可分为直接滚压 螺纹、挤压肋滚压螺纹、剥肋滚压螺纹三种类型。
剥肋滚压螺纹加工:采用钢筋剥肋滚丝机,先将钢筋的横肋和纵肋进行剥切处理后, 使钢筋滚丝前的柱体直径达到同一尺寸,然后再进行螺纹滚压成型。
螺纹精度高,接头 质量稳定,施工速度快。
钢筋剥肋滚丝机工作过程:将待加工钢筋夹持在夹钳上,开动机器,扳动进给装置, 使动力头向前移动,开始剥肋滚压螺纹,待滚压到调定位置后,设备自动停机并反转, 将钢筋端部退出滚压装置,扳动进给装置将动力头复位停机,螺纹即加工完成。
加工及 检验时,技术参数参照下表。
剥肋滚丝头加工尺寸(mm )规格 剥肋直径螺纹尺寸 丝头长度 完整丝扣圈数22 20.8 ±.2 M23X2.5 32.5 > 9 2523.7 ±.2M26X 335> 9操作工人应每加工10个丝头按上表的要求检查丝头加工质量, 经自检合格的丝头, 应由质检员随机抽样进行检验,以一个工作班内生产的丝头为一个验收批,随机抽样 10%,且不得少于10个。
当合格率小于95%时,应加倍抽检,复检中合格率仍小于 95% 时,应对全部钢筋丝头逐个进行检验,切去不合格丝头,查明原因,并重新加工螺纹。
滚压直螺纹接头用连接套筒的规格与尺寸依据下表参数检验 标准型套筒的几何尺寸规格螺纹直径 套筒外径 套筒长度施工单位:福州亨源建设工程有限公司 年月日 编号: 工程名称六盘水凤凰城 B 区1#、2#、3#、5#、6#、7#楼及地下室交底部 位钢筋机械连接(直螺纹滚压套筒)施工22M23X2.5336525M26X33970现场连接施工连接钢筋时,钢筋规格和套筒的规格必须一致,钢筋和套筒的丝扣应干净、完好无损。
.直螺纹套筒连接丝头检验标准一、套筒的性能参数检验a、套筒检验:套筒装箱时应有保护端盖,套筒的直径和壁厚,螺纹牙型完整,表面不得有裂纹,出厂包装上标明产品名称、规格、型号、数量、制造日期、产品批号、生产厂家,包装内有产品合格证。
同批次、同型式、同材料、同规格的每 2000 个套筒为一个批次,不足2000 个也按一批计,每一批次抽检2%,且不少于 20 个。
b、检验方法:内螺纹用专用螺纹塞通规检验,其塞通规应能顺利旋入,塞止规旋入长度不超过3P。
二、丝头检验1)加工人员逐个目测检查丝头的外观质量,每工作班内生产的丝头作为一批,用环规抽检 10%丝头,当抽检不合格时,应用环规逐个检查该批全部丝头,剔除其中不合格丝头,并调整设备至加工的丝头合格为止。
外观质量 : 丝头表面不得有影响接头性能的损坏及锈蚀。
外形质量 : 丝头有效螺纹数量不得少于设计规定; 丝头有效螺纹中径的圆柱度 ( 每个螺纹的中径 ) 误差不得超过 0.20mm;牙顶宽度大于 0.3P 的不完整螺纹累计长度不得超过两个螺纹周长 ; 丝头有效螺纹长度应不小于 1/2 连接套筒长度,且允许误差为 +2P。
丝头尺寸用专用螺纹环规进行检测,环通规应能顺利旋入并达到3cm长,环止规旋入长度不得超过3P。
2)自检合格的丝头,由质检员随机抽样进行检验,以一个工作班内生产的钢筋丝头为一个验收批,随机抽检 10%,按下表的方法进行钢筋丝头质量检验,已检验合格的丝头应戴上塑料帽或连接套和保护塞加以保护。
丝头检验标准(单位 :mm)项目量具名称要求牙形饱满,牙顶宽度超过 0.3P(0.25P)的秃牙外观目测质量部分累计长度不应超过二个(一个)螺纹周长。
钢筋丝头螺纹的有效旋合长度用丝头卡尺检测,丝头卡尺长度丝头长度公差为 +2p(p 为螺距) .中径卡尺误差不大于 0.2mm.注:括弧内数值为镦粗直螺纹丝头检验标准。
规格剥肋直径螺纹尺寸丝头长度完整丝扣圈数1615.1 ±0.2M16.5×220~ 22.5≥ 81816.9 ±0.2M19× 2.525~ 27.5≥ 72018.8 ±0.2M21× 2.527~ 30≥ 82220.8 ±0.2M23× 2.529.5 ~ 32.5≥ 92523.7 ±0.2M26× 332~35≥ 92826.6 ±0.2M29× 337~40≥ 103230.5 ±0.2M33× 342~45≥ 113634.5 ±0.2M37× 3.546~49≥ 94038.1 ±0.2M41× 3.549 ~ 52.5≥ 10。
钢筋直螺纹套丝技术交底为了保证工程质量,按时完成工程任务,达到安全生产文明施工,特进行技术交底:一、基本概况本工程需套丝钢筋规格如下:1.梁钢筋:直径≥16mm的钢筋采用直螺纹套筒连接。
2.柱(含暗柱)钢筋:直径≥16mm的钢筋采用直螺纹套筒连接。
3.基础底板钢筋:采用直螺纹套筒连接。
二、施工准备1.劳动组织⑴.依据作业量大小及工期要求,现场设两个钢筋套丝班组,一个班组配备一套钢筋剥肋滚丝机,人员3—4人。
⑵.操作人员必须经专业培训后方可上岗。
⑶.施工人员应经过三级安全教育,并经体检合格后方可上岗。
2.机械准备主要机具:直辊式直螺纹套丝机、止环规、通环规、丝头卡板、止塞规、通塞规、工作扳手等。
3.材料要求⑴钢筋:①钢筋的级别、直径必须符合设计要求及国家标准《钢筋混凝土用热轧带肋钢筋》(GB1499.2-2007)及《钢筋混凝土用余热处理钢筋》(GB13014-91)的要求,应有出厂质量证明(材质单)及进场复试报告。
②钢筋端部应用无齿锯切割平直,不得用钢筋切断机进行切断。
任何影响钢筋插入和连接的铁锈、油污、砂浆以及马蹄、飞边、毛刺应予以清除和修磨。
⑵连接套筒应符合以下要求:①连接套筒选用45号优质碳素结构钢或其他经型式检验确认符合要求的钢材,套筒表面应有生产批号标识,并有厂家提供的产品合格证,合格证内容应包括适用钢筋直径和接头性能等级、套筒类型、生产单位、生产日期以及可追溯产品原材料力学性能和加工质量的生产批号。
②滚压直螺纹接头连接用套筒的规格与尺寸见下表:钢筋直径螺纹直径套筒外径套筒长度16M16.5×2254518M19×2.5295520M21×2.5316022M23×2.5336525M26×3397028M29×34480③连接套筒应分类包装存放,不得混淆和锈蚀。
4.技术准备⑴组织施工人员学习规范和直螺纹钢筋连接接头行业标准,掌握技术交底的要求。
钢筋直螺纹连接工艺标准及验收规范1 适用范围本工艺标准适用于工业与民用建筑中全现浇混凝土的钢筋程,主要是将Φ16~Φ40钢筋端部滚压成螺纹并用连接套筒将两根钢筋连接成一体的钢筋接头。
2 施工准备2.1材料2.1.1钢筋:品种、规格、外观必须符合设计要求,应有出厂证明、试验报告单。
2.1.2直螺纹连接套筒用45号优质碳素结构钢或其他经试验确认符合要求的钢材。
套筒表面应有规格标记。
2.2 设备机具2.2.1机械设备:GHG-40型直螺纹套丝机、砂轮切割机、角向磨光机、台式砂轮等。
2.2.2主要工具:力矩扳手、量规(牙形规、卡规、直螺纹塞规)等。
2.3 作业条件2.3.1 参加接头施工的操作人员已经过技术培训、考核合格,可持证上岗。
2.3.2直螺纹套丝机等机械设备经维修试用,测力扳手经校验,可满足施工要求。
2.3.3螺纹套及钢筋端头已清理、除锈、去污,按规格尺寸加工,存放备用。
2.4 技术准备2.4.1钢筋应先调直再加工,切口端面宜与钢筋轴线垂直,端头弯曲、马蹄严重的应切去,不得用气割下料。
2.4.2检验合格的丝头应加以保护,在其端头加带保护帽或用套筒拧紧,按规格分类堆放整齐。
2.5 现场连接施工2.5.1 连接钢筋时,钢筋规格和套筒的规格必须一致,钢筋和套筒的丝扣应干净、完好无损。
2.5.2采用预埋接头时,连接套筒的位置、规格和数量应符合设计要求。
带连接套筒的钢筋应固定牢,连接套筒的外露端应有保护盖。
2.5.3滚压直螺纹接头应使用管钳和力矩扳手进行施工,将两个钢筋丝头在套筒中间位置相互顶紧,接头拧紧力矩应符合表2.5.3的规定。
力矩扳手的精度为±5%。
3 施工操作工艺3.1 工艺规程3.1.1直螺纹连接套连接钢筋施工工艺。
钢筋预加工在钢筋加工棚进行,其施工程序是:钢筋除锈调直钢筋端头切平(与钢筋轴线垂直)下料磨光毛刺、缝边将钢筋端头送入套丝机卡盘开口内车出丝头测量和检验丝头质量合格的按规定力矩值拧上直螺纹连接套,在两端分别拧上塑料保护套编号、成捆分类、堆放备用3.2 工艺操作方法:施工现场钢筋安装连接程序是:钢筋就位回收待连接钢筋上的保护帽拧上钢筋,首尾对接拧入连接套按直螺纹连接的力矩扭紧钢筋接头,直到力矩扳手发出响声为止用油漆在接好的钢筋上标记质检人员按规定力矩值检查钢筋连接质量,力矩扳手发出响声为合格接头做钢筋接头的抽检记录3.3 常用接头连接方法有三种:3.3.1同径或异径普通接头系分别用力矩扳手将下钢筋与连接套、连接套与上钢筋拧到规定的力矩。
表C2-2
技术、安全交底记录
施工单位:年月日编号:
剥肋滚丝头加工尺寸(mm)
规格剥肋直径螺纹尺寸丝头长度完整丝扣圈数16 15.1±0.2M16.5×222.5 ≥8
18 16.9±0.2M19×2.527.5 ≥7
20 18.8±0.2M21×2.530 ≥8
22 20.8±0.2M23×2.532.5 ≥9
25 23.7±0.2M26×335 ≥9
28 26.6±0.2M29×340 ≥10
标准型套筒的几何尺寸
规格螺纹直径套筒外径套筒长度
16 M16.5×225 45
18 M19×2.529 55
20 M21×2.531 60
22 M23×2.533 65
25 M26×339 70
28 M29×344 80
现场连接施工要求
连接钢筋时,钢筋规格和套筒的规格必须一致,钢筋和套筒的丝扣应干净、完好无损。
滚压直螺纹接头应使用扭力扳手或管钳进行施工,将两个钢筋丝头在套筒中间位置相互顶紧,接头拧紧力矩应符合要求。
扭力扳手的精度为±5%。
经拧紧后的滚压直螺纹接头应做出标记,单边外露丝扣长度不应超过2P。
根据待接钢筋所在部位及转动难易情况,选用不同的套筒类型,采取不同的安装方法。
标准型接头安装正反丝扣型接头安装。