钢性套管施工技术交底
- 格式:docx
- 大小:17.24 KB
- 文档页数:1
JDG管安装技术交底电气工程技术交底单位:(子单位)工程名称:施工单位:分部分项名称:作业班组交底人:交底日期:年月日交底内容:1.施工准备1.1 机具准备电工工具包括:钢锯、平挫、线坠、水平管、煨管器、钳子等。
检测工具包括:水平尺、卷尺等。
1.2 材料要求1.2.1 套接紧定式钢管管材、连接套管及附件应符合国家现行标准的规定,产品应附有出厂合格证和检验报告。
1.2.2 在安装前,使用的管材、连接套管、螺钉及其附件应进行外观检查,符合以下规定:1)型号规格符合设计要求,管材表面有明显不脱落的产品标识。
2)金属内、外套管及其金属附件内、外壁镀层均匀、完好,无剥落、锈蚀现象。
3)管材、连接套管及金属附件内、外壁表面光洁,无毛刺、飞边、沙眼、气泡、裂纹、变形等缺陷。
4)管材、连接套管及金属附件壁厚均匀,管口边缘平齐、光滑。
5)连接套管的长度不小于管外径的2~3.5倍。
6)连接套管中心凹形槽弧度均匀,位置垂直、正确,凹槽深度与钢管管壁厚度一致。
7)紧定螺钉符合产品设计要求,螺纹整齐、光滑、配合良好,顶针坚固,旋转螺钉脱落的“脖颈”尺寸准确。
1.2.3 紧定螺钉专用工具应配套、耐用,便于操作。
1.3 作业条件暗管敷设:1)现浇混凝土楼板配管,在底层钢筋绑扎完成后,上层钢筋未绑扎前进行;墙板配管在钢筋绑扎后进行。
2)随墙(砌体)配合土建施工立管。
2.操作工艺2.1 工艺流程暗管敷设工艺流程包括:弯管、箱、盒预制→测位→剔槽孔→爪型螺纹管接头与箱、盒紧固→箱、盒定向移装→管路敷设→压接接地→管路固定。
2.2 暗管敷设2.2.1 弯管、箱、盒预制根据施工图加工好各种弯管、箱、盒。
电线弯管可采用冷煨法及定型弯管。
2.2.2 箱、盒测位根据施工图纸确定箱、盒轴线位置,以土建弹出的水平线为基准,挂线找平,线坠找正,标出箱、盒实际位置。
成排、成列的箱、盒位置,应挂通线或十字线。
2.2.3 暗配的电线管路直沿最近的路线敷设,并应减少弯曲;埋入墙体或混凝土内的导管,与墙体或混凝土表面的净距不应小于15mm。
一、交底目的为确保套管预埋施工过程中的安全,提高施工人员的安全意识和操作技能,防止安全事故的发生,特进行本次安全技术交底。
二、工程概况1. 工程名称:[填写工程名称]2. 施工单位:[填写施工单位名称]3. 交底部位:[填写具体施工部位]4. 施工时间:[填写施工时间]5. 施工内容:套管预埋三、安全注意事项1. 人员配备与培训:- 施工人员必须经过专业培训,熟悉套管预埋施工工艺和安全操作规程。
- 新入场人员必须进行安全教育和技能培训,合格后方可上岗。
2. 施工前的准备工作:- 施工前,应对施工现场进行安全检查,确保施工环境安全。
- 仔细阅读施工图纸,了解套管预埋的具体要求。
3. 施工过程中的安全操作:- 施工人员应佩戴好安全帽、安全带等个人防护用品。
- 高处作业时,必须系好安全带,并采取防坠落措施。
- 使用电动工具时,应确保设备完好,并遵守操作规程。
- 严禁酒后作业、疲劳作业。
4. 材料与设备的安全使用:- 施工材料应堆放整齐,不得堵塞通道。
- 机械设备应定期检查和维护,确保其正常运行。
5. 施工现场的安全管理:- 施工现场应设置明显的安全警示标志。
- 严禁在施工现场吸烟、使用明火。
- 施工现场应保持整洁,及时清理施工垃圾。
四、事故处理1. 发生安全事故时,施工人员应立即停止作业,并报告现场负责人。
2. 现场负责人应立即组织人员进行救援,并采取必要措施控制事故扩大。
3. 及时上报相关部门,按照事故处理程序进行处理。
五、总结本次安全技术交底旨在提高施工人员的安全意识,确保套管预埋施工安全顺利进行。
施工人员应认真学习并严格遵守各项安全规定,共同营造一个安全、和谐、有序的施工环境。
六、附件1. 安全操作规程2. 安全防护用品使用指南3. 事故应急预案七、交底人:[填写交底人姓名]八、接收人:[填写接收人姓名]九、交底时间:[填写交底时间]十、备注:[填写其他需要说明的事项]。
地下室内墙后开孔及刚性防水套管内部封堵具体做法技术交底1. 背景介绍地下室内墙后开孔及刚性防水套管内部封堵是在地下建筑物中常见的施工工艺。
地下室内墙后开孔可以用于穿越电线、管道等设施,而刚性防水套管内部封堵则能有效保护地下室免受水浸的影响。
本文档将详细介绍该工作的具体做法。
2. 材料和设备准备在进行地下室内墙后开孔及刚性防水套管内部封堵工作之前,需要准备以下材料和设备:- 水泥:用于封堵开孔处以及刚性防水套管内部;- 砂浆:用于封堵空隙和裂缝;- 防水胶:用于增强防水效果;- 刚性防水套管:用于保护穿越设施;- 镐头、铁锹等施工工具;- 安全防护设备:包括安全帽、口罩、手套等。
3. 施工步骤3.1 地下室内墙后开孔首先,在确定开孔位置后,使用镐头、铁锹等施工工具进行地下室内墙的开孔工作。
开孔尺寸应符合设计要求,并保持开孔边缘整齐平直。
3.2 安装刚性防水套管将准备好的刚性防水套管插入开孔处,确保与墙体紧密贴合。
刚性防水套管的长度应适当,必要时可进行剪裁。
3.3 封堵开孔处使用水泥浆或砂浆将开孔处进行封堵,以保证墙体的完整性和稳定性。
封堵时应注意封堵材料的密实性和充实度,防止漏水现象的发生。
3.4 刚性防水套管内部封堵在刚性防水套管插入地下室内墙后,使用水泥浆或砂浆将其内部进行封堵。
封堵材料的使用可结合防水胶,以增强防水效果。
3.5 其他注意事项在施工过程中,需要注意以下事项:- 工地安全:进行施工前,必须落实安全措施,如佩戴安全防护设备、设置警示标识等;- 施工质量:施工人员应注意施工质量,避免出现封堵不严密、防水效果较差等问题;- 施工环境:应尽量保持施工环境干燥、清洁,避免封堵材料受到异物污染;- 项目验收:完成施工后,应进行项目验收,确保工程质量符合规范要求。
4. 安全注意事项在进行地下室内墙后开孔及刚性防水套管内部封堵工作时,需要注意以下安全事项:- 佩戴安全防护设备:施工人员应佩戴安全帽、口罩、手套等防护设备,保护自身安全;- 注意工地安全:施工前需检查工地安全状况,设置警示标识、防护网等;- 防止尘肺病:在施工过程中尽量减少扬尘,使用防尘措施保护室内空气质量;- 遵守操作规程:施工人员应按照操作规程进行施工,避免发生意外事故。
管道施工安全技术交底交底内容:1.扳手的开口尺寸应与螺栓、螺母尺寸相符合。
管子钳的开口尺寸应与管子、管件的尺寸相符合。
操作时应双手扶持,一手握手柄,一手握手柄,一手握钳头。
手柄不得套管子加长。
2.使用手锤,不得戴手套。
锤柄、锤头部位不得有油污,防止打滑。
锤头与锤柄连接牢固可靠。
挥锤时四周不得有障碍,人员应避让。
3.管子被夹于台钳或套丝机上,除本身应夹紧外,较长一侧管子应有支撑,使管子保持水平状态。
4.切断管子时,速度不得太快,快被切断跌落的管子,应将其托住,防止坠落伤人。
5.管子套丝时,人工套丝应防止扳把旋转打伤人或铰板未咬上口跌落伤人。
机械套丝不得戴手套操作,防止手被卷入。
6.弯管时,液压机应当注意检查液压软管完好,防止爆裂。
电动机应当注意旋转轴旋转时,手和衣服不得拉近旋转轴。
脱下弯管模具时,锤击不宜过重,防止脱模时伤人。
7.气、电焊作业时,应该先清除作业区的易燃易爆物品,并防止火星溅落于缝隙留下火种。
配合气、电焊作业时应戴防护眼镜或面罩。
8.在砖墙、楼板上打洞时,应戴防护镜。
快打穿时应通知隔墙或楼下人员,防止击穿时伤人。
9.人力搬运管子、阀门等时,小心轻装轻卸,动作一致,互相照应。
起吊重物,必须先仔细检查吊具、绳索是否可靠。
起吊重物时,吊起重物下不准站人。
10.架空管道未正式固定前,应有临时性绑扎或卡定,防止滚动、滑落。
11.管道安装前应清理和检查管道内杂物。
管道施工中途停工时应临时堵封管子敞口,防止小杂物进入管内。
12.阀门安装后,应关闭严密。
试压时可打开,试压后仍关闭。
待调试或试运时加以开启调节流量。
13.水压试验前,应检查一遍管线,有不符合设计规范和要求的立即修正,临时封堵应有足够的强度,阀件应开启到最大,孔板、调压阀、温度计等应拆除。
14.水压试验时,升压应缓慢,沿程管线应有专人巡视,压力在0.3Mpa以下允许紧螺栓和用手锤检查焊缝。
在法兰、盲板等处,人员应避开结合口。
严禁带压检测、修理,必须放压汇水后进行维修工作。
屋顶外墙后开孔及刚性防水套管内部封堵
具体做法技术交底
一、背景
在建筑施工过程中,为了安装管道或电缆等需要穿过屋顶外墙的设备,常常需要在外墙进行开孔处理。
然而,这些开孔会对建筑的防水性能造成影响,因此需要进行刚性防水套管的安装和内部封堵。
二、具体做法
1. 检查结构设计:在进行开孔处理之前,需要仔细检查建筑的结构设计,确认开孔位置不会影响建筑的结构稳定性和安全性。
2. 安装刚性防水套管:选择合适的刚性防水套管,并按照设计要求进行安装。
确保套管与外墙的紧密连接,避免水分渗漏。
3. 内部封堵:在刚性防水套管内部进行封堵,防止水分从套管中渗漏到建筑内部。
可以使用防水胶或密封材料进行封堵,确保封堵坚固可靠。
4. 检测防水效果:在完成内部封堵后,进行防水效果的检测。
可以使用水压测试等方法,确保防水性能符合要求。
5. 定期维护:为了保持刚性防水套管的良好状态,需要进行定
期维护。
定期检查套管和封堵材料的状况,并及时进行修复或更换。
三、安全注意事项
1. 在进行开孔处理和安装刚性防水套管时,需要采取适当的安
全防护措施,避免人员受伤或意外发生。
2. 在进行内部封堵时,避免使用对人体有害的材料,确保施工
安全和环境友好。
3. 在进行防水效果检测时,需要注意操作规范,避免对建筑和
设备造成损坏。
四、总结
通过对屋顶外墙后开孔及刚性防水套管内部封堵的具体做法进
行技术交底,可以保证施工质量和防水效果。
在施工过程中,要严
格按照设计要求进行操作,并注意安全和环保问题。
套管预留预埋技术交底作,其边缘应平整、无毛刺。
防护抗力片采用耐腐蚀材料制作,其厚度不得小于3mm,防护抗力片与密闭翼环之间应采用密封胶密封。
五、安全注意事项1.作业前必须进行安全交底,了解作业区域的安全情况和注意事项。
2.作业人员必须穿戴好安全防护用品,如安全帽、安全鞋等。
3.机具和工具必须经过检查,确保安全可靠。
4.作业过程中,必须注意周围环境和人员的安全,防止发生意外事故。
5.作业完成后,必须及时清理作业区域,保持整洁。
技术交底工程名称:XXX配套工程工序名称:套管预留预埋施工单位:XXX交底日期:2013年5月8日一、主要材料本工程所需的套管包括一般套管、刚性防水套管和人防密闭套管。
套管的规格应符合设计要求,管壁薄厚均匀,内外光滑整洁,无砂眼、裂纹、毛刺和疙瘩。
管材必须具备出厂合格证。
人防密闭套管应做好防腐除锈工作。
二、主要机具1.机械:切割机、电焊机、磨光机等。
2.工具:收据、手锤等。
3.其他:水平尺、线坠、钢卷尺、小线等。
三、作业条件穿剪力墙、穿楼板安装套管,其洞口尺寸和套管规格必须符合要求,坐标和标高必须正确。
根据土建专业楼板及墙体钢筋绑扎进度进行预留。
四、施工工艺1.工艺流程2.安装准备在认真熟悉图纸的基础上,根据施工方案和技术交底的具体措施做好准备工作。
参考有关专业图集和装修建筑图,核对各种管道的坐标和标高是否有交叉,以确保管道排列所用空间合理。
如有问题,及时与工长和有关人员研究解决。
3.预制加工1)按设计图纸在实际安装的结构位置做上标记,按标记分段量出实际安装的准确尺寸,记录在施工草图上,然后安装彩图测得尺寸预制加工、校对。
2)在地下室或建筑外墙应采取防震,防止不均匀沉降和防水措施,应做刚性防水套管。
一般套管和刚性防水套管的管径别管道管径大两号。
风管穿人防密闭墙的密闭套管与风管尺寸相同。
3)刚性防水套管安装制作示意图4)风管穿人防密闭墙必须预埋带有密闭翼环和防护抗力片的密闭穿墙短管。
屋顶外墙后开孔及刚性防水套管内部封堵具体做法技术交底一、概述本文档旨在介绍屋顶外墙后开孔及刚性防水套管内部封堵的具体做法技术交底。
以下将逐步详述工程的步骤和主要注意事项。
请施工人员仔细阅读并按照操作要求进行施工。
二、施工步骤1. 准备工作- 确保施工区域清洁,并清除任何障碍物以确保施工安全。
- 根据需要,将所需工具和材料准备齐全。
2. 确定开孔位置- 根据设计要求和实际需要,在屋顶外墙确定开孔位置。
- 仔细测量和标记开孔位置,确保准确性。
3. 进行开孔工作- 使用适当的工具,在预定位置上进行开孔。
- 根据具体情况选择合适的开孔方法,确保开孔的整洁和平整。
4. 确定刚性防水套管尺寸- 根据开孔的尺寸和所需的管道尺寸,确定合适的刚性防水套管尺寸。
- 确保刚性防水套管与开孔尺寸相匹配,以便后续安装。
5. 安装刚性防水套管- 将刚性防水套管安装到开孔位置,确保套管紧密贴合屋顶外墙。
- 使用适当的固定材料或方法,将刚性防水套管固定在开孔位置。
6. 内部封堵- 根据需要,选择合适的封堵材料填充刚性防水套管内部。
- 确保封堵材料能够有效防止水漏,并确保施工质量。
三、注意事项1. 施工人员应遵守相关安全操作规范,佩戴适当的个人防护装备,确保施工安全。
2. 在进行任何施工之前,施工人员应仔细阅读并理解设计图纸和施工图纸。
3. 施工人员应保持施工区域的清洁,并及时清理施工垃圾。
4. 如有需要,可以根据具体情况对施工步骤进行相应调整,但需保证施工质量和安全。
四、结论本文档详细介绍了屋顶外墙后开孔及刚性防水套管内部封堵的具体做法技术交底。
请施工人员按照文档指引进行施工,并确保施工质量和安全。
以上所述为屋顶外墙后开孔及刚性防水套管内部封堵具体做法技术交底的内容,请遵守相关要求进行施工。
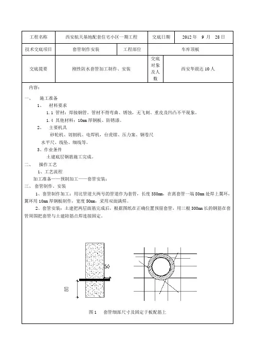
技术交底项目套管制作安装工程部位车库顶板交底提要刚性防水套管加工制作、安装交底对象及人数西安华晨达10人内容:一、施工准备1、材料要求1.1 管材:焊接钢管。
管材不得弯曲、锈蚀,无飞刺、重皮及凹凸不平现象。
1.4 其他材料:10mm厚钢板、防锈漆。
2、主要机具砂轮机、切割机、电焊机,台虎钳、压力案、钢卷尺水平尺、线坠、细线等。
3、作业条件土建底层钢筋施工完成。
二、操作工艺1、工艺流程加工准备——预制加工——套管安装;三、套管制作、安装1、套管制作加工:用比管道大两号的管道作为套管,长度350mm,在离套管一端80mm处焊上翼环,翼环用10mm厚钢板制作,宽度50mm,采用双面满焊。
2、套管安装:土建把两层面筋完成后,根据图纸在正确位置预留套管,用三根300mm长的钢筋在套管周围把套管与土建陪筋点焊连接固定。
图1 套管细部尺寸及固定于板配筋上技术交底项目套管制作安装工程部位车库顶板交底提要刚性防水套管加工制作、安装交底对象及人数西安华晨达10人内容:三、质量要求1、焊口平直,焊缝饱满,焊口表面无烧穿、裂纹和明显结瘤、加渣及气孔等缺陷,。
2、安装套管前要认真看好图纸,要找准管道穿楼板位置,准确预留好套管。
3、套管安装应该与结构板面垂直。
4、土建在浇筑混凝土时要派人员看守,防止套管倾倒或歪斜。
四、安全要求1、在进入施工现场时必须佩戴好安全帽,高于地面2米处施工作业必须按要求戴好安全带。
2、施工现场严禁吸烟,酒后不得进入施工现场。
3、严禁高空坠物或乱扔杂物。
工程用的各种材料、设备进行吊运、安装时,工作物必须捆扎固定牢固,避免坠落伤人。
4、电气焊作业必须办理动火票,动火现场必须配备灭火器,灭火器距动火现场不得大于三米。
动火前先检查和清除周围、上下等部位的易燃物品,确认无误后方能施工,电气焊作业时,应尽量使用接渣盆,避免焊渣下落发生火灾。
施工完毕后应检查和清除周围、上下等部位的焊渣和焊接废弃物。
5、焊工必须持焊工操作证上岗作业,不得无证上岗。
1.本表由施工单位填,交底单位与接受交底单位各保存一份。
审核人
交底人
接受交底人
1. 本表由施工单位填,交底单位与接受交底单位各保存一份。
技术交底记录
表C2—1
资料编号 000
工程名称 小红门再生水厂—生物滤池 交底日期 2014年 00 月00日
施工单位 北京城建安装集团有限公司 分项工程名称
交底提要
防水套管打口
2、墙厚为400
3、人孔
审核人
交底人
接受交底人
1. 本表由施工单位填,交底单位与接受交底单位各保存一份。
技术交底记录
表C2—1
资料编号 000
工程名称 小红门再生水厂—生物滤池 交底日期 2014年 00 月00日
施工单位 北京城建安装集团有限公司 分项工程名称
交底提要
防水套管打口
5、成品保护
5.1填打后的接口应及时养护保温。
打好口的管道不得碰撞和扭转. 5.2养护用草袋或草绳掩盖,养护时间不少于7天 6、应注意的问题
石棉水泥填料应在1h 内用完,否则,超过水泥初凝时间,影响接口效果,石棉水泥养护需在24h 以上,方可通水试验。
地下室内墙后开孔及刚性防水套管内部封堵具体做法技术交底一、背景地下室内墙后开孔及刚性防水套管内部封堵是确保地下室内墙在施工过程中不受水渗透影响的重要工序。
本文档旨在介绍该工序的具体做法技术及操作流程。
二、具体做法技术交底1. 准备工作:a. 确认需要开孔的位置和数量,并在墙面标出孔洞位置。
b. 准备好所需的材料和工具,例如电动钻、扳手、防水胶等。
2. 开孔:a. 使用电动钻根据标出的孔洞位置逐个进行开孔。
开孔直径应根据防水套管的外径大小而定,确保套管能够顺利通过孔洞。
b. 确保开孔的位置和间距与设计要求相符,并避免损坏墙体结构。
3. 安装防水套管:a. 将防水套管从外部穿入开好的孔洞中,确保套管的长度足够覆盖墙体内外两侧。
b. 使用扳手将套管固定在墙体上,确保其牢固不动。
4. 内部封堵:a. 在套管内壁均匀涂抹防水胶,确保内部封堵均匀牢固。
b. 注意防水胶的使用量,不能过多或过少,以免影响封堵效果。
5. 检查与清理:a. 检查所有开孔和套管是否安装正确,确保没有遗漏或疏忽。
b. 清理施工现场及工具,确保整洁。
三、安全注意事项在进行地下室内墙后开孔及刚性防水套管内部封堵作业时,务必注意以下安全事项:1. 佩戴适当的个人防护装备,例如手套、口罩和安全眼镜。
2. 确保工具和设备处于良好状态,并由专业人员操作。
3. 遵守操作规程和安全操作规范,以防止意外伤害的发生。
以上是地下室内墙后开孔及刚性防水套管内部封堵的具体做法技术交底。
在施工过程中,务必严格按照相关规范和要求进行操作,以确保施工质量和安全。
人防工程穿墙钢套管制作技术交底
混凝土墙内焊接钢套管施工准备
一、作业条件:
在土建墙体、梁、柱、钢筋绑扎完成后支立模板前进行.
二、材质要求
1、钢管的材质必须合格。
必须符合设计要求
2、外观检查钢管壁厚均匀、焊缝均匀、无霹裂、无刺砂眼、棱刺和凹扁等缺陷。
3、闭肋钢板,无夹渣。
三、钢套管制作具体要求
1、钢管切断
对于直径在20mm以上的管路可以使用钢锯或切割和切断,但必须用钢锉把管口内外的毛刺修整平齐,管口平整光滑。
2、管闭肋制作焊接
水施:穿外墙闭肋中间双面满焊(s≥10mm b≥50mm)
穿顶板临空墙闭肋中间双面满焊(s≥5mm b≥50mm)
电施:穿外墙及顶板闭肋中间双面满焊(s≥3mm b≥50mm)
通风:穿墙套管为s≥3mm钢板制双面满焊闭肋(s≥3mm b≥50mm)
焊闭肋:无断焊、夹渣。
一、交底对象全体参与套管预埋施工的施工人员、管理人员及监理人员。
二、交底目的为确保套管预埋施工过程中的安全,预防安全事故的发生,提高施工人员的安全意识,特进行安全技术交底。
三、交底内容1. 施工前的准备工作1.1 施工人员必须经过专业培训,了解套管预埋的相关知识和操作技能,并取得相应的操作资格。
1.2 施工前,应详细阅读施工图纸,了解工程的具体要求,明确施工范围、施工顺序和施工方法。
1.3 检查施工场地,确保场地平整、清洁,无障碍物,施工道路畅通。
2. 施工过程中的安全注意事项2.1 人员安全:- 施工人员必须佩戴安全帽、安全带等个人防护用品。
- 施工现场禁止吸烟、喝酒,禁止操作人员酒后上岗。
- 严禁高空作业人员擅自离岗或超负荷作业。
2.2 机械安全:- 使用机械设备前,必须检查设备是否完好,确保安全可靠。
- 机械设备操作人员必须熟悉设备性能,严格按照操作规程进行操作。
- 机械设备操作区域设置明显的警示标志,防止无关人员进入。
2.3 施工材料安全:- 施工材料必须符合国家相关标准,不得使用不合格材料。
- 材料堆放整齐,不得占用消防通道和施工通道。
- 防止材料因受潮、受热等原因发生变质、损坏。
2.4 预埋套管安全:- 根据设计要求,准确预留预埋套管的位置和尺寸。
- 套管安装牢固,不得出现松动、倾斜等现象。
- 套管与墙体、楼板连接紧密,防止漏水、漏气。
3. 施工过程中的应急措施3.1 发生火灾时,立即切断电源,使用灭火器进行灭火,并迅速撤离现场。
3.2 发生触电事故,立即切断电源,使用绝缘工具进行施救,并立即拨打急救电话。
3.3 发生高空坠落事故,立即进行现场救援,并立即报告相关部门。
四、交底要求1. 施工人员必须认真听取安全技术交底,了解施工过程中的安全注意事项。
2. 施工人员应严格遵守安全操作规程,确保施工安全。
3. 施工现场设立安全警示标志,提醒施工人员注意安全。
4. 施工单位应定期对施工人员进行安全教育培训,提高施工人员的安全意识。
屋顶外墙后开孔及刚性防水套管内部封堵具体做法技术交底1. 简介在建筑施工中,屋顶外墙后开孔及刚性防水套管内部封堵是一项重要的工作,目的是为了防止雨水或其他物质渗透进建筑物内部,确保建筑的安全性和使用功能。
本文将详细介绍屋顶外墙后开孔及刚性防水套管内部封堵的具体做法。
2. 原材料准备在进行屋顶外墙后开孔及刚性防水套管内部封堵之前,需要准备一些必要的原材料和工具:- 防水堵料:选择耐水性好、粘结力强的防水堵料,可根据具体情况选择合适的类型。
- 封堵工具:如刮板、铁锤、扳手等,根据需要进行选择和准备。
3. 施工步骤3.1 准备工作在进行屋顶外墙后开孔及刚性防水套管内部封堵之前,需要先进行相关的准备工作:- 清理开孔周围:将开孔周围的尘土、碎石等杂物清理干净,确保封堵材料能够充分接触到建筑物表面。
- 确定封堵材料选择:根据开孔的位置、尺寸和材料特性,选择适合的防水堵料进行封堵。
3.2 施工步骤1. 刮平封堵面:使用刮板将防水堵料刮平封堵面,确保封堵面干净、平整。
2. 涂抹防水堵料:将选定的防水堵料均匀涂抹在开孔和刚性防水套管内部的表面,确保全面覆盖,并注意不能有任何漏洞。
3. 压实封堵材料:使用铁锤等工具将防水堵料压实,确保其充分与建筑物表面粘结。
4. 调平封堵面:用刮板或其他工具将防水堵料表面调平,使其与周边墙面保持一致的平整度。
5. 确认封堵效果:经过一段时间的固化,检查封堵面是否出现开裂、渗漏等情况,及时进行修补,确保封堵效果。
4. 注意事项在进行屋顶外墙后开孔及刚性防水套管内部封堵过程中,需要注意以下事项:- 选用合适的防水堵料,确保其耐水性和粘结力。
- 施工过程中要保持封堵面的干净、平整,确保封堵效果。
- 严格按照施工步骤进行操作,不得偷工减料。
- 在封堵完成后,要进行封堵效果的检查,及时修补漏洞,确保封堵效果有效。
5. 结论屋顶外墙后开孔及刚性防水套管内部封堵是一项关乎建筑物安全的重要工作。
钢性套管施工技术交底
1、为确保本工程施工质量达到优良标准,施工班组在施工前必须树立“质量第一”思想,重视
施工质量,认真熟悉图纸,了解施工规范,精心施工,增强“创建品牌工程,让顾客满意”的质量目标意识。
2、施工前班组必须熟悉管道设计图上套管埋设位置的座标及标高尺寸,并参考土建结构图,是
否有防碍,如有变化应及时向施工员反映,在取得确认后,才能施工。
3、根据施工图设计要求,参照土建结构外墙及水箱碎板墙的厚度,计算出套管的实际长度,进
行落料加工制作,制作后送至现场堆放整齐,以备使用。
4、凡穿越地下室外墙及水池水箱的所有进出水管道,在其碎墙体内部都必须埋设带有阻水圈
的防水套管,且套管的管径应比所穿越管道的管径大2档。
5、套管的阻水翼环应焊接在套管长度的1/2处,翼环的两边都必须满焊,且焊缝无咬肉,气孔,
夹渣和裂纹等现象。
6、钢性(防水)套管翼环钢板厚度的选择应根据套管的管径而定,但至少不小于5mm,翼环的
宽度不应小于50mmo
7、在地下室埋设防水套管时,应在套管一端的内壁5mm处加焊一块钢盲板,盲板的厚度不小于
3mm,焊接不应渗水。
焊有盲板的一端应敷设在内墙侧,便于今后安装管道时气割操作。
8、套管的埋设应在土建扎好钢筋,拦好单面模板后,及时配合土建交叉施工。
9、埋设套管必须根据设计图要求,正确设置.套管的坐标位置的允许偏差不大于20mm,标高位
置允许偏差应不大于IOmmo
10、套管应牢固地固定在钢筋上或木模板上。
严禁将套管焊上焊死在钢模板上,严禁擅自切割
结构主钢筋。
11、埋设好的套管,应在其管口两端用填充物严密封堵,以免在浇捣碎时,渗入沙浆堵塞管道。
12、套管埋设完毕后,在未封模板前,班组应及时作好自检,认真仔细核对设计图上套管埋设
位置的坐标及标高尺寸,填写好班组自检单,报施工员复核,并进行隐蔽验收签证。
接受交底人签字:
交底人签字:。