建设工程文件归档范围和保管期限
- 格式:doc
- 大小:59.89 KB
- 文档页数:10
建设项目文件材料归档范围和保管期限表一、工程准备阶段文件(一)、项目立项文件1、项目建议书及批复意见永久2、项目可行性研究报告及其批复文件永久3、项目立项申请及批复文件永久4、关于项目立项的有关会议纪要、领导讲话永久(二)、项目征地文件1、项目选址意见书及其审批文件永久2、土地出让协议、补偿协议永久3、拆迁安置意见、协议、方案等永久4、建设工程用地规划许可证永久5、建设单位用地申请表及建设用地批准书永久6、国有土地使用权出让合同(正、副本)永久7、国有土地使用证永久(三)、项目勘察、测绘、设计文件1、工程地质勘察报告永久2、水文地质勘察报告、自然条件、地质调查永久3、建设用地钉桩通知单(书)永久4、建设工程设计任务书及其批复文件永久5、总体规划设计及其批复文件永久6、方案设计及其批复文件永久7、初步设计及其批复文件、8、技术设计及其批复文件永久9、施工图设计及其说明长期10、设计计算书长期11、建设工程施工图纸及技术资料报告书长期12、施工图设计文件审查批准书、审查报告、审查备案书永久13、建筑工程消防设计审核意见书永久14、防雷装置施工图设计文件核查书永久(四)工程招标文件1、工程勘察、设计招标文件长期2、勘察、设计合同永久3、施工招标文件(工程招投标代理合同、招标公告、招标书、施工招标报名登记表、投标单位法人代表资格证明书、投标单位授权委托书、投标书、施工招标中标通知书)长期4、施工承包合同永久5、工程监理招标文件长期6、监理委托合同永久(五)、工程开工审批文件1、建设项目投资计划申请表、土地建设项目年度投资计划书、投资项目核准登记表及投资许可证永久2、建设环境影响评价技术咨询合同永久3、建设项目环境保护申请登记表、建设项目环境影响报告表及批复、行政许可申请材料登记及准予行政许可决定书永久4、防空地下室工程建设审批表永久5、固定资产投资方向调节税完税凭证、免征工程项目建筑税的申请及批文、免征工程配套费的请示及批文永久6、工程建设项目报建申报表、登记表永久7、规划审批申报表及建设工程规划许可证永久8、建筑节能工程告知性备案登记表永久9、建设工程质量监督登记表、申报表永久10、工程项目监理登记表永久11、临时占用、掘动道路申请表短期12、建筑工程施工许可证申请表、建设工程施工许可证永久13、建设工程施工安全监督申报表、建设工程安全措施备案表永久14、建设安全文明施工措施费(发票)拆迁情况报告长期15、项目法人责任制保证书、身份证明书、建设单位资质证明、勘察、设计、施工、监理单位资质证、营业执照长期16、总包(分包)施工企业资质审查表(监档表1—7)长期17、建设单位质量管理人员登记审查表(监档表1—8)长期18、施工单位质量管理人员登记审查表(监档表1—9 )长期19、施工单位特工种人员登记审查表(监档表1—10)长期20、抽样人员授权书(监档表1—11)长期21、见证人员授权书(监档表1—12)长期(六)、工程财务文件1、工程设计概算材料长期2、施工图预算材料长期3、施工预算长期4、工程决算永久(七)、建设、施工、监理机构及负责人1、工程项目管理机构(项目经理部)及其负责人名单长期2、工程项目监理机构(项目监理部)及其负责人名单长期3、工程项目施工管理机构(施工项目经理部)及其负责人名单长期二、施工文件(一)、建筑安装工程1、开工报告长期2、工程技术要求、技术交底、图纸会审纪要长期3、施工组织设计、方案及报批文件、施工计划、施工技术及安全措施文件、施工工艺长期4、施工预算的编制和审核短期5、施工日志长期6、工程定位、基槽开挖线测量资料长期7、施工安全、环保措施短期8、地基钎探记录和钎探平面布点图长期9、验槽记录和地基处理记录长期10、桩基施工、试桩记录长期11、设计会议会审、设计变更、工程洽商记录长期12、施工材料砂、石、砖、水泥、钢筋、防水材料、隔热保温、防腐材料、轻集料汇总表长期13、砂、石、砖、水泥、钢筋、防水材料、隔热保温、防腐材料、轻集料出厂证明文件长期14、砂、石、砖、水泥、钢筋、防水材料、轻集料、焊条、沥青复试试验报告长期15、预制构件(钢、混凝土)出厂合格证、试验记录长期16、工程物质选样送审表、进场物质批次汇总表、工程物质进场报验表短期17、施工试验记录(1)、土壤(素土、灰土)干密度试验报告长期(2)、土壤(素土、灰土)击实实验报告长期(3)、砂浆配合比通知单长期(4)、砂浆(试块)抗压强度试验报告长期(5)、混凝土配合比通知单长期(6)、混凝土(试块)抗压强度试验报告长期(7)、混凝土抗渗试验报告长期(8)、商品混凝土出厂合格证、复试报告长期(9)、钢筋接头(焊接)试验报告长期(10)、防水工程试水检查记录长期(11)、楼地面、屋面坡度检查记录长期(12)、土壤、砂浆、混凝土、钢筋连接、混凝土抗渗试验报告汇总表长期18、隐蔽工程检查记录(1)、基础和主体结构钢筋工程永久(2)、钢结构工程永久(3)、防水工程永久(4)、高程控制永久19、施工记录(1)、定位测量检查记录长期(2)、预检工程检查记录长期(3)、冬施混凝土搅拌测温记录长期(4)、冬施混凝土养护测温记录长期(5)、烟道、垃圾道检查记录长期(6)、沉降观测记录长期(7)、机构吊装记录长期(8)、现场施工预应力记录长期(9)、工程竣工测量长期(10)、新型建筑材料长期(11)、施工新技术长期20、工程质量事故处理记录永久21、工程质量检验记录长期(1)、检验批质量验收记录长期(2)、分项工程质量验收记录长期(3)、基础、主体工程验收记录长期(4)、幕墙工程验收记录长期(5)、分部(子分部)工程质量验收记录长期(二)电气、给排水、消防、采暖、通风、空调、燃气、建筑智能化、电梯工程1、一般施工记录(1)、施工组织设计长期(2)、技术交底长期(3)、施工日志长期2、图纸变更记录(1)、图纸会审长期(2)、设计变更长期(3)、工程洽商长期3、设备、产品质量检查、安装记录(1)、设备、产品质量检查、安装记录长期(2)、设备装箱单、商检证明和说明书、开箱报告长期(3)、设备安装记录长期(4)、设备试运行记录长期(5)、设备明细表长期4、预检记录长期5、隐蔽工程检查记录长期6、施工试验记录(1)电气接地电阻、绝缘电阻、综合布线、有线电视末端等测试记录长期(2)楼宇自控、监视、安装、视听、电话等系统调试记录长期(3)变配电设备安装、检查、通电、满负荷测试记录长期(4)给排水、消防、采暖、通风、空调、燃气等管道强度、严密性、灌水、通水、吹洗、漏风、试压、通球、阀门等试验记录长期(5)电气照明、动力、给排水、消防、采暖、通风、空调燃气等系统调试、试运行记录长期(6)电梯接地电阻、绝缘电阻测试记录;空载、半载、满载、超载试运行记录;平衡、运速、噪声调整试验报告长期7 、质量事故处理记录长期8、工程质量检验记录(1)检验批质量验收记录长期(2)分项工程质量验收记录长期(3)分部(子分部)工程质量验收记录长期(三)室外工程1、室外安装(给水、雨水、污水、热力、燃气、电讯、电力、照明、电视、消防等)施工文件长期2、室外建筑环境(建筑小品、水景、道路园林绿化等)施工文件长期二、监理文件(一)、施工监理文件、资料1、监理合同协议、监理大纲、监理规划、细则及批复长期2、施工及设备器材供应单位资质审核、设备、材料报审长期3、施工组织设计、施工方案、施工计划、技术措施、审核、施工进度、延长工期、索赔及付款报审长期4、(停、复、返)工令、许可证、中间验收证明书长期5、设计变更、材料、零部件、设备代用审批长期6、监理通知、协调会审纪要、监理工程师指令、指示、来往函件长期7、工程材料监理检查、复查、实验记录、报告长期8、监理日志、监理周(月、季、年)报、备忘录长期9、各项测控量成果及复核文件、外观、质量、文件等检查、抽查记录长期10、施工质量检查分析评估、工程质量事故、施工安全事故报告长期11、工程进度计划、事实、分析统计文件长期12、单元工程检查及开工(开仓)签证,工程分部分项质量认证、评估长期13、主要材料及工程投资计划、完成报表长期(二)、设备采购、监造工作监理资料1、设备采购委托监理合同、采购方案、监造计划长期2、市场调查、考察报告长期3、设备制造的检查计划和检验要求、检验记录及试验报告、分包单位资格报审表长期4、原材料、零配件等的质量证明文件和检验报告长期5、开工、复工报审表、暂停令长期6、会议纪要、来往文件长期7、监理工程师通知单、监理工作联系单长期8、监理日志、监理月报长期9、质量事故处理文件、设备制造索赔文件长期10、设备验收、交接文件、支付证书和设备制造结算审核文件长期11、设备采购,监造工作总结长期(三)、监理工作声像材料。
附录G建设工程文件归档范围和保管期限表续表续表续表续表序号归档文件保存单位和保管期限建设单位施工单位设计单位监理单位城建档案馆2 室外建筑环境(建筑小品、水景、道路、园林绿化等)施工文件长期√二市政基础设施工程(一) 施工技术准备l 施工组织设计短期短期2 技术交底长期长期3 图纸会审记录长期长期√4 施工预算的编制和审查短期短期(二) 施工现场准备1 工程定位测量资料长期长期√2 工程定位测量复核记录长期长期√3 导线点、水准点测量复核记录长期长期√4 工程轴线、定位桩、高程测量复核记录长期长期√5 施工安全措施短期短期6 施工环保措施短期短期(三) 设计变更、洽商记录1 设计变更通知单长期长期√2 洽商记录长期长期√(四) 原材料、成品、半成品、构配件、设备出厂质量合格证及试验报告1 砂、石、砌块、水泥、钢筋(材)、石灰、沥青、涂料、混凝土外加剂、防水材料、粘接材料、防腐保温材料、焊接材料等试验汇总表长期√2 砂、石、砌块、水泥、钢筋(材) 、石灰、沥青、涂料、混凝土外加剂、防水材料、粘接材料、防腐保温材料、焊接材料等质量合格证书和出厂检(试)验报告及现场复试报告长期√3 水泥、石灰、粉煤灰混合料、沥青混合料、商品混凝土等试验汇总表长期√4 水泥、石灰、粉煤灰混合料、沥青混合料、商品混凝土等出厂合格证和试验报告现场复试报告长期√5 混凝土预制构件、管材、管件、钢结构构件等试验汇总表长期√6 混凝土预制构件、管材、管件、钢结构构件等出厂合格证书和相应的施工技术资料长期√7 厂站工程的成套设备、预应力混凝土张拉设备、各类地下管线井室设施、产品等汇总表长期√序号归档文件保存单位和保管期限建设单位施工单位设计单位监理单位城建档案馆①桩基位置平面示意图长期长期√②打桩记录长期长期√③钻孔桩钻进记录及成孔质量检查记录长期长期√④钻孔(挖孔)桩混凝土浇灌记录长期长期√3 构件设备安装和调试记录①钢筋混凝土大型预制构件、钢结构等吊装记录长期长期②厂(场)、站工程大型设备安装调试记录长期长期√4 预应力张拉记录①预应力张拉记录表长期√②预应力张拉孔道压浆记录长期√③孔位示意图长期√5 沉井工程下沉观测记录长期√6 混凝土浇灌记录长期7 管道、箱涵等工程项目推进记录长期√8 构筑物沉降观测记录长期√9 施工测温记录长期10 预制安装水池壁板缠绕钢丝应力测定记录长期√(七) 预检记录1 模板预检记录2 大型构件和设备安装前预检记录短期3 设备安装位置检查记录短期4 管道安装检查记录短期5 补偿器冷拉及安装情况记录短期6 支(吊)架位置、各部位连接方式等检查记录短期7 供水、供热、供气管道吹(冲)洗记录短期8 保温、防腐、油漆等施工检查记录短期(八) 隐蔽工程检查(验收)记录长期长期√(九) 工程质量检查评定记录1 工序工程质量评定记录长期长期2 部位工程质量评定记录长期长期3 分部工程质量评定记录长期长期√(十) 功能性试验记录1 道路工程的弯沉试验记录长期√注:“√”表示应向城建档案馆移交。
建设工程文件归档范围工民建工程文件归档范围依照中华人民共和国建设部、国家质量监督检验检疫总局联合发布的《建设工程文件归档整理规范》制订,共有五个部分组成:A、工程准备阶段文件;B、工程施工文件;C、工程监理文件;D、竣工图;E、竣工验收文件。
以下归档内容要求交原件,签章完整清晰。
自二O一二年三月修改实施。
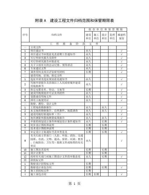
工程准备阶段文件一、立项文件1、项目建议书、建设项目的批复、申请报告2、可行性研究报告及审批意见3、关于立项的有关会议纪要、领导讲话、专家建议二、建设用地、征地、拆迁文件1、选址申请、建设用地规划许可证、用地规划红线图、建设项目规划设计条件(复印件)2、土地转让合同、划拨用地文件3、拆迁安置意见、协议、方案4、国有土地使用证(复印件)三、开工前职能部门审批文件1、建设工程规划许可证、红线图、设计要求、审定意见书、工程规划审批表2、安全备案3、工程施工许可证4、固定资产投资许可证5、资金来源审批表6、消防审核意见书、消防验收意见书(竣工后)7、有关人防、园林、交通、市政、文物、卫生、环卫、环保、规划、燃气等行政主管部门的联审文件8、白蚁防治合格证四、勘察、测绘、设计文件1、工程地质勘察报告2、水文地质勘察报告3、建筑物红线放样报告4、测绘成果报告(放样)5、技术图纸说明、施工图设计文件的审批意见(施工图设计文件审查报告)6、防雷装置设计核准意见书、防雷装置验收意见书、防雷检测报告五、招投标文件及合同1、招投标文件、中标公证书及附表五份(施工、监理)2、施工承包合同(土建、水电、钢结构等各单独承包的部分)3、监理委托合同4、质监委托书(注册本)5、质监监督报告(竣工后)六、建设、施工、管理机构及负责人1、工程项目管理机构及负责人名单2、工程项目监理机构及负责人名单3、工程项目施工机构及负责人名单建筑安装工程施工文件一、土建(建筑与结构)工程1、施工技术准备文件(1)施工图会审记录、设计变更记录、变更技术联系单(土建、电气、给排水)(2)开工、竣工报告(3)施工组织设计、技术交底(4)施工日记、砼施工日记2、施工现场准备(1)工程定位测量资料(2)基槽开挖测量资料(3)控制网设置资料3、地基处理记录(1)地基钎探记录、钎探平面布点图(2)验槽记录和地基处理记录(3)桩基施工记录、试桩记录4、施工材料预制构件质量证明文件及复试试验报告(1)砂、石、砖、水泥、钢筋、防水材料、隔热保温、防腐材料等试验汇总表、出厂证明及合格证(2)砂、石、砖、水泥、钢筋、防水材料、焊条、沥青复试试验报告(3)预制构件(钢、混凝土)出厂合格证、试验记录5、施工试验记录(1)土壤(素土、灰土)干密度试验报告(2)混凝土(试块)抗压强度试验报告(3)混凝土出厂合格证、复试报告(4)钢筋接头(焊接)试验报告6、隐蔽工程检查记录(1)基础和主题结构钢筋工程(2)钢结构工程(3)防水工程7、技术复核记录8、施工记录(1)沉降观测记录、吊装记录(2)现场施工预应力记录(3)垂直物高度测量记录(4)屋面蓄水淋水记录9、工程质量事故处理记录10、工程质量检验记录(1)基础、主体工程验收记录(法人章)(2)幕墙工程验收记录(3)结构中间验收记录(法人章)(4)分项、分部(子分部)工程质量验收记录、检验批(5)单位(子单位)工程质量竣工验收记录、单位(子单位)工程质量控制资料检查记录、单位(子单位)工程质量安全和功能检验资料检查及主要功能抽查记录、单位(子单位)工程观感质量检查记录(6)基础、主体、单位工程竣工总结(法人章)二、电气、给排水、消防、采暖、通风、空调、燃气、电梯、智能化工程1、设备、产品质量检查、安装记录(1)设备、产品质量合格证、质保书(2)设备安装记录(3)设备试运行记录2、隐蔽工程检查记录3、施工试验记录(1)电气接地电阻、绝缘电阻、综合布线、有线电视末端等测试报告(2)自控、监视、安装、视听、电话等系统调试记录(3)变配电设备安装、检查、通电、满负荷测试记录(4)给排水、消防、采暖、通风、空调、燃气等管道强度、严密、灌水、试压、通球、阀门等试验记录(5)电气照明、动力、给排水、消防、采暖、通风、空调、燃气系统调试、试运行记录(6)电梯接地电阻、绝缘电阻测试记录、空载、满载、超载记录、运行、噪声调试报告4、质量事故处理5、分部工程验收记录(法人章)、子分部工程验收记录、检验批三、室外工程1、室外安装(给水、雨水、污水、热力、燃气、通讯、电视、电力、照明、消防)等施工记录2、室外建筑环境、道路、园林、绿化、景观等施工记录监理文件1、监理规划(法人章)2、监理实施细则(法人章)3、监理月报中有关质量问题4、监理会议纪要5、工程开工/复工审批表、暂停书6、不合格项目通知7、质量事故报告及处理意见8、工程竣工决算审核意见书9、工程延期报告及审批10、合同争议、违约处理11、质量评估意见报告(基地、主体、单位工程)(法人章)竣工图1、总平面布置图2、综合图3、建筑竣工图4、结构竣工图5、电气(智能化)竣工图6、给排水(消防)竣工图7、采暖、燃气等竣工图8、装饰工程竣工图9、地下官网(给水、雨水、污水、热力、燃气、通讯、电视、电力、照明、消防)布置图10、室外道路、绿化、景观等专业图竣工验收文件1、测绘成果报告、房屋建筑面积测绘成果书2、安全评价报告、室内环境检测报告3、分户验收(附件一、二法人章)4、工程质量保修书5、工程竣工验收报告及会议纪要6、勘察、设计、施工等单位分别签署的质量合格文件7、规划、环保、消防、人防、环卫、绿化、燃气、防雷等各专项验收认可文件8、工程验收备案表9、住宅质量保证书及使用说明书10、业主出具的本工程水、电路及配套设施完成的证明11、工程结算书、审计报告12、声像档案(工程照片、录音、录像材料)。
建设工程施工文件的归档范围一、前言建设工程施工文件的归档管理是建设工程施工管理中的一个重要环节,是对建设工程施工过程的完整记录和证明,是建设工程施工质量和进度的重要依据。
建设工程施工文件归档管理的范围涉及地基与基础工程、建筑工程、钢结构工程、市政公用工程、装饰装修工程、电气与通信工程、给排水与暖通工程、机电设备安装工程、施工机具使用和施工安全等各个方面。
建设工程施工文件归档管理的范围的确立和实施对于建设工程的管理工作具有重要意义。
本文将就建设工程施工文件的归档范围进行详细阐述。
二、建设工程施工文件的分类1. 地基与基础工程地基与基础工程施工的文件归档主要包括土建勘察报告、土建设计文件、勘察设计变更、基础施工方案、基础验收报告等。
这些文件对于建筑结构的安全和稳定具有重要意义,需要进行严格的归档和管理。
2. 建筑工程建筑工程施工的文件归档主要包括建筑施工设计图纸、扩初设计文件、建筑结构验收报告、建筑主体验收报告等。
这些文件是建筑工程品质和结构安全的重要依据,需要进行仔细的归档管理。
3. 钢结构工程钢结构工程施工的文件归档主要包括钢结构设计文件、钢结构施工方案、钢结构验收报告等。
这些文件对于钢结构的安全和质量具有重要意义,需要进行严格的归档管理。
4. 市政公用工程市政公用工程施工的文件归档主要包括市政工程设计文件、市政工程施工方案、市政工程验收报告等。
这些文件对于市政公用设施的质量和安全具有重要意义,需要进行严格的归档管理。
5. 装饰装修工程装饰装修工程施工的文件归档主要包括装饰设计文件、装饰施工方案、装饰质量验收报告等。
这些文件对于建筑装饰的美观和品质具有重要意义,需要进行仔细的归档管理。
6. 电气与通信工程电气与通信工程施工的文件归档主要包括电气设计文件、通信设计文件、电气与通信施工方案、电气与通信验收报告等。
这些文件对于电气与通信设施的安全和稳定具有重要意义,需要进行严格的归档管理。
7. 给排水与暖通工程给排水与暖通工程施工的文件归档主要包括给排水与暖通设计文件、给排水与暖通施工方案、给排水与暖通验收报告等。
建设工程档案归档整理管理规定一、总则为了加强建设工程档案的管理,确保工程档案的完整、准确、系统,更好地为工程建设和城市管理服务,根据国家有关法律法规和标准规范,结合本地区实际情况,制定本规定。
本规定适用于本地区各类新建、改建、扩建的建设工程档案的归档整理管理。
二、建设工程档案的定义和范围建设工程档案是指在工程建设活动中直接形成的具有保存价值的文字、图表、声像等各种形式的历史记录。
包括但不限于工程准备阶段文件、监理文件、施工文件、竣工图、竣工验收文件等。
三、建设工程档案的归档要求(一)真实性建设工程档案应真实反映工程建设的实际情况,不得伪造、篡改。
(二)完整性归档的文件材料应齐全完整,不得遗漏。
(三)准确性文件内容应准确无误,数据可靠,签字盖章手续完备。
(四)规范性文件的格式、编号、装订等应符合相关规范要求。
四、建设工程档案的整理要求(一)分类按照工程准备阶段、监理、施工、竣工、验收等阶段进行分类。
(二)组卷将同一类文件材料按照一定的规律组合成卷,便于保管和利用。
(三)编号对每一卷档案进行统一编号,确保编号的唯一性和系统性。
(四)装订装订应牢固、整齐,便于翻阅。
五、建设工程档案的移交(一)移交时间建设单位应在工程竣工验收后三个月内,向城建档案馆移交一套符合要求的工程档案。
(二)移交手续移交时应办理交接手续,填写移交清单,双方签字盖章确认。
六、建设工程档案的保管(一)保管条件城建档案馆应具备符合要求的档案保管库房,保证档案的安全和完整。
(二)保管期限根据档案的重要程度和利用价值,确定保管期限,分为永久、长期和短期。
(三)销毁对超过保管期限且无保存价值的档案,应按照规定程序进行销毁。
七、建设工程档案的利用(一)利用手续利用者应办理相关手续,填写利用申请表。
(二)利用方式可以提供原件查阅、复制等服务。
(三)保密要求利用者应遵守保密规定,不得泄露档案中的机密内容。
八、监督与处罚(一)监督检查城建档案管理部门应定期对建设工程档案的归档整理情况进行监督检查。
工程技术档案归档制度
工程技术档案是指建设工程在立项、设计、施工、监理、竣工验收活动中直接形成的具有归档保存价值的基建文件、监理文件、施工文件和竣工图。
工程技术档案归档制度包括归档时间、归档范围及保管期限、归档要求
一、归档时间:
工程技术档案的归档时间,根据工程大小,施工周期的长短,一般分为两种:
1、周期短的工程项目,在工程竣工验收后三个月内整理齐全、装订整齐移交归档。
2、周期较长的工程项目,可按阶段分期进行归档。
大型项目可在各子项目结束后分别归档。
二、归档范围及保管期限
归档范围:代表性工程、标志性工程、涉外工程、获市级以上质量奖工程按下述内容由集团档案部门集中保管。
(各单位根据实际情况可对归档范围进行相应调整)
说明:表格编号(或资料来源)索引表格为国家现行《建筑工程资料管理规程》所附表格,如遇规程更新、改版,则应按照新规定执行。
三、归档要求:
1、工程开工时均应将档案工作纳入部门工作程序,注意收集档案文件,保
证档案的全套资料完整、齐全。
2、凡竣工的工程,由施工单位按要求项目进行资料整理,三个月内报公司,
经公司工程部门与档案部门复查合格后归档,项目不全不得归档。
不属归档范围
内的工程档案由施工单位移交建设单位。
3、竣工工程的技术档案,应按规定的范围归档,应编制目录,字迹工整、
清晰,不得用铅笔、圆珠笔和蓝色复写纸复写,如复写应使用单面黑复写纸。
《建设工程文件归档整理规范》(GB/T50328-2001)目录0、关于发布国家标准《建设工程文件归档整理规范》的通知----------00、前言-------------------------------------------------------01、总则-------------------------------------------------------02、术语-------------------------------------------------------03、基本规定----------------------------------------------------04、工程文件的归档范围及质量要求--------------------------------05、工程文件的立卷----------------------------------------------06、工程文件的归档----------------------------------------------07、工程档案的验收与移交----------------------------------------08、附录A:建设工程文件归档范围和保管期限表---------------------08.1工程准备阶段文件----------------------------------------08.2监理文件------------------------------------------------08.3施工文件------------------------------------------------08.4竣工图--------------------------------------------------08.5竣工验收文件--------------------------------------------09、本规范用词说明-----------------------------------------------0关于发布国家标准《建设工程文件归档整理规范》的通知建标[2002]8号根据我部“关于印发《二000至二00一年度工程建设国家标准制订、修订计划》的通知”(建标[2001]87号)的要求,由建设部会同有关部门共同制订的《建设工程文件归档整理规范》,经有关部门会审,批准为国家标准,编号为GB/T50328-2001,自2002年5月1日起施行。