宝安中学2006—2007学年第二学期期中测试高二物理
- 格式:doc
- 大小:691.00 KB
- 文档页数:9
2006-2007学年度第二学期高二期末考试物理试题(内容:磁场 电磁感应 交流电 电磁场与电磁波)(时间:120分钟,满分:100分)一、选择题(下面每小题中有一个或几个答案是正确的,请选出正确答案填在括号内。
本题共10小题,每小题4分共40分)1.如图1所示,三根长直导线中的电流强度相同,导线b 和d 的电流方向垂直纸面向外,导线c 的电流方向垂直纸面向里,a 点为bd连线的中点,ac 垂直bd ,且ab=ad=ac ,则a 点处的磁感应强度的方向为A.垂直纸面向外 B .垂直纸面向里C.沿纸面由a 指向cD .沿纸面由a 指向d 2.如图2所示,两条长直导线AB 和CD 相互垂直,其中AB 固定,CD 可以以其中心为轴自由转动或平动,彼此相隔一很小距离,当分别通以图示方向的电流时,CD 的运动情况是A .顺时针方向转动,同时靠近导线ABB .顺时针方向转动,同时离开导线ABC .逆时针方向转动,同时靠近导线ABD .逆时针方向转动,同时离开导线AB3.如图3(a),在一水平放置的平板MN 的上方有匀强磁场,磁感应 强度的大小为B ,磁场方向垂直于纸面向里,许多质量为m ,带电量为q +的粒子,以相同的速率v 沿位于纸面内的各个方向,由小孔o 射入磁场区域.不计重力,不计粒子间的相互作用,下列图3(b)中阴影部分表示带电粒子可能经过的区域,其中qBm v R =.哪个图是正确的?4.图4中两平行虚线之间存在匀强磁场,虚线间的距离为l ,磁场方向垂直纸面向里,abcd 是位于纸面内的梯形线圈,ad 与bc 间的距离也为l .0=t 时刻,bc 边与磁场区域边界重合(如图).现令线圈以恒定的速度v 沿垂直于磁场区域边界的方向穿过磁场区域.取a d c b a →→→→的感应电流为正,则在线圈穿越磁场区域的过程中,感应电流I随着时间t 变化的可能是5.如图5左所示是某种型号的电热毯的电路图,电热毯接在交变电源上,通过装置 P 使加在电热丝上的电压的波形如图5右所示.此时接在电热丝两端的交流电压表的读数为A .110VB .156VC .220VD .311V 6.在变电站里,经常要用交流电表去监测电网上的强电流,所用的器材叫电流互感器.如图6所示的四个图中,能正确反应其工作原理的是7.如图7所示,长L 1宽L 2的矩形线圈电阻为R ,处于磁感应强度为B 的匀强磁场边缘,线圈与磁感线垂直.将线圈以向右的速度v 匀速拉出磁场,则第 3 页 共 13 页A.拉力F 大小为R VL B 212B.拉力做的功为RVL L B 2212C.线圈中产生的电热RV L L B 1222D.通过线圈某一截面的电荷量RL BL 21=8.质量为m ,带电量为q +的小球套在水平固定且足够长的绝缘杆上,如图8所示,整个装置处于磁感应强度为B,方向垂直向纸里的 匀强磁场中.现给球一个水平向右的瞬时冲量I 使其开始运动,则球运动克服摩擦力所做的功(不计空气阻力)不可能的是A.m I 22 B.0 C.)(2122232B q g m m I - D.m I 29. 关于电磁场和电磁波,下列叙述中正确的是A .均匀变化的电场在它周围空间产生均匀变化的磁场B .电磁波和机械波一样依赖于介质传播C .电磁波中每一处的电场强度和磁感强度总是互相垂直,且与波的传播方向垂直D .只要空间某个区域有振荡的电场或磁场,就能产生电磁波 10.如图9所示,半径为 r 且水平放置的光滑绝缘的环形管道内,有一个电荷量为 e ,质量为 m 的电子.此装置放在匀强磁场中,其磁感应强度随时间变化的关系式为kt B B +=0(0>k ).根据麦克斯韦电磁场理论,均匀变化的磁场将产生稳定的电场,该感应电场对电子将有沿圆环切线方向的作用力,使其得到加速.设t=0时刻电子的初速度大小为0v ,方向顺时针,从此开始后运动一周后的磁感应强度为1B ,则此时电子的速度大小为A.m re B 1B.mke r v 2202⋅+πC.m re B 0D.mke r v 2202⋅-π 二、填空题(共4小题,每小题4分共16分)11.电磁炮是利用电磁发射技术制成的一种先进的动能杀伤武器,具有速度快,命中率高,发射成本低,减少污b 0染等优点,是21世纪的一种理想兵器,它的主要原理如图10所示,1982年澳大利亚国立大学制成了能把2.2g 的弹体加速到s km /10的电磁炮(常规炮弹约为s km /2),若轨道宽m 2,长m 100,通过的电流恒为A 10,则轨道间所加的匀强磁场=B ________T ,磁场力的最大功率W P ______=(轨道摩擦力不计)12.一个电子在匀强磁场中,以一个固定的正电荷为圆心,在一个圆轨道上匀速转动,磁场方向垂直于它的轨道平面.电子受电场力大小恰是磁场力的3倍.已知电子质量为m ,电量为e ,磁感强度为B ,则电子运动的角速度可能为________.13.如图11有一只定值电阻接在一个交变电源上, 通过电阻的电流为 I .若将它通过一台理想变压器接在这个交变电源上,测得变压器的初级线圈中的电流为 I /4 ,那么这时通过该定值电阻的电流为 _________.14.电磁波遇到某些障碍物会发生反射,雷达就是根据这一原理制成的,某雷达站正在观察一飞机飞行,若飞机正向雷达站飞来,某一时刻雷达第一次发出电磁波到接收到反射波历时 200 微秒,第二次发出电磁波到接收到反射波历时 186 微秒,第一次发射到第二次发射的时间差为 4 秒钟,则飞机的飞行速度为__________ 米/秒.三、实验题(共2小题,共12分,写出必要的做题步骤,计算过程和单位.每小题5分.) 15.人们常常用充气泵为鱼缸内的水补充氧气,如图12是一种利用电磁原理制作的充气泵的结构示意图。
高中物理学习材料桑水制作B卷宝鸡中学2007-2008学年度第二学期期中考试物理试题(卷)说明:满分:100分;时间: 100分钟第一卷(选择题共40分)一.本题共12小题,每小题4分,共48分.在每小题给出的四个选项中,有的小题只有一个选项正确,有的小题有多个选项正确.全部选对的得4分,选不全的得2分,有选错或不答的得0分.1、关于运动的性质,以下说法中正确的是()A.变速运动一定是曲线运动B.曲线运动一定是变速运动C.物体加速度大小、速度大小都不变的运动一定是直线运动D.匀速圆周运动一定是变速运动2、在曲线运动中,下列说法正确的是()A.加速度方向一定不变B.加速度方向和速度方向始终保持垂直C.加速度方向跟所受的合外力方向始终一致D.加速度方向总是指向圆形轨迹的圆心3、物体受到几个力的作用而做匀速直线运动,如果只撤掉其中的一个力,其它力保持不变,它可能做()A.匀加速直线运动 B.匀速直线运动C.匀减速直线运动D.曲线运动4、做平抛运动的物体,在水平方向通过的最大距离取决于()A.物体的高度和受到的重力 B.物体的高度和初速度C.物体受到的重力和初速度D.物体受到的重力、高度和初速度5、关于平抛运动的性质,以下说法中正确的是 ( )(A)变加速运动; (B)匀变速运动;(C)匀速率曲线运动;(D)不可能是两个直线运动的合运动.6、关于向心力的说法中正确的是()(A)物体受到向心力的作用才可能做圆周运动(B)向心力是指向圆心方向的合力,是根据力的作用效果命名的(C)向心力可以是重力、弹力、摩擦力等各种力的合力,也可以是其中一种力或一种力的分力(D)向心力只改变物体运动的方向,不可能改变物体运动的快慢7.如图1所示,用细线吊着一个质量为m的小球,使小球在水平面内做圆锥摆运动,关于小球受力,正确的是 ( )A.受重力、拉力、B.受重力、拉力、向心力C.受重力D.以上说法都不正确8、小球做匀速圆周运动的过程中,以下各量不发生变化的是( ).A线速度B角速度C向心加速度D周期9、火车转弯做圆周运动,如果外轨和内轨一样高,火车能匀速通过弯道做圆周运动,下列说法中正确的是 ( ) A.火车通过弯道向心力的来源是外轨的水平弹力,所以外轨容易磨损B.火车通过弯道向心力的来源是内轨的水平弹力,所以内轨容易磨损C.火车通过弯道向心力的来源是火车的重力,所以内外轨道均不磨损D.以上三种说法都是错误的10、一颗小行星环绕太阳做匀速圆周运动的半径是地球环绕半径的4倍,则它的环绕周期是 ( )A. 1年B. 8年C. 4年D. 2年11、人造卫星绕地球做圆周运动时,卫星离地面的高度越高,( )A.线速度越大 B.角速度越大C.周期越大 D.向心加速度越大12、一架飞机水平地匀速飞行,从飞机上每隔1秒钟释放一个铁球,先后共释放4个,若不计空气阻力,则四个小球()A.在空中任何时刻总是排成抛物线;它们的落地点是等间距的B.在空中任何时刻总是排成抛物线;它们的落地点是不等间距的C.在空中任何时刻总在飞机正下方排成竖直的直线;它们的落地点是不等间距的D.在空中任何时刻总在飞机正下方排成竖直的直线;它们的落地点是等间距的第二卷(非选择题部分共52分)二、本题共5小题,每小题4分,共20分.把答案填在题中的横线上或按题目要求作答.13、从某高度处以12m/s的初速度水平抛出一物体,经2s 落地,g取10m/s2,则物体抛出处的高度是______m,物体落地点距抛出点的水平距离是______m.14、如图所示,A、B两轮半径之比为1:3,两轮边缘挤压在一起,在两轮转动中,接触点不存在打滑的现象,则两轮边缘的线速度大小之比等于______,两轮的转速之比等于______。
高二物理下学期期中考试卷(考试时间:100分钟总分120分)班姓名第Ⅰ卷(共38分)一、共6小题,每小题3分,共18分。
在每小题给出的四个选项中只有一个选项是正确的,选对的得3分,选错的或不答的得0分。
1.一质点做简谐运动,则下列说法中正确的是( )A.若位移为负值,则速度一定为正值,加速度也一定为正值B.质点通过平衡位置时,速度为零,加速度最大C.质点每次通过平衡位置时,加速度不一定相同,速度也不一定相同D.质点每次通过同一位置时,其速度不一定相同,但加速度一定相同2.如图所示为双缝干涉实验中产生的条纹图样,甲图为绿光进行实验的图样,乙为换用另一种单色光进行实验的图样,则以下说法中正确的是( )A.乙图可能是用红光实验产生的条纹,表明红光波长较长B.乙图可能是用紫光实验产生的条纹,表明紫光波长较长C.乙图可能是用紫光实验产生的条纹,表明紫光波长较短D.乙图可能是用红光实验产生的条纹,表明红光波长较短3.下列现象属于光的衍射的是( )A.太阳光通过三棱镜产生彩色条纹 B.阳光下肥皂膜上的彩色条纹C.雨后天空中的彩虹 D.对着日光灯从两支紧靠的铅笔间窄缝看到的彩色条纹4.2008年奥运会,光纤通讯网将覆盖所有奥运场所,为各项比赛提供安全可靠的通讯服务。
光纤通讯利用光的全反射将大量信息高速传输,若采用的光导纤维是由内芯和包层两层介质组成,下列说法中正确的是( )A.内芯和包层折射率相同,折射率都大B.内芯和包层折射率相同,折射率都小C.内芯和包层折射率不同,包层折射率较大D.内芯和包层折射率不同,包层折射率较小5.一列沿x轴正向传播的横波在某时刻波的图象如图甲所示,A、B、C、D为介质中沿波的传播方向上四个等间距质点的平衡位置,若从该时刻开始计时,则图乙可以用来反映下列哪个质点的振动图象()A.质点AB.质点BC.质点CD.质点D6. 图甲是利用沙摆演示简谐运动图象的装置.当盛沙的漏斗下面的薄木板被水平匀速拉出时,做简谐运动的漏斗漏出的沙在板上形成的曲线显示出沙摆的振动位移随时间的变化关系.已知木板被水平拉动的速度为0.20m/s,图乙所示的一段木板的长度为0.60m,则这次实验沙摆的摆长为(取g =π2)()A.0.56mB.0.65mC.1.00mD.2.25m 二、共5小题,每小题4分,共20分。
命题人:胡艳婷审题人:欧阳兵第Ⅰ卷(本卷共计48分)一、单项选择题(每小题3分,共计24分)1.一定质量的理想气体,如果保持温度不变而吸收了热量,那么气体的()A .体积一定增大,内能一定改变B .体积一定减小,内能一定保持不变C .压强一定增大,内能一定改变D .压强一定减小,内能一定保持不变2.最近发现纳米材料具有很多优越性能,有着广阔的应用前景,1nm (纳米)=10-9m ,边长为1nm 的立方体内可容纳液态氢分子的个数最接近下面的哪一个数值?()A .10B .103C .105D .1073.如图(a )为电热毯的电路图.电热丝接在U =311sin100πtV 的电源上,电热毯被加热到一定温度后,通过装置P 使输入电压变为图(b )所示波形,从而进入保温状态,若电热丝电阻保持不变,此时交流电压表的读数是()A .110VB .156VC .220VD .311V4.如图所示,汽缸放置在水平地面上,质量为m 的活塞将汽缸分成甲、乙两气室,两气室中均充有气体,汽缸、活塞是绝热的且不漏气.开始活塞被销钉k 固定,现将销钉拔掉,活塞最终静止在距原位置下方h 处,设活塞移动前后甲气体内能的变化量为ΔE ,不计气体重心改变的影响,下列说法正确的是()A .ΔE >mghB .ΔE =mghC .ΔE <mghD .以上三种情况均有可能5.如图所示,在铁芯P 上绕着两个线圈a 和b ,则()深圳宝安高二第二学期期中考试物理试卷A.线圈a输入正弦交变电流,线圈b可输出恒定电流B.线圈a输入恒定电流,穿过线圈b的磁通量一定为零C.线圈b输出的交变电流不对线圈a的磁场造成影响D.线圈a的磁场变化时,线圈b中一定有电场6.如图(a)所示,两个平行金属板P、Q竖直放置,两板间加上如图(b)所示的电压.t=0时,Q板比P板电势高5V,此时在两板的正中央M点有一个电子,速度为零,电子在电场力作用下运动,使得电子的位置和速度随时间变化.假设电子始终未与两板相碰.在0<t<8×10−10s的时间内,这个电子处于M 点的右侧,速度方向向左且大小逐渐减小的时间是()A.0<t<2×10−10s B.2×10−10s<t<4×10−10sC.4×10−10s<t<6×10−10s D.6×10−10s<t<8×10−10s7.如下图所示,甲、乙两电路中,当a、b两端与e、f两端分别接上220V的交流电压时,测得c、d间与g、h间的电压均为110V.若分别在c、d两端与g、h两端加110伏的交流电压,则a、b间与e、f间的电压分别为()A.220V,220V B.220V,110V C.110V,110V D.220V,08.某自行车轮胎的容积为V,里面已有压强为P0的空气,现在要使轮胎内的气压增大到P,设充气过程为等温过程,空气可看作理想气体,轮胎容积保持不变,则还要向轮胎充入温度相同,压强也是P0,体积为()的空气.A.0pp V B.ppV C.(pp-1)V D.(pp+1)V二、多项选择题(每小题4分,共计24分)9.下列说法正确的是()A.把一枚针轻放在水面上,它会浮在水面,这是由于水表面存在表面张力的缘故B.水在涂有油脂的玻璃板上能形成水珠,而在干净的玻璃板上却不能,为是因为油脂使水的表面张力增大的缘故C.在围绕地球飞行的宇宙飞船中,自由飘浮的水滴呈球形,这是表面张力作用的结果D.毛细现象中,毛细管中的液面有的升高,有的降低,这与液体的种类和毛细管的材质有关10.下面有几种说法正确的是()A.布朗运动反映的是液体分子的无规则运动B.分子间的作用力跟分子间的距离r有关,当r>r0时,分子间表现为引力;当r<r0时,分子间是斥力;当r=r0时,分子间既无引力也无斥力C.在改变物体内能时,做功与热传递的效果是不同的D.气体对容器壁的压强是由于大量气体分子对器壁的碰撞作用产生的11.根据热力学定律,下列说法正确的是()A.电冰箱的工作过程表明,热量可以从低温物体向高温物体传递B.空调机在制冷过程中,从室内吸收的热量少于向室外放出的热量C.科技的进步可以使内燃机成为单一的热源的热机D.对能源的过度消耗使自然界的能量不断减少,形成“能源危机”12.如图所示为理想变压器,A1、A2为理想交流电流表,V1、V2分别为理想交流电压表,R1、R2、R3为电阻,原线圈两端接电压一定的正弦交流电源,当开关S闭合时,各交流电表的示数变化情况应是()A.交流电流表A1读数变大B.交流电流表A2读数变大C.交流电压表V1读数变小D.交流电压表V2读数变小13.如图所示,一定质量的理想气体从状态A依次经过状态B、C和D后再回到状态A.其中,A→B和C→D为等温过程,B→C和D→A为绝热过程(气体与外界无热量交换).这就是著名的“卡诺循环”.该循环过程中,下列说法正确的是()A.A→B过程中,外界对气体做功B.B→C过程中,气体分子的平均动能增大C.C→D过程中,单位时间内碰撞单位面积器壁的分子数增多D.D→A过程中,气体分子的速率分布曲线会发生变化14.如图为某同学设计的喷水装置,内部装有2L水,上部密封1atm的空气0.5L,保持阀门关闭,再充入1atm的空气0.1L,设在所有过程中空气可看作理想气体,且温度不变,下列说法正确的有()A.充气后,密封气体压强增加B.充气后,密封气体的分子的平均动能增加C.打开阀门后,密封气体对外界做正功D.打开阀门后,不再充气也能把水喷光第Ⅱ卷(本卷共计52分)三、实验题(共计10分)15.油酸酒精溶液的浓度为每1000mL油酸酒精溶液中有油酸0.6mL,现用滴管向量筒内滴加50滴上述溶液,量筒中的溶液体积增加了1mL,若把一滴这样的油酸酒精溶液滴入足够大盛水的浅盘中,由于酒精溶于水,油酸在水面展开,稳定后形成的纯油膜的形状如图所示.若每一小方格的边长为25mm,试问:这种估测方法是将每个油酸分子视为_____________模型,让油酸尽可能地在水面上散开,则形成的油酸可视为___________油膜,这层油膜的厚度可视为油酸分子的_____________.图中油酸膜的面积为_____________m2;每一滴油酸酒精溶液中含有纯油酸体积是_____________m3;根据上述数据,估测出油酸分子的直径是________________m.(结果保留两位有效数字)四、计算题(共计42分)16.如图所示为一个小型旋转电枢式交流发电机的原理图,其矩形线圈的长度ab=0.25m,宽度bc=0.20m,共有n=100匝,总电阻r=1.0Ω,可绕与磁场方向垂直的对称轴OO’转动.线圈处于磁感应强度B=0.40T 的匀强磁场中,与线圈两端相连的金属滑环上接一个“3.0V,1.8V”的灯泡,当线圈以角速度ω匀速转动时,小灯泡消耗的功率恰好为1.8W.(不计转动轴与电刷的摩擦)(1)推导发电机线圈产生感应电动势的最大值的表达式E m=nBSω(其中S表示线圈的面积);(2)求线圈转动的角速度ω;(3)线圈以上述角速度转动100周过程中发电机产生的电能.17.如图,长L=100cm,粗细均匀的玻璃管一端封闭.水平放置时,长L0=50cm的空气柱被水银封住,水银柱长h=30cm.将玻璃管缓慢地转到开口向下的竖直位置,然后竖直插入水银槽,插入后有Δh=15cm的水银柱进入玻璃管.设整个过程中温度始终保持不变,大气压强P0=75cmHg.求:(1)插入水银槽后管内气体的压强p;(2)管口距水银槽液面的距离H.18.扣在水平桌面上的热杯盖有时会发生被顶起的现象.如图所示,截面积为S的热杯盖扣在水平桌面上,开始时内部封闭气体的温度为300K,压强为大气压强P0.当封闭气体温度上升到303K时,杯盖恰好被整体顶起,放出少许气体后又落回桌面,其内部气体压强立刻减为P0,温度仍为303K.再经过一段时间,内部气体温度恢复到300K.整个过程中封闭气体均可视为理想气体.求:(1)当温度上升到303K且尚未放气时,封闭气体的压强;(2)当温度恢复到300K时,竖直向上提起杯盖所需的最小力.19.医用加速器是生物医学上的一种用来对肿瘤进行放射治疗的粒子加速装置,假定加速器是由N个长度逐个增长金属圆筒组成(整个装置处于真空中,图中只画出了6个圆筒,作为示意),如图所示,它们沿轴线排列成一串,各个圆筒相间地连接到频率为f的正弦交流电源的两端.圆筒的两底面中心开有小孔,电子沿轴线射入圆筒.设金属圆筒内部没有电场,且每个圆筒间的缝隙宽度很小,电子穿过缝隙的时间可忽略不计.为达到最佳加速效果,需要调节至电子穿过每个圆筒的时间恰为交流电的半个周期,电子每次通过圆筒间缝隙时,都恰为交流电压的峰值.已知一个电子的质量为m、电子电荷量为e.若电子刚进入第1个圆筒左端的速度大小为v0,电子通过直线加速器第N个圆筒后的速度大小为v.求:(1)第1个圆筒的长度L1;(2)从电子进入第1个圆筒开始到电子由第N个圆筒出来的总时间t;(3)加速器所接正弦交流电压的最大值U一、单项选择(每题4分,共32分)1.如图所示,一束光射向一块半球形玻璃砖底面中心O 点,经折射后分成a 、b 两束光.则下面结论正确的是()A .在真空中a 光的波长小于b 光的波长B .在玻璃中a 光的传播速度大于b 光的传播速度C .a 光的频率大于b 光的频率D .分别用a 、b 光在同一个双缝干涉实验装置上进行实验,a 光的干涉条纹间距大于b 光的干涉条纹间距2.我国成功研发的反隐身先进米波雷达堪称隐身飞机的克星,它标志着我国雷达研究创新的里程碑,米波雷达发射无线电波的波长在1~10m 范围内,则对该无线电波的判断正确的是有()A .必须依靠介质传播B .频率比厘米波的频率高C .比可见光更容易产生衍射现象D .遇到厘米波有可能产生干涉现象3.光导纤维的结构如图,其内芯和外套材料不同,光在内芯中传播.以下关于光导纤维的说法正确的是()A .内芯的折射率比外套大,光传播时在内芯与外套的界面发生全反射B .内芯的折射率比外套小,光传播时在内芯与外套的界面发生全反射C .内芯的折射率比外套小,光传播时在内芯与外套的界面发生折射D .内芯的折射率与外套的相同,外套的材料有韧性,可以起保护作用4.如图所示,两单摆摆长相同,静止时两球刚好接触.将摆球A 在两摆线所在平面内向左拉开一个小角度后释放,碰撞中动能有损失,碰后两球分开,分别做简谐运动.用m A 、m B 分别表示摆球两球的质量,则下列说法中正确的是()深圳高二第二学期期中考试物理试卷A.如果m A>m B,下一次碰撞必将发生在平衡位置右侧B.如果m A<m B,下一次碰撞必将发生在平衡位置左侧C.只要两摆球的质量不相同,下一次碰撞就不可能发生在平衡位置D.无论两摆球的质量之比是多少,下一次碰撞一定发生在平衡位置5.在水平面内,有三个质点a、b、c分别位于半径为R=5m的圆周上,已知a、c在一条直径上且ab=6m.在t1=0时刻a、b同时开始振动,振动图象均如右图所示,所形成的机械波在水平面内传播,在t2=4s时c点开始振动,则()A.该机械波的传播速度大小为2m/sB.c点的振动频率先是与a点相同,两列波相遇后c点的振动频率增大C.该列波的波长是2mD.两列波相遇后,c点振动加强6.如图所示,等腰直角三角形区域内有垂直于纸面向内的匀强磁场,左边有一形状与磁场边界完全相同的闭合导线框,线框斜边长为1,线框从图示位置开始水平向右匀速穿过磁场区域,规定线框中感应电流逆时针方向为正方向,其感应电流i随位移x变化的图象正确的是()A B C D7.如图所示,图线a是线圈在匀强磁场中匀速转动时所产生正弦交流电的u-t图像,当调整线圈转速后,所产生正弦交流电的图像如图线b所示,以下关于这两个正弦交流电的说法正确的是()A.在图中t=0时刻穿过线圈的磁通量均为零B.线圈先后两次转速之比为2∶3C.交流电a的电压瞬时表达式为u=10sin10πt(V)VD.交流电b的最大值为2038.如图所示为某山区小型水电站的电能输送示意图,发电机输出的电压和输电线路上的电阻恒定,用电器均为纯电阻元件,当用电高峰来临时,下列判断正确的是()A.用电器等效电阻R0变大B.升压变压器T1的输出电压变大C.降压变压器T2的输出电压变小D.输电线路总电阻R上消耗的功率变大二、不定项选择题(选对但不全得3分,有选错的得0分.共30分)9.2018年1月31日,天空中上演了一场万众瞩目、被称为“超级满月、蓝月亮、红月亮”的月全食大戏,这次月全食历时近5小时,最精彩之处是在发生月全食阶段月亮呈现红色,下列有关月食的说法,其中正确的是()A.出现月全食现象时,月亮就完全看不到了B.当地球处于太阳和月亮中间时才会出现月食现象C.出现月食现象,是因为月亮处于地球的“影子”中D.月食可能是太阳光经月亮反射到地球大气层时发生全反射形成的10.甲、乙两列简谐横波在同种均匀介质中传播,如图所示为t=0时刻两列波恰好在坐标原点相遇时的波形图,甲波的频率为2Hz,沿x轴正方向传播,乙波沿x轴负方向传播,则()A.甲波的传播速度为2m/s B.乙波的传播速度为4m/sC.两列波叠加后,x=0处的质点振幅为20cmD.t=0.25s时,x=0处的质点处于平衡位置,且向下运动11.下列说法中正确的是()A.物体做受迫振动时,驱动力的频率越高,受迫振动的物体振幅越大B.满足干涉条件的振幅不同的两列简谐横波相遇时,某时刻振动加强点的位移可能比振动减弱点的位移小C.发生多普勒效应时,波源发出的波的频率发生了变化D.光的双缝干涉实验时,仅将入射光从红光改为紫光,相邻亮条纹间距一定变小12.如图所示的电路中,三个相同的灯泡a、b、c和电感L1、L2与直流电源连接,电感的电阻忽略不计.电键K从闭合状态突然断开时,下列判断正确的有()A.a先变亮,然后逐渐变暗B.b先变亮,然后逐渐变暗C.c先变亮,然后逐渐变暗D.b、c都逐渐变暗13.如图所示,两根间距为的无限长光滑金属导轨固定在同一水平面上,它们的电阻不计,两导轨左端连接一阻值为10Ω的定值电阻,两导轨之间存在着有边界的,沿竖直方向的,磁感应强度大小为1T的匀强磁场,磁场边界(图中的虚线曲线)与函数10sinx|的图像完全一致(式中y的单位是cm),且相邻两个区域的磁场方向相反;一阻值为10Ω的光滑导体棒垂直于两导轨,在水平外力作用下以10m/s 的速度在导轨上水平匀速向右运动(与两导轨接触良好且接触电阻不计),图中的电压表和电流表均为理想交流电表,则()A.回路中产生的正弦式交变电流B.导体棒上消耗的热功率为0.4WC.电压表的示数是0.5VD.导体棒运动到图示虚线cd位置时,电流表示数为零14.如图所示,在光滑水平面内,虚线右侧存在匀强磁场,磁场方向垂直纸面向外,一正方形金属线框质量为m,电阻为R,边长为L,从虚线处进入磁场时开始计时,在外力作用下,线框由静止开始,以垂直于磁场变化的恒定加速度a进入磁场区域,t1时刻线框全部进入磁场,规定顺时针方向为感应电流i的正方向,外力大小为F,线框中电功率的瞬时值为P,通过导体横截面的电荷量为q,其中P-t和q-t图像均为抛物线,则这些量随时间变化的图像正确的是()A B C D三、计算题(15题14分,16题12分,17题12分,共38分)15.如图所示,两根半径为r的圆弧轨道间距为L,其顶端a、b与圆心处等高,轨道光滑且电阻不计,在其上端连有一阻值为R的电阻,整个装置处于辐向磁场中,圆弧轨道所在处的磁感应强度大小均为B.将一根长度稍大于L、质量为m、电阻为R0的金属棒从轨道顶端ab处由静止释放.已知当金属棒到达如图所示的cd位置(金属棒与轨道圆心连线和水平面夹角为θ)时,金属棒的速度达到最大;当金属棒到达轨道底端ef时,对轨道的压力为1.5mg.求:(1)当金属棒的速度最大时,流经电阻R的电流大小和方向;(2)金属棒滑到轨道底端的整个过程中流经电阻R的电量;(3)金属棒滑到轨道底端的整个过程中电阻R上产生的热量.5。
广东省深圳市宝安区2016—2017学年高二物理下学期期中试题一、单选题(本题共8小题,每小题3分,合计24分)1.了解物理规律的发展过程,学会像科学家那样观察和思考,往往比掌握知识本身更重要。
则以下符合事实的是( )A.丹麦物理学家奥斯特梦圆电生磁,终于发现了电磁感应现象B.楞次总结出了感应电流方向所应满足的规律C.法拉第发现了电流的磁效应,拉开了研究电与磁相互关系的序幕D.安培定则是用来判断通电导线在磁场中所受安培力方向的2.如图所示,矩形线框在磁场内做的各种运动中,能够产生感应电流的是()3.如图所示,一闭合的铜环从静止开始由高处下落通过条形磁铁后继续下降,空气阻力不计,则在铜环的运动过程中,下列说法正确的是()A.铜环在磁铁的上方时,加速度小于g,在下方时大于gB.铜环在磁铁的上方时,加速度小于g,在下方时也小于gC.铜环在磁铁的上方时,加速度小于g,在下方时等于gD.铜环在磁铁的上方时,加速度大于g,在下方时等于g4.如图所示电路中,电源电动势为E,线圈L的直流电阻不计,以下正确的是()A.闭合S,稳定后,电容器两端电压为EB.闭合S,稳定后,电容器的a极带正电C.断开S的瞬间,电容器的a极板将带正电D.断开S的瞬间,电容器的a极板将带负电5.在竖直向上的匀强磁场中,水平放置一个不变形的单匝金属圆线圈,规定线圈中感应电流的正方向如图(1)所示,当磁场的磁感应强度B随时间t如图(2)变化时,图中正确表示线圈中感应电动势E变化的是( )ABC D6。
一交流电,电压随时间的变化规律如图所示,则下列说法正确的是()A.电压的有效值为3VB.交流电动势为C.交变电流的周期为0.01sD.交变电流的频率为50Hz7.在水平地面上有一木块,质量为m,它与地面间的滑动摩擦系数为μ。
物体在水平恒力F 的作用下由静止开始运动,经过时间t后撤去力F物体又前进了时间2t才停下来。
这个力F 的大小为( )A.μmg B.2μmg C.3μmg D.4μmg8。
高二物理下册期中考试试题高二物理备课组08.4第Ⅰ卷(选择题 共35分)一、单项选择题:本题共5小题,每小题3分,共15分。
在每小题给出的四个选项中只有一个选项是正确,选对的得3分,选错的或不答的得0分。
1.红光与紫光相比A .在真空中传播时,紫光的速度比较大B .在玻璃中传播时,红光的速度比较大C .玻璃对红光的折射率较紫光的大D .从玻璃到空气的界面上产生全反射时,红光的临界角较紫光的小2.如图所示的装置中,木块B 与水平桌面间的接触是光滑的,子弹A 沿水平方向射入木块后留在木块内,将弹簧压缩到最短,现将子弹、木块和弹簧合在一起作为研究对象(系统),则此系统在从子弹开始射入木块到弹簧压缩至最短的整个过程中 A .动量守恒,机械能守恒 B .动量不守恒,机械能不守恒 C .动量守恒,机械能不守恒 D .动量不守恒,机械能守恒 3.关于电磁场理论,下列说法中正确的是 A .在电场的周围一定存在着由该电场产生的磁场 B .非均匀变化的电场产生的磁场一定是均匀变化的 C .均匀变化的磁场一定产生变化的电场D .周期性变化的电场一定产生同周期变化的磁场 4.如图所示,LC 振荡电路的导线及自感线圈的电阻忽略不计,某瞬间回路中电流方向如箭头所示,且此时电容器的极板A 带正电荷,则该瞬间A .电流i 正在增大,线圈L 中的磁场能也正在增大B .电容器两极板间电压正在增大C .电容器带电量正在减小D .线圈中电流产生的磁场的磁感应强度正在增强5.在下列各组的两个现象中都表现出光具有波动性的是A .光的折射现象、色散现象B .光的反射现象、干涉现象C .光的衍射现象、偏振现象D .光的直线传播现象、光电效应现象二、多项选择题:本题共5小题,每小题4分,共20分。
在每小题给出的四个选项中,有多个正确选项。
全部选对的得4分,选不全的得2分,有选错的或不答的得0分。
6、一个质量为0.3kg 的弹性小球,在光滑水平面上以6m/s 的速度垂直撞到墙上,碰撞后小球沿相反方向运动,反弹后的速度大小与碰撞前相同。
高二物理期中试卷带答案考试范围:xxx ;考试时间:xxx 分钟;出题人:xxx 姓名:___________班级:___________考号:___________1.答题前填写好自己的姓名、班级、考号等信息 2.请将答案正确填写在答题卡上一、选择题1.电磁学的成就极大地推动了人类社会的进步。
下列说法错误的是( )A .甲图中,这是录音机的录音电路原理图,当录音机录音时,由于话筒的声电转换,线圈中变化的电流在磁头缝隙处产生变化的磁场B .乙图电路中,开关断开瞬间,灯泡会突然闪亮一下,并在开关处产生电火花C .丙图中,在真空冶炼中,可以利用高频电流产生的涡流冶炼出高质量的合金D .丁图中,钳形电流表是利用电磁感应原理制成的,它的优点是不需要切断导线,就可以方便地测出通过导线中交变电流的大小2.如右图所示,在小车中悬挂一小球,若偏角θ未知,而已知摆球的质量为m ,小球随小车水平向左运动的加速度为a =2g(取g =10 m/s2),则绳的拉力为( )A .10mB .mC .20mD .(50+8)m3.如图所示,圆形线圈垂直放在匀强磁场里,第1秒内磁场方向指向纸里,如图(b ).若磁感应强度大小随时间变化的关系如图(a ),那么,下面关于线圈中感应电流的说法正确的是: A .在第1秒内感应电流增大,电流方向为逆时针B.在第2秒内感应电流大小不变,电流方向为顺时针C.在第3秒内感应电流减小,电流方向为顺时针D.在第4秒内感应电流大小不变,电流方向为顺时针4.如图所示,表示某静电场等势面的分布,电量为1.6×10-9C的正点电荷从A经B、C到达D点,从A至D,电场力对电荷做的功为()A.4.8×10-8J B.-4.8×10-8JC.8.0×10-8J D.-8.0×10-8J5.如图所示为某静电除尘装置的原理图,废气先经过一个机械过滤装置再进入静电除尘区.图中虚线是某一带负电的尘埃(不计重力)仅在电场力作用下向集尘极迁移并沉积的轨迹,A、B两点是轨迹与电场线的交点.不考虑尘埃在迁移过程中的相互作用和电量变化,则以下说法正确的是A. A点电势高于B点电势B. 尘埃在A点的加速度大于在B点的加速度C. 尘埃在迁移过程中做匀变速运动D. 尘埃在迁移过程中电势能一直在增大6.当导线中分别通以图示方向的电流,小磁针静止时北极指向读者的是( )A.B.C.D.7.如图所示,在两个固定电荷+q和-q之间放入两个原来不带电的导体,1、2、3、4为导体上的四个点,在达到静电平衡后,各点的电势分别是、、、,则()A.>>>B.=>=C.<<<D.=<=8.当正在鸣笛的火车向着我们急驶而来时,我们听到汽笛声。
嗦夺市安培阳光实验学校2007/2008学年度第二学期期中联考高二年级物理试题本试卷分第I卷(选择题)和第II卷(非选择题)两部分,共计120分,考试时间100分钟第Ⅰ卷(选择题共31分)一、单项选择题:本题共5小题,每小题3分,共15分,1.下列说法正确的是()A.太阳光通过三棱镜形成彩色光谱,这是光的干涉的结果B.用光导纤维束传送图象信息,这是光的衍射的应用C.眯着眼睛看发光的灯丝时能观察到彩色条纹,这是光的偏振现象D.在照相机镜头前加装偏振滤光片拍摄日落时水面下的景物,可使景像清晰2.卡车在水平道路上行驶,货物随车厢底板上下振动而不脱离底板,设货物的振动为简谐运动,以向上的位移为正,其振动图象如图所示,在图象上取a、b、c、d四点,则下列说法中正确的是()A.a点对应的时刻货物对车厢底板的压力最小B.b点对应的时刻货物对车厢底板的压力最大C.c点对应的时刻货物对车厢底板的压力最小D.d点对应的时刻货物对车厢底板的压力小于货物重力3.关于LC振荡电路,下面哪些叙述是正确的( )A.电容器开始放电时,电路中电流最大B.电路中电流最大时,电路中的电场能最大C.电容器放电完毕时,电路中的电流最大D.电容器反向充电开始时,电路中的磁场能最小4.在研究材料A的热膨胀特性时,可采用如图示的干涉实验法,A的上表面是一光滑平面,在A的上方放一个透明的平行板B,B与A上表面平行,在它们间形成一个厚度均匀的空气膜。
现在用波长为λ的单色光垂直照射,同时对A缓慢加热,在B上方观察到B板的亮度发生周期性变化,当温度为t1时最亮,然后亮度逐渐减弱至最暗;当温度升到t2时,亮度再一次回到最亮。
则()A.出现最亮时,B上表面反射光与A上表面反射光叠加后加强B.出现最亮时,B下表面反射光与A上表面反射光叠加后相抵消C.温度从t1升到t2的过程中,A的高度增加λ/4D.温度从t1升到t2的过程中,A的高度增加λ/25.如图甲所示,波源S的起振方向向上,振动频率f=100Hz,产生的简谐波分别沿水平方向向左、右传播,波速smv/80,在波的传播方向上有P、Q两点,已知SP=1.2m,SQ=1.4m,如图乙所示,波刚好传播到P点时波形图正确的是( )二、多项选择题:本题共4小题,每小题4分,共16分,每小题有多个选项A符合题意.全部选对的得4分,选对但不全的得2分,有错或不答的得0分.6. 如图所示,两块相同的玻璃等腰三棱镜ABC置于空气中,两者的AC面相互平行放置,由红光和蓝光组成的细光束平行于BC面从P点射入,通过两棱镜后,从a、b两点射出。
广东省深圳市宝安高级中学高二物理联考试题含解析一、选择题:本题共5小题,每小题3分,共计15分.每小题只有一个选项符合题意1. 平行电容器内部虚线范围内有偏转电场,一束离子(重力不计)从两板正中间P处垂直电场入射,出现如图所示的a、b、c偏转轨迹,则()A. 若它们的初速度相同,则a、b在电场中运动时间相同B. 若它们的初速度相同,则b、c在电场中运动时间相同C. 若它们为同种离子,则a、b在电场中运动时间相同D. 若它们为同种离子,则b、c电场中运动时间相同参考答案:AD2. 在水面同一深处有两个点光源P、Q,能发出不同颜色的光,当它们发光时,在水面上看到P光照亮的水面区域大于Q光照亮的水面区域,以下说法正确的是A.P光的频率大于Q光的频率B.P光在水中的传播速度小于Q光在水中的传播速度C.P光在水中的像点高于Q光在水中的像点D.让P光和Q光通过同一单缝衍射装置,P光的衍射条纹为图甲,Q光的衍射条纹为图乙参考答案:D3. 参考答案:4. (单选)首先发现电流磁效应的科学家是A.奥斯特B.库仑C.安培D.法拉第参考答案:A5. (单选题)质量为2kg的物体以一定的初速度沿倾角为30°的斜面向上滑行,在向上滑行和向下滑行的过程中,其动能随物体到斜面底端距离的变化关系如图所示,则物体在斜面上受到的摩擦力为()A.14NB.10NC.6ND.4N参考答案:D二、填空题:本题共8小题,每小题2分,共计16分4.如图是一个正弦交变电流的i—t图象,根据这一图象,该交流电的瞬时值表达式为 A,它的有效值为 A。
参考答案: i=2sin5πt , 27. 如图所示,平行金属导轨间距为d ,一端跨接一阻值为R 的电阻,匀强磁场磁感应强度为B ,方向垂直轨道所在平面,一根长直金属棒与轨道成60°角放置,不计轨道与棒的电阻,当金属棒以垂直棒的恒定速度v 沿金属轨道滑行时,电阻R 两端的电压大小为________,金属棒受到的安培力大小为。
宝安中学2006—2007学年第二学期期中测试高一物理命题人:曾国贤本试卷分为第Ⅰ卷(选择题)和第Ⅱ卷(非选择题)两部分。
第Ⅰ卷为1—20题,共65分;第Ⅱ卷为21~25题,共35分。
全卷共计100分。
考试时间为90分钟。
注意事项:1、答第一卷前,考生务必将自己的姓名、准考证号、考试科目用铅笔涂写在答题卷上。
2、每小题选出答案后,用2B铅笔把答题卡上对应题目的答案标号涂黑。
如需要改动请用橡皮擦干净后,再涂其它答案,不能答在试卷上。
3、考试结束,监考人员将本试卷和答题卡一并收回。
第Ⅰ卷(本卷共计65分)一、单项选择题:(共15小题,每小题3分,共计45分。
每小题只有一个选项正确。
)1.利用扭秤装置,第一次测出万有引力常量的是下列哪位科学家()A.牛顿B.开普勒 C.卡文迪许D.伽利略2.下列关于圆周运动的说法错误..的是()A.做圆周运动的物体,其加速度一定指向圆心B.做圆周运动的物体,其加速度可以不指向圆心C.做匀速圆周运动的物体,所受合外力一定指向圆心D.做圆周运动的物体,只要所受合外力不指向圆心,其速度方向就不与合外力方向垂直3.做平抛运动的物体,每秒的速度增量总是:()A.大小相等,方向相同B.大小不等,方向不同C.大小相等,方向不同D.大小不等,方向相同4.如图所示为一皮带传动装置,右轮的半径为r,A是它边缘上的一点。
左侧是一轮轴,大轮的半径为4r,小轮的半径为2r。
B点在小轮上,它到小轮中心的距离为r。
C点和D点分别位于小轮和大轮的边缘上.若在传动过程中,皮带不打滑。
则 ( )A.A点与B点的线速度大小相等B.A点与B点的角速度大小相等C.A点与C点的线速度大小相等D.A点与D点的向心加速度大小不等5.汽车以一定速率通过拱桥时 ,下列说法中正确的是( )A .在最高点汽车对桥的压力大于汽车的重力B .在最高点汽车对桥的压力等于汽车的重力C .在最高点汽车对桥的压力小于汽车的重力D .汽车以恒定的速率过桥时,汽车所受的合力为零6.关于第一宇宙速度,下面说法正确的是A .是人造地球卫星绕地球飞行的最小速度B .它是能使卫星进入近地圆形轨道的最大发射速度C .它是卫星在椭圆轨道上运行时近地点的速度D .它是近地圆形轨道上人造卫星的运行速度7.人造卫星绕地球做匀速圆周运动,其速率是下列( )A .一定等于7.9km/sB .等于或小于7.9km/sC .一定大于7.9km/sD .介于7.9km/s ~11.2km/s8.2007年3月两会期间,中国绕月探测工程总指挥栾恩杰指出:中国第一颗人造月球卫星已研制完成,有望在年内探测38万公里以外的月球。
嘴哆市安排阳光实验学校宝安区高二(上)期中物理试卷一、单选题(本题共8小题,每小题3分,共24分)1.关于点电荷的下列说法中,正确的是()A.只有体积很小的带电体才能看成点电荷B.体积很大的带电体一定不能看成点电荷C.当两个带电体的大小及形状对它们之间相互作用力的影响可忽略时,两个带电体可看成点电荷D.一切带电体都可以看成点电荷2.有两个点电荷,带电量分别是Q和q,相距d,相互作用力为F,为使作用力加倍,下列可行的是()A.使Q加倍B.使q减为原来的一半C.使Q和q都加倍D.使d减为原来的一半3.电场强度的定义式为E=,点电荷的场强公式为E=,下列说法中正确的是()A.E=中的场强E是电荷q产生的B.E=和E=都只对点电荷适用C.E=中的F表示单位正电荷的受力D.E=中的场强E是电荷Q产生的4.下列说法中正确的是()A.电场线越密处场强越大,电势越高B.沿电场线的方向场强减小,电势降低C.场强为0处,电势不一定为0D.在电势高处电荷具有的电势能大5.如图所示,匀强电场场强E=100V/m,A、B两点相距10cm,A、B连线与电场线夹角为60°,则U BA为()A.5 V B.5 V C.﹣5 V D.﹣5 V6.如图所示,O为两个等量异种电荷连线上的中点,P为连线中垂线上的一点,比较O、P两点的电势和场强大小()A.φ0=φP,Eo>E p B.φ0=φP,Eo=E P C.φ0>φP,Eo=E P D.φ0=φP,Eo<E p 7.如图所示,先接通S使电容器充电,然后断开S.当增大两极板间距离时,电容器所带电荷量Q、电容C、两板间电势差U,电容器两极板间场强E的变化情况是()A.Q变小,C不变,U不变,E变小 B.Q变小,C变小,U不变,E不变C.Q不变,C变小,U变大,E不变 D.Q不变,C变小,U变小,E变小8.以下有关电动势的说法正确的是()A.电源的电动势跟电源内非静电力做的功成正比,跟通过的电荷量成反比B.电动势的单位跟电压的单位一致,所以电动势就是两极间的电压C.非静电力做的功越多,电动势就越大D.E=只是电动势的定义式,电动势的大小是由电源内非静电力的特性决定的9.下列物理量是矢量的是()A.电场强度B.电势差C.电流D.电势能10.关于元电荷的理解,下列说法正确的是()A.元电荷的数值通常取作e=1.6×10﹣19CB.元电荷是表示跟电子所带电量数值相等的电量C.元电荷实质上是指电子和质子D.物体所带的电量只能是元电荷的整数倍11.如图所示,匀强电场中有一平行四边形abcd,且平行四边形所在平面与场强方向平行.其中φa=10V,φc=6V,φd=8V,则下列说法正确的是()A.b点电势φb=4 V B.b点电势φb=8VC.场强平行于ad方向D.场强垂直于bd向下12.如图所示,带箭头的线段表示某一电场的电场线,在电场力作用下(不计重力)一带电粒子经过A点飞向B点,径迹如图中虚线所示,以下正确的是()A.A、B两点相比较,A点电势高B.粒子在A点时加速度大C.粒子带正电D.粒子在B点的动能小13.根据欧姆定律,下列说法正确的是()A.从R=可知,对于某一确定的导体,通过的电流越大,说明导体两端的电压越大B.从I=可知,导体中的电流跟两端的电压成正比,跟导体的电阻成反比C.从R=可知,对于某一确定的导体,所加电压跟通过导体的电流之比是个恒量D.从R=可知,导体的电阻跟加在导体两端的电压成正比,跟导体中的电流成反比14.有一横截面积为S的铝导线,当有电压加在该导线上时,导线中的电流强度为I.设每单位体积的导线中有n个自由电子,电子电量为e,此时电子定向移动的速度为v,则在△t时间内,通过导体横截面的自由电子数目可表示为()A.nvS△t B.nv△t C .D .三、填空题:(本题共3小题,每空2分,共12分)15.电阻R1、R2的伏安特性曲线如图所示,若将它们串联后接入电路,则它们的电压之比U1:U2= .16.如图所示,某小灯泡的电流与其两端的电压关系图线,计算出小灯泡电压为5V时电阻为Ω,其电压为10V时为电阻Ω(保留一位小数),说明小灯泡电阻的变化规律:.17.平行板板电容器两板间电压为2V,带电量8×10﹣2C,则其电容C= F,若保持其他条件不变而使两板正对面积减为原来的,则其电容变为F.18.竖直放置的两块平行金属板间有匀强电场,在该匀强电场中,用丝线悬挂量为m、电量为q的小球,丝线跟竖直方向成θ角时小球恰好平衡.(1)画出小球受力图;(2)若左边金属板为负极板,则小球的电性;(3)求匀强电场的电场强度大小.19.将一个电荷量为10﹣6C的负电荷从电场中的A点移到B点,克服电场力做功2×10﹣6J.从A点移到C点,电场力做功7×10﹣6J,则A、B两点和B、C的电势差各是多少?20.如图所示,两块相同的金属板正对着水平放置,电压U时,一个质量为m、电荷量为+q的带电粒子,以水平速度v0从A点射入电场,经过一段时间后从B 点射出电场,A、B问的水平距离为L.不计重力影响.求(1)带电粒子从A点运动到B点经历的时间t;(2)A、B问竖直方向的距离y;(3)带电粒子经过B点时速度的大小v.宝安区沙井中学高二(上)期中物理试卷参考答案与试题解析一、单选题(本题共8小题,每小题3分,共24分)1.关于点电荷的下列说法中,正确的是()A.只有体积很小的带电体才能看成点电荷B.体积很大的带电体一定不能看成点电荷C.当两个带电体的大小及形状对它们之间相互作用力的影响可忽略时,两个带电体可看成点电荷D.一切带电体都可以看成点电荷【考点】A1:元电荷、点电荷.【分析】当两个带电体的大小及形状对它们之间相互作用力的影响可忽略时,两个带电体才可看成点电荷.体积很小或很大的带电体在一定的条件下都可以看成点电荷.【解答】解:体积很小或很大的带电体在一定的条件下都可以看成点电荷,只要满足如下条件:当两个带电体的大小及形状对它们之间相互作用力的影响可忽略时,其大小和形状可忽略不计,可以看成点电荷处理.故选C2.有两个点电荷,带电量分别是Q和q,相距d,相互作用力为F,为使作用力加倍,下列可行的是()A.使Q加倍B.使q减为原来的一半C.使Q和q都加倍D.使d减为原来的一半【考点】A4:库仑定律.【分析】在真空中有两个点电荷间的作用力遵守库仑定律,根据库仑定律,运用比例法求解.【解答】解:由题F=k可知,A、当Q加倍时,则作用力变化2F,故A正确.B、当q 减为原来的一半,由公式可知,作用力变化F,故B错误;C、当Q和q都加倍,根据公式可知,作用力变为4F,故C错误;D、如果Q、q 恒定,当距离变为时,作用力将变为4F,故D错误;故选A3.电场强度的定义式为E=,点电荷的场强公式为E=,下列说法中正确的是()A.E=中的场强E是电荷q产生的B.E=和E=都只对点电荷适用C.E=中的F表示单位正电荷的受力D.E=中的场强E是电荷Q产生的【考点】A8:点电荷的场强;A6:电场强度.【分析】公式E=,是电场强度的定义式,公式E=,是点电荷电场强度的计算式,注意它们的内涵与外延不同.电场是一种物质,其基本性质是对放入其中的电荷有力的作用.【解答】解:A、公式E=,是电场强度的定义式,采用比值法定义,适用于任何电场,式中q是试探电荷,故A错误.B、只有公式E=,对点电荷适用,故B错误.C、公式E=,F表示试探电荷的受到电场力,故C错误.D、公式E=,是点电荷电场强度的计算式,Q是产生电场的场源电荷,故D正确.故选:D.4.下列说法中正确的是()A.电场线越密处场强越大,电势越高B.沿电场线的方向场强减小,电势降低C.场强为0处,电势不一定为0D.在电势高处电荷具有的电势能大【考点】AG:匀强电场中电势差和电场强度的关系;A7:电场线;AE:电势能.【分析】电场强度和电势这两个概念非常抽象,可借助电场线可以形象直观表示电场这两方面的特性:电场线疏密表示电场强度的相对大小,切线方向表示电场强度的方向,电场线的方向反映电势的高低.【解答】解:A、电场线密处,电场强度大,而电场线方向不确定,故无法判断电势高低,电势就不一定高,故A错误;B、沿电场线的方向电势降低,但电场线的疏密不确定,故场强不一定减小,故B错误;C、电势为零,是人为选择的,电势为零处,电场强度不一定为零,场强为0处,电势不一定为0,故C正确.D、E p=qφ,若电荷带负电q取负,φ越高则电势能越小,故D错误.故选C.5.如图所示,匀强电场场强E=100V/m,A、B两点相距10cm,A、B连线与电场线夹角为60°,则U BA为()A.5 V B.5 V C.﹣5 V D.﹣5 V【考点】AK:带电粒子在匀强电场中的运动;AD:电势差与电场强度的关系.【分析】已知匀强电场的场强为E,A、B两点间的距离为L及AB连线与电场方向的夹角为θ,根据公式U=Ed,求出两点沿电场方向的距离d,再求解电势差U.【解答】解:由图示可知,AB方向与电场线方向间的夹角θ=60°,BA两点沿电场方向的距离d=Lcosθ,BA两点间的电势差U BA=Ed=﹣ELcosθ=﹣100V/m×0.1m×cos60°=﹣5V,故选:C6.如图所示,O为两个等量异种电荷连线上的中点,P为连线中垂线上的一点,比较O、P两点的电势和场强大小()A.φ0=φP,Eo>E p B.φ0=φP,Eo=E P C.φ0>φP,Eo=E P D.φ0=φP,Eo<E p 【考点】AC:电势;A6:电场强度.【分析】电场强度是描述电场强弱的物理量,它是由电荷所受电场力与其电量的比值来定义.由于电场强度是矢量,电场强度叠加时满足平行四边形定则.电场线越密的地方,电场强度越强.正电荷所受电场力方向与电场强度方向相同.同时沿着电场线方向电势降低.【解答】解:等量异种点电荷连线的中垂线电势为零.所以φ0=φP.由等量异种点电荷的电场线的分布,可得O点的电场线最密,P点的较疏.所以Eo>E p故选:A.7.如图所示,先接通S使电容器充电,然后断开S.当增大两极板间距离时,电容器所带电荷量Q、电容C、两板间电势差U,电容器两极板间场强E的变化情况是()A.Q变小,C不变,U不变,E变小 B.Q变小,C变小,U不变,E不变C.Q不变,C变小,U变大,E不变 D.Q不变,C变小,U变小,E变小【考点】AS:电容器的动态分析.【分析】电容器与电源断开,电量保持不变,增大两极板间距离时,根据C=,判断电容的变化,根据U=判断电势差的变化,根据E=,判断电场强度的变化.【解答】解:电容器与电源断开,电量保持不变,增大两极板间距离时,根据C=,知电容C变小,根据U=,知两极板间的电势差U变大,根据E==,知电场强度E不变.故C正确,A、B、D错误.故选C.8.以下有关电动势的说法正确的是()A.电源的电动势跟电源内非静电力做的功成正比,跟通过的电荷量成反比B.电动势的单位跟电压的单位一致,所以电动势就是两极间的电压C.非静电力做的功越多,电动势就越大D.E=只是电动势的定义式,电动势的大小是由电源内非静电力的特性决定的【考点】B9:电源的电动势和内阻.【分析】根据电动势的定义式E=可知,非静电力把单位正电荷从电源负极移送到正极所做的功等于电源的电动势.电动势是反映电源把其他形式的能转化为电能本领强弱的物理量.电动势等于电源没有接入电路时两极间的电压.【解答】解:A、电源内部非静电力把正电荷从电源负极移送到正极,根据电动势的定义式E=可知,电动势等于非静电力把单位正电荷从电源负极移送到正极所做的功.属于比值定义,故A错误.D正确;B、电动势等于电源没有接入电路时两极间的电压,因此电动势的单位跟电压的单位一致,但电动势不就是两极间的电压,故B错误.C、由E=可知,电源把其他形式的能转化为电能越多,即W越大,电动势不一定就越高.故C错误.故选:D9.下列物理量是矢量的是()A.电场强度B.电势差C.电流D.电势能【考点】2F:矢量和标量.【分析】既有大小、又有方向的物理量是矢量.只有大小、没有方向的物理量是标量.位移、加速度、速度均是矢量.路程、时间是标量,速度变化量是矢量.矢量相加时遵从平行四边形定则.【解答】解:A、矢量是既有大小、又有方向的物理量,电场强度是矢量,故A正确.BD、电势差和电势能只有大小,没有方向,是标量,故BD错误.C、电流有方向,但电流运算时不遵守矢量运算的法则:平行四边形定则,所以电流是标量,故C错误.故选:A.10.关于元电荷的理解,下列说法正确的是()A.元电荷的数值通常取作e=1.6×10﹣19CB.元电荷是表示跟电子所带电量数值相等的电量C.元电荷实质上是指电子和质子D.物体所带的电量只能是元电荷的整数倍【考点】A1:元电荷、点电荷.【分析】元电荷是带电量的最小值,它不是电荷,其带电量等于电子或质子的带电量;所有带电电荷量均是元电荷的整数倍.【解答】解:A、元电荷的电量等于电子的电量,元电荷的数值通常取作e=1.6×10﹣19C,故A正确;B、元电荷是表示跟电子所带电量数值相等的电量,故B正确;C、元电荷的电量等于质子或电子的电量,但不是质子,也不是电子;它是一种电量单位,故C错误;D、物体是由质子和电子组成的,故物体所带的电量只能是元电荷的整数倍,故D正确.故选:ABD.11.如图所示,匀强电场中有一平行四边形abcd,且平行四边形所在平面与场强方向平行.其中φa=10V,φc=6V,φd=8V,则下列说法正确的是()A.b点电势φb=4 V B.b点电势φb=8VC.场强平行于ad方向D.场强垂直于bd向下【考点】AG:匀强电场中电势差和电场强度的关系.【分析】运用在匀强电场中,沿着任意方向每前进相同的距离,电势变化相等,进行分析计算c点的电势;再根据bd两点电势相等确定等势面,从而确定电场线的方向.【解答】解:A、在匀强电场中,由公式U=Ed知:沿着任意方向每前进相同的距离,电势变化相等,故有:φa﹣φd=φb﹣φc则得φb=φa﹣φd+φc=10﹣8+6=8V;故A错误,B正确;C、bd两点电势相等,故bd为等势线,因电场线方向与等势面相互垂直,故场强方向垂直于bd向下,故C错误,D正确.故选:BD.12.如图所示,带箭头的线段表示某一电场的电场线,在电场力作用下(不计重力)一带电粒子经过A点飞向B点,径迹如图中虚线所示,以下正确的是()A.A、B两点相比较,A点电势高B.粒子在A点时加速度大C.粒子带正电D.粒子在B点的动能小【考点】A7:电场线.【分析】沿电场线的方向电势逐渐降低,根据电场线的方向判断电势的高低.电场线密的地方电场的强度大,电场线疏的地方电场的强度小,由电场线的疏密分析场强的大小,由牛顿第二定律分析加速度的大小.根据带电粒子的运动轨迹分析粒子所受的电场力方向,从而判断出其电性.由电场力做功情况分析动能的大小.【解答】解:A、沿着电场线的方向电势降低,所以A点电势比B点电势高,故A正确;B、电场线密的地方电场强度大,则知B点的电场强度比A点的大,所以粒子在B点受到的电场力大,在B点时的加速度较大,故B错误.C、粒子做曲线运动,所受的合力指向轨迹弯曲的内侧,则知粒子受到的电场力方向逆着电场线方向向下,所以该粒子带负电,故C错误;D、从A到B的过程中,电场力对粒子做负功,所以粒子的动能减小,则粒子在B点的动能小,故D正确.故选:AD13.根据欧姆定律,下列说法正确的是()A.从R=可知,对于某一确定的导体,通过的电流越大,说明导体两端的电压越大B.从I=可知,导体中的电流跟两端的电压成正比,跟导体的电阻成反比C.从R=可知,对于某一确定的导体,所加电压跟通过导体的电流之比是个恒量D.从R=可知,导体的电阻跟加在导体两端的电压成正比,跟导体中的电流成反比【考点】B2:欧姆定律.【分析】R=是电阻的定义式,采用比值定义法,具有比值定义法的共性,R与U、I无关;根据欧姆定律分析电流与电压、电阻的关系.【解答】解:A、根据R=可知,U=IR,所以对于某一确定的导体,R是定值,通过的电流越大,说明导体两端的电压越大,故A正确.B、从I=可知,导体中的电流跟两端的电压成正比,跟导体的电阻成反比,故B正确;CD、R=是电阻的定义式,R反映导体本身的特性,与U、I无关,不能说电阻R跟U成正比,跟I成反比,但可以由此求出电阻的大小,故电压跟通过导体的电流之比是个恒量,故C正确,D错误.故选:ABC.14.有一横截面积为S的铝导线,当有电压加在该导线上时,导线中的电流强度为I.设每单位体积的导线中有n个自由电子,电子电量为e,此时电子定向移动的速度为v,则在△t时间内,通过导体横截面的自由电子数目可表示为()A.nvS△t B.nv△t C .D .【考点】B1:电流、电压概念.【分析】根据电子定向移动的速度和时间,求出自由电荷△t时间内移动的距离,再求出体积,即可求解通过导体横截面的自由电子数目;也可以根据电量公式q=It,求出电量,也求解电子数目.【解答】解:在△t时间内,以速度v移动的电子在铜导线中经过的长度为v △t,由于铜导线的横截面积为S,则在△t时间内,电子经过的导线对应体积为v△tS.又由于单位体积的导线有n个自由电子,在△t时间内,通过导线横截面的自由电子数目可表示为 N=nvS△t.由于流经导线的电流为I,则在△t时间内,流经导线的电荷量为I△t,而电子的电荷量为e,则△t时间内通过导线横截面的自由电子数目可表示为N=.故AC正确,BD错误;故选:AC三、填空题:(本题共3小题,每空2分,共12分)15.电阻R1、R2的伏安特性曲线如图所示,若将它们串联后接入电路,则它们的电压之比U1:U2= 1:2 .【考点】B2:欧姆定律.【分析】该题中,根据电阻的定义式:R=,由图可知电压相等时流过两电阻的电流大小,则可知电阻的大小关系;再根据串联电路的规律分析电压关系.【解答】解:由图可知,当电压相等时,流过电阻的电流之比为2:1;则根据欧姆定律可知,电阻之比为:R1:R2=1:2;两电阻串联时,电流相等,则根据U=IR可知,电压之比等于电阻之比,故电压之比为1:2.故答案为:1:2.16.如图所示,某小灯泡的电流与其两端的电压关系图线,计算出小灯泡电压为5V时电阻为10 Ω,其电压为10V时为电阻14.3 Ω(保留一位小数),说明小灯泡电阻的变化规律:电压增大,温度升高,电阻增大.【考点】B2:欧姆定律.【分析】由I﹣U图象明确不同电压下的电流值,再由欧姆定律可求得电阻;则可得出电阻的变化规律.【解答】解:由图可知,当电压为5V时,对应的电流为0.5A,由欧姆定律可知,R=Ω=10Ω;当电压为10V时,电流为0.7A,则电阻R′=Ω=14.3Ω;则说明灯泡电阻的变化规律为:电压增大,温度升高,电阻增大;故答案为:10;14.3;电压增大,温度升高,电阻增大17.平行板板电容器两板间电压为2V,带电量8×10﹣2C,则其电容C= 4×10﹣2F,若保持其他条件不变而使两板正对面积减为原来的,则其电容变为10﹣2 F.【考点】AS:电容器的动态分析;AP:电容.【分析】由U=Ed可求得两板间的电势差;再由电容器的定义式可求得其电容;由决定式可求得改变正对面积以后的电容值.【解答】解:则由C=得C==4×10﹣2F;由C=可知,电容与正对面积成正比;则变化后的电容为:C′==1×10﹣2F;故答案为:4×10﹣2;10﹣218.竖直放置的两块平行金属板间有匀强电场,在该匀强电场中,用丝线悬挂量为m、电量为q的小球,丝线跟竖直方向成θ角时小球恰好平衡.(1)画出小球受力图;(2)若左边金属板为负极板,则小球的电性;(3)求匀强电场的电场强度大小.【考点】AG:匀强电场中电势差和电场强度的关系;2H:共点力平衡的条件及其应用.【分析】先分析小球的受力情况,重力竖直向下,电场力水平向右,绳子拉力沿绳子向上,处于三力平衡状态,根据平衡条件,结合电性,即可判断电场强度的方向,依据力的合成法则,确定电场力与重力的关系,即可求解电场强度.【解答】解:(1)对小球受力分析可知,小球受重力、绳子的拉力,为了能让小球保持平衡,小球还应受向右的电场力;如图所示;(2)左边金属板为负极板,则电场线向左,小球受力与电场线方向相反,故小球带负电;(3)电场力与拉力的合力与重力平衡,则由几何关系可知:F=mgtanθ而电场力为:F=Eq联立解得:E=答:(1)小球受力如图所示;(2)若左边金属板为负极板,则小球带负电;(3)匀强电场的电场强度大小为.19.将一个电荷量为10﹣6C的负电荷从电场中的A点移到B点,克服电场力做功2×10﹣6J.从A点移到C点,电场力做功7×10﹣6J,则A、B两点和B、C的电势差各是多少?【考点】AG:匀强电场中电势差和电场强度的关系.【分析】根据电势差的公式,求出A与B两点间的电势差和AC点间的电势差,再由U AC=U AB+U BC可得B,C间的电势差【解答】解:由公式: ==2VA点移到C点,由电场力做功为:W=U AC q.得: ==﹣7V由U AC=U AB+U BC得:U BC=U AC﹣U AB=﹣9V答:A、B两点和B、C的电势差分别是2V,﹣9V20.如图所示,两块相同的金属板正对着水平放置,电压U时,一个质量为m、电荷量为+q的带电粒子,以水平速度v0从A点射入电场,经过一段时间后从B 点射出电场,A、B问的水平距离为L.不计重力影响.求(1)带电粒子从A点运动到B点经历的时间t;(2)A、B问竖直方向的距离y;(3)带电粒子经过B点时速度的大小v.【考点】AK:带电粒子在匀强电场中的运动.【分析】(1)带电粒子在板间做类平抛运动,在水平方向做匀速直线运动,根据位移和初速度直接得出粒子运动时间;(2)带电粒子在电场中做类平抛运动,已知两极间的电势差和析间距离可以求得粒子在电场中的受力,粒子在电场方向上做初速度为0的匀加速直线运动,根据加速度大小和时间可以求得电场方向上位移.(3)根据动能定理求出B点的速度大小.【解答】解:(1)带电粒子在水平方向做匀速直线运动,从A点运动到B点经历的时间为:t=,(2)带电粒子在竖直方向做匀加速直线运动板间场强大小为:,加速度大小为:a=,A、B间竖直方向的距离为:y=,(3)带电粒子从A点运动到B点过程中,根据动能定理得:,而U AB=Ey,解得带电粒子在B点速度的大小为:v=.答:(1)带电粒子从A点运动到B点经历的时间为;(2)A、B问竖直方向的距离为;(3)带电粒子经过B点时速度的大小为.。
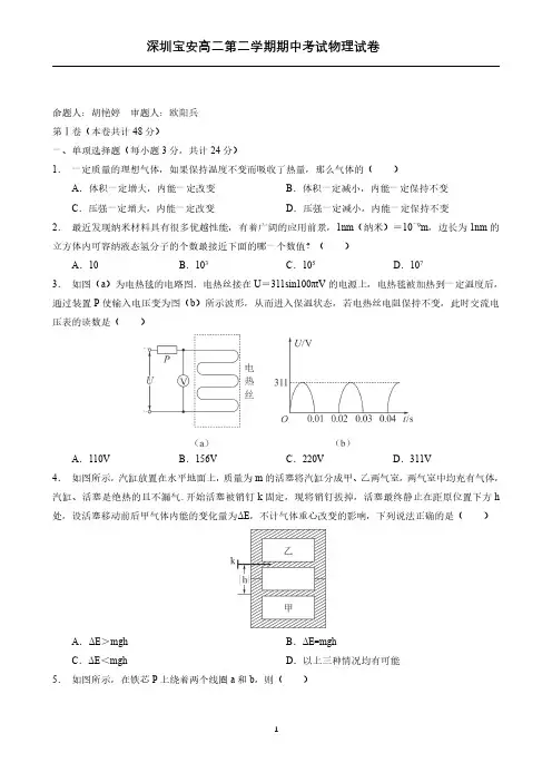
宝安中学2006—2007学年第二学期期中测试高二物理命题人:欧阳兵本试卷分选择题和非选择题两部分,共7页,满分150分.考试用时120分钟.注意事项:1.答卷前,考生务必用黑色字迹的钢笔或签字笔将自己的姓名和考号填写在答题卡上.用2B铅笔将答题卡试卷类型(A)填涂在答题卡上,并在答题卡右上角的“试室号”和“座位号”栏填写试室号、座位号,将相应的试室号、座位号信息点涂黑.2.选择题每小题选出答案后,用2B铅笔把答题卡上对应题目的答案标号涂黑,如需改动,用橡皮擦干净后,再选涂其他答案,答案不能答在试卷上.3.非选择题必须用黑色字迹的钢笔或签字笔作答,答案必须写在答卷上各题目指定区域内相应位置上;如需改动,先划掉原来的答案,然后再写上新的答案;不准使用铅笔和涂改液。
不按以上要求作答的答案无效.4.考生必须保持答题卡的整洁,考试结束后,将答卷和答题卡一并交回.第Ⅰ卷选择题(共 40 分)一、本题共 10 小题,每小题 4 分,共 40 分。
在每小题给出的四个选项中,有的小题只有一个选项正确,有的小题有多个选项正确,全部选对的得 4 分,选不全的得 2 分,有错选或不答的得 0 分。
1.作简谐运动的物体, 在每次通过同一位置时, 动量、动能、速度、加速度四个量中,总是相同的量是:A.速度和动量B.加速度与动能C.速度、动量和加速度D.动量、动能、速度、加速度2.机械波和电磁波比较下列说法正确的是A.电磁波传播不需要介质,机械波传播需要介质B.电磁波在任何媒质中传播速度都相同,机械波波速大小取决于介质C.医院中用于检查病情的“B超”利用了电磁波的反射原理D.机械波容易观察到干涉或衍射现象而电磁波不容易,是因为电磁波不能产生干涉或衍射现象3.若发现无线电发射机发射的电磁波的波长比标准值稍大,为了调准发射波长,则下面的办法中,可行的是将LC振荡电路的A.电容器的电容C适当调小B.电容器的电容C适当调大C.电感线圈的电感L适当调小D.电感线圈的电感适当调大4.一人用手托住一质量为1kg的物体并保持静止不动,则在10s钟内手对物体的支持力的冲量和物体的重力的冲量大小分别为(g =10m/s2)A.0、0 B.0、100Ns C.100Ns、0 D.100Ns、100Ns5. 在实验室可以做“声波碎杯”的实验.用手指轻弹一只酒杯,可以听到清脆的声音,测得这声音的频率为500Hz .将这只酒杯放在两只大功率的声波发生器之间,操作人员通过调整其发出的声波,就能使酒杯碎掉.下列说法中正确的是 A .操作人员一定是把声波发生器的功率调到很大B .操作人员可能是使声波发生器发出了频率很高的超声波C .操作人员一定是同时增大了声波发生器发出声波的频率和功率D .操作人员一定要将声波发生器发出的声波频率调到500Hz6.下列说法中正确的是A .衍射是一切波特有的现象B .障碍物或孔越小越易产生衍射C .在空旷的山谷里叫喊,可以听到回音,这是声波的衍射现象D .在空旷的山谷里叫喊,可以听到回音,这是声音的反射现象7. 质量为1kg 的物体自某一高度处自由下落,阻力不计,触地时速度大小为20m/s 反弹离地时的速度大小为8m/s ,那么物体反弹前后动量的变化大小、方向是A .8 kgm/s 、向上B .28 kgm/s 、向上C .8 kgm/s 、向下D .28 kgm/s 、向下8.一载着游人的小船原来静止在平静的湖面上,在人从游船的一端走到另一端的过程中,若忽略水对小游船的阻力作用,下列说法中正确的是 A .人受的冲量与船所受的冲量大小相同 B .人向前走的速度一定小于游船后退的速度 C .当人突然停止走动时,小游船也立即停止后退 D .人走动的过程中,人与游船的总动量始终为零9.两列频率相同的声波,在空气中相遇发生干涉时,则 A .振动加强的质点的位移总是最大,不随时间而变化B .在某一时刻,振动加强的质点的位移可能小于振动减弱的质点的位移C .振动加强的质点的位移随时间不断变化D .振动减弱质点的振幅一定小于振动加强质点的振幅10.一列横波沿直线向右传播,直线上有间距均为L 的9个质点,如图(a )所示。
t =0时横波到达质点1,质点1开始向下运动,经过时间Δt 第一次出现如图(b )所示的波形。
则该波的A .周期为t ∆34,波长为8LB .周期为t ∆74,波长为8LC .周期为t ∆34,波速为t ∆6LD .周期为t ∆74,波速为t∆14Lv(a )(b )第Ⅱ卷 非选择题(共110分)二、本题共8小题,共110分。
按题目要求做答。
解答题应写出必要的文字说明、方程式和重要演算步骤。
只写出最后答案的不能得分。
有数值计算的题,答案中必须明确写出数值和单位。
11.(12分)某同学在做“用单摆测重力加速度”的实验时,测量5种不同摆长情况下单摆((2)由此图像求出重力加速度g = m/s 2。
(结果保留到小数点后二位) (3)在“用单摆测定重力加速度”的实验中,若测得的g 值比当地的标准值偏小,可能是因为( )A 摆球的质量偏大B 摆动的偏角偏小C 计算摆长时,把悬线长当作了摆长D 测量周期时,将n 次全振动误记成了(n +1)次全振动 12.(12分)为了验证碰撞中的动量守恒和检验两个小球的碰撞是否为弹性碰撞,某同学选取了两个体积相同、质量不相等的小球,按下述步骤做了如下实验: ①用天平测出两个小球的质量(分别为m 1和m 2,且m 1>m 2)。
②按照如图所示的那样,安装好实验装置。
将斜槽AB 固定在桌边,使槽的末端点的切线水平。
将一斜面BC 连接在斜槽末端。
③先不放小球m 2,让小球m 1从斜槽顶端A 处由静止开始滚下,记下小球在斜面上的落点位置。
④将小球m 2放在斜槽前端边缘处,让小球m 1从斜槽顶端A 处滚下,使它们发生碰撞,记下小球m 1和小球m 2在斜面上的落点位置。
⑤用毫米刻度尺量出各个落点位置到斜槽末端点B 的距离。
图中D 、E 、F 点是该同学记下的小球在斜面上的几个落点位置,到B 点的距离分别为L D 、L E 、L F 。
根据该同学的实验,回答下列问题:(1)小球m 1与m 2发生碰撞后,m 1的落点是图中的_________点,m 2的落点是图中的___________点。
(2)用测得的物理量来表示,只要满足关系式________________________________,则说明碰撞中动量是守恒的。
(3)用测得的物理量来表示,只要再满足关系式______________________________,则说明两小球的碰撞是弹性碰撞。
班别____________ 姓名____________ 座号___________13.(16分)(1) 收音机的中波段的波长范围是187m ~560m ,为了避免电台间的干扰,两个电台的频率范围至少相差104Hz ,则在此波段中最多能容纳的电台数约为多少个?(2)如图所示,A 、B 两小车的质量均为M=100kg ,在光滑水平面上以相同的速率v 0=2m/s 在同一直线上相向运动。
A 车上有一质量为m = 50kg 的人以某一速度跳到B 车上后立即与B 车一起以v B =1m/s 的速度向右运动,求此时A 车的速度。
14.(14分)篮球运动是一项同学们喜欢的体育运动,为了检测篮球的性能,某同学多次让一篮球从h 1=1.8m 处自由下落,测出篮球从开始下落至第一次反弹到最高点所用时间为t =1.3s ,该篮球第一次反弹从离开地面至最高点所用时间为0.5s ,篮球的质量为m =0.6kg ,g 取10m /s 2.求篮球对地面的平均作用力(不计空气阻力).15.(13分)如图所示为一列简谐波在t1=0时刻的图象。
此时波中质点M的运动方向沿y轴负方向,且到t2=0.55s质点M恰好第3次到达y轴正方向最大位移处。
试求:(1)此波向什么方向传播?(2)波速是多大?(3)从t1=0至t3=1.2s,波中质点N运动的路程和相对于平衡位置的位移分别是多少?16.(13分)如图所示,用两根长度都为L的细绳悬挂一个小球A,绳与水平方向的夹角为 .使球A垂直于纸面做摆角小于10°的摆动,当它经过平衡位置的瞬间,另一小球B从A球的正上方自由下落,若B球恰能击中A球,求B球下落的高度.17.(14分)可视为质点的两物体A 和B 中间夹一弹簧,压缩到一定程度后用线扎在一起后放在光滑的水平台面上(如图示),台面高0.8m ,线被烧断后A 、B 两物体被弹出后落地的水平射程分别为1m 和3m ,若A 的质量为0.60kg , g 取10m/s 2. 求: (1)B 的质量为多大?(2)开始时弹簧中储存的弹性势能为多大?18.(16分) 将一测力传感器连接到计算机上就可以测量快速变化的力,图甲表示小滑块(可视为质点)沿固定的光滑半球形容器内壁在竖直平面的A 、A ′之间来回滑动,A 、A ′点与O 点连线与竖直方向之间夹角相等且都为θ,θ很小。
图乙表示滑块对器壁的压力F 随时间t 变化的曲线,且图中0=t 为滑块从A 点开始运动的时刻,试根据力学规律和题中(包括图中)所给的信息,求:(1)容器的半径;(2)小滑块的质量;(3)滑块运动过程中的守恒量。
(g 取2/10s m )。
宝安中学2006~2007学年下学期高二年级期中考试参考答案及评分标准11.(1)图线略(过原点的一条斜线);(4分)(2)由图线的斜率k 求得重力加速度g=4π2/k=4π2/4=9.86m/s 2(学生只填数即可)(4分)(3)C (4分) 12.(1)D 、F ; (4分)(2)m 1 (L E )1/2=m 1( L D )1/2+m 1(L F )1/2 (4分) (3)m 1L E =m 1L D +m 1L F (4分)13. (16分)解:(1)由f v λ=得λvf =(2分),所以有Hz vf 6811106.1187103⨯=⨯==λ(2分)Hz vf 58221036.5560103⨯=⨯==λ(2分)最多能容纳的电台数为 10610421=-=f f n 个(2分,写成107个不给分) (2)取水平向右为正方向,以A 车、B 车和人为系统,由动量守恒定律得:(M+m )v 0-Mv 0=(M+m)v B +Mv A (4分) 代入数据,解得:v A =-0.5m/s (2分)所以,A 车的速度大小为0.5m/s ,方向向左 (2分)14. (14分) 解:篮球从h 1处下落的时间为t 1,触地时速度大小为v 1,弹起时速度大小为v 2.则s s g h t 6.0108.12211=⨯==① (2分) s m s m gh v /6/8.1102211=⨯⨯== ② (2分)球弹起的速度大小s m s m gt v /5/5.01022=⨯== ③ (2分) 球与地面作用时间s t t t t 2.021=--=∆ ④ (2分) 球触地过程中取向上为正方向,根据动量定理有:)()(12mv mv t mg F --=∆- ⑤ (3分)即 tv v m m g F ∆++=)(21,代入数据得N F 39=.(2分)根据牛顿第三定律,球对地面的平均作用力方向竖直向下,大小为39N . (1分) 15. (13分) 解:(1)此波向x 轴负向传播(2分)(2)在t 1=0到t 2=0.55s 这段时间里,质点M 恰好第3次到达y 正方向最大位移处,则有:(2+43)T =0.55s (2分) 得T =0.2s (1分)由图象得简谐波的波长为λ=0.4m (2分) 则波速Tv λ==2m/s (2分)(3)在t 1=0至t 3=1.2s 这段时间,波中质点N 经过了6个周期,即质点N 回到始点,所以走过的路程为L=6×5×4=120cm (2分)相对于平衡位置的位移为2.5cm 。