计算机控制实验报告
- 格式:doc
- 大小:274.00 KB
- 文档页数:7
计算机控制工程实验一 实验目的 试验目的:1了解计算机控制系统的基本构成结构和掌握计算机控制系统的原理;熟悉计算机控制系统的设计过程。
2掌握控制器的设计方法;能够利用最小拍有纹波,最小拍无纹波,大林算法,数字PID 四种方法设计数字控制器。
并体会四种算法设计的不同。
比较不同控制器的设计方法的区别,在编程和仿真的过程中,学习MATLAB 软件的使用,通过Matlab 工具仿真控制效果,掌握不同控制器的特点;3 通过本实验积累在具体控制工程中分析与解决具体问题的能力,并熟悉设计控制系统的过程。
4 对仿真结果进行分析,体会不同的设计思想,加深对计算机控制系统设计的理解 二 实验任务 实验对象结构:D(z)是待设计的数字控制器,G(s)是被控对象的连续传递函数,G h (s)是零阶保持器,T 为采样周期G(s)有两种:传函G 1:()Se s G S S s G Tsh --=+=1)(,)2(2传函G 2:()Se s G S e s G Tsh S ---=+=1)(,22 T=0.5 试分别设计控制算法(D(z))使输出Y(t)能够跟踪v(t)参考输入,v (t )有三种:1单位阶跃 2单位速度3随动信号:设输入信号包含上升、平顶和下降阶段或改用加速度信号设计4种控制器:1数字PID2大林算法3最小拍(最速跟踪) 4最小拍无纹波三 数字控制器的设计、实验设计与仿真结果 1 有纹波的最小拍控制器(1)传函G 1的最小有纹波控制器设计广义对象的Z 传递函数为:故输入阶跃信号时被控对象为G 1(s)的控制器设计对单位阶跃信号,1=q 所以,因为, 且)('1z F 的首项为1,所以有,)('1z F =1, 即则数字控制器为: 输入阶跃信号时被控对象为G 1(s)的控制器设计:)368.01)(1()717.01(184.0)2(21)(1111-------+=⎥⎦⎤⎢⎣⎡+⋅-=z z z z s s s e Z z G Ts 11111=-===---j z N M d ,,,)()('1z F z z -=φ)()1()('11z F z z e --=φ01)(deg '1=-+=-m d z F )1()(1--=z z e φ1)(1)(-=-=z z z e φφ)717.01()368.01(43.5)()()(1)(11--+-=⋅=z z z z z G z D eφφ输入阶跃信号时被控对象为G 1(s)的仿真结果:输入速度信号时被控对象为G 1(s)的控制器设计对单位速度信号,2=q 所以,因为, 且)('1z F 的首项为1,所以有,)('1z F =1, 即则数字控制器为:输入速度信号时被控对象为G 1(s)的控制器设计:)()('1z F z z -=φ)()1()('121z F z z e --=φ01)(deg '1=-+=-m d z F 21)1()(--=z z e φ212)(1)(---=-=z z z z e φφ)717.01)(1()368.01)(5.01(86.10)()()(1)(1111----+---=⋅=z z z z z z z G z D e φφ输入速度信号时被控对象为G 1(s)的仿真结果:输入随动信号时被控对象为G 1(s)的控制器设计设计的随动信号是有单位速度信号叠加而成的,最高阶次为2,设计的控制器与单位速度信号相同。
计算机控制课程实验实验报告姓名:学号:班级:实验一输入与输出通道1.A/D转换实验1.1实验内容:编写实验程序,将-5V ~ +5V的电压作为ADC0809的模拟量输入,将转换所得的8位数字量保存于变量中。
1.2实验原理:实验设备中的ADC0809芯片,其输出八位数据线以及CLOCK线已连到控制计算机的数据线及系统应用时钟1MCLK (1MHz)上。
其它控制线根据实验要求可另外连接 (A、B、C、STR、/OE、EOC、IN0~IN7)。
根据实验内容的要求,可以设计出如图1所示的实验线路图。
上图中,AD0809的启动信号“STR”是由控制计算机定时输出方波来实现的。
“OUT1”表示386EX内部1#定时器的输出端,定时器输出的方波周期=定时器时常。
图中ADC0809芯片输入选通地址码A、B、C为“1”状态,选通输入通道IN7;通过单次阶跃单元的电位器可以给A/D转换器输入-5V ~ +5V的模拟电压;系统定时器定时1ms输出方波信号启动A/D转换器,并将A/D转换完后的数据量读入到控制计算机中,最后保存到变量中。
1.3程序流程:1.4实验步骤及结果:(1) 打开联机操作软件,参照流程图,在编辑区编写实验程序。
检查无误后编译、链接。
(2) 按图1接线 (注意:图中画“o”的线需用户自行连接),连接好后,请仔细检查,无错误后方可开启设备电源。
(3) 装载完程序后,系统默认程序的起点在主程序的开始语句。
用户可以自行设置程序起点,可先将光标放在起点处,再通过调试菜单项中设置起点或者直接点击设置起点图标,即可将程序起点设在光标处。
(4) 加入变量监视,具体步骤为:打开“设置”菜单项中的“变量监视”窗口或者直接点击“变量监视”图标,将程序中定义的全局变量“AD0~AD9”加入到变量监视中。
在查看菜单项中的工具栏中选中变量区或者点击变量区图标,系统软件默认选中寄存器区,点击“变量区”可查看或修改要监视的变量。
北航计算机控制系统实验报告一、实验目的通过本实验,旨在加深对计算机控制系统的理解,熟悉计算机控制系统的基本组成和原理,并能够运用所学知识进行实际的控制系统设计与调试。
二、实验原理计算机控制系统是一种通过计算机对实际物体或过程进行控制的系统。
其基本组成包括传感器、执行机构、人机界面、控制算法和控制器等。
传感器负责将物理量转换成电信号,输入给计算机;执行机构根据计算机的控制信号完成相应的动作;人机界面提供了与计算机进行交互的方式;控制算法基于传感器采集到的信息和用户的输入,计算出执行机构所需的控制信号;控制器根据控制算法输出的控制信号与执行机构进行交互。
三、实验内容本实验的主要内容为设计一个自动化温控系统。
系统包括一个温度传感器、一个加热器和一个温度控制器。
温度传感器负责采集环境温度,并将其转换成模拟电信号输入给温度控制器;加热器根据温度控制器输出的控制信号控制加热功率,从而调节环境温度;温度控制器根据温度传感器采集到的温度信号和用户设定的目标温度,计算出加热功率控制信号。
四、实验步骤1.连接硬件设备将温度传感器的输出接口与温度控制器的输入接口相连;将温度控制器的输出接口与加热器的输入接口相连。
2.设计控制算法根据用户设定的目标温度和实际温度,设计一个控制算法,计算出加热功率控制信号。
常见的控制算法包括PID控制算法、模糊控制算法等。
3.编写控制程序使用编程语言编写一个控制程序,根据控制算法计算出的控制信号,通过温度控制器的输出接口发送给加热器。
4.调试控制系统运行控制程序,观察温度控制系统的运行情况。
根据实际温度与目标温度的偏差调整控制算法的参数,使系统达到较好的控制效果。
五、实验结果分析运行实验过程中,通过观察实际温度与目标温度的偏差,可以评估系统的控制效果。
根据实际情况,调整控制算法的参数,使系统的响应速度更快、稳定性更好。
六、实验总结通过本实验,我对计算机控制系统的基本原理和组成有了更深入的理解,掌握了控制系统的设计与调试方法,并在实践中提高了解决实际问题的能力。
计算机控制系统实验报告《计算机控制系统实验报告》一、实验目的本次实验旨在通过搭建计算机控制系统,探究计算机在控制系统中的应用和作用。
通过实际操作,加深对计算机控制系统的理解,提高实践能力。
二、实验内容1. 搭建计算机控制系统的硬件平台,包括计算机、传感器、执行器等设备的连接和配置;2. 编写控制程序,实现对执行器的控制;3. 进行实际控制实验,观察计算机在控制系统中的作用和效果。
三、实验步骤1. 硬件搭建:按照实验指导书上的要求,连接计算机、传感器和执行器,确保硬件平台的正常运行;2. 软件编写:根据实验要求,编写控制程序,包括传感器数据采集、数据处理和执行器控制等部分;3. 实际控制:运行编写好的控制程序,观察执行器的运行情况,记录数据并进行分析。
四、实验结果与分析经过实验操作,我们成功搭建了计算机控制系统,并编写了相应的控制程序。
在实际控制过程中,计算机能够准确、快速地对传感器采集的数据进行处理,并通过执行器实现对系统的控制。
实验结果表明,计算机在控制系统中发挥着重要作用,能够提高系统的稳定性和精度。
五、实验总结通过本次实验,我们深入了解了计算机在控制系统中的应用和作用,提高了对计算机控制系统的理解。
实践中,我们也发现了一些问题和不足,需要进一步学习和改进。
总的来说,本次实验对我们的学习和实践能力都有很大的提升。
六、实验感想本次实验让我们深刻感受到了计算机在控制系统中的重要性,也让我们更加坚定了学习和掌握计算机控制技术的决心。
希望通过不断的学习和实践,能够成为优秀的控制工程师,为社会发展做出贡献。
以上就是本次计算机控制系统实验的报告,谢谢阅读。
一、实验目的1. 理解计算机控制系统的基本原理和组成;2. 掌握计算机控制系统的基本操作和调试方法;3. 通过实验,加深对计算机控制理论的理解和应用。
二、实验仪器1. PC计算机一台;2. 计算机控制系统实验箱一台;3. 传感器、执行器等实验设备。
三、实验内容1. 计算机控制系统组成与原理;2. 传感器信号采集与处理;3. 执行器控制与调节;4. 计算机控制系统调试与优化。
四、实验步骤1. 熟悉实验设备,了解计算机控制系统实验箱的组成及功能;2. 连接实验设备,检查无误后启动实验软件;3. 根据实验要求,进行传感器信号采集与处理;4. 根据实验要求,进行执行器控制与调节;5. 对计算机控制系统进行调试与优化,观察系统响应和性能;6. 记录实验数据,分析实验结果。
五、实验结果与分析1. 计算机控制系统组成与原理实验过程中,我们了解了计算机控制系统的基本组成,包括传感器、控制器、执行器等。
传感器用于采集被控对象的物理量,控制器根据采集到的信号进行计算、处理,然后输出控制信号给执行器,执行器对被控对象进行调节。
2. 传感器信号采集与处理在实验中,我们使用了温度传感器采集环境温度信号。
通过实验,我们掌握了如何将模拟信号转换为数字信号,以及如何对采集到的信号进行滤波处理。
3. 执行器控制与调节实验中,我们使用了继电器作为执行器,根据控制器输出的控制信号进行开关控制。
通过实验,我们学会了如何设置执行器的参数,以及如何对执行器进行调节。
4. 计算机控制系统调试与优化在实验过程中,我们对计算机控制系统进行了调试与优化。
通过调整控制器参数,使得系统在满足控制要求的同时,具有良好的动态性能和稳态性能。
六、实验总结本次实验使我们对计算机控制系统有了更深入的了解,掌握了计算机控制系统的基本原理和操作方法。
通过实验,我们提高了动手能力和实际操作能力,为今后从事相关领域工作奠定了基础。
七、实验报告1. 实验名称:计算机控制系统实验2. 实验日期:XXXX年XX月XX日3. 实验人员:XXX、XXX4. 实验指导教师:XXX5. 实验内容:计算机控制系统组成与原理、传感器信号采集与处理、执行器控制与调节、计算机控制系统调试与优化6. 实验结果与分析:详细描述实验过程中遇到的问题、解决方法及实验结果7. 实验心得体会:总结实验过程中的收获和体会(注:以上实验报告仅供参考,具体实验内容和结果可能因实际情况而有所不同。
可编程计算机控制器原理及应用实验报告
实验名称:可编程计算机控制器原理及应用
实验目的:通过对可编程计算机控制器的原理及应用进行学习,掌握其工作原理,了解其在自动化控制中的应用。
实验内容:
1. 学习可编程计算机控制器的基本结构和工作原理。
2. 熟悉可编程计算机控制器编程语言和编程方式。
3. 学习编写可编程计算机控制器程序。
4. 掌握可编程计算机控制器在自动化控制中的应用,包括控制系统的组成和调节方法等。
实验仪器:
1. 可编程控制器主机。
2. 相应的输入输出模块。
3. 电脑及相关软件。
实验步骤:
1. 阅读可编程计算机控制器的使用手册和相关资料,了解其基
本结构和工作原理。
2. 熟悉可编程计算机控制器的编程语言和编程方式,掌握其基本语法和命令。
3. 编写可编程计算机控制器程序,包括输入输出控制、运算控制、数据传输控制、程序控制等。
4. 掌握可编程计算机控制器在自动化控制中的应用,了解控制系统的组成和调节方法,并模拟相关控制系统的运行过程。
5. 根据实验结果进行分析和总结,总结可编程计算机控制器在自动化控制中的应用优势,并优化改进程序设计。
实验结果分析:
通过本次实验,我深入了解了可编程计算机控制器的原理和应用,熟悉了其编程语言和编程方式,并掌握了可编程计算机控制器在自动化控制中的应用。
总之,可编程计算机控制器在自动化控制中具有广泛的应用性和灵活性,并能够大幅提升自动化控制的效率和精度。
因此,熟练掌握可编程计算机控制器的原理和应用,对于自动化控制领域的从业者来说是必备的知识和技能。
计算机控制原理实验报告一、实验目的本实验旨在通过计算机控制系统的模拟,深入理解计算机控制原理,掌握计算机控制系统的基本组成、工作原理及实现方法。
通过实验,培养我们的动手能力、分析问题和解决问题的能力,为后续学习和工作打下坚实的基础。
二、实验原理计算机控制系统是一种利用计算机实现自动控制的系统,它由计算机、输入输出设备、传感器和执行器等组成。
计算机通过接收来自传感器的输入信号,根据预设的控制算法进行计算,输出控制信号到执行器,从而实现对被控对象的控制。
三、实验步骤1. 准备实验设备:计算机、传感器、执行器、被控对象等。
2. 连接实验设备:将传感器、执行器与计算机连接,并将传感器和执行器与被控对象进行连接。
3. 编写控制程序:根据实验要求,编写控制程序,实现计算机对被控对象的控制。
4. 运行实验:启动计算机,运行控制程序,观察被控对象的响应。
5. 数据记录与分析:记录实验数据,分析实验结果,评估控制性能。
四、实验结果与分析1. 数据记录:在实验过程中,记录了不同输入信号下被控对象的输出响应,以及计算机输出的控制信号。
2. 数据分析:根据记录的数据,分析被控对象的行为特性,以及控制信号对被控对象的影响。
3. 结果展示:通过图表等形式展示实验结果,对比理论分析与实践结果的一致性。
五、结论总结通过本次实验,我们深入了解了计算机控制系统的组成与工作原理,掌握了计算机控制系统的实现方法。
实验过程中,我们不仅锻炼了动手能力,还培养了分析问题和解决问题的能力。
通过数据记录与分析,我们进一步认识到了计算机控制在工业生产和生活中的应用价值。
在未来的学习和工作中,我们将继续深入研究计算机控制原理及其应用领域的相关知识,为推动科技进步和社会发展做出更大的贡献。
同时,我们也应该意识到计算机控制技术的快速发展和应用范围的广泛性,需要不断学习和掌握新技术、新方法,以适应时代的发展和社会的需求。
此外,我们也可以从实验过程中发现一些潜在的问题和挑战。
计算机控制系统实验报告计算机控制系统实验报告引言计算机控制系统是一种利用计算机技术对各种设备和系统进行自动化控制的系统。
它在工业生产、交通运输、军事防御等领域有着广泛的应用。
本实验旨在通过对计算机控制系统的实际操作,深入了解其工作原理和应用。
实验目的本次实验的主要目的是学习计算机控制系统的基本原理和实现方法,通过实际操作来加深对其工作过程的理解。
同时,通过实验数据的收集和分析,掌握计算机控制系统的性能评估方法。
实验设备和材料本次实验所需设备和材料包括:计算机、控制器、传感器、执行器、数据采集卡等。
实验过程1. 硬件连接首先,将计算机与控制器通过数据采集卡连接起来,并将传感器和执行器与控制器相连。
确保各个设备之间的连接正确无误。
2. 程序编写编写控制程序,根据实验要求设定相应的控制算法和参数。
在程序中设置传感器数据的采集频率和执行器的控制方式,并将其与控制器进行关联。
3. 实验数据采集启动实验程序,开始采集传感器数据和执行器的控制信号。
通过数据采集卡将数据传输到计算机中,保存为文件以备后续分析使用。
4. 数据分析根据实验数据,进行数据分析和处理。
通过对采集的传感器数据进行曲线绘制和统计分析,评估控制系统的性能指标,如响应时间、稳定性等。
实验结果与讨论根据实验数据的分析,可以得出控制系统的性能评估结果。
通过对响应时间的分析,可以评估控制系统的快速性和准确性。
通过对稳定性的分析,可以评估控制系统的抗干扰能力和稳定性。
根据实验结果,可以对控制系统进行进一步的优化和改进。
实验总结通过本次实验,我对计算机控制系统的工作原理和实现方法有了更深入的了解。
通过实际操作和数据分析,我对控制系统的性能评估方法有了更清晰的认识。
同时,本次实验也让我意识到了计算机控制系统在现代工业生产中的重要性和广泛应用。
结语计算机控制系统实验是计算机科学与技术专业的重要实践环节。
通过实际操作和数据分析,可以加深对计算机控制系统的理论知识的理解,并为今后的工作和研究提供基础。
计算机控制技术实验报告实验一过程通道和数据采集处理一、输入与输出通道本实验教程主要介绍以A/D 和D/A 为主的模拟量输入输出通道,A/D 和D/A 的芯片非常多,这里主要介绍人们最常用的ADC0809 和TLC7528。
一、实验目的1(学习A/D 转换器原理及接口方法,并掌握ADC0809 芯片的使用2(学习D/A 转换器原理及接口方法,并掌握TLC7528 芯片的使用二、实验内容1(编写实验程序,将,5V ~ +5V 的电压作为ADC0809 的模拟量输入,将转换所得的8 位数字量保存于变量中。
2(编写实验程序,实现D/A 转换产生周期性三角波,并用示波器观察波形。
三、实验设备+PC 机一台,TD-ACC实验系统一套,i386EX 系统板一块四、实验原理与步骤1(A/D 转换实验ADC0809 芯片主要包括多路模拟开关和A/D 转换器两部分,其主要1特点为:单电源供电、工作时钟CLOCK 最高可达到1200KHz 、8 位分辨率,8 个单端模拟输入端,TTL 电平兼容等,可以很方便地和微处理器+ 接口。
TD-ACC教学系统中的ADC0809 芯片,其输出八位数据线以及CLOCK 线已连到控制计算机的数据线及系统应用时钟1MCLK (1MHz) 上。
其它控制线根据实验要求可另外连接 (A、B、C、STR、/OE、EOC、IN0,IN7)。
根据实验内容的第一项要求,可以设计出如图1.1-1 所示的实验线路图。
单次阶跃模数转换单元控制计算机图1.1-1上图中,AD0809 的启动信号“STR”是由控制计算机定时输出方波来实现的。
“OUT1” 表示386EX 内部1,定时器的输出端,定时器输出的方波周期,定时器时常。
图中ADC0809 芯片输入选通地址码A、B、C 为“1”状态,选通输入通道IN7;通过单次阶跃单元的电位器可以给A/D 转换器输入,5V ~ +5V 的模拟电压;系统定时器定时1ms 输出方波信号启动A/D 转换器,并将A/D 转换完后的数据量读入到控制计算机中,最后保存到变量中。
计算机控制技术实验报告实验名称:计算机控制技术实验实验目的:通过学习计算机控制技术的基本原理和方法,掌握计算机控制技术的应用。
实验原理:计算机控制技术是一种应用于现代工业自动化控制中的控制技术。
计算机控制系统由计算机硬件和软件组成,通过采集、处理和输出各种信号来完成对被控对象的控制。
实验仪器:计算机、控制器、传感器、被控对象等。
实验步骤:1.确定实验目标和实验要求。
2.研究被控对象的性质和特点,设计控制方案。
3.配置硬件设备,连接传感器、控制器和计算机。
4.编写控制程序,设置控制算法,实现被控对象的控制。
5.进行实验操作,观察并记录实验结果。
6.对实验结果进行分析和评价,总结实验经验。
实验结果和分析:在实验中,我们选择了一个温度控制系统作为被控对象。
通过传感器采集环境温度,并通过控制器将控制信号发送给加热器,调节加热器的功率来控制环境温度。
通过实验操作,我们观察了不同环境温度下的控制效果。
实验结果表明,在控制系统正常工作时,环境温度可以稳定在设定温度附近,并具有很好的控制精度。
此外,我们还对控制系统进行了稳定性和响应速度等性能指标的评价。
实验结果显示,控制系统具有较好的稳定性和快速响应的特点,可以满足实际工业生产中对温度控制的要求。
实验总结:通过本次实验,我们深入学习了计算机控制技术的基本原理和方法,并通过实践掌握了实验操作的技巧。
实验结果表明,计算机控制技术在工业生产中具有广泛的应用前景。
在今后的学习中,我们将进一步深入研究计算机控制技术的进一步发展,并不断提高实际应用能力,为工业自动化控制的发展贡献自己的力量。
《计算机控制技术》信号的采样与保持实验报告课程名称:计算机控制技术实验实验类型:设计型实验项目名称:信号的采样与保持实验一、实验目的和要求1.熟悉信号的采样与保持过程。
2.学习和掌握香农采样定理。
3.学习使用直线插值法还原信号。
二、实验内容和原理香农(采样) 定理若对于一个具有有限频谱|W|<W max的连续信号f(t)进行采样,当采样频率满足W s≥2W max时,则采样函数f∗(t)能无失真地恢复到原来的连续信号f(t)。
W max为信号的最高频率,W s为采样频率。
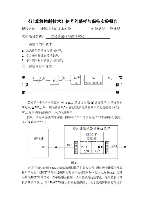
按照下图方式连接好实验箱,图中画“○”的线需用户在实验中自行接好,其它线系统已连好。
图1-1这里正弦波单元的“OUT”端输出周期性的正弦波信号,通过控制计算机及其接口单元的“ADC1”端输入,系统用定时器作为基准时钟(初始化为10ms),定时采集“ADC1”端的信号,在中断服务程序中读入转换完的数字量,送到控制计算机及其接口单元,在“DAC1”端输出相应的模拟信号。
由于数模转换器有输出锁存能力,所以它具有零阶保持器的作用。
采样周期T=T k×10ms,通过修改T k 就可以灵活地改变采样周期,后面实验的采样周期设置也是如此。
程序的参考流程图如下图所示:图1-2信号的还原中应用香农定理从香农定理可知,对于信号的采集,只要选择恰当的采样周期,就不会失去信号的主要特征。
在实际应用中,一般总是取实际采样频率W s比2W max大,如:W s≥10W max。
但是如果采用插值法恢复信号,就可以降低对采样频率的要求,香农定理给出了采样频率的下限,但是用不同的插值方法恢复信号需要的采样频率也不相同。
直线插值法(取W s≥5W max)利用下面的公式在点(X0,Y0)和点(X1,Y1)之间插入点(X,Y)Y=Y0+K(X−X0)其中:K=Y1−Y0X1−X0X1−X0为采样间隔,Y1−Y0分别是X1和X0采样时刻的AD采样值。
本实验的连接图与图1-1一致。
计算机控制实验报告专业:计算机科学与技术班级: 080603姓名:学号:指导教师:王河媛实验1.1 数/模转换实验一.实验目的1、掌握数/模转换器DAC0832芯片的性能、使用方法及对应的硬件电路。
2、编写程序控制D/A输出的波形,使其输出周期性的三角波。
二.实验说明数/模转换实验框图见图1所示。
三.实验内容及步骤本实验机采用ADC0832作为数/模转换,可实现8bit数字输入转换为模拟量。
数字0~0FFH输入,经数/模转换后OUT1测孔输出为0~+5V模拟量。
经运放处理后,在OUT2测孔输出为-5V ~+5V。
在实验中欲观测实验结果时,只要运行LABACT程序,选择微机控制菜单下的数/模转换实验项目,就会弹出虚拟示波器的界面,点击开始后将自动加载相应源文件,可选用虚拟示波器(B3)单元的CH1测孔测量波形。
测孔连线数/模转换器(B2)单元OUT2→虚拟示波器(B3)输入端CH1(选X1档)。
四.实验结果如下图:实验1.2 模/数转换实验一.实验目的1、了解模/数转换器A/D芯片ADC0809转换性能及编程。
2、编制程序通过0809采样输入电压并转换成数字量值。
二.实验说明模/数转换实验框图见图2所示。
图2 模/数转换实验框图模/数转换器(B8单元)提供IN4~IN7端口,供用户使用,其中IN4、IN5有效输入电平为0V~+5V,IN6和IN7为双极性输入接法,有效输入电平为-5V~+5V,有测孔引出。
图1-1 模/数转换电路图三.实验内容及步骤本实验机采用DAC0809作为模/数转换,可实现8bit数字输出。
其中“IN4和IN5”测孔为0~+5V模拟量输入,“IN6和IN7”测孔为-5V~+5V模拟量输入。
(1)将信号发生器(B1)的幅度控制电位器中心Y测孔,作为模/数转换器(B7)输入信号:B1单元中的电位器左边K3开关拨下(GND),右边K4开关拨上(+5V)。
(2)测孔联线:B1(Y)→模/数转换器B7(IN4)(信号输入)。
计算机控制系统实验报告计算机控制系统实验报告引言:计算机控制系统是指利用计算机技术和控制理论,对各种设备、机器和系统进行自动控制的一种系统。
它广泛应用于工业生产、交通运输、农业、医疗等各个领域。
本实验报告旨在介绍计算机控制系统的原理、应用以及实验过程和结果。
一、计算机控制系统的原理计算机控制系统的原理主要包括传感器、执行器、控制器和计算机四个部分。
传感器负责将被控制对象的信息转化为电信号,传输给控制器;执行器根据控制器的指令,对被控制对象进行操作;控制器负责接收传感器的信号,经过处理后输出控制指令;计算机则是控制系统的核心,负责控制算法的实现和数据处理。
二、计算机控制系统的应用计算机控制系统在各行各业都有广泛的应用。
在工业生产中,计算机控制系统可以实现自动化生产线的控制,提高生产效率和产品质量。
在交通运输领域,计算机控制系统可以实现交通信号灯的智能控制,优化交通流量,减少交通拥堵。
在农业领域,计算机控制系统可以实现温室大棚的自动控制,提供适宜的生长环境,提高作物产量。
在医疗领域,计算机控制系统可以实现医疗设备的精确控制,提高手术的成功率。
三、实验过程和结果为了验证计算机控制系统的原理和应用,我们进行了一个小型实验。
实验中,我们使用了一个温室大棚作为被控制对象,利用传感器采集温度和湿度信息,通过控制器对温室内的温度和湿度进行控制。
实验结果显示,当温度过高时,控制器会发出指令,执行器会启动风扇降低温度;当湿度过高时,控制器会发出指令,执行器会启动除湿机降低湿度。
通过实验,我们验证了计算机控制系统在温室大棚中的应用效果。
结论:计算机控制系统作为一种自动化控制系统,具有广泛的应用前景。
它可以提高生产效率、优化交通流量、提高农作物产量、提高手术成功率等。
随着计算机技术的不断发展,计算机控制系统的功能和性能将进一步提升。
我们相信,在未来的发展中,计算机控制系统将在各个领域发挥更大的作用,为人们的生活带来更多的便利和效益。
实验一 基于Matlab 的控制系统模型一、 实验目的1. 熟悉Matlab 的使用环境,学习Matlab 软件的使用方法和编程方法2. 学习使用Matlab 进行各类数学变换运算的方法3. 学习使用Matlab 建立控制系统模型的方法二、 实验器材x86系列兼容型计算机,Matlab 软件三、 实验原理1. 香农采样定理对一个具有有限频谱的连续信号f(t)进行连续采样,当采样频率满足max 2ωω≥S 时,采样信号f*(t)能无失真的复现原连续信号。
作信号tet f 105)(-=和kT10*5)(-=et f 的曲线,比较采样前后的差异。
幅度曲线: T=0.05 t=0:T:0.5f=5*exp(-10*t) subplot(2,1,1) plot(t,f) gridsubplot(2,1,2) stem(t,f) grid请改变采样周期T ,观察不同的采样周期下的采样效果。
幅频曲线: w=-50:1:50F=5./sqrt(100+w.^2) plot(w,F) grid若|)0(|1.0|)(|max F j F =ω,选择合理的采样周期T 并加以验证。
(抽样后的频谱是将原信号频谱以抽样频率s ω为周期进行周期延拓,幅度变为原来的s T 1而得到)w=-400:20:400ws=200 Ts=2*pi/wsF0=5/Ts*(1./sqrt(100+(w).^2)) F1=5/Ts*(1./sqrt(100+(w-ws).^2)) F2=5/Ts*(1./sqrt(100+(w+ws).^2)) plot(w,F0,w,F1,w,F2) grid请改变采样频率ws ,观察何时出现频谱混叠?2. 拉式变换和Z 变换使用Matlab 求函数的拉氏变换和Z 变换拉式变换: syms a w t f1=exp(-a*t)Z 变换: syms a k T f1=exp(-a*k*T)laplace(f1) f2=tlaplace(f2) f3=t* exp(-a*t) laplace(f3) f4=sin(w*t) laplace(f4)f5=exp(-a*t)*cos(w*t) laplace(f5)反拉式变换 syms s a f1=1/silaplace(f1) f2=1/(s+a) ilaplace(f2) f3=1/s^2 ilaplace(f3)f4=w/(s^2+w^2) ilaplace(f4)f5=1/(s*(s+2)^2*(s+3)) ilaplace(f5)ztrans(f1) f2=k*T ztrans(f2)f3=k*T*exp(-a*k*T) ztrans(f3) f4=sin(a*k*T) ztrans(f4) f5=a^k ztrans(f5)反Z 变换 syms z a T f1=z/(z-1) iztrans(f1)f2=z/(z-exp(-a*T)) iztrans(f2) f3=T*z/(z-1)^2 iztrans(f3) f4=z/(z-a) iztrans(f4)f5=z/((z+2)^2*(z+3)) iztrans(f5)3. 控制系统模型的建立与转化传递函数模型:num=[b1,b2,…bm],den=[a1,a2,…an],nn n mm m b s a s a b s b s b den num s G ++++++==-- 121121)( 零极点增益模型:z=[z1,z2,……zm],p=[p1,p2……pn],k=[k],)())(()())(()(2121n m p s p s p s z s z s z s ks G ------=建立系统模型65)3)(2()1()(22+++=+++=s s ss s s s s s G 和65)3)(2()1()(22+++=+++=z z zz z z z z z G 传递函数模型: num=[1,1,0] den=[1,5,6] T=0.1Gs1=tf(num,den) Gz1=tf(num,den,T) 零极点增益模型: z=[0,-1] p=[-2,-3] k=[1] T=0.1Gs2=zpk(z,p,k) Gz2=zpk(z,p,k,T)传递函数模型和零极点增益模型相互转化 传递函数模型转化零极点增益模型: num=[1,1,0] den=[1,5,6] T=0.1Gs1=tf(num,den) Gz1=tf(num,den,T) [z,p,k]=tf2zp(num,den) Gs2=zpk(z,p,k) Gz2=zpk(z,p,k,T)零极点增益模型转化传递函数模型: z=[0,-1] p=[-2,-3] k=[2] T=0.1Gs1=zpk(z,p,k) Gz1=zpk(z,p,k,T)[num,den]=zp2tf(z',p',k) Gs2=tf(num,den) Gz2=tf(num,den,T)建立系统模型)84)(2()22)(1()(222++++++=s s s s s s s G 和)84)(2()22)(1()(222++++++=z z z z z z z G num1=[1,1]num2=[1,2,2] den1=[1,0,2] den2=[1,4,8]num=conv(num1,num2) den=conv(den1,den2) T=0.1Gs1=tf(num,den) Gz1=tf(num,den,T) [z,p,k]=tf2zp(num,den) Gs2=zpk(z,p,k) Gz2=zpk(z,p,k,T)四、 实验步骤1. 根据参考程序,验证采样定理、拉氏变换和Z 变换、控制系统模型建立的方法2. 观察记录输出的结果,与理论计算结果相比较3. 自行选则相应的参数,熟悉上述的各指令的运用方法五、 实验数据及结果分析记录输出的数据和图表并分析 T=0.05时,幅度曲线和幅频曲线0.050.10.150.20.250.30.350.40.450.501234500.050.10.150.20.250.30.350.40.450.50123450.050.10.150.20.250.30.350.40.450.5012345-50-40-30-20-10102030405000.10.20.30.40.5T=0.1时,幅度曲线和幅频曲线拉氏变换结果: 反拉氏变换结果: f1 = f1= exp(-a*t) 1/s ans = ans= 1/(s+a) 1 f2 = f2 =t 1/(s+a) ans = ans =1/s^2 exp(-a*t) f3 = f3 = t*exp(-a*t) 1/s^2 ans = ans= 1/(s+a)^2 t f4 = f4=sin(w*t) w/(s^2+w^2) ans = ans=w/(s^2+w^2) sin(w*t) f5 = f5 =0 0.0 0. 0.1 0. 0.2 0. 0.30. 0.4 0.1 2 3 4 5 -5-4 -3 -2 -1 01 2 3 4 50 0. 0. 0. 0.0.0.05 0.10.15 0.20.25 0.30.35 0.40.45 0.50 1 2 3 4 50.05 0.10.15 0.20.25 0.30.35 0.40.45 0.50 1 2 3 4 5exp(-a*t)*cos(w*t) 1/s/(s+2)^2/(s+3) ans = ans =(s+a)/((s+a)^2+w^2) 1/12+(-1/2*t+1/4)*exp(-2*t)-1/3*exp(-3*t)s ω=200时, s ω=400时,Z 变换: 反Z 变换: f1 =f1 = exp(-a*k*T) z/(z-1) ans = ans = z/exp(-a*T)/(z/exp(-a*T)-1) 1 f2 = f2 =k*T z/(z-exp(-a*T)) ans = ans =T*z/(z-1)^2 exp(-a*T)^n f3 = f3 =k*T*exp(-a*k*T) T*z/(z-1)^2 ans = ans = T*z*exp(-a*T)/(z-exp(-a*T))^2 T*n f4 = f4 = sin(a*k*T) z/(z-a) ans = ans = z*sin(a*T)/(z^2-2*z*cos(a*T)+1) a^n f5 = f5 =a^k z/(z+2)^2/(z+3) ans = ans =z/a/(z/a-1) -(-2)^n-1/2*(-2)^n*n+(-3传递函数模型: 零极点增益模型: Transfer function: Zero/pole/gain:s^2 + s s (s+1) ------------- ----------- s^2 + 5 s + 6 (s+2) (s+3) Transfer function: Zero/pole/gain:-400-300-200-100010020030040005101520253035-400-300-200-1000100200300400246810121416z^2 + 5 z + 6 z (z+1) Sampling time: 0.1 -----------(z+2) (z+3)Sampling time: 0.1系统模型:num =1 3 4 2den =1 4 10 8 16T =0.1000Transfer function:s^3 + 3 s^2 + 4 s + 2-------------------------------s^4 + 4 s^3 + 10 s^2 + 8 s + 16Transfer function:z^3 + 3 z^2 + 4 z + 2-------------------------------z^4 + 4 z^3 + 10 z^2 + 8 z + 16Sampling time: 0.1z =-1.0000 + 1.0000i-1.0000 - 1.0000i-1.0000p =-2.0000 + 2.0000i-2.0000 - 2.0000i-0.0000 + 1.4142i-0.0000 - 1.4142ik =1Zero/pole/gain:(s+1) (s^2 + 2s + 2)--------------------------(s^2 + 2) (s^2 + 4s + 8)Zero/pole/gain:(z+1) (z^2 + 2z + 2)--------------------------(z^2 + 2) (z^2 + 4z + 8)Sampling time: 0.1实验二 基于Matlab 的控制系统仿真一、 实验目的1. 学习使用Matlab 的命令对控制系统进行仿真的方法2. 学习使用Matlab 中的Simulink 工具箱进行系统仿真的方法二、 实验器材 x86系列兼容型计算机,Matlab 软件 三、实验原理1. 控制系统命令行仿真建立如图所示一阶系统控制模型并进行系统仿真。
进位控制实验一、引言计算机组成原理是计算机科学与技术专业中的重要课程之一。
通过学习计算机组成原理,我们可以了解计算机的基本构成和工作原理,并能够实际操作,进行实验验证。
进位控制是计算机组成原理中的一个关键概念,它涉及到二进制的加法运算中的进位规则。
二、实验目的本实验旨在通过编写程序实现进位控制,加深对计算机组成原理中进位控制的理解。
三、实验原理在二进制加法运算中,当两个二进制位相加时,有以下四种可能的情况:1. 0+0=0:没有进位;2. 0+1=1:没有进位;3. 1+0=1:没有进位;4. 1+1=0:产生进位。
进位控制的实质是通过判断两个位相加时是否产生进位,并根据不同的进位情况进行处理。
通常情况下,进位的处理方式有以下两种:1. 进位加1:当两个位相加产生进位时,将进位加1,并与低位相加;2. 进位不变:当两个位相加产生进位时,保持进位的值不变,并与低位相加。
四、实验步骤1. 编写程序:首先,根据计算机组成原理中的进位控制规则,编写程序实现进位控制的功能;2. 输入数据:随机生成两个二进制数,作为加法运算的操作数;3. 进行二进制加法运算:使用编写的程序对两个二进制数进行加法运算,并进行进位控制;4. 输出结果:输出运算结果;五、实验结果经过实验验证,编写的程序能够正确地实现进位控制功能,并输出正确的运算结果。
通过对不同情况下的进位进行处理,程序能够准确地得出正确的进位控制结果。
六、实验总结通过本次实验,我进一步加深了对计算机组成原理中进位控制的理解。
在实验过程中,我发现进位控制在二进制加法运算中起到了重要的作用,能够有效解决进位问题,保证运算结果的正确性。
通过编写程序实现进位控制功能,我不仅掌握了相关的编程技巧,还对计算机组成原理中的进位控制有了更加深入的认识。
七、参考文献[1] 计算机组成原理(第2版),王逢南,高教出版社,2018年。
[2] 计算机组成与设计(第5版),David A. Patterson,John L. Hennessy,机械工业出版社,2014年。
计算机控制原理实验报告姓名:学号:班级:指导教师:完成时间:实验一 二阶系统闭环参数n ω和ξ对时域响应的影响一、实验目的1.研究二阶系统闭环参数n ω和ξ对时域响应的影响2.研究二阶系统不同阻尼比下的响应曲线及系统的稳定性。
二、实验要求1. 从help 菜单或其它方式,理解程序的每个语句和函数的含义;2.分析ξ对时域响应的影响,观察典型二阶系统阻尼系数ξ在一般工程系统中的选择范围; 三、实验内容1、如图1所示的典型二阶系统,其开环传递函数为)2s(s G(S)2n n ξωω+=,其中,无阻尼自然震荡角频率n ω=1,ξ为阻尼比,试绘制ξ分别为0, 0.2, 0.4, 0.6, 0.9, 1.2, 1.5时,其单位负反馈系统的单位阶跃响应曲线(绘制在同一张图上)。
图1 典型二阶系统方框图2、程序代码 wn=1;sigma=[0,0.2,0.4,0.6,0.9,1.2,1.5];(1) num=wn*wn;t=linspace(0,20,200)';(2) for j=1:7(3)den=conv([1,0],[1,2*wn*sigma(j)]);(4) s1=tf(num,den);(5) sys=feedback(s1,1)(6); y(:,j)=step(sys,t);(7) endplot(t,y(:,1:7));(8) grid;(9)gtext('sigma=0');(10) gtext('sigma=0.2');)2s(s 2n n ξωω+R(s)C(s)gtext('sigma=0.4');gtext('sigma=0.6');gtext('sigma=0.9');gtext('sigma=1.2');gtext('sigma=1.5');3、代码函数理解分析(1)给ξ赋值。
计算机控制系统实验报告实验一 :D/A 数模转换实验实验报告:1、数字量与模拟量的对应曲线:2、理论值与实测值对比:数字量模拟量 理论值实测值1004756 4722 200 4512 4412 300 4268 4325 400 4023 4078 500 3780 3664 600353536313、分析产生误差的原因:答:a)外界干扰会对实验造成误差;b)系仪器本身误差;c)仪器元件不够精确,导致试验产生误差。
这是本实验的最主要的误差来源。
4、总结:本次试验需要进行的连电路、实验软件操作都比较简单,但对于实验原理我们应有更加深刻的理解,对于实验箱内部的D/A转换原理要有所思考,不能只满足与简单的实验表象,而应思考更深层次的问题。
实验二 :A/D 模数转换实验实验报告:1、模拟量与数字量的对应曲线:2、理论值与实测值对比:3、分析产生误差的原因:答:a)系仪器误差、实验软件的精度误差;b)外界干扰会对实验造成误差;模拟量数字量理论值实测值 500 439 461 1000 409 410 2000 292 307 4000 97 103 -1000 586 614 -4000879921c)仪器元件不够精确,导致试验产生误差。
这是本实验的最主要的误差来源。
4、总结:书本上学习的模数转换都是理论知识,过程相对比较复杂,本次试验需要进行的连电路、实验软件操作都比较简单,但对于实验原理我们应有更加深刻的理解,对于实验箱内部的A/D转换原理要有所思考,不能只满足与简单的实验表象,而应思考更深层次的问题。
实验三:数字PID控制实验报告:1、画出所做实验的模拟电路图:2、当被控对象为Gpl(s时)取过渡过程为最满意时Kp,Ki,Kd,画出校正后的Bode图,查出相对裕量γ和穿越频率Wc:跃响应曲线及时域性能指标,记入表中:0型系统:实验结果参数δ% Ts(ms)阶跃响应曲线Kp Ki Kd1 0.02 1 11.9% 720 见图3—11 0.05 1 32.5% 800 见图3--25 0.02 1 44.4% 1050 见图3--35 0.05 1 46.1% 1900 见图3--4I型系统:实验结果参数δ% Ts(ms)阶跃响应曲线Kp Ki Kd1 0.02 1 16.0% 420 见图3—51 0.02 2 36.4% 606 见图3--63 0.02 1 49.4% 500 见图3--73 0.1 1 56.4% 1050 见图3--8下面是根据上表中数据,所得到的相应曲线:图3-1 Kp=1 Ki=0.02 Kd=1 Gp1最满意的曲线图其中,相对稳定裕量γ= 82°穿越频率ωc=230rad/s图3-2 Kp=1 Ki=0.05 Kd=1图3-3 Kp=5 Ki=0.02 Kd=1图3-4 Kp=5 Ki=0.05 Kd=1图3-5 Kp=1 Ki=0.02 Kd=1图3-6 Kp=3 Ki=0.02 Kd=1图3-7 Kp=1 Ki=0.02 Kd=2图3-8 Kp=3 Ki=0.01 Kd=13、总结一种有效的选择Kp,Ki,Kd方法,以最快的速度获得满意的参数:答:参数整定找最佳,从小到大顺序查,先是比例后积分,最后再把微分加,曲线振荡很频繁,比例度盘要放大,曲线漂浮绕大湾,比例度盘往小扳,曲线偏离回复慢,积分时间往下降,曲线波动周期长,积分时间再加长,曲线振荡频率快,先把微分降下来,动差大来波动慢,微分时间应加长,理想曲线两个波,前高后低4比1。
中国石油大学计算机控制实验报告实验日期:2011.11.30成绩:班级:自动化08-4 姓名:陈方光学号:08071402实验一基于NI6008的数据采集1.实验目的:理解基本计算机控制系统的组成,学会使用MATLAB和NI6008进行数据采集。
2.实验设备:计算机控制实验箱、NI6008数据通讯卡、Matlab软件、计算机3.实验内容:(1)使用计算机控制实验箱搭建二阶被控对象,并测试对象特性(2)在Matlab中设计数字PID控制器,对上述对象进行控制4. 实验步骤:(1)选择合适的电阻电容,参考如下电路结构图,在计算机控制实验箱上搭建二阶被控对象,使得其被控对象传递函数为建议数值:R1=200kΩ,R2=200kΩ,C1=1μF,R4=300kΩ, R5=500kΩ,C2=1μF.(2)测试NI6008数据通讯卡,确保数据输入输出通道正常。
(3)使用MATLAB和OPC通讯技术进行数据采集:(4)编写程序,实现数据的定时采集和显示。
5.实验结果1)测试NI6008数据通讯卡首先将NI6008数据采集卡的AI负端与GND端短接,然后通过usb数据线连接计算机,打开opc端口调试工具,添加NI数据采集卡,添加自己所需的输入、输出端口,通过向输入端强制写入1,观察AO端口显示数据,能较精确的跟踪输入数据,该数据采集完好。
2)使用matlab和opc进行数据采集及其显示在Matlab中读写数据:da = opcda(‘localhost’, ‘NI USB-6008.Server’); % 定义服务器connect(da); %连接服务器grp = addgroup(da); %添加OPC 组itmRead = additem(grp,‘Dev1/AI0’); %在组中添加数据项itmWrite = additem(grp,'Dev1/AO0'); %在组中添加数据项r=read(itmRead);y(1)=r.Value; %读取数据项的值Write(itmWrite,1); %向数据项中写值disconnect(da); %断开服务器关于定时器的问题t = timer(‘TimerFcn’,@myread, ‘Period’,0.2,‘ExecutionMode’,‘fixedRate’);%定义定时器start(t) %打开定时器out = timerfind; %寻找定时器stop(out); %停止定时器delete(out);%删除定时器将读取的数据存储并动态显示于图中:function myread(obj,event)global tt k y da grp itmRead Ts itmWriter=read(itmRead);k=k+1;tt(k)=(k-1)*Ts;y(k)=r.Value;hold onplot(tt,y)if k>70/TsWrite(itmWrite,0);num=[1.484];den=[46.4067,15.994,1];[y,t]=step(tf(num,den),1:0.2:70);plot(t,y)out = timerfind;stop(out);delete(out);disconnect(da);end表1:数据采集表时间采集数据时间采集数据时间采集数据时间采集数据时间采集数据0.00 0.00 4.00 1.67 8.00 1.67 12.00 1.68 16.00 1.67 0.20 0.02 4.20 1.67 8.20 1.66 12.20 1.66 16.20 1.66 0.40 0.74 4.40 1.67 8.40 1.68 12.40 1.66 16.40 1.67 0.60 1.30 4.60 1.67 8.60 1.67 12.60 1.68 16.60 1.670.80 1.52 4.80 1.67 8.80 1.67 12.80 1.66 16.80 1.661.00 1.62 5.00 1.66 9.00 1.67 13.00 1.67 17.00 1.67 1.20 1.64 5.20 1.67 9.20 1.68 13.20 1.67 17.20 1.66 1.40 1.66 5.40 1.66 9.40 1.67 13.40 1.66 17.40 1.66 1.60 1.67 5.60 1.67 9.60 1.66 13.60 1.66 17.60 1.671.80 1.66 5.80 1.65 9.80 1.67 13.80 1.66 17.80 1.672.00 1.67 6.00 1.64 10.00 1.67 14.00 1.66 18.00 1.67 2.20 1.66 6.20 1.66 10.20 1.68 14.20 1.66 18.20 1.64 2.40 1.68 6.40 1.66 10.40 1.68 14.40 1.67 18.40 1.67 2.60 1.67 6.60 1.66 10.60 1.66 14.60 1.67 18.60 1.672.80 1.67 6.80 1.66 10.80 1.67 14.80 1.67 18.80 1.673.00 1.66 7.00 1.67 11.00 1.67 15.00 1.67 19.00 1.67 3.20 1.67 7.20 1.67 11.20 1.67 15.20 1.68 19.20 1.653.40 1.67 7.40 1.67 11.40 1.68 15.40 1.65 19.40 1.67 3.60 1.67 7.60 1.66 11.60 1.66 15.60 1.66 19.60 1.673.80 1.67 7.80 1.67 11.80 1.68 15.80 1.66 19.80 1.674.00 1.67 8.00 1.67 12.00 1.68 16.00 1.67 20.00 1.67 Matlab绘图如下:图表 1 开环数据读取显示曲线6.实验总结:通过本次实验我理解基本计算机控制系统的组成,学会使用MA TLAB和NI6008进行数据采集,以及实验电路的搭建,如何设计PID算式使二阶对象完成相应的功能,并且测试了对象的特性。
复习了以前学习的东西,能做到活学活用,搭建实际模型来完成模拟实验。
中国石油大学计算机控制实验报告 实验日期:2011.11.30成 绩:班级:自动化08-4 姓名:陈方光 学号:08071402实验二 数字PID 算法的实现1. 实验目的:熟悉PID 控制器,实现PID 算法,深入了解PID 参数对系统控制效果的影响 2. 实验设备:计算机控制实验箱、NI6008数据通讯卡、Matlab 软件、计算机 3. 实验内容:(1) 在实验一基础上编制PID 数字控制器, 实现闭环控制。
(2) 进行PID 参数的整定分析:a) 取消积分和微分作用,分析比例系数数对系统控制性能的影响 b) 保持比例系数不变,分析积分作用对系统控制性能的影响c) 保持比例系数和积分时间不变,分析微分作用对控制系统性能的影响 d) 运用所学的PID 参数整定方法,确定一组控制性能良好的PID 参数 4. 实验要求(1) 实验过程中要记录实验曲线,标注控制系统输出的性能指标 (2) 总结PID 参数对控制系统性能的影响(3) 分析理论结果与实验结果的差异,如有误差分析原因。
5. 实验结果 a) 纯比例控制⎪⎪⎭⎫ ⎝⎛-+--++--=--=∆))2()1(2)(()()1()()1()(T k e k e k e T k e T T k e k e k k u k u u d i p分析:对比分析上图可知:Kp越大,比例作用越强,比例动作越快,上升时间和延迟时间越短,调节时间峰值时间也相应减少,且稳态误差减小,但超调量增大,系统易发生振荡,甚至发散。
由于是纯比例作用,故系统稳定后存在余差,被控变量不可能回到原来的值上(在本系统中不可能稳定到1),且由于仿真电路干扰的存在,响应曲线存在较大的毛刺。
b)比例不变,变积分控制分析:从表中可知,在Kp相同,Ti不同的情况下, Ti越大,积分作用越强,系统的上升时间,延迟时间,调节时间和峰值时间均越大,系统的响应越慢,动态性能越差,但是系统的超调量却越小,甚至小到不存在,系统地稳定性能提高。
加入积分环节后,对比表中数据可知,积分环节可以使系统的上升时间,调节时间,延迟时间,峰值时间变长,系统的动态性能变差,而超调量减小,稳态性能得到提高。
c)比例、积分不变,变微分控制分析:从表中数据可知,第一,由于微分作用的存在,响应曲线的起始阶段呈现尖锐的波峰,之后曲线也呈衰减振荡;第二,保持Kp、Ti不变,增大Td,系统的上升时间上升,微分控制不直接影响稳态误差,但它增加了系统的阻尼,因为容许采用比较大的增益K值,这将有助于系统稳态精度的改善。
PID具有PD和PI双重作用,能够较全面地提高系统的控制性能,是一种应用比较广泛的控制器。
PID控制器除了提高系统型别之外,还提供了两个负实零点,从而较PI控制器在提高系统的动态性能方面有更大的优越性。
因此,在工业控制设计中,PID控制器得到了非常广泛的应用。
一般来说,PID控制器参数中,I部分应发生在系统频率特性的低频段,以提高系统的稳态性能;D部分发生在系统频率特性的中频段,以改善系统的动态性能。
6.实验总结通过这次实验,我熟悉了PID控制器,实现了PID算法,深入了解了PID参数对系统控制效果的影响,宏观的了解了参数影响的效果,可以对于实际出现的各种图形进行分析,确定是那一个或者哪几个参数问题,便于实际应用,进一步熟悉了MA TLAB软件的使用。