各种针刺过滤毡全参数指标
- 格式:doc
- 大小:135.50 KB
- 文档页数:10
玻璃纤维针刺毡
玻璃纤维针刺毡是一种性能优越的过滤材料:孔隙率高,气体过滤阻力小,过滤风速大,除尘效率高,同时具有耐弯折,耐磨、尺寸稳定等特点。
主要用途
玻璃纤维针刺毡可用于汽车工业中的隔音、吸音、减震、阻燃等,主要用于工业中的过滤领域;玻璃纤维针刺毡广泛应用于炭黑、钢铁、有色金属、化工、焚烧等行业的烟气净化和粉尘回收。
使用工况
1、过滤风速应小于1.0m/min.
2、玻璃纤维针刺毡工作温度应小于260℃
中、无碱玻璃纤维膨体过滤布/袋
中、无碱玻璃纤维膨体过滤材料是应用南京玻纤院技术,采用德国进口膨化设备,生产全膨或三分之二膨体过滤布(袋)。
组织有纬二重缎纹、斜纹等。
中、无碱玻纤膨体过滤布(袋)产品规格有Φ120-300mm,具有普通的玻纤过滤材料的性能,同时经高温热洗后使织物组织增强,耐磨性增加,过滤风速增大,使用寿命大大提高。
主要用途
中、无碱膨体玻纤过滤布(袋)广泛应用于钢铁、电力、冶金、化工、环保、水泥等行业的除尘滤气。
使用工况
长期使用200℃-280℃,最佳使用温度90℃-220℃,FCA配方工作温度应小于180℃;过滤风速应小于0.8m/min。
各种针刺毡质量要求标准
针刺毡的质量要求标准通常包括以下几个方面:
1. 厚度:针刺毡的厚度应符合设计要求,通常在1mm-50mm
范围内。
厚度的变异度应控制在正负10%以内。
2. 密度:针刺毡的密度应根据具体用途来确定,通常在
100g/m²-1500g/m²之间。
密度的变异度应控制在正负10%以内。
3. 强力:针刺毡的强力应符合设计要求,通常要求水平强力和垂直强力分别达到一定数值。
强力的测试方法通常采用拉伸试验。
4. 吸水性:针刺毡的吸水性应符合设计要求,通常要求吸水率在10%以内。
吸水性的测试方法通常采用重量法或滴定法。
5. 耐磨性:针刺毡的耐磨性应符合设计要求,在使用寿命内不易磨损、起球、掉毛。
耐磨性的测试方法通常采用Martindale
法或Taber法。
6. 抗拉裂强度:针刺毡的抗拉裂强度应符合设计要求,通常要求在一定数值以上。
抗拉裂强度的测试方法通常采用弯曲试验或撕裂试验。
7. 抗菌性:针刺毡的抗菌性应符合设计要求,通常要求抗菌率在一定百分比以上。
抗菌性的测试方法通常采用培养皿法或抑菌环法。
需要注意的是,具体的针刺毡质量要求标准会因不同的应用领域、使用要求和国家地区的规定而有所不同。
因此,在实际应用中需要根据具体情况来确定和执行相应的标准。
主要选用日本东丽公司和东洋公司的优质聚苯硫醚纤维,把不同旦数的纤维按比例混合,采用先进的梯次成网工艺,使滤料内部形成梯次过滤通道。
生产的PPS耐酸碱高性能针刺毡具有过滤精度高,透气性能好,使用寿命长的优点。
针对工况特点和使用要求,可进行拒水防油、PTFE浸渍、PTFE涂层等后处理。
可满足高精度排放和2-3年长期低阻运行的使用要求。
产品适用于燃煤锅炉、垃圾焚烧、化肥厂等有腐蚀性烟气过滤和收尘工况。
产品名称:PPS复合针刺过滤毡材质:进口PPS纤维/PPS基布厚度:1。
7—2。
1mm克重:500-600g/m2密度:0.28g/cm3透气量:13—16m3/m2·min经向拉力:>1200(N/5×20cm)纬向拉力:〉1300(N/5×20cm)经向伸长:〈25%纬向伸长:〈25%工作温度:160℃瞬间200℃过滤风速:1.0—1.2m/min特点:耐磨、耐酸、耐碱2氟耐而复合针刺过滤毡系列氟耐而是由两种以上的耐高温纤维混合梳理经层状复合针刺而成,具备三维成孔的高效高温过滤材料,具有耐高温、耐腐蚀、耐磨抗折、易清灰以及使用寿命长等优点.经过不同的表面化学处理与后整理技术,还具有拒水防油、高风速、高浓度粉尘的捕集等特点。
(1)FNE—01复合针刺过滤毡氟耐而(FNE—01)复合针刺过滤毡是由芳纶、玻纤、耐温材料混合梳理经层状复合而成,具有优性耐酸性能,良性耐碱、耐磨性能,稳定的耐水解性能。
产品名称:FNE-01复合针刺过滤毡材质:芳纶、玻纤、耐温材料厚度:2.4—2.6mm克重:850g/m2透气量:12—14m3/m2·min经向拉力:>2000(N/5×20cm)纬向拉力:〉2000(N/5×20cm)经向伸长:〈10%纬向伸长:〈10%工作温度:220—240℃瞬间260℃后处理:PTFE浸渍、PTFE涂层玻璃纤维针刺毡是一种结构合理、性能较好的耐高温过滤材料.它不仅具有玻纤织物耐高温、尺寸稳定、伸长收缩率小、强度高的优点,而且毡层为直径为5—7微米左右的短纤维,呈三维微孔结构,孔隙率高,过滤阻力小,除尘效率超过机织滤料,过滤风速高于机织滤料一倍左右,是一种高速、高效的高温过滤材料,广泛应用于钢铁、化工、冶金、炭黑等各种工业炉窑的高温烟气过滤。
涤纶针刺过滤毡涤纶常温滤布是由随机分布纤维构成的三维立体结构,选用细旦纤维,孔径小、孔隙率高、过滤表面积大,由于纤维成三维立体排列,孔道曲折,即使穿过滤布表面介质的微小尘粒也会在曲折的孔道中受到纤维的拦截而留在滤布纤网中。
因此它发挥了表面过滤和深层过滤的组合效应,能够捕集不同粒径的尘灰,而且容尘量大、过滤阻力小、使用周期长。
CO.ST.IN常温涤纶滤料其优良的过滤特性在除尘过滤领域得到广泛的应用。
使用场合:冶金、冶炼、钢铁、铸造、水泥、采石、化工等行业涤纶过滤针刺毡性能指标品名:XLD500 成分:100%PET+100%PET长丝基布项目单位指标克重g/m²500±25厚度mm 2.0±0.2断裂强度经向N(5×20cm)≥1100 纬向≥1400断裂伸长率经向%≤30纬向≤45顶破强度kg/cm²>25透气量m³/m²·min 14±25%透气率mm/s 125~210收缩率(150℃)经向%<2纬向<2工作温度连续℃130 瞬间150幅宽m <3后处理方式压光、烧毛、定型涤纶抗静电针刺过滤毡一般的工业粉尘颗粒浓度达到一定程度后(即爆炸极限指数),如遇静电放电火花或外界点火等因素,则极易导致爆炸和火灾。
如:煤粉尘、面粉尘、化工性粉尘等如遇静电放电都有爆炸的可能。
在袋式除尘领域,如粉尘需要用布袋来收集回收,则要求制作除尘布袋的滤料具有防静电性。
我厂吸收和消化国内外技术,结合国内水泥厂、火电厂煤磨收尘、高炉煤气煤磨收尘和其它多粉尘行业的需要,研制开发并生产了抗静电针刺过滤毡。
涤纶抗静电过滤针刺毡技术指标品名:XKLD500 成分:100%PET+100%PET防静电基布项目单位指标克重g/m²500±25厚度mm 1.8±0.2断裂强度经向N(5×20cm)≥800 纬向≥1200断裂伸长率经向%≤30纬向≤50表面电阻Ω 4.8×108体积电阻Ω 8.7×108摩擦电位(最大值)v 250摩擦电位(平均值)v 183 面电荷密度MC/m² 3.4半衰期S 0.75透气量m³/m²·min 14±25%工作温度连续℃130 瞬间150幅宽m <3后处理方式烧毛、压光涤纶拒油防水针刺过滤毡袋式除尘器运行过程中,对于气体中粉尘含有较多水分和油性以及吸湿性和易潮解性粉尘,在粉尘表面有可能生成水膜或油膜而增大附着性,这虽然有助于捕集粉尘,但将使清灰出现困难。
现在做PTFE针刺毡滤袋产品的厂家有很多,考察厂家的实力一般可以从品牌知名度,经营时间,经济实力等几个角度去考察。
知名度强的企业大多在业内有多年的经营经验,无论是产品还是渠道支持都具备一定的实力。
跟这些厂商合作相对来说,经营风险较小,也有现成的一些推广方式供复制。
下面介绍下关于产品方面的相关信息:
产品名称:防静电PTFE
平方克重 750g/m2
厚度 1.1mm
密度 0.68g/cm3
透气量 100L/dm2.min
断裂强度-纵向≥450 N/5cm
断裂强度-横向≥450 N/5cm
伸长@200N/5cm-纵向<5%
伸长@200N/5cm-横向<5%
热收缩@260degC,90min 3%
爆破强度>300 N/cm2
连续工作温度 240℃
瞬间工作温度 260℃
防静电除尘布袋的滤布均采用防静电涤纶针刺毡制作,是在普通的涤纶针刺毡的
基础上加入抗静电丝,具有极好的防静电性能,用于面粉尘、化工性粉尘、煤粉尘等
如遇静电放电有爆炸可能的行业,是目前防爆收尘的理想选择。
防静电除尘布袋产品
除具有防静电的特性,透气性好,耐酸、碱度适中的特点外,而且具有非常好的耐磨性。
一般的工业粉尘在浓度达到一定程度后(即爆炸极限)如遇静电放电火花或外界
点火等因素,则极易导致爆炸和火灾。
在袋式除尘领域,如这些粉尘需用布袋来收集,则要求制做防静电除尘布袋的滤料具有防静电性能。
司
的
荣
誉。
WMGV01 2023 针刺过滤毡1. 简介WMGV01 2023 针刺过滤毡是一种高效过滤材料,具有良好的过滤性能和长期稳定的使用性能。
它采用特殊的针刺工艺制成,具有较高的孔隙率和较好的抗压性能。
本文将对WMGV01 2023 针刺过滤毡的特点、应用领域以及优势进行介绍。
2. 特点WMGV01 2023 针刺过滤毡具有以下特点: - 高过滤效率:WMGV01 2023 针刺过滤毡具有细密的孔隙结构,能够有效过滤掉微小的颗粒物质和悬浮物,提供高效的过滤效果。
- 良好的抗压能力:由于采用了特殊的针刺工艺,WMGV01 2023 针刺过滤毡具有优异的抗压性能,能够承受较大的压力,保持稳定的过滤效率。
- 耐温性能优异:WMGV01 2023 针刺过滤毡能够在高温环境下保持稳定性能,并具有很好的耐腐蚀性,适用于多种恶劣工况。
- 易于清洗和维护:WMGV01 2023 针刺过滤毡表面光滑,容易清洗和维护,可以重复使用,降低维护成本。
3. 应用领域WMGV01 2023 针刺过滤毡广泛应用于以下领域: - 工业领域:WMGV01 2023 针刺过滤毡可用于空气过滤、液体过滤、粉尘过滤等工业领域,能够有效去除颗粒物质和悬浮物,提供洁净的工作环境。
- 环境保护:WMGV01 2023 针刺过滤毡可用于大气污染治理、废水处理等环境保护领域,能够有效清除有害物质,改善环境质量。
- 食品加工:WMGV01 2023 针刺过滤毡可用于食品加工行业,用于食品液体的澄清和过滤,确保食品的安全和卫生。
- 医疗卫生:WMGV01 2023 针刺过滤毡可用于医疗卫生领域,用于医疗废物处理、手术室空气净化等,确保医疗设施的洁净及人员的安全。
4. 优势WMGV01 2023 针刺过滤毡相较于其他过滤材料具有以下优势:- 高效过滤:WMGV01 2023 针刺过滤毡具有高过滤效率,能够有效去除微小颗粒和悬浮物。
- 长期稳定性:WMGV01 2023 针刺过滤毡采用优质材料制成,具有良好的稳定性,能够长期稳定地发挥过滤效果。
600克针刺毡技术参数
针刺毡是一种通过机械针刺将纤维材料交织在一起的工艺,形成三维
的纺织物结构。
在针刺毡制造过程中,需要考虑一些技术参数,如针刺密度、针刺频率、针线型号和纤维类型等。
下面详细介绍这些技术参数。
1.针刺密度:
针刺密度是指针刺单元面积内针孔的数量。
通常用每平方英寸(或每
平方厘米)针孔数来表示。
较高的针刺密度可以增加织物的纵向强度和密度,但也会增加生产成本和能耗。
针刺密度通常根据产品用途和材料来确定,一般在50到300针孔/平方英寸之间。
2.针刺频率:
针刺频率是指机械每分钟执行针刺动作的次数。
它决定了每分钟工艺
处理的物料量和生产效率。
通常,针刺频率在1000到2000次/分钟之间。
3.针线型号:
针线型号是指用于针刺的针线规格。
不同的针线型号适用于不同的纤
维类型和工艺要求。
针线的粗细和强度直接影响到织物的质量和机械的工
作效率。
常见的针线型号有70/2、50/2、40/2等。
4.纤维类型:
针刺毡可以使用各种纤维类型,包括天然纤维和合成纤维。
常见的天
然纤维包括棉、麻、丝等,而合成纤维包括涤纶、尼龙、腈纶等。
不同的
纤维类型具有不同的物理特性,可以根据产品的要求选择合适的纤维类型。
针刺毡的技术参数对于产品的质量和性能有重要影响。
在实际生产中,需要根据具体情况综合考虑这些参数,并进行相应的调整和优化。
通过合
理控制针刺密度、针刺频率、针线型号和纤维类型,可以生产出具有良好性能和外观的针刺毡产品,满足市场需求。
产品名称:涤纶针刺毡材质: 涤纶纤维/涤纶基布厚度: 1.6-2.1mm克重:450-600g/m2透气量:13-16m3/m2.min径向拉力:>1000(N/5×20cm)纬向拉力:>1300(N/5×20cm)径向伸长: <25%纬向伸长:<50%工作温度:≤ 120℃瞬间150℃1.1 基本要求1.1.1 滤袋应符合本技术条件的要求,并按照经规定程序批准的技术文件制造。
1.1.2 滤袋所用的滤料、滤袋的型式与规格、圆形滤袋的半周长偏差、扁形滤袋的内周长偏差和扁形滤袋的内周长及长度极限偏差等应符合GB 12625的规定。
1.1.3 外滤式滤袋也可以用外径式外周长确定规格。
1.1.4 圆形滤袋的长度极限偏差应符合表l的规定。
表1圆形滤袋的长度极限偏差mm过滤方式长度L长度极限偏差外滤≤6000+20>6000L/300内滤≤120000-401.1.5 对需在花板、短管固定的带卡环的滤袋,在工作条件下的拉紧力必须保证滤袋不从花板或短管上脱落。
1.2 滤袋的缝制1.2.1 滤袋缝线材质应与滤袋材质相同,滤袋缝线的强度必须>27N。
1.2.2 滤袋的纵向缝线必须牢固、平直且不得少于三条。
1.2.3 滤袋袋口的环状缝线必须牢固且不得少于二条;滤袋防瘪环的环状缝线必须牢固且每边不得少于二条;滤袋袋底的环状缝线允许单线,但必须缝制二圈以上。
1.3 缝制质量缝线的针距、缝合宽度应符合GB12625-90中第8章和第9章的规定并满足:a)不允许连续跳线且1m缝线内跳线不超过1针、1线、1处;b)无浮线;c)不允许连续掉道且1m内掉道不超过1处。
1.4 滤袋破损1.4.1 滤袋应保证无破损。
1.4.2 覆膜复合滤袋的缝制,应保证履膜表面不被损伤。
1.4.3 对小于5mm×5mm的覆膜损伤允许补缝同样滤料予以修复,对大于5mm×5mm覆膜损伤的滤袋不允许出厂。
电针刺毡主要用于化工,冶金,食品,制药,建材,矿山等行业袋式除尘器、板框压滤机、带式过滤机、真空吸滤和烟除尘等固液分离,与固气分离设备配套使用。
防静电针刺毡具有耐酸,耐弱碱,抗氧化,抗拉强度高,耐湿热性能好,抗霉变和适应工作温度较高的特点。
针刺毡性能指标克重(g/㎡):500厚度(㎜):1.8透气性(m3/m2.min):16断裂强度:N/5㎝经向:>610纬向:>1100连续工作温度(℃):130表面电阻(Ω):4.8×10体积电阻(Ω):8.7×10摩擦电位(V):250摩擦电位(V):183面电荷密度(MC/㎡):3.4工业粉尘在浓度达到一定程度后如遇静电放电火花或外界点火等因素,同极易导致爆炸和火灾,如:面粉尘、化工性粉尘、煤粉尘等如遇静电放电都有爆炸的可能。
在袋式除尘领域,如这些粉尘需用布袋来收集,则要求制做除尘布袋的滤袋具有防静电性。
涤纶防静电针刺毡材料涤纶纤维采用溶体仿丝,截面呈圆形,表面平整。
在标准条件下的回潮率为0.4百分之-0.5百分之,相对湿度100℃时回潮率为0.6百分之-0.8百分之,因此,纤维性能无论在干、湿性状态下变化均不大。
耐霉、虫蛀性能好、贮存方便。
涤纶长纤维原料结构长而光滑,通过捻线后涤纶长丝比短纤维断裂强度高,由于材料光滑,织出的成品透气性好。
涤纶长纤具有强度高、漏水性能好、耐磨性好的特点。
江苏丰鑫源环保集团有限公司,用户值得信赖的生产厂家。
公司位于江苏阜宁滤料产业园10号,生产滤袋,除尘滤袋,除尘布袋,针刺毡,美塔斯针刺毡,氟美斯针刺毡,pps针刺毡,涤纶针刺毡,玻纤针刺毡,防静电针刺毡,拒水防油涤纶针刺毡,亚克力针刺毡,P84针刺毡,PTFE复合针刺毡,ptfe滤袋,pps滤袋,氟美斯滤袋,美塔斯滤袋, [pps+ptfe 纤维基布]滤袋.产品被广泛应用于电力、冶金、生物质、垃圾焚烧、固废处置、城市垃圾收尘、化工除尘等恶劣工况的除尘滤袋生产和制作以及笼骨架制造,覆膜、涂层、拒水防油、防静电系列生产与加工!公司的荣誉。
XXXX有限公司针刺毛毡内控标准客户名称:内部编号:样品名称:黑色针刺毛毡规格:1M*120G*T1MM 样品成分: 100%涤纶(PET)序号检测项目单位管控标准内控标准测试仪器测试机构测试设备图1面密度(1M*1M)g/㎡120±10% 120±10%电子天平0.01MM自检2 厚度mm 1MM±0.2MM1MM±0.3MM测厚规精度0.01MM自检3 外观(目视)—黑色、无破损、脏污、厚薄不均、杂质等黑色、无破损、脏污、厚薄不均、杂质等目视自检4 幅宽MM 1000±5MM 1000±5MM钢卷尺精度:1MM自检5 燃烧性能mm/min ≤100 ≤100 燃烧箱外检SGS6 气味级≤3 ≤3(参考长安VS-01.00-T-14012-A6-2017 )气味瓶外检SGS7 禁限物质—满足SY-HB-14/SY-HB-15的相关规定符合ELV指令2000/53/EC4(2)ELV测试仪外检SGS8吸湿性(水分含量)% ≦10 ≦4天平、漏斗自检7 VOC限定物质Ug/M3满足长安技术规范SJ-NW-51-2009的要求参考长安VS-01.00-T-14012-A3-2017VOC散发收集试验箱外检SGS8拉伸强度拉伸率纵向N/5CM ≥40≥40%≥30≥40% 万能强力机精度0.5N自检拉伸强度拉伸率横向N/5CM≥30≥30%≥40≥40%自检编制:审核:批准:。
涤纶针刺毡技术参数
产品标准:AFW6
型号:M2C938-A
1. 产品介绍:
AFW6标准M2C938-A型号是一款高性能的产品,主要用于某种特定
应用领域。
它具有稳定的性能、可靠性高和优异的耐用性。
2. 技术规格:
2.1 外观尺寸:根据客户需求定制
2.2 重量:根据具体配置确定
2.3 外壳材料:采用高强度金属材料制造
2.4 工作温度:-20℃至70℃
2.5 存储温度:-40℃至85℃
2.6 防护等级:IP65
2.7 电源输入:AC 100-240V,50-60Hz
3. 主要特点:
3.1 高性能:配备先进的处理器和存储器,提供快速、稳定的性能。
3.2 可靠性高:采用高品质的组件和严格的生产工艺,确保产品的
可靠性和稳定性。
3.3 耐用性:外壳采用高强度金属材料制造,能够承受较大的冲击
和震动,适应恶劣的工作环境。
3.4 运行稳定:具有良好的散热系统,能够保持设备长时间稳定运行。
4. 应用领域:
AFW6标准M2C938-A型号适用于某种特定领域,如工业自动化、物
联网、智能控制等方面。
它可用于数据传输、信号处理和控制任务,
为用户提供可靠的解决方案。
5. 注意事项:
5.1 产品安装前,请确保设备断电并在安装过程中遵守相关安全规
定。
5.2 使用时请注意设备的工作温度范围,避免过高或过低温度的影响。
5.3 如果需要进行维护和保养,请按照相关说明进行操作,以确保产品的长期使用。
以上是AFW6标准M2C938-A型号的产品介绍和技术规格,如需更多详细信息,请联系我们的销售部门。
芳斯特针刺毡十八芳斯特针刺毡是我公司自行研制开发的中温滤料,该产品采用玻璃纤维、芳纶纤维、聚脂纤维混合而成,具有拉力强度高、透气性能好、表面光滑、更容易清灰。
瞬间达到170℃。
(在150℃-160℃的烟气中效果超越其它同类产品)克重: 650g/m2材质: 玻璃纤维/芳纶/聚脂厚度: 1.85mm透气量: 8-15m3/m2·min经向拉力: >1200N/5×20cm纬向拉力: >1300N/5×20cm经向伸长: <10%纬向伸长: <10%使用温度: 150℃ 短时170℃后处理: 拒水防油(泰氟隆)、覆膜芳塔斯针刺毡十九1、产品介绍芳香族聚酰胺Aramid纤维所制成的空气过滤材料,适用的温度范围是132-204℃,瞬间能承受220℃,芳香族聚酰胺纤维可以制成连续长丝和纤维原料,用于制造针刺毡或机织布滤料。
芳香族聚酰胺纤维滤料的热稳定性极好,在177℃时收缩率小于1%,芳香族聚酰胺纤维也是阻燃型纤维。
芳香聚酰胺Aramid纤维所制成的空气过滤材料主要应用在工况高温烟气除尘,被广泛应用在钢铁、沥青搅拌、铁合金冶炼、铝加工等领域芳纶的全称是“芳香族聚酰胺纤维”(Aramid fibers),是一类新型的特种用途合成材料,俗称“防火纤维”作为新兴的特种纤维,应用非常广泛。
生产技术难度大,很长一段时间以来只有美国杜邦、日本帝人和俄罗斯合成纤维研究院等机构掌握了其生产制造技术。
当前我国只有少数几家公司可以生产,但在品质上与国外同类产品相比较还有较大的差距。
因此国内的过滤用的芳纶纤维原料,在高要求的除尘工况中会采用进口原料,低要求除尘工况应用中会采用国产芳纶原料以降低生产成本与应用成本。
二、产品特点芳塔斯针刺毡采用美国杜邦公司、日本帝人公司生产的纤维,按照一定的比例复合针刺而成。
与普通滤料相比,本产品还具有以下优点:1、优异的耐高温性能:可在180℃的温度下连续工作,瞬时工作温度可达斡尔220℃;2、高尺寸稳定性:在230℃的高温下只有1%的伸缩率,具有极佳的高温稳定性;3、防火阻燃性能:在400℃时才开始分解炭化,极限氧指数(LOI)为30,不自燃也不助燃;4、良好的耐化学腐蚀性能:耐酸耐碱不易腐蚀。
气固分离用各种滤布性能参数一、针刺毡系列1.涤纶针刺毡系列滤料涤纶针刺毡系列滤料采用非织造针刺工艺,并经热定型及其他处理方法制成,广泛用于工业捕尘,烟尘治理等方面。
涤纶针刺毡滤料透气性好,经热处理后,表面平整光滑,不易变形、容易清灰。
憎水憎油处理后的涤纶针刺毡滤料因其具有憎水性能,应用在高含湿量或含少量油污的烟尘时,可以防止糊袋,延长使用寿命。
覆膜涤纶针刺毡滤料表面复合了一层多微孔聚四氟乙烯(P TFE)薄膜,具有表面光滑、憎水透气、容易清灰等特点,过滤效率高,运行阻力低,耗能少,使用寿命长,真正实现了“表面过滤”。
涤纶针刺毡系列滤料性能指标如下:品名特殊处理结构压毛长纤基布涤烧毛长纤基布纶单重g.㎡540540厚度mm1.801.80破裂强度Mpa.min2.64 2.85针刺毡防水防油亚克力涂层长纤基布短纤基布5405401.801.902.851.95 泰氟纶涂层短纤基布560 1.90 1.95 烧毛短纤基布4752.30 2.45诺美克斯针刺呢防水防油短纤基布475 2.30 2.45泰氟纶涂层短纤基布560 2.20 2.15烧毛短纤基布540 1.80 2.45莱顿针刺呢防水防油泰氟纶涂层短纤基布短纤基布5405601.801.902.451.95P-84 针刺呢烧毛防水防油短纤基布短纤基布4754752.302.302.452.452.涤纶抗静电针刺过滤布一般的工业粉尘在浓度达到一定程度后(即爆炸极限)如遇静电放电火花或外界点火等因素,则极易导致爆炸和火灾。
如:面粉尘、化工性粉尘、煤粉尘等如遇静电放电都有爆炸的可能。
在袋式除尘领域,如这些粉尘需用布袋来收集,则要求制做除尘布袋的滤料具有防静电性。
克重厚度500(g/m 2 ) 1.8(mm)透气度15(m 3 /m 2/min)断裂强力(经向)>600断裂强力(纬向) 连续工作温度 后处理方式 表面电阻 体积电阻>1000 130℃压光、烧毛或泰氟隆涂层4.8x10 9 Ω 8.7x10 8 Ω 摩擦电位(最大值) 250v摩擦电位(平均值 )183v 面电核密度 3.4MC/m 2半衰期0.75s3.氟美斯( FMS )耐高温针刺毡FMS 氟美斯耐高温针刺毡是由二种或二种以上的耐高温纤维混合及层状复合,以实现更高、更新的物理及化学性能。
涤纶针刺过滤毡涤纶常温滤布是由随机分布纤维构成的三维立体结构,选用细旦纤维,孔径小、孔隙率高、过滤表面积大,由于纤维成三维立体排列,孔道曲折,即使穿过滤布表面介质的微小尘粒也会在曲折的孔道中受到纤维的拦截而留在滤布纤网中。
因此它发挥了表面过滤和深层过滤的组合效应,能够捕集不同粒径的尘灰,而且容尘量大、过滤阻力小、使用周期长。
CO.ST.IN常温涤纶滤料其优良的过滤特性在除尘过滤领域得到广泛的应用。
使用场合:冶金、冶炼、钢铁、铸造、水泥、采石、化工等行业涤纶过滤针刺毡性能指标品名:XLD500 成分:100%PET+100%PET长丝基布涤纶抗静电针刺过滤毡一般的工业粉尘颗粒浓度达到一定程度后(即爆炸极限指数),如遇静电放电火花或外界点火等因素,则极易导致爆炸和火灾。
如:煤粉尘、面粉尘、化工性粉尘等如遇静电放电都有爆炸的可能。
在袋式除尘领域,如粉尘需要用布袋来收集回收,则要求制作除尘布袋的滤料具有防静电性。
我厂吸收和消化国外技术,结合国水泥厂、火电厂煤磨收尘、高炉煤气煤磨收尘和其它多粉尘行业的需要,研制开发并生产了抗静电针刺过滤毡。
涤纶抗静电过滤针刺毡技术指标品名:XKLD500 成分:100%PET+100%PET防静电基布涤纶拒油防水针刺过滤毡袋式除尘器运行过程中,对于气体中粉尘含有较多水分和油性以及吸湿性和易潮解性粉尘,在粉尘表面有可能生成水膜或油膜而增大附着性,这虽然有助于捕集粉尘,但将使清灰出现困难。
特别是高温气体又处于高湿状态时,由于外部气体的冷却作用而产生结露现象。
这不仅能使捕集的粉尘在滤袋表面结垢,甚至堵塞,而且能腐蚀结构材料,使除尘器运行阻力增加,直接影响了袋式除尘器的正常运行。
利用袋式除尘器处理含量大或粘性较大的含尘气体,粉尘易粘附布袋一直是除尘界头痛的难题。
国外尝试用覆膜滤袋和对滤材表面进行防水处理来解决防结露和布袋糊袋的难题,取得了明显的效果。
有鉴于此,普通滤料必须在功能上有进一步提高,以适用这种特殊的工况条件,防止或减轻粉尘糊袋现象,提高滤料使用寿命和工作效率。
我公司选用反应型氟化物助剂对涤纶、丙纶、防静电针刺毡、耐高温针刺毡等各种滤料进行后处理,均取得了理想的拒油防水效果。
不仅拒油防水等级试验达到国家标准,而且不影响原来针刺毡的外观风格和在指标。
拒油防水机理:用反应型氟化物助剂配制混合工作液浸渍滤料,使工作液与滤料纤维大分子结构中某些基团起反应,形成大分子链,改变纤维与水、油的亲和性能,使滤料的表面力降低,降到小于水和油的表面力,以达到拒油防水目的。
各种滤料经拒油防水剂处理后,能围绕纤维表面形成分子屏障,可防止水及各种油污物沾附和渗透。
同普通滤料相比,不仅具有拒油防水特性,而且对粉尘而言,还具有抗粘结性和易于剥离性。
该产品尤其适合我国南方或多雨地区及空气湿度大的过滤场合。
涤纶拒油防水针刺过滤毡技术指标中温针刺过滤毡一般的涤纶针刺毡的连续工作温度只能达到130℃,若工作温度超过130℃长时间运行,则其强力会损失很多,而且产生很大的收缩,使滤袋的尺寸发生变化,进而影响过滤效果。
我厂采用特殊工艺生产的迷特针刺毡,是用玻璃纤维机织布作基布,再配以原生涤纶(PET)短纤作毛层,断裂强力高,断裂伸长小,热收缩率小,耐温适中等特点,满足了工作温度要求在50℃-170℃,常温滤料不能满足而采用高温滤料又太浪费的需要,可在很大程度上降低运行成本。
使用场合:冶金、冶炼、钢铁、铸造、水泥、采石、化工等行业品名:XLD500 成分:100%PET+100%玻璃纤维基布美塔斯针刺过滤毡袋式除尘领域通常都将布袋比做袋式除尘器的心脏,布袋除尘器能处理什么样的含尘烟气,主要还取决于用来制造布袋的化学纤维本身。
一般的烟气温度条件下,只需要布袋能够耐150℃以下的温度,涤纶、丙纶、晴纶、锦纶等化学纤维可以基本胜任。
而对于烟气温度比较高的场合,如:化工、炭黑(白炭黑)尾气、炼铁厂高炉煤气、水泥厂立窑尾气、电石厂窑炉尾气、铸造、炼钢厂烟气、沥青混凝土搅拌沥青烟气、耐火砖窑炉烟气、焦化烟气等,一是因为这些含尘烟气粉尘因受比电阻限制不适合于电收尘器收集,只能用布袋或其它方式收集;二是如需将含尘烟气温度降至150℃以下的投资较高或受现场场地的限制;三是因为含尘烟气中因为含有硫的成份,含尘烟气具有酸"露点",含尘烟气只能在酸露点以上,即温度较高的状态下进行过滤分离等因素,这样就需要有一种能耐受较高温度的化学纤维用来制做滤材。
我公司选用杜邦帝人先进纤维生产的METAMAX(美塔斯)纤维,采用国际先进标准,用先进设备制造生产了美塔斯耐高温针刺过滤毡。
美塔斯针刺过滤毡技术指标品名:XLM500 成分:100%METAMAX +100%METAMAX基布P84 针刺过滤毡P84耐高温纤维是奥地利LENZING公司生产的INSPEC FIBERS聚酰亚胺纤维,该纤维横截面呈特殊的三叶形,与其它圆形纤维相比,它的表面积增加了80% ,能够大大提高过滤效率。
该滤材具有以下三个显著特点:1、显著的耐温性工作环境260℃2、良好的抗化学性P84滤材有极好的耐酸碱性,特别适合垃圾焚烧的废气处理3、低逆洗压力并高弹脱泥饼效率P84纤维因不规则的纤维横断面使纤维表面积增加到最大而提供很多的微小孔隙至使表面过滤效果优于深度过滤。
粉尘只停留在滤毡表面而没能进入滤毡中,因此逆洗压力小而滤饼弹脱效率得以显著改善,具有极佳的微细粉粒收集效率且作业压差小。
运行成本相应降低。
使用场合:沥青厂、水泥厂、废弃物焚化炉、液床锅炉、燃煤锅炉等行业P84针刺过滤毡技术指标品名:XLP84500 成分:100%P84 +100%P84基布PPS 针刺过滤毡PPS过滤毡是我公司选用美国、日本等国生产的聚苯硫醚(PPS)纤维,按照其它耐高温过滤毡的生产工艺加工的过滤材料,为耐高温过滤材料的主要品种之一。
PPS针刺滤料的特性1、非常优异的耐化学性能,它几乎能耐所有的酸、碱及有机溶剂,但强氧化剂除外。
2、极好的耐热性能,PPS可在190℃以下连续使用,瞬间工作温度可达232℃,熔点285℃,极限氧指数34-35。
PPS在180℃下的热收缩率小于1%,且强力不下降;在210℃下,1200小时后,热收缩率也不超过1.5%,强力保持在80%以上。
3、含氧量在15%或以下的场合均可适用。
4、燃料中含硫或烟道气中含硫的氧化物,现已证明其是抗酸碱腐蚀、抗化学性很强的纤维。
5、耐水解性能好,即使长时间(500h)处在高温(160℃)、高湿(79%)情况下,强力也不损失。
非常适合烟道气中含湿气的场合。
6、在温度190-232℃工矿条件下,气布比高达5:1做线上清灰及气布比6:1作离线清灰时,PPS滤袋具有优异的性能纪录。
PPS纤维具有强度的完整保持性和在的耐化学性,可以在恶劣的环境中保持良好的过滤性能,并达到理想的使用寿命。
在过滤然煤锅炉、垃圾焚烧炉、电厂粉煤灰的集尘处理等脉冲清灰式除尘器中,PPS过滤毡是理想的过滤材料。
PPS过滤针刺毡技术指标耐高温复合针刺毡(氟美斯)参数明细耐高温复合针刺毡是由两种以上耐高温纤维各抗腐蚀化学纤维混合及层次复合,适用于不同昂行也的烟气净化及粉尘的回收。
氟美斯与玻璃纤维滤料相比,且耐磨性、抗折性、抗腐蚀及剥离强度有明显的提高,过滤速度可达1.0m/min以上,运行阻力低。
产品经过PTFE化学原料的处理后,适合150~300℃不同的温度。
广泛用于钢铁冶炼化工、炭墨、水呢、发电、垃圾焚烧等行业。
其特点:高温耐磨、耐酸、耐碱、抗结露。
广泛应用:瓷、钢铁、炭黑、水泥、电石、高负荷、长命要求使用。
成份:纤维100%无碱玻纤切丝+芳纶,基布:100%无碱纤维玻璃纤维过滤材料系列1、连续玻璃纤维平幅过滤布连续玻璃纤维平幅过滤布是玻璃纤维机织物经特殊表面处理制成的过滤材料,是比较理想的耐高温、耐腐蚀的过滤材料,广泛用于工业捕尘,回收贵重的工业产品,治理工业烟气粉尘污染。
玻璃纤维过滤材料可在260℃的温度下长期使用,耐化学腐蚀性好,热稳定性好,在300℃下,玻璃纤维的收缩率接近于零,抗结露、粉尘剥离性好,清灰能耗低。
2、玻璃纤维膨体纱过滤布玻璃纤维膨体纱过滤布是在连续玻璃纤维平幅过滤布基础上发展起来的一种新型织物,与连续玻璃纤维过滤布不同之处,在于纬纱由全部或部分膨体纱组成,由于纱线蓬松,覆盖能力强,透气性好,因而可提高过滤效率,降低过滤阻力,且除尘效率高,可达99.5%以上,过滤速度在0.6—0.8m/min,长期使用温度260℃,瞬间温度达到300℃。
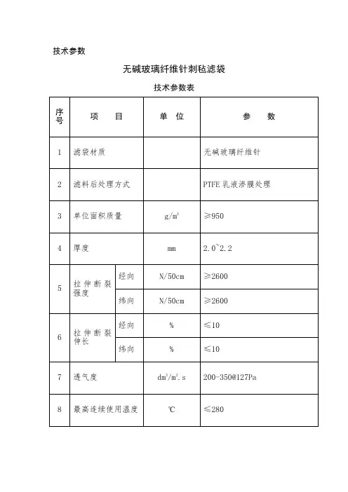
3、玻璃纤维针刺毡玻璃纤维针刺毡是一种结构合理、性能优良的新型高温过滤材料,它以100%的玻璃纤维为原料,针刺成毡。
具有三维孔结构、孔隙率高、阻力小。
除尘效率超过织物滤料,可达99.9%。
过滤速度比普通织物滤料高一倍左右,该滤材适于碳黑化工、钢铁、冶金、燃煤锅炉、耐火材料以及水泥等工业的高温烟气过滤。
适用于脉冲清灰及高速反吹风的袋滤器中使用。
经高温、腐蚀介质的长期考验,性能优良,是有效地治理粉尘污染、回收有价值微细颗粒的产品。
4、玻璃纤维过滤袋玻璃纤维过滤袋是玻璃纤维织物经特殊处理后制作而成的过滤产品,该产品耐热性好,可在260℃以下长期使用,是比较理想的耐高温过滤材料,具有粉尘剥离性好、尺寸稳定性好、抗化学腐蚀性好、不吸水、不吸湿等特点,过滤效率达99.5%以上,广泛应用于水泥、碳黑、发电、钢铁、有色冶炼等高温烟气除尘,寿命较高,一般可达到一年。