三方建设铁塔终验要求
- 格式:doc
- 大小:78.65 KB
- 文档页数:7
铁塔检验验收细则(一)铁塔检验细则一般要求(1) 铁塔基础应符合工程设计要求。
(2) 铁塔构件如有变形应在安装前进行矫正,但当环境温度低于-16C时,不得对构件进行冷矫正。
(3) 铁塔高度、平台、加挂支柱的安装高度及位置等均应符合工程设计要求。
(4) 铁塔垂直度应符合工程设计要求,铁塔中心轴线倾斜度允许偏差小于等于1/1500。
(5) 铁塔连接螺栓应符合下列要求:1)与铁塔基础连接的构件螺栓必须双螺母。
2)接螺栓应顺畅穿入,不得强行敲击。
当孔位偏差小于等于3mm时可打开冲后再穿入螺栓,螺栓穿向应一致。
3)螺母拧紧后螺栓外露丝扣为3~5扣。
4)螺母坚固应符合工程设计的力矩要求:a. 用力矩搬手检查力矩应符合工程设计要求值。
b. 铁塔全部连接螺栓均应做防松处理。
(6) 铁塔防腐层质量检验:1) 塔必须涂底漆(但构件连接法兰盘的接触面严禁涂漆),涂漆应均匀,无流痕、无气泡、不掉皮。
2) 镀层塔的镀层应均匀,不起泡、不翘皮、无返锈现象。
3) 用0.25kg的小锤轻击铁截构件时,防腐层不得脱落。
4) 塔靴紧固螺栓应按工程设计要求做防腐处理。
(7) 避雷针安装位置及高度应符合工程设计要求,避雷针安装牢固、端正,允许垂直偏差小于等于5‰(与避雷针高度比较)。
(8) 防雷保护接地电阻阻值应符合工程设计要求。
(9) 铁塔航空标志灯的安装应符合工程设计要求或航空部门的相关规定。
拉线塔(1) 拉线塔的拉线地锚埋设应符合工程设计要求:1) 地锚埋设深度允许偏差±50mm。
2) 地锚出土点位置允许偏差±50mm。
3) 埋设地锚的回填土应夯实,土堆整齐,地锚柄自然顺直。
(2) 铁塔两层拉线之间的弯曲度应符合工程设计要求。
(3) 拉线双螺旋调好后,螺杆端距螺旋内口尺寸要求:1) 高度小于80m的铁塔,应在20~30mm之内。
2) 高度在80m以上的铁塔,应在20~60mm之内。
自立式铁塔(1) 铁塔基础必须符合下列要求:1) 基础位置和高度应符合工程设计要求。
铁塔基础施工的质量检验摘要:铁塔基础施工的质量检验是保证铁塔基础稳定性和安全性的重要环节。
本文将介绍铁塔基础施工质量检验的目的、内容、方法和要点,以及常见的质量问题和应对措施。
一、引言铁塔是电信、通信等行业中常见的设备,其基础的稳定性和安全性直接关系到整个铁塔的使用寿命和运行安全。
因此,铁塔基础施工的质量检验是必不可少的环节。
二、目的铁塔基础施工的质量检验旨在确保基础施工符合规范和设计要求,确保铁塔的稳定性和安全性。
三、内容1. 现场勘测:对施工现场进行勘测分析,包括地质条件、土壤承载力等。
2. 基础开挖:确保基础开挖的深度、宽度和斜率符合设计要求,同时仔细检查开挖过程中是否有倾坍、滑坡等现象。
3. 混凝土浇筑:检查混凝土配合比、浇筑坍落度、浇筑温度等,确保混凝土质量合格。
4. 钢筋焊接:检验钢筋质量、焊接质量和规格等,确保钢筋焊接牢固可靠。
5. 基础回填:确保回填土的松紧度、压实度符合要求,同时检查回填土是否含有杂质或有坚硬物质。
四、方法1. 观察法:通过直接观察施工现场进行质量检验,如检查基础开挖的深度、宽度和斜率是否符合要求。
2. 抽样检验法:收集混凝土、钢筋等样本进行有关质量检验,如检验混凝土配合比是否合规。
3. 资料分析法:通过分析施工过程中的相关资料,如施工记录、检测报告等,判断基础施工的质量。
五、质量问题及应对措施1. 基础开挖问题:如基础开挖不符合设计要求,可采取重新开挖或采用加固措施。
2. 混凝土质量问题:如混凝土配合比不合格,可要求重新浇筑或进行强度检验。
3. 钢筋焊接问题:如钢筋焊接质量不合格,可要求重新焊接或更换焊接点。
4. 基础回填问题:如回填土松紧度不合格,可进行松土或加固处理。
六、要点总结铁塔基础施工的质量检验是确保铁塔基础稳定性和安全性的重要环节。
在检验过程中,应注意现场勘测、基础开挖、混凝土浇筑、钢筋焊接和基础回填等方面的质量,采用观察法、抽样检验法和资料分析法等方法进行检验。
3.2.4铁塔基础3.2.4.1铁塔基础施工应根据建设单位确定的征地范围,平整场地,根据施工图进行准确的定位放线,并确定±0.000相应的绝对标高,特殊位置应判断铁塔和机房地形摆布位置的安全性和可行性。
3.2.4.2根据放线要求和施工图规定进行基础人工开挖,开挖时若遇坚硬岩石,严禁采用爆破方法进行施工。
3.2.4.3基础开挖必须有施工单位的技术督导现场监督,及时核对当地的实际地质条件与地勘结果,若有偏差,需立即通知设计单位,对设计进行复核和变更。
3.2.4.4基坑(槽)开挖至设计要求深度,并预留相应的管道孔位后,由建设、铁塔设计、地勘、监理等有关人员进行现场验槽,经检验合格后应及时一次性浇筑砼垫层封闭地基,若有疑问或不符合要求应及时处理整改。
表3.2.4.4土方工程外形尺寸的允许偏差和检验方法3.2.4.5基础砼和钢材工程3.2.4.5.1基础用材料A水泥:宜用大厂水泥,进场水泥必须在保质期内,具有合格证,若对质量有疑问时,还应按质量标准进行抽检复验;B钢材:进场钢材必须具有出厂质量证明书并加盖销售红章和试验报告,并按检查标准进行抽样送检(进场一批抽验一批),合格后方能使用。
C模板:模板必须牢固,具有一定强度、刚度和稳定性,其支架的支承部分必须有足够的支承面积。
接缝应严密不漏浆,砼浇筑前应对木模板浇水湿润,钢模板应刷隔离剂。
模板内杂物泥土等应清理干净。
3.2.4.5.2钢材表面清洁:材料表面必须清洁除锈。
带有颗粒状或片状老锈,经除锈后仍留有麻点的钢材严禁按原规格使用。
3.2.4.5.3施工注意事项:砼浇筑前宜按设计标号进行试配,试配合格后施工单位技术人员应根据现场材料出具配合比通知单;钢筋在下料、成型等加工时,应自行检验,如发生脆断,焊接性能不良或力学性能不正常等现象,应立即停止加工并取样对该批钢材进行化学成份分析。
3.2.4.5.4钢材的规格、形状、尺寸、数量、间距、锚固长度、接头设置必须符合设计要求和施工规范的规定。
××—××500kV线路π接进入石北工程铁塔工程施工质量监理验收检查计划一、验收检查主要依据:1.××500kV线路工程施工设计图、说明书及工程变更2.《110~500kV架空送电线路施工及验收规范》GB50233-20053.《110kV~500kV架空电力线路工程施工质量及评定规程》DL/T5168-20024.《110—500kV架空电力线路施工质量检查办法》5.华北电网有限公司《施工、监理有关规定》6.输电线路铁塔制造技术条件GB2694-20037.国家和行业颁发的有关规范及材料的技术标准。
二、验收要求:1.各项目部经过三级检验并消缺后提前3天向监理部提出分部工程中间验收报验申请一式三份。
2.申请单应提供报验塔号、塔型、呼称高明细,三级验收检验报告、记录以及申请检验时间等。
3.提供材质合格证明资料、各种管理文件资料及二、三级检验记录,原材料跟踪台帐备查。
三、验收检查塔号及时间安排:1.抽检塔号:监理部将从报验的塔号中,随机挑选30%,提前1天通知被检单位。
2.验收检查时间,预计第一次在2006年1月中旬,其余验收时间根据工程进展情况,在各项目部形成放线区段后,另行商定。
四、验收检查方式、内容及质量评定标准:1.检查方式:现场抽查铁塔施工安装质量和文明施工情况;管理文件资料和施工记录采取集中检查方式,施工单位派员配合检查。
2.检查内容:(1)实物工程质量主要检查内容:•铁塔部件规格、数量、标志、镀锌质量、表面损伤。
重点检查主材、曲臂弯曲。
•螺栓、脚钉匹配、规格、数量、标志,紧固率(查100条),螺栓、脚钉与构件面接触情况、穿向、露扣长度,脚钉弯勾方向、安装工艺。
•铁塔结构倾斜、歪扭。
(2)文件资料主要检查内容:•质量管理体系,铁塔开工报告,铁塔工程作业指导书,质量、安全保证措施,技术交底记录,特种作业人员体检和培训考试记录等。
•铁塔、螺栓出厂质量检验合格证,材质出厂合格证及加工复检试验报告,(铁塔:按供货批次每种塔型提供一个合格证;螺栓:塔厂提供材质试验报告及拉伸、剪切复检报告,每一种规格提供一个合格证)铁塔跟踪台账记录。
铁塔交付验收保障措施铁塔交付验收是指经过铁塔施工完成后,由履行验收职责的单位进行检测,以确保其达到相关技术要求,达到所有规定的安全标准。
在铁塔交付验收过程中,需要采取一系列保障措施,以确保交付验收的质量和效果。
以下是铁塔交付验收保障措施的具体内容:1. 人员培训在铁塔建设之前,需要对参与铁塔施工的所有人员进行培训,包括工作人员、监理人员和验收人员等。
工作人员需经培训合格后方可上岗,监理人员和验收人员需通过相应资质考试方可执业,从而确保他们具备足够的技术水平和工作经验,能够正确有效地履行自己的职责。
2. 现场检测在铁塔交付验收的过程中,需要对铁塔进行现场检测,包括钢筋混凝土构件的质量、焊接工艺、耐候性和材质等方面的检测。
此外,对铁塔的尺寸、形状、立杆垂直度、塔身平整度、塔身弯曲度等项目也需进行检测。
3. 材料检验在铁塔的交付验收过程中,需对选用的各类材料进行检验,包括钢材、钢筋、混凝土、涂料、电缆、绝缘子、隔离开关等。
材料检验的目的是为了保证材料的品质符合国家相关标准和工程质量要求,确保铁塔的整体质量达到标准要求。
4. 工程检查在铁塔交付验收过程中,需对铁塔的工程质量进行检查,包括建筑作业质量、机电安装质量、防腐、电气隔离、接地、线缆布线等方面的检查。
工程检查的目的是为了确保工程质量符合国家相关标准和工程质量要求,保证铁塔高安全可靠运行。
5. 文件审核在铁塔交付验收过程中,需对相关文件(如设计文件、工艺文件、验收文件、技术档案等)进行审核,以保证这些文件的真实性、完整性、合法性以及其与铁塔的相关技术标准、工艺方案和施工要求等的一致性,确保铁塔交付验收后的所有文件齐全、准确、可查。
6. 开箱收件在铁塔交付验收的过程中,需对铁塔各类附件和材料进行开箱收件,包括锚线、外壳、抱杆、保护装置、地面周边清理等。
开箱收件的目的是为了验证铁塔所安装的各类附件和材料是否符合国家相关规定和工程质量要求,以及检查这些附件和材料的质量和数量是否满足工程设计和施工要求。
主控项目
1.铁塔的高度应符合设计要求,垂直度不应大于1.5‰。
检验数量:施工单位、监理单位均全部检查。
检验方法:施工单位对照设计文件观察测量,用经纬仪在两个相互垂直的方向上检验铁塔的垂直度;监理单位见证试验。
2.天线加挂支柱高度及方位、平台位置及尺寸、爬梯的设置方式应符合设计要求。
检验数量:施工单位、监理单位均全部检查。
检验方法:施工单位对照设计文件观察测量;监理单位见证试验。
3.铁塔防雷装置、接地引下线和接地电阻应符合设计要求。
检验数量:施工单位、监理单位均全部检查。
检验方法:施工单位对照设计文件观察检查,用接地电阻测试仪测接地电阻;监理单位见证试验。
4.铁塔塔体的接地电阻应符合设计要求,塔体金属构件间应保证电气连通。
检验数量:施工单位、监理单位均全部检查。
检验方法:施工单位对照设计文件观察检查,用万用表检查电气连通性,用接地电阻测试仪测接地电阻;监理单位见证试验。
一般项目
1.铁塔构件的镀锌层应均匀光滑、不翘皮,不得出现返锈现象。
检验数量:施工单位全部检查。
检验方法:观察检查。
2.塔靴与基础预埋螺栓的连接必须用双螺母,塔身安装螺栓穿入方向应一致,螺母应拧紧,螺栓外露丝扣不应少于两扣。
检验数量:施工单位抽验10%。
检验方法:观察检查。
用力矩扳手在塔身上、中、下三部分各抽验10个螺栓,其力矩值应符合设计要求。
3.塔身各横截面应成相似多边形,同一横截面上对角线或边的长度偏差不应大于5 mm。
检验数量:施工单位全部检查。
检验方法:观察、尺量检查。
铁塔安装工程施工前验收铁塔是电力线路的重要设施,承担着电力输送和传输的重要作用。
铁塔的施工质量直接影响到电力线路的安全运行,因此在施工前必须进行严格的验收工作。
本文将就铁塔安装工程施工前验收进行详细介绍。
一、验收人员的准备在进行铁塔安装工程施工前验收时,首先需要确定验收人员。
验收人员应当具备以下基本素质:1. 掌握相关技术知识和验收标准:验收人员应当具备一定的电力施工经验,熟悉铁塔的安装规范和验收标准,能够准确判断铁塔的施工质量。
2. 具备严谨的工作态度:验收人员应当具有严谨的工作态度,认真仔细地进行验收工作,确保不遗漏任何一个细节。
3. 具备良好的沟通能力:验收人员需要与施工单位和监理单位进行有效的沟通,协调解决施工中出现的问题。
4. 具备判断和决策能力:验收人员需要具备较强的判断和决策能力,能够及时做出正确的决策,确保铁塔施工质量符合要求。
二、验收内容及要求1. 铁塔的材料验收:在进行铁塔安装工程施工前验收时,首先需要对铁塔的材料进行验收。
验收人员应当查验铁塔的材质、规格和数量是否符合设计要求,材料的质量是否合格。
2. 铁塔的基础验收:铁塔的安装必须建立在牢固的基础上,因此在验收中需要检查铁塔基础的施工质量和强度是否符合要求,确保基础的稳固可靠。
3. 铁塔的安装验收:在验收中需要仔细检查铁塔的立柱、横梁、横撑等主要构件的连接是否牢固,各部件之间的间距是否符合设计要求,确保铁塔的整体结构稳定。
4. 铁塔的涂装验收:在进行铁塔安装工程施工前验收时,还需要对铁塔的涂装进行验收。
验收人员应当检查铁塔的喷涂质量和涂层厚度是否符合要求,确保铁塔具有良好的防腐性能。
5. 铁塔的接地验收:铁塔的接地是为了保护设备和人员的安全,因此在验收中需要检查铁塔的接地装置是否符合要求,确保接地电阻小于规定值。
6. 铁塔的包装验收:最后,在进行铁塔安装工程施工前验收时,还需要对铁塔的包装进行验收。
验收人员应当检查铁塔的包装是否完好,确保铁塔在运输过程中不受损坏。
铁塔组⽴⼯艺要求及质量验评标准⼀、铁塔组⽴⼯艺要求1.1线路⽅向本⼯程铁塔基础的编号A、B、C、D以线路塔号递增⽅向,顺时针排序,即由灵州(⼩号)⾄绍兴(⼤号)⽅向,如图3-1所⽰。
绍兴图3-1 塔脚编号⽰意图铁塔与基础连接型式本标段铁塔与基础的连接采⽤⽔平塔脚板式及插⼊式⾓钢,基础半根开指地脚螺栓中⼼及插⼊⾓钢重⼼线⾄铁塔中⼼线的距离。
3.3.1 材质铁塔构件的钢种为Q235B、Q345B和Q420B;连接螺栓以热浸镀锌成品后的强度为标准来分级,M16、M20螺栓为6.8级,M24螺栓为8.8级;3.3.2 材料规格构件加⼯运输过程中采⽤单基包装。
必须在现场按图纸认真核对材料规格。
3.3.3 ⾦具挂点直线塔导线挂点考虑了单双挂两种挂线⽅式,加⼯时均按单双挂通⽤加⼯。
施⼯时应根据电⽓挂线⽅式安图组装。
3.3.4施⼯⽤孔本⼯程耐张塔及直线塔均设有施⼯⽤孔。
铁塔组⽴时,钢丝绳宜通过⼯具挂在施⼯孔上,不得直接缠绕在铁塔构件上,防⽌镀锌层脱落和损伤构件。
施⼯时不得随便增加受⼒点⽽造成⾓钢受弯的危险情况,严禁采⽤“⼆倍荷重”的起吊办法。
直线塔采⽤横担起吊导地线时应使前后侧起吊点同时均匀受⼒。
3.3.5 防卸螺栓与防松螺栓最短腿离地⾼10m以下的连接螺栓采⽤防卸螺栓;若在10m处遇有节点板或接头时,其上所有螺栓均使⽤防卸螺栓,防卸螺栓的规格和强度级别应与原施⼯图中相应的螺栓相同;铁塔除防卸螺栓、双螺母、防舞动外,其它单帽螺栓和脚钉均采⽤防松措施,配⼀帽、⼀垫、加⼀个薄螺母,并要求出扣,但挂线⾓钢处应采⽤双帽防松。
业主⽅或运⾏⽅有特殊要求的应按照业主⽅或运⾏⽅的要求。
3.4 脚钉安装规定:脚钉从基础顶⾯以上1.5m左右起装,间距⼀般按400mm,当某⼀个脚钉位于节点板、主材接头、塔⾝变坡等位置,上下脚钉间距不能满⾜标准400mm时,该脚钉上下相邻两个或三个脚钉间距之和需满⾜400mm的倍数;当脚钉代替螺栓时,脚钉级别应与被代螺栓等强度;脚钉型式采⽤防滑带弯钩型式。
中国联通广西分公司通信铁塔工程验收的具体要求为确保工程安全、优质的运行,中国联通广西分公司网络建设部,,根据通信铁塔工程相关的验收规范及设计要求,制定以下具体要求。
一、资料部分的验收:1、各铁塔厂家必须按站提供铁塔竣工技术文件。
2、铁塔竣工技术文件的内容包括:工程说明;工程开工报告单,已安装工程量总表,已安装设备、主材明细表,工程设计变更单,停(复)工通知单,重大质量事故报告单,随工检查记录(现场签证单),交工(中间交工)验收通知,交工(中间交工)验收证书,测试记录,竣工图纸,设备、主材交接单,设备、主材余料交接单,备忘录及附加资料。
3、附加资料内容包括:营业执照,铁塔生产、安装许可证,企业资质证书,特种作业人员操作证(焊工证,登高作业证)(复印件)。
铁塔所有材料(含地脚螺栓)的钢材材质证明(复印件)。
主要材料的送检及试验报告(包括力学性能检验和化学成分分析报告);电焊条的合格证,热镀锌螺栓的合格证;地脚螺栓的材质证明、检验报告及出厂合格证;铁塔试组装记录,焊接质量检验报告,射线探伤报告;镀锌质量检查报告及镀锌合格证;铁塔出厂合格证。
拉线塔除提供以上所需资料外,还需提供:预埋件的出厂合格证,拉线(含镀锌钢绞线,镀锌钢丝绳)的出厂合格证及检验报告,线夹、卡具、花篮螺栓等附件的出厂合格证。
(未注明的均为原件)4、采用铁塔厂家自行设计图纸生产安装的铁塔,必须按站名提供正式、完整的设计施工图。
二、材料部分:1、铁塔到站材料重量应符合设计要求(以到站材料过磅重量为准)。
2、铁塔到站材料数量应符合设计要求(铁塔安装完毕后各部位不缺件)。
3、铁塔到站材料规格应符合设计要求(用游标卡尺及钢卷尺抽件检查);要求材料无代换(以小代大、以薄代厚、以旧代新)。
如有替代须有设计方签字。
4、钢材表面镀锌层应光滑、均匀,无滴瘤、毛刺。
镀锌层厚度应符合设计要求,材料无过酸洗或露铁等现象。
5、材料自然弯曲不超过1∕750。
角钢准线及螺栓孔加工间距、边距等应符合设计及规范要求;材料火曲、制弯等特殊加工必须符合设计及规范要求。
3.2.4铁塔基础3.2.4.1铁塔基础施工应根据建设单位确定的征地范围,平整场地,根据施工图进行准确的定位放线,并确定±0.000相应的绝对标高,特殊位置应判断铁塔和机房地形摆布位置的安全性和可行性。
3.2.4.2根据放线要求和施工图规定进行基础人工开挖,开挖时若遇坚硬岩石,严禁采用爆破方法进行施工。
3.2.4.3基础开挖必须有施工单位的技术督导现场监督,及时核对当地的实际地质条件与地勘结果,若有偏差,需立即通知设计单位,对设计进行复核和变更。
3.2.4.4基坑(槽)开挖至设计要求深度,并预留相应的管道孔位后,由建设、铁塔设计、地勘、监理等有关人员进行现场验槽,经检验合格后应及时一次性浇筑砼垫层封闭地基,若有疑问或不符合要求应及时处理整改。
表3.2.4.4土方工程外形尺寸的允许偏差和检验方法3.2.4.5基础砼和钢材工程3.2.4.5.1基础用材料A水泥:宜用大厂水泥,进场水泥必须在保质期内,具有合格证,若对质量有疑问时,还应按质量标准进行抽检复验;B钢材:进场钢材必须具有出厂质量证明书并加盖销售红章和试验报告,并按检查标准进行抽样送检(进场一批抽验一批),合格后方能使用。
C模板:模板必须牢固,具有一定强度、刚度和稳定性,其支架的支承部分必须有足够的支承面积。
接缝应严密不漏浆,砼浇筑前应对木模板浇水湿润,钢模板应刷隔离剂。
模板内杂物泥土等应清理干净。
3.2.4.5.2钢材表面清洁:材料表面必须清洁除锈。
带有颗粒状或片状老锈,经除锈后仍留有麻点的钢材严禁按原规格使用。
3.2.4.5.3施工注意事项:砼浇筑前宜按设计标号进行试配,试配合格后施工单位技术人员应根据现场材料出具配合比通知单;钢筋在下料、成型等加工时,应自行检验,如发生脆断,焊接性能不良或力学性能不正常等现象,应立即停止加工并取样对该批钢材进行化学成份分析。
3.2.4.5.4钢材的规格、形状、尺寸、数量、间距、锚固长度、接头设置必须符合设计要求和施工规范的规定。
三方建设铁塔终验要求建议书
一、资料要求
项目终验前,工程部必须提交初验数据、根据初验数据评定的质量评估及下述竣工资料,资料经审核无误后,运维部组织各职能部门进行项目终验:
⒈工程说明
⒉承包单位资质证
⒊铁塔加工生产许可证
⒋铁塔生产出厂合格证
⒌铁塔主材,连接件材质检验报告和品种、质量检验单
⒍铁塔工艺检测报告
⒎铁塔试拼装记录
⒏开工报告
⒐铁塔安装自检报告
⒑铁塔安装质量检验记录
⒒铁塔工程安装总量表
⒓交工通知书
⒔设计变更单
⒕重大工程事故报告单
⒖隐蔽工程(工序)签证记录
⒗工程交接书
⒘验收证书
⒙竣工图纸
二、铁塔验收
⒈验收依据
(1)设计文件
(2)建设单位的有关技术要求
(3)有关订货合同和施工合同要求
(4)有关验收规范
附录:有关铁塔工程验收规范
⒈塔桅钢结构施工及验收规程(CECS80:96)
⒉微波铁塔技术条件(YD/T757—95)
⒊微波接力通信设备安装工程施工及验收技术规范(YD2012—94)
⒋钢结构工程施工质量验收规范(GB50205—2001)
⒌建筑结构荷载规范(GB50009—2001)
⒍混凝土结构工程施工质量验收规范(GB50204—2002)
⒎砌体工程施工质量验收规范(GB50203-2002)
⒏微波站防雷与接地设计规范(YD2011—93)
⒐移动通信基站防雷与接地设计规范(YD5068-98)
⒑建筑物防雷设计规范(GB50057-94)
⒉检验指标和记录
由验收技术组进行逐塔测试和记录(检验指标和记录见表6-1、表6-2、表6-3)。
铁塔验收时不得进行抽测,应全
部检查和测试。
⒊终验结论
由验收小组根据终验情况评定工程质量,并指出存在问题,移交工程部落实整改措施、时间,整改完毕后进行复查。
不合格的工程必须重新施工。
终验合格的签署终验证书。
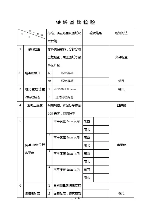
属地: 基站名称 基站代号
标准、误差范围及
图纸尺寸数据 验收结果 检测方法
1 资料检查 材料质保资料,分部分项
工程检查,竣工图纸等资 料应齐全
文件检查
2 塔基础根开 长 设计指标 钢尺 宽
设计指标
3
混凝土强度
钢筋规格、水泥标号 符合设计要求、有质保书
回弹仪 取样送检 4
各基础定位板 水平度
1
不平度在2mm 以内
东西 南北 2 不平度在2mm 以内
东西 南北 3 不平度在2mm 以内
东西 南北 4 不平度在2mm 以内
东西 南北
5
各塔脚标高
1
分别测量各塔脚支撑面 的标高,将其控制在设计标高±2.0mm 之内 钢尺
2 3 4
6 地角螺栓法兰 对角线偏差 1 ≤L/1500且<10mm L 是对角线距离
钢尺 2
7 地脚螺栓 伸出法兰面长度 α±10mm α为设计长度
观察 8 地脚螺栓相邻 之间偏差 ≤b/1500,且<10mm b 为塔脚跨距 钢尺 9 地脚螺栓位置 旋转偏差
≤±1.0mm
钢尺
测试人员: 验收结论: 存在问题:
验收小组人员(签字) 年 月 日
验
收 数
据
项
目
属地:基站名称基站代号
项
目
检验内容检验标准检验结果检测方法
1 塔体高度自地脚法兰面到塔顶(不含
避雷针高度)符合设计要求
经纬仪、钢尺
2 平台高度符合设计要求经纬仪、钢尺
3 垂直度
整体垂直度≤H/1500
相邻两层垂直度≤h/750
经纬仪
4 塔体截面
几何形状
对角线误差:
(D≤4m时) ≤±2.00mm
(D>4m时) ≤±3.00mm
相邻间距误差:
(b≤4m时) ≤±1.5mm
(b>4m时) ≤±2.5mm
钢卷尺
5 杆件弯曲≤L/750
6 构件质量螺孔不得用气割扩孔,在工
地制孔、组装符合规范要求
观察
7 焊缝外观不得有气孔、夹渣、裂纹、
焊瘤,表面光滑,焊透
观察
无损擦伤测试
8 焊缝质量检查测量或探伤,符合
钢结构技术规范
观察
探伤测试
9 螺栓丝扣外露2—3扣观察
10 螺栓预紧力≤M16 7 Kg/m
>M16 10 Kg/m
试验
11 镀锌外观
光滑,在连接处不允许有
毛刺、满瘤和多余结块,并
不得有过酸洗或露铁等缺陷。
观察
12
镀层厚度
和牢固度铁塔构件厚度<5mm时,镀锌厚
度≥65μm;铁塔构件厚度>5mm
时,镀锌厚度≥86μm,用 0.25
Kg小锤轻击铁塔构件时,不脱落。
磁性测厚仪
小锤轻击
铁塔主体检验
属地:基站名称基站代号
项
目
检验内容检验标准检验结果检测方法
13 天线加挂支柱支撑、挂高、垂度、方位
应符合设计要求,应与
钢塔结构构件牢固联结
钢尺或经纬仪
14 护笼、塔梯符合设计要求观察
15 馈线固定支架符合设计要求观察
16 馈线过桥架位置、强度应符合设计要求,
应与钢塔结构构件牢固联结
观察
17 避雷接地避雷引接线在避雷针底部和
接地体连接部应焊接牢固并
须防锈处理,塔体避雷引接
线安装整齐。
避雷针高度、
接地位置应符合设计要求
观察
18 塔灯供电线路应加避雷防护装置,观察
29 接地电阻铁塔地线与工作地、保护地在
地下联成一体,接地电阻<5Ω
(以设计文件为准)
地阻测试仪
20 塔脚包封铁塔竣工验收后,承包单位应
将塔脚按要求做包封处理
观察
测试人员:
验收结论:
存在问题:
验收小组人员(签字):
年月日。