等离子喷涂参数的选择
- 格式:wps
- 大小:92.00 KB
- 文档页数:6
等离子喷涂YSZ 热障涂层的耐腐蚀性能等离子喷涂YSZ热障涂层的耐腐蚀性能等离子喷涂(Plasma Spraying)是一种常用的方法,用于在高温环境下增强材料的耐腐蚀性能。
其中,采用YSZ(氧化锆稳定的钇)热障涂层(Thermal Barrier Coating,TBC)可以有效地提高材料的耐腐蚀性能。
下面将介绍等离子喷涂YSZ热障涂层的耐腐蚀性能。
首先,在等离子喷涂YSZ热障涂层的制备过程中,需要选择合适的YSZ粉末。
YSZ粉末的成分和颗粒大小对最终涂层的性能有着重要的影响。
因此,在选择YSZ粉末时,需要根据具体需求和使用环境来确定粉末的配比和颗粒大小。
其次,制备YSZ热障涂层的关键步骤是等离子喷涂过程。
在等离子喷涂过程中,需要将YSZ粉末加入到等离子喷涂枪中,通过高温等离子气体的作用,将YSZ粉末喷涂到基体材料上。
喷涂后的涂层需要经过烧结和冷却过程,以确保涂层的致密性和稳定性。
YSZ热障涂层的耐腐蚀性能主要取决于其微观结构和化学成分。
YSZ热障涂层具有较高的化学稳定性和耐热性,能够有效地抵抗高温氧化和腐蚀。
此外,YSZ热障涂层还具有较低的热导率,可以减少基体材料受到高温热应力的影响,提高基体材料的耐腐蚀性能。
然而,YSZ热障涂层在长期使用过程中仍然存在一定的腐蚀问题。
因此,在实际应用中,需要采取一些措施来进一步提高YSZ热障涂层的耐腐蚀性能。
例如,可以通过增加YSZ涂层的厚度或者在涂层表面加入其他抗腐蚀材料,如Al2O3等,来提高涂层的耐腐蚀性能。
总结起来,等离子喷涂YSZ热障涂层具有良好的耐腐蚀性能,可以在高温环境下有效地保护基体材料。
通过优化YSZ粉末的选择和等离子喷涂过程的控制,可以进一步提高YSZ热障涂层的耐腐蚀性能。
然而,在实际应用中仍需注意腐蚀问题,并采取相应的措施来加强涂层的防护能力。
热喷涂——等离子喷涂等离子喷涂属于热喷涂技术,它是将粉末材料送入等离子体(射频放电)中或等离子射流(直流电弧)中,使粉末颗粒在其中加速、熔化或部分熔化后,在冲击力的作用下,在基底上铺展并凝固形成层片,进而通过层片叠层形成涂层的一类加工工艺。
它具有生产效率高,制备的涂层质量好,喷涂的材料范围广,成本低等优点。
因此,近几十年来,其技术进步和生产应用发展很快,己成为热喷涂技术的最重要组成部分。
一、原理等离子喷涂是通过等离子喷枪来实现的,喷枪的喷嘴和电极分别接电源的正负极。
喷嘴和电极之间通入工作气体,借助高频火花引燃电弧。
电弧讲气体加热并使之电离,产生等离子弧,气体热膨胀由喷嘴喷出告诉等离子流。
送粉气管将粉末送入等离子射流中,被加热到熔融状态,并被等离子射流加速,以一定的速度喷射到经预处理基体表面形成涂层。
二、涂层和工艺技术特点1、 涂层结构特性等离子喷涂涂层组织细密,氧化物含量和孔隙率较低,涂层与基体间的结合以及涂层粒子间的结合形式除以机械结合为主外,还可产生微区结合和物理结合,涂层结合强度较高。
2、 工艺技术特点喷涂材料应用广泛,从低熔点的铝合金到高熔点的氧化锆都可以喷涂。
;涂层结合强度高,孔隙率低、氧化物夹杂少;设备控制精度高,可以制备精细涂层。
三、主要工艺参数1、 等离子气体的选用。
国内一般选用担当起或氩气作为等离子喷涂的主气,用氢气作为辅助气体。
喷涂高熔点材料如2ZrO 、23Al O 、W 等,主气应选氮气并混加少量氢气。
2、送分量送分量的大小是影响涂层组织结构和沉积效率的重要参数,若送粉量过大,不仅降低粉末沉积效率,还会增加涂层中孔洞和未熔融粒子的数量,导致涂层质量下降。
若送分量过小,除增大喷涂成本外,还可能造成零件过热,涂层开裂等不良后果。
四、等离子喷涂技术的应用等离子喷涂技术在耐磨涂层、耐蚀涂层等传统领域的应用已经较为广泛,从上世纪50 年代至今,其应用领域由航空、航天扩展到了钢铁工业、汽车制造、石油化工、纺织机械、船舶等领域。
水稳等离子喷涂是占据重要地位的气稳等离子喷涂的另一种选择。
它的优点突出:功率大、成本低、喷涂速度高。
在热喷涂技术向大产值和大批量迈进的形势下,这项技术开始受到更多的重视和应用。
一、概述早在八十年前,德国西门子公司的技术人员就提出了水稳等离子弧的概念。
尽管人们对这种电弧形式已认识很久,但对其性能及对该电弧工艺的控制却知之甚少。
上世纪50年代,欧洲的科学家对该项技术进行了大量的实验室研究,60年代末,水稳等离子工艺被最终用于切割和热喷涂。
目前,水稳等离子已成功地推向市场,应用于多种工业领域。
气稳等离子喷涂(非转移弧)所能提供的温度通常为8000°C ― 14000°C,每公斤等离子气所产生的焓值大体为1 ~ 100MJ/Kg。
由于弧室壁的热载荷的限制,提供再高的温度或更大的热焓值将非常困难。
水稳等离子弧则靠室壁蒸发而形成的,从而能够提供更高的温度及热焓。
迄今,市场上可提供的水稳等离子喷涂设备,其功率可达120 ~ 200Kw,最大温度可达50000度,每小时可喷涂近100公斤金属,30-60公斤陶瓷粉。
二、工作原理水稳等离子弧产生的基本原理如图1所示。
首先,水呈切线方向注入弧室从而产生水漩涡,起弧便发生在水漩涡的中心。
水漩涡内径的部分流入了出水孔。
传导弧心所散发的能量通过辐射、热传导和紊流导入水涡流的内侧。
于是,水的蒸发、热气的受热与电离便产生等离子弧。
水蒸发的速度与到达水表面的功率大小有关。
其它所转移的能量被弧束与水表面之间的蒸气所吸收,并产生热量进而使蒸气电离。
当然,一部分热能也随水而流走。
三、水稳等离子(LP)的特点当前工业上所采用的典型的水稳等离子(LP)喷涂设备是捷克布拉格等离子物理研究所指导开发的PAL160型。
该系统是由特殊形状的腔室、旋转冷却的阳极和自耗石墨阴极构成。
系统的核心是阴阳两极之间的起弧过程,起弧是靠切线方向输入的水流中央的金属丝打火所引发。
该过程依靠外层水流来冷却腔壁,而不必象气稳等离子弧那样,需要两套独立的工艺–稳弧与冷却。
等离子喷涂WC的参数主要包括喷涂电压、喷涂电流、喷涂气流量、喷涂距离和粉末粒度等。
这些参数的具体数值取决于喷涂的工艺要求和工件的材料特性。
喷涂电压:通常在30~80V之间,它决定了等离子弧的能量密度和焰流速度,从而影响粉末的熔化程度和涂层的结合强度。
喷涂电流:影响等离子弧的功率和温度,进而影响粉末的熔化质量和涂层的致密性。
电流过大可能导致喷涂层出现气孔或喷溅,电流过小则可能导致涂层结合不良。
喷涂气流量:用于控制喷涂粉末的输送速度和扩散范围,气流量过大会带走大量热量,影响熔化质量,气流量过小则可能导致喷涂层出现气孔或剥落。
喷涂距离:合适的喷涂距离可以保证焰流速度、温度和熔化粉末的质量,距离过大或过小都可能影响涂层的最终质量。
粉末粒度:粉末粒度的大小直接影响到涂层的致密性和结合强度,粒度过大会导致涂层粗糙,粒度过小则可能导致涂层出现气孔或剥落。
在实际操作中,需要根据工件的具体要求和工艺条件,通过试验确定最佳的参数组合,以保证获得高质量的等离子喷涂WC涂层。
等离子喷涂陶瓷等离子喷涂陶瓷是一种高新技术的表面处理方法,通过等离子喷涂技术将陶瓷材料喷涂在基材表面,形成一层坚硬、耐磨的陶瓷涂层。
这种涂层具有较高的硬度、耐磨性、耐腐蚀性和耐高温性能,可广泛应用于航空航天、汽车制造、化工等领域。
等离子喷涂陶瓷的制备过程主要包括材料准备、喷涂设备和工艺参数的选择以及后续处理等步骤。
首先,需要选择合适的陶瓷材料作为喷涂粉末。
目前常用的陶瓷材料有氧化铝、氮化硅、氧化锆等。
这些材料具有高熔点、高硬度和良好的耐腐蚀性能,适合用于制备耐磨涂层。
在喷涂设备方面,等离子喷涂机是关键设备。
等离子喷涂机采用等离子火花放电的原理,通过高温等离子体的作用将陶瓷粉末喷涂到基材表面。
这种技术具有喷涂速度快、陶瓷涂层密实均匀的优点,可以实现对复杂形状表面的喷涂。
在工艺参数选择方面,喷涂速度、喷涂距离、喷涂角度等参数的选择对于陶瓷涂层的质量具有重要影响。
合理选择这些参数可以保证陶瓷涂层的致密性和附着力,提高涂层的耐磨性和耐腐蚀性。
除了制备过程,等离子喷涂陶瓷后续的处理也非常重要。
通常会采用烧结和热处理等手段,进一步提高陶瓷涂层的性能和稳定性。
烧结是指将喷涂的陶瓷粉末在高温下熔结成致密的陶瓷涂层,提高涂层的硬度和耐磨性。
热处理则是指对陶瓷涂层进行退火、回火等热处理过程,消除残余应力,提高涂层的稳定性和耐腐蚀性。
等离子喷涂陶瓷涂层具有广泛的应用前景。
在航空航天领域,等离子喷涂陶瓷涂层可以用于制备航空发动机涡轮叶片、涡轮喷气嘴等高温部件,提高其耐磨性和耐高温性能。
在汽车制造领域,等离子喷涂陶瓷涂层可以用于制备发动机缸体、气门、活塞等零部件,提高其耐磨性和耐腐蚀性。
在化工领域,等离子喷涂陶瓷涂层可以用于制备化工设备的内衬,提高设备的耐腐蚀性和使用寿命。
等离子喷涂陶瓷涂层是一种具有广阔应用前景的表面处理技术。
通过合理选择材料、优化喷涂设备和工艺参数,以及后续的烧结和热处理等处理措施,可以制备出性能卓越的陶瓷涂层。
等离子喷涂参数(实用版)目录1.等离子喷涂简介2.等离子喷涂参数分类3.常见等离子喷涂参数及其影响4.参数选择与优化5.结论正文一、等离子喷涂简介等离子喷涂是一种表面技术,通过高速喷射等离子弧所产生的高温气流,将涂层材料熔化并喷射到基材表面,形成一种具有良好性能的涂层。
等离子喷涂技术广泛应用于机械、电子、航空航天等领域,以提高材料表面的耐磨、耐腐蚀、抗氧化等性能。
二、等离子喷涂参数分类等离子喷涂参数主要包括以下几个方面:1.喷射速度:指等离子弧喷射的速度,单位为米/秒。
2.喷嘴与基材距离:指喷嘴与基材表面之间的距离,一般用毫米表示。
3.气体流量:指喷射等离子弧所需的气体流量,单位为升/分钟。
4.弧电压:指等离子弧的电压,单位为伏特。
5.弧电流:指等离子弧的电流,单位为安培。
6.喷涂时间:指涂层形成的时间,单位为秒。
三、常见等离子喷涂参数及其影响1.喷射速度:喷射速度的快慢会影响涂层的密度和厚度。
速度过快会导致涂层不均匀,速度过慢则会使涂层过厚,影响涂层的性能。
2.喷嘴与基材距离:喷嘴与基材距离的远近会影响涂层的均匀性和结合力。
距离过近会导致涂层过厚,距离过远则会使涂层不均匀。
3.气体流量:气体流量的大小会影响等离子弧的稳定性和涂层的质量。
流量过大或过小都会使等离子弧不稳定,影响涂层的性能。
4.弧电压和弧电流:弧电压和弧电流的大小会影响等离子弧的能量和温度,进而影响涂层的性能。
电压和电流过大或过小都会使涂层性能不佳。
5.喷涂时间:喷涂时间的长短会影响涂层的厚度和性能。
时间过短会导致涂层过薄,时间过长则会使涂层过厚。
四、参数选择与优化在等离子喷涂过程中,需要根据实际需求和基材特性选择合适的参数。
通常采用试验优化的方法,通过多次试验找到最佳参数组合,以获得最佳涂层性能。
五、结论等离子喷涂参数对涂层性能具有重要影响,选择合适的参数可以提高涂层的耐磨、耐腐蚀、抗氧化等性能。
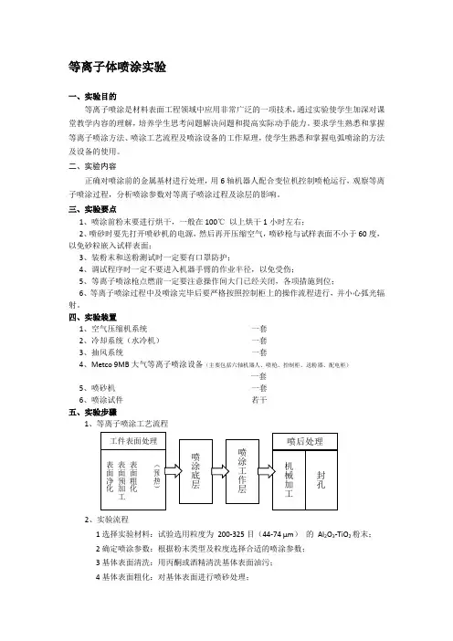
等离子体喷涂实验一、实验目的等离子喷涂是材料表面工程领域中应用非常广泛的一项技术,通过实验使学生加深对课堂教学内容的理解,培养学生思考问题解决问题和提高实际动手能力。
要求学生熟悉和掌握等离子喷涂方法、喷涂工艺流程及喷涂设备的工作原理,使学生熟悉和掌握电弧喷涂的方法及设备的使用。
二、实验内容正确对喷涂前的金属基材进行处理,用6轴机器人配合变位机控制喷枪运行,观察等离子喷涂过程,分析喷涂参数对等离子喷涂过程及涂层的影响。
三、实验要点1、喷涂前粉末要进行烘干,一般在100℃以上烘干1小时左右;2、喷砂时要先打开喷砂机的电源,然后再开压缩空气,喷砂枪与试样表面不小于60度,以免砂粒嵌入试样表面;3、装粉末和送粉测试时一定要有口罩防护;4、调试程序时一定不要进入机器手臂的作业半径,以免受伤;5、等离子喷涂枪点燃前一定要注意操作间大门已经关闭,各项措施到位;6、等离子喷涂过程中及喷涂完毕后要严格按照控制柜上的操作流程进行,并小心弧光辐射。
四、实验装置1、空气压缩机系统一套2、冷却系统(水冷机)一套3、抽风系统一套4、Metco 9MB大气等离子喷涂设备(主要包括六轴机器人、喷枪、控制柜、送粉器、配电柜)一套5、喷砂机一套6、喷涂试件若干五、实验步骤1、等离子喷涂工艺流程2、实验流程1选择实验材料:试验选用粒度为200-325目(44-74 μm)的Al2O3-TiO2粉末;2确定喷涂参数:根据粉末类型及粒度选择合适的喷涂参数;3基体表面清洗:用丙酮或酒精清洗基体表面油污;4基体表面粗化:对基体表面进行喷砂处理;5粉末进送粉器: 将事先准备好的粉末装进送粉器中;6调试喷涂程序:将处理好的试样装在夹具上,调试机器人程序,准备喷涂;7等离子喷涂:先用等离子枪预热基体,然后送粉,喷涂。
8涂层后处理:一般包括精加工、重熔、封孔处理等。
9 涂层性能测试:一般包括结合强度、孔隙率、硬度、抗热震性能、耐磨性等。
六、实验原理1、等离子喷涂设备的工作原理等离子弧喷涂是利用非转移等离子弧作为热源,把难熔的金属或非金属粉末材料送入弧中快速熔化,并以极高的速度将其喷散成极细的颗粒撞击到工件表面上,从而形成一很薄的具有特殊性能的涂层。
Metco F4MB-XL 系列等离子喷枪操作特别可靠,客户可放心使用。
用于 Metco F4MB-XL 系列喷枪的欧瑞康美科配件系生产于我公司ISO 9001 认证工厂,生产过程质量把控严格。
高品质备件经设计,使用寿命长、安全性高,可确保高效生产和重复喷涂。
1 基本说明Metco F4MB-XL 系列等离子喷枪是一种机装型、多用途大气等离子喷枪,适用于外表面喷涂。
Metco F4MB-XL 系列等离子喷枪可采用氩、氢和氦等离子气体组合进行操作。
还可针对氮和氮氢等离子混合气体,配装特殊喷嘴。
喷枪硬件采用多用途、安全和便捷操作设计。
喷枪电缆接头分左右线路,可消除意外(正、负)极性倒转造成的喷枪严重损坏。
连接处封闭在喷枪罩壳内,从而将其与热喷涂环境隔开,同时避免操作员触电。
水用作冷却介质。
可施用许多多层材料,而无需在粘结层和面层之间更换各种硬件。
Metco F4MB-XL 系列喷枪经设计可在高达 55 kW 功率下高效操作。
与可兼容的欧瑞康美科等离子控制器配套运行时,欧瑞康美科等离子控制器会对电功率、等离子气体压力与流量、喷枪冷却水温度与流量及空气压力进行持续监测和控制。
该系列喷枪为多种材料高完整性涂层,包括金属、合金、陶瓷、碳化物、金属陶瓷、封严材料、复合材料、混合材料,以及欧瑞康美科提供用于大气等离子喷涂的广泛综合材料。
产品说明书Metco F4MB-XL 系列Metco ™ F4MB-XL 系列等离子喷枪是欧瑞康美科F4MB 最新一代产品。
F4MB 大气等离子喷枪采用机械安装,数十年来深受客户喜爱。
其最新一代产品经重新设计后,稳定性更好,同时还保留其所有原有优点。
Metco F4MB-XL 系列等离子喷枪经设计,性能可靠,同时有效利用等离子喷涂工艺性能,可带来符合或超越许多原始设备制造商规格要求的高质量涂层。
采用高性能和灵活性设计,Metco F4MB-XL 系列等离子喷枪符合欧洲CE 设备安全要求。
《大气等离子喷涂Al2O3-MgAl2O4多层型涂层及其介电性能》篇一一、引言随着现代工业技术的不断发展,涂层技术已成为提高材料性能和延长设备使用寿命的重要手段。
其中,大气等离子喷涂技术因其高效、快速、高质量的特点,在众多领域得到了广泛应用。
本文将重点研究大气等离子喷涂Al2O3-MgAl2O4多层型涂层的制备工艺及其介电性能。
二、Al2O3-MgAl2O4多层型涂层的制备1. 材料选择选用高纯度的Al2O3和MgAl2O4粉末作为涂层材料。
这两种材料具有优异的物理和化学性能,如高硬度、高耐磨性、良好的绝缘性能等,使得它们成为制备涂层的理想选择。
2. 喷涂工艺采用大气等离子喷涂技术制备Al2O3-MgAl2O4多层型涂层。
该技术通过高能等离子焰流将涂层材料加热至熔融或半熔融状态,然后喷射到基体表面,形成涂层。
在喷涂过程中,通过控制喷涂参数(如喷枪距离、喷涂速度、喷涂角度等),可得到质量良好的涂层。
3. 多层结构制备为提高涂层的性能,采用多层结构制备方法。
在喷涂过程中,交替喷涂Al2O3和MgAl2O4层,形成多层结构。
每层的厚度和层数根据实际需求进行设计。
三、介电性能研究1. 介电常数与损耗角正切对制备的Al2O3-MgAl2O4多层型涂层进行介电性能测试。
测试结果表明,该涂层具有较低的介电常数和损耗角正切,表明其具有良好的绝缘性能。
2. 频率与温度对介电性能的影响在不同频率和温度条件下,对涂层的介电性能进行测试。
结果表明,涂层的介电性能在不同频率和温度下均表现出较好的稳定性。
四、结果与讨论1. 涂层结构与性能关系通过SEM、XRD等手段对涂层结构进行分析,发现多层结构能够有效提高涂层的致密性和硬度,进而提高其耐磨性和绝缘性能。
此外,Al2O3和MgAl2O4的复合使用使得涂层具有更好的综合性能。
2. 介电性能优化途径为进一步提高涂层的介电性能,可通过优化喷涂参数、调整材料配方、引入纳米材料等方法对涂层进行改进。
等离子喷涂过程基体温度场分布的数值模拟嘿,朋友!今天咱们来聊聊等离子喷涂过程中基体温度场分布的数值模拟这个有趣的话题。
您知道吗?等离子喷涂就像是一场精心编排的热舞,而基体温度场分布的数值模拟就是这场舞蹈的编舞者。
想象一下,在一个巨大的舞台上,等离子束就像是热情奔放的舞者,它们与基体相遇的瞬间,释放出巨大的能量和热量。
这时候,数值模拟就登场啦!它就像是一双锐利的眼睛,能够捕捉到每一个微小的温度变化,每一丝热量的流动。
它把这复杂的热传递过程,转化成了一组组精确的数据和生动的图像。
比如说,当等离子束冲向基体时,温度会瞬间飙升,就像火箭升空一样迅猛。
那温度的分布可不是均匀的哟,有的地方热得像火炉,有的地方却相对凉爽,这就好比是夏日里的海滩,有的地方阳光直射,烫得能煎鸡蛋,有的地方却有阴凉可躲。
而数值模拟能告诉我们,哪里是“火炉”,哪里是“阴凉”。
这可太重要啦!如果我们不了解这些,就好比在黑暗中摸索,怎么能做出完美的喷涂效果呢?通过数值模拟,我们能提前预测到可能出现的问题。
比如,温度过高可能导致基体变形,就像把一块柔软的橡皮泥放在火上烤,结果变得歪歪扭扭。
温度过低呢,涂层又可能结合不牢固,就像贴在墙上的纸,轻轻一撕就掉下来了。
您想想,如果没有数值模拟,我们就只能一次次地尝试,一次次地犯错,那得浪费多少时间和材料啊!数值模拟还能帮助我们优化喷涂工艺。
就像一个厨师,通过不断调整火候和配料,做出最美味的菜肴。
我们可以根据模拟结果,调整等离子束的功率、喷涂的速度和角度等等,让基体的温度分布恰到好处。
总之,等离子喷涂过程基体温度场分布的数值模拟,可不是什么高深莫测、遥不可及的东西。
它就像是我们的得力助手,帮助我们在等离子喷涂的道路上越走越稳,越走越顺。
让我们能够更加精准地掌控温度,创造出更加优质、可靠的喷涂产品。
难道您不觉得这是一项超级厉害的技术吗?。
微束等离子喷涂工艺参数对HA粒子扁平化和涂层结晶度影响王楠;王国红;贺定勇【摘要】采用微束等离子喷涂方法在Ti-6Al-4V基体上制备了羟基磷灰石(Hydroxyapatite,HA)扁平粒子和涂层,研究喷涂距离(70mm、80mm、90mm)对HA粒子扁平化和涂层相结构以及结晶度影响.结果表明:微束等离子喷涂制备的HA 扁平粒子形貌主要为圆盘状.在研究范围内,随着喷涂距离的增加,粒子熔化程度增加,涂层更加致密,涂层的结晶度随着喷涂距离的增加依次降低,分别为90.3%、89.5%和85.6%.【期刊名称】《热喷涂技术》【年(卷),期】2016(008)001【总页数】5页(P39-43)【关键词】微束等离子喷涂;羟基磷灰石;扁平粒子【作者】王楠;王国红;贺定勇【作者单位】北京工业大学材料科学与工程学院,北京100124;北京市生态环境材料及其评价工程技术研究中心,北京100124;北京工业大学材料科学与工程学院,北京100124;北京市生态环境材料及其评价工程技术研究中心,北京100124【正文语种】中文【中图分类】TG174.4羟基磷灰石具有与人体骨和牙齿主要矿物质成分类似的化学组成和晶体结构,有优良的生物相容性和生物活性,在骨组织修复和外科植入物医学领域中被广泛研究和应用[1-2]。
在医用金属基材上沉积HA涂层,可兼具金属优良的力学性能和HA良好的生物活性[3]。
HA涂层制备技术中,大气等离子喷涂因沉积率和经济性较高而应用广泛,而且工艺成熟,存在的问题是等离子体高温焰流作用下导致HA容易分解为磷酸四钙(TTCP)、磷酸三钙(TCP)和氧化钙(CaO),以及喷涂过程中熔化颗粒在基体上沉积时的急冷会导致部分非晶态的磷酸钙(ACP)形成[4]。
通常,具有高结晶度的HA涂层稳定性好,而喷涂粒子的受热和扁平过程决定了涂层的晶体结构[5-6],涂层中非晶相ACP的形成主要与粒子飞行过程中的脱羟基程度、粒子撞击到基体后的冷却速度和基体的温度等相关[7]。
等离子喷涂参数的选择
1. 气参数(流量)
主气的流量是重要的工艺参数之一,它直接影响到等离子焰流的热焓和速度,继而影响喷涂效率和涂层孔隙率等。
当喷涂功率一定时,主气流量过大或过小均会导致喷涂效率的降低和涂层孔隙率的增加(热喷涂与再制造)。
气流量过大,离子浓度减少,过量的气体会冷却等离子的焰流,不利于粉末的加热,粉末熔化不充分,使喷涂效率降低,涂层组织疏松,孔隙率增加;反之主气流量太小,会使焰流软弱无力,次级气在工作气体中的相对含量增加,造成射流热焓和温度的提高,使喷涂粉末过熔。
次级气的流量变化主要反映在喷涂电压的变化上。
送粉气的压力和流量对涂层质量的影响也很大。
对外送粉喷枪而言,送粉气对涂层质量的影响尤其严重。
如图所示,送粉气压力和流
量过小会使粉末难以到达焰流中心,过大则会使粉末穿过射流中心,产生严重的“边界效应”,致使涂层疏松,结合强度降低。
对于内送粉喷枪而言,送粉气压力和流量过大同样不能把粉末送入焰心,若过小,则易造成堵塞喷嘴,严重时则会烧坏喷嘴(热喷涂与再制造)。
若要很大送粉气压力和流量才能把粉末送入焰心,则须检查供粉系统的气密性,是否漏气。
所以送粉气的压力和流量应根据送粉量的大小、粉末的比重、粉末的流动性以及供粉系统的性能、射流的功率和刚性来选取。
(a) 送粉气压力和流量过大
(b) 送粉气压力
和流量正好
(c) 送粉气压
力和流量过小
送粉气流量大小对送粉效果的影响
2. 电参数
(1)功率
输入功率大小首先要满足能够将粉末熔化良好。
形成涂层的粉末所需的热功率应为:
式中:Gf——单位时间的送粉量
T0,Tm,Tr——粉末原始温度、粉末熔点和粉末过热的温度;
Cs,Cm——粉末固态和熔态的比热;
Hr——熔融粉末材料在Tr下的热焓增量。
根据等离子焰流能量利用系数ηf,可估算出喷嘴出口处等离子体的热功率qp:
最后按喷枪效率η,可估算出所需输入的功率P:
式中:0.24——电能转变为热能的系数
一般来说,采用较高的功率值比较好。
一般等离子喷涂常用的功率为20~35 kW,而HEPJet高效能超音速等离子喷涂常用的功率为45~65 kW。
(2)电压和电流
等离子弧电压是由喷枪结构和工作气体决定的。
可以通过调节阴极与喷嘴间的距离和变化工作气体的成分来调节弧电压(热喷涂与再制造)。
在已选定喷枪结构和主气体流量为一定值的情况下,电压与电流的调节可以通过改变电源调节器和H2流量来进行调节。
应当注意的是当改变电压或电流时,主气的流量也会相应的有些变化,因此为了保证稳定的喷涂参数,当调节电压和电流时要适时的调节并维持主气流量不变。
功率确定后,应尽可能选用较高电压和较低电流,这样有利于提高喷枪热效率。
3. 喷涂距离
喷涂距离是指喷嘴端面到基体表面的直线距离。
粉末在等离子焰流中加热和加速都需要一段时间,因此应有一个合适的喷涂距离,喷涂距离过近,会因粉末加热时间短,撞击变形不充分而影响涂层质量,还会使零件受等离子焰流的影响而温度升高快、出现严重氧化,造成涂层脱落(热喷涂与再制造)。
喷涂距离过远又会使已经加热到熔融状态的粉末在与零件接触时冷了下来,飞行速度也开始降低,同样影响涂层质量,喷涂效率会明显降低。
等离子喷涂的喷涂通常为70-150mm。
4. 送粉速率
送粉速率指单位时间的送粉量,它直接影响到喷涂效率和涂层质量。
送粉量应当与热源参数相匹配。
对于同种牌号同种粒度的粉末,在不同的送粉量下,应当施加不同的输入功率。
当送粉量不变时,如果热源功率参数过小,则粉末熔化不良,涂层中夹杂的生粉多,粉末撞击工件时变形不充分,并有较多的粉末弹跳损失,沉积效率低,涂层质量下降。
反之若热源功率参数过大,虽然粉末的熔化和撞击变形良好,但粉末受热氧化烧蚀严重,涂层中夹着较多的烟尘,熔化粒子飞溅严重,同样会使沉积效率降低,涂层质量下降(热喷涂与再制造)。
因此,对于一定牌号一定粒度组成的粉末,送粉量的大小和热源参数要相适应。
5. 喷涂角度
喷涂角度指的是喷涂射流轴线与基体表面切线的夹角。
喷涂角度
一般为60°~80°,喷涂角度不小于45°时,对涂层的结构和沉积效率不会产生太大的影响。
一般认为,喷角小于30°是不允许喷涂的。
当喷涂角度太小,细小的粉末微粒粘结在喷涂表面上时,阻碍继续喷上去的粒子,结果在其后面形成一种“掩体”,这样就会形成具有许多不规则空穴的多孔涂层(热喷涂与再制造)。
这种孔穴不仅减弱涂层强度,而且会从喷射流中聚集含有高氧化物的细微物质,改变涂层的化学成份。
“阴影效应”示意图
当喷涂角度小于45°时,喷涂的“遮蔽效应”便会出现,影响涂层的层间结合,且大幅度降低涂层与基体的结合强度。
6. 喷涂工件的预热与温度控制
在冬季或结构较复杂的零部件、内孔件喷涂前要进行预热,预热温度一般在80~150 ℃之间。
目的是为了去除基体表面的潮气、改善基体表面的活化状态、降低喷涂颗粒至基体表面时的冷却速度、减轻喷涂粒子冷却时产生的热应力等。
喷涂工件在喷涂过程中要控制温升。
既要控制整个工件的温度,最高不超过200 ℃,更要防止喷涂部位局部过热。
与整体过热相比,局部过热对涂层的影响更大,尤其在制备陶瓷涂层时,涂层非常容易开裂(热喷涂与再制造)。
通常采用辅助吹风冷却来控制工件的温度。
7. 喷枪的移动速度
喷枪移动速度一般以束流斑点的直径为依据。
因为不同的喷涂工艺方法,其束流斑点直径是不同的,通常取压盖斑点的30%~50%,不能小于30%。
喷枪的移动速度确定后还要与工件的旋转线速度相匹配,使每遍喷涂的涂层厚度达到要求。
在一定送粉量下喷枪移动速度或喷枪与工件的相对速度的慢与快,意味着单位时间内,喷枪扫过工件面积的多少或每次喷涂层的厚度,所以调节喷枪的移动速度实际上是控制每次喷涂层的厚度。
每次喷涂的厚度不宜太厚。
一般情况下,对于使用厚度在0.15 mm以下的薄涂层,每次喷涂的涂层厚度不要超过0.02 mm(热喷涂与再制造)。
此外喷枪移动速度对工件的温升也有影响,为不使基体局部温升过高而造成热变形或热应力过大,可采取略提高工件线速度的方法来加快喷枪的移动速度。
8. 喷涂气氛控制
喷涂过程中,飞行的颗粒会与燃气或大气等接触发生反应,造成涂层中含有氧化物夹杂,其产生与热源的气氛和大气环境的影响都有关系(热喷涂与再制造)。
采用一些低压气氛喷涂可改善粒子的氧化程度,例如低压等离子喷涂,它可用于制备易氧化的金属及其合金材料涂层;采用惰性气体对粒子束进行保护。
整个喷涂环境中,粉尘是不可避免的,要做好整个环境的通风除尘工作,最大程度上减轻涂层中的夹杂给其带来的影响。