扣件扭力测试记录
- 格式:doc
- 大小:45.50 KB
- 文档页数:1
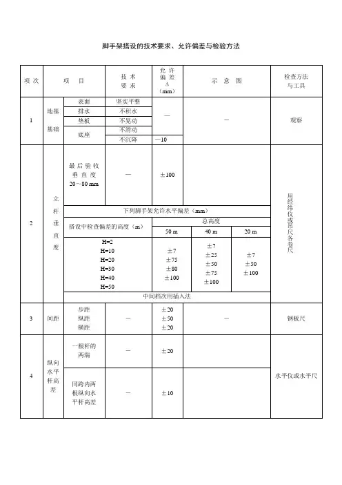
钢管脚手架扣件扭力矩检查表工程名称:时间:备注;拧紧扭力矩宜为50-60N.m,并不小于40N.m,且不得大于65N.m钢管脚手架扣件扭力矩检查表工程名称:南平一中江南分校8#-11#楼工程时间:备注;拧紧扭力矩宜为50-60N.m,并不小于40N.m,且不得大于65N.m钢管脚手架扣件扭力矩检查表工程名称:南平一中江南分校8#-11#楼工程时间:备注;拧紧扭力矩宜为50-60N.m,并不小于40N.m,且不得大于65N.m钢管脚手架扣件扭力矩检查表工程名称:南平一中江南分校8#-11#楼工程时间:备注;拧紧扭力矩宜为50-60N.m,并不小于40N.m,且不得大于65N.m钢管脚手架扣件扭力矩检查表工程名称:南平一中江南分校8#-11#楼工程时间:备注;拧紧扭力矩宜为50-60N.m,并不小于40N.m,且不得大于65N.m钢管脚手架扣件扭力矩检查表工程名称:南平一中江南分校8#-11#楼工程时间:备注;拧紧扭力矩宜为50-60N.m,并不小于40N.m,且不得大于65N.m钢管脚手架扣件扭力矩检查表工程名称:南平一中江南分校8#-11#楼工程时间:备注;拧紧扭力矩宜为50-60N.m,并不小于40N.m,且不得大于65N.m钢管脚手架扣件扭力矩检查表工程名称:南平一中江南分校8#-11#楼工程时间:备注;拧紧扭力矩宜为50-60N.m,并不小于40N.m,且不得大于65N.m钢管脚手架扣件扭力矩检查表工程名称:南平一中江南分校8#-11#楼工程时间:备注;拧紧扭力矩宜为50-60N.m,并不小于40N.m,且不得大于65N.m钢管脚手架扣件扭力矩检查表工程名称:南平一中江南分校8#-11#楼工程时间:备注;拧紧扭力矩宜为50-60N.m,并不小于40N.m,且不得大于65N.m钢管脚手架扣件扭力矩检查表工程名称:南平一中江南分校8#-11#楼工程时间:备注;拧紧扭力矩宜为50-60N.m,并不小于40N.m,且不得大于65N.m钢管脚手架扣件扭力矩检查表工程名称:南平一中江南分校8#-11#楼工程时间:备注;拧紧扭力矩宜为50-60N.m,并不小于40N.m,且不得大于65N.m钢管脚手架扣件扭力矩检查表工程名称:南平一中江南分校8#-11#楼工程时间:备注;拧紧扭力矩宜为50-60N.m,并不小于40N.m,且不得大于65N.m钢管脚手架扣件扭力矩检查表工程名称:南平一中江南分校8#-11#楼工程时间:备注;拧紧扭力矩宜为50-60N.m,并不小于40N.m,且不得大于65N.m钢管脚手架扣件扭力矩检查表工程名称:南平一中江南分校8#-11#楼工程时间:备注;拧紧扭力矩宜为50-60N.m,并不小于40N.m,且不得大于65N.m钢管脚手架扣件扭力矩检查表工程名称:南平一中江南分校8#-11#楼工程时间:备注;拧紧扭力矩宜为50-60N.m,并不小于40N.m,且不得大于65N.m。
XXXXXXXX 有限公司
扭力测试报告
客 户 国华新材料 产品名称 M6X18.5螺杆 产品材质
PEI 2300
测试设备
数显扭力仪
测试方法
1.将产品拧在对应的铝板上,使用相应的螺母将产品锁死。
(固定位置在产品五金处);
2.用对应的六角(T10)配合数显扭矩起子测试(测试前先归零,扭力仪垂直向右旋转锁紧);
3.当数显扭力仪数值不在上升时停止测试(或产品发生断裂或者滑牙);
4.测试完之后从指示器上读出相应的扭力数据。
判定标准
1.扭力大小按照SIP 及客户要求来判断 测试数据
编号
1#
2#
3#
4#
5#
6#
7#
8#
9#
10#
数值 1.250N 1.218N 1.203N 1.294N 1.232N 1.154N 1.142N 1.129N
备注
数值
测试图片
测试前
测试中
测试后
备 注 测试后目视判定:五金和塑胶结合位置破裂,测试值见上图。
判定结果
待定
测试人 确 认 日 期 2022/8/30
表单编号:FM-QA-024
扭力测试
1.250 N 1.218 N 1.203 N
1.294 N
1.232 N
1.154 N 1.142 N 1.129 N
0.90 N
1.05 N 1.20 N 1.35 N 1.50 N
1#2#
3#4#5#6#7#
8#9#10#
1.294 N
1.129 N
1.203 N
最大值最小值平均值
产品拧在对应的铝板上
用相应的螺母锁紧产品
测试后状态。
钢管脚手架扣件扭力矩查抄表之五兆芳芳创作工程名称:时间:
钢管脚手架扣件扭力矩查抄表
工程名称:南平一中江南分校8#-11#楼工程时间:
钢管脚手架扣件扭力矩查抄表
工程名称:南平一中江南分校8#-11#楼工程时间:
钢管脚手架扣件扭力矩查抄表
工程名称:南平一中江南分校8#-11#楼工程时间:
钢管脚手架扣件扭力矩查抄表
工程名称:南平一中江南分校8#-11#楼工程时间:
钢管脚手架扣件扭力矩查抄表
工程名称:南平一中江南分校8#-11#楼工程时间:
钢管脚手架扣件扭力矩查抄表
工程名称:南平一中江南分校8#-11#楼工程时间:
钢管脚手架扣件扭力矩查抄表
工程名称:南平一中江南分校8#-11#楼工程时间:
钢管脚手架扣件扭力矩查抄表
工程名称:南平一中江南分校8#-11#楼工程时间:
钢管脚手架扣件扭力矩查抄表
工程名称:南平一中江南分校8#-11#楼工程时间:
钢管脚手架扣件扭力矩查抄表
工程名称:南平一中江南分校8#-11#楼工程时间:
钢管脚手架扣件扭力矩查抄表
工程名称:南平一中江南分校8#-11#楼工程时间:
钢管脚手架扣件扭力矩查抄表
工程名称:南平一中江南分校8#-11#楼工程时间:
钢管脚手架扣件扭力矩查抄表
工程名称:南平一中江南分校8#-11#楼工程时间:
钢管脚手架扣件扭力矩查抄表
工程名称:南平一中江南分校8#-11#楼工程时间:
钢管脚手架扣件扭力矩查抄表
工程名称:南平一中江南分校8#-11#楼工程时间:。