钢管脚手架扣件扭力矩检查表
- 格式:doc
- 大小:604.50 KB
- 文档页数:16
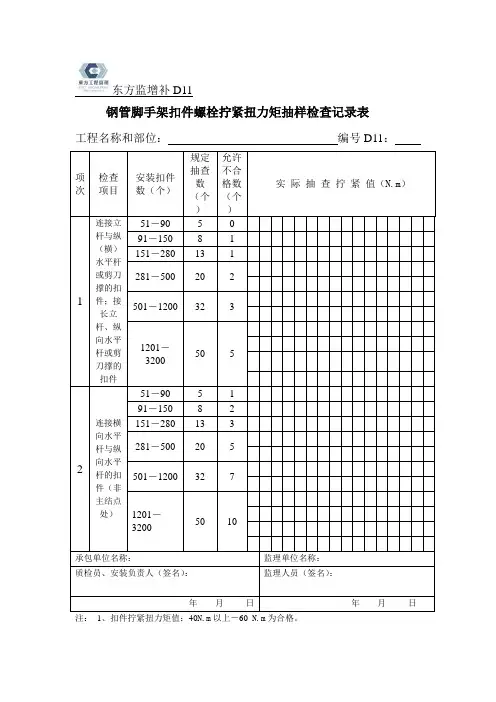
东方监增补D11钢管脚手架扣件螺栓拧紧扭力矩抽样检查记录表工程名称和部位:编号D11:项次检查项目安装扣件数(个)规定抽查数(个)允许不合格数(个)实际抽查拧紧值(N.m)1 连接立杆与纵(横)水平杆或剪刀撑的扣件;接长立杆、纵向水平杆或剪刀撑的扣件51-90 5 091-150 8 1151-280 13 1281-500 20 2501-1200 32 31201-320050 52 连接横向水平杆与纵向水平杆的扣件(非主结点处)51-90 5 191-150 8 2151-280 13 3281-500 20 5501-1200 32 71201-320050 10承包单位名称:监理单位名称:质检员、安装负责人(签名):监理人员(签名):年月日年月日注:1、扣件拧紧扭力矩值:40N.m以上-60 N.m为合格。
东方监增补D11 钢管脚手架扣件螺栓拧紧扭力矩抽样检查记录表该表用于施工扣件钢管脚手架扣件螺栓拧紧扭力矩抽样检查记录表。
1、本表设计为方便监理人员随机抽查安装后的扣件螺栓拧紧扭力矩,便于对照抽检数量及允许不合格率。
2、本表执行依据::《建筑施工扣件钢管脚下手架安全技术规范》JGJ130-2011,8.2.5条规定:安装后的扣件螺栓拧紧扭力矩应采用扭力板手检查,抽样方法应按随机分布原则进行。
抽样检查数目与质量判定标准,应按表8.2.5的规定确定。
不合格的必须重新拧紧,直至合格为止。
表8.2.5扣件拧紧抽样检查数量与质量判定标准4、对高度超过8m,或跨度超过18 m,或施工总荷载大于10kN/m2,或集中线荷载大于15kN/m的模板支架,梁底水平杆与立杆连接扣件螺栓拧紧扭力矩应全数检查。
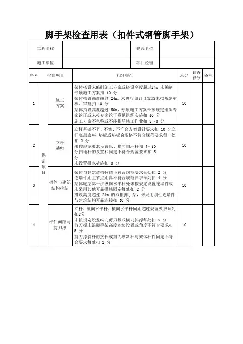
钢管脚手架扣件拧紧扭力矩检查表
工程名称:日期:
注:1、根据JGJ130-2001《建筑施工扣件式钢管脚手架安全技术规范》表825:扣件拧紧抽样检查数目及质量判断标准要求,填写拧紧力矩,螺栓拧紧扭力矩不应小于 40N.m,且不应大于65N.m。
2、检查从脚手架左至右起进行,验收应 1〜3排或1〜4 排,每次验收时必须根据要求执行、记录此表。
3、高大支模梁底扣件全面检查,不合格重拧、双倍复检,不合格率达到10%全面检查。
附件:
JGJ130-2001《建筑施工扣件式钢管脚手架安全技术规范》
表825 扣件拧紧抽样检查数目及质量判定标准。
钢管脚手架扣件扭力矩检查表工程名称:时间:备注;拧紧扭力矩宜为50-60N.m,并不小于40N.m,且不得大于65N.m钢管脚手架扣件扭力矩检查表工程名称:南平一中江南分校8#-11#楼工程时间:备注;拧紧扭力矩宜为50-60N.m,并不小于40N.m,且不得大于65N.m钢管脚手架扣件扭力矩检查表工程名称:南平一中江南分校8#-11#楼工程时间:备注;拧紧扭力矩宜为50-60N.m,并不小于40N.m,且不得大于65N.m钢管脚手架扣件扭力矩检查表工程名称:南平一中江南分校8#-11#楼工程时间:备注;拧紧扭力矩宜为50-60N.m,并不小于40N.m,且不得大于65N.m钢管脚手架扣件扭力矩检查表工程名称:南平一中江南分校8#-11#楼工程时间:备注;拧紧扭力矩宜为50-60N.m,并不小于40N.m,且不得大于65N.m钢管脚手架扣件扭力矩检查表工程名称:南平一中江南分校8#-11#楼工程时间:备注;拧紧扭力矩宜为50-60N.m,并不小于40N.m,且不得大于65N.m钢管脚手架扣件扭力矩检查表工程名称:南平一中江南分校8#-11#楼工程时间:备注;拧紧扭力矩宜为50-60N.m,并不小于40N.m,且不得大于65N.m钢管脚手架扣件扭力矩检查表工程名称:南平一中江南分校8#-11#楼工程时间:备注;拧紧扭力矩宜为50-60N.m,并不小于40N.m,且不得大于65N.m钢管脚手架扣件扭力矩检查表工程名称:南平一中江南分校8#-11#楼工程时间:备注;拧紧扭力矩宜为50-60N.m,并不小于40N.m,且不得大于65N.m钢管脚手架扣件扭力矩检查表工程名称:南平一中江南分校8#-11#楼工程时间:备注;拧紧扭力矩宜为50-60N.m,并不小于40N.m,且不得大于65N.m钢管脚手架扣件扭力矩检查表工程名称:南平一中江南分校8#-11#楼工程时间:备注;拧紧扭力矩宜为50-60N.m,并不小于40N.m,且不得大于65N.m钢管脚手架扣件扭力矩检查表工程名称:南平一中江南分校8#-11#楼工程时间:备注;拧紧扭力矩宜为50-60N.m,并不小于40N.m,且不得大于65N.m钢管脚手架扣件扭力矩检查表工程名称:南平一中江南分校8#-11#楼工程时间:备注;拧紧扭力矩宜为50-60N.m,并不小于40N.m,且不得大于65N.m钢管脚手架扣件扭力矩检查表工程名称:南平一中江南分校8#-11#楼工程时间:备注;拧紧扭力矩宜为50-60N.m,并不小于40N.m,且不得大于65N.m钢管脚手架扣件扭力矩检查表工程名称:南平一中江南分校8#-11#楼工程时间:备注;拧紧扭力矩宜为50-60N.m,并不小于40N.m,且不得大于65N.m钢管脚手架扣件扭力矩检查表工程名称:南平一中江南分校8#-11#楼工程时间:备注;拧紧扭力矩宜为50-60N.m,并不小于40N.m,且不得大于65N.m。
钢管脚手架扣件扭力矩检查表
工程名称:时间:
备注;拧紧扭力矩宜为50-60N.m,并不小于40N.m,且不得大于65N.m
钢管脚手架扣件扭力矩检查表
工程名称:南平一中江南分校8#-11#楼工程时间:
备注;拧紧扭力矩宜为50-60N.m,并不小于40N.m,且不得大于65N.m
钢管脚手架扣件扭力矩检查表
工程名称:南平一中江南分校8#-11#楼工程时间:
备注;拧紧扭力矩宜为50-60N.m,并不小于40N.m,且不得大于65N.m
钢管脚手架扣件扭力矩检查表
工程名称:南平一中江南分校8#-11#楼工程时间:
备注;拧紧扭力矩宜为50-60N.m,并不小于40N.m,且不得大于65N.m
钢管脚手架扣件扭力矩检查表
工程名称:南平一中江南分校8#-11#楼工程时间:
备注;拧紧扭力矩宜为50-60N.m,并不小于40N.m,且不得大于65N.m
钢管脚手架扣件扭力矩检查表
工程名称:南平一中江南分校8#-11#楼工程时间:
备注;拧紧扭力矩宜为50-60N.m,并不小于40N.m,且不得大于65N.m
钢管脚手架扣件扭力矩检查表
工程名称:南平一中江南分校8#-11#楼工程时间:
备注;拧紧扭力矩宜为50-60N.m,并不小于40N.m,且不得大于65N.m
钢管脚手架扣件扭力矩检查表
工程名称:南平一中江南分校8#-11#楼工程时间:
备注;拧紧扭力矩宜为50-60N.m,并不小于40N.m,且不得大于65N.m
钢管脚手架扣件扭力矩检查表
工程名称:南平一中江南分校8#-11#楼工程时间:
备注;拧紧扭力矩宜为50-60N.m,并不小于40N.m,且不得大于65N.m
钢管脚手架扣件扭力矩检查表
工程名称:南平一中江南分校8#-11#楼工程时间:
备注;拧紧扭力矩宜为50-60N.m,并不小于40N.m,且不得大于65N.m
钢管脚手架扣件扭力矩检查表
工程名称:南平一中江南分校8#-11#楼工程时间:
备注;拧紧扭力矩宜为50-60N.m,并不小于40N.m,且不得大于65N.m
钢管脚手架扣件扭力矩检查表
工程名称:南平一中江南分校8#-11#楼工程时间:
备注;拧紧扭力矩宜为50-60N.m,并不小于40N.m,且不得大于65N.m
钢管脚手架扣件扭力矩检查表
工程名称:南平一中江南分校8#-11#楼工程时间:
备注;拧紧扭力矩宜为50-60N.m,并不小于40N.m,且不得大于65N.m
钢管脚手架扣件扭力矩检查表
工程名称:南平一中江南分校8#-11#楼工程时间:
备注;拧紧扭力矩宜为50-60N.m,并不小于40N.m,且不得大于65N.m
钢管脚手架扣件扭力矩检查表
工程名称:南平一中江南分校8#-11#楼工程时间:
备注;拧紧扭力矩宜为50-60N.m,并不小于40N.m,且不得大于65N.m
钢管脚手架扣件扭力矩检查表
工程名称:南平一中江南分校8#-11#楼工程时间:
备注;拧紧扭力矩宜为50-60N.m,并不小于40N.m,且不得大于65N.m。