链轮的基本参数及主要尺寸
- 格式:pdf
- 大小:68.38 KB
- 文档页数:1
传动链轮又称滚子链轮。
主要尺寸及基本参数配用链条的常用P=12.7 15.875 19.05 25.4dr=7.92 10.16 11.91 15.88链轮齿数 Z 节距P 滚子外径 dr 排距pt 分度圆直径 d, d=p/sin180°/z齿顶圆直径 da,da=d+1.25p-dr或da=p(0.54+cot180°/z) 齿根圆直径 df,df=d-dr 链传动实例:例6-1 设计一拖动某带式运输机的滚子链传动。
已知条件为:电动机型号Y160M-6(额定功率P =7.5kW,转速n1=970r/min),从动轮转速n2=300r/min,载荷平稳,链传动中心距不应小于550mm,要求中心距可调整。
在购买链轮的时候为了购买的产品符合自身的使用,在购买之前是需要知道齿数和直径的。
那具体是什么呢?下面就给大家列举一个表格,以便大家进行参考。
1、选择链轮齿数链传动速比:由表6-5选小链轮齿数z1=25。
大链轮齿数 z2=iz1=3.23×25=81,z2<120,合适。
2、确定计算功率已知链传动工作平稳,电动机拖动,由表6-2选KA =1.3,计算功率为Pc=KAP=1.3×7.5kW=9.75kW初定中心距a0=(30~50)p,取a0=40p。
取Lp =136节(取偶数)。
4、确定链节距p首先确定系数KZ,KL,KP。
由表6-3查得小链轮齿数系数KZ =1.34;由表6-9查得KL =1.09。
选单排链,由表6-4查得KP=1.0。
所需传递的额定功率为由表6-7选择滚子链型号为10A,链节距 p=15.875mm。
基础知识:链轮分为主动链轮和从动链轮,主动链轮通过花键的形式装在发动机输出轴上;从动链轮装在摩托车驱动轮上,通过链条将动力传递给驱动轮,一般主动链轮比从动链轮要小,可起到降速增扭的效果。
传动链轮的性能特点①材料的选用——大链轮和小链轮都采用优质碳素结构钢进行冲压成型。
符号z节距p内链节内宽b1滚子外径d1内链板高度h排拒pt排数mddf 齿侧凸缘(或排间槽直径)dgp≤12.7p>12.7p≤12.7单排p=0.93b1p=0.95b129.34双排、三排p=0.91b1p=0.93b128.71rx p≤12.729.3428.71注:1.da、dg计算值舍小数取整数,其它尺寸精确到0.01mm。
公差上偏差000奇数齿偶数齿上偏差0.0148.2650.831.5528.58215.75分度圆弦齿高名称计算公式数值基本参数链轮齿数15配用链条的主要尺寸分度圆直径d=p/sin(180°/z)244.33齿顶圆直径da damax=d+1.25p-d1279.25齿根圆直径df=d-d1damin=d+(1-1.6/z)p-d1261.14da=p(0.54+cot(180°/z)266.431hamax=(0.625+0.8/z)p-0.5d120.17hamin=0.5(p-d1)11.11ha=0.27p 13.72齿侧倒角ba齿侧半径ba公称=0.13p 6.60rx公称=p轴向齿廓及尺寸齿全宽bfm Lx=df=d-d1最大齿根距离Lx=d*cos(90°/z)-d1214.42齿宽bf150.80bfm=(m-1)pt+bf1215.75dg<p*cos(180°/z)-1.04h-0.76-1.26ba公称=0.06p 3.05271.5760MR=d+dRmin 272.91齿根圆极限偏差及量柱测量距极限偏差尺寸段df≤127127<df≤250250<dfdR=滚子外径d128.58链轮孔和根圆直径之间的径向圆跳动量不应超过下列两数值中的较大值(0.0008df+0.08)mm或0.15mm,最大到0.76mm量柱测量距MR MR=d*cos(90°/z)+dRmin 0.2526030.150.76轴孔到链轮齿侧平直部分的端面圆跳动量不应超过下列计算值(0.0009df+0.08)mm,最大到1.14mm0.2741791.14量柱直径dR公差说明三圆弧一直线齿形三圆弧一直线齿形h-内链板高度p>12.729.9729.34适用于081、083、084规格链条适用于其余A或B系列链条p>12.729.97单排29.34双排、三排下偏差-0.25-0.3h11下偏差048.2650.831.5528.5815.75数值1544.3379.25h1161.1466.4310.171.113.726.6014.420.8015.751.263.05.576014772.91h14526036040.150.76741790541.14。
名称符号链条型号16A 滚子节距P 滚子外径d r 排局P t 链轮齿数z 链轮分度圆直径d 齿顶园直径d a 齿根园直径d f 分度圆弦齿高h a 齿侧凸缘(或排间槽)直径d g 内链板高度h名称符号齿沟圆弧半径r 1齿沟半角(°)α/2M T 工作段圆弧半径r 2工作段圆弧中心角(°)βW V 齿形半角γ/2齿顶圆弧半径r 3工作段直线部分长度b c e点至齿沟圆弧中心连线的距离H p 0滚子链链轮的基三圆弧一直工作段圆弧中心O 2的坐标齿顶圆弧中心O 3的坐标最大齿根距离Lx齿侧倒角ba 齿宽b f1内节宽度b 1齿侧半径r x名称符号链条型号10A 滚子节距P 滚子外径d r 排局P t 链轮齿数z 链轮分度圆直径d 齿顶园直径d a 齿根园直径d f 分度圆弦齿高h a 齿侧凸缘(或排间槽)直径d g 内链板高度h名称符号齿沟圆弧半径r 1齿沟半角(°)α/2M T 工作段圆弧半径r 2工作段圆弧中心角(°)βW V 齿形半角γ/2齿顶圆弧半径r 3工作段直线部分长度b c工作段圆弧中心O 2的坐标齿顶圆弧中心O 3的坐标滚子链链轮的基最大齿根距离Lx 三圆弧一直e点至齿沟圆弧中心连线的距离Hp0齿侧倒角ba 齿宽b f1内节宽度b1齿侧半径r x计算公式数值选择型号查表25.4查表15.88查表29.29给定15d=P/sin180°/z 122.167d a =P(0.54+cot180°/z)133.214d f =d-d r 106.287h a =0.27*P6.858奇数齿Lx=d*cos90°/z-d r 105.618偶数齿Lx = d f = d-d r106.287dg<p*cot180°/z-1.04h-0.76h——内链板高度,查表。
93.642查表24.13计算公式r 1=0.5025*d r +0.058.030α/2=55°-60°/z 51.000M=0.8*d r *sinα/29.873T=0.8*d r *cosα/27.995r 2=1.3025*d r +0.0520.734β=18°-56°/z 14.267W=1.3*d r *cos180°/z20.193V=1.3*d r *sin180°/z 4.292γ/2=17°-64°/z12.733r 3=d r (1.3*cosγ/2+0.8*cosβ-1.3025)-0.0511.715b c =d r (1.3*sinγ/2-0.8*sinβ) 1.420H=√r 32-(1.3*dr-p 0/2)2p 0=p[1+(2r 1-d r )/d]25.437轮的基本参数和主要尺寸弧一直线齿槽形状尺寸ba=0.13P3.302b f1=0.95b 1 b 1为内节宽度,查表11.942查表12.570r x =P25.400计算公式数值选择型号查表15.875查表10.16查表18.11给定19d=P/sin180°/z96.449d a =P(0.54+cot180°/z)103.706d f =d-d r 86.289h a =0.27*P4.286奇数齿Lx=d*cos90°/z-d r 85.95968偶数齿Lx = d f = d-d r86.289dg<p*cot180°/z-1.04h-0.76h——内链板高度,查表。
520链轮技术参数摘要:1.链轮技术参数简介2.链轮技术参数的分类3.链轮技术参数的选择与应用4.链轮技术参数对传动性能的影响5.链轮技术参数的优化方向正文:链轮技术参数是链轮设计、制造和使用过程中需要考虑的重要因素,直接影响着链轮的传动性能。
本文将为您详细介绍链轮技术参数的相关知识。
链轮技术参数主要分为以下几类:1.基本参数:包括链轮的齿数、直径、宽度等,这些参数决定了链轮的基本尺寸和形状。
2.材料参数:包括链轮的材料种类、硬度等,这些参数决定了链轮的耐磨性、抗疲劳性等性能。
3.齿形参数:包括链轮的齿形、齿向等,这些参数决定了链轮的啮合性能和传动效率。
4.装配参数:包括链轮的轴间距、齿隙等,这些参数决定了链轮的装配质量和传动稳定性。
链轮技术参数的选择应根据实际传动需求进行,例如,在需要提高传动效率的应用中,应选择适当的齿形参数;在需要提高链轮耐磨性的应用中,应选择合适的材料参数。
链轮技术参数对传动性能的影响主要体现在以下几个方面:1.啮合性能:链轮的齿形参数会影响链轮与链条的啮合性能,进而影响传动效率和寿命。
2.抗疲劳性:链轮的材料参数和齿形参数会影响链轮的抗疲劳性能,进而影响链轮的使用寿命。
3.耐磨性:链轮的材料参数会影响链轮的耐磨性能,进而影响链轮的使用寿命和传动效率。
4.装配质量:链轮的装配参数会影响链轮的装配质量,进而影响传动稳定性和寿命。
为了提高链轮的传动性能,链轮技术参数的优化方向主要有以下几点:1.优化齿形参数,提高啮合性能和传动效率。
2.选择高性能的材料,提高链轮的耐磨性和抗疲劳性。
3.优化装配参数,提高链轮的装配质量和传动稳定性。
链轮的基本参数链轮的基本参数链轮是链传动中的重要零件,链轮齿形、节距等与链条相关尺寸加工是否正确,将直接关系到链条的使用寿命。
因此,必须给于足够的重视。
一、链轮材料的选择对于不需要热处理的片式链轮,可采用Q235、Q345(16Mn)、或10、20钢制造。
一般硬度在HBI40以下,适于中速、中等功率、较大的链轮加工。
要求热处理的链轮一般选用45钢、45钢锻造、45铸钢或4OCr钢加工,适用于受力较大重要场合与高强度链条配套的主、从动链轮的加工。
铸铁链轮主要应用在精度要求不高或外形复杂的链轮,如环链轮等。
二、链轮的基本参数I、Z-齿数,2、P-链条节距,3、d-滚子直径,4、d分一分度圆直径,5、d顶一顶圆直径,6、d根一齿根圆直径,7、一节距角8 Q一压力角,R一齿沟圆弧半径。
前三个参数为用户提供的重要数据,后序参数为链轮设计参数可参照有关标准计算。
三、常见链轮的形状与结构通常,链轮是由齿圈、轮毅和轮幅三部分组成。
常见链轮形状有1. 单片式单双排链轮。
2. 单凸缘式单双排链轮。
3. 双凸缘式单双排链轮链轮的结构大致有1•整体结构。
一般应用在标准链条P=38.1以下的单、双排,单、双凸缘链轮的加工。
2•焊接结构。
主要应用在中、大规格单、双凸缘链轮的加工。
加工时,凸缘部分采用棒料车成凸形。
齿圈部分可采用板材切割后加工外径与轴孔,孔一端车出焊接坡口套入凸缘部分进行焊接。
焊接时要两端焊,采用低氢焊条如T506焊条等。
3. 铸造链轮。
主要应用在大型链轮的加工,加工时只加工齿圈、凸缘两端面、外径和内径及键槽,然后再加工齿形。
环链轮都是铸造的。
铸造链轮的材料一般有两种,铸铁和铸钢如HTI50、HT2O0和ZG310-570(ZG45)。
4. 锻造链轮。
主要应用在受力较大的中、大规格链轮的生产上。
锻造时,不管是单凸缘式或双凸缘式,一般都锻成凸形,轴孔留出足够的加工余量,材料利用率较低,成本高。
四、链轮齿形的几何形状与设计原则1. 链轮齿形的几何形状:常见链轮的几何形状有三圆弧一直线形、两圆弧一直线形、两圆弧凸齿形、一圆弧一直线形、齿槽中心有偏移的直线齿形和直线齿形。
链轮:链轮是一种带嵌齿式扣链齿的轮子,用以与节链环或缆索上节距准确的块体相啮合。
链轮被广泛应用于化工、纺织机械、自动扶梯,木材加工,立体停车库,农业机械,食品加工、仪表仪器、石油等行业的机械传动等。
结构设计:链轮的齿形链轮齿形必须保证链节能平稳自如地进入和退出啮合,尽量减少啮合时的链节的冲击和接触应力,而且要易于加工。
常用的链轮端面齿形见图1。
它是由三段圆弧aa、ab、cd和一段直线bc构成,简称三圆弧-直线齿形。
齿形用标准刀具加工,在链轮工作图上不必绘制端面齿形,只需在图上注明"齿形按3RGB1244-85规定制造"即可,但应绘制链轮的轴面齿形,其尺寸参阅有关设计手册。
刮板输送机:磨损分析刮板输送机链轮磨损分析:刮板输送机是一种借助于运动着的刮板链条来输送散状物料的连续运输设备。
SGB-520/22刮板输送机主要用于中低厚煤层经济普采工作面运输。
本产品具有结构紧凑、简单,传动平稳,安装维护方便,工作可靠,工艺布置灵活等特点;它不但能水平输送,也能倾斜输送;既可单机使用,也可多台联合使用。
链轮是刮板输送机的重要部件之一,它的特性对刮板输送机的使用寿命有直接影响。
链轮磨损分析所用链轮传动为普通曳引链轮,在啮合处有比较大的滑动运动,工作条件恶劣,会产生较严重的磨损。
磨损原因引起链轮链窝严重磨损的原因如下:(1)黏着磨损载荷越大,表面温度越高,黏着现象也越严重。
对于一定硬度的金属材料,在不同压强下进行磨损试验得到了磨损率与压强关系曲线图,当压强达到材料硬度的1/3以上时,将发生严重磨损。
根据应力分布图,可知最大应力接触点即为最大压强处,其值为884.4 MPa。
因链窝处淬火硬度为HRC48~52,其对应的硬度值为4800MPa。
因此,压强远远小于材料硬度的1/3,所以黏着磨损并不是链轮磨损的主要形式。
(2)接触疲劳磨损链轮与链条摩擦副是交变接触应力,在其摩擦表面上容易形成疲劳点蚀。
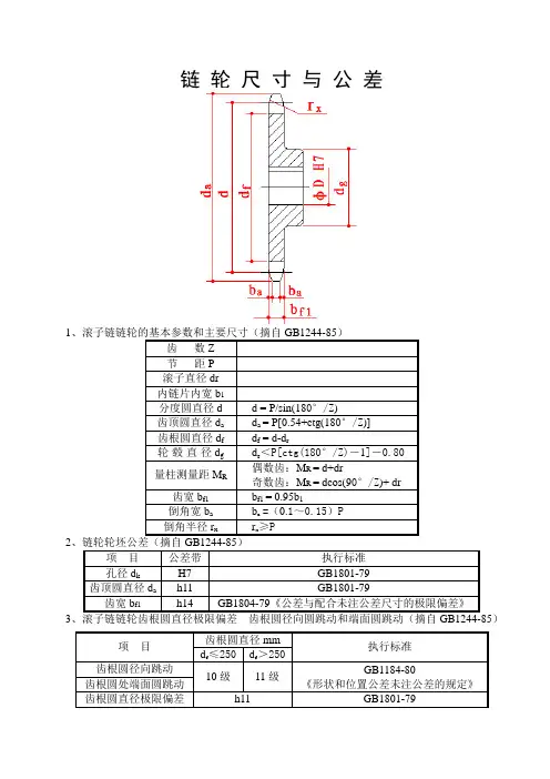
链轮尺寸与公差
1、滚子链链轮的基本参数和主要尺寸(摘自GB1244-85)
齿数Z
节距P
滚子直径dr
内链片内宽b1
分度圆直径d d = P/sin(180°/Z)
齿顶圆直径d a d a = P[0.54+ctg(180°/Z)]
齿根圆直径d f d f = d-d r
轮毂直径d g d g<P[ctg(180°/Z)-1]-0.80
量柱测量距M R 偶数齿:M R = d+dr
奇数齿:M R = dcos(90°/Z)+ dr
齿宽b f1 b f1 = 0.95b1
倒角宽b a b a =(0.1~0.15)P
倒角半径r x r x≥P
2、链轮轮坯公差(摘自GB1244-85)
项目公差带执行标准
孔径d k H7 GB1801-79
齿顶圆直径d a h11 GB1801-79
齿宽b f1h14 GB1804-79《公差与配合未注公差尺寸的极限偏差》
3、滚子链链轮齿根圆直径极限偏差齿根圆径向圆跳动和端面圆跳动(摘自GB1244-85)
项目
齿根圆直径mm
执行标准d f≤250d f>250
齿根圆径向跳动
10级11级
GB1184-80
《形状和位置公差未注公差的规定》
齿根圆处端面圆跳动
齿根圆直径极限偏差h11 GB1801-79
(32A)链轮相关尺寸表。
节距滚子直径内节内宽销轴直径套筒直径p nom d1max b1min d2max d3min 08A 12.77.927.85 3.98410A 15.87510.169.4 5.09 5.1212A 19.0511.9112.57 5.96 5.9816A 25.415.8815.757.947.9620A31.7519.0518.99.549.56链轮齿数z 15优选齿数为:17,19,21,23,25,38,57,76,95,链条节距p 25.4滚子直径dr 15.88内节内宽b115.75内链板高h 24.13分度圆直径d 122.17齿顶圆直径da max 138齿顶圆直径da min 128齿顶圆直径da 133齿根圆直径df 106.29分度圆弦齿高ha max 9.29分度圆弦齿高ha min 4.76分度圆弦齿高ha 6.86最大齿根距离Lx 奇数齿105.62最大齿根距离Lx 偶数齿106.29齿侧凸缘(或排间槽)直径dg93齿侧圆弧半径re min 51.4512齿侧圆弧半径re max 32.3952滚子定位圆弧半径ri max 8.1928333滚子定位圆弧半径ri min 8.0194滚子定位角α min 114滚子定位角α max134p≤12.7p>12.7齿宽(单排)bf114.647514.9625齿宽(双排、三排)bf114.332514.6475轴向齿廓及尺寸链条主要尺寸链号滚子链链轮的基本参数和主要尺寸最大和最小齿槽形状齿侧倒角(081 083 084 085链条)ba 1.524齿侧倒角(用于其余所有链条)ba 3.302齿侧半径rx25.4链轮毂孔直径(公差H8)dK50常数K 6.4轮毂厚度h14.8921轮毂长度l max49.1440轮毂长度l min38.7195轮毂直径(dh max<dg)dh79.7843量柱测量距MR 奇数齿137.38量柱测量距MR 偶数齿138.05量柱直径dR15.88齿根圆(量柱测量距)极限偏差上偏差:0-0.25链轮齿根圆径向圆跳动和端面圆跳动轴孔和齿根圆直径间径向圆跳动量≤0.1650298≤0.76轴孔和齿侧平直部分端面圆跳动量≤0.1756585≤ 1.14链条通道高度内链板高度h1min h2max 12.3312.0715.3515.0918.3418.124.3924.1330.4830.17d=p/sin(180/z)da max=d+1.25*p-dr da min=d+(1-1.6/z)*p-dr da=p*(0.54+cot(180/z))df=d-drha max=(0.625+0.8/z)*p-0.5*dr ha min=0.5*(p-dr)ha=0.27*p Lx=d*cos(90/z)-dr Lx=df=d-drdg<p*cot(180/z)-1.04*h-0.76re min=0.008*dr*(z^2+180)re max=0.12*dr*(z+2)ri max=0.505*dr+0.069*dr^(1/3)ri min=0.505*dr α min=120-90/z α max=140-90/zp≤12.7p>12.70.93*b10.95*b10.91*b10.93*b1生顶切。
链轮:链轮是一种带嵌齿式扣链齿的轮子,用以与节链环或缆索上节距准确的块体相啮合。
链轮被广泛应用于化工、纺织机械、自动扶梯,木材加工,立体停车库,农业机械,食品加工、仪表仪器、石油等行业的机械传动等。
链轮的齿形链轮齿形必须保证链节能平稳自如地进入和退出啮合,尽量减少啮合时的链节的冲击和接触应力,而且要易于加工。
常用的链轮端面齿形见图1。
它是由三段圆弧aa、ab、cd和一段直线bc构成,简称三圆弧-直线齿形。
齿形用标准刀具加工,在链轮工作图上不必绘制端面齿形,只需在图上注明"齿形按3RGB1244-85规定制造"即可,但应绘制链轮的轴面齿形,其尺寸参阅有关设计手册。
链轮结构4种常用的链轮结构。
小直径链轮一般做成整体式,中等直径链轮多做成辐板式,为便于搬运、装卡和减重,在辐板上开孔,大直径链轮可做成组合式,此时齿圈与轮芯可用不同材料制造。
例如C45,不锈钢等材料。
链轮材料链轮材料应保证轮齿有足够的强度和耐磨性,故链轮齿面一般都经过热处理,使之达到一定硬度。
磨损分析刮板输送机链轮磨损分析:刮板输送机是一种借助于运动着的刮板链条来输送散状物料的连续运输设备。
SGB-520/22刮板输送机主要用于中低厚煤层经济普采工作面运输。
本产品具有结构紧凑、简单,传动平稳,安装维护方便,工作可靠,工艺布置灵活等特点;它不但能水平输送,也能倾斜输送;既可单机使用,也可多台联合使用。
链轮是刮板输送机的重要部件之一,它的特性对刮板输送机的使用寿命有直接影响。
链轮磨损分析所用链轮传动为普通曳引链轮,在啮合处有比较大的滑动运动,工作条件恶劣,会产生较严重的磨损。
磨损原因引起链轮链窝严重磨损的原因如下:(1)黏着磨损载荷越大,表面温度越高,黏着现象也越严重。
对于一定硬度的金属材料,在不同压强下进行磨损试验得到了磨损率与压强关系曲线图,当压强达到材料硬度的1/3以上时,将发生严重磨损。
根据应力分布图,可知最大应力接触点即为最大压强处,其值为884.4 MPa。
链轮:链轮是一种带嵌齿式扣链齿的轮子,用以与节链环或缆索上节距准确的块体相啮合。
链轮被广泛应用于化工、纺织机械、自动扶梯,木材加工,立体停车库,农业机械,食品加工、仪表仪器、石油等行业的机械传动等。
传动链轮:传动链轮又称滚子链轮。
主要尺寸及基本参数配用链条的常用P=12.7 15.875 19.05 25.4dr=7.92 10.16 11.91 15.88链轮齿数Z 节距P 滚子外径dr 排距pt 分度圆直径d,d=p/sin180°/z齿顶圆直径da,da=d+1.25p-dr或da=p(0.54+cot180°/z)齿根圆直径df,df=d-dr链传动实例:例6-1 设计一拖动某带式运输机的滚子链传动。
已知条件为:电动机型号Y160M-6(额定功率P =7.5kW,转速n1=970r/min),从动轮转速n2=300r/min,载荷平稳,链传动中心距不应小于550mm,要求中心距可调整。
解:1、选择链轮齿数链传动速比:由表6-5选小链轮齿数z1=25。
大链轮齿数z2=iz1=3.23×25=81,z2<120,合适。
2、确定计算功率已知链传动工作平稳,电动机拖动,由表6-2选KA =1.3,计算功率为Pc=KAP=1.3×7.5kW=9.75kW3、初定中心距a0,取定链节数Lp初定中心距a0=(30~50)p,取a0=40p。
取Lp =136节(取偶数)。
4、确定链节距p首先确定系数KZ,KL,KP。
由表6-3查得小链轮齿数系数KZ =1.34;由表6-9查得KL =1.09。
选单排链,由表6-4查得KP=1.0。
所需传递的额定功率为由表6-7选择滚子链型号为10A,链节距p=15.875mm。
基础知识:链轮分为主动链轮和从动链轮,主动链轮通过花键的形式装在发动机输出轴上;从动链轮装在摩托车驱动轮上,通过链条将动力传递给驱动轮,一般主动链轮比从动链轮要小,可起到降速增扭的效果。
520链轮技术参数
链轮的技术参数通常包括以下几个方面:
1. 材质,链轮通常由钢铁或者铝合金制成,不同材质的链轮具
有不同的强度和耐久性。
2. 齿数,链轮的齿数决定了传动比,不同齿数的链轮适用于不
同的传动需求。
3. 齿轮模数,齿轮模数是链轮齿轮的基本参数之一,它决定了
齿轮的几何尺寸和传动比。
4. 轴孔尺寸,链轮的轴孔尺寸要与安装在轴上的轴承或轴相匹配,以确保安装和传动的稳定性。
5. 表面处理,链轮的表面处理可以包括镀锌、喷涂或者阳极氧
化等,以提高其耐腐蚀性能和美观度。
以上是链轮常见的技术参数,不同的链轮具体参数会因制造商、型号和用途而有所不同。
希望这些信息能够满足您的需求。
链轮的基本参数:配用链条的节距p,滚子的最大外径d1,排距pt以及齿数Z。
链轮的主要尺寸及计算公式见下表。
名称符号计算公式说明基本参数链轮齿数z 查表“滚子链传动的设计计算”配用链条的节距滚子外径排距pd rp t查表“链条主要尺寸、测量力和抗拉载荷”主要尺寸分度圆直径 dzpd180sin=齿顶圆直径d armaxa25.1dpdd-+=rmina6.11dpzdd-⎪⎭⎫⎝⎛-+=若为三圆弧一直线齿形,则⎪⎪⎭⎫⎝⎛+=zpd180cot54.0a可在d amax与d amin范围内选取,但当选用d amax时,应注意用展成法加工时有可能发生顶切注:1.d a、d g计算值舍小数取整数,其他尺寸精确到0.01mm。
2.本表的单位是mm。
链轮轮齿的齿形应保证链节能自由地进入和退出啮合,在啮合时应保证良好的接触、同时形状应尽可能简单,并便于加工。
滚子链的轮齿齿形已标准化,应用最普遍的是三圆弧一直线齿形。
如图1所示,端面齿形由3段圆弧aa,ab,cd 和一段直线bc组成。
这种齿形啮合处的接触应力较小,承载能力高,并可采用标准刀具加工。
设计时采用此齿形,在零件工作图上可不必画出,只需注明链轮的基本参数和主要尺寸,如齿数z、节距p、滚子直径d、分度圆直径d、齿顶圆直径d。
及齿根圆直径d,并注明“齿形按GB/T 1243——2006 制造”即可,滚子链链轮与滚子链配合使用,构成链传动,用于传送机械动力,广泛应用与家庭、工业和农业机械。
链轮材料应保证轮齿有足够的强度和耐磨性。
常用中碳钢淬火或低碳钢渗碳淬火,表面硬度40~ 60HRC。
重要的链轮可采用合金钢,低速、平稳载荷的工况下也可用铸铁制造。
小链轮轮齿啮合次数较多,所受冲击也较大,应用较好的材料制造。
链轮常用材料的牌号有20,45,20Cr,40Cr,HT200等。
滚子链的结构和规格滚子链由内链板1、套筒2、销轴3、外链板4和滚子5组成,如图9-3所示。
16a链轮尺寸规格参数16A链轮是一种广泛应用在机械装置上的链轮标准型号,其使用范围包括了工业机械、农业机械、交通运输工程等各个领域。
而16A链轮的尺寸规格参数则是每个使用该型号链轮的工程师必须掌握的技术细节,下面我们将为大家分步骤地阐述16A链轮尺寸规格参数。
第一步,了解16A链轮的基本概念。
16A链轮是一种配合16A型滚子链使用的链轮规格,它的齿数、外径、内孔直径等参数是其尺寸规格的主要标准;同时,16A链轮的材质、表面硬度、齿形等也是工程师需要考虑的重要因素。
第二步,了解16A链轮的规格参数。
16A链轮的齿数通常为9-67个,以2的倍数递增;外径分别为131.8mm、146.05mm、161.29mm、182.56mm、205.74mm、231.05mm等6个尺寸;内孔直径根据使用情况及选择承载方式的不同有选择性,从而产生30mm、35mm、40mm、45mm、50mm、60mm、70mm等多种规格。
除此之外,16A链轮的齿宽、齿厚等也会因产品设计需求而产生变化。
第三步,了解16A链轮的选型原则。
首先要根据机械装置的实际使用情况选择16A链轮的齿数、外径、内孔直径等规格参数;其次,要考虑16A链轮的承载能力,从而选择适合其设计条件的材料和表面硬度等,以保证整个装置的稳定和安全;最后,还需结合使用环境、温度、湿度等各种因素,综合考虑16A链轮的使用寿命和维护成本等因素,从而做到科学选型。
通过以上三个步骤,我们可以对16A链轮尺寸规格参数有更深入的了解,也能更加准确地选择适合自己的16A链轮。
而在实际使用过程中,我们还需严格按照产品要求安装16A链轮,并完成相关的维护保养工作,以确保产品的正常运行和经济效益。