链轮的基本参数
- 格式:doc
- 大小:49.00 KB
- 文档页数:2
1.5寸链轮标准尺寸参数一、引言本标准提供了1.5寸链轮的尺寸参数和相关要求,以确保链轮在各类机械设备中的正确使用和性能表现。
本标准适用于1.5寸链轮的设计、制造、检验和使用。
二、术语和定义无三、尺寸参数1.节圆直径(PitchDiameter)链轮的节圆直径是指链条与链轮节圆接触的直径,单位为mm。
1.5寸链轮的节圆直径为38.1mm。
2.齿距(Pitch)齿距是指相邻两齿间的距离,单位为mm。
1.5寸链轮的齿距一般为2mm。
3.齿数(NumberofTeeth)齿数是指链轮上齿的数量,它决定了链轮的传动比。
根据传动需要,1.5寸链轮的齿数可以在一定的范围内选择。
4.基圆直径(BaseDiameter)基圆直径是链轮的基本尺寸,它决定了链条与链轮配合的尺寸范围。
1.5寸链轮的基圆直径为35.5mm。
5.毂面尺寸(HubSize)毂面尺寸是指链轮中心孔的直径,它决定了链轮的安装方式和强度。
对于1.5寸链轮,毂面尺寸通常为45mm。
四、制造和检验要求1.制造材料:1.5寸链轮通常采用钢质材料,以保证强度和耐用性。
2.制造工艺:链轮的制造过程应包括热处理、车削、磨削等工艺,以确保其尺寸精度和表面质量。
3.检验项目:包括尺寸测量、表面质量、齿形检查、啮合试验等,以确保链轮符合标准要求。
4.检验工具:使用合适的测量工具,如卡尺、千分尺、高度仪等,进行精确测量。
五、使用和维护注意事项1.安装:确保链轮正确安装,中心孔与螺栓匹配,以防止松动或脱落。
2.维护:定期检查链条和链轮的磨损情况,及时更换磨损部件,保证传动系统的正常运行。
3.避免超载:合理分配负载,防止链轮过度磨损和损坏。
4.润滑:根据使用情况,定期给链条和链轮加注润滑油,以延长使用寿命。
六、参考资料1.《机械设计手册》,中国机械工业出版社,最新版。
2.《链条链轮标准》,中国标准化研究院发布。
本标准提供了一系列的尺寸参数和制造检验要求,以帮助制造和使用1.5寸链轮的单位和个人更好地理解和执行相关标准。
链轮标准尺寸参数链轮是机械传动中常用的一种零部件,其标准尺寸参数对于机械设备的设计和制造具有重要意义。
本文将对链轮的标准尺寸参数进行详细介绍,希望能够为相关领域的从业者提供一定的参考价值。
首先,链轮的标准尺寸参数包括链轮的齿数、齿宽、轮毂直径、孔径、键槽尺寸等。
这些参数是链轮的重要特征,直接影响着链轮在传动系统中的使用效果。
齿数决定了链轮的传动比,齿宽和轮毂直径则影响了链轮的承载能力和传动稳定性,孔径和键槽尺寸则决定了链轮的安装方式和传动的可靠性。
其次,链轮的标准尺寸参数需要按照国家标准或行业标准进行设计和制造。
不同类型的链轮,其标准尺寸参数可能会有所不同。
因此,在选择和应用链轮时,需要根据具体的使用要求和标准要求进行合理的选择和设计。
同时,在链轮的制造过程中,需要严格按照标准尺寸参数进行加工和检测,确保链轮的质量和性能符合要求。
另外,链轮的标准尺寸参数还需要考虑链条的匹配。
链轮和链条是机械传动系统中相互配合的部件,其标准尺寸参数需要保持一定的匹配性,以确保传动系统的正常运行。
因此,在设计和选择链轮时,需要考虑链轮和链条的匹配性,避免因尺寸不匹配而导致传动失效或损坏。
最后,链轮的标准尺寸参数还需要考虑链轮的材质和热处理。
链轮通常需要具有一定的硬度和强度,以满足传动系统在高速、重载或恶劣工况下的使用要求。
因此,在设计和选择链轮时,需要考虑链轮的材质和热处理工艺,确保链轮具有良好的机械性能和耐磨性。
总之,链轮的标准尺寸参数是链轮设计和制造中的重要内容,对于机械传动系统的正常运行具有重要意义。
合理选择和应用链轮的标准尺寸参数,可以提高传动系统的可靠性和使用寿命,降低维护成本,提高生产效率。
希望本文对于相关领域的从业者有所帮助,谢谢阅读!。
链轮的基本参数链轮的基本参数链轮是链传动中的重要零件,链轮齿形、节距等与链条相关尺寸加工是否正确,将直接关系到链条的使用寿命。
因此,必须给于足够的重视。
一、链轮材料的选择对于不需要热处理的片式链轮,可采用Q235、Q345(16Mn)、或10、20钢制造。
一般硬度在HBI40以下,适于中速、中等功率、较大的链轮加工。
要求热处理的链轮一般选用45钢、45钢锻造、45铸钢或4OCr钢加工,适用于受力较大重要场合与高强度链条配套的主、从动链轮的加工。
铸铁链轮主要应用在精度要求不高或外形复杂的链轮,如环链轮等。
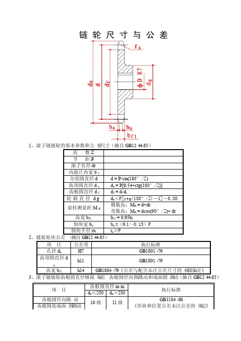
二、链轮的基本参数I、Z-齿数,2、P-链条节距,3、d-滚子直径,4、d分一分度圆直径,5、d顶一顶圆直径,6、d根一齿根圆直径,7、一节距角8 Q一压力角,R一齿沟圆弧半径。
前三个参数为用户提供的重要数据,后序参数为链轮设计参数可参照有关标准计算。
三、常见链轮的形状与结构通常,链轮是由齿圈、轮毅和轮幅三部分组成。
常见链轮形状有1. 单片式单双排链轮。
2. 单凸缘式单双排链轮。
3. 双凸缘式单双排链轮链轮的结构大致有1•整体结构。
一般应用在标准链条P=38.1以下的单、双排,单、双凸缘链轮的加工。
2•焊接结构。
主要应用在中、大规格单、双凸缘链轮的加工。
加工时,凸缘部分采用棒料车成凸形。
齿圈部分可采用板材切割后加工外径与轴孔,孔一端车出焊接坡口套入凸缘部分进行焊接。
焊接时要两端焊,采用低氢焊条如T506焊条等。
3. 铸造链轮。
主要应用在大型链轮的加工,加工时只加工齿圈、凸缘两端面、外径和内径及键槽,然后再加工齿形。
环链轮都是铸造的。
铸造链轮的材料一般有两种,铸铁和铸钢如HTI50、HT2O0和ZG310-570(ZG45)。
4. 锻造链轮。
主要应用在受力较大的中、大规格链轮的生产上。
锻造时,不管是单凸缘式或双凸缘式,一般都锻成凸形,轴孔留出足够的加工余量,材料利用率较低,成本高。
四、链轮齿形的几何形状与设计原则1. 链轮齿形的几何形状:常见链轮的几何形状有三圆弧一直线形、两圆弧一直线形、两圆弧凸齿形、一圆弧一直线形、齿槽中心有偏移的直线齿形和直线齿形。
链轮计算1. 引言链轮是一种常用于传动系统中的零件,用于转换运动和传递力量。
在设计和选择链轮时,需要进行一些计算来确保其性能和可靠性。
本文将介绍链轮的计算方法,并提供一些实际应用中常见的示例和注意事项。
2. 链轮基本参数链轮的基本参数包括齿数、模数、压力角、中心距等。
•齿数:链轮的齿数是指链轮齿顶的数量。
齿数通常以N表示。
•模数:链轮的模数是指链轮齿顶宽度和齿顶与齿根之间距离的比值。
模数通常以m表示。
•压力角:链轮的压力角是指链轮齿根与齿轮轴线的夹角。
压力角通常以α表示。
•中心距:链轮的中心距是指两个链轮中心距离的距离。
中心距通常以C表示。
3. 链轮计算公式根据链轮的基本参数,以下是一些常用的链轮计算公式:•链轮直径:链轮直径D可以通过以下公式计算得出:D = (N * m) / sin(α)其中,N为链轮齿数,m为链轮模数,α为链轮压力角。
•链轮运动比:链轮运动比可以通过以下公式计算得出:i = N2 / N1其中,N1为输入链轮齿数,N2为输出链轮齿数。
•链轮中心距:链轮中心距C可以通过以下公式计算得出:C = (N1 + N2) * m / 2其中,N1为输入链轮齿数,N2为输出链轮齿数,m为链轮模数。
•链轮转速比:链轮转速比可以通过以下公式计算得出:n2 = (N1 * n1) / N2其中,N1为输入链轮齿数,N2为输出链轮齿数,n1为输入链轮转速,n2为输出链轮转速。
4. 示例应用为了更好理解链轮计算的实际应用,以下是一个示例应用:假设有两个链轮,齿数分别为20和40,模数为2mm,压力角为20度。
现需要计算链轮的直径、运动比和中心距。
根据上述计算公式,可以得出:•链轮直径:D = (20 * 2) / sin(20°) ≈ 86.603 mm•链轮运动比:i = 40 / 20 = 2•链轮中心距:C = (20 + 40) * 2 / 2 = 60 mm通过上述计算,可以得到链轮的直径、运动比和中心距。
10b链轮尺寸规格参数链轮是机械传动中常见的零件,用于连接链条和轴,传递动力。
其中,10b链轮是一种标准型号的链轮,其尺寸规格参数对于机械设计和选型具有重要意义。
一、链轮基本概述链轮由齿轮和链条组成,通过链条的齿与齿轮的齿咬合,实现动力传递。
10b链轮是一种采用10b型链条的链轮,其链条宽度为15.88mm,链节高度为9.65mm,链条内宽为8.51mm。
二、链轮齿数和模数的关系链轮的齿数和模数是链轮尺寸规格参数中的重要指标。
齿数决定了链轮的传动比,模数则决定了链轮的几何形状和尺寸。
一般情况下,链轮的齿数越多,传动比越大;模数越大,链轮的尺寸越大。
根据实际需求和设计要求,可以选择不同齿数和模数的10b链轮。
三、链轮的材质和硬度要求链轮通常采用优质合金钢材料制造,以保证其强度和耐磨性。
常见的链轮材质有45#钢、40Cr钢等。
链轮的硬度要求一般为HRC45-55,以保证链轮在工作过程中的耐磨和传动效率。
四、链轮的加工精度和表面处理链轮的加工精度直接影响其传动精度和工作平稳性。
一般情况下,链轮的齿形误差应控制在0.05mm以内,轴孔的偏心度应控制在0.05mm以内。
此外,链轮的表面还需要进行热处理或镀锌等表面处理,以提高其耐腐蚀性和表面硬度。
五、链轮的安装和维护在安装链轮时,应先将链条穿过链轮,并保证链轮与轴之间的配合间隙不超过0.05mm。
同时,在使用过程中,要定期对链轮进行润滑和维护,以延长其使用寿命和保证传动效率。
六、链轮的应用领域10b链轮广泛应用于各种机械设备和传动系统中,如冶金、矿山、化工、建筑、食品等行业。
它可以用于传递中小功率的旋转运动,具有结构简单、传动效率高、可靠性好等特点。
七、链轮的选型和订购在选型和订购10b链轮时,需要根据实际需求和设计要求,考虑传动比、载荷、转速等因素,选择合适的链轮型号和尺寸。
此外,还需要选择正规的供应商,确保链轮的质量和售后服务。
八、链轮的优缺点10b链轮作为一种常见的传动装置,具有以下优点:传动效率高、结构简单、功率传递平稳、可靠性好。
链轮的基本参数链轮是链传动中的重要零件,链轮齿形、节距等与链条相关尺寸加工是否正确,将直接关系到链条的使用寿命。
因此,必须给于足够的重视。
一、链轮材料的选择对于不需要热处理的片式链轮,可采用Q235、Q345(16Mn)、或10、20钢制造。
一般硬度在HB140以下,适于中速、中等功率、较大的链轮加工。
要求热处理的链轮一般选用45钢、45钢锻造、45铸钢或4OCr钢加工,适用于受力较大重要场合与高强度链条配套的主、从动链轮的加工。
铸铁链轮主要应用在精度要求不高或外形复杂的链轮,如环链轮等。
二、链轮的基本参数1、Z-齿数,2、P-链条节距,3、d-滚子直径,4、d分一分度圆直径,5、d顶一顶圆直径,6、d根一齿根圆直径,7、一节距角8、Q一压力角,R一齿沟圆弧半径。
前三个参数为用户提供的重要数据,后序参数为链轮设计参数可参照有关标准计算。
三、常见链轮的形状与结构通常,链轮是由齿圈、轮毅和轮幅三部分组成。
常见链轮形状有:1 .单片式单双排链轮。
2 .单凸缘式单双排链轮。
3 .双凸缘式单双排链轮链轮的结构大致有1 .整体结构。
一般应用在标准链条P=38.1以下的单、双排,单、双凸缘链轮的加工。
2 .焊接结构。
主要应用在中、大规格单、双凸缘链轮的加工。
加工时,凸缘部分采用棒料车成凸形。
齿圈部分可采用板材切割后加工外径与轴孔,孔一端车出焊接坡口套入凸缘部分进行焊接。
焊接时要两端焊,采用低氢焊条如T506焊条等。
3 .铸造链轮。
主要应用在大型链轮的加工,加工时只加工齿圈、凸缘两端面、外径和内径及键梢,然后再加工齿形。
环链轮都是铸造的。
铸造链轮的材料一般有两种,铸铁和铸钢如HT15O、HT2O0和ZG310-570(ZG45)。
4 .锻造链轮。
主要应用在受力较大的中、大规格链轮的生产上。
锻造时,不管是单凸缘式或双凸缘式,一般都锻成凸形,轴孔留出足够的加工余量,材料利用率较低,成本高。
四、链轮齿形的几何形状与设计原则1 .链轮齿形的几何形状:常见链轮的几何形状有三圆弧一直线形、两圆弧一直线形、两圆弧凸齿形、一圆弧一直线形、齿梢中心有偏移的直线齿形和直线齿形。
基本参数和尺寸计算公式链轮齿数Z优先选用齿数:17.19.21.23.25.38.57.76.95.114配用链条的节距p(10A链条节距P=15.875)配用链条的滚子外径d1配用链条的排距p t主要尺寸分度圆直径d d=p/【sin(180°/z)】齿顶圆直径d a d amax=d+1.25p-d1d amin=d+(1-1.6/z)p-d1三圆弧-直线齿形d a=p(0.54+cot(180°/z))齿根圆直径d f d f=d-d1分度圆弦齿高h a h amax=(0.625+0.8/z)p-0.5d1h amin=0.5(p-d1)三圆弧-直线齿形h a=0.27p齿侧凸缘(或排间槽)直径d g≤pcot(180°/z)-1.04h2-0.76注:1.设计时在d amax,d amin范围内任意选取,但选用d amax时,应考虑采用展成法加工,有发生顶切的可能2.齿根圆偏差极限d f/mm≤127>127-250>250偏差/mm00-0.25-0.3h113.h a是为简化放大齿形图绘制而引入的辅助尺寸,h amax相应于d amax;h amin相应于d amin轴面齿廓尺寸齿侧半径r x r x公称=p齿宽b f1单排双排、三排齿侧倒角ba链号为081、083及085时,b a=0.06p其他链号时,b a公称=0.1齿侧凸缘(或排间槽)圆角半径r a r a≈0.04p基本参数名称滚子链轮轮毂厚度h h=K+d k/6+0.01d常数K:轮毂长度l l=3.3hl min=2.6h轮毂直径d h d h=d k+2h5.38.57.76.95.114加工,有发生顶切的可能性。
p≤12.7p>12.70.93b10.95b10.91b10.93b11、083及085时,时,b a公称=0.13p/6+0.01dkd<5050~100100~150>150K 3.2 4.8 6.49.5。
链轮的基本参数:配用链条的节距p,滚子的最大外径d1,排距pt以及齿数Z。
链轮的主要尺寸及计算公式见下表。
名称符号计算公式说明基本参数链轮齿数z 查表“滚子链传动的设计计算”配用链条的节距滚子外径排距pd rp t查表“链条主要尺寸、测量力和抗拉载荷”主要尺寸分度圆直径 dzpd180sin=齿顶圆直径d armaxa25.1dpdd-+=rmina6.11dpzdd-⎪⎭⎫⎝⎛-+=若为三圆弧一直线齿形,则⎪⎪⎭⎫⎝⎛+=zpd180cot54.0a可在d amax与d amin范围内选取,但当选用d amax时,应注意用展成法加工时有可能发生顶切注:1.d a、d g计算值舍小数取整数,其他尺寸精确到0.01mm。
2.本表的单位是mm。
链轮轮齿的齿形应保证链节能自由地进入和退出啮合,在啮合时应保证良好的接触、同时形状应尽可能简单,并便于加工。
滚子链的轮齿齿形已标准化,应用最普遍的是三圆弧一直线齿形。
如图1所示,端面齿形由3段圆弧aa,ab,cd 和一段直线bc组成。
这种齿形啮合处的接触应力较小,承载能力高,并可采用标准刀具加工。
设计时采用此齿形,在零件工作图上可不必画出,只需注明链轮的基本参数和主要尺寸,如齿数z、节距p、滚子直径d、分度圆直径d、齿顶圆直径d。
及齿根圆直径d,并注明“齿形按GB/T 1243——2006 制造”即可,滚子链链轮与滚子链配合使用,构成链传动,用于传送机械动力,广泛应用与家庭、工业和农业机械。
链轮材料应保证轮齿有足够的强度和耐磨性。
常用中碳钢淬火或低碳钢渗碳淬火,表面硬度40~ 60HRC。
重要的链轮可采用合金钢,低速、平稳载荷的工况下也可用铸铁制造。
小链轮轮齿啮合次数较多,所受冲击也较大,应用较好的材料制造。
链轮常用材料的牌号有20,45,20Cr,40Cr,HT200等。
滚子链的结构和规格滚子链由内链板1、套筒2、销轴3、外链板4和滚子5组成,如图9-3所示。
链轮不讲模数,讲节距,有国标的,以英制为单位一.滚子链轮主要尺寸及基本参数配用链条的常用P=12.7 15.875 19.05 25.4dr=7.92 10.16 11.91 15.88链轮齿数Z节距P滚子外径dr排距pt分度圆直径d d=p/sin(180°/z)齿顶圆直径da da=d+1.25p-dr或da=p(0.54+cot180°/z)齿根圆直径df df=d-dr二.外啮合标准圆柱齿轮传动几何尺寸计箅名称代号直齿轮斜齿(人字齿)轮模数m (mn) 按国标选取齿数z分度圆柱螺旋角β β=0° Cosβb=cosαn/cosαt齿顶圆压力角αa (αat) αa=arccosdb/da αat= arccosdb/da分度圆直径 d d=zm d=zmn基圆直径db db=dcosα db=dcosαt齿距p p=πm pn=πmn齿顶高ha ha=ha’m ha=han’mn齿根高hf hf=(ha’+c’)m hf=(han’+cn’)mn齿高h h=ha+hf h=ha+hf齿顶圆直径da da=d+2ha da=d+2ha=(z+2ha’)m =(z/cosβ+2han’)mn齿根圆直径df df=d-2hf df=d-2hf中心距 a a=(d1+d2)/2=(z1+z2)/2m斜齿(人字齿)轮中心距 a a=(d1+d2)/2 =(z1+z2)mn/2cosβ注释:α=αn=20°(分度圆压力角) ha’=han’=1 (齿顶高系数)c’=cn’=0.25(径向间隙系数) tanαt=tanαn/cosβ hat’=han’cosβct’=cn’cosβ一般普通标准圆标齿轮主要计算二个尺寸在图上标注:(精度高另外)当然模数、齿数等常规尺寸也要标上.1. 分度圆直径2. 齿顶圆直径3. 齿根圆直径(通常不须计箅与标注)。
一、链轮的参数和齿形
链轮的基本参数:配用链条的节距p,滚子的最大外径d1,排距p t 以及齿数Z。
链轮的主要尺寸及计算公式见下表。
链轮毂孔的直径应小于其最大许用直径d kmax。
下一页
链轮的国家标准(GB1244-85)中尚
未规定具体的链轮齿形,仅仅规定了最
大和最小齿槽形状及其极限参数。
目前
较常用的一种齿形是三圆弧一直线齿形
(如右图所示)。
右图中,齿廓上的a-a、a-b、c-d线
段为三段圆弧,半径依次为r1、r2和r3;
b-c线段为直线段。
二、链轮的结构和材料
根据链轮直径的大小,链轮可制成整体式、孔板式和组装式(参见结构图)。
链轮的轴向齿廓及尺寸应符合国标GB1244-85的规定。
链轮的材料应能保证轮齿具有足够的耐磨性和强度,不同的材料适合于不同的应用范围,详见下表。
一、链轮的基本直径链轮是机械传动中常见的一种零部件,其基本直径是指链轮的外径尺寸。
一般来说,链轮的基本直径取决于传动系统的功率和转速,需要根据实际工作条件选择合适的尺寸。
为什么要限制链轮的基本直径呢?主要有以下几个原因:1.1 链轮的基本直径过大会增加传动系统的惯量,降低传动效率,增加功率损失。
1.2 过大的基本直径会增加制造成本,而且难度也会增加,制造成本大大增加。
1.3 链轮的基本直径过大会增加传动链条的受载面积,导致链条寿命大大降低。
1.4 过大的基本直径也会增加传动系统的体积和重量,不利于设备轻量化、紧凑化。
限制链轮的基本直径有利于提高传动效率、降低成本、延长零部件使用寿命、减小设备体积和重量,因此是非常必要的。
二、链轮的包角包角是链轮齿轮的重要参数之一,指齿轮齿面上的法线与径向的夹角。
包角的大小会直接影响传动效率和噪音水平,过大或过小的包角都会带来不利影响。
2.1 包角过大会增加齿轮传动的冲击、振动和噪音,降低传动效率。
2.2 包角过小会导致齿轮齿面接触过少,容易产生磨损,影响使用寿命。
2.3 合适的包角可以提高传动效率、降低噪音、延长零部件寿命,减小设备运行时的能源消耗,因此是必须严格控制的参数。
三、链轮的其他基本参数除了基本直径和包角,链轮的其他基本参数如齿数、齿厚、齿间距等也都是需要严格控制的。
合理设计这些参数可以提高传动效率、降低噪音、延长零部件寿命,设计不合理则会给传动系统带来很多不利影响。
对链轮的基本直径、包角等基本参数进行限制是非常必要的,这不仅有利于提高传动效率、减小设备体积和重量,还可以降低成本、延长零部件使用寿命,提高传动系统的可靠性和使用寿命。
在设计和选择链轮时,一定要严格控制这些参数,在权衡各种因素的基础上进行合理选择。
四、如何限制链轮基本直径、包角等基本参数为了确保链轮在设计和选择过程中符合合理的基本参数限制,需要进行以下方面的控制和调整:4.1 确定传动系统的功率和转速要求,根据实际工作条件选择合适的链轮基本直径。
链轮啮合的参数
标题:链轮啮合的参数分析
一、引言
链轮是一种常见的机械传动元件,广泛应用于各种机械设备中。
链轮的啮合性能直接影响到整个传动系统的运行效果和使用寿命。
因此,深入理解和掌握链轮啮合的参数具有重要的实践意义。
二、链轮的基本参数
1. 链轮节圆直径:是链轮与链条接触点形成的一个假想圆的直径,它决定了链轮的大小和转速。
2. 齿数:链轮上的齿数对链轮的承载能力和传动效率有很大影响。
一般来说,齿数越多,链轮的承载能力越强,但同时也会增加摩擦损失。
3. 中心距:是指两个链轮轴线之间的距离,它是决定链轮啮合的重要参数之一。
三、链轮啮合的主要参数
1. 啮合角:是指两链轮节圆切线与两链轮中心连线之间的夹角。
啮合角过小会降低链轮的承载能力,过大则会导致链条跳动和振动。
2. 啮合半径:是链轮节圆半径与中心距之差的一半,它反映了链轮的啮合深度。
3. 啮合系数:是衡量链轮啮合性能的重要参数,其值等于链轮节圆直径与中心距之比。
啮合系数越大,表示链轮的啮合性能越好。
四、链轮啮合参数的影响因素
链轮的制造精度、链轮材料、链条的选择等都会影响链轮的啮合参数。
因此,在设计和制造链轮时,需要综合考虑这些因素,以确保链轮的啮合性能。
五、结论
链轮啮合的参数对其工作性能有重要影响,因此在设计和使用链轮时,必须充分理解和掌握这些参数,以便选择合适的链轮和优化传动系统的设计。
各种规格链轮选型参数表一、小规格链轮1. 齿数:612齿2. 齿距:9.525mm3. 齿高:5.625mm4. 内孔直径:58mm5. 材质:45钢6. 表面处理:发黑7. 应用场景:小型机械设备、家用电器等二、中规格链轮1. 齿数:1220齿2. 齿距:12.7mm3. 齿高:7.938mm4. 内孔直径:812mm5. 材质:45钢6. 表面处理:发黑7. 应用场景:中型机械设备、工业自动化等三、大规格链轮1. 齿数:2030齿2. 齿距:19.05mm3. 齿高:12.7mm4. 内孔直径:1220mm5. 材质:45钢6. 表面处理:发黑7. 应用场景:大型机械设备、矿山机械等四、特大型链轮1. 齿数:3050齿2. 齿距:25.4mm3. 齿高:16.0mm4. 内孔直径:2030mm5. 材质:45钢6. 表面处理:发黑7. 应用场景:重型机械设备、港口机械等五、其他规格链轮1. 齿数:根据需求定制2. 齿距:根据需求定制3. 齿高:根据需求定制4. 内孔直径:根据需求定制5. 材质:根据需求定制6. 表面处理:根据需求定制7. 应用场景:特殊用途机械设备、非标设备等各种规格链轮选型参数表一、小规格链轮1. 齿数:612齿2. 齿距:9.525mm3. 齿高:5.625mm4. 内孔直径:58mm6. 表面处理:发黑7. 应用场景:小型机械设备、家用电器等二、中规格链轮1. 齿数:1220齿2. 齿距:12.7mm3. 齿高:7.938mm4. 内孔直径:812mm5. 材质:45钢6. 表面处理:发黑7. 应用场景:中型机械设备、工业自动化等三、大规格链轮1. 齿数:2030齿2. 齿距:19.05mm3. 齿高:12.7mm4. 内孔直径:1220mm5. 材质:45钢6. 表面处理:发黑7. 应用场景:大型机械设备、矿山机械等四、特大型链轮1. 齿数:3050齿2. 齿距:25.4mm3. 齿高:16.0mm4. 内孔直径:2030mm6. 表面处理:发黑7. 应用场景:重型机械设备、港口机械等五、其他规格链轮1. 齿数:根据需求定制2. 齿距:根据需求定制3. 齿高:根据需求定制4. 内孔直径:根据需求定制5. 材质:根据需求定制6. 表面处理:根据需求定制7. 应用场景:特殊用途机械设备、非标设备等。
一、链轮的参数和齿形
链轮的基本参数:配用链条的节距p,滚子的最大外径d1,排距p t 以及齿数Z。
链轮的主要尺寸及计算公式见下表。
链轮毂孔的直径应小于其最大许用直径d kmax。
下一页
链轮的国家标准(GB1244-85)中尚
未规定具体的链轮齿形,仅仅规定了最
大和最小齿槽形状及其极限参数。
目前
较常用的一种齿形是三圆弧一直线齿形
(如右图所示)。
右图中,齿廓上的a-a、a-b、c-d线
段为三段圆弧,半径依次为r1、r2和r3;
b-c线段为直线段。
二、链轮的结构和材料
根据链轮直径的大小,链轮可制成整体式、孔板式和组装式(参见结构图)。
链轮的轴向齿廓及尺寸应符合国标GB1244-85的规定。
链轮的材料应能保证轮齿具有足够的耐磨性和强度,不同的材料适合于不同的应用范围,详见下表。