DZKW-D-2电热恒温水浴锅和电热恒温水浴锅价格
- 格式:doc
- 大小:100.00 KB
- 文档页数:3
邻联茴香胺分光光度法测定饲料添加剂中葡萄糖氧化酶活力1 引言葡萄糖氧化酶是一种绿色饲料添加剂,在饲料和畜牧生产中可作为抗氧化剂减缓饲料氧化变质[1],改善动物肠道微生物平衡[2],提高饲料利用率[3],促进动物生长,降低中毒反应更在一定程度上替代抗菌药物和抗球虫病药物,具有广泛的应用前景。
由于葡萄糖氧化酶的高度专一性,基于不同的酶活定义而建立的检测方法主要有电化学法、测压法、凝胶电泳法、滴定法、分光光度法和傅立叶变换红外光谱法等[4]。
电化学法、测压法、凝胶电泳法存在方法操作复杂,要求严格,有很强的仪器依赖性;滴定法存在工作量大、样品需要量大、人工读数导致的测量精度低,尤其在混合型饲料添加剂的检测中不能排除酸性、碱性载体干扰的缺点。
傅立叶变换红外光谱法是较新开发的一种检测方法,优点为检测速度快,试剂用量少。
缺点为仪器要求和模型建立需要前期投入太大,限制了其使用范围。
因此寻找一种简便,快捷,灵敏的高的酶活力检测方法很有意义。
本研究采用邻联茴香胺分光光度法测定葡糖糖酶活力。
反应机理为:葡萄糖氧化酶是一种需氧脱氢酶,能催化氧化葡萄糖生成葡萄糖酸和过氧化氢,过氧化氢和无色的还原型邻联茴香胺在过氧化物酶的作用下生成水和红色的氧化型邻联茴香胺。
在一定的pH、温度、浓度及反应时间内通过测定产物吸光度在460nm 波长下的变化速率定量计算出酶活力。
基本反应式为:β-D-葡萄糖+H20+O2 δ-D-葡萄糖基-1,5-内酯+H2OH2O2+邻联茴香胺氧化型邻联茴香胺+2H2O1实验部分1.1仪器设备北京瑞利仪器XX公司UV-2600型紫外可见分光光度计;北京中兴伟业仪器XX公司DZKW-2型电热恒温水浴锅;赛多利斯科学仪器XX公司BSA224S型分析天平。
1.2实验试剂和材料标示含量为40GODU/g的葡萄糖氧化酶饲料添加剂;辣根过氧化物酶(上海蓝季生物);邻联茴香胺(sigma,D9143);磷酸二氢钠(国药试剂);磷酸氢二钠(国药试剂);葡萄糖(国药试剂)。
电热恒温水浴锅标准
电热恒温水浴锅是实验室中常用的设备之一,主要用于加热和保持一定温度的液体。
以下是一些常见的电热恒温水浴锅标准:
1. 温度范围:通常情况下,电热恒温水浴锅的温度范围在室温至 100°C 之间,可以根据需要进行调节。
2. 温度精度:电热恒温水浴锅的温度精度通常在±0.1°C 至±0.5°C 之间,这意味着它可以保持设定温度的准确性。
3. 加热功率:加热功率是指电热恒温水浴锅的加热能力,通常在几百瓦至几千瓦之间。
加热功率越大,加热速度越快。
4. 内胆材质:内胆材质通常采用不锈钢或铝合金等材料,具有耐腐蚀、耐高温等特点。
5. 控制方式:电热恒温水浴锅的控制方式通常有机械式和电子式两种。
电子式控制方式更加精准,可以实现温度的自动控制和调节。
6. 安全性能:电热恒温水浴锅应具有过温保护、漏电保护等安全性能,以保障使用者的安全。
DZKW-C型电子恒温水浴锅操作规程
1、加水于锅内,根据实验需要加入适量的水。
2、接通电源,开启开关。
3、将温度调到实验所需温度,观察温度计是否已升到所需温度。
如果锅内温度不够,而指示灯不亮,可向右(顺时针)旋转调节器,使指示灯亮,直至锅内温度和所需温度相同(温度误差±1℃),固定旋钮。
如温度高于所需温度,则可向左(逆时针)旋转调节器,使指示灯熄灭,加冷水调节温度至所需温度,固定调节旋钮。
注意事项
1、电源应是三眼插座,三眼插座前装一只闸刀开关。
2、水浴锅内不可装水过多,以免沸腾时溢出锅外,但锅内水量不得少于最低水位(即加热管不能裸露于水面),以免损坏电热管及焊锡熔化、漏水。
3、锅内中间的一根铜管内装有玻璃棒作调节恒温用,切勿碰撞和剧烈振动,以免碰断玻璃棒使调节失灵。
4、水浴锅应防雨、防潮,以免使性能降低。
5、调节器的“电源”、“加热”若日久损坏,须切断电源,再将指示灯罩取下,更换灯泡,若要修理调节器及电热管时,先将调节器旋钮旋下,再卸下调节器盒。
.。
分析检测不同干燥方式对柠檬片品质特性的影响黄卉卉,曹 蒙,吴春锐,刘 涛*(信阳农林学院 食品学院,河南信阳 464000)摘 要:为探究不同干燥方式对柠檬片品质特性的影响,分别采用自然干燥法、真空冷冻干燥法、热风干燥法进行对比干燥试验。
通过对各干燥方式影响因素的感官评价,确定出最佳工艺参数,在此基础上,测定不同干燥方式制得的柠檬片的硬度、复水比、维生素C含量和感官评分。
结果表明,真空冷冻干燥法的复水比和维生素C含量最高,分别为2.9、40 mg/100 g;热风干燥法的感官评分和硬度最高,分别为74分、125.5 N。
对比分析可得出,真空冷冻干燥法是高附加值柠檬片的首选干燥方法。
该试验为柠檬片加工及其品质评价提供了一定的理论依据。
关键词:柠檬片;自然干燥;真空冷冻干燥;热风干燥Effect of Different Drying Methods on the QualityCharacteristics of Lemon SlicesHUANG Huihui, CAO Meng, WU Chunrui, LIU Tao*(College of Food Science, Xinyang Agriculture and Forestry University, Xinyang 464000, China)Abstract: In order to explore the effect of different drying methods on the quality characteristics of lemon slices, three methods of natural drying, vacuum freeze-drying method and hot-air drying method were compared. Through the sensory evaluation of the influencing factors of each drying method, the optimal process parameters of each method were determined. On this basis, the hardness, rehydration ratio, vitamin C content and and sensory score of lemon slices prepared by different drying methods were determined. The results showed that the rehydration ratio and vitamin C content of the vacuum freeze-drying method were the highest, which were 2.9 and 40 mg/100 g; the sensory score and hardness of the hot-air drying method were the highest, which were 74 points and 125.5 N. The comparative analysis showed that the vacuum freeze-drying method was the preferred drying method for high value-added lemon slices. The experiment provided a theoretical basis for the processing and quality evaluation of lemon slices.Keywords: lemon slices; natural drying; vacuum freeze-drying; hot-air drying柠檬为芸香科柑橘属植物,果实中含有糖类、钙、磷、铁及维生素B1、B2、C等多种营养成分,还含有丰富的柠檬酸、黄酮类、挥发油等。
电热恒温水浴锅用途电热恒温水浴锅是一种多功能的实验室工具,可以被广泛地应用于各种化学、生物、制药、环保等领域的实验中。
它能够提供稳定的温度环境,使实验的结果更加准确可靠。
首先,电热恒温水浴锅广泛运用于化学实验。
在化学实验中,往往需要控制溶液的温度以确保实验的成功。
电热恒温水浴锅不仅可以提供高精度的温度调节,而且也可以保持温度稳定不变。
这使得化学反应可以在恒定的条件下进行,以获得更加准确的结果。
同时,水浴锅的内胆通常采用防腐材质,可以防止化学物质对设备造成腐蚀等损坏。
第二,生物实验也是使用电热恒温水浴锅的重要领域之一。
在生物实验中,通常需要控制培养基或试剂的温度,以促进细胞分裂或化学反应。
在这方面,电热恒温水浴锅可以实现高精度温度控制,在非常短的时间内将温度升高或降低到所需的温度。
此外,水浴锅内部还可以安装不同类型的架子,以容纳试管、培养皿等生物试剂。
第三,电热恒温水浴锅在制药行业也有广泛应用。
在药物试验和生产中,控制制药反应的温度非常重要。
因此,这些工业用的水浴锅需要能够保持高稳定性并适应大量试剂的需要。
此外,操作抑制剂和参考剂的药品也需要进行特殊的温度控制。
因此,电热恒温水浴锅成为了制药和医药实验室中不可或缺的设备。
最后,电热恒温水浴锅还在环境检测中发挥着关键作用。
因为许多环境测试需要以特定的温度进行,如VOC、水质检测和营养元素分析。
电热恒温水浴锅的精准温度控制功能在环境测试中也能得到最大的利用。
总之,电热恒温水浴锅是目前广泛应用于实验室的一种设备。
它不仅具有高温度精度,而且还具有稳定性和易用性。
无论是化学、生物学、制药或环保领域的实验,电热恒温水浴锅将成为您成功完成实验的重要工具之一。
电热恒温水浴锅说明书电热恒温水浴锅主要用于蒸馏、干燥、浓缩及温渍化学药品或生物产品。
是各大中专院校、科研企事业单位实验室及化验室的常规必备产品。
一、技术参数电源:220V 50Hz 控温范围:室温-100℃控温精度:±0。
1℃二、操作说明1、温度设定:按SET键可设定或查看温度设定点。
按一下SET键字符开始闪动,表示仪表进入设定状态,按↑键设定值增加,按↓键设定值减小,长按↑键或↓键数据会加速变动,再一次按SET键,仪表回到正常工作状态,温度设定完毕。
2、回差控制:按SET键3秒仪表进入内层参数设定状态。
第一个出现并闪动的参数为COO即回差值。
回差值控制参数要慎重调整,仪表控制加热输出值到设定值,当温度下跌到设定值减回差值时又开始加热。
在回差范围内输出(继电器)是不动作的,这样可减少继电器动作次数以利于延长继电器寿命。
回差值越大继电器动作次数越少。
回差值过大会降低控制精度。
调整好回差参数后按SET键3秒钟仪表回到正常工作状态。
3、提前量设定:按SET键3秒仪表进入内层参数设定状态。
第一个出现并闪动的参数为EOO即为加热停止前提量。
前提量参数要慎重调整,为减少温度过冲,仪表控制加热输出时会提前截止加热。
当温度下跌到提前量一下时又开始加热,在设定值与提前量范围内输出(继电器)是不动作的,这样可减少继电器动作次数以延长继电器寿命。
提前量越大继电器动作次数越少,提前量过大会降低控制精度。
调整好提前量参数后按SET键3秒钟仪表回到正常工作状态。
4、时间比例设置:按SET键3秒仪表进入内层参数设定状态。
E:为比例带偏移量,E参数可使实际控制点平衡移。
即使时间比例的中心平移。
依加热系统的不同E值可正也可为负。
P:为比例带,即比例控制值,为了便于理解同时也为了使比例带有更大的表示空间,本仪表的比例带是单边比例带,即实际比例带是2倍P值。
以实际控制点为中心从下至上在P 值范围内输出加热比例按0%-100%均布。
XXXX
标准操作规程
操作程序
1 开机前准备
水浴锅应放置在稳定的平台上,使用前先将水加至隔板以上50mm。
2 开机
插上电源插头,打开电源开关,温控表面上排红字显示“150”,下排红字显示为“0”,过几秒后,上排红字为水箱中水的实际温度值。
此时按“SET”键,上排红字为“So”,下排红字为设定温度值,按“∧”或“∨”键,使下排红字显示为所需要的设定温度值。
按“SET”键回到标准模式。
3 关机
使用完仪器后,关闭电源,同时将电源插头取下。
4 注意事项
4.1使用前,必须首先将水加入隔板以上50mm再通电加热,注意不得缺水加热。
但也不要加得过多,以免沸腾时水溢出水箱。
4.2使用时,注意不应用手接触加热管,避免烫伤。
4.3用后,及时将水放掉,并将水浴锅擦干净保持清洁,以延长使用寿命。
5 记录
5.1 记录内容
记录DK-98-Ⅱ型电热恒温水浴锅的使用情况。
5.2 记录表格
使用时要填写DK-98-Ⅱ型电热恒温水浴锅使用记录表《XXX》
第 1 页共 1 页。
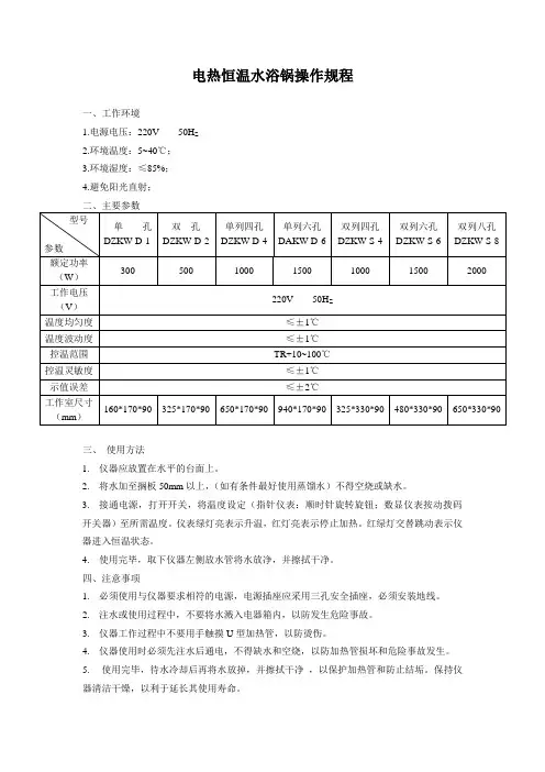
电热恒温水浴锅操作规程
一、工作环境
1.电源电压:220V 50H Z
2.环境温度:5~40℃;
3.环境湿度:≤85%;
4.避免阳光直射;
三、使用方法
1.仪器应放置在水平的台面上。
2.将水加至搁板50mm以上,(如有条件最好使用蒸馏水)不得空烧或缺水。
3.接通电源,打开开关,将温度设定(指针仪表:顺时针旋转旋钮;数显仪表按动拨码开关器)至所需温度。
仪表绿灯亮表示升温,红灯亮表示停止加热。
红绿灯交替跳动表示仪器进入恒温状态。
4.使用完毕,取下仪器左侧放水管将水放净,并擦拭干净。
四、注意事项
1.必须使用与仪器要求相符的电源,电源插座应采用三孔安全插座,必须安装地线。
2.注水或使用过程中,不要将水溅入电器箱内,以防发生危险事故。
3.仪器工作过程中不要用手触摸U型加热管,以防烫伤。
4.仪器使用时必须先注水后通电,不得缺水和空烧,以防加热管损坏和危险事故发生。
5.使用完毕,待水冷却后再将水放掉,并擦拭干净,以保护加热管和防止结垢。
保持仪器清洁干燥,以利于延长其使用寿命。
实验室常见的加热设备使用注意事项一、电热恒温水浴锅电热恒温水浴用于用于医疗单位、大专院校、科研部门和生产单位进行蒸发、干燥、浓缩、恒温加热等。
使用电热恒温水浴时应留意下列事项:1)恒温水浴使用前一定先要注入适量净水。
使用过程中要留意及时增补净水,因炉丝套管是焊接密封的,无水时加热会烧坏套管,使水进入套管毁坏炉丝或发生漏电现象2)温度自动控制盒中有双金属片弹簧式装置,通过双金属片的膨胀或收缩或接通或堵截电源,达到控制温度的目的。
留意勿使盒溅上水或受潮,以防控制失灵、漏电或损坏。
3)水浴箱内要保持清洁,按期洗刷、防止生锈和防止漏水、漏电。
箱内水要常常更换。
如较长时间听用,箱内水要全部放掉并用布擦干,以免生锈。
二、电热恒温箱实验室中常用的电热恒温箱最高温度可达200℃或300℃,称为干燥箱或工业烘箱。
最常使用的温度为100—150℃,多用于烘干试样或干燥玻璃容器。
使用电热恒温箱时应留意下列事项:1.干燥箱应放在室内工作,安装平稳水平处,要保持干燥,做好防潮和防湿,并要防止腐蚀.2.干燥箱放置处要有一定的距离,四面离墙体建议要有2M以上。
3.干燥箱使用前要检查电压,较小的烘箱所需电压为220V,较大的烘箱所需电压为380V(三相四线),根据烘箱耗电功率安装足够容量的电源闸刀。
并且选用合适的电源导线。
还应做好接地线工作。
4.以上工作准备就绪后方可将试品放入干燥箱内,然后连接电源,开启烘箱开关,带鼓风装置的烘箱,在加热和恒温的过程中必须将鼓风机开启,否则影响工作室温度的均匀性,并且可能损坏加热元件。
随后调节好适宜试品烘赔的温度.烘箱即进入工作状态。
5.烘赔的物品排列不能太密。
干燥箱底部(散热板)上不可放物品,以免影响热风循环。
禁止烘赔易燃、易爆物品及有挥发性和有腐蚀性的物品。
6. 烘赔完毕后先切断电源,然后方可打开工作室门,切记不能直接用手接触烘赔的物品,要用专用的工具或带隔热手套取烘赔的物品,以免烫伤。
7.干燥箱工作室内要保持干净。
电热恒温水浴锅电热恒温水箱使用说明书天津天有利科技有限公司地址:东丽区金钟公路3699号电话:022-********传真:022-********网址:www.www.mafulu mafulu .com前言感谢您使用天有利产品,在使用产品前请务必仔细阅读说明书。
本说明书主要介绍了该产品的外形示意图,结构特点,主要技术数据,使用方法,注意事项等方面内容,以便正确操作,确保安全,避免因操作不当带来的不必要损失。
本公司在以后的生产制造系列产品过程中可能要对某些方面做一些必要的技术改进,如遇说明书所述内容与产品有所不符时,恕不另行通知,敬请谅解。
一、产品简介与使用范围感谢您购买了天有利仪器,在使用本仪器前,请详细阅读说明书。
使本仪器发挥最大效用。
本公司生产的系列水浴锅、水箱,控温仪表分为指针式、数显式、智能式三种。
DK-S24型为电热恒温水浴锅,HHW21型为电热恒温水箱,SHHW21型为三用电热恒温水箱。
三用电热恒温水箱为“水浴锅”、“水温箱“、”煮沸消毒器“三种用途的综合产品。
本公司生产的系列水浴锅、水箱广泛用于大专院校、医疗、化工、制药、石油等科研单位进行恒温加热化学药品、生物制品,检测血清和生物实验室恒温培养,三用水箱可针对注射器和小型手术器械进行煮沸消毒用。
二、主要技术参数名称型号规格功率(KW)工作室尺寸(mm)电压(V)波动度(℃)控温范围电热恒温水浴锅单孔0.3170X170X90220≤±1环境温度-100℃单二孔0.5320X170X90220≤±1环境温度-100℃单四孔1620X170X90220≤±1环境温度-100℃单六孔 1.5940X170X90220≤±1环境温度-100℃双四孔1320X325X90220≤±1环境温度-100℃双六孔 1.5480X325X90220≤±1环境温度-100℃双八孔2620X325X90220≤±1环境温度-100℃三用恒温水箱SHHW21-6002600X300X150220≤±1环境温度-100℃三用恒温水箱SHHW21-4201420X180X105220≤±1环境温度-100℃电热恒温水箱HHW-6000.75600X300X150220≤±1环境温度-65℃电热恒温水箱HHW-4200.5420X180X105220≤±1环境温度-65℃三、结构概述本仪器外壳采用优质冷轧钢板制成,表面经喷塑处理,工作室、上盖采用优质不锈钢板制成,加热方式采用U形浸入式加热管加热,本仪器具有控温精度高,耐腐蚀,性能稳定,操作方便等优点。
DK-98-II型电热恒温水浴锅使用方法
一、使用步骤
1、在水浴锅内加入清洁温水至总高度的1/2-2/3处;
2、把电源开关拔至“1”处,控温仪面板既有数字显示表示电源接通。
3、温度设定
按“SET”键进入温度设定状态,SV设定显示一闪一闪,再按移位键“”配合加键“”或“”设定结束按“SET”键确认。
4、设定结束后,各项数据长期保存。
此时水浴锅进入升温状态,加热指示灯亮。
当箱内温度接近设定温度时,加热指示灯忽亮忽熄,反复多次,控制进入恒温状态。
二、注意事项
1、在未加水前,切勿按下控温开关,以防烧毁电热管。
2、当水浴锅发出声光报警时,请先检查设定温度是否偏离正常范围,如未偏离,应停止使用,请专业维修人员检查或交本厂修理。
3、控温仪参数循环设定P、I、D、T、LCK功能的各项参数出厂前已调整好,请不要随意调整,如需调整请与厂方联系。
电热恒温水浴锅操作规程
一、使用方法及注意事项
1、安全用电:该仪器用220V交流电源,电源插座应采用三孔安全插座,必须铜山接地,且不可将接地线接到煤气管上。
2、通电前应先将水注入锅内至隔板以上五公分左右,使用过程中加热管决不能露处水面,否则加热管将会烧毁甚至爆裂或漏水、触电等。
3、加热状态下(绿灯亮时)设定无效,无控制,可能会一直升温至沸腾,因此不能再绿灯亮时修改设定。
二、操作方法
1、接通电源(插入电源插头),电源指示灯亮(红灯),表示电源已接通。
2、按电源键,数码管亮,温控仪工作。
3、温度设定:
显示范围0-99.9℃,控温范围:试问=5℃-99.9℃。
4、按功能键,数字善良即可设定,长按▲或▼键,温度值快速“增”或“减”至接近所需设定的温度值,点动▲或▼键,每次.1℃,精确调整至所需设定温度值。
设定结束,按功能键进入P值设定。
5、P值设定:
P值设定范围:0-99,出厂时设定30.
P值功能:P值为加热未到设定值提前进入间隙加热,自整定模糊控制的温度数。
P值可调节加热速度与控制温度偏差,P值设定与环境温度,工作温度及注水量有关,环境温度与哦你工作温度差值小,注水量少,P值应调大,反之P值应调小,实测温度高于设定温度,P值应调大,反之实测温度低于设定温度,P值应调小。
P值小,加热速度快。
P值设定:按功能键,显示P,即可按▲或▼键,设定P值,设定结束,按功能键进入控温状态,绿灯交替亮灭,绿灯亮表示加热,绿灯灭表示恒温。
6、工作结束,按电源键,显示OFF,至数码管不亮,即为关机。
实验用电炉种类
实验用电炉是化学实验中常用的设备之一,通过加热样品或反应物,以控制反应的速率、温度和反应的程度。
根据不同的实验目的,实验用电炉也有不同的种类。
下面介绍几种常见的实验用电炉。
1. 电热恒温器:电热恒温器主要用于控制反应的温度,通常用于有机合成反应中。
电热恒温器可以通过设定温度来控制反应的速率和程度,保证反应的精确性和可重复性。
2. 烘箱:烘箱主要用于将样品或试剂干燥。
在一些实验中,需要将水分或其它溶剂从样品或试剂中去除,使得样品或试剂中的固体物质更加纯净和稳定。
3. 电磁加热器:电磁加热器可以通过电磁波的作用来加热样品或反应物,通常用于化学物理实验中。
电磁加热器比其它加热方式更加灵活和精确,可以通过调节电磁波的频率和强度来控制反应的速率和程度。
4. 恒温水浴锅:恒温水浴锅主要用于控制反应的温度,通常用于生物化学实验中。
恒温水浴锅可以通过将试管或容器放在加热到恒定温度的水中,来控制反应的速率和程度。
总的来说,不同类型的实验用电炉各有其特点和适用范围,实验者需要根据实验的具体要求来选择合适的设备。
- 1 -。
箬叶缓释补水材料的开发及在面膜上的应用锁进猛;张浩;滕美;周聃一;乐薇【摘要】开发一种箬叶缓释补水材料的新型面膜产品.以保湿率、羟基自由基清除率与酪氨酸酶活力抑制率的综合评价CE值为考察指标,通过对箬叶活性凝胶含量、壳寡糖保湿凝胶含量、箬叶活性凝胶与壳寡糖保湿凝胶配比三因素五水平星点试验设计对传统面膜配方进行优化,并对结果进行多元线性和二次多项式非线性拟合,进行预测分析与验证试验.进一步进行感官评价与动物刺激试验.面膜最优配方组成:箬叶活性凝胶含量4.6%、壳寡糖保湿凝胶含量2.4%以及箬叶活性凝胶与壳寡糖保湿凝胶配比1.2,保湿率、羟基自由基清除率与酪氨酸酶活力抑制率预测值与理论值的偏差分别为0.63%、0.58%与0.35%.面膜使用效果试验表明:该面膜中不合刺激、易致敏成分,作用条件温和,面膜理化及感官评价指标符合国家接受标准,同时动物实验未表现出异常,进行临床研究表明该面膜具有明显美白效果.星点设计-效应面法对箬叶缓释补水面膜制备工艺优化,理论模型预测良好,适用于该面膜配方的优化.箬叶缓释补水面膜具有一定的美白、保湿与抗衰老功效.【期刊名称】《湖北林业科技》【年(卷),期】2019(048)004【总页数】8页(P24-30,74)【关键词】箬叶;黄酮;面膜;壳聚糖;星点设计【作者】锁进猛;张浩;滕美;周聃一;乐薇【作者单位】武汉工商学院环境与生物工程学院武汉430065;武汉工商学院环境与生物工程学院武汉430065;武汉工商学院环境与生物工程学院武汉430065;武汉工商学院环境与生物工程学院武汉430065;武汉工商学院环境与生物工程学院武汉430065【正文语种】中文【中图分类】S753箬叶竹Indocalamus longiauritus别名粽叶,又叫“角黍”“筒粽”[1-2],1825年被Hand.-Mazz正式命名,主要产于浙江西天目山、衢县和湖南零陵阳明山,中国长江以南包括安徽、浙江、湖南、湖北、四川等14个省均有生长,目前已发现近20个亚种[3-4],箬叶具有清热止血、解毒消肿之效[5],可以治疗吐血、下血、小便不利、喉痺、痈肿等病症[6]。
II型ZTC1+1天然澄清剂在巴西菇多糖提纯中的应用摘要:在考察Ⅱ型ZTC1+1天然澄清剂对巴西菇多糖提纯工艺影响的过程中,用单因素试验研究了提取原液稀释倍数、澄清剂用量、澄清剂絮凝温度对多糖损失率和蛋白脱除率的影响,进一步以多糖纯度为考察指标,利用响应面分析法优化各因素及其相互作用后获得的最佳工艺条件为提取原液稀释倍数7.20,澄清剂用量7.44%,澄清剂絮凝温度57.23℃,此时,巴西菇多糖纯度为62.78%。
关键词:巴西菇;多糖;II型ZTC1+1天然澄清剂;脱蛋白;提纯巴西菇(Agaricusbrasiliensis)又名姬松茸,是一种重要的药食兼用菌。
其子实体肉质鲜嫩、香气浓郁、美味可口,含有丰富的蛋白质、核酸、多糖类、甾醇、维生素等多种活性物质,营养价值极高。
近年来研究发现,巴西菇具有抑制肿瘤细胞生长,降低血糖、胆固醇含量,改善糖尿病、动脉硬化的作用。
其中的多糖类物质经试验证明具有显著的抗肿瘤活性,在已知具有抗癌活性的真菌中居首位[1,2]。
目前已报道的提纯巴西菇多糖的方法有热水浸提法、酶提法、酸提法、超滤、层析法等,这些方法在巴西菇多糖的提取效率和粗多糖纯化应用方面存在一些问题,有的方法非常适合微量分离纯化,有的方法所需试剂成本高且处理量有限,有的方法需要的设备投资较大且能耗较高,特别对于溶剂的不安全性和回收利用困难等问题未得到解决,多数只适合在实验室进行基础性的研究,不适合大规模的工业生产应用。
吸附澄清法是在提取液中加入一种吸附澄清剂,通过吸附的方式除去溶液中的粗颗粒,达到提纯目的的一项新技术。
Ⅱ型ZTC1+1天然澄清剂属新型药用辅料,是一种天然高分子化合物,安全无毒,该澄清剂由两部分组成,一组分起主絮凝作用,另一组分起辅助絮凝作用,可除去提取液中的淀粉、鞣质、黏液质、蛋白质等大分子杂质而对多糖影响较小。
本研究从利于工业化生产的角度出发,对巴西菇多糖的脱蛋白方法进行了比较,并且对巴西菇多糖纯化制备工艺进行优化,以期用较低的成本得到较高纯度的巴西菇多糖。