地暖验收单
- 格式:doc
- 大小:41.50 KB
- 文档页数:3
地暖工程验收表格
-标准化文件发布号:(9456-EUATWK-MWUB-WUNN-INNUL-DDQTY-KII
低温热水地板辐射采暖安装工程检验批质量记录表
鲁SN-
注:①定性项目符合要求打√,反之打×
山东省建设工程质量监督总站监制
室内采暖管道及配件安装工程检验批质量验收记录表
山东省建设工程质量监督总站监制
采暖辅助设备及散热器安装及金属辐射板
安装工程检验批质量验收记录表
山东省建设工程质量监督总站监制
低温热水辐射采暖安装工程分项工程质量验收记录
山东省建设工程质量监督总站监制
低温热水辐射采暖。
地暖工程验收表格
低温热水地板辐射采暖安装工程检验批质量记录表
SN-055
注:①定性项目符合要求打X反之打X 东省建设工程质量监督总站监制
室内采暖管道及配件安装工程检验批质量验收记录表
SN-053.1
注:①定性项目符合要求打X反之打x
东省建设工程质量监督总站监制
采暖辅助设备及散热器安装及金属辐射板安装工程检验批
质量验收记录表
注:①定性项目符合要求打X反之打x
东省建设工程质量监督总站监制
____________ 项工程质量验收记录
鲁
SN-042
注:本表由施工项目专业质量检查员填写东省建设工程质量监督总站监制
室内
低温热水辐射采暖
管道灌水试验记录
鲁
山东省建设工程质量监督总站监制
低温热水辐射采暖安装工程__________ 水、气压试验记录
鲁|0 |0 |2 I SN-013
山东省建设工程质量监督总站监制
低温热水辐射采暖
管道隐蔽工程验收记录
鲁
山东省建设工程质量监督总站监制。
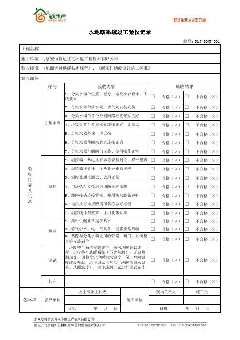
工程名称施工单位验收标准验收部位序号□ 合格(√)□ 不合格(×)□ 合格(√)□ 不合格(×)□ 合格(√)□ 不合格(×)□ 合格(√)□ 不合格(×)□ 合格(√)□ 不合格(×)□ 合格(√)□ 不合格(×)□ 合格(√)□ 不合格(×)□ 合格(√)□ 不合格(×)□ 合格(√)□ 不合格(×)□ 合格(√)□ 不合格(×)□ 合格(√)□ 不合格(×)□ 合格(√)□ 不合格(×)□ 合格(√)□ 不合格(×)□ 合格(√)□ 不合格(×)□ 合格(√)□ 不合格(×)□ 合格(√)□ 不合格(×)□ 合格(√)□ 不合格(×)其它□ 合格(√)□ 不合格(×)现场负责人施工员日期: 年 月 日分集水器温控热源地暖整个系统安装完毕;按照地暖调试流程,运行整个地暖系统(不含热源);开启热源部分,调整设定地暖供水温度,保证房间温度缓缓升温;运行调试正常后(地暖供回水温差、地面温度),关闭热源,试运行调试完毕。
□ 合格(√)□ 不合格(×)调试3、热源与分集水器之间的管路、阀门、系统整合等安装到位签字栏客户单位业主或业主代表施工单位5、线路接头连接紧密,并用防水胶带包好6、电热执行器按照房间名称做好标记7、温控线排列整齐,并用扎带系牢1、集中供暖正常提供热水日期: 年 月 日7、分集水器前的阀门安装、使用操作正常1、温控器、热电执行器等安装到位、横平竖直2、温控器按设计、图纸要求正确接线3、温控器通电测试、试用正常4、电热执行器按房间回路正确接线验收内容及记录验收内容6、分集水器供回水管道连接正确2、燃气炉水、电、气具备,能够正常启动验收结果1、分集水器的位置、型号、路数符合设计、图纸要求2、分集水器的泄水阀、放气阀安装到位3、分集水器的各个控制回路标签张贴完好4、地暖盘管与分集水器连接完好,无漏点5、分集水器外观干净无损水地暖系统竣工验收记录编号:NLJ-SDNJ-001北京安恒信达住宅环境工程技术有限公司《地面辐射供暖技术规程》、《暖乐佳地暖设计施工标准》。
低温热水地板辐射采暖安装工程检验批质量记录表
注:①定性项目符合要求打反之打
山东省建设工程质量监督总站监制
室内采暖管道及配件安装工程检验批质量验收记录表
注:①定性项目符合要求打反之打
山东省建设工程质量监督总站监制
采暖辅助设备及散热器安装及金属辐射板
安装工程检验批质量验收记录表
注:①定性项目符合要求打反之打
山东省建设工程质量监督总站监制
低温热水辐射采暖安装工程分项工程质量验收记录
注:本表由施工项目专业质量检查员填写
山东省建设工程质量监督总站监制
低温热水辐射采暖安装工程水、气压试验记录
山东省建设工程质量监督总站监制低温热水辐射采暖管道隐蔽工程验收记录
鲁SN-012
山东省建设工程质量监督总站监制。
地面工程质量验收表(地板采暖部分)
第一次试压记录表(地板采暖系统,混凝土回填之前)
第二次试压记录表(地板采暖系统,装饰完成)
注:本单一式二份。
一份客户保存;一份工程部存档。
系统维护记录表(地板采暖部分)
注:本单一式二份。
一份交客户保存; 一份交工程部存档。
系统维护记录表(地板采暖部分)
注:本单一式二份。
一份客户保存;一份工程部存档。
地板采暖系统调试、验收单
注:本单一式二份。
一份客户保存;一份工程部存档。
资料:1、采暖系统操作指南2、产品说明书及质检证书等。
签收(客户或授权人):年月日
生活热水管道工程施工单
注:本单一式二份。
一份客户保存;一份工程部存档。
暖通工程管路系统冲洗验收单
注:本单一式二份。
一份客户保存;一份工程部存档。
暖通工程管路系统冲洗验收单编号:
注:本单一式二份。
一份客户保存;一份工程部存档。
低温热水地板辐射采暖安装工程检验批质量记录表
注:①定性工程符合要求打√,反之打×
省建立工程质量监视总站监制室采暖管道及配件安装工程检验批质量验收记录表
注:①定性工程符合要求打√,反之打×
省建立工程质量监视总站监制采暖辅助设备及散热器安装及金属辐射板
安装工程检验批质量验收记录表
注:①定性工程符合要求打√,反之打×
省建立工程质量监视总站监制低温热水辐射采暖安装工程分项工程质量验收记录
省建立工程质量监视总站监制室低温热水辐射采暖管道灌水试验记录
低温热水辐射采暖管道隐蔽工程验收记录。
地暖验收报告报告人:XXX报告日期:XXXX年XX月XX日验收单位:XXX公司一、验收项目本次验收的地暖工程共包括以下项目:1. 在地面上安装了XXX平方米的地暖管道。
2. 安装了XXX个电热控制器,用于控制每个房间的温度。
3. 安装了XXX个循环水泵和XXX个配水器,并设置有相应的管路。
4. 安装了XXX个水垢过滤器和XXX个防回流阀。
5. 进行了相关的测试和调试,保证地暖系统正常运行。
二、验收标准根据合同约定,本次地暖验收需符合以下标准:1. 热交换器温差不得超过5度。
2. 水泵电流不得超过额定电流的110%。
3. 每个房间的温度控制应准确无误,误差不得超过1度。
4. 系统的安全性应得到保障,水泵噪音不得超过XX分贝。
三、实际验收情况1. 安装质量良好:经过现场勘测和现场实际测试,所有地暖管道、电热控制器、配水器等均符合合同约定的要求。
2. 系统运行稳定:在试运行阶段,地暖系统正常工作,连续运行三天没有出现故障。
并通过相应的测试和调试工作,各项参数符合合同要求。
3. 温度控制准确:经过对每个房间的温度控制器进行调试,每个房间的温度控制误差不超过1度。
4. 系统安全性可靠:水泵噪音低于XX分贝,防回流阀和过滤器的作用有效,系统安全性得到了保障。
四、建议在施工过程中,我们发现有些材料和设备的质量不是很稳定。
例如,有些配水器的密封性能不足,导致水箱内部漏水严重。
有些电热控制器不太灵敏,需要进行反复校准才能准确控制温度。
建议在后续的工程中更加重视材料和设备的质量,以确保产品质量和客户满意度。
五、总结本次验收的地暖工程符合合同约定的各项标准。
我们将持续跟踪监测地暖系统的运行状况,确保产品质量和客户满意度。
同时,我们也将不断完善自身的技术水平,以更好地服务于客户。