隐蔽工程验收记录表地暖
- 格式:doc
- 大小:27.50 KB
- 文档页数:3
___地板采暖_______管道隐蔽工程验收记录
鲁SN —012
工程名称
施工单位 分项工程名称 地板采暖
监理(建设)单
位
环境温度
验收日期
年 月 日
图号和管线号 五 层
管 径
DN20 数 量 材 质 PE-RT 接头形式 无接头 工作介质
热水
防 腐
绝 热
发 泡
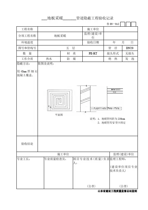
隐蔽方法:
用40mm 厚细石混凝土覆盖。
简图及说明:
验收结论
施工单位
监理(建设)单位
专业工长:
专业质量检查员:
项目专业技术(质量)负责人: 监理工程师: (建设单位项目专业
技术负责人)
(公章) (公章)
平面图
说明:1、地暖管间距为250cm
2、地暖管用U 型卡固定
DN20地暖管 发泡
___给水管道___水、气压试验记录
山东省建设工程质量监督总站监制
___给水管道___水、气压试验记录
山东省建设工程质量监督总站监制。
隐蔽工程验收记录鲁JJ—037工程名称隐检项目隐检日期2014年3月28日隐检部位一层地板采暖层轴线标高隐检依据:施工图图号,设计变更/洽商(编号)及有关国家现行标准等。
主要材料名称及规格、型号:隐检内容:检查验收意见:施工单位项目(专业)技术负责人监理工程师(建设单位项目专业负责人)本表由施工单位填写。
鲁JJ—037工程名称隐检项目隐检日期2014年3月28日隐检部位二层地板采暖层轴线标高隐检依据:施工图图号,设计变更/洽商(编号)及有关国家现行标准等。
主要材料名称及规格、型号:隐检内容:检查验收意见:施工单位项目(专业)技术负责人监理工程师(建设单位项目专业负责人)本表由施工单位填写。
鲁JJ—037工程名称隐检项目隐检日期2014年3月28日隐检部位三层地板采暖层轴线标高隐检依据:施工图图号,设计变更/洽商(编号)及有关国家现行标准等。
主要材料名称及规格、型号:隐检内容:检查验收意见:施工单位项目(专业)技术负责人监理工程师(建设单位项目专业负责人)本表由施工单位填写。
鲁JJ—037工程名称隐检项目隐检日期2014年3月28日隐检部位四层地板采暖层轴线标高隐检依据:施工图图号,设计变更/洽商(编号)及有关国家现行标准等。
主要材料名称及规格、型号:隐检内容:检查验收意见:施工单位项目(专业)技术负责人监理工程师(建设单位项目专业负责人)本表由施工单位填写。
鲁JJ—037工程名称隐检项目隐检日期2014年3月28日隐检部位五层地板采暖层轴线标高隐检依据:施工图图号,设计变更/洽商(编号)及有关国家现行标准等。
主要材料名称及规格、型号:隐检内容:检查验收意见:施工单位项目(专业)技术负责人监理工程师(建设单位项目专业负责人)本表由施工单位填写。
鲁JJ—037工程名称隐检项目隐检日期2014年3月28日隐检部位六层地板采暖层轴线标高隐检依据:施工图图号,设计变更/洽商(编号)及有关国家现行标准等。
主要材料名称及规格、型号:隐检内容:检查验收意见:施工单位项目(专业)技术负责人监理工程师(建设单位项目专业负责人)本表由施工单位填写。
地暖管隐蔽工程验收记录表
地暖管隐蔽工程验收记录表是一个用于记录地暖管隐蔽工程验收情况的表格。
它可以帮助您记录所有的细节,以便在以后进行参考和审计。
以下是一个示例表格:
序号工程内容完成情况验收标准验收结果验收人员签字
:--: :--: :--: :--: :--: :--:
1 管道铺设
2 管道连接
3 管道固定
4 管道防腐处理
5 压力测试
6 验收合格证明书
在填写表格时,您需要按照实际情况填写每一项内容。
例如,在“完成情况”一栏中,您可以填写“已完成”或“未完成”;在“验收标准”一栏中,您可以填写具体的验收标准,如“管道铺设平整,无扭曲、打折现象”;在
“验收结果”一栏中,您可以填写实际验收结果,如“合格”或“不合格”;在“验收人员签字”一栏中,您可以填写验收人员的签名。
这只是一个示例表格,具体表格可能因实际情况而异。
建议您根据实际工程需求制定详细的地暖管隐蔽工程验收记录表,以确保工程质量和安全。