EOCR-SS__过流继电器说明书
- 格式:doc
- 大小:97.50 KB
- 文档页数:3
GL-22电磁式过流继电器产品说明:型号:GL-22额定电流:5A、10A安装方式:凸出式板前、凸出式板后触点形式:常开、常闭、延时替换型号:RGL-22GL-22过电流继电器一、用途GL-22反时限过流继电器(以下简称继电器)具有反时限特性,应用于电机、变压器等主设备以及输配电系统的继电保护回路中。
当主设备或输配电系统出现过负荷及短路故障时,该继电器能按预定的时限可靠动作或发出信号,切除故障部分,保证主设备及输配电系统安全。
二、结构与工作原理继电器内部端子接线图继电器的工作原理是复合式的,由公用一个线圈的感应式和电磁式的两个元件组成。
当继电器的线圈通以交流电流时,则在铁芯的遮蔽与未遮蔽部分产生两个具有一定相位差的磁通。
此磁通与其在圆盘中感应的涡流相互作用,在圆盘上产生一转矩。
在20%~40%的动作电流整定值下,圆盘开始旋转。
此时由于扇齿与蜗杆没有咬合,故继电器不动作。
当线圈中的电流增大至整定电流时,电磁力矩大于弹簧的反作用力矩框架转动,使扇齿与蜗杆咬合,扇齿上升。
此时继电器的动铁在扇齿顶杆的推动下,使导磁铁右边气隙减少,左边气隙增大,因而动铁被导磁铁吸合,使继电器触点动作。
当继电器线圈中的电流为整定值时,感应元件的动作时限与电流的平方成反比。
随着电流的增加,导磁体饱和,动作时限逐渐趋于定值。
当线圈中的电流大到某一电流倍数时,电磁元件瞬时动作,因而过流继电器的动作时限具有有限反延时的特性。
继电器具有若干抽头,用以调整感应元件与电磁元件的动作电流。
另外用倍流螺钉改变动铁与电磁铁之间的气隙来调整电磁元件动作电流。
继电器具有调整感应元件动作时间整定值的机构及主触点动作的信号牌。
用手旋转返回机构,可使信号牌返回,并不需取下外壳。
GL-11、12、21、22型继电器具有一付动合主触点(或一付动断主触点,需订制),既具有反时限功能,也具有瞬动功能。
GL-13、14、23、24型继电器具有一付动合主触点(或一付动断主触点,需订制)和一付由感应元件操作的延时信号触点,其主触点只有瞬动功能,无反时限功能,信号触点只有反时限功能,无瞬动功能。
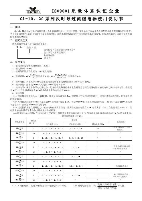
一、用途GL-10、20系列反时限过流继电器(以下简称继电器),应用于电机、变压器等主要设备以及输配电系统的继电器保护回路中,当主设备或输配电系统出现过负荷及短路故障时,该继电器能按预定的时限可靠动作或发出信号,切除故障部分,保证主设备及输配电系统安全运行。
二、型号及含义继电器的型号及其所代表的意义如下: G L — □□ / □ 规格代号(以数字表示具体规格) 设计序号(用两位数字) 电流继电器感应式三、技术要求1、继电器额定电流及调整范围,见表1;2、额定频率:50Hz ;3、线圈的长期允许电流为110%额定电流;4、返回系数:GL-12112221、、型不小于0.85。
GL-1615141326252423、、、、、、 型不小于0.8; 5、动率消耗:当电流等于继电器整定电流时继电器线圈所消耗的功率不大于15V A ;6、绝缘强度:能耐受50Hz 交流电压2000V 历时1分钟;7、绝缘电阻:继电器各导电电路连在一起对外壳及外露的非带电金属部分之间及线圈电路对触点电路之间的绝缘电阻,在温度为40℃±2℃及相对湿度为90%时其绝缘电阻值应不小于4M Ω。
8、触点性能(1)常开接点在电压不大于220V 时,能接爱直流或交流5A 、但是断开它所接通的电路时,应当由其他触点担任。
例如油开关的辅助触点。
(2)常闭接点应能断开电压不超过220V 及电流不超过0.5A ,容量为50W 的有感负荷的直流电路,或电压不超过250V 及电流不超过2A ,容量为250V A 的交流电路。
(3)过渡转换主触点通断能力:被控电路由变流器供电,且其阻抗值在电流为3.5A 时不大于4.5Ω,当电流增至150A 时,继电器主触点能够将这个电路分流接通与分流断开。
(4)常开辅助触点性能,在电压不超过220V 时,能接通或断开电流不超过0.2A 的直流无感电路或电流不超过0.5A 的交流电路。
继电器的规格列于表1* (1)动作时间:是指10倍整定动作电流时的动作时间。
abb热过载继电器说明书
ABB热过载继电器是一种用于电气设备保护的重要组件。
它们
通常用于监测电动机的电流,以便在电流超出额定值时断开电路,
以防止电动机过载。
以下是关于ABB热过载继电器的说明书内容:
1. 产品介绍,说明书应该包括ABB热过载继电器的基本介绍,
包括产品型号、尺寸、额定电流范围、工作原理等内容。
它还应该
介绍产品的外观特征和安装方式。
2. 技术规格,说明书中应包括ABB热过载继电器的技术规格,
如额定电流、额定电压、动作特性、环境条件等。
这些规格对于用
户选择合适的继电器至关重要。
3. 安装和连接,说明书应该提供清晰的安装指导,包括继电器
的安装位置、连接方式、接线图等。
此外,还应包括安全注意事项
和安装过程中需要遵守的标准和规定。
4. 使用说明,说明书中应该包括ABB热过载继电器的使用说明,包括如何设置动作电流、如何进行故障诊断和维护等内容。
用户需
要清楚了解如何正确地使用和维护继电器。
5. 故障排除,说明书应该包括常见故障的排除方法和维修指导,以帮助用户在继电器出现故障时快速解决问题。
6. 安全注意事项,最后,说明书应该包括关于继电器安全使用
的注意事项,以及在维修和更换继电器时需要遵守的安全规定。
总的来说,ABB热过载继电器的说明书应该全面介绍产品的技
术参数、安装使用方法、维护保养和安全注意事项,以帮助用户正确、安全地使用这一重要的电气设备保护组件。
三相电机过载保护继电器用户手册V1.021.性能指标1.工作环境:温度0~50℃,湿度﹤85%RH的无腐蚀性气体场合;2.电流输入:三相10A(1~10A)或1A(0.1A~1A),采用用CT隔离、直接穿芯方式;3.输出方式:一路继电器输出(常闭接点),容量大于5A/250V AC。
4.电流设定范围:1~10A或0.1~1A。
5.工作电源:20-30V AC/DC;功耗:小于3W;6.绿色LED:运行状态指示灯(指示灯快闪频率约为3次/秒,慢闪频率约为1次/秒)。
a运行状态指示灯常亮:表示电机未工作。
b运行状态指示灯快速闪烁:表示电机处于起动过程。
c运行状态指示灯慢速闪烁:表示电机正常运行。
7.红色LED:报警指示灯a报警指示灯快速闪烁:表示电机电流过载。
b报警指示灯常亮:表示电机起动过程中发生“启动超时”或者“缺相”脱扣,或是电机运行过程中发生“电流过载”或“缺相”脱扣。
2.设置说明三相电机过载保护继电器(以下简称装置)采用32位微电脑为核心芯片,配置一个带刻度的调节旋钮,通过旋钮设置电流限值,实时监测电机电流情况,并对异常情况进行脱扣保护处理。
正常使用前请将旋钮调整至合适范围,整定好过载保护动作电流值,如下图所示:图一10A型过流整定旋钮图二1A型过流整定旋钮如上图一所示,过流整定旋钮调整至5A位置。
1)当电机处于正常运行状态时,电机电流超过5A且持续10秒以上,装置脱扣继电器会动作,断开电机控制回路使电机停机。
2)当启动电机时,电机的启动电流超过5A且持续30秒以上,装置脱扣继电器会动作,断开电机控制回路使电机停机。
注:脱扣后需要执行复位操作,电机才能正常工作。
过载保护只会在电机运行过程中才会投入。
一些重载起动的设备,可根据实际情况适当调高过载保护的整定值,既保证电动机安全运行,也防止出现误动的情况。
列如:现有一台正常运行额定电流值为5A的三相异步电动机,可选择AIX-10A型号的三相电机过载保护继电器,整定的过流限值为5.5A~6.5A。
JSL
定时限过流继电器
1 适用范围
JSL定时限过流继电器,用于过负荷与短路保护,用为时限元件。
3.1 过电流整定范围:A、2.0-9.9A;级差0.1A;B、10-50A;级差1A。
3.2 延时整定范围:0.05S-9.99S;级差0.01S。
3.3 速断倍数整定范围:2.0-8.0;级差0.1。
3.3 返回系数不小于0.90。
3 主要参数及技术性能
2 型号及含义
J S L-□□/□
额定电流
触点形式
定时限过流继电器
集成电路
C
4 其它
4.1 内部接线:
4.2 特点:
4.2.1 核心元件采用美国芯片,可靠性强,无须辅助电源。
4.2.2 整定方便、直观、改变整定值后,无须再校验。
4.2.3 采用单片机,精度高,稳定性强,冬夏温差变化影响极小。
备注:a.在测试时,用变压器作为电流源时,要求次级匝数与电流互感器匝数相当。
b.采用电流通断法测量延时时间时,由于电源建立有延迟,故有误差,而在正常工作期间,电源是 一直存在的,建立电源的误差便自动消除。
4.3 安装方式:
JSL定时限过流继电器的安装结构与电磁式GL-10系列相同。
订货时须指明型号、额定电压及接线方式(前接线或后接线)。
5 订货须知。
JGL系列静态反时限过流继电器使用说明书一、概述JGL系列静态反时限过流继电器(以下简称继电器),该继电器应用于电机变压器等设备以及输配电系统的继电保护回路中,尤其使用于无直流设备的厂站,当主设备或输配电系统出现过负荷和短路故障时,该继电器能按预定的时限可靠动作,切除故障部分,同时满足了电力部压缩时间级差反措要求,该继电器具有以下特点:1、无需直流辅助电源;2、完全采用拨盘开关进行整定,方便直观;3、具有很强的抗干扰能力;4、不存在电磁型过流继电器的机械部分发卡现象;、可方便替代、、电磁型过流继电器,还5GL-11GL-12GL-15可以替代过去、、系列电流继电器。
DL-10DL-20DL-30二、主要技术参数12-9.9A0.1A、过流动作值整定范围(启动电流):,级差为;、速断电流倍数:倍,级差为倍;22-9.90.1、延时时间整定范围(值整定):,级差为;3K0.01-9.990.01、触点容量:,可长期接通,闭合触点可分断电流 4AC250V5A≤;AC2A、功耗:当电流为额定值时,继电器功率消耗不大于。
55W三、反时限延时特性表及曲线计算方式、反时限典型延时特性表()1S2、曲线计算公式:t K Is I 为反时限动作时间,为延时曲线系数,整定电流,为实际输 I>Is 入电流。
当时,继电器开始延时。
四、端子接线及整定范围1、端子接线图(正视图)2、整定方法继电器面板上共设有三组拨码开关,分别为过电流动作值、电流、速断倍数和过流动作延时时间值(值)。
例如:过电流整定值K 为“”,速断倍数置于“”,值整定为“”,若实际线路7.5 3.0K 0.50电流≥,则速断,若实际线路电流为,则过电流动作时间为22.5A 15A 5S 。
具体过流时间可参考延时特性表及曲线计算公式。
0.14K I Is( )0.02-19.909.005.001.000.900.500.10170.2154.78617.215.478.61.72099.290.250.2109.025162.456.731.56.35.673.150.6349.344.824.954.482.50.542.538.521.44.33.862.140.433834.619.23.83.461.910.383531.817.73.53.181.770.3532.729.716.53.32.971.650.3330.928.115.63.122.811.560.312 3 4 5 6 7 8 9 1.5KI Is上海富继电气有限公司。
固态继电器说明书(一)目录一、单相交流固态继电器SSR-D系列 (2)二、三相交流固态继电器SSR-3D系列 (6)三、R系列固态调压器SSR-R系列 (6)四、产品的分类及选择 (7)五、器件的发热及散热器的选择 (8)中国·杭州国晶电子科技有限公司CHIAN HANGZHOU GUOJING ELECTRON SCIENCE AND TECHNOLOGY CO.,LTD.一、单相交流固态继电器1、概述固态继电器英文名名称为Solid State Relay,简称SSR。
它是用半导体器件代替传统电接点作为切换装置的具有继电器特性的无触点开关器件。
单相SSR为四端有源器件,其中其中两个输入控制端,两个输出端,输入输出间为光隔离,输入端加上直流或脉冲信号到一定电流值后,输出端就能从断态转变成通态。
一般情况下,万用表不能判别SSR的好坏,正确的方法采用图1-2的测试电路:当输入电流为零时,电压表测出的电压为电网电压,电灯不亮(灯泡功率须25W以上);当输入电流达到一定值以后,电灯亮,电压表测出的电压为SSR导通压降(在2V以下)。
(请初次使用者务必注意:因SSR内部有RC回路而带来漏电流(≤10mA),因此不能等同于普通触点式的继电器、接触器,如果需要漏电流≤1mA的固态继电器产品,请订货时事先说明。
请参考后面的注意事项)。
SSR优缺点固体继电器工作可靠,寿命长,无噪声,无火花,无电磁干扰,开关速度快,抗干扰能力强,且体积小,耐冲击,耐振荡,防爆、防潮、防腐蚀、能与TTL、DTL、HTL等逻辑电路兼容,以微小的控制信号达到直接驱动大电流负载。
主要不足是存在通态压降(需相应散热措施),有断态漏电流,交直流不能通用,触点组数少,另外过电流、过电压及电压上升率、电流上升率等指标差。
SSR的使用场合固体继电器目前已广泛应用于计算机外围接口装置,电炉加热恒温系统,数控机械,遥控系统、工业自动化装置;信号灯、闪烁器、照明舞台灯光控制系统;仪器仪表、医疗器械、复印机、自动洗衣机;自动消防,保安系统,以及作为电网功率因素补偿的电力电容的切换开关等等,另外在化工、煤矿等需防爆、防潮、防腐蚀场合中都有大量使用。
LL-10A、40系列过流继电器说明书1.1 产品用途LL-10A、40系列过流继电器(以下简称产品)应用在交流电力系统中,用于电机、变压器、输电线的过负荷和短路保护。
由于本产品体积小具有多种安装接线方式,如:凸出式安装、前接线、后接线,特别适用于组装开关柜。
LL-10A技术数据与LL-40相同。
1.2产品规格1.2.1产品触点系统的形式列入表1表11.2.2产品额定参数及规格列入表2表22 结构LL-40结构形式有A32K、A32P、A32H、A32Q四种。
产品外形及安装尺寸如附图所示;LL-10A为CJ-3/2壳体,其外形及安装尺寸如图1所示。
继电器由整流式原理构成,原理接线图LL-41、42如图2所示,LL-43、44如图3所示。
LL-11A、12A如图4所示,LL-13A、14A如图5所示。
继电器的延时特性曲线如图6。
3 技术数据3.1 动作电流产品的最小动作电流,应等于动作电流整定值(见表2),其平均误差不大于±5%。
动作电流平均误差=×100%3.2速动电流3.2.1 产品的速动电流用动作电流整定值的倍数来表示(见表2),即:速动电流倍数=3.2.2 速动电流平均误差应符合表3规定,平均误差计算与3.1条相同。
表3速动整定电流倍数 2 4 6 8平均误差(%)±12±14±14+25 -153.3 返回系数3.3.1 产品的返回系数不小于0.85。
3.3.2 返回系数为任一整定点的返回电流与动作电流之比。
3.4 延时动作时间3.4.1 产品在10倍和4倍动作电流整定值时,各延时整定点的延时平均误差,不应超过表4规定值。
延时平均误差=5次测量平均值-延时整定值。
表4型号动作电流整定值倍数各整定点动作时间及延时平均误差LL-11A LL-41 10 0.5±0.11±0.12±0.2 3±0.24±0.25 4 0.75±0.2 1.5±0.25 2.9±0.3 4.4±0.5 5.9±0.5LL-12A LL-42 10 2±0.54±0.58±0.512±0.7516±1 4 29±0.559±0.511.8±0.7517.7±123.6±1.5LL-13A LL-43 10 2±0.23±0.24±0.25 4 2.9±0.3 4.4±0.5 5.9±0.53.5 延时一致性在基准条件下,继电器在1.5倍动作电流整定值时,继电器延时一致性不大于表5规定值。
技术参数技术参数规格型号规格型号●电力工程的实际使用过程中,电压切换回路在双母线的接线系统中是必不可少的回路.目前电力工程中常采用电压切换箱来解决,这种方式在工程使用中有以下几个问题:1由于采用电压切换箱,工程成本高.2工程接线复杂.3工程使用过程中扩展困难.●本公司结合数年的工程实际经验,设计RUS 系列电压切换继电器,使工程组屏优化的同时大大降低了工程的生产成本.继电器直接安装于屏柜的导轨上.● 本继电器可直接用于电压切换回路;也可以用于工程中已采用电压切换箱,但接点仍然不够的情况下扩展接点.● 额定输入电压:直流220V/110V 。
(定货注明) 输出接点容量:信号回路接点载流容量2VA 电压回路接点载流容量 2A 回路接点断弧容量 60VA电压切换回路接点断弧容量60VA ● 动作时间:10ms ● 动作电压:50%可靠动作● 环境温度:工作:-20℃~+55℃ ● 存贮:-20℃~+70℃ ● 绝缘电阻:继电器的电源和接点之间:电源与外壳之间以及接点与外壳之间用开路电压500V 的兆欧表测量绝缘电阻,正常试验大气压条件下各等级的各回路绝缘电阻100>MΩ●介质强度:继电器的电源和接点之间:电源与外壳之间以及接点与外壳之间能承受频率为50Hz,电压为2000V 历时1分钟的工频耐压试验,无击穿、无闪络及无元器件损坏现象技术特点技术特点装置原理装置原理常见型号常见型号● 靠虑到屏柜内部的有限空间,继电器的端子可以直接接电缆出线.可以减少屏柜端子的数量,简化接线,降低成本●产品在设计过程中始终与工程生产和现场情况相结合,适当的增加了空端子,以便于现场的电缆接线和组屏过程中转接,提高了产品使用的方便性和可靠性● 回路采用电力系统目前大量使用的日本松下公司的继电器●继电器进出线端子采用德国凤凰公司的端子,保证回路连接的可靠性●产品的外壳吸取了国外产品的优点,采用全新的结构工艺,安装非常方便.能同时适用于“”型和“”型的两种常用的导轨● 外壳材料采用了耐高温,阻燃,加强性材料,具有较高的安全性RUS-11A(L)/220V RUS-11A(L)/110V RUS-11AS(L)/220V RUS-11AS(L)/110VRUS-11A(R)/220VRUS-11A(R)/110VRUS-11AS(R)/220V RUS-11AS(R)/110V ● 该装置主要应用于双母线接线时,实现保护电压切换功能。
343
344
■
动作特性
345
■ 产品功能介绍
STOP
导电杆
测试键
复位设置旋钮、手动复位键
停止按钮
脱扣指示窗
整定电流设置钮
1、脱扣指示窗
●
热过载继电器动作后,
脱扣指示窗变成橘黄色,表示“脱扣”ST
3、测试键
●
可模拟脱扣
(使NO 、 NC 触点动作), 检查控制电路。
5、停止按钮
●
使NC 触点动作,不影响NO 触点。
按下后,断开控制电路,电动机停止工作。
STOP
2、整定电流设置钮
●
设置额定电动机的整定电流值
4、复位设置旋钮、手动复位键
复位设置旋钮
● 方块指向"M":
手动复位● 方块指向"A":自动复位手动复位键
●
热过载继电器动作后(脱扣指示窗显示为橘
黄色)
,按该键,即实现复位OP
6、导电杆
●
可直接插入到匹配安装的接触器主回路中。
导电杆为方形,
增加接触面积,安装接线更 牢固。
■ 脱扣曲线图■ 安装接线示意图
FU
FU-熔断器KM-接触器
FR-热过载继电器
SB1-停止按钮SB2-启动按钮
JR2H 热过载继电器
346
■ JR2H-25
■ JR2H-38■ JR2H-93
组合安装
独立安装
独立安装
■ JR2H-185
■ JR2H-630。
三菱万能断路器AE2000-ss说明书一、用途三菱万能断路器AE2000-ss适用于交流50Hz,额定电压400V,额定电流为400A~4000A的配电网络中。
用来分配电能和保护线路,防止设备遭受过载、欠电压、短路、单项接地等故障的危害。
三菱万能断路器AE2000-ss采用电子式脱扣器,具有选择性保护功能且动作值准确重复精度高。
能避免不必要的停电,提高供申可靠性。
本产品符合GB14048.2《低压开关设备和控制设备低压三菱万能断路器AE2000-ss》和IEC947-2《低压开关设备和控制设备低压三菱万能断路器AE2000-ss》等标准。
型式三菱万能断路器AE2000-ss极数:三极或四极。
安装方式:固定式、抽屉式。
操作方式:电动机操作、手动操作极数:三极、四极。
脱扣器种类:智能型电子控制器、欠压瞬时(或延时)脱扣器和分励脱扣器。
三、特点1.规格品种齐全三菱万能断路器AE2000-ss具有固定式、抽屉式和三极、四极结构。
额定电流规定值为400、630、800、1000、1250、1600、2000、2500、3200、4000A等规格,配有面板透明防护、防闭合锁、抽屉式三菱万能断路器AE2000-ss中抽屉座与三菱万能断路器AE2000-ss本体母线开、闭状态远距离指示器等附件。
2.具有较高的极限短路分断能力和额定短时耐受电流三菱万能断路器AE2000-ss采用MCR和模拟脱扣功能。
每相触头安装在绝缘小室内,触头系统采用多片触头并联型式的结构,减小了触头系统的惯性,保证了三菱万能断路器AE2000-ss的高分断能力和经受较高的短时耐受电流。
四、操作机构安装于三菱万能断路器AE2000-ss中央,与主电路隔离;三菱万能断路器AE2000-ss由弹簧储能机构进行闭合操作,闭合速度快。
五、口零飞弧三菱万能断路器AE2000-ss上方装有灭弧罩,采用去离子栅片复式灭弧,灭弧效果好,实现零飞弧。
1.可上、下进线三菱万能断路器AE2000-ss主电路接线母排无需区分电源和负载侧,上进线和下进线都适用。
abb安全继电器ssr10说明书ABB安全继电器SSR10说明书引言ABB安全继电器SSR10是一款高品质的安全继电器,专为电气控制系统中的安全保护设计。
本说明书将详细介绍SSR10的特点、功能、安装和操作步骤,以及注意事项。
一、产品特点1.1 安全可靠:SSR10采用先进的电路设计,确保在各种工作条件下都能提供稳定可靠的安全保护。
1.2 高灵敏度:SSR10具有高灵敏度的触发电路,能够快速检测到电气系统中的异常情况,并及时断开电源,确保人员和设备的安全。
1.3 多功能:SSR10配备了多种保护功能,包括过载保护、过电压保护、欠压保护等,可根据实际需求进行灵活配置。
1.4 节能环保:SSR10采用先进的节能技术,有效降低功耗,减少能源浪费,符合环保要求。
二、产品功能2.1 过载保护:SSR10能够监测电气系统中的电流变化,并在超过设定值时自动切断电源,防止设备过载损坏。
2.2 过电压保护:SSR10具备过电压保护功能,当电压超过设定范围时,能够及时切断电源,保护设备安全。
2.3 欠压保护:SSR10能够检测电气系统中的电压变化,当电压低于设定值时,自动切断电源,避免设备损坏。
2.4 短路保护:SSR10具有短路保护功能,能够快速检测到短路故障,并迅速切断电源,防止火灾等安全事故发生。
三、安装步骤3.1 安装位置选择:在安装SSR10之前,需选择一个合适的位置,确保能够方便触发器与电气系统的连接,并保证设备通风良好。
3.2 连接电路:根据电气系统的需求,将SSR10与触发器和电源进行连接,确保连接牢固可靠。
注意根据接线图正确连接线路,避免接反或短路。
3.3 固定安装:将SSR10固定在安装位置上,确保设备牢固稳定,防止因振动而导致连接不良或损坏。
四、操作步骤4.1 开机检查:在启动电气系统之前,需检查SSR10的连接是否正确,确保设备处于正常工作状态。
4.2 参数设置:根据实际需求,设置SSR10的各项参数,包括触发电流、过载保护值等,确保设备能够以最佳状态工作。