公路材料最全粗集料试验程序(自动计算)
- 格式:xls
- 大小:153.50 KB
- 文档页数:2
粗集料试验作业指导书新进碎石材料依据《公路工程集料试验规程》JTGE42-2005,进行颗粒级配、含泥量、泥块含量、压碎指标、针片状颗粒含量等试验检测。
按每批不大于7501同厂家、同品种检验一次。
本工程粗骨料应选用级配合理、粒行良好、质地均匀坚固的洁净碎石。
粗集料最大粒径不宜超过25mm(大体积混凝土除外)且不得超过保护层厚度的2/3,含泥量低于0.5%,泥块含量低于0.25%,压碎指标低于12%,针片状颗粒含量低于10%,表观密度大于2500kg/m3,松散堆积密度大于1430kg/m3;空隙率小于47%。
试验间的温度应保持在15°C〜30°C。
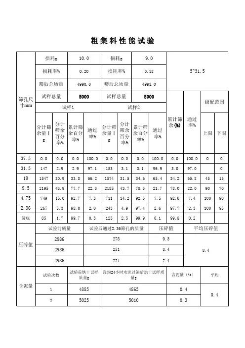
粗集料颗粒级配表粗集料取样1.取样方法试样:在料堆上取样时,取样部位应均匀分布。
取样前先将取样部位表层铲除,然后从不同部位抽取大致等同的石子15份(在料堆的顶部、中部和底部均匀分布的15个不同部位取得),组成一组试样;从皮带运输机上取样时,应用接料器在皮带运输机机尾的出料处定时抽取大致等量的石子8份,组成一组样品;从汽车上取样时,从不同部位和深度抽取大致等量的16份石子,组成一组样品。
2.取样数量单项试验的最少取样数量应符合下表要求:每一单项试验项目所需碎石或卵石最小取样质量(kg)3.试样处理碎石或卵石缩分时,应将样品置于平板上,在自然状态下拌匀,并堆成椎体,然后沿互相垂直的两个方向,分成大致相等的四份.取其对角的两份重新拌匀,再堆成锥体状,重复上述过程,直至缩分后的材料量略多于进行试验所必需的量为止。
碎石的含水率、堆积密度、紧密密度检验所用的试样,可不经缩分,拌匀后直接进行试验。
注:每批石料各项检测完成后要及时留样存放。
粗集料筛分测定方法1.仪器设备①烘箱:105±5°C②台秤:天平的称量30Kg,感量1g③方孔筛:孔径依次为2.36mm、4.75mm、9.5mm、16.0mm、19.0 mm、26.5mm的方孔筛以及筛的底盘和盖各一只④浅盘、毛刷。
公路工程集料试验规程有关计算粗集料及集料混合料的筛分试验6.1干筛法筛分结果的计算m 5=m 0-(∑m i +m 底) (T0302-1)式中:m 5——由于筛分造成的损耗(g);m 0——用于干筛的干燥集料总质量(g);m i ——各号筛上的分计筛余(g);i——依次为0.075㎜、0.15㎜……至集料最大粒径的排序;m 底——筛底(0.075㎜以下部分)集料总质量(g)。
6.1.2干筛分计筛余百分率'05100i i m p m m =⨯- (T0302-2) 式中:'i p ——各号筛上的分计筛余百分率(%);m 5——由于筛分造成的损耗(g);m 0——用于干筛的干燥集料总质量(g);m i ——各号筛上的分计筛余(g);i——依次为0.075㎜、0.15㎜……至集料最大粒径的排序。
6.2水筛法筛分结果的计算 m 4——水洗后的干燥粗集料总质量(g)m 0.075=m 3一m 4 (T0302-3)P 0.075=0.0753m m =343100m m m -⨯ (T0302-4) 式中:P 0.075——粗集料中小于0.075㎜的含量(通过率)(%);m 0.075——粗集料中水洗得到的小于0.075㎜部分的质量(g);m 3——用于水洗的干燥粗集料总质量(g);6.2.2计算各筛分计筛余量及筛底存量的总和与筛分前试样的干燥总质量m 4之差,作为筛分时的损耗,并计算损耗率记入表。
T0302-3之第(1)栏,若损耗率大于0.3%,应重新进行试验。
m 5=m 3一(∑m i +m 0.075) (T0302-5)式中:m 5——由于筛分造成的损耗(g);m 3——用于水筛筛分的干燥集料总质量(g);m i ——各号筛上的分计筛余(g);i——依次为0.075㎜、0.15㎜……至集料最大粒径的排序;m 0.075——水洗后得到的0.075㎜以下部分质量(g),即(m 3一m 4)。
公路工程集料试验工程水稳集料粗细分界点为4。
75mm;沥青集料粗细分界点为2.36mm.筛分试验,粗集料的水洗筛分计算时的集料总质量为扣除损耗后的总质量,细集料筛分计算直接以试样总质量来计算。
粗集料:粗集料取样方法方法:料堆取样时,应先铲除堆脚等处无代表性的部分,再在料堆顶部、中部和底部,各由均匀分布的几个不同部位,取得大致相等的若干份组成一组试样.各实验项目所需粗集料的最小取样质量(KG)水泥用粗集料采用干筛法,沥青混合料及基层用粗集料必须采用水洗法。
天平:感量不得大于试样质量的0.1%将取回的试样四分之后风干,有超大粒径的可以去除超粒径后再筛分.筛分用试样质量沥青混合料及基层用粗集料水洗法实验步骤1.取一份试样,105+5℃烘干至恒重,称取质量.2.用清水清洗干净,底部为0。
075mm标准筛,上部为2.36或者4。
75筛,清洗干净直至水清洁为止。
(取回0。
075筛面上的细粉时,将筛子倒扣在搪瓷盘上用少量的水并助以毛刷将其刷掉)3.将洗后试样105+5℃烘干至恒重,称取烘干后试样质量的总质量,以洗前与洗后之差作为0.075mm的筛下部分。
4.将个筛筛分,此时0.075mm筛下部分应为0,如果有质量将其并入水洗得到的0。
075mm 的筛下部分.计算:水洗法0。
075通过率(筛底值不为零时,应将其并入m0。
075中,重新计算P0.075)M0。
075=M3-M4P0.075=M0.075:水洗得到小于0。
075mm部分质量m3:洗前质量m4:洗后质量当两次平行实验差值超过0。
1%时,实验重做。
损耗质量=洗前质量—(各筛质量+筛底{0.075以下})损耗率不应大于0。
3%计算实例:粗集料密度与吸水率试验(网篮法)一目的与适用范围本方法适用于测定碎石、砾石等各种粗集料的表观相对密度,表干相对密度,毛体积相对密度,毛体积密度,以及粗集料的吸水率.二仪具与材料天平:感量不大于称量值的0。
05%溢流水槽,有调节水位装置吊篮:直径和高度在150mm左右温度计标准筛毛巾烘箱:能控温在105℃±5℃三试验准备1 将取来的试样较粗的用4。
第1章前言原《公路工程集料试验规程》(JTJ058-94)(以下称原规程),由交通部公路科学研究所和交通部第二公路勘察设计院编制。
当时编制的内容大部分引自原《水泥混凝土试验规程》、《公路工程沥青及沥青混合料试验规程》、《公路路面基层试验规程》中相差的试验方法。
原规程于1994年7月5日发布,12月1日起在全国实施以来,在我国得到了广泛的应用。
对加强公路工程集料的生产与管理、质量检验起到了重要的作用。
但是,由于长期形成的习惯和各方面的原因,国内外对用于水泥混凝土与沥青路面的集料,无论在规格、质量要求还是试验方法方面,都是各成系统、有所不同的:原规程实施几年来,高速公路沥青路面的建设有了较大的发展,其中的一些试验方法,对水泥混凝土集料是适用的,但对沥青路面及基层、底基层集料就不适用,有些在工程中发生了混乱。
另外,矿粉作为沥青混合料的一种主要材料,虽然并不属于集料的定义范围内,却没有比本规程更合适的试验规程可以包括进去。
因此,交通部[1997]731号文下达任务,由交通部公路科学研究所对原规程进行修订,主要是将水泥混凝土和沥青路面不同的部分严格区分开,分别制定出标准的试验方法。
同时把沥青混合料所用的矿粉填料的试验方法也纳入本规程,以便生产上应用。
根据交通部公路司的计划要求,修订组充分参考了“七五”及“八五”国家科技攻关及其他科研、推广项目陆续取得的许多有实用价值的成果,与相关的设计、施工规范协调配套。
1997年开始征求有关部门使用意见,搜集国内外试验方法资料,结合施工生产实践及有关科研成果进行了修订并在西宁、长沙召开两次征求意见会。
交通部公路司于1998年6月组织了对送审稿的审查,经修订组进一步修改后,形成报批稿,公路司设计与技术处会同修订组及人民交通出版社有关人员总校后定稿。
这次修订的重点针对使用于沥青混合料和基层、底基层的集料的试验方法,严格区分了水泥混凝土与沥青混合料对集料的不同测试方法和要求。
沥青路面用粗集料压碎值试验操作规程
一、操作步骤:
1.将试样过9.5mm和13.2mm方孔标准筛,取9.5mm-13.2mm的试样约3kg三份,
供试验用。
2.将由金属筒确定的试样质量分三层装入筒内,每层数量大致相同。
将试样表
面平整,用金属棒的半面球端从石料表面上约50mm的高度自由下落均匀夯击25次,每次夯击完表面应仔细整平。
3.压柱放入试筒内石料面上,注意使压柱摆平,勿契挤筒壁。
4.将装有试样的试筒连同压柱放到压力机上,均匀地施加荷载,在10min时达
到400kN荷载。
稳压5秒后卸载,将试筒从压力机上取下。
5.将试筒内试样取出,用 2.36mm方孔筛筛分经压碎的全部试样,称取通过
2.36mm筛孔的全部细料质量。
6.计算石料压碎值,以三次平行试验结果的算数平均值作为测定值。
二、注意事项:
1. 加压速度尽量均匀、稳定。
2. 加压时,压力机的活动压头与试筒内的压头表面应相平齐。
3. 待压力机下部加压端回到起始位置时,再关闭压力机电源。
粗集料试验粗集料试验术语、符号2.1 术语2.1.1 集料(骨料)aggregate在混合料中起骨架和填充作用的粒料,包括碎石、砾石、机制砂、石屑、砂等。
2.1.2 粗集料coarse aggregate在沥青混合料中,粗集料是指粒径大于2.36mm的碎石、破碎砾石、筛选砾石和矿渣等;在水泥混凝土中,粗集料是指粒径大于4.75mm的碎石、砾石和破碎砾石。
2.1.3 细集料fine aggregate在沥青混合料中,细集料是指粒径小于2.36mm的天然砂、人工砂(包括机制砂)及石屑;在水泥混凝土中,细集料是指粒径小于4.75mm的天然砂、人工砂。
2.1.4 天然砂natural sand由自然风化、水流冲刷、堆积形成的、粒径小于4.75mm岩石颗粒,按生存环境分河砂、海砂、山砂等。
2.1.5 人工砂manufactured sand,synthetic sand经人为加工处理得到的符合规格要求的细集料,通常指石料加工过程中采取真空抽吸等方法除去大部分土和细粉,或将石屑水洗得到的洁净的细集料。
从广义上分类,机制砂、矿渣砂和煅烧砂都属于人工砂。
2.1.6 机制砂crushed sand由碎石及砾石经制砂机反复破碎加工至粒径小于2.36mm的人工砂,亦称破碎砂。
2.1.7 石屑crushed stone dust,screenings,chips采石场加工碎石时通过最小筛孔(通常为2.36mm或4.75mm)的筛下部分,也称筛屑。
2.1.8 混合砂blend sand由天然砂、人工砂、机制砂或石屑等按一定比例混合形成的细集料的统称。
2.1.9 填料filler在沥青混合料中起填充作用的粒径小于0.075mm的矿物质粉末。
通常是石灰岩等碱性料加工磨细得到的矿粉,水泥、消石灰、粉煤灰等矿物质有时也可作为填料使用。
2.1.10 矿粉mineral filler由石灰岩等碱性石料经磨细加工得到的,在沥青混合料中起填料作用的以碳酸钙为主要成分的矿物质粉末。
公路沥青混合料粗集料级配试验方法粗集料中各组成颗粒的分级和搭配称为级配,它是影响集料空隙率的重要指标。
良好的级配要求空隙最小,总表面积也不大,从而使骨料本身嵌挤紧密,且用料节约。
级配通过筛分试验确定。
粗集料的筛分试验有水洗法和干筛法两种。
用于沥青混合料的粗集料必须采用水洗法确定0.075mm通过率。
因为干筛集料时,粘附在集料上的小于0.075mm 的颗粒无法筛下,则0.075mm通过率不能准确确定。
这对水泥混凝土来讲问题不大,但却直接影响沥青混合料配合比设计中矿粉的添加量,进而影响沥青用量及混合料质量。
因此,用于沥青路面的粗集料应分别用干筛和水筛进行筛分试验。
一、仪器设备1.试验筛:根据需要选用规定的标准筛,沥青路面及各类基层集料的粒径均以方孔标准筛为准,水泥混凝土集料的粒径大于和等于2.5mm的以圆孔标准筛为准,小于2.5 mm的以方孔标准筛为准。
2.天平或台秤,感量不大于试样质量的0.1%。
3.其他:盘子、铲子、毛刷等。
二、试验准备将来料用分料器或四分法缩分至下表要求的试样所需量,风干后备用。
每种试样准备两份,分别供水洗法和干筛法筛分使用。
对水泥混凝土用集料,如果没有要求,也可不进行水洗,只进行干筛筛分。
根据需要可按要求的集料最大粒径的筛孔尺寸过筛,除去超粒径部分颗粒后,再进行筛分。
三、试验步骤1.用水洗法测定集料中小于0.075mm的细粉部分质量。
(1)取一份试样,将试样置105±5℃烘箱中烘干至恒重,称取干燥集料试样的总质量m0,准确至0.1%。
(2)将试样置一洁净容器中,加入足够数量的洁净水,将集料全部盖没。
(3)用搅棒充分搅动集料,使集料表面洗涤干净,使细粉悬浮在水中,但不得破碎集料或有集料从水中溅出。
(4)根据集料粒径大小选择组成一组套筛,其底部为0.075mm标准筛,上部为2.36mm或4.75mm筛。
仔细将容器中混有细粉的悬浮液倒出,经过套筛流人另一容器中,尽量不致将粗集料倒出,损坏标准筛筛面。
公路工程粗集料试验检测方案1 适用范围适用于公路工程粗集料。
2 试验目的为了测定公路工程粗集料的筛分、表观密度、堆积密度、紧密密度和空隙率、含水率、含泥量、泥块含量、针片状颗粒含量、压碎值指标。
3 试验依据《公路工程集料试验规程》JTG E42-20054 检验人员检验人员均为持证上岗人员。
5 试验设备沥青混凝土集料筛/Φ300、震击式标准振摆仪、电子天平/5000g、电热鼓风干燥箱、容积升10L、15L、20L、30L、列电子台秤、游标卡尺300mm、压碎指标值测定仪、微机控制电液伺服万能试验机。
6 试验条件试验室温度20±5℃。
7 取样7.1通过皮带运输机的材料如采石场的生产线、沥青拌和楼的冷料输送带、无机结合料稳定集料、级配碎石混合料等,应从皮带运输机上采集样品。
取样时,可在皮带运输机骤停的状态下取其中一截的全部材料,或在皮带运输机的端部连续接一定时间的料得到,将间隔3次以上所取的试样组成一组试样,作为代表性试样。
7.2在材料场同批来料的料堆上取样时,应先铲除堆脚等处无代表性的部分,再在料堆的顶部、中部和底部,各由均匀分布的几个不同部位,取得大致相等的若干份组成一组试样,务必使所取试样能代表本批来料的情况和品质。
7.3从火车、汽车、货船上取样时,应从各不同部位和深度处,抽取大致相等的试样若干份,组成一组试样。
抽取的具体份数,应视能够组成本批来料代表样的需要而定。
7.4从沥青拌和楼的热料仓取样时,应在放料口的全断面上取样通常宜将一开始按正式生产的配比投料拌和的几锅(至少5锅以上)废弃,然后分别将每个热料仓放出至装载机上,倒在水泥地上,适当拌和,从3处以上的位置取样,拌和均匀,取要求数量的试样。
7.5取样数量:对每一单项试验,每组试样的取样数量宜不少于规程中表T0301-1所规定的最少取样量。
需做几项试验时,如确能保证试样经一项试验后不致影响另一项试验的结果时,可用同一组试样进行几项不同的试验。
粗集料筛分试验(水洗法)试验步骤:1.用四分法把集料缩分至相应最大粒径规定的试样质量,在105℃±5℃烘箱中烘干至恒重,冷却后称取质量(0m ),准确至0.1%;2.将试样置于洁净容器中,注入洁净水把试样全部淹没,用搅棒充分搅动集料,使集料表面洗涤干净,使细粉悬浮在水中;3.根据集料粒径选择套筛,其底部为0.075mm 标准筛,上部为2.36mm 或4.75mm 筛,仔细将浑浊液倒出经过套筛,尽量不将粗集料倒出,以免损坏标准筛筛面。
重复直至倒出的水洁净为止;4. 然后套筛上筛余的颗粒和洗净的试样一并置于105℃±5℃的烘箱中烘干至恒重,冷却至室温,称取试样的质量(1m ),准确至0.1%。
以(0m )和(1m )之差作为0.075mm 的筛下部分。
5.按筛孔大小顺序排列逐个将把烘干的试样过筛,称取每个筛上的筛余量,准确至总质量的0.1%;6.计算各筛分计筛余量及筛底存量的总和与筛分前试样的干燥总质量(1m )之差,作为筛分时的损耗,若损耗率大于0.3%,应重新进行试验;7. 计算其它各筛的分计筛余百分率、累计筛余百分率、质量通过百分率,试验结果以两次试验的平均值表示。
注意事项:1.用搅拌棒搅动洗涤试样时不得破碎集料或使集料从水中溅出;2. 人工筛分时,需使集料在筛面上同时有水平方向及上下方向的不停顿的运动,使小于筛孔的集料通过筛孔,当采用摇筛机筛分时,应在摇筛机筛分后再逐个由人工补筛。
3.将回收的干燥试样(1m )按干筛方法筛分,称出0.075mm 筛以上各筛的筛余量,此时0.075mm 筛下部分应为0,如果尚能筛出,则应将其并入水洗得到的0.075mm 的筛下部分,且表示水洗得不干净。
针片状颗粒含量(规准仪法)试验步骤:1.将试样用4.75mm 标准筛过筛,取不小于所测试样粒径对应的规定最小质量0m ;2.根据需要选用标准筛将试样筛分;3.目测挑出近似立方体形状的规准颗粒,把每个粒级里有可能属于相应粒级针片状颗粒的试样用对应的规准仪间距和孔宽逐粒进行鉴定;不能通过相应间距者为针状,然后在通过了的试样里不能通过相应孔宽者为片状;4.称取各个粒级挑出的针片状颗粒的总质量1m。