特殊门诊慢病申请表
- 格式:xlsx
- 大小:11.52 KB
- 文档页数:1
附件5
门诊特定病种待遇认定申请表医疗机构名称:
说明:1.病情摘要应当填写主诉、现病史、体格检查、辅助检查等确诊情况;
2.项目构成必须符合医保政策有关规定。
3.首次申请待遇享受有效期自定点医疗机构按照规定将认定信息上传医
保信息系统备案之日起,按照自然日计算,到期自动终止。
4.参保人员,应在相应门特病种待遇认定有效期满前30日内,申请办理续期。
定点医疗机构应规定办理后,续期有效期自前一有效期满后次日起,按照自然日计算,到期自动终止。
5.每申请认定一个门特病种,需填写一份《门诊特定病种待遇认定申请表》
6.办理待遇续期需填写此表。
门诊特殊病种和治疗项目申请表
姓名性别年龄身份证号科别工作单位门诊号初始患病时间年月日诊疗医院:
病情摘要:
经治医师签名:科(室)主任签名:年月日年月日病人(或亲属)意见并签名:
医疗专家小组审核意见:(签章)
年月日分管院长或医保科审核意
见:
(签章)
年月日
医疗保险管理中心审核意见:
(签章)
经办人:年月日
备
注
一、此表一式两份,医保中心、参保人员各一份。
二、申请时必须提供:、疾病证明书;、半年以上的有关门诊病历;、与申请疾病有关的检查
(如血液检查单、心电图、摄片、病理报告等);、出院小结(需加盖医院公章)。
矚慫润厲钐瘗睞枥庑赖賃軔。
注:以上材料需提供原件及复印件
三、电话:
福建省城镇职工医疗保险门诊
特殊病种和治疗项目甲类目录
、恶性肿瘤化学治疗和放射治疗;
、重症尿毒症透析;
、结核病规范治疗;
、器官移植抗排异反应治疗;
、精神分裂症治疗;
、危重病的抢救。
福建省城镇职工医疗保险门诊
特殊病种和治疗项目乙类目录
、高血压病;
、糖尿病;
、再生障碍性贫血;
、慢性心功能衰竭;
、系统性红斑狼疮。
精品文档安定区新农合门诊报销特殊病种申请审批表
一、填表说明:本表第1—4栏由患者填写,第四栏选择一个乡镇卫生院、两个区级医疗机构作为定点医疗机构,第5栏由区级定点医疗机构填写,第6—8栏由区合管办填写。
二、持表人须知:要如实填写表内所列各项内容,如果你被确定为安定区新农合该特殊
疾病患者,应按以下要求诊疗疾病和报销费用。
1、要在上表第6栏内确定的定点医疗机构就
诊治疗,如因疾病确需到上级其他医院就诊时,应填写安定区新农合门诊特殊病种转院申请
审批表,经区合管办审查同意后,方可在其它医疗机构就诊,否则所发生的医药费用不予报销。
2、在门诊就诊治疗本特殊病种疾病时,必须向经治医生提供《合作医疗证》、本人身份
证及本表,否则将按普通疾病门诊病人报销。
3、费用报销时限:每年两次,上半年为5月10
日一6月20日 ;下半年10月10日一12月10 日。
当年发生的医药费只能在当年报销。
4、报销时
需提交的材料:门诊发票、处方、门诊病历、各项检查报告单,合作医疗证、身份证复印件
及本表,到本人户籍所在地的乡镇卫生院审核报销。
5、本疾病确诊认定的有效期限是每年
度12月底,在到期后须重新认定。
6、本表仅限本人在诊疗本疾病时使用,治疗其它疾病时
按普通门诊病人报销费用。
7、严禁将本表出借他人,一经发现,取消特殊病种门诊报销待
遇。
8、本表一式三份,区合管办、乡镇卫生院和患者各持一份,在诊疗及报销本特殊病种过程中使用。
哈尔滨门诊慢特病备案申请表与申报病种相关的近期住院病历复印件(加盖医院住院病历复印专用章)及相关辅助检查材料(包括影像学资料及检查检验报告单等)特殊情况的申报1、血液(腹膜)透析患者(已通过特殊疾病门诊备案且未享受特殊慢性病待遇的),由患者所在特殊疾病门诊定点医疗机构统一组织申报,无需到认定医疗机构申报,异地安置人员到市医保经办机构办理申报认定。
2、再生障碍性贫血患者、肝豆状核变性患者、血友病患者、系统性红斑狼疮患者、真性红细胞增多症患者及肝、肾、肺、心脏移植患者(已经过特殊疾病门诊备案且未享受特殊慢性病待遇的),到黑龙江省红十字医院进行申报认定。
3、精神分裂症患者到哈尔滨市第一专科医院进行申报认定。
4、肝硬化代偿期和肝硬化失代偿期患者到哈尔滨市传染病院进行申报认定。
5、活动性肺结核患者到哈尔滨市胸科医院进行申报认定。
6、因患重病或长期卧床等不便到定点医疗机构参加现场认定的参保人员,认定医疗机构要依据本人住院病历或组织专家上门等方式完成认定工作。
7、预约。
定点医疗机构根据本院单日可承担的认定人员数量,通过本院微信公众号或电话提供预约服务,合理安排参保人的现场认定时间。
8、初审。
初审专家根据参保人提交的相关材料,对照申报病种及认定标准进行初审,审验合格的申报患者,由专家结合患者提供的材料及临床症状,填写辅助检查校验表,按照医院疫情期间要求进行辅助检查并缴纳相应费用。
9、认定。
认定专家根据申报患者的检查结果比照诊断标准进行认定,形成初步意见,经慢性病认定专家小组讨论后,形成最终认定结果,并由认定专家小组组长核准后盖章确认。
10、告知。
定点医疗机构根据慢性病认定工作计划安排于次月对认定结果进行统一公布。
特殊情况认定哈尔滨市市区内居住的,且因瘫痪长期卧床的,无法到医院参加鉴定的参保患者,可申请往诊鉴定,即,由鉴定专家登门现场进行鉴定。
申报往诊的患者可由代办人于申报期间内,到就近的慢性病定点医院进行申报。
门诊慢性病鉴定申请表
XX市的基本医疗保险门诊慢性病鉴定申请表需要填写以下信息:姓名、身份证号码、性别、年龄、照片、参保类别、联系电话、参保单位(居委会、学校)、申请定点医院名称、病情简介等。
申请病种请按照门诊慢性病种名称填写,有并发症的需注明,原有病种不需填写。
在鉴定时需提供患者本人的身份证原件和复印件、《医疗保险证》(社保卡)原件和复印件、3张1寸近期免冠照片、二级以上医疗保险综合定点医院出具的住院病历(复印件)、门诊病历、相关检查检验报告单等材料。
鉴定申请表需要经过医师、科主任、专家的签字,初审和复审意见,并得到参保单位(居委会、学校)和社会保险经办机构的意见。
医院也需要在鉴定申请表上盖章并注明日期。
合肥市基本医疗保险特殊病种门诊申请表1、参保人员所患疾病应是下列所含病种,方可提出申请:(1)冠心病(8)肾移植手术后(15)癫痫(22)前列腺癌(内分泌治疗)(2)精神病(9)类风湿关节炎(16)膀胱肿瘤(灌注治疗)(23)再生障碍性贫血(3)高血压三期(10)系统性红斑狼疮(17)甲状腺功能亢进(24)冠脉支架植入术后(仅限职工)(4)肝硬化(11)帕金森综合症(18)丙型肝炎(25)心脏移植术后(5)糖尿病(12)乳腺癌(内分泌治疗)(19)慢性肾功能不全(26)慢性乙型肝炎(6)肾透析(13)肝豆状核变性(20)肝移植术后(27)血友病(仅限居民)(7)恶性肿瘤(14)慢性心力衰竭(21)造血干细胞移植术后(28)小儿脑瘫(仅限居民)2、此表由本人填写并附近期相关病历、三级医院(包括精神病专科医院)医学检查报告,报市医保中心特殊病管理科。
合肥市基本医疗保险申请特殊病种门诊办理程序1、参保人员患我市医保政策规定门诊特殊病的,可提出办理特殊病门诊申请。
2、参保人员申请须填写《合肥市基本医疗保险特殊病种门诊申请表》(申请表可以从市人力资源和社会保障局网站下载,网址),并附近期相关病历、三级医院(包括精神病专科医院)医学检查报告和一张一寸彩照,报送合肥市医保中心特殊病管理科。
地址:庐江路与金寨路交叉口合肥市人力资源和社会保障局(老局)三楼,电话:6。
3、合肥市医保中心定期组织(每3个月组织一次)市医疗保险专家咨询委员会鉴定专家,按照《合肥市基本医疗保险门诊特殊病准入标准》对参保人员报送的申请材料进行鉴定。
鉴定专家从专家库中随机抽取,组成鉴定专家组。
4、专家组成员现场鉴定,形成专家组鉴定意见,并签字确认。
经鉴定符合特殊病准入标准的,由合肥市医保中心特殊病管理科办理《特殊病门诊医疗卡》;经鉴定不符合特殊病准入标准的,申报材料退还本人。
5、在鉴定过程中如专家组认为需要进一步进行医学检查的,申请人应到专家组指定医院指定专家门诊进行检查,并将有关检查结果尽快提交合肥市医保中心特殊病管理科。
--
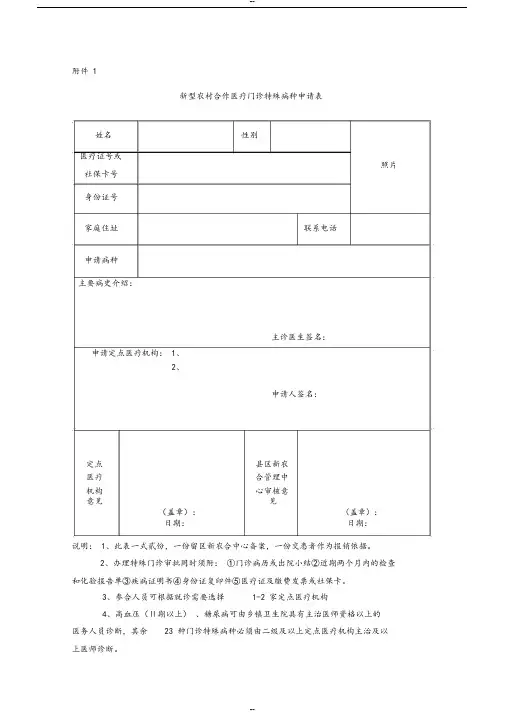
附件 1
新型农村合作医疗门诊特殊病种申请表
姓名性别
医疗证号或
照片社保卡号
身份证号
家庭住址联系电话
申请病种
主要病史介绍:
主诊医生签名:
申请定点医疗机构: 1、
2、
申请人签名:
定点县区新农
医疗合管理中
机构心审核意
意见见
(盖章):(盖章):
日期:日期:
说明: 1、此表一式贰份,一份留区新农合中心备案,一份交患者作为报销依据。
2、办理特殊门诊审批同时须附:①门诊病历或出院小结②近期两个月内的检查和化验报告单③疾病证明书④身份证复印件⑤医疗证及缴费发票或社保卡。
3、参合人员可根据就诊需要选择1-2 家定点医疗机构
4、高血压(Ⅱ期以上)、糖尿病可由乡镇卫生院具有主治医师资格以上的
医务人员诊断,其余23 种门诊特殊病种必须由二级及以上定点医疗机构主治及以上医师诊断。
--。
.
乐山市基本医疗保险特殊疾病门诊审批表
参保险种:□职工医保□居民医保(□一档□二档)
姓名性别年龄岁
单位或住址
参
保身份证号码人
申
申报疾病请
病史陈述联系
电话
拟诊
医院
(照片)
拟
初审意见
诊
医
院
意
见治疗方案
病种医保批准
治疗药经办
品类别机构
未批准原因
审批
意见
审批日期
申报注意事项:申请时间:年月日
签字:
(盖章)
年月日(盖章)
1、此表一式 2 份,申报时提供 1 寸标准照片 3 张。
2、“参保人申请”栏由申报人填写。
3申报需提供的资料以乐山市基本医疗保险特殊疾病门诊相关文件为准。
4、待遇开始时间从审批之日起执行(恶性肿瘤非放化疗期(A类)与恶性肿瘤放化疗期(B 类)不能同时享受)。
'.。
合肥市基本医疗保险特殊病种门诊申请表1、参保人员所患疾病应是下列所含病种,方可提出申请:(1)冠心病(8)肾移植手术后(15)癫痫(22)前列腺癌(内分泌治疗)(2)精神病(9)类风湿关节炎(16)膀胱肿瘤(灌注治疗)(23)再生障碍性贫血(3)高血压三期(10)系统性红斑狼疮(17)甲状腺功能亢进(24)冠脉支架植入术后(仅限职工)(4)肝硬化(11)帕金森综合症(18)丙型肝炎(25)心脏移植术后(5)糖尿病(12)乳腺癌(内分泌治疗)(19)慢性肾功能不全(26)慢性乙型肝炎(6)肾透析(13)肝豆状核变性(20)肝移植术后(27)血友病(仅限居民)(7)恶性肿瘤(14)慢性心力衰竭(21)造血干细胞移植术后(28)小儿脑瘫(仅限居民)2、此表由本人填写并附近期相关病历、三级医院(包括精神病专科医院)医学检查报告,报市医保中心特殊病管理科。
合肥市基本医疗保险申请特殊病种门诊办理程序1、参保人员患我市医保政策规定门诊特殊病的,可提出办理特殊病门诊申请。
2、参保人员申请须填写《合肥市基本医疗保险特殊病种门诊申请表》(申请表可以从市人力资源和社会保障局网站下载,网址),并附近期相关病历、三级医院(包括精神病专科医院)医学检查报告和一张一寸彩照,报送合肥市医保中心特殊病管理科。
地址:庐江路与金寨路交叉口合肥市人力资源和社会保障局(老局)三楼,电话:6。
3、合肥市医保中心定期组织(每3个月组织一次)市医疗保险专家咨询委员会鉴定专家,按照《合肥市基本医疗保险门诊特殊病准入标准》对参保人员报送的申请材料进行鉴定。
鉴定专家从专家库中随机抽取,组成鉴定专家组。
4、专家组成员现场鉴定,形成专家组鉴定意见,并签字确认。
经鉴定符合特殊病准入标准的,由合肥市医保中心特殊病管理科办理《特殊病门诊医疗卡》;经鉴定不符合特殊病准入标准的,申报材料退还本人。
5、在鉴定过程中如专家组认为需要进一步进行医学检查的,申请人应到专家组指定医院指定专家门诊进行检查,并将有关检查结果尽快提交合肥市医保中心特殊病管理科。