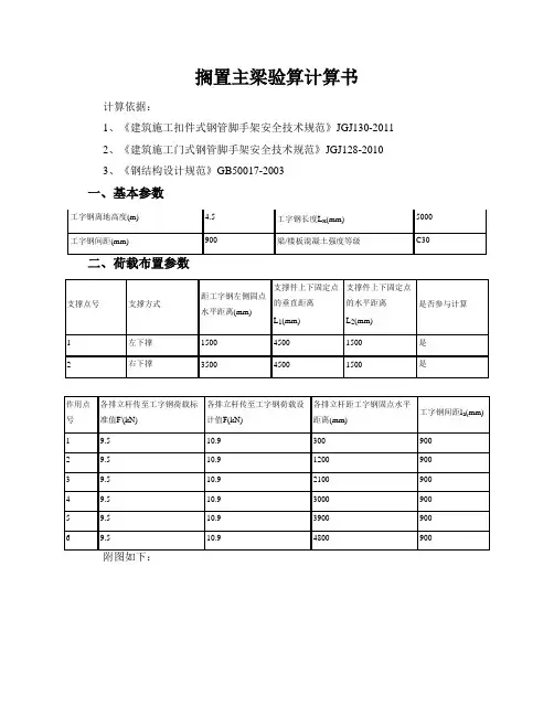
工字钢搁置主梁验算计算书
- 格式:doc
- 大小:107.50 KB
- 文档页数:5
盖梁工字钢盖梁支架设计及荷载验算书一、概况1、白庄子枢纽跨线桥的盖梁共有28个,具体形式见下表桥墩盖梁断面尺寸分为2种,除现浇-预制转换墩(4#墩和8#墩)上盖梁加宽加高有台阶外,其余盖梁断面均为宽1.8米,高1.6米。
2、盖梁底模支架均采用36C型工字钢,本工程中右幅4#(4#-2)盖梁的工字钢支架跨度最大,盖梁单位长度自重最大。
本计算分别验算1#-1,1#-2,1#-3,1#-4四种具有代表性的盖梁支架。
36C型工字钢截面尺寸为:360*140*14(mm),自重为71.341kg/m。
3、从结构可靠性及施工工期要求等多方面因素综合考虑,4#-2盖梁支架采用2片36C工字钢作为主梁,两片工字钢间净距90cm,工字钢上横向满铺12*12cm方木,方木中心间距30cm。
方木上铺设盖梁底模(钢模板)。
二、荷载分析根据现场施工实际情况,便桥承受荷载主要由盖梁自重荷载q,再考虑工字钢自重、盖梁定型钢模板自重和施工荷载以及振捣荷载、风雨荷载。
其中盖梁钢筋和砼自重为主要荷载。
如图1所示:图1为简便计算,以上荷载均按照均布荷载考虑,以单片工字钢受力情况分析确定q、P值。
1、q值确定由资料查得36C工字钢每米重71.34kg,再加方木及钢板重量,单片工字钢自重按1.2KN/m计算,即q1=1.2KN/m。
施工荷载、振捣荷载、风雨荷载由查《路桥施工计算手册》得q2=1.0KN/m盖梁均布在2根工字钢上(钢筋骨架按照墩顶支立,不作用在工字钢上),则有盖梁每延米自重:对于1#-1,1#-2:q2=34.6KN/m对于4#-1,4#-2:q2=34.6KN/m对于本例: q=q1+q2+q3,P=0对于1#-1,1#-2盖梁,q =36.8KN/m对于4#-1,4#-2盖梁,q=52.4KN/m三、结构强度检算(一)、1#-1验算由图1所示单片工字钢受力图示,已知q=34.6KN/m ,P=0,工字钢计算跨径l =6.2m ,根据设计规范,工字钢容许弯曲应力[]w σ=210MPa.1、计算最大弯矩最大弯距(图1所示情况下):m KN m m KN Pl ql M ⋅=⨯=+=3.1668)2.6(/6.344822max 2、验算强度正应力验算:[]MPa MPa cm m KN w M 2101739623.166/3max =<=⋅==σσ(w 为36c 工字钢净截面弹性抵抗矩,查表得到为962cm 3)强度合格3、整体挠度验算工字钢梁容许挠度[]cm cm l f 58.1400/630400/===,而工字钢变形为整体变形,由单侧1片工字钢为一整体进行验算,计算得到:()EI Fl l q f ⎥⎦⎤⎢⎣⎡+=483846534 其中q=34.6KN/m F=0 E=206×105/cm 2 I=17300cm 4 ()425417300/10206384)620(/6.3465cm cm cm m KN f ⨯⨯⎥⎦⎤⎢⎣⎡⨯⨯⨯= =cm 12.1<[f] 挠度合格。
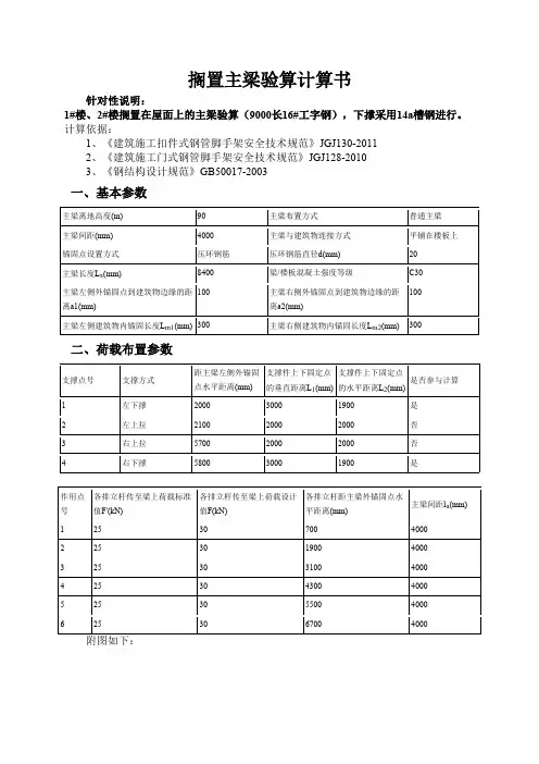
搁置主梁验算计算书搁置主梁验算计算书计算依据:1、《建筑施工扣件式钢管脚手架安全技术规范》JGJ130-20112、《建筑施工门式钢管脚手架安全技术规范》JGJ128-20103、《钢结构设计规范》GB50017-2003一、基本参数主梁布置方式普通主梁主梁间距(mm) 1000主梁与建筑物连接方式平铺在楼板上锚固点设置方式压环钢筋压环钢筋直径d(mm) 16 主梁长度L x(mm) 16100梁/楼板混凝土强度等级C30 主梁左侧外锚固点到建筑物边缘的距离a1(mm)100主梁右侧外锚固点到建筑物边缘的距离a2(mm)100 主梁左侧建筑物内锚固长度L m1(mm) 1200主梁右侧建筑物内锚固长度L m2(mm)1200二、荷载布置参数支撑点号支撑方式距主梁左侧外锚固点水平距离(mm) 支撑件上下固定点的垂直距离L1(mm)支撑件上下固定点的水平距离L2(mm)是否参与计算1 左上拉2800 3900 2800 是2 左上拉5500 7800 5500 是3 右上拉8200 7800 5500 是4 右上拉10900 3900 2800 是作用点各排立杆传至梁上荷载标准各排立杆传至梁上荷载设计各排立杆距主梁外锚固点水主梁间距l a(mm)号值F'(kN) 值F(kN) 平距离(mm)1 18.73 22 400 10002 18.73 22 1400 10003 18.73 22 2400 10004 18.73 22 3400 10005 18.73 22 4400 10006 18.73 22 5400 10007 18.73 22 6400 10008 18.73 22 7400 10009 18.73 22 8400 100010 18.73 22 9400 100011 18.73 22 10400 100012 18.73 22 11400 100013 18.73 22 12400 100014 18.73 22 13400 1000附图如下:平面图立面图三、主梁验算主梁材料类型工字钢主梁合并根数n z 1主梁材料规格16号工字钢主梁截面积A(cm2) 26.1主梁截面惯性矩I x(cm4) 1130 主梁截面抵抗矩W x(cm3) 141主梁自重标准值g k(kN/m) 0.205 主梁材料抗弯强度设计值[f](N/mm2) 215主梁材料抗剪强度设计值[τ](N/mm2) 125 主梁弹性模量E(N/mm2) 206000 荷载标准值:q'=g k=0.205=0.2kN/m第1排:F'1=F1'/n z=18.73/1=18.73kN第2排:F'2=F2'/n z=18.73/1=18.73kN第3排:F'3=F3'/n z=18.73/1=18.73kN第4排:F'4=F4'/n z=18.73/1=18.73kN第5排:F'5=F5'/n z=18.73/1=18.73kN第6排:F'6=F6'/n z=18.73/1=18.73kN第7排:F'7=F7'/n z=18.73/1=18.73kN第8排:F'8=F8'/n z=18.73/1=18.73kN第9排:F'9=F9'/n z=18.73/1=18.73kN 第10排:F'10=F10'/n z=18.73/1=18.73kN 第11排:F'11=F11'/n z=18.73/1=18.73kN 第12排:F'12=F12'/n z=18.73/1=18.73kN 第13排:F'13=F13'/n z=18.73/1=18.73kN 第14排:F'14=F14'/n z=18.73/1=18.73kN 荷载设计值:q=1.2×g k=1.2×0.205=0.25kN/m第1排:F1=F1/n z=22/1=22kN第2排:F2=F2/n z=22/1=22kN第3排:F3=F3/n z=22/1=22kN第4排:F4=F4/n z=22/1=22kN第5排:F5=F5/n z=22/1=22kN第6排:F6=F6/n z=22/1=22kN第7排:F7=F7/n z=22/1=22kN第8排:F8=F8/n z=22/1=22kN第9排:F9=F9/n z=22/1=22kN第10排:F10=F10/n z=22/1=22kN第11排:F11=F11/n z=22/1=22kN第12排:F12=F12/n z=22/1=22kN第13排:F13=F13/n z=22/1=22kN第14排:F14=F14/n z=22/1=22kN1、强度验算弯矩图(kN·m)σmax=M max/W=16.22×106/141000=115.03N/mm2≤[f]=215N/mm2符合要求!2、抗剪验算剪力图(kN)τmax=Q max/(8I zδ)[bh02-(b-δ)h2]=37.92×1000×[88×1602-(88-6)×140.22]/(8×11300000×6)=44.82N/mm2τmax=44.82N/mm2≤[τ]=125N/mm2符合要求!3、挠度验算变形图(mm)νmax=2.03mm≤[ν]=l/250=13700/250=54.8mm符合要求!4、支座反力计算R1=-8.54kN,R2=40.17kN,R3=64.12kN,R4=59.38kN,R5=59.34kN,R6=63.53kN,R7=42.63kN,R8=-8.6kN四、上拉杆件验算上拉杆材料类型钢筋上拉杆截面类型25上拉杆截面积A(cm2) 4.91 上拉杆截面惯性矩I(cm4) 245上拉杆截面抵抗矩W(cm3) 49 上拉杆材料抗拉强度设计值f(N/mm2) 205上拉杆弹性模量E(N/mm2) 206000 对接焊缝抗拉强度设计值f t w(N/mm2) 185焊缝厚度h e(mm) 15 焊缝长度l w(mm) 120角焊缝强度设计值f t w(N/mm2) 160上拉杆件角度计算:α1=arctanL1/L2=arctan(3900/2800)=54.32°α2=arctanL1/L2=arctan(7800/5500)=54.81°α3=arctanL1/L2=arctan(7800/5500)=54.81°α4=arctanL1/L2=arctan(3900/2800)=54.32°上拉杆件支座力:R S1=n z R3=1×64.12=64.12kNR S2=n z R4=1×59.38=59.38kNR S3=n z R5=1×59.34=59.34kNR S4=n z R6=1×63.53=63.53kN主梁轴向力:N SZ1=R S1/tanα1=64.12/tan54.32°=46.04kNN SZ2=R S2/tanα2=59.38/tan54.81°=41.87kNN SZ3=R S3/tanα3=59.34/tan54.81°=41.84kNN SZ4=R S4/tanα4=63.53/tan54.32°=45.61kN上拉杆件轴向力:N S1=R S1/sinα1=64.12/sin54.32°=78.94kNN S2=R S2/sinα2=59.38/sin54.81°=72.65kNN S3=R S3/sinα3=59.34/sin54.81°=72.61kNN S4=R S4/sinα4=63.53/sin54.32°=78.21kN上拉杆件的最大轴向拉力N S=max[N S1...N Si]=78.94kN轴心受拉稳定性计算:σ =N S/A=78.94×103/490.9=160.8N/mm2≤f=205N/mm2 符合要求!角焊缝验算:σf=N S/(h e×l w)=78.94×103/(15×120)=43.85N/mm2≤βf f t w=1.22×160=195.2N/mm2 正面角焊缝的强度设计值增大系数βf=1.22符合要求!对接焊缝验算:σ=N S/(l w t)=78.94×103/A=78.94×103/490.9=160.8N/mm2≤f t w=185N/mm2符合要求!五、主梁整体稳定性验算主梁轴向力:N=[N SZ1+N SZ2-N SZ3-N SZ4]/n z=[46.04+41.87-41.84-45.61]/1=0.45kN压弯构件强度:σmax=M max/(γW)+N/A=16.22×106/(1.05×141×103)+0.45×103/2610 =109.72N/mm2≤[f]=215N/m m2塑性发展系数γ符合要求!受弯构件整体稳定性分析:其中φb -- 均匀弯曲的受弯构件整体稳定系数:查表《钢结构设计规范》(GB50017-2003)得,φb=2.8由于φb大于0.6,根据《钢结构设计规范》(GB50017-2003)附表B,得到φb值为0.97。
钢平台设计及荷载验算书一、荷载分析根据现场施工实际情况,便桥承受荷载主要由钢桥自重荷载q 及车辆荷载。
如图1所示: q图1为简便计算,以上荷载均按照均布荷载考虑,以单片工字钢受力情况分析确定q 值。
1、q 值确定由资料查得25a 工字钢每米重38.1kg ,再加[12槽钢0.75*8*1*12.4/3.5=21.26kg 及钢板重量78.6*0.75=58.95kg ,单片工字钢自重按1.2KN/m 计算,即q1=1.2KN/m 。
车辆荷载按18+12*2.4=46.8t ,既46.8/4/3.5=33.4KN/m总荷载:Q=1.2*1.2+33.4*1.4=48.17KN/m三、结构强度检算(一)、工字钢验算已知Q=48.17K N/m ,工字钢计算跨径l =3.5m ,根据设计规范,工字钢容许弯曲应力[]w σ=210MPa.1、计算最大弯矩最大弯距(图1所示情况下):m KN m m KN ql M ⋅=⨯==76.738)5.3(/17.48822max2、验算强度正应力验算:[]MPa MPa cm m KN w M 21018340276.73/3max =<=⋅==σσ (w 为25a 工字钢净截面弹性抵抗矩,查表得到为402cm 3) 强度合格3、整体挠度验算工字钢梁容许挠度[]cm cm l f 875.0400/350400/===,而工字钢变形为整体变形,由1片工字钢为一整体进行验算,计算得到:100384q 54EI l f ⎥⎦⎤⎢⎣⎡= 其中q=48.17KN/m E=206×105/cm 2 I=5020cm 4 ()42545020/10206×100384)350(/17.485cm cm cm m KN f ⨯⨯⎥⎦⎤⎢⎣⎡⨯⨯==cm 01.0<[f] 挠度合格。
(二)、槽钢验算已知q=0.8*1.2+1.4*10*46.8/4=165KN/m ,槽钢计算跨径l =0.75m ,根据设计规范,槽钢容许弯曲应力[]w σ=210MPa.1、计算最大弯矩最大弯距(图1所示情况下):m KN m m KN ql M ⋅=⨯==6.118)75.0(/165822max 2、验算强度正应力验算:[]MPa MPa cm m KN w M 2108.1861.626.11/3max =<=⋅==σσ (w 为12槽钢净截面弹性抵抗矩,查表得到为62.1cm 3)强度合格3、整体挠度验算槽钢梁容许挠度[]cm cm f 19.0400/75400/75===,而槽钢变形为整体变形,由单侧1片槽钢为一整体进行验算,计算得到:EI l f 100384q 54⎥⎦⎤⎢⎣⎡= 其中q=165KN/m E=206×105/cm 2 I=391cm 4 ()4254391/10206100384)75(/1655cm cm cm m KN f ⨯⨯⨯⎥⎦⎤⎢⎣⎡⨯⨯==cm -410×.438<[f]挠度合格。
工字钢临时便桥桥计算书1、编制依据及规范标准1.1、编制依据(1)、现行施工设计标准(2)、现行钢结构设计标准(3)、现行施工安全技术标准1.2、规范标准(1)、公路桥涵设计通用规范(JTGD60-2004)(2)、公路桥涵地基与基础设计规范(JTJ024-85)(3)、公路桥涵钢结构及木结构设计规范(JTJ 025-86)2、主要技术标准及设计说明2.1、主要技术标准桥面宽度:5.0m设计荷载:公路—Ⅰ级汽车荷载桥跨布置:1×10m2.2、设计说明2.2.1、桥面板栈桥桥面板材料为A3钢板,钢板厚度为15mm,钢板焊接在中心间距400mm 的I14工字钢纵梁上。
桥面板上设置间距600mm的Φ12钢筋防滑条。
2.2.2、工字钢纵梁桥面板下设置I14工字钢纵梁,工字钢纵梁中心间距400mm,顺桥向设置。
I14工字钢纵梁搁置在中心间距1200mm的I20a工字钢横梁上。
I14纵梁与桥面板及横梁均焊接牢固。
2.2.3、工字钢横梁I14工字钢纵梁下设置中心间距1200mm的I20a工字钢横梁,横桥向设置。
I20a横梁与主梁焊接牢固。
2.2.4、主梁栈桥采用8根I63c工字钢作为主梁,8根I63c主梁中心间距600mm。
主梁与I20a横梁焊接牢固。
2.2.5、基础墩、台基础采用C30混凝土扩大基础,基础进入河床冲刷线以下1.5米,基础底进入持力层。
基础高度2.0米2.2.6.桥墩、桥台桥墩桥台采用C30混凝土桥台,桥台前墙1:0.35,背墙直立。
台帽采用钢筋混凝土结构在主梁位置预埋δ=20mm的钢板,防止压碎桥台混凝土,台帽宽1米。
桥墩墩顶宽2米在顺桥向两侧采用1:0.35背坡。
2.2.7、附属结构便桥栏杆立柱采用Φ48×1000mm钢管焊接在I20a横梁上,钢管立柱间距1500mm,露出桥面板高1.2米,立柱间采用Φ20钢筋连接。
便桥桥头两侧设置两道警示灯,以便夜间起到警示作用。
3、主要工程数量表-14、荷载计算4.1、活载计算本栈桥主要供混凝土罐车、各种机械设备运输,本桥荷载按每孔公路—Ⅰ级汽车荷载检算,则活载为:公路—Ⅰ级汽车荷载:实际600KN4.2、荷载组合另考虑冰雪等偶然荷载作用,故按以下安全系数进行荷载组合:恒载1.2,活载1.3。
双排工字钢悬挑架主梁验算计算书计算依据:1、《建筑施工门式钢管脚手架安全技术规范》JGJ128-20102、《建筑施工扣件式钢管脚手架安全技术规范》JGJ130-20113、《建筑结构荷载规范》GB50009-20124、《钢结构设计标准》GB50017-20175、《混凝土结构设计规范》GB50010-2010一、基本参数平面图立面图三、主梁验算主梁材料类型工字钢主梁合并根数n z 1主梁材料规格18号工字钢主梁截面积A(cm2) 30.6 主梁截面惯性矩I x(cm4) 1660 主梁截面抵抗矩W x(cm3) 185主梁自重标准值g k(kN/m) 0.241 主梁材料抗弯强度设计值[f](N/mm2) 215主梁材料抗剪强度设计值[τ](N/mm2) 125 主梁弹性模量E(N/mm2) 206000 主梁允许挠度[ν](mm) 1/360q'=g k=0.241=0.241kN/m第1排:F'1=F1'/n z=8/1=8kN第2排:F'2=F2'/n z=8/1=8kN荷载设计值:q=1.2×g k=1.2×0.241=0.289kN/m第1排:F1=F1/n z=10.9/1=10.9kN第2排:F2=F2/n z=10.9/1=10.9kN1、强度验算弯矩图(kN·m)σmax=M max/W=15.543×106/185000=84.017N/mm2≤[f]=215N/mm22、抗剪验算剪力图(kN)τmax=Q max/(8I zδ)[bh02-(b-δ)h2]=22.205×1000×[94×1802-(94-6.5)×158.62]/(8×16600000×6 .5)=21.727N/mm2τmax=21.727N/mm2≤[τ]=125N/mm23、挠度验算变形图(mm)νmax=5.619mm≤[ν]=2×l x/360=2×1400/360=7.778mm4、支座反力计算设计值:R1=-5.602kN,R2=28.558kN四、悬挑主梁整体稳定性验算受弯构件整体稳定性分析:其中φb -- 均匀弯曲的受弯构件整体稳定系数:查表《钢结构设计标准》(GB50017-2017)得,φb=2由于φb大于0.6,根据《钢结构设计标准》(GB50017-2017)附表C,得到φb'值为0.93。
6.2.1、I25a 工字钢横向分配梁验算:I25a 工字钢截面参数:截面面积248.51A cm = 单位重量38.08/g kg m =截面惯性矩45017I cm = 截面抵抗矩3401.4W cm =半截面面积矩3230.7S cm = 翼缘平均厚 0.8w t cm =。
选择最不利工况,将荷载换算成88.8t 重车,横向轮距为2m ,履带长度4.6m 。
I25a 布置间距为150cm ,可知3根I25a 直接受力,则每根横梁受力为: P 活=88.8/3=29.6t=296KN恒载:桥面板和横梁自重q 恒=(8.4×15×79+8.4/0.3×15×13.987)÷(10×8.4)=188.4kg/m=1.9KN/m通过结构力学求解器建模:计算得到:弯矩图剪力图最大弯矩为:24.27KNm ,最大剪力为:89.5KN 。
弯曲应力:σ=M/W=24.27×106/401400 =60.5 MPa <140 MPa剪应力:τ= V 总/A =89.5×103/4851 =18.5 MPa <85 MPa满足规范要求。
6.2.2、I12工字钢纵向分配梁验算:I12a 工字钢截面参数:截面面积218.1A cm = 单位重量14.21/g kg m =截面惯性矩4488I cm = 截面抵抗矩377.4W cm =半截面面积矩344.2S cm = 翼缘平均厚 0.5w t cm =。
选择最不利工况,将荷载换算成88.8t 重车,履带宽度0.8m ,履带长度4.6m 。
I12布置间距问30cm ,可知2根I12直接受力。
I25a 布置间距为150cm ,可知3根I25a 直接受力,则每根横梁受力为:P 活=88.8/(2×2)=22.2t=222KN q 活=222/4.6=48.3KN/m恒载:桥面板和横梁自重q 恒=(15×8.4×79)÷(26×15)=25.5kg/m=0.3KN/m 。
三号楼工字钢支撑梁设计计算书计算依据:1、《钢结构设计规范》GB50017-2003计算说明:按照最不利情况考虑,两根工字钢之间上方有一次梁,按截面300*500计算,板厚按照140mm计算,工字钢按照间距1000mm设置。
一、基本参数承载能力极限状态:P=γG×Pgk+ γQ×Pqk=1.2×18.68+1.4×2.5=25.916KN正常使用极限状态:P'= Pgk+ Pqk=18.68+2.5=21.18KN1、抗弯验算Mmax=P×L/4=25.916×3/4=19.437KN·mσ= Mmax /(γxW)=19.437×106/(1.05×141×1000)=131.287N/mm2≤[f]=215 N/mm2 满足要求!2、抗剪验算Vmax=P/2=25.916/2=12.958kNτmax=Vmax[bh02-(b-δ)h2]/(8Izδ)=12.958×1000×[88×1602-(88-6)×140.22]/(8×1130×100 00×6)=15.314N/mm2≤[τ]=125N/mm2满足要求!3、挠度验算νmax=1/48*(P'×L3)/(E×Ix)=1/48×(21180×(3×1000)3)/(206000×1130×10000)=5.118mm≤[ν]=L/250=3×1000/250=12mm满足要求!4、支座反力RA=P/2=25.916/2=12.958kNRB=P/2=25.916/2=12.958kN三号楼槽钢支撑梁设计计算书计算依据:1、《钢结构设计规范》GB50017-2003计算说明:按照板厚按照140mm计算,工字钢按照间距1000mm,立杆间距1000设置。
搁置主梁验算计算书计算依据:1、《建筑施工扣件式钢管脚手架安全技术规范》JGJ130-20112、《建筑施工门式钢管脚手架安全技术规范》JGJ128-20103、《建筑结构荷载规范》GB50009-20124、《钢结构设计规范》GB50017-2003一、基本参数主梁离地高度(m) 58.25 主梁布置方式 普通主梁 主梁间距(mm) 900主梁与建筑物连接方式 平铺在楼板上 锚固点设置方式 U 型锚固螺栓 锚固螺栓直径d(mm) 20 主梁长度L x (mm)6000 梁/楼板混凝土强度等级C25 主梁左侧外锚固点到建筑物边缘的距离a1(mm)100主梁右侧外锚固点到建筑物边缘的距离a2(mm)100主梁左侧建筑物内锚固长度L m1(mm) 100 主梁右侧建筑物内锚固长度L m2(mm) 100 混凝土与螺栓表面的容许粘结强度[τb ](N/mm 2)2.5 锚固螺栓抗拉强度设计值[f t ](N/mm 2)50二、荷载布置参数平面图立面图三、主梁验算q'=g k=0.241=0.241kN/m第1排:F'1=F1'/n z=4.98/1=4.98kN 第2排:F'2=F2'/n z=4.98/1=4.98kN 第3排:F'3=F3'/n z=4.98/1=4.98kN 第4排:F'4=F4'/n z=4.98/1=4.98kN 第5排:F'5=F5'/n z=4.98/1=4.98kN 第6排:F'6=F6'/n z=4.98/1=4.98kN 荷载设计值:q=1.2×g k=1.2×0.241=0.289kN/m第1排:F1=F1/n z=4.98/1=4.98kN第2排:F2=F2/n z=4.98/1=4.98kN第3排:F3=F3/n z=4.98/1=4.98kN第4排:F4=F4/n z=4.98/1=4.98kN第5排:F5=F5/n z=4.98/1=4.98kN第6排:F6=F6/n z=4.98/1=4.98kN1、强度验算弯矩图(kN·m)σmax=M max/W=3.961×106/185000=21.41N/mm2≤[f]=215N/mm2符合要求!2、抗剪验算剪力图(kN)τmax=Q max/(8I zδ)[bh02-(b-δ)h2]=39.595×1000×[94×1802-(94-6.5)×158.62]/(8×16600000×6.5)=38.743N/mm2τmax=38.743N/mm2≤[τ]=125N/mm2符合要求!3、挠度验算变形图(mm)νmax=0.339mm≤[ν]=l/250=5800/250=23.2mm符合要求!4、支座反力计算R1=-39.593kN,R2=48.12kN,R3=4.843kN,R4=12.233kN,R5=42.516kN,R6=-36.504kN四、上拉杆件验算钢丝绳型号6×37(a) 钢丝绳公称抗拉强度(N/mm2) 1870(钢芯) 钢丝绳直径(mm) 16 钢丝绳不均匀系数α0.85钢丝绳安全系数k 9 钢丝绳绳夹型式马鞍式拴紧绳夹螺帽时螺栓上所受力T(kN) 15.19 钢丝绳绳夹数量[n] 3花篮螺栓在螺纹处的有效直径d e(mm) 19 花篮螺栓抗拉强度设计值[f t](N/mm2) 170主梁拉环直径d(mm) 20 焊缝厚度h e(mm) 10焊缝长度l w(mm) 100 角焊缝强度设计值f tw(N/mm2) 160钢丝绳绳卡作法钢丝绳连接吊环作法上拉杆件角度计算:α1=arctanL1/L2=arctan(2900/2900)=45°α2=arctanL1/L2=arctan(2900/2900)=45°上拉杆件支座力:R S1=n z R3=1×4.843=4.843kNR S2=n z R4=1×12.233=12.233kN主梁轴向力:N SZ1=R S1/tanα1=4.843/tan45°=4.843kNN SZ2=R S2/tanα2=12.233/tan45°=12.233kN上拉杆件轴向力:N S1=R S1/sinα1=4.843/sin45°=6.849kNN S2=R S2/sinα2=12.233/sin45°=17.3kN上拉杆件的最大轴向拉力N S=max[N S1...N Si]=17.3kN钢丝绳:查(《建筑施工计算手册》江正荣著2001年7月第一版)表13-4、13-5、13-6得,钢丝绳破断拉力总和:F g=224.57kN[F g]=α× F g/k=0.82×224.57/9=20.461kN≥N S=17.3kN符合要求!绳夹数量:n=1.667[Fg]/(2T)=1.667×20.461/(2×15.19)=2个≤[n]=3个符合要求!花篮螺栓验算:σ=[F g]/(π×d e2/4)=20.461×103/(π×192/4)=72.165N/mm2≤[ft]=170N/mm2符合要求!拉环验算:σ =[F g]/(2A)=2[F g]/πd2=2×20.461×103/(π×202)=32.564N/mm2≤[f]=65N/mm2注:[f]为拉环钢筋抗拉强度,按《混凝土结构设计规范》9.7.6 每个拉环按2个截面计算的吊环应力不应大于65N/mm2符合要求!拉环详图(主梁为工字钢)角焊缝验算:σf=N S/(h e×l w)=17.3×103/(10×100)=17.3N/mm2≤βf f t w=1.22×160=195.2N/mm2正面角焊缝的强度设计值增大系数βf=1.22符合要求!五、主梁整体稳定性验算主梁轴向力:N =[N SZ1-N SZ2]/n z=[4.843-12.233]/1=7.39kN压弯构件强度:σmax=M max/(γW)+N/A=3.961×106/(1.05×185×103)+7.39×103/3060=22.805N/mm2≤[f]=2 15N/mm2塑性发展系数γ符合要求!受弯构件整体稳定性分析:其中φb -- 均匀弯曲的受弯构件整体稳定系数:查表《钢结构设计规范》(GB50017-2003)得,φb=2.8由于φb大于0.6,根据《钢结构设计规范》(GB50017-2003)附表B,得到φb值为0.97。
搁置主梁验算计算书计算依据:1、《建筑施工扣件式钢管脚手架安全技术规范》JGJ130-20112、《建筑施工门式钢管脚手架安全技术规范》JGJ128-20103、《钢结构设计规范》GB50017-2003一、基本参数作用点号各排立杆传至工字钢荷载标准值F'(kN)各排立杆传至工字钢荷载设计值F(kN)各排立杆距工字钢固点水平距离(mm)工字钢间距l a(mm)1 9.5 10.9 300 9002 9.5 10.9 1200 9003 9.5 10.9 2100 9004 9.5 10.9 3000 9005 9.5 10.9 3900 9006 9.5 10.9 4800 900附图如下:平面图立面图三、主梁验算主梁材料类型 工字钢 主梁合并根数n z 1 主梁材料规格18号工字钢 主梁截面积A(cm 2) 30.6 主梁截面惯性矩I x (cm 4) 1660 主梁截面抵抗矩W x (cm 3)185 主梁自重标准值g k (kN/m)0.241主梁材料抗弯强度设计值[f](N/mm 2) 215 主梁材料抗剪强度设计值[τ](N/mm 2) 125主梁弹性模量E(N/mm 2)206000主梁允许挠度[ν](mm) 1/250荷载标准值: q'=g k =0.241=0.241kN/m 第1排:F'1=F 1'/n z =9.5/1=9.5kN 第2排:F'2=F 2'/n z =9.5/1=9.5kN 第3排:F'3=F 3'/n z =9.5/1=9.5kN 第4排:F'4=F 4'/n z =9.5/1=9.5kN 第5排:F'5=F 5'/n z =9.5/1=9.5kN 第6排:F'6=F 6'/n z =9.5/1=9.5kN 荷载设计值:q=1.2×g k =1.2×0.241=0.289kN/m 第1排:F 1=F 1/n z =10.9/1=10.9kN 第2排:F 2=F 2/n z =10.9/1=10.9kN 第3排:F 3=F 3/n z =10.9/1=10.9kN 第4排:F 4=F 4/n z =10.9/1=10.9kN 第5排:F 5=F 5/n z =10.9/1=10.9kN 第6排:F 6=F 6/n z =10.9/1=10.9kN1、强度验算弯矩图(kN·m)σmax=M max/W=3.992×106/185000=21.577N/mm2≤[f]=215N/mm2符合要求!2、抗剪验算剪力图(kN)τmax=Q max/(8I zδ)[bh02-(b-δ)h2]=12.349×1000×[94×1802-(94-6.5)×158.62]/(8×16600000×6.5)=12.084N/mm 2τmax =12.084N/mm 2≤[τ]=125N/mm 2 符合要求! 3、挠度验算变形图(mm)νmax =0.197mm≤[ν]=l/250=5000/250=20mm 符合要求! 4、支座反力计算R 1=9.886kN,R 2=22.95kN,R 3=22.849kN,R 4=11.165kN四、下撑杆件验算下撑杆材料类型 钢管 下撑杆截面类型 Ф48×3.0 下撑杆截面积A(cm 2) 4.89 下撑杆截面惯性矩I(cm 4)12.19下撑杆截面抵抗矩W(cm 3) 5.08 下撑杆材料抗压强度设计值f(N/mm 2) 205下撑杆弹性模量E(N/mm 2)206000下撑杆件截面回转半径i(cm) 1.58对接焊缝抗压强度设计值f t w (N/mm 2) 185下撑杆件角度计算:β1=arctanL 1/L 2=arctan(4500/1500)=71.565° β2=arctanL 1/L 2=arctan(4500/1500)=71.565° 下撑杆件支座力: R X1=n z R 2=1×22.95=22.95kN R X2=n z R 3=1×22.849=22.849kN主梁轴向力:N XZ1=R X1/tanβ1=22.95/tan71.565°=7.65kNN XZ2=R X2/tanβ2=22.849/tan71.565°=7.616kN下撑杆件轴向力:N X1=R X1/sinβ1=22.95/sin71.565°=24.191kNN X2=R X2/sinβ2=22.849/sin71.565°=24.085kN下撑杆件的最大轴向拉力N X=max[N x1...N xi]=24.191kN下撑杆长度:L01=(L12+L22)0.5=(45002+15002)0.5=4743.416mmL02=(L12+L22)0.5=(45002+15002)0.5=4743.416mm下撑杆长细比:λ1=L01/i=4743.416/15.8=300.216查《钢结构设计规范》GB50017-2003表C得,υ1=0.081λ2=L02/i=4743.416/15.8=300.216查《钢结构设计规范》GB50017-2003表C得,υ2=0.081符合要求!五、主梁整体稳定性验算工字钢轴向力:N =[-N XZ1+N XZ2]/n z=[-7.65+7.616]/1=0.033kN压弯构件强度:σmax=M max/(γW)+N/A=3.992×106/(1.05×185×103)+0.033×103/3060=20.561N/mm2≤[f]= 215N/mm2塑性发展系数γ符合要求!受弯构件整体稳定性分析:其中υb -- 均匀弯曲的受弯构件整体稳定系数:查表《钢结构设计规范》(GB50017-2003)得,υb=2.8由于υb大于0.6,根据《钢结构设计规范》(GB50017-2003)附表B,得到υb值为0.97。
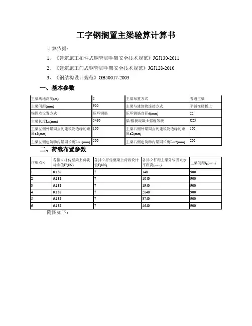
工字钢搁置主梁验算计算书计算依据:1、《建筑施工扣件式钢管脚手架安全技术规范》JGJ130-20112、《建筑施工门式钢管脚手架安全技术规范》JGJ128-20103、《钢结构设计规范》GB50017-2003一、基本参数作用点号各排立杆传至梁上荷载标准值F'(kN)各排立杆传至梁上荷载设计值F(kN)各排立杆距主梁外锚固点水平距离(mm)主梁间距l a(mm)1 6.138 7 140 9002 6.138 7 1040 9003 6.138 7 1940 9004 6.138 7 2840 9005 6.138 7 3740 9006 6.1387 4640 900附图如下:平面图立面图三、主梁验算主梁材料类型 工字钢 主梁合并根数n z 1 主梁材料规格14号工字钢 主梁截面积A(cm 2) 21.5 主梁截面惯性矩I x (cm 4) 712 主梁截面抵抗矩W x (cm 3)102 主梁自重标准值g k (kN/m)0.169主梁材料抗弯强度设计值[f](N/mm 2) 215 主梁材料抗剪强度设计值[τ](N/mm 2) 125主梁弹性模量E(N/mm 2)206000主梁允许挠度[ν](mm) 1/250荷载标准值:q'=g k =0.169=0.169kN/m第1排:F'1=F 1'/n z =6.138/1=6.138kN 第2排:F'2=F 2'/n z =6.138/1=6.138kN 第3排:F'3=F 3'/n z =6.138/1=6.138kN第4排:F'4=F4'/n z=6.138/1=6.138kN第5排:F'5=F5'/n z=6.138/1=6.138kN第6排:F'6=F6'/n z=6.138/1=6.138kN荷载设计值:q=1.2×g k=1.2×0.169=0.203kN/m第1排:F1=F1/n z=7/1=7kN第2排:F2=F2/n z=7/1=7kN第3排:F3=F3/n z=7/1=7kN第4排:F4=F4/n z=7/1=7kN第5排:F5=F5/n z=7/1=7kN第6排:F6=F6/n z=7/1=7kN1、强度验算弯矩图(kN·m)σmax=M max/W=15.204×106/102000=149.058N/mm2≤[f]=215N/mm2符合要求!2、抗剪验算剪力图(kN)τmax=Q max/(8I zδ)[bh02-(b-δ)h2]=76.034×1000×[80×1402-(80-5.5)×121.82]/(8×7120000×5.5)=112.316N /mm2τmax=112.316N/mm2≤[τ]=125N/mm2符合要求!3、挠度验算变形图(mm)νmax=7.623mm≤[ν]=l/250=4780/250=19.12mm符合要求!4、支座反力计算R1=-27.203kN,R2=48.459kN,R3=97.855kN,R4=-75.999kN四、主梁整体稳定性验算主梁轴向力:N =[0]/n z=[0]/1=0kN压弯构件强度:σmax=M max/(γW)+N/A=15.204×106/(1.05×102×103)+0×103/2150=141.96N/mm2≤[f]=215N/mm2 塑性发展系数γ符合要求!受弯构件整体稳定性分析:其中υb -- 均匀弯曲的受弯构件整体稳定系数:查表《钢结构设计规范》(GB50017-2003)得,υb=1.07由于υb大于0.6,根据《钢结构设计规范》(GB50017-2003)附表B,得到υb值为0.81。
搁置主梁验算计算书分析解析搁置主梁验算计算书⼀、基本参数主梁布置⽅式普通主梁主梁间距(mm) 1500 主梁与建筑物连接⽅式焊接主梁长度L x(mm) 6800 梁/楼板混凝⼟强度等级C30 主梁左侧外锚固点到建筑物边缘的距离a1(mm)100主梁右侧外锚固点到建筑物边缘的距离a2(mm) 100 主梁对接焊缝的抗剪强度设计值f vw(N/mm2)125主梁对接焊缝的抗拉强度设计值f tw(N/mm2)185 ⼆、荷载布置参数作⽤点号各排⽴杆传⾄梁上荷载F(kN) 各排⽴杆距主梁左侧外锚固点⽔平距离(mm)主梁间距l a(mm)1 10 400 15002 10 1300 15003 10 2200 15004 10 3100 15005 10 4000 1500附图如下:平⾯图⽴⾯图三、主梁验算k第1排:F1=F1/n z=10/1=10kN 第2排:F2=F2/n z=10/1=10kN第3排:F3=F3/n z=10/1=10kN第4排:F4=F4/n z=10/1=10kN第5排:F5=F5/n z=10/1=10kN1、强度验算弯矩图(kN·m)σmax=M max/W=2.99×106/141000=21.23N/mm2≤[f]=215N/mm2符合要求!2、抗剪验算剪⼒图(kN)τmax=Q max/(8I zδ)[bh02-(b-δ)h2]=9.6×1000×[88×1602-(88-6)×140.22]/(8×11300000×6)=11. 35N/mm2τmax=11.35N/mm2≤[τ]=125N/mm2符合要求!3、挠度验算变形图(mm)νmax=0.29mm≤[ν]=l/250=6800/250=27.2mm符合要求!4、⽀座反⼒计算R1=5.5kN,R2=9.55kN,R3=11.22kN,R4=6.89kN,R5=17.33kN,R6=1.21kN 四、上拉杆件验算钢丝绳绳卡作法钢丝绳连接吊环作法上拉杆件⾓度计算:α1=arctanL1/L2=arctan(3300/1650)=63.43°α2=arctanL1/L2=arctan(3300/1650)=63.43°上拉杆件⽀座⼒:R S1=n z R3=1×11.22=11.22kNR S2=n z R4=1×6.89=6.89kN主梁轴向⼒:N SZ1=R S1/tanα1=11.22/tan63.43°=5.61kNN SZ2=R S2/tanα2=6.89/tan63.43°=3.44kN上拉杆件轴向⼒:N S1=R S1/sinα1=11.22/sin63.43°=12.55kNN S2=R S2/sinα2=6.89/sin63.43°=7.7kN上拉杆件的最⼤轴向拉⼒N S=max[N S1...N Si]=12.55kN钢丝绳:查(《建筑施⼯计算⼿册》江正荣著2001年7⽉第⼀版)表13-4、13-5、13-6得,钢丝绳破断拉⼒总和:F g=138.5kN [F g]=α× F g/k=0.85×138.5/9=13.08kN≥N S=12.55kN符合要求!绳夹数量:n=1.667[Fg]/(2T)=1.667×13.08/(2×15.19)=1个≤[n]=3个符合要求!花篮螺栓验算:σ=[F g]/(π×d e2/4)=13.08×103/(π×102/4)=166.55N/mm2≤[ft]=170N/mm2符合要求!拉环验算:σ =[F g]/(2A)=2[F g]/πd2=2×13.08×103/(π×202)=20.82N/mm2≤[f]=65N/mm2注:[f]为拉环钢筋抗拉强度,按《混凝⼟结构设计规范》9.7.6 每个拉环按2个截⾯计算的吊环应⼒不应⼤于65N/mm2符合要求!拉环详图(主梁为⼯字钢)⾓焊缝验算:σf =N S /(h e ×l w )=12.55×103/(10×100)=12.55N/mm 2 ≤βf f t w =1.22×160=195.2N/mm 2 符合要求!五、下撑杆件验算下撑杆材料类型⼯字钢下撑杆截⾯类型 10号⼯字钢下撑杆截⾯积A(cm 2) 14.3 下撑杆截⾯惯性矩I(cm 4)245下撑杆截⾯抵抗矩W(cm 3) 49 下撑杆材料抗压强度设计值f(N/mm 2) 215下撑杆弹性模量E(N/mm 2)206000下撑杆件截⾯回转半径i(cm) 4.14对接焊缝抗压强度设计值f t w (N/mm 2) 185下撑杆件⾓度计算:β1=arctanL 1/L 2=arctan(3300/750)=77.2° β2=arctanL 1/L 2=arctan(3300/750)=77.2° 下撑杆件⽀座⼒: R X1=n z R2=1×9.55=9.55kN R X2=n z R 5=1×17.33=17.33kN 主梁轴向⼒:N XZ1=R X1/tan β1=9.55/tan77.2°=2.17kN N XZ2=R X2/tan β2=17.33/tan77.2°=3.94kN 下撑杆件轴向⼒:N X1=R X1/sin β1=9.55/sin77.2°=9.8kN N X2=R X2/sin β2=17.33/sin77.2°=17.77kN下撑杆件的最⼤轴向拉⼒N X =max[N x1...N xi ]=17.77kN 下撑杆长度:L01=(L 12+L 22)0.5=(33002+7502)0.5=3384.15mm L02=(L 12+L 22)0.5=(33002+7502)0.5=3384.15mm 下撑杆长细⽐:λ1=L 01/i=3384.15/41.4=81.74查《钢结构设计规范》GB50017-2003表C 得,φ1=0.739λ2=L02/i=3384.15/41.4=81.74查《钢结构设计规范》GB50017-2003表C得,φ2=0.739轴⼼受压稳定性计算:σ1=N X1/(φ1A)=9795.89/(0.739×1430)=9.27N/mm2≤f=215N/mm2符合要求!σ2=N X2/(φ2A)=17768.25/(0.739×1430)=16.81N/mm2≤f=215N/mm2符合要求!对接焊缝验算:σ=N X/(l w t)=17.77×103/A=17.77×103/1430=12.43N/mm2≤f c w=185N/mm2符合要求!六、主梁整体稳定性验算主梁轴向⼒:N =[N SZ1-N SZ2-N XZ1+N XZ2]/n z=[5.61-3.44-2.17+3.94]/1=3.93kN压弯构件强度:σmax=M max/(γW)+N/A=2.99×106/(1.05×141×103)+3.93×103/2610=21.73N/mm2≤[f]=215 N/mm2符合要求!受弯构件整体稳定性分析:其中φb -- 均匀弯曲的受弯构件整体稳定系数:查表《钢结构设计规范》(GB50017-2003)得,φb=1.6由于φb⼤于0.6,根据《钢结构设计规范》(GB50017-2003)附表B,得到φb值为0.89。
第一节、工程概况一、工程概况【工程概况应针对该危险性较大的分部分项工程的特点及要求进行编写】工程基本情况各责任主体名称建设单位设计单位施工单位监理单位项目经理总监理工程师技术负责人专业监理工程师二、施工平面布置三、施工要求1、确保脚手架在使用周期内安全、稳定、牢靠。
2、脚手架在搭设及拆除过程中要符合工程施工进度要求。
操作人员需取得特殊作业人员资格上岗证。
四、技术保证条件1、安全网络2、脚手架的搭设和拆除需严格执行该《专项施工方案》。
第二节、编制依据《建筑施工脚手架实用手册》《建筑结构荷载规范》GB50009-2001(06年版)《混凝土结构设计规范》GB50010-2010《钢结构设计规范》GB50017-2003《建筑施工安全检查标准》JGJ59-99《建筑施工高处作业安全技术规范》JGJ80-91危险性较大的分部分项工程安全管理办法(建质[2009]87号文)相关施工设计图纸等。
第三节、施工计划一、施工进度计划二、材料与设备计划主要材料参数表【搁置主梁验算】第四节、施工工艺技术一、技术参数【搁置主梁验算】二、工艺流程三、施工方法四、检查验收第五节、施工安全保证措施一、组织保障1、安全保证体系2、环境保护体系二、技术措施脚手架搭设技术措施脚手架拆除技术措施三、监测监控1、安全管理(1) 搭设人员必须是经过按现行国家标准《特种作业人员安全技术考核管理规则》GB5036考核合格的专业架子工。
上岗人员定期体检,合格者方可持证上岗;(2) 搭设人员必须戴安全帽、系安全带,穿防滑鞋;(3) 脚手架的构配件质量与搭设质量,应按安全技术规范规定进行检查验收,合格后方准许使用;(4) 作业层上的施工荷载应符合设计要求,不得超载。
不得将模板支架、揽风绳、泵送混凝土和砂浆的输送管等固定在脚手架上,严禁悬挂起重设备;(5) 当有六级以及六级以上大风和雾、雨、雪天气,应停止脚手架的搭设与拆除作业。
雪后架上作业应有防滑措施,并扫除积雪;(6) 脚手架的安全检查与维护,应按安全技术规范进行。
现浇支架计算书绍兴市正源建设工程有限公司二○一四年三月现浇支架检算资料一、设计依据1.《建筑结构荷载规范》(GB50009-2001)2.《建筑桩基技术规范》(JGJ94-2008)3.《钢结构设计规范》(GB 50017-2003)4.《混凝土结构设计规范》(GB 50010-2010)5.《建筑抗震设计规范》(GB 50011-2010)6.施工支架设计图纸二、荷载参数将箱梁分几个区块进行独立验算,箱梁断面总混凝土方量14.52平方米,分成7个独立的大区块进行分析计算,桥两边翼缘板小面积不考虑计算。
具体分块如下:序号 1 2 3 4 5 6 7面积(m²) 1.7 2.1 1.7 2.31 1.7 2.1 1.7重量(T) 4.42 5.46 4.42 6 4.42 5.46 4.426 8 6 8 6 8 6工字钢数量(排)已知:1.施工荷载取:2.5 KN/m2;2.振捣荷载取:2.0 KN/m2;3.恒载分项系数:1.2;4.活载分项系数:1.4;5.倾倒混凝土时产生的冲击荷载:2.0 KN/m²;6.荷载规范将风荷载基本值的重现期由原来30年一遇改为50年一遇且不得小于0.3kN/m²三、施工支架总体布置1、支架具体结构一、中间跨支架结构:箱梁尺寸15.25米*30米。
箱梁下现浇支架桥墩边上考虑基础采用直径609*壁厚16钢支撑做基础,中间支撑采用直径1米的灌注桩做基础。
钢支撑间距为2.5米,相互钢支撑之间用16槽钢做剪刀撑,上部放置45b双拼工字钢做盖梁。
盖梁上放置40B工字钢间距40cm一道做主梁,主梁直接铺枕木。
支架具体布置见设计图纸。
四、箱梁下部贝雷梁支架跨径11米结构计算根据上面分析可知,箱梁主要被分为了4.42吨、5.46吨、6吨共计三种不同的区域进行受力分析(一)、4.42吨处支架计算1、贝雷弯矩、剪力、绕度的验算根据方案对支架最大跨径11米,宽1米处进行内力分析。
盖梁荷载验算(45a工字钢)盖梁采用抱箍法施工,墩柱完成后,在墩柱上安装抱箍,然后在抱箍上安装横向的I45a工字钢,工字钢上满铺4m长12cm×15cm的方木,然后方木上铺设竹胶板底模。
盖梁侧模(前后面)采用定型钢模,左右两侧面采用竹胶板。
以爬坡车道侧的盖梁进行验算(此幅盖梁宽度最大),盖梁立面图如下:12.451.3257.6 1.1 1.3251.1盖梁立面图一、工字钢验算45a工字钢计算参数如下:E=2.1×105MPa,W=1432.9cm3,I=32241cm4,单位重为80.38Kg/m1、受力分析盖梁工字钢长度为15m,盖梁长12.45m。
工字钢受力示意图如下:q2.57.6 2.5工字钢受力示意图2、荷载计算作用于工字钢的荷载有:(1)、施工时钢筋混凝土重量38.5m ³×26KN/m ³=1001KN ;(2)、模板及方木、钢管重量;①侧模钢模重量:面积为38.5㎡,重量为57.8KN ;②底模及侧模 1.5cm 厚竹胶板重量:面积为20.3㎡,重量为2.1KN ;③铺设5cm 厚脚手板重量:面积为35.1㎡,重量为12.3KN ; ④模板Φ48钢管背楞重量:长度48m ,重量1.92KN ;⑤防护Φ48钢管重量:长度79m ,重量3.16KN ;⑥模板10×10方木背楞重量:长度49m ,重量3.43KN ;⑦10×10方木托架重量:长度14m ,重量0.98KN ;⑧工字钢上满铺12×15方木重量:长度458m ,重量57.71KN ; 合计为139.4KN ;(3)、施工时人员、设备重量10KN ;(4)、振捣砼时产生荷载2KN/㎡×12.45m ×2m=49.8KN ;荷载总共为1.2×1001+1.2×139.4+1.4×10+1.4×49.8=1452.2KN 。
工字钢截面验算过程
计算简图:
计算跨度:l=8.39米,计算均布荷载q=26.23KN/m(荷载考虑了砼自重、钢筋自重、模板自重,未考虑活载,竖向荷载有一部分被墩柱分担,此处未略去,此算法荷载偏大,但验算过程总体偏于安全,故此法适用)。
1、梁跨中最大弯矩为:Mmax=0.125*ql2=230.70 KN/m;
弯矩图如下图所示:
支座处最大剪力设计值为:Vmax=1/2*ql=110.03KN;剪力图如下:
2、初选截面
梁所需的截面抵抗军为:
W=Mmax/[σw]=230.70/145*103=15.9*10-4m3=15.9*105mm3;
查型钢表可知,选用I45a,Ix=3.2241*108mm4,Wx=14.33*105mm3
Ix/Sx=385mm,tw=11.5mm
梁的自重此处为简易计算可略去;
3、截面验算
弯矩正应力为:
σ=Mx/Wx=160.99MPa<1.3*145MPa (临时结构,取1.3的容许应力增大系数)
支座处剪应力为:
τ=Q*Sx/Ix*tw=24.99MPa<1.3*85 MPa
4、梁的跨中挠度验算
f=5ql4/384EIx=22.84mm>l/600=13.98mm
结论:通过以上验算得之弯矩正应力和支座处剪应力满足要求,而跨中挠度过大,所以刚度不满足要求,对应现场实际情况需采取加固措施或者换大一号的型钢。
工字钢搁置主梁验算计算书计算依据:
1、《建筑施工扣件式钢管脚手架安全技术规范》JGJ130-2011
2、《建筑施工门式钢管脚手架安全技术规范》JGJ128-2010
3、《钢结构设计规范》GB50017-2003
一、基本参数
作用点号各排立杆传至梁上荷载
标准值F'(kN)
各排立杆传至梁上荷载设计
值F(kN)
各排立杆距主梁外锚固点水
平距离(mm)
主梁间距l a(mm)
1 6.138 7 140 900
2 6.138 7 1040 900
3 6.138 7 1940 900
4 6.138 7 2840 900
5 6.138 7 3740 900
6 6.138
7 4640 900
附图如下:
平面图
立面图
三、主梁验算
主梁材料类型 工字钢 主梁合并根数n z 1 主梁材料规格
14号工字钢 主梁截面积A(cm 2
) 21.5 主梁截面惯性矩I x (cm 4
) 712 主梁截面抵抗矩W x (cm 3)
102 主梁自重标准值g k (kN/m)
0.169
主梁材料抗弯强度设计值[f](N/mm 2
) 215 主梁材料抗剪强度设计值[τ](N/mm 2
) 125
主梁弹性模量E(N/mm 2
)
206000
主梁允许挠度[ν](mm) 1/250
荷载标准值:
q'=g k =0.169=0.169kN/m
第1排:F'1=F 1'/n z =6.138/1=6.138kN 第2排:F'2=F 2'/n z =6.138/1=6.138kN 第3排:F'3=F 3'/n z =6.138/1=6.138kN
第4排:F'4=F4'/n z=6.138/1=6.138kN
第5排:F'5=F5'/n z=6.138/1=6.138kN
第6排:F'6=F6'/n z=6.138/1=6.138kN
荷载设计值:
q=1.2×g k=1.2×0.169=0.203kN/m
第1排:F1=F1/n z=7/1=7kN
第2排:F2=F2/n z=7/1=7kN
第3排:F3=F3/n z=7/1=7kN
第4排:F4=F4/n z=7/1=7kN
第5排:F5=F5/n z=7/1=7kN
第6排:F6=F6/n z=7/1=7kN
1、强度验算
弯矩图(kN·m)
σmax=M max/W=15.204×106/102000=149.058N/mm2≤[f]=215N/mm2
符合要求!
2、抗剪验算
剪力图(kN)
τmax=Q max/(8I zδ)[bh02-(b-δ)h2]=76.034×1000×[80×1402-(80-5.5)×121.82]/(8×7120000×5.5)=112.316N /mm2
τmax=112.316N/mm2≤[τ]=125N/mm2
符合要求!
3、挠度验算
变形图(mm)
νmax=7.623mm≤[ν]=l/250=4780/250=19.12mm
符合要求!
4、支座反力计算
R1=-27.203kN,R2=48.459kN,R3=97.855kN,R4=-75.999kN
四、主梁整体稳定性验算
主梁轴向力:N =[0]/n z=[0]/1=0kN
压弯构件强度:
σmax=M max/(γW)+N/A=15.204×106/(1.05×102×103)+0×103/2150=141.96N/mm2≤[f]=215N/mm2 塑性发展系数γ
符合要求!
受弯构件整体稳定性分析:
其中υb -- 均匀弯曲的受弯构件整体稳定系数:
查表《钢结构设计规范》(GB50017-2003)得,υb=1.07
由于υb大于0.6,根据《钢结构设计规范》(GB50017-2003)附表B,得到υb值为0.81。
σ = M max/(υb W x)=15.204×106/(0.806×102×103)=184.832N/mm2≤[f]=215N/mm2
符合要求!
五、锚固段与楼板连接的计算
压环钢筋1
压环钢筋2
锚固点压环钢筋受力:N/2 =38kN
压环钢筋验算:
σ=N/(4A)=N/πd2=75.999×103/(3.14×222)=49.982N/mm2≤0.85×[f]=0.85×65=55.25N/mm2
注:[f]为拉环钢筋抗拉强度,按《混凝土结构设计规范》9.7.6 每个拉环按2个截面计算的吊环应力不应大于65N/mm2
水平钢梁与楼板压点的拉环一定要压在楼板下层钢筋下面,并要保证两侧30cm以上搭接长度
符合要求!。