各种材料摩擦系数表
- 格式:doc
- 大小:110.50 KB
- 文档页数:4
常用材料摩擦系数摩擦系数━━━━━━━━━━━━━━━━━━━━━━━━━━━━━━━━━━━━━━━━━━━━━━摩擦副材料摩擦系数μ 无润滑有润滑——————————————————————————————————————————————钢-钢 0.15* 0.1-0.12* 0.1 0.05-0.1钢-软钢 0.2 0.1-0.2钢-不淬火的T8 0.15 0.03钢-铸铁 0.2-0.3* 0.05-0.15 0.16-0.18钢-黄铜 0.19 0.03钢-青铜 0.15-0.18 0.1-0.15* 0.07钢-铝 0.17 0.02钢-轴承合金 0.2 0.04钢-夹布胶木 0.22 -钢-钢纸 0.22 -钢-冰 0.027* -0.014石棉基材料-铸铁或钢 0.25-0.40 0.08-0.12皮革-铸铁或钢 0.30-0.50 0.12-0.15材料(硬木)-铸铁或钢 0.20-0.35 0.12-0.16软木-铸铁或钢 0.30-0.50 0.15-0.25钢纸-铸铁或钢 0.30-0.50 0.12-0.17毛毡-铸铁或钢 0.22 0.18软钢-铸铁 0.2*,0.18 0.05-0.15软钢-青铜 0.2*,0.18 0.07-0.15铸铁-铸铁 0.15 0.15-0.160.07-0.12铸铁-青铜 0.28* 0.16*0.15-0.21 0.07-0.15铸铁-皮革 0.55*,0.28 0.15*,0.12铸铁-橡皮 0.8 0.5皮革-木料 0.4-0.5* -0.03-0.05铜-T8钢 0.15 0.03铜-铜 0.20 -黄铜-不淬火的T8钢 0.19 0.03黄铜-淬火的T8钢 0.14 0.02黄铜-黄铜 0.17 0.02黄铜-钢 0.30 0.02黄铜-硬橡胶 0.25 -黄铜-石板 0.25 -黄铜-绝缘物 0.27 -青铜-不淬火的T8钢 0.16 -青铜-黄铜 0.16 -青铜-青铜 0.15-0.20 0.04-0.10青铜-钢 0.16 -青铜-夹布胶木 0.23 -青铜-钢纸 0.24 -青铜-树脂 0.21 -青铜-硬橡胶 0.36 -青铜-石板 0.33 -青铜-绝缘物 0.26 -铝-不淬火的T8钢 0.18 0.03铝-淬火的T8钢 0.17 0.02铝-黄铜 0.27 0.02铝-青铜 0.22 -铝-钢 0.30 0.02铝-夹布胶木 0.26 -硅铝合金-夹布胶木 0.34 -硅铝合金-钢纸 0.32 -硅铝合金-树脂 0.28 -硅铝合金-硬橡胶 0.25 -硅铝合金-石板 0.26 -硅铝合金-绝缘物 0.26 -钢-粉末冶金 0.35-0.55* -木材-木材 0.4-0.6* 0.1*0.2-0.5 0.07-0.10麻绳-木材 0.5-0.8* -0.545号淬火钢-聚甲醛 0.46 0.01645号淬火钢-聚碳酸脂 0.30 0.0345号淬火钢-尼龙9(加 0.57 0.023%MoS2填充料)45号淬火钢-尼龙9(加 0.48 0.02330%玻璃纤维填充物)45号淬火钢-尼龙1010 0.039 -(加30%玻璃纤维填充物)45号淬火钢-尼龙1010 0.07 -(加40%玻璃纤维填充物)45号淬火钢-氯化聚醚 0.35 0.03445号淬火钢-苯乙烯 0.35-0.46 0.018-丁二烯-丙烯腈共聚体(ABS)━━━━━━━━━━━━━━━━━━━━━━━━注:1.表中滑动摩擦系数是试验数值,只能作为近似计算参考.2.表中带"*"者为静摩擦系数.各种工程用塑料的摩擦系数━━━━━━━━━━━━━━━━━━━━━━━━━━下试样上试样(钢) 上试样(塑料)静摩擦动摩擦静摩擦动摩擦(塑料) 系数μs 系数μk 系数μs 系数μk ——————————————————————————聚四氟乙烯 0.10 0.05 0.04 0.04聚全氟乙丙烯 0.25 0.18 - -低密度聚乙烯 0.27 0.26 0.33 0.33高密度聚乙烯 0.18 0.08-0.12 0.12 0.11聚甲醛 0.14 0.13 - -聚偏二氟乙烯 0.33 0.25 - -聚碳酸酯 0.60 0.53 - -聚苯二甲酸乙 0.29 0.28 0.27* 0.20*二醇酯聚酰胺(尼龙66) 0.37 0.34 0.42* 0.35*聚三氟氯乙烯 0.45* 0.33* 0.43* 0.32*聚氯乙烯 0.45* 0.40* 0.50* 0.40*聚偏二氯乙烯 0.68* 0.45* 0.90* 0.52*━━━━━━━━━━━━━━━━━━━━━━━━━━注:*表示粘滑运动.常用材料的滚动摩擦系数━━━━━━━━━━━━━━━━━━━━摩擦副材料滚动摩擦系数 k,cm ————————————————————淬火钢-淬火钢 0.001铸铁-铸铁 0.05木材-钢 0.03-0.04木材-木材 0.05-0.08铁或钢质车轮-木面 0.15-0.25钢质车轮-钢轨 0.05━━━━━━━━━━━━━━━━━━━━注:表中滚动摩擦系数是试验值,只能作近似参考.。
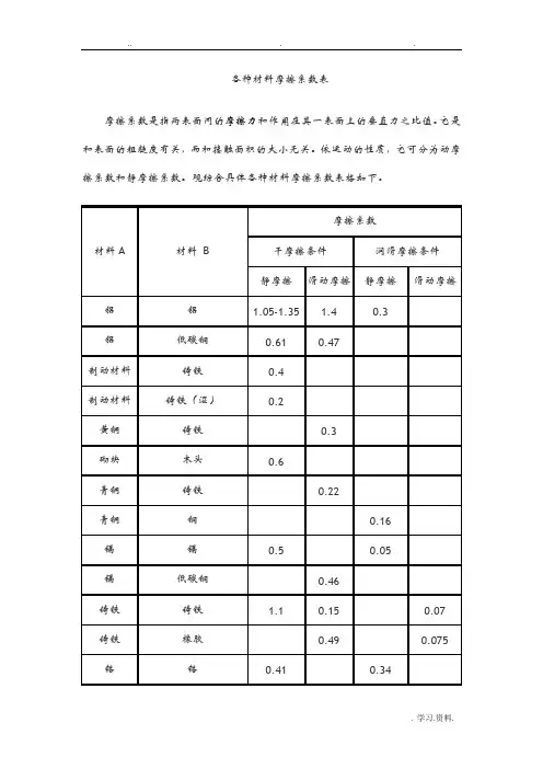
各种材料摩擦系数表摩擦系数是指两外表间的摩擦力和作用在其一外表上的垂直力之比值。
它是和外表的粗糙度有关,而和接触面积的大小无关。
依运动的性质,它可分为动摩擦系数和静摩擦系数。
现综合具体各种材料摩擦系数表格如下。
注:表中摩擦系数是试验值,只能作近似参考固体润滑材料固体润滑材料是利用固体粉末、薄膜或某些整体材料来减少两承载外表间的摩擦磨损作用的材料。
在固体润滑过程中,固体润滑材料和周围介质要与摩擦外表发生物理、化学反响生成固体润滑膜,降低摩擦磨损。
中文名固体润滑材料采用材料固体粉末、薄膜等作用减少摩擦磨损使用物件齿轮、轴承等目录1.1根本性能2.2使用方法3.3常用材料根本性能1)与摩擦外表能结实地附着,有保护外表功能固体润滑剂应具有良好的成膜能力,能与摩擦外表形成结实的化学吸附膜或物理吸附膜,在外表附着,防止相对运动外表之间产生严重的熔焊或金属的相互转移。
2)抗剪强度较低固体润滑剂具有较低的抗剪强度,这样才能使摩擦副的摩擦系数小,功率损耗低,温度上升小。
而且其抗剪强度应在宽温度X围内不发生变化,使其应用领域较广。
3)稳定性好,包括物理热稳定,化学热稳定和时效稳定,不产生腐蚀及其他有害的作用物理热稳定是指在没有活性物质参与下,温度改变不会引起相变或晶格的各种变化,因此不致于引起抗剪强度的变化,导致固体的摩擦性能改变。
化学热稳定是指在各种活性介质中温度的变化不会引起强烈的化学反响。
要求固体润滑剂物理和化学热稳定,是考虑到高温、超低温以及在化学介质中使用时性能不会发生太大变化,而时效稳定是指要求固体润滑剂长期放置不变质,以便长期使用。
此外还要求它对轴承和有关部件无腐蚀性、对人畜无毒害,不污染环境等。
4)要求固体润滑剂有较高的承载能力因为固体润滑剂往往应用于严酷工况与环境条件如低速高负荷下使用,所以要求它具有较高的承载能力,又要容易剪切。
使用方法1)作成整体零件使用某些工程塑料如聚四氟乙烯、聚缩醛、聚甲醛、聚碳酸脂、聚酰胺、聚砜、聚酰亚胺、氯化聚醚、聚苯硫醚和聚对苯二甲酸酯等的摩擦系数较低,成形加工性和化学稳定性好,电绝缘性优良,抗冲击能力强,可以制成整体零部件,假设采用环璃纤维、金属纤维、石墨纤维、硼纤维等对这些塑料增强,综合性能更好,使用得较多的有齿轮、轴承、导轨、凸轮、滚动轴承保持架等。
各种材料摩擦系数表摩擦系数是指两表面间的摩擦力和作用在其一表面上的垂直力之比值。
它是和表面的粗糙度有关,而和接触面积的大小无关。
依运动的性质,它可分为动摩擦系数和静摩擦系数。
现综合具体各种材料摩擦系数表格如下。
注:表中摩擦系数是试验值,只能作近似参考固体润滑材料固体润滑材料是利用固体粉末、薄膜或某些整体材料来减少两承载表面间的摩擦磨损作用的材料。
在固体润滑过程中,固体润滑材料和周围介质要与摩擦表面发生物理、化学反应生成固体润滑膜,降低摩擦磨损。
中文名固体润滑材料采用材料固体粉末、薄膜等作用减少摩擦磨损使用物件齿轮、轴承等目录1.1基本性能2.2使用方法3.3常用材料基本性能1)与摩擦表面能牢固地附着,有保护表面功能固体润滑剂应具有良好的成膜能力,能与摩擦表面形成牢固的化学吸附膜或物理吸附膜,在表面附着,防止相对运动表面之间产生严重的熔焊或金属的相互转移。
2)抗剪强度较低固体润滑剂具有较低的抗剪强度,这样才能使摩擦副的摩擦系数小,功率损耗低,温度上升小。
而且其抗剪强度应在宽温度围不发生变化,使其应用领域较广。
3)稳定性好,包括物理热稳定,化学热稳定和时效稳定,不产生腐蚀及其他有害的作用物理热稳定是指在没有活性物质参与下,温度改变不会引起相变或晶格的各种变化,因此不致于引起抗剪强度的变化,导致固体的摩擦性能改变。
化学热稳定是指在各种活性介质中温度的变化不会引起强烈的化学反应。
要求固体润滑剂物理和化学热稳定,是考虑到高温、超低温以及在化学介质中使用时性能不会发生太大变化,而时效稳定是指要求固体润滑剂长期放置不变质,以便长期使用。
此外还要求它对轴承和有关部件无腐蚀性、对人畜无毒害,不污染环境等。
4)要求固体润滑剂有较高的承载能力因为固体润滑剂往往应用于严酷工况与环境条件如低速高负荷下使用,所以要求它具有较高的承载能力,又要容易剪切。
使用方法1)作成整体零件使用某些工程塑料如聚四氟乙烯、聚缩醛、聚甲醛、聚碳酸脂、聚酰胺、聚砜、聚酰亚胺、氯化聚醚、聚苯硫醚和聚对苯二甲酸酯等的摩擦系数较低,成形加工性和化学稳定性好,电绝缘性优良,抗冲击能力强,可以制成整体零部件,若采用环璃纤维、金属纤维、石墨纤维、硼纤维等对这些塑料增强,综合性能更好,使用得较多的有齿轮、轴承、导轨、凸轮、滚动轴承保持架等。
各种材料摩擦系数表摩擦系数是指两表面间的摩擦力和作用在其一表面上的垂直力之比值。
它是和表面的粗糙度有关,而和接触面积的大小无关。
依运动的性质,它可分为动摩擦系数和静摩擦系数。
现综合具体各种材料摩擦系数表格如下。
注:表中摩擦系数是试验值,只能作近似参考固体润滑材料固体润滑材料是利用固体粉末、薄膜或某些整体材料来减少两承载表面间的摩擦磨损作用的材料。
在固体润滑过程中,固体润滑材料和周围介质要与摩擦表面发生物理、化学反应生成固体润滑膜,降低摩擦磨损。
中文名固体润滑材料米用材料固体粉末、薄膜等作????用减少摩擦磨损使用物件齿轮、轴承等目录1.1?基本性能2.2?使用方法3.3?常用材料基本性能1)与摩擦表面能牢固地附着,有保护表面功能固体润滑剂应具有良好的成膜能力,能与摩擦表面形成牢固的化学吸附膜或物理吸附膜,在表面附着,防止相对运动表面之间产生严重的熔焊或金属的相互转移。
2)抗剪强度较低固体润滑剂具有较低的抗剪强度,这样才能使摩擦副的摩擦系数小,功率损耗低,温度上升小。
而且其抗剪强度应在宽温度范围内不发生变化,使其应用领域较广。
3)稳定性好,包括物理热稳定,化学热稳定和时效稳定,不产生腐蚀及其他有害的作用物理热稳定是指在没有活性物质参与下,温度改变不会引起相变或晶格的各种变化,因此不致于引起抗剪强度的变化,导致固体的摩擦性能改变。
化学热稳定是指在各种活性介质中温度的变化不会引起强烈的化学反应。
要求固体润滑剂物理和化学热稳定,是考虑到高温、超低温以及在化学介质中使用时性能不会发生太大变化,而时效稳定是指要求固体润滑剂长期放置不变质,以便长期使用。
此外还要求它对轴承和有关部件无腐蚀性、对人畜无毒害,不污染环境等。
4)要求固体润滑剂有较高的承载能力因为固体润滑剂往往应用于严酷工况与环境条件如低速高负荷下使用,所以要求它具有较高的承载能力,又要容易剪切。
使用方法1)作成整体零件使用某些工程塑料如聚四氟乙烯、聚缩醛、聚甲醛、聚碳酸脂、聚酰胺、聚砜、聚酰亚胺、氯化聚醚、聚苯硫醚和聚对苯二甲酸酯等的摩擦系数较低,成形加工性和化学稳定性好,电绝缘性优良,抗冲击能力强,可以制成整体零部件,若采用环璃纤维、金属纤维、石墨纤维、硼纤维等对这些塑料增强,综合性能更好,使用得较多的有齿轮、轴承、导轨、凸轮、滚动轴承保持架等。
各种材料摩擦系数表摩擦系数是指两表面间的摩擦力和作用在其一表面上的垂直力之比值。
它是和表面的粗糙度有关,而和接触面积的大小无关。
依运动的性质,它可分为动摩擦系数和静摩擦系数。
现综合具体各种材料摩擦系数表格如下。
注:表中摩擦系数是试验值,只能作近似参考固体润滑材料固体润滑材料是利用固体粉末、薄膜或某些整体材料来减少两承载表面间的摩擦磨损作用的材料。
在固体润滑过程中,固体润滑材料和周围介质要与摩擦表面发生物理、化学反应生成固体润滑膜,降低摩擦磨损。
中文名固体润滑材料采用材料固体粉末、薄膜等作用减少摩擦磨损使用物件齿轮、轴承等目录1. 1 基本性能2. 2 使用方法3. 3 常用材料基本性能1)与摩擦表面能牢固地附着,有保护表面功能固体润滑剂应具有良好的成膜能力,能与摩擦表面形成牢固的化学吸附膜或物理吸附膜,在表面附着,防止相对运动表面之间产生严重的熔焊或金属的相互转移。
2)抗剪强度较低固体润滑剂具有较低的抗剪强度,这样才能使摩擦副的摩擦系数小,功率损耗低,温度上升小。
而且其抗剪强度应在宽温度范围内不发生变化,使其应用领域较广。
3)稳定性好,包括物理热稳定,化学热稳定和时效稳定,不产生腐蚀及其他有害的作用物理热稳定是指在没有活性物质参与下,温度改变不会引起相变或晶格的各种变化,因此不致于引起抗剪强度的变化,导致固体的摩擦性能改变。
化学热稳定是指在各种活性介质中温度的变化不会引起强烈的化学反应。
要求固体润滑剂物理和化学热稳定,是考虑到高温、超低温以及在化学介质中使用时性能不会发生太大变化,而时效稳定是指要求固体润滑剂长期放置不变质,以便长期使用。
此外还要求它对轴承和有关部件无腐蚀性、对人畜无毒害,不污染环境等。
4)要求固体润滑剂有较高的承载能力因为固体润滑剂往往应用于严酷工况与环境条件如低速高负荷下使用,所以要求它具有较高的承载能力,又要容易剪切。
使用方法1)作成整体零件使用某些工程塑料如聚四氟乙烯、聚缩醛、聚甲醛、聚碳酸脂、聚酰胺、聚砜、聚酰亚胺、氯化聚醚、聚苯硫醚和聚对苯二甲酸酯等的摩擦系数较低,成形加工性和化学稳定性好,电绝缘性优良,抗冲击能力强,可以制成整体零部件,若采用环璃纤维、金属纤维、石墨纤维、硼纤维等对这些塑料增强,综合性能更好,使用得较多的有齿轮、轴承、导轨、凸轮、滚动轴承保持架等。
各种材料摩擦系数表摩擦系数是指两表面间的摩擦力和作用在其一表面上的垂直力之比值。
它是和表面的粗糙度有关,而和接触面积的大小无关。
依运动的性质,它可分为动摩擦系数和静摩擦系数。
现综合具体各种材料摩擦系数表格如下。
注:表中摩擦系数是试验值,只能作近似参考固体润滑材料固体润滑材料是利用固体粉末、薄膜或某些整体材料来减少两承载表面间的摩擦磨损作用的材料。
在固体润滑过程中,固体润滑材料和周围介质要与摩擦表面发生物理、化学反应生成固体润滑膜,降低摩擦磨损。
中文名固体润滑材料采用材料固体粉末、薄膜等作用减少摩擦磨损使用物件齿轮、轴承等目录1.1基本性能2.2使用方法3.3常用材料基本性能1)与摩擦表面能牢固地附着,有保护表面功能固体润滑剂应具有良好的成膜能力,能与摩擦表面形成牢固的化学吸附膜或物理吸附膜,在表面附着,防止相对运动表面之间产生严重的熔焊或金属的相互转移。
2)抗剪强度较低固体润滑剂具有较低的抗剪强度,这样才能使摩擦副的摩擦系数小,功率损耗低,温度上升小。
而且其抗剪强度应在宽温度范围内不发生变化,使其应用领域较广。
3)稳定性好,包括物理热稳定,化学热稳定和时效稳定,不产生腐蚀及其他有害的作用物理热稳定是指在没有活性物质参与下,温度改变不会引起相变或晶格的各种变化,因此不致于引起抗剪强度的变化,导致固体的摩擦性能改变。
化学热稳定是指在各种活性介质中温度的变化不会引起强烈的化学反应。
要求固体润滑剂物理和化学热稳定,是考虑到高温、超低温以及在化学介质中使用时性能不会发生太大变化,而时效稳定是指要求固体润滑剂长期放置不变质,以便长期使用。
此外还要求它对轴承和有关部件无腐蚀性、对人畜无毒害,不污染环境等。
4)要求固体润滑剂有较高的承载能力因为固体润滑剂往往应用于严酷工况与环境条件如低速高负荷下使用,所以要求它具有较高的承载能力,又要容易剪切。
使用方法1)作成整体零件使用某些工程塑料如聚四氟乙烯、聚缩醛、聚甲醛、聚碳酸脂、聚酰胺、聚砜、聚酰亚胺、氯化聚醚、聚苯硫醚和聚对苯二甲酸酯等的摩擦系数较低,成形加工性和化学稳定性好,电绝缘性优良,抗冲击能力强,可以制成整体零部件,若采用环璃纤维、金属纤维、石墨纤维、硼纤维等对这些塑料增强,综合性能更好,使用得较多的有齿轮、轴承、导轨、凸轮、滚动轴承保持架等。
各类资料摩擦系数表之羊若含玉创作摩擦系数是指两概况间的摩擦力和作用在其一概况上的垂直力之比值.它是和概况的粗糙度有关,而和接触面积的大小无关.依运动的性质,它可分为动摩擦系数和静摩擦系数.现综合具体各类资料摩擦系数表格如下.注:表中摩擦系数是试验值,只能作近似参考固体润滑资料固体润滑资料是应用固体粉末、薄膜或某些整体资料来削减两承载概况间的摩擦磨损作用的资料.在固体润滑进程中,固体润滑资料和周围介质要与摩擦概况产生物理、化学反响生成固体润滑膜,下降摩擦磨损.中文名固体润滑资料采取资料固体粉末、薄膜等作用削减摩擦磨损使用物件齿轮、轴承等目次1. 1 基赋性能2. 2 使用办法3. 3 经常使用资料基赋性能1)与摩擦概况能稳固地附着,有呵护概况功效固体润滑剂应具有优越的成膜才能,能与摩擦概况形成稳固的化学吸附膜或物理吸附膜,在概况附着,防止相对运动概况之间产生严重的熔焊或金属的相互转移.2)抗剪强度较低固体润滑剂具有较低的抗剪强度,这样才干使摩擦副的摩擦系数小,功率损耗低,温度上升小.并且其抗剪强度应在宽温度规模内不产生变更,使其应用范畴较广.3)稳定性好,包含物理热稳定,化学热稳定和时效稳定,不产生腐化及其他有害的作用物理热稳定是指在没有活性物质介入下,温度转变不会引起相变或晶格的各类变更,因此不致于引起抗剪强度的变更,导致固体的摩擦性能转变.化学热稳定是指在各类活性介质中温度的变更不会引起强烈的化学反响.要求固体润滑剂物理和化学热稳定,是斟酌到高温、超低温以及在化学介质中使用时性能不会产生太大变更,而时效稳定是指要求固体润滑剂长期放置不蜕变,以便长期使用.此外还要求它对轴承和有关部件无腐化性、对人畜无迫害,不污染情况等.4)要求固体润滑剂有较高的承载才能因为固体润滑剂往往应用于严酷工况与情况条件如低速高负荷下使用,所以要求它具有较高的承载才能,又要容易剪切.使用办法1)作成整体零件使用某些工程塑料如聚四氟乙烯、聚缩醛、聚甲醛、聚碳酸脂、聚酰胺、聚砜、聚酰亚胺、氯化聚醚、聚苯硫醚和聚对苯二甲酸酯等的摩擦系数较低,成形加工性和化学稳定性好,电绝缘性优良,抗冲击才能强,可以制成整体零部件,若采取环璃纤维、金属纤维、石墨纤维、硼纤维等对这些塑料增强,综合性能更好,使用得较多的有齿轮、轴承、导轨、凸轮、滚动轴承保持架等.2)作成各类笼罩膜来使用通过物理办法将固体润滑剂施加到摩擦界面或概况,使之成为具有一定自润滑性能的干膜,这是较经常使用的办法之一.成膜的办法许多,各类固体润滑剂可通过溅射、电泳沉积、等离子喷镀、离子镀、电镀、粘结剂粘结、化学生成、挤压、浸渍、滚涂等办法来成膜.3)制成复合或组合伙料使用所谓复合(组合)资料,是指由两种或两种以上的资料组合或复合起来使用的资料系统.这些资料的物理、化学性质以及形状都是不合的,并且是互不成溶的.组合或复合的最终目标是要获得种性能更优越的新资料,一般都称为复合伙料.4)作为固体润滑粉末使用将固体润滑粉末(如MoS2)以适量添加到润滑油或润滑脂中,可提高润滑油脂的承载才能及改良边办润滑状态等,如MoS2油剂、MoS2油膏、MoS2润滑脂及MoS2水剂等.经常使用资料1)二硫化钼(1)低摩擦特性.(2)高承载才能.(3)优越的热稳定性(4)强的化学稳定性(5)抗辐照性(6)耐高真空性能2)石墨石墨在摩擦状态下,能沿着晶体层间滑移,并沿着摩擦偏向定向.石墨与钢、铬和橡胶等的概况有优越的粘附才能,因此,在一般条件下,石墨是一种优良的润滑剂.但是,当吸附膜解吸后,石墨的摩擦磨损性能会变坏.所以,一般倾向于在氧化的钢或铜的概况上以石墨作润滑剂.3)氟化石墨与石墨或二硫化钼相比,它的耐磨性好,这是由于氟碳键的联合能较强所致.层与层之间的距离比石墨大得多,因此更容易在层间产生剪切.由于氟的引入,使它在高温、高速、高负荷条件下的性能优于石墨或二硫化钼,改良了石墨在没有水气条件下的润滑性能.4)氮化硼氮化硼是一种新型陶瓷资料,高温、高压下可烧结而成.氮化硼的密度为2.27g/cm3,熔点为3100~3300℃;莫氏硬度为2;在空气中摩擦系数为0.2,而在真空中为0.3;在空气中热安定性为700°C,而在真空中为1587°C.它耐腐化,电绝缘性很好,比电阻大于10-6Ω.cm;压缩强度为170MPa;在c轴偏向上的热膨胀系数为41×10-6/℃而在d轴偏向上为-2.3×10-6;在氧化气氛下最高使用温度为900℃,而在非活性还原气氛下可达2800℃,但在常温下润滑性能较差,故常与氟化石墨、石墨与二硫化钼混杂用作高温润滑剂,将氮化硼粉末疏散在油中或水中可以作为拉丝或压制成形的润滑剂,也可用作高温炉滑动零件的润滑剂,氮化硼的烧结体可用作具有自润滑性能的轴承、滑动零件的资料.5)氮化硅氮化硅属于六方晶系,是一种陶瓷资料,不具备石墨那样的层状构造,也没有氧化铅那样的塑性流动性,由于粒子硬度高,所以在粉末状态不具有润滑性.但其成形体概况经由适当精加工,由于与其接触的微凸体点数削减可呈现出低摩擦系数.据研究成果称,概况精加工至0.05~0.025μm时,摩擦系数可达0.01.氮化硅的而磨性因情况气氛、负荷、速度等条件及概况粗糙度不合而变更.在干摩擦条件下耐磨性优越.6)聚四氟乙烯聚四氟乙烯有很好的化学安定性和热稳定性.在高温下与浓酸、浓碱、强氧化剂均不产生反响,即使在王水中煮沸,其重量及性能都没有变更.并且它在很宽的温度规模和几乎所有的情况气氛下,都能保持优越化学安定性、热稳定性以及润滑性.聚四氟乙烯具有各向异性的特性,在滑动摩擦条件下,也能产生优越的定向.它的摩擦系数比石墨、MoS2都低.一般聚四氟乙烯对钢的摩擦系数常引用为0.04,在高负荷条件下,摩擦系数会下降到0.016.7)尼龙尼龙的摩擦系数随负荷的增加而下降,在高负荷条件下,摩擦系数可以降至0.1~0.15左右;在摩擦概况存在有油或水时,摩擦系数有更大的下降趋势.尼龙的摩擦系数还随着速度的增加或概况温度的升高而下降.尼龙的耐磨损性好,特别是在有大量尘土、泥砂的情况中,它所表示出来的耐磨损性是其他塑料无法与之相比的.在摩擦概况上有泥砂、尘土或其他硬质类资料存在时,尼龙的耐磨性比轴承钢、铸铁甚至比经淬火概况镀铭的碳钢还要好.在应用尼龙资料时,要特别注意选择与其相互对摩的资料.在摩擦界面有硬质微粒存在时,尼龙的耐磨损性是一般钢材不克不及与之相比的.如用尼龙轴瓦代替表铜轴瓦时,被磨损的是轴,轴是不容易改换零件,它被磨损后会带来严重效果.尼龙的缺点是:吸潮性强、吸水性大、尺寸稳定性差,这在铸型尼龙表示得更为突出.尼龙的热传导系数小,热膨胀系数大,加之摩擦系数也不算低,因此最好用于有油至少是少油润滑和有特殊冷却装置的条件下.8)聚甲醛聚甲醛是一种不透明乳白色的结晶性线型聚合物,具有优越的综合性和差色性的高熔点、高结晶性的热塑性工程塑料,是塑估中力学性能与金属较为接近的品种之一,它的尺寸稳定性好,耐水、耐冲击、耐油、耐化学药品及耐磨性等都异常优良.它的摩擦系数和磨耗量较低,适用于长期经受摩擦滑动的部件,如机床导轨.在运动部件中使用时不需使用润滑剂,具有优良的自润滑作用.9)聚酰亚胺均苯型聚酰亚胺的长期使用温度为260°C,具有优良的耐摩擦、耐磨损性能和尺寸稳定性.它具有优良的耐油和耐有机溶剂性,能耐一般的酸,但在浓硫酸和发烟硝酸等强氧化剂作用下会产生氧化降解,在高温下仍具有优良的介电性能.但它不耐碱,成本也较高.它在惰性介质中,在高负荷和高速下的磨损量极小.10)聚对羟基苯甲酸酯聚对羟基苯甲酸酯是全芬芳族的聚酯树脂.分子构造是直链状的线性分子,但结晶度很高(大于90%),使它难以熔融流动,因而具有热固性树脂的成型特性.它与金属的性能接近,是今朝塑估中热导率和空气中的热稳定性最高的品种,在高温下还呈现与金属相似的非粘性流动.它是一种摩擦系数极低的自润滑资料,摩擦系数可达到0.005,甚至比用润滑油、脂润滑时的还低.它可作为耐腐化泵、超音速飞机外壳钛合金的涂层资料.但其热塑成型较为因难,需用高速高能锻成型,或是采取等离子喷涂及一般金属加工办法加工.11)软金属金、银、锡、铅、镁、铟等软金属可作为固体润滑剂使用.软金属可以单独或是和其他润滑剂一起使用.其应用办法有二种,一是以薄膜的形式应用,既将铅、锌、锡等低熔点软金属、合金作为干膜那样使用,铜和青铜等虽然并不是低熔点,有时也可这样使用.另一种使用办法是将软金属添加到合金或粉末合金中作为润滑成分以应用其润滑效果,如一般的白色合金(轴承合金)、油膜轴承合金(Kelmet)等就含有铅、锑、锌、锡、铟等软金属,又如烧联合金摩擦资料与电刷资料集流环和触点等也可使用含软金属如银、金等成分.软金属的摩擦系数较大,但与润滑油并用时,可下降其摩擦系数及磨损,膜厚对软金属的润滑影响较大,如烟膜厚度小于0.1m时,则润滑膜易于破环,厚于0.01mm时则摩擦系数增大,故应有适当的厚度.。
各种材料摩擦系数表材料之间的摩擦系数是衡量材料间摩擦力大小的重要参数。
不同材料的摩擦系数对于各种力学问题和工程设计都有着重要的影响。
为了方便工程师、科研人员和学生参考和应用,以下是一份各种材料摩擦系数表。
一、金属材料1. 铝 - 铝:0.61 - 0.782. 铝 - 铜:0.35 - 0.823. 不锈钢 - 不锈钢:0.43 - 0.824. 铸铁 - 铸铁:0.4 - 1.05. 铸铁 - 钢:0.4 - 0.746. 铸铁 - 铝:0.58 - 0.87. 钢 - 钢:0.57 - 0.748. 钢 - 铜:0.35 - 0.7二、非金属材料1. 聚乙烯(PE) - 聚乙烯(PE):0.15 - 0.52. 尼龙 - 尼龙:0.15 - 0.453. 聚四氟乙烯(PTFE) - 聚四氟乙烯(PTFE):0.04 - 0.14. 聚苯乙烯(PS) - 聚苯乙烯(PS):0.65 - 0.95. 聚酯(PET) - 聚酯(PET):0.2 - 1.06. 聚氯乙烯(PVC) - 聚氯乙烯(PVC):0.3 - 0.67. 聚碳酸酯(PC) - 聚碳酸酯(PC):0.35 - 0.6三、润滑材料1. 油润滑:0.02 - 0.052. 脂润滑:0.02 - 0.13. 塑料润滑膏:0.05 - 0.184. 石墨润滑:0.08 - 0.15需要注意的是,这些数值仅作为参考值,实际情况可能受到多种因素的影响。
例如,材料的表面粗糙度、温度、湿度等因素都会对摩擦系数产生影响。
因此,在具体工程设计和实际应用中,需要综合考虑各种因素,进行准确的计算和评估。
总结:摩擦系数是衡量材料间摩擦力大小的参数,对于工程设计和科研工作者来说具有重要的意义。
不同材料之间的摩擦系数不尽相同,通过摩擦系数表可以对材料间的摩擦力进行初步估算。
然而,在实际应用中,还需要考虑其他因素对摩擦系数的影响,以确保准确的计算结果。
各种材料摩擦系数表摩擦系数是指两表面间的摩擦力和作用在其一表面上的垂直力之比值。
它是和表面的粗糙度有关,而和接触面积的大小无关。
依运动的性质,它可分为动摩擦系数和静摩擦系数。
现综合具体各种材料摩擦系数表格如下。
完美WORD格式.整理完美WORD格式.整理注:表中摩擦系数是试验值,只能作近似参考固体润滑材料固体润滑材料是利用固体粉末、薄膜或某些整体材料来减少两承载表面间的摩擦磨损作用的材料。
在固体润滑过程中,固体润滑材料和周围介质要与摩擦表面发生物理、化学反应生成固体润滑膜,降低摩擦磨损。
中文名固体润滑材料采用材料固体粉末、薄膜等作用减少摩擦磨损使用物件齿轮、轴承等目录1. 1基本性能2. 2使用方法3. 3常用材料基本性能1)与摩擦表面能牢固地附着,有保护表面功能固体润滑剂应具有良好的成膜能力,能与摩擦表面形成牢固的化学吸附膜或物理吸附膜,在表面附着,防止相对运动表面之间产生严重的熔焊或金属的相互转移。
2)抗剪强度较低固体润滑剂具有较低的抗剪强度,这样才能使摩擦副的摩擦系数小,功率损耗低,温度上升小。
而且其抗剪强度应在宽温度范围内不发生变化,使其应用领域较广。
3)稳定性好,包括物理热稳定,化学热稳定和时效稳定,不产生腐蚀及其他有害的作用物理热稳定是指在没有活性物质参与下,温度改变不会引起相变或晶格的各种变化,因此不致于引起抗剪强度的变化,导致固体的摩擦性能改变。
化学热稳定是指在各种活性介质中温度的变化不会引起强烈的化学反应。
要求固体润滑剂物理和化学热稳定,是考虑到高温、超低温以及在化学介质中使用时性能不会发生太大变化,而时效稳定是指要求固体润滑剂长期放置不变质,以便长期使用。
此外还要求它对轴承和有关部件无腐蚀性、对人畜无毒害,不污染环境等。
4)要求固体润滑剂有较高的承载能力因为固体润滑剂往往应用于严酷工况与环境条件如低速高负荷下使用,所以要求它具有较高的承载能力,又要容易剪切。
使用方法1)作成整体零件使用某些工程塑料如聚四氟乙烯、聚缩醛、聚甲醛、聚碳酸脂、聚酰胺、聚砜、聚酰亚胺、氯化聚醚、聚苯硫醚和聚对苯二甲酸酯等的摩擦系数较低,成形加工性和化学稳定性好,电绝缘性优良,抗冲击能力强,可以制成整体零部件,若采用环璃纤维、金属纤维、石墨纤维、硼纤维等对这些塑料增强,综合性能更好,使用得较多的有齿轮、轴承、导轨、凸轮、滚动轴承保持架等。
常用材料摩擦系数表摩擦系数是指两个物体之间在接触和相对运动时所产生的摩擦力与法向压力之比。
摩擦系数的大小直接影响着物体之间的摩擦力大小,对于工程设计和实际生产中的摩擦问题具有重要意义。
在工程实践中,常用材料的摩擦系数表是工程师和设计人员必不可少的参考资料,能够帮助他们准确地选择材料,预测摩擦力以及进行摩擦学分析。
下面是一份常用材料的摩擦系数表,供大家参考:1. 金属材料。
铝合金,0.61。
铜,0.53。
钢铁,0.74。
不锈钢,0.64。
铸铁,0.4-0.6。
2. 塑料材料。
聚乙烯,0.3。
聚丙烯,0.3。
聚氯乙烯,0.4。
聚苯乙烯,0.5。
尼龙,0.4-0.5。
3. 木材。
干松木,0.5。
湿松木,0.4。
干橡木,0.6。
湿橡木,0.5。
人造板材,0.4-0.6。
4. 润滑材料。
石蜡,0.1。
石油,0.05。
润滑油,0.05。
蜡,0.1。
润滑脂,0.05-0.1。
5. 橡胶材料。
天然橡胶,0.8。
丁腈橡胶,0.6。
丁苯橡胶,0.6。
丁基橡胶,0.6。
氯丁橡胶,0.6。
以上数据仅供参考,实际摩擦系数还会受到许多因素的影响,如表面粗糙度、温度、压力等。
在实际工程中,还需要进行摩擦系数的实验测定,以获得更准确的数据。
在工程设计中,正确选择材料的摩擦系数对于摩擦力的预测和控制至关重要。
通过对不同材料的摩擦系数进行合理选择,可以降低摩擦损失,提高机械装置的效率,延长零部件的使用寿命。
除了材料的摩擦系数外,还需要考虑摩擦表面的润滑情况。
对于需要减小摩擦力的场合,可以通过润滑来降低摩擦系数,减小能量损耗,提高装置的工作效率。
总之,摩擦系数是材料摩擦特性的重要参数,对于工程设计和实际生产具有重要意义。
希望以上摩擦系数表能够为工程师和设计人员在实际工作中提供一定的参考,帮助他们更好地解决摩擦问题,提高产品质量和工作效率。
各种材料摩擦系数表摩擦系数是指两表面间的摩擦力和作用在其一表面上的垂直力之比值。
它是和表面的粗糙度有关,而和接触面积的大小无关。
依运动的性质,它可分为动摩擦系数和静摩擦系数。
现综合具体各种材料摩擦系数表格如下。
注:表中摩擦系数是试验值,只能作近似参考固体润滑材料固体润滑材料是利用固体粉末、薄膜或某些整体材料来减少两承载表面间的摩擦磨损作用的材料。
在固体润滑过程中,固体润滑材料和周围介质要与摩擦表面发生物理、化学反应生成固体润滑膜,降低摩擦磨损。
中文名固体润滑材料米用材料固体粉末、薄膜等作用减少摩擦磨损使用物件齿轮、轴承等目录1. 1基本性能2. 2使用方法3. 3常用材料基本性能1)与摩擦表面能牢固地附着,有保护表面功能固体润滑剂应具有良好的成膜能力,能与摩擦表面形成牢固的化学吸附膜或物理吸附膜,在表面附着,防止相对运动表面之间产生严重的熔焊或金属的相互转移。
2)抗剪强度较低固体润滑剂具有较低的抗剪强度,这样才能使摩擦副的摩擦系数小,功率损耗低,温度上升小。
而且其抗剪强度应在宽温度范围内不发生变化,使其应用领域较广。
3)稳定性好,包括物理热稳定,化学热稳定和时效稳定,不产生腐蚀及其他有害的作用物理热稳定是指在没有活性物质参与下,温度改变不会引起相变或晶格的各种变化,因此不致于引起抗剪强度的变化,导致固体的摩擦性能改变。
化学热稳定是指在各种活性介质中温度的变化不会引起强烈的化学反应。
要求固体润滑剂物理和化学热稳定,是考虑到高温、超低温以及在化学介质中使用时性能不会发生太大变化,而时效稳定是指要求固体润滑剂长期放置不变质,以便长期使用。
此外还要求它对轴承和有关部件无腐蚀性、对人畜无毒害,不污染环境等。
4)要求固体润滑剂有较高的承载能力因为固体润滑剂往往应用于严酷工况与环境条件如低速高负荷下使用,所以要求它具有较高的承载能力,又要容易剪切。
使用方法1)作成整体零件使用某些工程塑料如聚四氟乙烯、聚缩醛、聚甲醛、聚碳酸脂、聚酰胺、聚砜、聚酰亚胺、氯化聚醚、聚苯硫醚和聚对苯二甲酸酯等的摩擦系数较低,成形加工性和化学稳定性好,电绝缘性优良,抗冲击能力强,可以制成整体零部件,若采用环璃纤维、金属纤维、石墨纤维、硼纤维等对这些塑料增强,综合性能更好,使用得较多的有齿轮、轴承、导轨、凸轮、滚动轴承保持架等。
完整版)各种材料摩擦系数表下面是各种材料的摩擦系数表。
摩擦系数是指两个表面之间的摩擦力和作用在其中一个表面上的垂直力之比。
它与表面的粗糙度有关,而与接触面积的大小无关。
根据运动的性质,它可以分为动摩擦系数和静摩擦系数。
动摩擦系数表:材料A:铝:1.05-1.35制动材料:0.4黄铜:0.2砖块:0.6青铜:0.5镉:1.1铸铁:0.41铬:1.05铜:1.0铅铜合金:0.53 金刚石:0.22 玻璃:0.1石墨:0.1-0.15 材料B:铝:0.9低碳钢:1.0铸铁:0.5-0.7 木头:0.78 钢:0.1橡胶:0.1铬:0.5-0.8 铜:1.4金刚石:0.47 金属:0.3玻璃:0.22 镍:0.46石墨:0.15石墨(真空):0.49 静摩擦系数表:高硬碳:0.1-0.09 铁:0.12铅:0.6皮革:0.2-0.3镁:0.1镍:0.1尼龙:0.16橡胶:0.05-0.1铂:0.07有机玻璃:0.075聚苯乙烯:0.18聚乙烯:0.1合成橡胶:0.1蓝宝石:1.0-4.0 银:0.45烧结青铜:0.35固体粒子:0.43钢:0.52沥青(干):0.53沥青(湿):0.64混凝土(干):0.48混凝土(湿):0.32这是一个各种材料的摩擦系数表,其中动摩擦系数和静摩擦系数都有。
摩擦系数是指两个表面之间的摩擦力和作用在其中一个表面上的垂直力之比。
它与表面的粗糙度有关,而与接触面积的大小无关。
根据运动的性质,它可以分为动摩擦系数和静摩擦系数。
固体润滑材料具有减少摩擦磨损、延长使用寿命、降低能耗等优点。
同时,它们还能够在高温、高压、低温、高速等极端工况下保持良好的润滑效果。
使用方法固体润滑材料通常以粉末或薄膜的形式涂覆在承载表面上,也可以直接制成零件使用。
在使用过程中,应注意材料的选择、涂覆均匀度和厚度、温度和压力等因素。
常用材料常见的固体润滑材料包括聚四氟乙烯、碳化钨、石墨、锡等。
不同材料的润滑效果和适用范围有所差异,需要根据具体情况进行选择。
各种材料摩擦系数表各种材料摩擦系数表摩擦系数是指两表面间的摩擦力和作用在其一表面上的垂直力之比值。
它是和表面的粗糙度有关,而和接触面积的大小无关。
依运动的性质,它可分为动摩擦系数和静摩擦系数。
现综合具体各种材料摩擦系数表格如下。
0.7 玻璃石墨石墨石墨 (真空) 高硬碳高硬碳铁铅皮革皮革皮革皮革镁镍镍尼龙橡胶橡胶铂有机玻璃有机玻璃聚苯乙烯聚苯乙烯聚乙烯合成橡胶合成橡胶合成橡胶合成橡胶蓝宝石镍石墨钢石墨(真空) 高硬碳钢铁铸铁木材金属(洁净) 金属(潮湿) 橡胶(平行纹理) 镁镍低碳钢尼龙橡胶(平行纹理) 橡胶(交叉纹理) 铂有机玻璃钢聚苯乙烯钢钢沥青(干) 沥青 (湿) 混凝土 (干) 混凝土 (湿) 蓝宝石 0.2 0.15 – 0.25 0.62 0.54 1.2 0.8 0.4 – 0.5 0.5 0.3-0.35 0.2 0.5-0.8 0.25-0.75 0.6-0.85 0.45-0.75 0.48 0.32 0.3 – 0.4 0.6 0.4 0.61 0.6 0.7-1.1 0.53 0.64; 0.52 0.78 0.1 0.1 0.5 – 0.8 0.16 0.14 1.0 0.43 0.560.3 0.1 0.10.12 – 0.14 0.11 – 0.14 0.15 – 0.20.20.08 0.28 0.12 0.1780.072 0.25 0.8 0.4 – 0.5 0.5 0.3-0.35 0,20.2银烧结青铜固体粒子钢钢低碳钢低碳钢钢钢硬质合金钢低碳钢低碳钢钢硬质合金硬质合金低碳钢硬质合金钢聚四氟乙烯聚四氟乙烯锡碳化钨碳化钨碳化钨碳化钨木头木头木头木头木头木头锌银钢合成橡胶铝族元素黄铜黄铜铸铁铸铁铅铜合金石墨石墨铅磷族元素化合物磷族元素化合物聚乙烯聚苯乙烯低碳钢硬质合金镀锌钢钢聚四氟乙烯铸铁碳化钨钢铜铁木头(洁净) 木头(湿) 金属(洁净) 金属(湿) 砌块混凝土锌1.4 1.0 – 4.0 0.45 0.35 0.51 0.4 0.22 0.21 0.1 0.95 0.35 0.2 0.3-0.35 0.74 0.78 0.5 0.04 0.04 0.32 0.2-0,25 0.4 – 0.6 0.35 0.8 0.25 – 0.5 0.2 0.2-0.6 0.2 0.6 0.62 0.6 0.57 0.42 0.45 0.95 0.34 0.44 0.230.55 0.13 --0.19 0.183 0.21 0.16 0.09 0.1 0.5 0.3 0.173 0.2 0.3-0.35 0.09-0.19 0.05 -0.11 0.04 0.04 0.12 0.08 – 0.2 0.029-0.12 0.04 0.04 0.145 0.1330.04注:表中摩擦系数是试验值,只能作近似参考。
各类材料摩擦系数表摩擦系数是指两概况间的摩擦力和感化在其一概况上的垂直力之比值.它是和概况的光滑度有关,而和接触面积的大小无关.依活动的性质,它可分为动摩擦系数和静摩擦系数.现分解具体各类材料摩擦系数表格如下.注:表中摩擦系数是实验值,只能作近似参考固体润滑材料固体润滑材料是运用固体粉末.薄膜或某些整体材料来削减两承载概况间的摩擦磨损感化的材料.在固体润滑进程中,固体润滑材料和四周介质要与摩擦概况产生物理.化学反响生成固体润滑膜,降低摩擦磨损.中文名固体润滑材料采取材料固体粉末.薄膜等作用削减摩擦磨损运用物件齿轮.轴承等目次1.1基赋机能2.2运用办法3.3经常运用材料基赋机能1)与摩擦概况能稳固地附着,有呵护概况功效固体润滑剂应具有优胜的成膜才能,能与摩擦概况形成稳固的化学吸附膜或物理吸附膜,在概况附着,防止相对活动概况之间产生轻微的熔焊或金属的互相转移.2)抗剪强度较低固体润滑剂具有较低的抗剪强度,如许才干使摩擦副的摩擦系数小,功率损耗低,温度上升小.并且其抗剪强度应在宽温度规模内不产生变更,使其运用范畴较广.3)稳固性好,包含物理热稳固,化学热稳固和时效稳固,不产生腐化及其他有害的感化物理热稳固是指在没有活性物资介入下,温度转变不会引起相变或晶格的各类变更,是以不致于引起抗剪强度的变更,导致固体的摩擦机能转变.化学热稳固是指在各类活性介质中温度的变更不会引起强烈的化学反响.请求固体润滑剂物理和化学热稳固,是斟酌到高温.超低温以及在化学介质中运用时机能不会产生太大变更,而时效稳固是指请求固体润滑剂长期放置不演变,以便长期运用.此外还请求它对轴承和有关部件无腐化性.对人畜无迫害,不污染情况等.4)请求固体润滑剂有较高的承载才能因为固体润滑剂往往运用于严格工况与情况前提如低速高负荷下运用,所以请求它具有较高的承载才能,又要轻易剪切.运用办法1)作成整体零件运用某些工程塑料如聚四氟乙烯.聚缩醛.聚甲醛.聚碳酸脂.聚酰胺.聚砜.聚酰亚胺.氯化聚醚.聚苯硫醚和聚对苯二甲酸酯等的摩擦系数较低,成形加工性和化学稳固性好,电绝缘性优秀,抗冲击才能强,可以制成整体零部件,若采取环璃纤维.金属纤维.石墨纤维.硼纤维等对这些塑料加强,分解机能更好,运用得较多的有齿轮.轴承.导轨.凸轮.滚动轴承保持架等.2)作成各类笼罩膜来运用经由过程物理办法将固体润滑剂施加到摩擦界面或概况,使之成为具有必定自润滑机能的干膜,这是较经常运用的办法之一.成膜的办法许多,各类固体润滑剂可经由过程溅射.电泳沉积.等离子喷镀.离子镀.电镀.粘结剂粘结.化学生成.挤压.浸渍.滚涂等办法来成膜.3)制成复合或组合伙料运用所谓复合(组合)材料,是指由两种或两种以上的材料组合或复合起来运用的材料体系.这些材料的物理.化学性质以及外形都是不合的,并且是互不成溶的.组合或复合的最终目标是要获得种机能更优胜的新材料,一般都称为复合伙料.4)作为固体润滑粉末运用将固体润滑粉末(如MoS2)以适量添加到润滑油或润滑脂中,可进步润滑油脂的承载才能及改良边办润滑状况等,如MoS2油剂.MoS2油膏.MoS2润滑脂及MoS2水剂等.经常运用材料1)二硫化钼(1)低摩擦特征.(2)高承载才能.(3)优胜的热稳固性(4)强的化学稳固性(5)抗辐照性(6)耐高真空机能2)石墨石墨在摩擦状况下,能沿着晶体层间滑移,并沿着摩擦偏向定向.石墨与钢.铬和橡胶等的概况有优胜的粘附才能,是以,在一般前提下,石墨是一种优秀的润滑剂.但是,当吸附膜解吸后,石墨的摩擦磨损机能会变坏.所以,一般偏向于在氧化的钢或铜的概况上以石墨作润滑剂.3)氟化石墨与石墨或二硫化钼比拟,它的耐磨性好,这是因为氟碳键的联合能较强所致.层与层之间的距离比石墨大得多,是以更轻易在层间产生剪切.因为氟的引入,使它在高温.高速.高负荷前提下的机能优于石墨或二硫化钼,改良了石墨在没有水气前提下的润滑机能.4)氮化硼氮化硼是一种新型陶瓷材料,高温.高压下可烧结而成.氮化硼的密度为2.27g/cm3,熔点为3100~3300℃;莫氏硬度为2;在空气中摩擦系数为0.2,而在真空中为0.3;在空气中热安定性为700°C,而在真空中为1587°C.它耐腐化,电绝缘性很好,比电阻大于10-6Ω.cm;紧缩强度为170MPa;在c轴偏向上的热膨胀系数为41×10-6/℃而在d轴偏向上为-2.3×10-6;在氧化氛围下最高运用温度为900℃,而在非活性还原氛围下可达2800℃,但在常温下润滑机能较差,故常与氟化石墨.石墨与二硫化钼混杂用作高温润滑剂,将氮化硼粉末疏散在油中或水中可以作为拉丝或压抑成形的润滑剂,也可用作高温炉滑动零件的润滑剂,氮化硼的烧结体可用作具有自润滑机能的轴承.滑动零件的材料.5)氮化硅氮化硅属于六方晶系,是一种陶瓷材料,不具备石墨那样的层状构造,也没有氧化铅那样的塑性流淌性,因为粒子硬度高,所以在粉末状况不具有润滑性.但其成形体概况经由恰当精加工,因为与其接触的微凸体点数削减可呈现出低摩擦系数.据研讨成果称,概况精加工至0.05~0.025μm时,摩擦系数可达0.01.氮化硅的而磨性因情况氛围.负荷.速度等前提及概况光滑度不合而变更.在干摩擦前提下耐磨性优胜.6)聚四氟乙烯聚四氟乙烯有很好的化学安定性和热稳固性.在高温下与浓酸.浓碱.强氧化剂均不产生反响,即使在王水中煮沸,其重量及机能都没有变更.并且它在很宽的温度规模和几乎所有的情况氛围下,都能保持优胜化学安定性.热稳固性以及润滑性.聚四氟乙烯具有各向异性的特征,在滑动摩擦前提下,也能产生优胜的定向.它的摩擦系数比石墨.MoS2都低.一般聚四氟乙烯对钢的摩擦系数常引用为0.04,在高负荷前提下,摩擦系数会降低到0.016.7)尼龙尼龙的摩擦系数随负荷的增长而降低,在高负荷前提下,摩擦系数可以降至0.1~0.15阁下;在摩擦概况消失有油或水时,摩擦系数有更大的降低趋向.尼龙的摩擦系数还跟着速度的增长或概况温度的升高而降低.尼龙的耐磨损性好,特别是在有大量尘土.泥砂的情况中,它所表示出来的耐磨损性是其他塑料无法与之比拟的.在摩擦概况上有泥砂.尘土或其他硬质类材料消失时,尼龙的耐磨性比轴承钢.铸铁甚至比经淬火概况镀铭的碳钢还要好.在运用尼龙材料时,要特别留意选择与其互相对摩的材料.在摩擦界面有硬质微粒消失时,尼龙的耐磨损性是一般钢材不克不及与之比拟的.如用尼龙轴瓦代替表铜轴瓦时,被磨损的是轴,轴是不轻易改换零件,它被磨损后会带来轻微后果.尼龙的缺陷是:吸潮性强.吸水性大.尺寸稳固性差,这在铸型尼龙表示得更为凸起.尼龙的热传导系数小,热膨胀系数大,加之摩擦系数也不算低,是以最好用于有油至少是少油润滑和有特别冷却装配的前提下.8)聚甲醛聚甲醛是一种不透明乳白色的结晶性线型聚合物,具有优胜的分解性和差色性的高熔点.高结晶性的热塑性工程塑料,是塑估中力学机能与金属较为接近的品种之一,它的尺寸稳固性好,耐水.耐冲击.耐油.耐化学药品及耐磨性等都异常优秀.它的摩擦系数和磨耗量较低,实用于长期经受摩擦滑动的部件,如机床导轨.在活动部件中运用时不需运用润滑剂,具有优秀的自润滑感化.9)聚酰亚胺均苯型聚酰亚胺的长期运用温度为260°C,具有优秀的耐摩擦.耐磨损机能和尺寸稳固性.它具有优秀的耐油和耐有机溶剂性,能耐一般的酸,但在浓硫酸和发烟硝酸等强氧化剂感化下会产生氧化降解,在高温下仍具有优秀的介电机能.但它不耐碱,成本也较高.它在惰性介质中,在高负荷和高速下的磨损量微小.10)聚对羟基苯甲酸酯聚对羟基苯甲酸酯是全芬芳族的聚酯树脂.分子构造是直链状的线性分子,但结晶度很高(大于90%),使它难以熔融流淌,因而具有热固性树脂的成型特征.它与金属的机能接近,是今朝塑估中热导率和空气中的热稳固性最高的品种,在高温下还呈现与金属类似的非粘性流淌.它是一种摩擦系数极低的自润滑材料,摩擦系数可达到0.005,甚至比用润滑油.脂润滑时的还低.它可作为耐腐化泵.超音速飞机外壳钛合金的涂层材料.但其热塑成型较为因难,需用高速高能锻成型,或是采取等离子喷涂及一般金属加工办法加工.11)软金属金.银.锡.铅.镁.铟等软金属可作为固体润滑剂运用.软金属可以单独或是和其他润滑剂一路运用.其运用办法有二种,一是以薄膜的情势运用,既将铅.锌.锡等低熔点软金属.合金作为干膜那样运用,铜和青铜等固然并不是低熔点,有时也可如许运用.另一种运用办法是将软金属添加到合金或粉末合金中作为润滑成分以运用其润滑后果,如一般的白色合金(轴承合金).油膜轴承合金(Kelmet)等就含有铅.锑.锌.锡.铟等软金属,又如烧联合金摩擦材料与电刷材料集流环和触点等也可运用含软金属如银.金等成分.软金属的摩擦系数较大,但与润滑油并用时,可降低其摩擦系数及磨损,膜厚对软金属的润滑影响较大,如烟膜厚度小于0.1m 时,则润滑膜易于破环,厚于0.01mm时则摩擦系数增大,故应有恰当的厚度.。
各种材料摩擦系数表摩擦系数是指两个表面相对移动时所需的力量与它们之间的压力之比。
有很多因素会影响摩擦系数,包括材料的种类、表面的光滑度、温度、湿度等。
在维修和设计领域中,摩擦系数是一个非常重要的参数,因为它能够决定机器元件的运行效率和寿命。
下面是各种材料的摩擦系数表:1. 金属和塑料材料材料 | 摩擦系数---|---铝合金 | 1.05 - 1.35青铜 | 0.22 - 0.4铜 | 0.3 - 0.5橡胶 | 0.6 - 0.8聚氨酯 | 0.3 - 0.4聚乙烯 | 0.2 - 0.4聚丙烯 | 0.2 - 0.5聚四氟乙烯 | 0.04 - 0.1从表中可以看出,不同种类的材料其摩擦系数是有明显差异的。
比如,金属材料之间的摩擦系数要比金属与塑料材料之间的摩擦系数高。
这是因为金属表面更光滑,而塑料材料表面相对较粗糙。
2. 木材和涂料材料 | 摩擦系数---|---红橡木 | 0.4 - 0.6白橡木 | 0.35 - 0.5松木 | 0.2 - 0.3橡皮粘合剂涂层 | 1.0 - 1.1聚氨酯涂层 | 0.4 -0.6聚乙烯涂层 | 0.3 - 0.4与金属和塑料材料相比,木材和涂料的摩擦系数要低一些。
这是因为木材和涂料表面通常更加粗糙,而且木材的孔隙结构也会影响其表面的光滑度。
3. 其他材料材料 | 摩擦系数---|---冰和冰 | 0.01 - 0.1皮革 | 0.2 - 0.4人类皮肤 | 0.25 - 0.5塑料食品袋 | 0.2 - 0.3潤清劑 | 0.1 - 0.15鞋底 | 0.4 - 0.6与其他材料相比,冰的摩擦系数是最小的。
这是因为在冰块上滑动时,冰和冰表面之间形成的液态水使得其表面更加光滑。
鞋底的摩擦系数也较高,这是因为鞋底通常设计成具有更好的抓地力。
总之,在维修和设计领域中,摩擦系数是一个极为重要的参数。
根据所需的运动效率和寿命,应该选用合适的材料。
例如,在减少损耗和增加机器元件寿命的情况下,选择摩擦系数较小的材料通常是非常重要的。
各种材料摩擦系数表摩擦系数是描述材料表面间摩擦阻力大小的物理量,它是指在两个物体表面接触并相对运动时,所施加的摩擦力与接触力之比。
摩擦系数是一个重要的物理参数,对于工程设计和实际生产具有重要的指导意义。
在工程实践中,我们常常需要了解各种材料的摩擦系数,以便合理选择材料并进行设计。
因此,掌握各种材料的摩擦系数是非常重要的。
下面是各种常见材料的摩擦系数表:1. 金属材料:铝与铝,1.05。
铝与钢,0.61。
铝与铜,0.53。
铝与塑料,0.4。
钢与钢,0.74。
钢与铜,0.53。
钢与塑料,0.4。
铜与铜,0.6。
铜与塑料,0.35。
2. 木材料:木与木,0.25。
木与金属,0.5。
木与塑料,0.4。
3. 塑料材料:聚乙烯与聚乙烯,0.2。
聚乙烯与金属,0.4。
聚乙烯与木,0.4。
聚丙烯与聚丙烯,0.3。
聚丙烯与金属,0.4。
聚丙烯与木,0.4。
4. 润滑材料:润滑油与金属,0.05。
润滑油与塑料,0.04。
润滑脂与金属,0.09。
润滑脂与塑料,0.08。
5. 粘附材料:胶水与金属,0.6。
胶水与塑料,0.5。
胶水与木,0.4。
以上数据仅供参考,实际使用时应根据具体情况进行调整。
需要注意的是,摩擦系数受到许多因素的影响,例如表面粗糙度、温度、润滑情况等都会对摩擦系数产生影响。
因此,在实际工程中,需要综合考虑各种因素,进行合理的选材和设计。
在工程实践中,正确地选择材料的摩擦系数对于设计和生产都有着重要的意义。
合理利用摩擦系数可以减少能量损耗,降低磨损,提高工作效率,保证设备的安全性和可靠性。
因此,对各种材料的摩擦系数有清晰的了解是非常重要的。
总之,了解各种材料的摩擦系数,可以帮助我们更好地选择材料、进行设计,并在实际生产中取得更好的效果。
希望以上摩擦系数表能够为工程实践提供一些帮助,也希望大家在工程设计和生产中能够合理利用摩擦系数,取得更好的效果。