各种材料摩擦系数表分析
- 格式:doc
- 大小:169.50 KB
- 文档页数:7
摩擦系数━━━━━━━━━━━━━━━━━━━━━━━━摩擦副材料摩擦系数 μ无润滑有润滑———————————————————————— 钢-钢 0.15* 0.1-0.12*0.1 0.05-0.1钢-软钢 0.2 0.1-0.2钢-不淬火的T8 0.15 0.03钢-铸铁 0.2-0.3* 0.05-0.150.16-0.18钢-黄铜 0.19 0.03钢-青铜 0.15-0.18 0.1-0.15*0.07钢-铝 0.17 0.02钢-轴承合金 0.2 0.04钢-夹布胶木 0.22 -钢-钢纸 0.22 -钢-冰 0.027* -0.014石棉基材料-铸铁或钢 0.25-0.40 0.08-0.12皮革-铸铁或钢 0.30-0.50 0.12-0.15材料(硬木)-铸铁或钢 0.20-0.35 0.12-0.16软木-铸铁或钢 0.30-0.50 0.15-0.25钢纸-铸铁或钢 0.30-0.50 0.12-0.17毛毡-铸铁或钢 0.22 0.18软钢-铸铁 0.2*,0.18 0.05-0.15软钢-青铜 0.2*,0.18 0.07-0.15铸铁-铸铁 0.15 0.15-0.160.07-0.12铸铁-青铜 0.28* 0.16*0.15-0.21 0.07-0.15铸铁-皮革 0.55*,0.28 0.15*,0.12铸铁-橡皮 0.8 0.5皮革-木料 0.4-0.5* -0.03-0.05铜-T8钢 0.15 0.03铜-铜 0.20 -黄铜-不淬火的T8钢 0.19 0.03黄铜-淬火的T8钢 0.14 0.02黄铜-黄铜 0.17 0.02黄铜-钢 0.30 0.02黄铜-硬橡胶 0.25 -黄铜-石板 0.25 -黄铜-绝缘物 0.27 -青铜-不淬火的T8钢 0.16 -青铜-黄铜 0.16 -青铜-青铜 0.15-0.20 0.04-0.10 青铜-钢 0.16 -青铜-夹布胶木 0.23 -青铜-钢纸 0.24 -青铜-树脂 0.21 -青铜-硬橡胶 0.36 -青铜-石板 0.33 -青铜-绝缘物 0.26 -铝-不淬火的T8钢 0.18 0.03铝-淬火的T8钢 0.17 0.02铝-黄铜 0.27 0.02铝-青铜 0.22 -铝-钢 0.30 0.02铝-夹布胶木 0.26 -硅铝合金-夹布胶木 0.34 -硅铝合金-钢纸 0.32 -硅铝合金-树脂 0.28 -硅铝合金-硬橡胶 0.25 -硅铝合金-石板 0.26 -硅铝合金-绝缘物 0.26 -钢-粉末冶金 0.35-0.55* -木材-木材 0.4-0.6* 0.1*0.2-0.5 0.07-0.10麻绳-木材 0.5-0.8* -0.545号淬火钢-聚甲醛 0.46 0.016 45号淬火钢-聚碳酸脂 0.30 0.03 45号淬火钢-尼龙9(加 0.57 0.02 3%MoS2填充料)45号淬火钢-尼龙9(加 0.48 0.023 30%玻璃纤维填充物)45号淬火钢-尼龙1010 0.039 - (加30%玻璃纤维填充物)45号淬火钢-尼龙1010 0.07 - (加40%玻璃纤维填充物)45号淬火钢-氯化聚醚 0.35 0.03445号淬火钢-苯乙烯 0.35-0.46 0.018-丁二烯-丙烯腈共聚体(ABS)━━━━━━━━━━━━━━━━━━━━━━━━注:1.表中滑动摩擦系数是试验数值,只能作为近似计算参考.2.表中带"*"者为静摩擦系数.各种工程用塑料的摩擦系数━━━━━━━━━━━━━━━━━━━━━━━━━━下试样上试样(钢) 上试样(塑料)静摩擦动摩擦静摩擦动摩擦(塑料) 系数μs 系数μk 系数μs 系数μk —————————————————————————— 聚四氟乙烯 0.10 0.05 0.04 0.04聚全氟乙丙烯 0.25 0.18 - -低密度聚乙烯 0.27 0.26 0.33 0.33高密度聚乙烯 0.18 0.08-0.12 0.12 0.11聚甲醛 0.14 0.13 - -聚偏二氟乙烯 0.33 0.25 - -聚碳酸酯 0.60 0.53 - -聚苯二甲酸乙 0.29 0.28 0.27* 0.20*二醇酯聚酰胺(尼龙66) 0.37 0.34 0.42* 0.35*聚三氟氯乙烯 0.45* 0.33* 0.43* 0.32*聚氯乙烯 0.45* 0.40* 0.50* 0.40*聚偏二氯乙烯 0.68* 0.45* 0.90* 0.52*━━━━━━━━━━━━━━━━━━━━━━━━━━注:*表示粘滑运动.常用材料的滚动摩擦系数━━━━━━━━━━━━━━━━━━━━摩擦副材料滚动摩擦系数 k,cm ————————————————————淬火钢-淬火钢 0.001铸铁-铸铁 0.05木材-钢 0.03-0.04木材-木材 0.05-0.08铁或钢质车轮-木面 0.15-0.25钢质车轮-钢轨 0.05━━━━━━━━━━━━━━━━━━━━。
各种材料摩擦系数表在我们的日常生活和工业生产中,材料之间的摩擦现象无处不在。
了解不同材料之间的摩擦系数对于设计机械、优化生产流程以及提高产品性能都具有重要意义。
下面为您呈现一份较为常见的各种材料摩擦系数表,并对其中的一些关键内容进行简要介绍。
金属材料之间的摩擦系数往往受到多种因素的影响,比如表面粗糙度、载荷大小、润滑条件等。
例如,钢与钢在干燥条件下的摩擦系数约为 015 020,而在有良好润滑的情况下,摩擦系数可以降低到 005 010。
铝与铝的摩擦系数在干燥时大约是 017 019,经过润滑处理后可以降至 005 007。
塑料材料的摩擦系数也有较大的差异。
常见的聚乙烯(PE)与自身之间的摩擦系数在 020 030 之间。
聚氯乙烯(PVC)的摩擦系数相对较高,约为 040 050。
而聚四氟乙烯(PTFE),也就是我们常说的特氟龙,由于其出色的低摩擦性能,摩擦系数通常在 004 010 范围内。
在橡胶材料方面,天然橡胶与金属的摩擦系数一般在 050 080 左右。
丁腈橡胶与金属的摩擦系数约为 040 070。
橡胶材料的摩擦系数会随着其硬度和配方的不同而有所变化。
在木材与木材的接触中,摩擦系数大约在 030 050 之间。
然而,如果木材表面经过处理,如涂漆或打蜡,摩擦系数可能会有所降低。
陶瓷材料的摩擦系数也值得关注。
例如,氧化铝陶瓷与钢的摩擦系数约为 040 060。
而碳化硅陶瓷与钢的摩擦系数相对较低,大约在 020 030 之间。
玻璃与不同材料的摩擦系数也有所不同。
玻璃与钢的摩擦系数通常在 020 030 之间。
玻璃与橡胶的摩擦系数则约为 060 090。
复合材料的摩擦性能因其组成和结构的复杂性而有所不同。
例如,碳纤维增强复合材料与金属的摩擦系数会因碳纤维的含量和取向而变化。
需要注意的是,上述提到的摩擦系数只是一个大致的范围,实际的摩擦系数可能会因为具体的实验条件和材料的细微差异而有所不同。
在实际应用中,为了获得准确的摩擦系数,通常需要进行专门的摩擦学实验。
各类【2 】材料(配对)摩擦系数表大全
一.界说
摩擦系数是指两表面间的摩擦力和感化在其一表面上的垂直力之比值.它是和表面的光滑度有关,而和接触面积的大小无关.依活动的性质,它可分为动摩擦系数和静摩擦系数.
二.盘算公式
滑动摩擦力的大小跟压力成正比,就是跟一个物体对另一个物体表面的垂直感化力成正比.滑动摩擦力的盘算公式为F = μFn
个中F等于滑动摩擦力,μ为动摩擦系数,Fn为压力.
这里再对公式中的各项解释一下:
Fn为弹力的性质,并不是总等于物体的重力,须要联合活动情形和均衡前提加以肯定.
动摩擦系数μ是比例常数,它的数值跟互相接触的接触面的材料和接触面的情形(如光滑程度.干湿程度.温度等)有着亲密的关系.动摩擦系数是两个力的比值,是以没有单位.
滑动摩擦力的大小与物体相对活动的速度无关,与接触面的面积大小无关.
滑动摩擦力的感化老是阻碍物体间的相对活动,但不是阻碍物体的活动,滑动摩擦力可能是阻力,当然也可能是动力.
三.具体各类材料摩擦系数表格如下.
※注:表中摩擦系数是实验值,只能作近似参考。
各种材料摩擦系数表摩擦系数是指两表面间的摩擦力和作用在其一表面上的垂直力之比值。
它是和表面的粗糙度有关,而和接触面积的大小无关。
依运动的性质,它可分为动摩擦系数和静摩擦系数。
现综合具体各种材料摩擦系数表格如下。
注:表中摩擦系数是试验值,只能作近似参考固体润滑材料固体润滑材料是利用固体粉末、薄膜或某些整体材料来减少两承载表面间的摩擦磨损作用的材料。
在固体润滑过程中,固体润滑材料和周围介质要与摩擦表面发生物理、化学反应生成固体润滑膜,降低摩擦磨损。
中文名固体润滑材料采用材料固体粉末、薄膜等作用减少摩擦磨损使用物件齿轮、轴承等目录1.1基本性能2.2使用方法3.3常用材料基本性能1)与摩擦表面能牢固地附着,有保护表面功能固体润滑剂应具有良好的成膜能力,能与摩擦表面形成牢固的化学吸附膜或物理吸附膜,在表面附着,防止相对运动表面之间产生严重的熔焊或金属的相互转移。
2)抗剪强度较低固体润滑剂具有较低的抗剪强度,这样才能使摩擦副的摩擦系数小,功率损耗低,温度上升小。
而且其抗剪强度应在宽温度范围内不发生变化,使其应用领域较广。
3)稳定性好,包括物理热稳定,化学热稳定和时效稳定,不产生腐蚀及其他有害的作用物理热稳定是指在没有活性物质参与下,温度改变不会引起相变或晶格的各种变化,因此不致于引起抗剪强度的变化,导致固体的摩擦性能改变。
化学热稳定是指在各种活性介质中温度的变化不会引起强烈的化学反应。
要求固体润滑剂物理和化学热稳定,是考虑到高温、超低温以及在化学介质中使用时性能不会发生太大变化,而时效稳定是指要求固体润滑剂长期放置不变质,以便长期使用。
此外还要求它对轴承和有关部件无腐蚀性、对人畜无毒害,不污染环境等。
4)要求固体润滑剂有较高的承载能力因为固体润滑剂往往应用于严酷工况与环境条件如低速高负荷下使用,所以要求它具有较高的承载能力,又要容易剪切。
使用方法1)作成整体零件使用某些工程塑料如聚四氟乙烯、聚缩醛、聚甲醛、聚碳酸脂、聚酰胺、聚砜、聚酰亚胺、氯化聚醚、聚苯硫醚和聚对苯二甲酸酯等的摩擦系数较低,成形加工性和化学稳定性好,电绝缘性优良,抗冲击能力强,可以制成整体零部件,若采用环璃纤维、金属纤维、石墨纤维、硼纤维等对这些塑料增强,综合性能更好,使用得较多的有齿轮、轴承、导轨、凸轮、滚动轴承保持架等。
各种材料之间摩擦系数⼀、橡胶与钢板或混凝⼟之间的摩擦系数加橡胶⽚以后,依据《公预规》(D62-2012)第8.4条规定,橡胶⽀座与不同材料接触⾯的摩擦系数:1.橡胶与混凝⼟接触时:摩擦系数为0.32.橡胶与钢板接触时:摩擦系数为0.23.聚四氟⼄烯板与不锈钢板接触(加硅胶)时,摩擦系数为0.06;当温度低于-25°C时,摩擦系数增⼤30%;当不加硅胶时,摩擦系数应加倍。
⼆、钢板间的摩擦系数按参考⽂献,不润滑时,为0.15三、钢板与混凝⼟徐有邻等为研究钢筋与混凝⼟之间的胶结摩阻性能,采⽤轧制钢板进⾏了不同锈蚀状况的钢材与混凝⼟的胶结剪切试验和摩阻试验,试验结果见下表。
试验结果表明,胶结剪切强度和摩阻系数随着钢管表⾯状况的不同变化很⼤,经过打磨除锈后表⾯⽆锈蚀光滑的钢管的胶结强度和摩阻系数明显⽐有锈蚀的钢管的胶结强度和摩阻系数要低。
表⾯锈蚀程度⽆锈轻锈重锈腐锈锈蚀特征⼿感光滑,少量锈蚀,可⽤⼲布擦净⼿感粗糙,砂纸打磨后基本平整颗粒状锈蚀,砂纸打磨后局部有锈坑⽚状锈渣,砂纸打磨后表⾯布满锈坑粗糙度0.025~0.0400.050~0.1700.170~0.3400.230~0.660胶结剪切强度0.4350.5680.7580.762摩擦系数0.20~0.250.26~0.300.40~0.500.45~0.60从上表看出,最⼩值为0.2,但⽂中未交代粗糙度的单位,如按常规粗糙度单位µm理解,普通钢板的粗糙度Ra为6.3~12.5,也就是说摩擦系数可以取到0.6。
根据另⼀篇参考⽂献的实验结果,钢板与⽔泥块的摩擦系数为0.76,有⽔时为0.7。
经过多篇⽂献的互相验证,普通钢板与混凝⼟的摩擦系数应该可以取0.6计算时考虑安全系数,可适当降低。
四、摩擦系数表1、各种材料之间摩擦系数表1各种材料之间摩擦系数表1MATERIAL 1MATERIAL 2Coefficient Of FrictionDRY Greasy Static Sliding Static SlidingAluminum Aluminum1,05-1,351,40,3 Aluminum Mild Steel0,610,47 Brake Material Cast Iron0,4 Brake Material Cast Iron (Wet)0,2 Brass Cast Iron 0,3 Brick Wood0,6 Bronze Cast Iron 0,22 Bronze Steel 0,16 Cadmium Cadmium0,5 0,05 Cadmium Mild Steel 0,46 Cast Iron Cast Iron1,10,15 0,07 Cast Iron Oak 0,49 0,075 Chromium Chromium0,41 0,34 Copper Cast Iron1,050,29 Copper Copper1,0 0,08 Copper Mild Steel0,530,36 0,18Copper-Lead Alloy Steel0,22 - Diamond Diamond0,1 0,05 - 0,1 Diamond Metal0,1 -0,15 0,1 Glass Glass0,9 - 1,00,40,1 - 0,60,09-0,12 Glass Metal0,5 - 0,7 0,2 - 0,3 Glass Nickel0,780,56 Graphite Graphite0,1 0,1 Graphite Steel0,1 0,1 Graphite (In vacuum)Graphite (In vacuum)0,5 - 0,8 Hard Carbon Hard Carbon0,16 0,12 - 0,14 Hard Carbon Steel0,14 0,11 - 0,14 Iron Iron1,0 0,15 - 0,2 Lead Cast Iron 0,43 Leather Wood0,3 - 0,4 Leather Metal(Clean)0,6 0,2 Leather Metal(Wet)0,4 Leather Oak (Parallel grain)0,610,52 Magnesium Magnesium0,6 0,08 Nickel Nickel0,7-1,10,530,280,12Nickel Mild Steel 0,64; 0,178 Nylon Nylon0,15 - 0,25 Oak Oak (parallel grain)0,620,48 Oak Oak (cross grain)0,540,32 0,072 Platinum Platinum1,2 0,25 Plexiglas Plexiglas0,8 0,8 Plexiglas Steel0,4 - 0,5 0,4 - 0,5 Polystyrene Polystyrene0,5 0,5 Polystyrene Steel0,3-0,35 0,3-0,35 Polythene Steel0,2 0,2 Rubber Asphalt (Dry) 0,5-0,8 Rubber Asphalt (Wet) 0,25-0,0,75 Rubber Concrete (Dry) 0,6-0,85 Rubber Concrete (Wet) 0,45-0,75 Saphire Saphire0,2 0,2 Silver Silver1,4 0,55 Sintered Bronze Steel- 0,13 Solids Rubber1,0 - 4,0 -- Steel Aluminium Bros0,45 Steel Brass0,35 0,19 Steel(Mild) Brass0,510,44 Steel (Mild)Cast Iron 0,230,1830,133 Steel Cast Iron0,40,21 Steel Copper Lead Alloy0,220,160,145 Steel (Hard)Graphite 0,210,09 Steel Graphite0,1 0,1 Steel (Mild) Lead0,950,95 0,50,3 Steel (Mild)Phos. Bros 0,34 0,173 Steel Phos Bros0,35 Steel(Hard)Polythened0,20,2 Steel(Hard)Polystyrene0,3-0,350,3-0,35 Steel (Mild)Steel (Mild)0,740,57 0,09-0,19 Steel(Hard)Steel (Hard)0,780,42 0,05 -0,110,029-.12 Steel Zinc (Plated on steel)0,50,45--Teflon Steel0,04 0,040,04 Teflon Teflon0,04 0,040,04Tin Cast Iron 0.32 Tungsten Carbide Tungsten Carbide0,2-0,25 0,12 Tungsten Carbide Steel0,4 - 0,6 0,08 - 0,2 Tungsten Carbide Copper0,35 Tungsten Carbide Iron0,8 Wood Wood(clean)0,25 - 0,5 Wood Wood (Wet)0,2 Wood Metals(Clean)0,2-0,6 Wood Metals (Wet)0,2 Wood Brick0,6 Wood Concrete0,62 Zinc Zinc0,6 0,04 Zinc Cast Iron0,850,21 MATERIAL 1MATERIAL 2Coefficient Of FrictionDRY LUBRICATED Static Sliding Static Sliding。
各种材料摩擦系数表摩擦系数是指两表面间的摩擦力和作用在其一表面上的垂直力之比值。
它是和表面的粗糙度有关,而和接触面积的大小无关。
依运动的性质,它可分为动摩擦系数和静摩擦系数。
现综合具体各种材料摩擦系数表格如下。
注:表中摩擦系数是试验值,只能作近似参考固体润滑材料固体润滑材料是利用固体粉末、薄膜或某些整体材料来减少两承载表面间的摩擦磨损作用的材料。
在固体润滑过程中,固体润滑材料和周围介质要与摩擦表面发生物理、化学反应生成固体润滑膜,降低摩擦磨损。
中文名固体润滑材料采用材料固体粉末、薄膜等作用减少摩擦磨损使用物件齿轮、轴承等目录1.1基本性能2.2使用方法3.3常用材料基本性能1)与摩擦表面能牢固地附着,有保护表面功能固体润滑剂应具有良好的成膜能力,能与摩擦表面形成牢固的化学吸附膜或物理吸附膜,在表面附着,防止相对运动表面之间产生严重的熔焊或金属的相互转移。
2)抗剪强度较低固体润滑剂具有较低的抗剪强度,这样才能使摩擦副的摩擦系数小,功率损耗低,温度上升小。
而且其抗剪强度应在宽温度范围内不发生变化,使其应用领域较广。
3)稳定性好,包括物理热稳定,化学热稳定和时效稳定,不产生腐蚀及其他有害的作用物理热稳定是指在没有活性物质参与下,温度改变不会引起相变或晶格的各种变化,因此不致于引起抗剪强度的变化,导致固体的摩擦性能改变。
化学热稳定是指在各种活性介质中温度的变化不会引起强烈的化学反应。
要求固体润滑剂物理和化学热稳定,是考虑到高温、超低温以及在化学介质中使用时性能不会发生太大变化,而时效稳定是指要求固体润滑剂长期放置不变质,以便长期使用。
此外还要求它对轴承和有关部件无腐蚀性、对人畜无毒害,不污染环境等。
4)要求固体润滑剂有较高的承载能力因为固体润滑剂往往应用于严酷工况与环境条件如低速高负荷下使用,所以要求它具有较高的承载能力,又要容易剪切。
使用方法1)作成整体零件使用某些工程塑料如聚四氟乙烯、聚缩醛、聚甲醛、聚碳酸脂、聚酰胺、聚砜、聚酰亚胺、氯化聚醚、聚苯硫醚和聚对苯二甲酸酯等的摩擦系数较低,成形加工性和化学稳定性好,电绝缘性优良,抗冲击能力强,可以制成整体零部件,若采用环璃纤维、金属纤维、石墨纤维、硼纤维等对这些塑料增强,综合性能更好,使用得较多的有齿轮、轴承、导轨、凸轮、滚动轴承保持架等。
各种材料摩擦系数表材料之间的摩擦系数是衡量材料间摩擦力大小的重要参数。
不同材料的摩擦系数对于各种力学问题和工程设计都有着重要的影响。
为了方便工程师、科研人员和学生参考和应用,以下是一份各种材料摩擦系数表。
一、金属材料1. 铝 - 铝:0.61 - 0.782. 铝 - 铜:0.35 - 0.823. 不锈钢 - 不锈钢:0.43 - 0.824. 铸铁 - 铸铁:0.4 - 1.05. 铸铁 - 钢:0.4 - 0.746. 铸铁 - 铝:0.58 - 0.87. 钢 - 钢:0.57 - 0.748. 钢 - 铜:0.35 - 0.7二、非金属材料1. 聚乙烯(PE) - 聚乙烯(PE):0.15 - 0.52. 尼龙 - 尼龙:0.15 - 0.453. 聚四氟乙烯(PTFE) - 聚四氟乙烯(PTFE):0.04 - 0.14. 聚苯乙烯(PS) - 聚苯乙烯(PS):0.65 - 0.95. 聚酯(PET) - 聚酯(PET):0.2 - 1.06. 聚氯乙烯(PVC) - 聚氯乙烯(PVC):0.3 - 0.67. 聚碳酸酯(PC) - 聚碳酸酯(PC):0.35 - 0.6三、润滑材料1. 油润滑:0.02 - 0.052. 脂润滑:0.02 - 0.13. 塑料润滑膏:0.05 - 0.184. 石墨润滑:0.08 - 0.15需要注意的是,这些数值仅作为参考值,实际情况可能受到多种因素的影响。
例如,材料的表面粗糙度、温度、湿度等因素都会对摩擦系数产生影响。
因此,在具体工程设计和实际应用中,需要综合考虑各种因素,进行准确的计算和评估。
总结:摩擦系数是衡量材料间摩擦力大小的参数,对于工程设计和科研工作者来说具有重要的意义。
不同材料之间的摩擦系数不尽相同,通过摩擦系数表可以对材料间的摩擦力进行初步估算。
然而,在实际应用中,还需要考虑其他因素对摩擦系数的影响,以确保准确的计算结果。
(完整版)各种材料摩擦系数各种材料摩擦系数引言摩擦系数是用来描述两种材料之间摩擦力的大小的物理量。
不同材料的摩擦系数对于工程设计和物理实验中的摩擦问题非常重要。
本文档将介绍一些常见材料的摩擦系数,以便在相应领域中的应用。
金属材料- 铁与铁的摩擦系数一般在0.2-0.6之间,具体取决于表面光洁度和润滑情况。
- 铝与铝之间的摩擦系数约为0.6-0.8,高于铁与铁之间的摩擦系数。
- 钢与钢之间的摩擦系数也在0.2-0.6之间,与铁与铁的摩擦系数相似。
- 铜与铜之间的摩擦系数约为0.3-0.6,较铁与铁的摩擦系数低。
- 不同金属之间的摩擦系数会有所差异,如钢与铝之间的摩擦系数一般较高。
塑料材料- 一些常见的塑料材料的摩擦系数如下:- 聚乙烯(PE): 0.1-0.5- 聚氯乙烯(PVC): 0.3-0.5- 聚丙烯(PP): 0.2-0.5- 聚四氟乙烯(PTFE): 0.04-0.1- 聚苯乙烯(PS): 0.5-0.8- 塑料材料的摩擦系数通常比金属材料低。
木材- 木材的摩擦系数与木材种类和表面光滑度相关。
- 对于干燥的木材,摩擦系数大约在0.2-0.5之间。
- 木材与金属或塑料之间的摩擦系数通常较低。
其他材料- 玻璃与玻璃之间的摩擦系数约为0.9-1.0,较高。
- 砂纸与金属表面之间的摩擦系数较大,一般在0.6-1.0之间。
- 润滑剂的使用可以显著降低材料之间的摩擦系数。
结论不同材料的摩擦系数对于工程设计和物理实验具有重要意义。
通过了解不同材料之间的摩擦系数,可以更好地选择合适的材料并进行正确的设计和实验操作。
各种材料(配对)摩擦系数表大全
一、定义
摩擦系数是指两表面间的摩擦力和作用在其一表面上的垂直力之比值。
它是和表面的粗糙度有关,而和接触面积的大小无关。
依运动的性质,它可分为动摩擦系数和静摩擦系数。
二、计算公式
滑动摩擦力的大小跟压力成正比,就是跟一个物体对另一个物体表面的垂直作用力成正比。
滑动摩擦力的计算公式为F = μFn
其中F等于滑动摩擦力,μ为动摩擦系数,Fn为压力。
这里再对公式中的各项说明一下:
Fn为弹力的性质,并不是总等于物体的重力,需要结合运动情况和平衡条件加以确定。
动摩擦系数μ是比例常数,它的数值跟相互接触的接触面的材料和接触面的情况(如粗糙程度、干湿程度、温度等)有着密切的关系。
动摩擦系数是两个力的比值,因此没有单位。
滑动摩擦力的大小与物体相对运动的速度无关,与接触面的面积大小无关。
滑动摩擦力的作用总是阻碍物体间的相对运动,但不是阻碍物体的运动,滑动摩擦力可能是阻力,当然也可能是动力。
三、具体各种材料摩擦系数表格如下。
※注:表中摩擦系数是试验值,只能作近似参考。
各种材料摩擦系数表摩擦系数是指两表面间的摩擦力和作用在其一表面上的垂直力之比值。
它是和表面的粗糙度有关,而和接触面积的大小无关。
依运动的性质,它可分为动摩擦系数和静摩擦系数。
现综合具体各种材料摩擦系数表格如下。
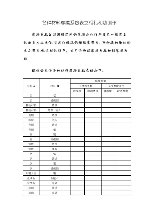
摩擦系数材料 A材料 B干摩擦条件润滑摩擦条件静摩擦滑动摩擦静摩擦滑动摩擦铝铝 1.05-1.35 1.40.3铝低碳钢0.610.47制动材料铸铁0.4制动材料铸铁(湿)0.2黄铜铸铁0.3砌块木头0.6青铜铸铁0.22青铜钢0.16镉镉0.50.05镉低碳钢0.46铸铁铸铁 1.10.150.07铸铁橡胶0.490.075铬铬0.410.34铜铸铁 1.050.29铜铜 1.00.08铜低碳钢0.530.360.18铅铜合金钢0.22-金刚石金刚石0.10.05–0.1金刚石金属0.1 -0.150.1玻璃玻璃0.9 –0.40.1–0.09-0.121.00.6玻璃金属0.5 –0.2–0.70.3玻璃镍0.780.56石墨石墨0.10.1石墨钢0.10.1石墨(真空)石墨(真空)0.5 –0.8高硬碳高硬碳0.160.12–0.14高硬碳钢0.140.11–0.14铁铁 1.00.15–0.2铅铸铁0.43皮革木材0.3 –0.4皮革金属(洁净)0.60.2皮革金属(潮湿)0.4皮革橡胶(平行纹理)0.610.52镁镁0.60.08镍镍0.7-1.10.530.280.12镍低碳钢0.64;0.178尼龙尼龙0.15 –0.25橡胶橡胶(平行纹理)0.620.48橡胶橡胶(交叉纹理)0.540.320.072铂铂 1.20.25有机玻璃有机玻璃0.80.8有机玻璃钢0.4 –0.4–0.50.5聚苯乙烯聚苯乙烯0.50.5聚苯乙烯钢0.3-0.350.3-0.35聚乙烯钢0.20,2合成橡胶沥青(干)0.5-0.8合成橡胶沥青(湿)0.25-0.75合成橡胶混凝土 ( 干)0.6-0.85合成橡胶混凝土 ( 湿)0.45-0.75蓝宝石蓝宝石0.20.2银银 1.40.55烧结青铜钢-0.13固体粒子合成橡胶1.0 –--4.0钢铝族元素0.45钢黄铜0.350.19低碳钢黄铜0.510.44低碳钢铸铁0.230.1830.133钢铸铁0.40.21钢铅铜合金0.220.160.145硬质合金石墨0.210.09钢石墨0.10.1低碳钢铅0.950.950.50.3低碳钢磷族元素化合物0.340.173钢磷族元素化合物0.35硬质合金聚乙烯0.20.2硬质合金聚苯乙烯0.3-0.350.3-0.35低碳钢低碳钢0.740.570.09-0.19硬质合金硬质合金0.780.420.050.029-0.12 -0.11钢镀锌钢0.50.45--聚四氟乙烯钢0.040.040.04聚四氟乙烯聚四氟乙烯0.040.040.04锡铸铁0.32碳化钨碳化钨0.2-0,250.12碳化钨钢0.4 –0.08 –0.60.2碳化钨铜0.35碳化钨铁0.8木头木头(洁净)0.25 –0.5木头木头(湿)0.2木头金属(洁净)0.2-0.6木头金属(湿)0.2木头砌块0.6木头混凝土0.62锌锌0.60.04锌铸铁0.850.21摩擦系数材料A材料B干摩擦条件静摩擦滑动摩擦润滑摩擦条件静摩擦滑动摩擦注 :表中摩擦系数是试验值,只能作近似参考。
摩擦系数摩擦系数:是指两表面间的摩擦力和作用在其一表面上的垂直力之比值。
它是和表面的粗糙度有关,而和接触面积的大小无关。
依运动的性质,它可分为动摩擦系数和静摩擦系数。
材料名称静摩擦系数动摩擦系数无润滑有润滑无润滑有润滑钢-钢 0.15 0.1~0.12 0.1 0.05~0.1钢-软钢 0.2 0.1~0.2钢-铸铁 0.3 0.2 0.05~0.15钢-青铜 0.15 0.15~0.18 0.1~0.15软钢-铸铁 0.2 0.18 0.05~0.15软钢-青铜 0.2 0.18 0.07~0.15铸铁-铸铁 0.18 0.15 0.07~0.12铸铁-青铜 0.15~0.2 0.07~0.15青铜-青铜 0.1 0.2 0.07~0.1皮革-铸铁 0.3~0.5 0.15 0.6 0.15橡皮-铸铁 0.8 0.5木材-木材 0.4~0.6 0.1 0.2~0.5 0.07~0.15常用材料摩擦系数摩擦副材料摩擦系数μ钢-钢 0.15* 0.1-0.12* 0.1 0.05-0.1钢-软钢 0.2 0.1-0.2钢-不淬火的T8 0.15 0.03钢-铸铁 0.2-0.3* 0.05-0.15 0.16-0.18钢-黄铜 0.19 0.03钢-青铜 0.15-0.18 0.1-0.15* 0.07钢-铝 0.17 0.02钢-轴承合金 0.2 0.04钢-夹布胶木 0.22 -钢-钢纸 0.22 -钢-冰 0.027* - 0.014石棉基材料-铸铁或钢 0.25-0.40 0.08-0.12皮革-铸铁或钢 0.30-0.50 0.12-0.15材料(硬木)-铸铁或钢 0.20-0.35 0.12-0.16软木-铸铁或钢 0.30-0.50 0.15-0.25钢纸-铸铁或钢 0.30-0.50 0.12-0.17毛毡-铸铁或钢 0.22 0.18软钢-铸铁 0.2*,0.18 0.05-0.15软钢-青铜 0.2*,0.18 0.07-0.15铸铁-铸铁 0.15 0.15-0.16 0.07-0.12 铸铁-青铜 0.28* 0.16* 0.15-0.21 0.07-0.15 铸铁-皮革 0.55*,0.28 0.15*,0.12铸铁-橡皮 0.8 0.5皮革-木料 0.4-0.5* - 0.03-0.05铜-T8钢 0.15 0.03铜-铜 0.20 -黄铜-不淬火的T8钢 0.19 0.03黄铜-淬火的T8钢 0.14 0.02黄铜-黄铜 0.17 0.02黄铜-钢 0.30 0.02黄铜-硬橡胶 0.25 -黄铜-石板 0.25 -黄铜-绝缘物 0.27 -青铜-不淬火的T8钢 0.16 -青铜-黄铜 0.16 -青铜-青铜 0.15-0.20 0.04-0.10青铜-钢 0.16 -青铜-夹布胶木 0.23 -青铜-钢纸 0.24 -青铜-树脂 0.21 -青铜-硬橡胶 0.36 -青铜-石板 0.33 -青铜-绝缘物 0.26 -铝-不淬火的T8钢 0.18 0.03铝-淬火的T8钢 0.17 0.02铝-黄铜 0.27 0.02铝-青铜 0.22 -铝-钢 0.30 0.02铝-夹布胶木 0.26 -硅铝合金-夹布胶木 0.34 -硅铝合金-钢纸 0.32 -硅铝合金-树脂 0.28 -硅铝合金-硬橡胶 0.25 -硅铝合金-石板 0.26 -硅铝合金-绝缘物 0.26 -钢-粉末冶金 0.35-0.55* -木材-木材 0.4-0.6* 0.1* 0.2-0.5 0.07-0.10麻绳-木材 0.5-0.8* - 0.545号淬火钢-聚甲醛 0.46 0.01645号淬火钢-聚碳酸脂 0.30 0.0345号淬火钢-尼龙9 (加 0.57 0.02 3%MoS2填充料)45号淬火钢-尼龙9 (加 0.48 0.023 30%玻璃纤维填充物) 45号淬火钢-尼龙1010 0.039 - (加30%玻璃纤维填充物)45号淬火钢-尼龙1010 0.07 - (加40%玻璃纤维填充物)45号淬火钢-氯化聚醚 0.35 0.03445号淬火钢-苯乙烯 0.35-0.46 0.018-丁二烯-丙烯腈共聚体(ABS)━━━━━━━━━━━━━━━━━━━━━━━━注:1.表中滑动摩擦系数是试验数值,只能作为近似计算参考.2.表中带"*"者为静摩擦系数.各种工程用塑料的摩擦系数下试样上试样(钢) 上试样(塑料)静摩擦动摩擦静摩擦动摩擦(塑料) 系数μ系数μ系数μ系数μ聚四氟乙烯 0.10 0.05 0.04 0.04聚全氟乙丙烯 0.25 0.18 - -低密度聚乙烯 0.27 0.26 0.33 0.33高密度聚乙烯 0.18 0.08-0.12 0.12 0.11聚甲醛 0.14 0.13 - -聚偏二氟乙烯 0.33 0.25 - -聚碳酸酯 0.60 0.53 - -聚苯二甲酸乙 0.29 0.28 0.27* 0.20*二醇酯聚酰胺(尼龙66) 0.37 0.34 0.42* 0.35*聚三氟氯乙烯 0.45* 0.33* 0.43* 0.32*聚氯乙烯 0.45* 0.40* 0.50* 0.40*聚偏二氯乙烯 0.68* 0.45* 0.90* 0.52*━━━━━━━━━━━━━━━━━━━━━━━━━━注:*表示粘滑运动.常用材料的滚动摩擦系数摩擦副材料滚动摩擦系数—————————————————淬火钢-淬火钢 0.001铸铁-铸铁 0.05木材-钢 0.03-0.04木材-木材 0.05-0.08铁或钢质车轮-木面 0.15-0.25钢质车轮-钢轨 0.05━━━━━━━━━━━━━━━━━━━━注:表中滚动摩擦系数是试验值,只能作近似参考.。
常用材料间摩擦系数摩擦系数是描述材料间摩擦性质的一个物理量,它反映了两个物体表面之间的粗糙程度以及接触面积对摩擦力的影响。
不同材料之间的摩擦系数可以有很大的差异,常用材料间的摩擦系数如下所示:1.金属之间的摩擦系数:-铁与铁之间的摩擦系数一般在0.5左右。
-铁与铝之间的摩擦系数一般在0.61-1之间,取决于铁与铝的表面处理情况和材料的硬度。
-铁与铜之间的摩擦系数一般在0.53-0.57之间,取决于铁与铜的表面处理情况和材料的硬度。
-铁与钢之间的摩擦系数一般在0.58-0.62之间,取决于铁与钢的表面处理情况和材料的硬度。
-不锈钢与不锈钢之间的摩擦系数一般在0.6-0.8之间,取决于不锈钢的组成成分和表面处理情况。
2.金属与非金属之间的摩擦系数:-金属与橡胶之间的摩擦系数一般在0.6-1之间,取决于金属的硬度和橡胶的材料性质。
-金属与木材之间的摩擦系数一般在0.2-0.6之间,取决于金属的硬度和木材的纹理。
-金属与塑料之间的摩擦系数一般在0.2-0.6之间,取决于金属的硬度和塑料的材料性质。
3.非金属之间的摩擦系数:-木材与木材之间的摩擦系数一般在0.3-0.7之间,取决于木材的纹理和湿度。
-木材与塑料之间的摩擦系数一般在0.2-0.5之间,取决于木材的纹理和塑料的材料性质。
-塑料与塑料之间的摩擦系数一般在0.2-0.5之间,取决于塑料的材料性质。
4.润滑材料的摩擦系数:-润滑油在润滑剂与金属之间的摩擦系数一般在0.01-0.15之间,取决于润滑油的粘度和润滑剂的表面处理情况。
-润滑脂在润滑剂与金属之间的摩擦系数一般在0.05-0.2之间,取决于润滑脂的黏度和润滑剂的表面处理情况。
需要注意的是,这些摩擦系数的数值只是给出一个大致的范围,实际的摩擦系数可能会受到很多因素的影响,例如温度、湿度、压力等,因此在具体的应用中还需要进行实验测量来确定准确的摩擦系数。
同时,不同的制造工艺和材料处理方法也会对摩擦系数产生较大的影响,因此在设计和应用中应该充分考虑这些因素,以确保摩擦性能的稳定和可靠。
各种材料摩擦系数表摩擦系数是指两表面间的摩擦力和作用在其一表面上的垂直力之比值。
它是和表面的粗糙度有关,而和接触面积的大小无关。
依运动的性质,它可分为动摩擦系数和静摩擦系数。
现综合具体各种材料摩擦系数表格如下。
完美WORD 格式.整理注:表中摩擦系数是试验值,只能作近似参考固体润滑材料固体润滑材料是利用固体粉末、薄膜或某些整体材料来减少两承载表面间的摩擦磨损作用的材料。
在固体润滑过程中,固体润滑材料和周围介质要与摩擦表面发生物理、化学反应生成固体润滑膜,降低摩擦磨损。
中文名固体润滑材料采用材料固体粉末、薄膜等作用减少摩擦磨损使用物件齿轮、轴承等目录1. 1 基本性能2. 2 使用方法3. 3 常用材料基本性能1)与摩擦表面能牢固地附着,有保护表面功能固体润滑剂应具有良好的成膜能力,能与摩擦表面形成牢固的化学吸附膜或物理吸附膜,在表面附着,防止相对运动表面之间产生严重的熔焊或金属的相互转移。
2)抗剪强度较低固体润滑剂具有较低的抗剪强度,这样才能使摩擦副的摩擦系数小,功率损耗低,温度上升小。
而且其抗剪强度应在宽温度范围内不发生变化,使其应用领域较广。
3)稳定性好,包括物理热稳定,化学热稳定和时效稳定,不产生腐蚀及其他有害的作用物理热稳定是指在没有活性物质参与下,温度改变不会引起相变或晶格的各种变化,因此不致于引起抗剪强度的变化,导致固体的摩擦性能改变。
化学热稳定是指在各种活性介质中温度的变化不会引起强烈的化学反应。
要求固体润滑剂物理和化学热稳定,是考虑到高温、超低温以及在化学介质中使用时性能不会发生太大变化,而时效稳定是指要求固体润滑剂长期放置不变质,以便长期使用。
此外还要求它对轴承和有关部件无腐蚀性、对人畜无毒害,不污染环境等。
4)要求固体润滑剂有较高的承载能力因为固体润滑剂往往应用于严酷工况与环境条件如低速高负荷下使用,所以要求它具有较高的承载能力,又要容易剪切。
使用方法1)作成整体零件使用某些工程塑料如聚四氟乙烯、聚缩醛、聚甲醛、聚碳酸脂、聚酰胺、聚砜、聚酰亚胺、氯化聚醚、聚苯硫醚和聚对苯二甲酸酯等的摩擦系数较低,成形加工性和化学稳定性好,电绝缘性优良,抗冲击能力强,可以制成整体零部件,若采用环璃纤维、金属纤维、石墨纤维、硼纤维等对这些塑料增强,综合性能更好,使用得较多的有齿轮、轴承、导轨、凸轮、滚动轴承保持架等。
各种材料摩擦系数表
摩擦系数是指两表面间的摩擦力和作用在其一表面上的垂直力之比值。
它是和表面的粗糙度有关,而和接触面积的大小无关。
依运动的性质,它可分为动摩擦系数和静摩擦系数。
现综合具体各种材料摩擦系数表格如下。
注:表中摩擦系数是试验值,只能作近似参考
固体润滑材料
固体润滑材料是利用固体粉末、薄膜或某些整体材料来减少两承载表面间的摩擦磨损作用的材料。
在固体润滑过程中,固体润滑材料和周围介质要与摩擦表面发生物理、化学反应生成固体润滑膜,降低摩擦磨损。
中文名
固体润滑材料
采用材料
固体粉末、薄膜等
作用
减少摩擦磨损
使用物件
齿轮、轴承等
目录
1.1基本性能
2.2使用方法
3.3常用材料
基本性能
1)与摩擦表面能牢固地附着,有保护表面功能固体润滑剂应具有良好的
成膜能力,能与摩擦表面形成牢固的化学吸附膜或物理吸附膜,在表面附着,防止相对运动表面之间产生严重的熔焊或金属的相互转移。
2)抗剪强度较低固体润滑剂具有较低的抗剪强度,这样才能使摩擦副的
摩擦系数小,功率损耗低,温度上升小。
而且其抗剪强度应在宽温度范围内不发生变化,使其应用领域较广。
3)稳定性好,包括物理热稳定,化学热稳定和时效稳定,不产生腐蚀及
其他有害的作用物理热稳定是指在没有活性物质参与下,温度改变不会引起相变或晶格的各种变化,因此不致于引起抗剪强度的变化,导致固体的摩擦性能改变。
化学热稳定是指在各种活性介质中温度的变化不会引起强烈的化学反应。
要求固体润滑剂物理和化学热稳定,是考虑到高温、超低温以及在化学介质中使用时性能不会发生太大变化,而时效稳定是指要求固体润滑剂长期放置不变质,以便长期使用。
此外还要求它对轴承和有关部件无腐蚀性、对人畜无毒害,不污染环境等。
4)要求固体润滑剂有较高的承载能力因为固体润滑剂往往应用于严酷
工况与环境条件如低速高负荷下使用,所以要求它具有较高的承载能力,又要容易剪切。
使用方法
1)作成整体零件使用某些工程塑料如聚四氟乙烯、聚缩醛、聚甲醛、聚
碳酸脂、聚酰胺、聚砜、聚酰亚胺、氯化聚醚、聚苯硫醚和聚对苯二甲酸酯等的摩擦系数较低,成形加工性和化学稳定性好,电绝缘性优良,抗冲击能力强,可以制成整体零部件,若采用环璃纤维、金属纤维、石墨纤维、硼纤维等对这些塑料增强,综合性能更好,使用得较多的有齿轮、轴承、导轨、凸轮、滚动轴承保持架等。
2)作成各种覆盖膜来使用通过物理方法将固体润滑剂施加到摩擦界面或表面,使之成为具有一定自润滑性能的干膜,这是较常用的方法之一。
成膜的方法很多,各种固体润滑剂可通过溅射、电泳沉积、等离子喷镀、离子镀、电镀、粘结剂粘结、化学生成、挤压、浸渍、滚涂等方法来成膜。
3)制成复合或组合材料使用所谓复合(组合)材料,是指由两种或两种以上的材料组合或复合起来使用的材料系统。
这些材料的物理、化学性质以及形状都是不同的,而且是互不可溶的。
组合或复合的最终目的是要获得种性能更优越的新材料,一般都称为复合材料。
4)作为固体润滑粉末使用将固体润滑粉末(如MoS2)以适量添加到润滑油或润滑脂中,可提高润滑油脂的承载能力及改善边办润滑状态等,如MoS2油剂、MoS2油膏、MoS2润滑脂及MoS2水剂等。
常用材料
1)二硫化钼
(1)低摩擦特性。
(2)高承载能力。
(3)良好的热稳定性
(4)强的化学稳定性
(5)抗辐照性
(6)耐高真空性能
2)石墨
石墨在摩擦状态下,能沿着晶体层间滑移,并沿着摩擦方向定向。
石墨与钢、铬和橡胶等的表面有良好的粘附能力,因此,在一般条件下,石墨是一种优良的润滑剂。
但是,当吸附膜解吸后,石墨的摩擦磨损性能会变坏。
所以,一般倾向于在氧化的钢或铜的表面上以石墨作润滑剂。
3)氟化石墨
与石墨或二硫化钼相比,它的耐磨性好,这是由于氟碳键的结合能较强所致。
层与层之间的距离比石墨大得多,因此更容易在层间发生剪切。
由于氟的引入,使它在高温、高速、高负荷条件下的性能优于石墨或二硫化钼,改善了石墨在没有水气条件下的润滑性能。
4)氮化硼
氮化硼是一种新型陶瓷材料,高温、高压下可烧结而成。
氮化硼的密度为2.27g/cm3,熔点为3100~3300℃;莫氏硬度为2;在空气中摩擦系数为0.2,而在真空中为0.3;在空气中热安定性为700°C,而在真空中为1587°C.它耐腐蚀,电绝缘性很好,比电阻大于10-6Ω.cm;压缩强度为170MPa;在c轴方向上的热膨胀系数为41×10-6/℃而在d轴方向上为-2.3×10-6;在氧化气氛下最高使用温度为900℃,而在非活性还原气氛下可达2800℃,但在常温下润滑性能较差,故常与氟化石墨、石墨与二硫化钼混合用作高温润滑剂,将氮化硼粉末分散在油中或水中可以作为拉丝或压制成形的润滑剂,也可用作高温炉滑动零件的润滑剂,氮化硼的烧结体可用作具有自润滑性能的轴承、滑动零件的材料。
5)氮化硅
氮化硅属于六方晶系,是一种陶瓷材料,不具备石墨那样的层状构造,也没有氧化铅那样的塑性流动性,由于粒子硬度高,所以在粉末状态不具
有润滑性。
但其成形体表面经过适当精加工,由于与其接触的微凸体点数减少可呈现出低摩擦系数。
据研究结果称,表面精加工至0.05~0.025μm 时,摩擦系数可达0.01.氮化硅的而磨性因环境气氛、负荷、速度等条件及表面粗糙度不同而变化。
在干摩擦条件下耐磨性良好。
6)聚四氟乙烯
聚四氟乙烯有很好的化学安定性和热稳定性。
在高温下与浓酸、浓碱、强氧化剂均不发生反应,即使在王水中煮沸,其重量及性能都没有变化。
而且它在很宽的温度范围和几乎所有的环境气氛下,都能保持良好化学安定性、热稳定性以及润滑性。
聚四氟乙烯具有各向异性的特性,在滑动摩擦条件下,也能发生良好的定向。
它的摩擦系数比石墨、MoS2都低。
一般聚四氟乙烯对钢的摩擦系数常引用为0.04,在高负荷条件下,摩擦系数会降低到0.016。
7)尼龙
尼龙的摩擦系数随负荷的增加而降低,在高负荷条件下,摩擦系数可以降至0.1~0.15左右;在摩擦表面存在有油或水时,摩擦系数有更大的下降趋势。
尼龙的摩擦系数还随着速度的增加或表面温度的升高而下降。
尼龙的耐磨损性好,特别是在有大量尘土、泥砂的环境中,它所表现出来的耐磨损性是其他塑料无法与之相比的。
在摩擦表面上有泥砂、尘土或其他硬质类材料存在时,尼龙的耐磨性比轴承钢、铸铁甚至比经淬火表面镀铭的碳钢还要好。
在应用尼龙材料时,要特别注意选择与其相互对摩的材料。
在摩擦界面有硬质微粒存在时,尼龙的耐磨损性是一般钢材不能与之相比的。
如用尼龙轴瓦代替表铜轴瓦时,被磨损的是轴,轴是不易更换零件,它被磨损后会带来严重后果。
尼龙的缺点是:吸潮性强、吸水性大、尺寸稳定性差,这在铸型尼龙表现得更为突出。
尼龙的热传导系数小,热膨胀系数大,加之摩擦系数也不算低,因此最好用于有油至少是少油润滑和有特殊冷却装置的条件下。
8)聚甲醛
聚甲醛是一种不透明乳白色的结晶性线型聚合物,具有良好的综合性和差色性的高熔点、高结晶性的热塑性工程塑料,是塑料中力学性能与金属较为接近的品种之一,它的尺寸稳定性好,耐水、耐冲击、耐油、耐化学药品及耐磨性等都非常优良。
它的摩擦系数和磨耗量较低,适用于长期经受摩擦滑动的部件,如机床导轨。
在运动部件中使用时不需使用润滑剂,具有优良的自润滑作用。
9)聚酰亚胺
均苯型聚酰亚胺的长期使用温度为260°C,具有优良的耐摩擦、耐磨损性能和尺寸稳定性。
它具有优良的耐油和耐有机溶剂性,能耐一般的酸,但在浓硫酸和发烟硝酸等强氧化剂作用下会发生氧化降解,在高温下仍具有优良的介电性能。
但它不耐碱,成本也较高。
它在惰性介质中,在高负荷和高速下的磨损量极小。
10)聚对羟基苯甲酸酯
聚对羟基苯甲酸酯是全芳香族的聚酯树脂。
分子结构是直链状的线性分子,但结晶度很高(大于90%),使它难以熔融流动,因而具有热固性树脂的成型特性。
它与金属的性能接近,是目前塑料中热导率和空气中的热
稳定性最高的品种,在高温下还呈现与金属相似的非粘性流动。
它是一种摩擦系数极低的自润滑材料,摩擦系数可达到0.005,甚至比用润滑油、脂润滑时的还低。
它可作为耐腐蚀泵、超音速飞机外壳钛合金的涂层材料。
但其热塑成型较为因难,需用高速高能锻成型,或是采用等离子喷涂及一般金属加工方法加工。
11)软金属
金、银、锡、铅、镁、铟等软金属可作为固体润滑剂使用。
软金属可以单独或是和其他润滑剂一起使用。
其应用方法有二种,一是以薄膜的形式应用,既将铅、锌、锡等低熔点软金属、合金作为干膜那样使用,铜和青铜等虽然并非低熔点,有时也可这样使用。
另一种使用方法是将软金属添加到合金或粉末合金中作为润滑成分以利用其润滑效果,如一般的白色合金(轴承合金)、油膜轴承合金(Kelmet)等就含有铅、锑、锌、锡、铟等软金属,又如烧结合金摩擦材料与电刷材料集流环和触点等也可使用含软金属如银、金等成分。
软金属的摩擦系数较大,但与润滑油并用时,可降低其摩擦系数及磨损,膜厚对软金属的润滑影响较大,如烟膜厚度小于0.1m时,则润滑膜易于破环,厚于0.01mm时则摩擦系数增大,故应有适当的厚度。