混凝土配合比原始记录
- 格式:doc
- 大小:149.50 KB
- 文档页数:5
混凝土配合比检测原始记录(一)鲁JC/JL-01.0402 共页第页样品名称商品混凝土样品编号强度等级稠度(mm或s)抗渗等级抗冻等级其他要求拌合方法机械搅拌成型方法捣棒人工捣实法检测日期环境条件温度:℃,相对湿度: % 设备名称强制式混凝土搅拌机电液式压力试验机电子控温远红外鼓风干燥箱震击式标准振筛机设备编号RZ039 RZ045 RZ021 RZ022设备状态检测依据JGJ55-2011检测内容:混凝土配合比用原材料材料名称水泥细骨料粗骨料 1 粗骨料 2 水掺合料 1 掺合料 2 外加剂 1 外加剂 2 其他名称、品种普通硅酸盐水泥砂碎石碎石水矿粉粉煤灰外加剂厂家、产地烟台冀东寻山石猴子夏庄伟磊夏庄伟磊地下水唐山曹妃甸威海港域潍坊万山规格、等级P·O 42.5 中砂16-31.5mm 5-10mm 地下水S95 Ⅱ级FDN-C样品状态样品数量主要技术指标实测结果28 天抗压强度MPa细度模数颗粒级配含泥量含泥量检测说明试验用料均干燥状态。
校核:主检:混凝土配合比检测原始记录(二)鲁JC/JL-01.0402 共页第页样品名称商品混凝土样品编号强度等级稠度(mm或s)抗渗等级抗冻等级其他要求拌合方法机械搅拌成型方法捣棒人工捣实法检测日期环境条件温度:℃,相对湿度: % 检测依据JGJ55-2011检测内容:混凝土配制强度确定及配合比计算(质量法)计算项目计算结果计算说明配制强度f cu,0 ≥f cu,k ﹢1.645σ= <C60 f cu,k—混凝土立方体抗压强度标准值(MPa)(取设计强度等级值);σ—混凝土强度标准差(MPa),可计算或查表取得。
f cu,0 ≥1.15f cu,k= ≥C60水胶比粗骨料品种:αa= αb= f ce=γc f ce,g,式中:γf、γs—粉煤灰、粒化高炉矿渣影响系数,可查表取得,f ce—水泥28d抗压强度 (MPa) ,可实测或计算取得。
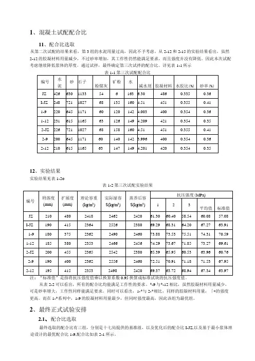
1、混凝土试配配合比11、配合比选取从第二次试配的结果来看,第3组的水泥用量过高,因此不予考虑。
从2-12和2-15的实验结果看出,虽然2-12的胶凝材料用量减少,不过砂率增加,其工作性仍然能满足要求,而且强度并没有降低。
因此本次试配考虑继续降低浆体的厚度。
通过试拌,最终确定第三次试拌的配合比。
详见表1-1所示12、实验结果实验结果见表1-2o表1-2第三次试配实验结果从表2-2可以看出,所有的配合比均能满足工作性的要求。
*-9与*-12相比,虽然胶凝材料用量减少,可是砂率增大,工作性同样能满足要求。
同时可以看出,1-*与2-*相比,同样的胶凝材料用量,「*的强度更高。
而在1-*系列中,1-9的胶凝材料用量最少,但同时强度最高,因此该组为最优组。
2、最终正式试验安排2.1、配合比选取最终选取的配合比有三组,分别是十七局提供的基准组,以及优化后的配合比I-JZ,以及基于最小浆体理论设计的最优配合比1-9,配合比如表2-1所示。
2.2、实验安排221、最终的配合比需要进行以下实验:1、坍落度、经时坍落度损失、初终凝实验参照JTGE30-2005《公路工程水泥及水泥混凝土试验规程》2、3d、7d、28d、56d抗压强度参照JTGE30-2005《公路工程水泥及水泥混凝土试验规程》37d、28d劈拉强度参照JTGE30-2005《公路工程水泥及水泥混凝土试验规程》4、弹性模量参照JTGE30-2005《公路工程水泥及水泥混凝土试验规程》由陈功超负责5、电通量由陈功超负责6、孔结构7、电镜扫描由孙春景负责8、抗裂环由张彬彬负责2.2.24.2.3、实验时间安排。
第1篇一、实验目的1. 掌握混凝土配合比设计的基本原理和方法。
2. 通过实验,了解混凝土原材料性能对配合比的影响。
3. 学会根据工程要求,合理设计混凝土配合比,并确保混凝土的质量。
二、实验原理混凝土配合比设计是根据工程要求,合理选择水泥、砂、石子等原材料,并按一定比例进行混合,以达到既经济又满足工程要求的混凝土。
设计混凝土配合比的主要依据是混凝土的强度、耐久性、工作性等性能。
三、实验材料1. 水泥:北京水泥厂京都P.O 42.5,28天实际强度54.0MPa。
2. 砂:中砂,细度模数2.8。
3. 石子:碎石,粒径5-20mm。
4. 水:自来水。
5. 其他:减水剂、引气剂等。
四、实验仪器1. 混凝土搅拌机2. 天平3. 量筒4. 砼试模5. 压力试验机6. 拌铲、拌板等五、实验步骤1. 原材料性能测定测定水泥的强度、细度模数、安定性等性能;测定砂的细度模数、含泥量等性能;测定石子的粒径、表观密度、含泥量等性能。
2. 混凝土配合比设计(1)确定混凝土强度等级:根据工程要求,确定混凝土的强度等级,如C30、C40等。
(2)计算水灰比:根据混凝土强度等级和水泥强度等级,计算水灰比(W/C)。
(3)计算单位用水量:根据水灰比和水泥用量,计算单位用水量(mwo)。
(4)确定砂率:根据混凝土强度等级和砂的细度模数,确定砂率(s)。
(5)计算水泥用量:根据单位用水量和水灰比,计算水泥用量(mco)。
(6)计算砂、石用量:根据砂率、水泥用量和单位用水量,计算砂、石用量(mso、mgo)。
3. 混凝土拌合按照计算好的配合比,将水泥、砂、石子、水等原材料放入搅拌机中,进行搅拌。
4. 混凝土性能测试(1)坍落度测试:测定混凝土的坍落度,以判断混凝土的工作性。
(2)立方体抗压强度测试:制作混凝土立方体试件,在标准养护条件下养护,测定其抗压强度。
(3)抗渗性能测试:制作混凝土抗渗试件,在规定条件下进行抗渗试验。
(4)抗冻性能测试:制作混凝土抗冻试件,在规定条件下进行抗冻试验。
混凝土配合比设计及试配原始记录 ( 一)共 3 页第 1 页配比名称 抗渗混凝土(泵送) 委托编号 HP0700001 (设计、施工要求 ) C30 及 P6,坍落度 100 ~ 120mm 样品编号 HP0701001 试验环境条件 温度 20± 5℃湿度> 50%检验类别 委托检验 施工方法 机械振捣收样日期 2007.01.06 检测依据JGJ55-2000试配日期2007.01.08水泥砂石子外加剂水 膨胀剂粉煤灰材料情况配合比计算式山东水泥厂泰安 中砂 济南 碎石 省建科院省建科院 P.O32.5R μ x=2.7 符合5~ 25mm NC - 4 泵送剂PNC 膨胀剂安定性合格含泥量 0.5%含泥量 0.5% 液状 饮用水粉状 预测强度合格 泥块含量 0.3% 泥块含量 0.3%掺量 2.5%掺量 8%针片状 0.7%1 、计算配制强度 f cu , o =fcu , k +1.645σ= 30.0+ 1.645× 4.0=36.6 (MPa)2 、确定水泥 28d 抗压强度实测值 f ce = 32.5×1.10 ≈ 36 (MPa)3 、计算水灰比 W/C= a . f ce /(f cu , o + a . b f ce )=0.46× 36/(36.6+0.07 × 0.46×36)=0.444 、确定用水量 m wa =180(kg/m 3)5 、计算水泥用量 m c1 =180/ 0.44=409( kg/m 3)6 、确定粉煤灰用量:取代率 f = 15%,超量系数 K =1.3mf =409 ×15%× 1.3= 80( kg/m 3)7 、计算膨胀剂用量 m p =409(1-15%)×8.0%= 28( kg/m 3);8 、计算外加剂用量 m j =[409(1-15%)+409×15%× 1.3] × 2.5%= 11( kg/m 3) 9 、实际水泥用量 m co1 =409(1-15%)×( 1- 8%)= 320 ( kg/m 3) 10、确定砂率β s=35%2420 kg/m3 得: mg=1171 ( kg/m 3)11、假定混凝土的重量ms=631-(409×15%× 1.3/ 2.2-409×15%/ 3.1)× 2.6=588( kg/m 3)黃台电厂Ⅱ级试件尺寸100×100 × 100 ( mm ) 试配体积25L/35 L 试配方法机械搅拌、振实材料名称水泥砂石子外加剂水膨胀剂粉煤灰计 算每 m 3 砼材料用量 (kg) 320588117111 1802880配合比重量配合比 1 1.84 3.660.03 0.56 0.09 0.25试配重量 (kg) 8.0014.7029.280.284.500.702.00坍落度 105 mm 保水性 良好拌合物 粘聚性良好表观密度2410 kg/m3性 能/ ///调整情况 不需调整(若调整,写明如何调整?调整后拌合物性能?)备 注:此计算配合比可作为强度试验用基准配合比。
混凝土原材料及配合比检验批质量验收记录一、项目概况项目名称:建筑工程建设单位:建设公司承建单位:建筑工程有限公司检验单位:质量检验中心检验日期:XXXX年XX月XX日二、检验目的为确保混凝土原材料及配合比的质量符合相关标准和要求,进行原材料及配合比的检验和验收。
三、检验内容本次质量验收主要包括以下内容:1.混凝土原材料的检验,包括水泥、骨料、石灰石、黏聚土、膨胀剂等;2.配合比的检验,包括水灰比、砂率、石率、掺合料掺量等;3.检验混凝土原材料和配合比是否符合相关标准和要求。
四、检验方法1.混凝土原材料的检验方法:(3)石灰石的检验:按照GB/T5121《石灰石化学分析方法》进行检验。
(5)膨胀剂的检验:按照GB/T8077《膨胀剂检验方法》进行检验。
2.配合比的检验方法:(3)掺合料掺量的检验:根据设计要求和标准用量进行检验。
五、检验结果1.混凝土原材料的检验结果:(1)水泥:合格,符合相关标准和要求。
(2)骨料:合格,符合相关标准和要求。
(3)石灰石:合格,符合相关标准和要求。
(4)黏聚土:合格,符合相关标准和要求。
(5)膨胀剂:合格,符合相关标准和要求。
2.配合比的检验结果:(1)水灰比:合格,符合设计要求。
(2)砂率和石率:合格,符合设计要求。
(3)掺合料掺量:合格,符合设计要求。
六、质量验收结论本次混凝土原材料及配合比的质量验收结果符合相关标准和要求,可以继续进行后续施工工作。
七、存在问题和建议1.检验中未发现混凝土原材料及配合比存在明显问题,建议继续保持现有的质量控制措施,严格按照设计要求和标准进行施工。
2.建议施工单位加强对混凝土原材料及配合比的质量管控,确保原材料和配合比的稳定性和一致性。
八、检验人员签字检验人员1:检验人员2:备注:本次检验报告仅针对混凝土原材料及配合比的质量进行了检验和验收,其他混凝土工程质量方面的检验和验收需在后续进行。