钻孔灌注桩后压浆施工记录表
- 格式:doc
- 大小:725.50 KB
- 文档页数:9
《钻孔灌注桩施工记录表》钻孔灌注桩施工记录表桩桩位桩号钻机号砼等级径主要天气工作时间工序钻月日时分至月日时分护筒孔原始地面首次月日时分至月日时分清孔设计桩顶标高下钢月日时分至月日时分筋笼下导管月日时分至月日时分二次月日时分至月日时分清孔 L,= 浇灌ΔL, 月日时分至月日时分砼取持力层面合格渣样时间: 月日时分三持力层面判定深度:米,签名: 分L= ΔL= 之一H,= ΔH,= 终孔判定深度: 米,签名: 钻头H= 计终孔取渣样时间: 月日时分算有终孔深度: 米,签名:效桩长无沉渣面深(一次清孔):米,签名:二次清孔渣面深:管外米 h 管内米签名: H-孔深; 桩顶至地面深度: 米H′—持力层面深;砼配合比: ΔH′-进入持力层深;L-桩长; 初灌方量:ΔL—桩顶至地面深; 3砼浇灌车数: 灌入体积(m): ΔL′-加灌高度; 3砼理论体积(m): 充盈系数:L′—有效桩长;h-钻头高; 签名:注:本表适用于支承于基岩或砂砾石层的端承桩施工记录。
Opinions and suggestions on the party’s mass line educational practiceAccording to the central and provincial, municipal unified deployment, according to municipal Party committee ”about carrying out the party’s mass line educational practice activity in the city's implementation opinions, the spirit of the party's mass line educational practice activities from 20** in January to 99 months, carried out at all levels of departments and directly affiliated institutions andgrass-roots party organizations. According to my actual County, the county to carry out the education practice put forward the following implementation opinions。
钻孔灌注桩施工记录汇总表钻孔灌注桩施工记载汇总表钻孔灌注桩施工记载汇总表钻孔灌注桩施工记载汇总表钻孔灌注桩施工记载汇总表钻孔灌注桩施工记载汇总表钻孔灌注桩施工记载汇总表钻孔灌注桩施工记载汇总表钻孔灌注桩施工记载汇总表钻孔灌注桩施工记载汇总表钻孔灌注桩施工记载汇总表钻孔灌注桩施工记载汇总表钻孔灌注桩施工记载汇总表钻孔灌注桩施工记载汇总表钻孔灌注桩施工记载汇总表钻孔灌注桩施工记载汇总表钻孔灌注桩施工记载汇总表钻孔灌注桩施工记载汇总表钻孔灌注桩施工记载汇总表钻孔灌注桩施工记载汇总表钻孔灌注桩施工记载汇总表钻孔灌注桩施工记载汇总表钻孔灌注桩施工记载汇总表钻孔灌注桩施工记载汇总表钻孔灌注桩施工记载汇总表钻孔灌注桩施工记载汇总表钻孔灌注桩施工记载汇总表钻孔灌注桩施工记载汇总表钻孔灌注桩施工记载汇总表钻孔灌注桩施工记载汇总表表D2-3-3钻孔灌注桩施工记载汇总表表D2-3-3钻孔灌注桩施工记载汇总表表D2-3-3钻孔灌注桩施工记载汇总表表D2-3-3钻孔灌注桩施工记载汇总表表D2-3-3钻孔灌注桩施工记载汇总表表D2-3-3钻孔灌注桩施工记载汇总表表D2-3-3钻孔灌注桩施工记载汇总表表D2-3-3钻孔灌注桩施工记载汇总表表D2-3-3钻孔灌注桩施工记载汇总表表D2-3-3钻孔灌注桩施工记载汇总表表D2-3-3钻孔灌注桩施工记载汇总表表D2-3-3钻孔灌注桩施工记载汇总表表D2-3-3钻孔灌注桩施工记载汇总表表D2-3-3钻孔灌注桩施工记载汇总表表D2-3-3钻孔灌注桩施工记载汇总表表D2-3-3钻孔灌注桩施工记载汇总表表D2-3-3钻孔灌注桩施工记载汇总表表D2-3-3钻孔灌注桩施工记载汇总表表D2-3-3钻孔灌注桩施工记载汇总表表D2-3-3钻孔灌注桩施工记载汇总表表D2-3-3钻孔灌注桩施工记载汇总表表D2-3-3。
钻孔灌注桩后压浆施工记录表D2-3-2 编号:本表由施工单位填写,建设单位、施工单位、城建档案馆各保存一份。
钻孔灌注桩后压浆施工记录表D2-3-2 编号:本表由施工单位填写,建设单位、施工单位、城建档案馆各保存一份。
钻孔灌注桩后压浆施工记录表D2-3-2 编号:本表由施工单位填写,建设单位、施工单位、城建档案馆各保存一份。
钻孔灌注桩后压浆施工记录表D2-3-2 编号:本表由施工单位填写,建设单位、施工单位、城建档案馆各保存一份。
钻孔灌注桩后压浆施工记录表D2-3-2 编号:本表由施工单位填写,建设单位、施工单位、城建档案馆各保存一份。
钻孔灌注桩后压浆施工记录表D2-3-2 编号:本表由施工单位填写,建设单位、施工单位、城建档案馆各保存一份。
钻孔灌注桩后压浆施工记录表D2-3-2 编号:本表由施工单位填写,建设单位、施工单位、城建档案馆各保存一份。
钻孔灌注桩后压浆施工记录表D2-3-2 编号:本表由施工单位填写,建设单位、施工单位、城建档案馆各保存一份。
钻孔灌注桩后压浆施工记录表D2-3-2 编号:本表由施工单位填写,建设单位、施工单位、城建档案馆各保存一份。
钻孔灌注桩后压浆施工记录表D2-3-2 编号:本表由施工单位填写,建设单位、施工单位、城建档案馆各保存一份。
钻孔灌注桩后压浆施工记录表D2-3-2 编号:本表由施工单位填写,建设单位、施工单位、城建档案馆各保存一份。
钻孔灌注桩后压浆施工记录表D2-3-2 编号:本表由施工单位填写,建设单位、施工单位、城建档案馆各保存一份。
钻孔灌注桩后压浆施工记录表D2-3-2 编号:本表由施工单位填写,建设单位、施工单位、城建档案馆各保存一份。
钻孔灌注桩后压浆施工记录表D2-3-2 编号:本表由施工单位填写,建设单位、施工单位、城建档案馆各保存一份。
钻孔灌注桩后压浆施工记录表D2-3-2 编号:本表由施工单位填写,建设单位、施工单位、城建档案馆各保存一份。
钻孔灌注桩后压浆施工记录表D2-3-2 编号:本表由施工单位填写,建设单位、施工单位、城建档案馆各保存一份。
钻孔灌注桩施工记录施工单位:XXX建筑工程有限公司工程名称:XXX大厦基础施工工地:XXX市XXX区XXX路XXX号桩号:PZ001-PZ010施工日期:2024年XX月XX日一、施工概况:二、施工人员:1.现场总指挥:XXX2.施工队成员:XXX、XXX、XXX、XXX三、施工设备:1.钻机:XXX型号2.泵车:XXX型号3.搅拌机:XXX型号4.其他辅助设备:XXX四、施工过程:1.根据设计要求和图纸,确定钻孔位置和孔径,设置标志桩,并用总测量仪确定孔洞位置。
2.使用钻机对桩号为PZ001至PZ010的位置进行钻孔。
每个桩孔的钻孔深度为X米,钻孔直径为X米。
3.钻孔结束后,使用吸污车、泵车或其他清洁设备将孔洞内的杂物清理干净,保持孔洞干燥。
4.在所有孔洞中安装适当长度和直径的钢筋,根据设计要求进行排布。
5.在混凝土搅拌站搅拌适量的混凝土,并使用泵车将混凝土灌注进每个孔洞中。
6.混凝土灌注完成后,将表面抹平,并用适当的工具对桩顶进行修整,以确保顶面平整。
7.对施工过程进行记录,包括开挖孔洞的时间、孔洞直径和深度、钢筋的安装情况、混凝土灌注的时间和数量等。
五、施工质量控制:1.在孔洞开挖时,使用水泥浆检查孔壁是否存在松动或塌方的情况,并及时处理。
2.钢筋的安装要求严格按照设计要求进行,确保数量和排布符合要求。
3.混凝土灌注过程中,控制灌注速度和质量,确保混凝土充实度和均匀性。
4.对灌注完成的桩顶进行测量,确保符合设计高程要求。
六、施工安全措施:1.所有施工人员严格遵守安全操作规程,穿戴好个人防护装备。
2.安全警示标识设置齐全,施工区域设置围挡,确保施工现场的安全。
3.施工期间,保持现场整洁有序,避免材料堆放过多,确保通行道路畅通。
七、施工总结:本次钻孔灌注桩施工按照设计要求和施工方案进行,施工人员严格按照相关操作规程进行作业,并采取了一系列的施工质量控制和安全措施。
整个施工过程安全顺利,未发生任何安全事故,施工质量得到了有效控制。
(建筑工程管理)钻孔灌注桩施工记录汇
总表
钻孔灌注桩施工记录汇总表表D2-3-3
钻孔灌注桩施工记录汇总表表D2-3-3
钻孔灌注桩施工记录汇总表表D2-3-3
钻孔灌注桩施工记录汇总表表D2-3-3
钻孔灌注桩施工记录汇总表表D2-3-3
钻孔灌注桩施工记录汇总表表D2-3-3
钻孔灌注桩施工记录汇总表表D2-3-3
钻孔灌注桩施工记录汇总表表D2-3-3
钻孔灌注桩施工记录汇总表表D2-3-3
钻孔灌注桩施工记录汇总表表D2-3-3
钻孔灌注桩施工记录汇总表
表D2-3-3
钻孔灌注桩施工记录汇总表表D2-3-3
钻孔灌注桩施工记录汇总表表D2-3-3
钻孔灌注桩施工记录汇总表表D2-3-3
钻孔灌注桩施工记录汇总表表D2-3-3
钻孔灌注桩施工记录汇总表表D2-3-3
钻孔灌注桩施工记录汇总表表D2-3-3
钻孔灌注桩施工记录汇总表
表D2-3-3
钻孔灌注桩施工记录汇总表表D2-3-3
钻孔灌注桩施工记录汇总表
表D2-3-3
钻孔灌注桩施工记录汇总表表D2-3-3
钻孔灌注桩施工记录汇总表表D2-3-3
钻孔灌注桩施工记录汇总表表D2-3-3
钻孔灌注桩施工记录汇总表表D2-3-3。
钻孔灌注桩施工记录汇总表表D2-3-3工程名称淮矿办公中心地基处理工程施工单位青海省地质基础处理工程施工总公司监理单位江苏建科建设监理有限公司序号施工日期桩号钻机号设计桩径(mm)桩顶标高(m)孔深(m) 地面标高(m)实际桩长(m)空孔(m ) 孔底沉渣(mm)笼顶标高(m)笼底标高(m)吊筋长度(m)混凝土强度混凝土方量(m3) 充盈系数有效桩长(m)备注设计实际设计实际理论实际1 8月20-21日629# 1# d800 -8.74 49.11 49.31 -1.63 43.20 5.99 5.68 4 -8.74 -50.74 5.99 水下C35 21 24 1.14 42.002 8月22-23日627#3#d800 -11.14 49.53 49.73 -1.61 41.50 8.33 8.09 5 -11.14 -51.14 8.33 水下C35 20 23 1.15 40.003 8月23-24日631#4#d800 -12.40 49.15 49.35 -1.75 39.70 9.45 9.15 5 -12.40 -50.90 9.45 水下C35 19.25 21 1.05 38.504 8月22-23日632#4#d800 -12.40 49.01 49.21 -1.89 39.70 9.31 9.205 -12.40 -50.90 9.31 水下C35 19.25 22 1.02 38.505 8月23-24日621#1#d800 -8.74 48.88 49.00 -1.86 43.20 5.68 5.47 5 -8.74 -50.74 5.68 水下C35 21 23 1.05 42.006 8月22-23日630#1#d800 -12.04 49.04 49.24 -1.86 39.80 9.34 9.17 5 -12.40 -50.90 9.34 水下C35 19.25 21 1.05 38.507 8月23-25日622#1#d800 -12.04 49.07 49.27 -1.83 39.75 9.37 9.13 5 -12.40 -50.90 9.37 水下C35 19.25 22 1.14 38.508 8月23-25日616#2#d800 -12.23 49.89 50.10 -1.34 40.30 9.69 9.28 5 -12.23 -51.23 9.69 水下C35 19.50 29.50 1.51 39.009 8月23-26日628#3#d800 -9.94 49.32 49.52 -1.62 40.34 7.12 7.00 4 -9.94 -51.30 7.12 水下C35 20.50 22 1.07 41.0010 8月25-27日626#3#d800 -12.8 49.29 49.50 -1.79 40.20 9.09 8.86 3 -12.08 -51.08 9.09 水下C35 19.53 24 1.23 40.00施工单位检查结果检查结果:监理单位验收结果验收结论:施工员:质检员:技术负责人:监理工程师:钻孔灌注桩施工记录汇总表表D2-3-3工程名称淮矿办公中心地基处理工程施工单位青海省地质基础处理工程施工总公司监理单位江苏建科建设监理有限公司序号施工日期桩号钻机号设计桩径(mm)桩顶标高(m)孔深(m) 地面标高(m)实际桩长(m)空孔(m ) 孔底沉渣(mm)笼顶标高(m)笼底标高(m)吊筋长度(m)混凝土强度混凝土方量(m3) 充盈系数有效桩长(m)备注设计实际设计实际理论实际11 8月25-28日588# 2# d800 -13.90 49.69 49.90 -1.44 38.70 11.82 11.46 4 -13.90 -51.40 11.82 水下C35 18.75 23 1.57 37.5012 8月24-27日624#4#d800 -12.40 48.98 49.20 -1.92 39.70 9.28 9.00 5 -12.40 -50.90 9.28 水下C35 19.25 23 1.19 38.5013 8月24-27日605#1#d800 -13.50 49.01 49.21 -1.99 38.70 10.87 10.49 5 -13.50 -51.00 10.87 水下C35 18.75 23 1.22 37.5014 8月26-28日610#1#d800 -13.50 49.00 49.20 -2.00 39.00 10.86 10.53 5 -13.50 -51.00 10.86 水下C35 18.75 23 1.22 37.5015 8月26-29日623#4#d800 -12.40 49.07 49.27 -1.83 39.70 9.37 9.20 5 -12.40 -50.90 9.37 水下C35 19.25 23 1.18 38.5016 8月29-30日604#1#d800 -13.50 49.34 49.54 -1.66 38.80 11.20 11.00 4 -13.50 -51.00 11.20 水下C35 18.75 20.5 1.09 37.5017 8月29-30日625#3#d800 -12.16 49.34 49.54 -1.92 40.35 9.04 8.53 5 -12.16 -51.16 9.04 水下C35 19.50 21 1.08 39.0018 8月30-30日586#2#d800 -13.90 49.78 50.00 -1.62 39.00 11.64 11.43 5 -13.90 -51.40 11.64 水下C35 18.75 22 1.09 37.5019 8月31-31日611#4#d800 -14.40 50.00 50.20 -1.90 38.70 11.86 11.28 4 -14.40 -51.90 11.86 水下C35 18.75 20 1.07 37.5020 8月30-31日609#1#d800 -13.50 49.24 49.44 -1.76 38.85 11.10 11.00 3 -13.50 -51.00 11.10 水下C35 18.75 20 1.07 37.50施工单位检查结果检查结果:监理单位验收结果验收结论:施工员:质检员:技术负责人:监理工程师:钻孔灌注桩施工记录汇总表表D2-3-3工程名称淮矿办公中心地基处理工程施工单位青海省地质基础处理工程施工总公司监理单位江苏建科建设监理有限公司序号施工日期桩号钻机号设计桩径(mm)桩顶标高(m)孔深(m) 地面标高(m)实际桩长(m)空孔(m ) 孔底沉渣(mm)笼顶标高(m)笼底标高(m)吊筋长度(m)混凝土强度混凝土方量(m3) 充盈系数有效桩长(m)备注设计实际设计实际理论实际21 8月30-30日615# 4# d800 -13.30 48.91 49.11 -1.44 39.00 10.21 10.00 5 -13.3 -50.8 10.21 水下C35 18.75 20 1.07 37.5022 8月31-31日620#3#d800 -9.94 49.28 49.48 -1.66 42.20 7.08 6.82 5 -9.94 -50.94 7.08 水下C35 20.50 22 1.07 41.0023 9月1-2 日618#3#-d800 -12.08 49.28 49.50 -1.80 40.50 9.18 9.00 5 -12.08 -51.08 9.18 水下C35 20.10 22 1.09 39.0024 8月31-2日601#1#d800 -13.50 49.25 49.45 -1.75 39.00 11.11 10.89 4 -13.50 -51.00 11.11 水下C35 18.75 20 1.09 37.5025 9月1-2-日566#4#d800 -12.40 48.86 49.10 -1.74 38.85 10.18 9.86 5 -13.10 -50.60 10.18 水下C35 18.50 20 1.07 37.5026 9月1-1日619#1#d800 -11.14 49.28 49.48 -1.86 41.25 8.08 7.85 5 -11.14 -51.14 8.08 水下C35 20.00 21 1.07 40.0027 8月31-1日582#2#d800 -13.50 49.23 49.43 -1.77 38.75 11.08 11.00 5 -13.50 -51.00 11.08 水下C35 18.75 22 1.09 37.5028 8月31-1日608#1#d800 -13.50 49.25 49.45 -1.75 38.80 11.11 10.85 5 -13.50 -51.00 11.11 水下C35 19.35 20 1.07 37.5029 8月31-1日613#4#d800 -14.40 50.05 50.25 -1.85 39.00 11.91 11.63 5 -11.40 -51.90 11.91 水下C35 18.75 20 1.07 37.5030 8月30-1日617#3#-d800 -12.90 49.47 49.67 -1.72 40.25 9.27 9.00 5 -12.19 -51.19 9.27 水下C35 19.50 22 1.13 39.00施工单位检查结果检查结果:监理单位验收结果验收结论:施工员:质检员:技术负责人:监理工程师:钻孔灌注桩施工记录汇总表表D2-3-3工程名称淮矿办公中心地基处理工程施工单位青海省地质基础处理工程施工总公司监理单位江苏建科建设监理有限公司序号施工日期桩号钻机号设计桩径(mm)桩顶标高(m)孔深(m) 地面标高(m)实际桩长(m)空孔(m ) 孔底沉渣(mm)笼顶标高(m)笼底标高(m)吊筋长度(m)混凝土强度混凝土方量(m3) 充盈系数有效桩长(m)备注设计实际设计实际理论实际31 8月31-31日567# 4# d800 -13.10 48.85 49.05 -1.75 38.75 10.15 10.00 5 -13.10 -50.60 10.15 水下C35 18.75 20 1.07 37.5032 8月30-31日590#2#d800 -13.10 49.10 49.30 -1.50 38.70 10.40 10.16 4 -13.10 -50.60 10.40 水下C35 18.75 23 1.23 37.5033 8月30-31日603#1#d800 -13.50 49.26 49.46 -1.74 39.00 11.12 11.00 5 -13.50 -51.00 11.12 水下C35 18.75 20 1.09 37.5034 9月1-2日587#2#-d800 -13.9 49.63 49.83 -1.77 38.75 11.49 11.27 5 -13.90 -51.40 11.49 水下C35 19.07 22 1.06 37.5035 9月4-5日581#2#-d800 -13.50 48.28 48.48 -1.72 38.70 11.14 10.86 5 -13.50 -51.00 11.14 水下C35 18.75 24 1.28 37.5036 9月4-5日614#4#d800 -14.40 50.08 50.28 -1.82 38.78 11.94 11.66 5 -14.40 -51.90 11.94 水下C35 19.35 20 1.07 37.5037 9月4-4日600#3#-d800 -13.90 49.60 49.80 -1.80 38.75 11.46 11.17 4 -13.90 -51.40 11.46 水下C35 19.35 20 1.09 37.5038 9月4-5日607#1#d800 -13.50 49.29 49.50 -1.75 38.85 11.15 11.00 5 -13.50 -51.00 11.15 水下C35 19.35 29 1.09 37.5039 9月6-6日563#4#d800 -13.90 49.56 49.80 -1.84 38.80 11.42 11.11 4 -13.90 -51.40 11.42 水下C35 18.25 20 1.09 37.5040 9月6-6日589#2#-d800 -13.10 49.12 49.32 -1.48 38.75 10.42 10.24 4 -13.10 -50.60 10.42 水下C35 19.35 24 1.06 37.50施工单位检查结果检查结果:监理单位验收结果验收结论:施工员:质检员:技术负责人:监理工程师:钻孔灌注桩施工记录汇总表表D2-3-3工程名称淮矿办公中心地基处理工程施工单位青海省地质基础处理工程施工总公司监理单位江苏建科建设监理有限公司序号施工日期桩号钻机号设计桩径(mm)桩顶标高(m)孔深(m) 地面标高(m)实际桩长(m)空孔(m ) 孔底沉渣(mm)笼顶标高(m)笼底标高(m)吊筋长度(m)混凝土强度混凝土方量(m3) 充盈系数有效桩长(m)备注设计实际设计实际理论实际41 9月6-7日592# 3# d800 -13.10 48.95 49.15 -1.65 38.70 10.25 10.00 5 -13.10 -50.60 10.25 水下C35 19.35 20 1.07 37.5042 9月12-12日577#2#d800 -13.50 49.36 49.56 -1.64 38.76 11.26 11.02 5 -13.50 -51.00 11.22 水下C35 18.84 20 1.06 37.5043 9月12-12日612#4#d800 -14.40 50.14 50.34 -1.76 38.80 11.12 10.89 4 -14.40 -51.90 12.00 水下C35 18.84 20 1.06 37.5044 9月12-12日602#1#-d800 -13.50 49.19 49.40 -1.81 38.90 11.05 10.99 4 -13.50 -51.00 11.05 水下C35 18.84 20 1.06 37.5045 9月13-13日564#4#-d800 -13.90 49.56 49.76 -1.84 38.76 11.42 11.30 5 -13.90 -51.40 11.42 水下C35 19.35 21 1.06 37.5046 9月12-13日494#1#d800 -13.10 49.19 49.40 -1.81 38.85 11.05 10.88 5 -13.10 -50.60 11.05 水下C35 18.84 20 1.06 37.5047 9月13-13日606#4#-d800 -13.90 49.56 49.76 -1.84 38.74 11.42 11.23 4 -13.90 -51.40 11.42 水下C35 19.35 21 1.06 37.5048 9月13-13日583#2#d800 -13.90 49.90 50.00 -1.50 38.78 11.76 11.55 5 -13.90 -51.40 11.76 水下C35 19.35 21 1.09 37.5049 9月12-13日599#3#d800 -13.90 49.60 49.80 -1.80 38.70 11.46 11.29 5 -13.90 -51.40 11.46 水下C35 19.35 20 1.09 37.5050 9月13-14日591#2#-d800 -13.10 49.05 49.25 -1.55 38.76 10.35 10.11 5 -13.10 -50.60 10.35 水下C35 19.35 21 1.06 37.50施工单位检查结果检查结果:监理单位验收结果验收结论:施工员:质检员:技术负责人:监理工程师:钻孔灌注桩施工记录汇总表表D2-3-3工程名称淮矿办公中心地基处理工程施工单位青海省地质基础处理工程施工总公司监理单位江苏建科建设监理有限公司序号施工日期桩号钻机号设计桩径(mm)桩顶标高(m)孔深(m) 地面标高(m)实际桩长(m)空孔(m ) 孔底沉渣(mm)笼顶标高(m)笼底标高(m)吊筋长度(m)混凝土强度混凝土方量(m3) 充盈系数有效桩长(m)备注设计实际设计实际理论实际51 9月13-14日576# 2# d800 -13.50 49.30 49.50 -1.70 38.72 11.16 11.16 3 -13.50 -51.00 11.16 水下C35 19.35 24.5 1.07 37.5052 9月13-14日554#1#d800 -13.70 49.43 49.63 -1.77 38.75 11.27 11.00 5 -13.70 -51.20 11.22 水下C35 19.35 20 1.06 37.5053 9月14-15日565#4#d800 -13.90 49.67 49.87 -1.73 38.80 11.53 11.23 3 -13.90 -51.40 11.53 水下C35 19.35 20 1.03 37.5054 9月14-15日559#1#-d800 -13.70 49.54 49.74 -1.66 38.70 11.40 11.25 6 -13.70 -51.20 11.40 水下C35 19.35 20 1.06 37.5055 9月14-15日597#3#-d800 -13.90 49.80 50.00 -1.60 38.74 11.66 11.43 5 -13.90 -51.40 11.60 水下C35 19.35 20 1.03 37.5056 9月15-15日580#4#d800 -13.50 49.46 49.66 -1.54 39.00 11.32 11.10 5 -13.50 -51.00 11.32 水下C35 19.35 22 1.07 37.5057 9月14-15日556#1#-d800 -13.70 49.48 49.68 -1.72 38.85 11.42 11.23 4 -13.70 -51.20 11.42 水下C35 19.35 20 1.07 37.5058 9月14-14日560#4#d800 -13.90 49.60 49.80 -1.80 38.80 11.46 11.27 5 -13.90 -51.40 11.46 水下C35 19.35 20 1.05 37.5059 9月14-15日585#2#d800 -13.90 49.81 50.00 -1.59 38.84 11.67 11.47 5 -13.90 -51.40 11.67 水下C35 19.35 24 1.00 37.5060 9月14-15日594#3#-d800 -13.10` 48.79 49.00 -1.81 38.76 10.09 9.85 5 -13.10 -50.60 10.09 水下C35 19.35 20 1.03 37.50施工单位检查结果检查结果:监理单位验收结果验收结论:施工员:质检员:技术分责人:监理工程师:钻孔灌注桩施工记录汇总表表D2-3-3工程名称淮矿办公中心地基处理工程施工单位青海省地质基础处理工程施工总公司监理单位江苏建科建设监理有限公司序号施工日期桩号钻机号设计桩径(mm)桩顶标高(m)孔深(m) 地面标高(m)实际桩长(m)空孔(m ) 孔底沉渣(mm)笼顶标高(m)笼底标高(m)吊筋长度(m)混凝土强度混凝土方量(m3) 充盈系数有效桩长(m)备注设计实际设计实际理论实际61 9月15-16日558# 1# d800 -13.70 49.53 49.73 -1.67 38.80 11.39 11.25 5 -13.70 -51.20 11.39 水下C35 19.35 20 1.03 37.5062 9月15-16日493#4#d800 -13.10 48.93 49.20 -1.67 38.76 10.23 10.00 4 -13.10 -51.60 10.23 水下C35 19.35 20 1.03 37.5063 9月15-15日561#4#d800 -13.90 49.78 50.00 -1.67 38.73 11.59 11.25 4 -13.90 -51.40 11.59 水下C35 19.35 21 1.08 37.5064 9月15-15日532#3#-d800 -13.50 49.49 49.70 -1.51 38.75 10.79 10.55 5 -13.50 -51.00 10.79 水下C35 19.35 20 1.03 37.5065 9月15-16日529#2#-d800 -13.10 49.11 49.31 -1.49 38.00 10.41 10.23 4 -13.10 -50.60 10.41 水下C35 19.35 22 1.03 37.5066 9月15-16日555#1#d800 -13.70 49.50 49.70 -1.70 38.80 11.36 11.22 5 -13.70 -51.20 11.36 水下C35 19.35 20 1.07 37.5067 9月16-16日575#4#-d800 -13.50 49.39 49.60 -1.61 38.75 11.25 11.00 5 -13.50 -51.00 11.25 水下C35 19.35 20 1.03 37.5068 9月15-16日598#3#d800 -13.90 49.59 49.80 -1.81 38.92 11.45 11.08 5 -13.90 -51.40 11.45 水下C35 19.25 20 1.03 37.5069 9月16-16日557#1#d800 -13.70 49.45 49.65 -1.75 38.70 11.31 11.06 4 -13.70 -51.20 11.31 水下C35 19.35 23 1.09 37.5070 9月16-16日579#4#-d800 -13.50 49.49 49.70 -1.51 38.86 11.35 11.04 5 -13.50 -51.00 11.35 水下C35 19.35 20 1.06 37.50施工单位检查结果检查结果:监理单位验收结果验收结论:施工员:质检员:技术负责人:监理工程师:钻孔灌注桩施工记录汇总表表D2-3-3工程名称淮矿办公中心地基处理工程施工单位青海省地质基础处理工程施工总公司监理单位江苏建科建设监理有限公司序号施工日期桩号钻机号设计桩径(mm)桩顶标高(m)孔深(m) 地面标高(m)实际桩长(m)空孔(m ) 孔底沉渣(mm)笼顶标高(m)笼底标高(m)吊筋长度(m)混凝土强度混凝土方量(m3) 充盈系数有效桩长(m)备注设计实际设计实际理论实际71 9月16-17日584# 2# d800 -13.90 49.90 50.10 -1.50 38.80 11.26 10.79 5 -13.90 -51.40 11.26 水下C35 19.35 20 1.03 37.5072 9月16-17日530#3#d800 -13.50 49.50 49.70 -1.50 38.75 10.80 10.62 4 -13.50 -51.00 10.80 水下C35 19.35 20 1.03 37.5073 9月16-17日573#4#d800 -13.50 49.33 49.53 -1.67 39.00 11.19 11.00 5 -13.50 -51.00 11.19 水下C35 19.35 20 1.08 37.5074 9月16-17日596#3#-d800 -13.90 49.60 49.80 -1.80 38.85 11.46 11.24 5 -13.90 -51.40 11.46 水下C35 19.35 20 1.03 37.5075 9月18-18日553#1#-d800 -13.70 49.54 49.74 -1.66 38.80 11.40 11.25 4 -13.70 -51.20 11.40 水下C35 19.35 20 1.03 37.5076 9月18-19日531#3#d800 -13.50 49.55 49.75 -1.45 38.75 10.85 10.27 4 -13.50 -51.00 10.85 水下C35 19.35 20 1.03 37.5077 9月18-19日550#1#-d800 -13.70 49.50 49.70 -1.70 38.72 11.35 11.26 4 -13.70 -51.20 11.35 水下C35 19.35 22 1.13 37.5078 9月18-19日492#4#d800 -13.90 49.73 49.93 -1.67 38.84 11.59 11.07 5 -13.90 -51.40 11.59 水下C35 19.35 20 1.12 37.5079 9月19-19日578#4#d800 -13.50 49.37 49.57 -1.63 38.76 11.23 10.96 4 -13.50 -51.00 11.23 水下C35 19.35 23 1.18 37.5080 9月19-19日593#7#-d800 -13.10 49.70 49.90 -1.57 38.81 10.33 10.05 5 -13.10 -50.60 10.33 水下C35 19.35 20 1.08 37.50施工单位检查结果检查结果:监理单位验收结果验收结论:施工员:质检员:技术负责人:监理工程师:钻孔灌注桩施工记录汇总表表D2-3-3工程名称淮矿办公中心地基处理工程施工单位青海省地质基础处理工程施工总公司监理单位江苏建科建设监理有限公司序号施工日期桩号钻机号设计桩径(mm)桩顶标高(m)孔深(m) 地面标高(m)实际桩长(m)空孔(m ) 孔底沉渣(mm)笼顶标高(m)笼底标高(m)吊筋长度(m)混凝土强度混凝土方量(m3) 充盈系数有效桩长(m)备注设计实际设计实际理论实际81 9月19-20日552# 1# d800 -13.70 49.50 49.70 -1.70 38.70 11.36 11.03 5 -13.70 -51.20 11.36 水下C35 19.35 20 1.08 37.5082 9月17-20日528#2#d800 -13.10 49.10 49.30 -1.50 38.75 10.40 10.14 5 -13.10 -50.60 10.40 水下C35 19.00 20 1.05 37.5083 9月19-20日574#4#d800 -13.50 49.39 49.59 -1.61 39.00 11.25 10.82 5 -13.50 -51.00 11.25 水下C35 19.00 20 1.05 37.5084 9月19-20日541#3#-d800 -13.90 49.80 50.00 -1.60 39.00 11.66 11.32 5 -13.90 -51.40 11.66 水下C35 19.35 20 1.08 37.5085 9月20-21日515#4#-d800 -13.70 49.53 49.73 -1.67 38.86 11.39 11.17 4 -13.70 -51.20 11.39 水下C35 19.35 20 1.08 37.5086 9月20-21日551#1#d800 -13.70 49.59 49.80 -1.61 38.89 11.45 11.28 4 -13.70 -51.20 11.45 水下C35 19.35 20 1.05 37.5087 9月20-20日549#1#-d800 -13.70 49.49 49.70 -1.71 38.78 11.35 11.09 4 -13.70 -51.20 11.35 水下C35 19.35 20 1.03 37.5088 9月20-21日527#2#d800 -13.50 49.80 50.00 -1.59 38.75 11.27 10.93 5 -13.50 -51.00 11.27 水下C35 19.35 20 1.05 37.5089 9月20-21日519#4#d800 -13.70 49.60 49.80 -1.63 38.80 11.46 11.33 5 -13.70 -51.20 11.43 水下C35 19.35 20 1.09 37.5090 9月21-21日547#1#-d800 -13.70 49.57 49.77 -1.60 38.84 11.43 11.17 4 -13.70 -51.20 11.43 水下C35 19.35 20 1.09 37.50施工单位检查结果检查结果:监理单位验收结果验收结论:施工员:质检员:技术负责人:监理工程师:钻孔灌注桩施工记录汇总表表D2-3-3工程名称淮矿办公中心地基处理工程施工单位青海省地质基础处理工程施工总公司监理单位江苏建科建设监理有限公司序号施工日期桩号钻机号设计桩径(mm)桩顶标高(m)孔深(m) 地面标高(m)实际桩长(m)空孔(m ) 孔底沉渣(mm)笼顶标高(m)笼底标高(m)吊筋长度(m)混凝土强度混凝土方量(m3) 充盈系数有效桩长(m)备注设计实际设计实际理论实际91 9月17-18日562# 4# d800 -13.90 49.77 49.97 -1.63 38.76 11.63 11.36 3 -13.90 -51.40 11.63 水下C35 19.35 20 1.03 37.5092 9月16-18日548#1#d800 -13.70 49.50 49.70 -1.70 38.70 11.36 11.08 4 -13.70 -51.20 11.36 水下C35 19.35 20 1.03 37.5093 9月20-21日595#3#d800 -13.90 49.70 49.90 -1.70 38.79 11.56 11.21 3 -13.90 -51.40 11.56 水下C35 19.35 22 1.13 37.5094 9月21-22日517#4#d800 -13.70 49.57 49.77 -1.63 38.80 11.43 11.27 3 -13.70 -51.00 11.43 水下C35 19.35 21 1.09 37.5095 9月21-22日542#1#-d800 -13.70 49.50 49.70 -1.70 38.82 11.36 11.01 4 -13.70 -51.20 11.36 水下C35 19.35 21 1.09 37.5096 9月21-22日444#2#d800 -13.10 49.10 49.30 -1.50 39.00 10.40 10.06 5 -13.10 -51.60 10.40 水下C35 19.35 21 1.09 37.5097 9月21-22日545#1#-d800 -13.10 49.41 49.61 -1.79 38.90 11.27 11.12 4 -13.70 -51.20 11.27 水下C35 19.35 21 1.08 37.5098 9月21-22日520#4#d800 -13.70 49.68 49.88 -1.52 38.86 11.54 11.33 4 -13.70 -51.20 11.54 水下C35 19.35 22 1.13 37.5099 9月21-22日540#3#d800 -13.90 49.90 50.00 -1.50 38.79 11.76 11.54 4 -13.90 -51.40 11.76 水下C35 19.35 20 1.10 37.50 100 9月22-22日509#4#-d800 -13.70 49.60 49.80 -1.59 38.74 11.47 11.28 4 -13.70 -51.20 11.47 水下C35 19.35 20 1.06 37.50施工单位检查结果检查结果:监理单位验收结果验收结论:施工员:质检员:技术负责人:监理工程师:钻孔灌注桩施工记录汇总表表D2-3-3工程名称淮矿办公中心地基处理工程施工单位青海省地质基础处理工程施工总公司监理单位江苏建科建设监理有限公司序号施工日期桩号钻机号设计桩径(mm)桩顶标高(m)孔深(m) 地面标高(m)实际桩长(m)空孔(m ) 孔底沉渣(mm)笼顶标高(m)笼底标高(m)吊筋长度(m)混凝土强度混凝土方量(m3) 充盈系数有效桩长(m)备注设计实际设计实际理论实际101 9月22-23日546# 1# d800 -13.70 49.41 49.61 -1.79 38.70 11.27 11.05 5 -13.70 -51.20 11.27 水下C35 19.35 21 1.09 37.50 102 9月22-22日543#1#d800 -13.70 49.53 49.73 -1.67 38.85 11.39 11.03 4 -13.70 -51.20 11.39 水下C35 19.35 21 1.09 37.50 103 9月22-23日518#4#d800 -13.70 49.62 49.82 -1.58 38.76 11.48 11.17 4 -13.70 -51.20 11.48 水下C35 19.35 21 1.09 37.50 104 9月21-22日525#3#-d800 -13.90 49.90 50.00 -1.50 38.70 10.20 9.89 5 -13.90 -51.40 10.20 水下C35 19.35 20 1.05 37.50 105 9月23-23日503#4#-d800 -13.70 49.63 49.83 -1.57 39.05 11.49 11.12 4 -13.70 -51.60 11.49 水下C35 19.35 22 1.10 37.50 106 9月23-23日534#3#d800 -13.10 49.14 49.34 -1.46 38.90 10.44 10.21 5 -13.10 -50.60 10.44 水下C35 19.35 20 1.10 37.50 107 9月22-23日526#2#-d800 -13.90 49.93 50.20 -1.47 38.86 10.23 10.00 4 -13.90 -51.40 10.23 水下C35 19.35 20 1.09 37.50 108 9月23-23日514#4#d800 -13.70 49.68 49.88 -1.52 38.85 11.54 11.23 3 -13.70 -51.20 11.54 水下C35 19.35 21 1.09 37.50 109 9月23-23日544#1#d800 -13.70 49.60 49.80 -1.60 38.79 11.46 11.27 4 -13.70 -51.20 11.46 水下C35 19.35 21 1.09 37.50 110 9月23-23日补1#2#-d800 -13.50 33.05 33.25 -1.45 22.50 10.35 10.16 4 -13.50 -34.50 10.35 水下C35 10.50 12 1.14 37.50施工单位检查结果检查结果:监理单位验收结果验收结论:施工员:质检员:技术负责人:监理工程师:钻孔灌注桩施工记录汇总表表D2-3-3工程名称淮矿办公中心地基处理工程施工单位青海省地质基础处理工程施工总公司监理单位江苏建科建设监理有限公司序号施工日期桩号钻机号设计桩径(mm)桩顶标高(m)孔深(m) 地面标高(m)实际桩长(m)空孔(m ) 孔底沉渣(mm)笼顶标高(m)笼底标高(m)吊筋长度(m)混凝土强度混凝土方量(m3) 充盈系数有效桩长(m)备注设计实际设计实际理论实际111 9月23-24日524# 4# d800 -13.90 49.91 50.10 -1.49 38.76 11.21 11.00 5 -13.90 -51.40 11.21 水下C35 19.35 24 1.13 37.50 112 9月23-24日485#1#d800 -15.90 51.70 52.00 -1.70 38.70 13.56 13.23 4 -15.90 -53.4 13.56 水下C35 19.35 20 1.08 37.50 113 9月23-24日539#3#d800 -13.90 49.90 50.10 -1.50 38.75 11.76 11.34 5 -13.90 -51.40 11.76 水下C35 19.35 20 1.08 37.50114 9月23-24日490#5#-d800 -13.90 49.79 50.00 -1.61 38.72 11.65 11.28 5 -13.90 -51.40 11.65 水下C35 19.35 20 1.09 37.50115 9月24-25日516#4#-d800 -13.70 49.67 49.90 -1.53 38.80 11.53 11.29 5 -13.70 -50.60 11.53 水下C35 19.35 20 1.08 37.50 116 9月23-24日445#2#d800 -13.50 49.58 49.78 -1.42 38.86 10.88 10.55 5 -13.50 -51.00 10.88 水下C35 19.35 20 1.08 37.50 117 9月24-24日481#1#-d800 -15.90 51.81 52.00 -1.59 38.79 13.67 13.42 3 -15.90 -53.40 13.67 水下C35 19.35 21 1.09 37.50 118 9月24-25日483#1#d800 -15.90 51.80 52.00 -1.60 38.84 13.66 13.37 5 -15.90 -53.40 13.66 水下C35 19.25 20 1.10 37.50 119 9月24-25日522#2#d800 -13.90 50.00 50.20 -1.60 39.00 10.10 9.73 5 -13.90 -51.40 10.10 水下C35 19.35 20 1.09 37.50 120 9月25-25日533#3#-d800 -13.10 49.50 49.70 -1.46 38.90 10.44 10.04 4 -13.10 -50.60 10.44 水下C35 19.35 20 1.12 37.50施工单位检查结果检查结果:监理单位验收结果验收结论:施工员:质检员:技术负责人:监理工程师:钻孔灌注桩施工记录汇总表表D2-3-3工程名称淮矿办公中心地基处理工程施工单位青海省地质基础处理工程施工总公司监理单位江苏建科建设监理有限公司序号施工日期桩号钻机号设计桩径(mm)桩顶标高(m)孔深(m) 地面标高(m)实际桩长(m)空孔(m ) 孔底沉渣(mm)笼顶标高(m)笼底标高(m)吊筋长度(m)混凝土强度混凝土方量(m3) 充盈系数有效桩长(m)备注设计实际设计实际理论实际121 9月25-25日486# 1# d800 -15.90 51.80 52.00 -1.60 38.70 13.66 13.36 3 -15.90 -53.40 13.66 水下C35 19.35 21 1.09 37.50 122 9月25-26日510#4#d800 -13.70 49.61 49.81 -1.59 38.80 11.47 11.15 5 -13.70 -51.20 11.47 水下C35 19.35 21 1.09 37.50 123 9月25-25日513#4#d800 -13.70 49.70 49.90 -1.50 38.85 11.56 11.23 5 -13.70 -51.20 11.56 水下C35 19.35 20 1.08 37.50124 9月24-25日489#5#-d800 -13.90 49.88 50.08 -1.52 39.50 11.74 11.28 3 -13.90 -51.40 11.74 水下C35 19.35 22 1.09 37.50125 9月25-26日482#1#-d800 -15.90 51.80 52.00 -1.60 38.80 13.66 13.31 5 -15.90 -53.40 13.66 水下C35 19.35 20 1.08 37.50 126 9月25-26日538#6#d800 -13.90 49.93 50.13 -1.47 38.94 11.79 11.19 5 -13.90 -51.40 11.79 水下C35 19.35 20 1.09 37.50 127 9月26-26日508#4#-d800 -13.70 49.70 49.90 -1.50 39.50 11.56 11.22 4 -13.70 -51.20 11.56 水下C35 19.35 20 1.10 37.50 128 9月26-26日491#5#d800 -13.90 49.88 50.08 -1.52 39.00 11.74 11.24 5 -13.90 -51.40 11.74 水下C35 19.35 21 1.09 37.50 129 9月26-26日511#4#d800 -13.70 49.67 49.87 -1.53 38.86 11.59 11.29 3 -13.70 -51.20 11.53 水下C35 19.35 21 1.09 37.50 130 9月26-27日484#1#-d800 -15.90 51.75 51.95 -1.65 38.90 13.61 13.19 4 -15.90 -53.40 13.61 水下C35 19.35 20 1.10 37.50施工单位检查结果检查结果:监理单位验收结果验收结论:施工员:质检员:技术负责人:监理工程师:钻孔灌注桩施工记录汇总表表D2-3-3工程名称淮矿办公中心地基处理工程施工单位青海省地质基础处理工程施工总公司监理单位江苏建科建设监理有限公司序号施工日期桩号钻机号设计桩径(mm)桩顶标高(m)孔深(m) 地面标高(m)实际桩长(m)空孔(m ) 孔底沉渣(mm)笼顶标高(m)笼底标高(m)吊筋长度(m)混凝土强度混凝土方量(m3) 充盈系数有效桩长(m)备注设计实际设计实际理论实际131 9月26-27日523# 2# d800 -13.90 49.90 50.00 -1.50 38.70 10.20 9.73 3 -13.90 -51.40 10.20 水下C35 19.35 20 1.13 37.50 132 9月25-26日248#3#d800 -13.10 49.00 49.20 -1.60 38.50 10.30 10.00 3 -13.10 -50.60 10.30 水下C35 19.35 20 1.08 37.50 133 9月26-27日504#4#d800 -13.70 49.70 49.90 -1.50 38.90 11.56 11.19 4 -13.70 -51.20 11.56 水下C35 19.35 20 1.08 37.50134 9月26-27日475#1#-d800 -15.90 51.80 52.00 -1.60 38.86 13.66 13.27 3 -15.90 -53.40 13.66 水下C35 19.35 20 1.09 37.50135 9月27-28日512#4#-d800 -13.70 49.67 49.87 -1.53 38.90 11.53 11.25 4 -13.70 -51.20 11.53 水下C35 19.35 21 1.09 37.50 136 9月27-28日190#3#d800 -13.10 49.00 49.20 -1.60 39.00 10.30 10.00 3 -13.10 -50.60 10.30 水下C35 19.35 20 1.10 37.50 137 9月26-27日447#6#-d800 -13.50 49.55 49.75 -1.45 39.50 10.55 10.32 3 -13.50 -51.00 10.55 水下C35 19.35 21 1.09 37.50 138 9月26-27日536#2#d800 -13.90 49.88 50.00 -1.52 39.49 11.74 11.47 2 -13.90 -51.40 11.74 水下C35 19.35 20 1.08 37.50 139 9月27-28日403#5#d800 -13.10 49.08 49.28 -1.52 39.45 10.38 10.25 4 -13.10 -50.60 10.38 水下C35 19.35 21 1.09 37.50 140 9月27-28日480#1#-d800 -15.90 51.80 52.00 -1.60 39.50 13.60 13.26 4 -15.90 -53.40 13.60 水下C35 19.35 20 1.10 37.50施工单位检查结果检查结果:监理单位验收结果验收结论:施工员:质检员:技术负责人:监理工程师:钻孔灌注桩施工记录汇总表表D2-3-3工程名称淮矿办公中心地基处理工程施工单位青海省地质基础处理工程施工总公司监理单位江苏建科建设监理有限公司序号施工日期桩号钻机号设计桩径(mm)桩顶标高(m)孔深(m) 地面标高(m)实际桩长(m)空孔(m ) 孔底沉渣(mm)笼顶标高(m)笼底标高(m)吊筋长度(m)混凝土强度混凝土方量(m3) 充盈系数有效桩长(m)备注设计实际设计实际理论实际141 9月28-29日431# 4# d800 -15.90 51.84 52.00 -1.56 39.45 13.70 13.27 3 -15.90 -53.40 13.70 水下C35 19.35 21 1.09 37.50 142 9月27-28日435#4#d800 -15.90 51.90 52.10 -1.50 39.50 13.76 13.35 4 -15.90 -53.40 13.76 水下C35 19.35 20 1.08 37.50 143 9月27-28日488#5#d800 -13.90 49.92 50.10 -1.48 38.90 11.78 11.36 3 -13.90 -51.40 11.78 水下C35 19.35 21 1.09 37.50144 9月28-29日477#1#-d800 -15.90 51.80 52.00 -1.60 38.90 13.66 13.29 3 -15.90 -53.40 13.66 水下C35 19.35 21 1.09 37.50145 9月28-29日537#2#-d800 -13.90 49.90 50.10 -1.50 39.20 11.76 11.43 4 -13.70 -51.40 11.76 水下C35 19.35 21 1.09 37.50 146 9月27-28日521#6#d800 -13.90 49.90 50.10 -1.50 39.38 11.76 11.55 3 -13.90 -51.40 11.76 水下C35 19.35 21 1.09 37.50 147 9月28-29日479#1#-d800 -15.90 51.80 52.00 -1.60 39.38 13.66 13.28 4 -15.90 -53.40 13.66 水下C35 19.35 20 1.13 37.50 148 9月29-29日402#5#d800 -13.10 49.10 49.30 -1.50 38.98 11.36 11.05 2 -13.10 -50.60 11.36 水下C35 19.35 21 1.09 37.50 149 9月29-30日189#3#d800 -13.10 49.00 49.20 -1.60 38.80 10.30 10.00 4 -13.10 -50.60 10.30 水下C35 19.35 21 1.09 37.50 150 9月29-30日476#1#-d800 -15.90 51.76 51.96 -1.64 39.50 13.62 13.32 3 -15.90 -53.40 13.62 水下C35 19.35 21 1.09 37.50施工单位检查结果检查结果:监理单位验收结果验收结论:施工员:质检员:技术负责人:监理工程师:钻孔灌注桩施工记录汇总表表D2-3-3工程名称淮矿办公中心地基处理工程施工单位青海省地质基础处理工程施工总公司监理单位江苏建科建设监理有限公司序号施工日期桩号钻机号设计桩径(mm)桩顶标高(m)孔深(m) 地面标高(m)实际桩长(m)空孔(m ) 孔底沉渣(mm)笼顶标高(m)笼底标高(m)吊筋长度(m)混凝土强度混凝土方量(m3) 充盈系数有效桩长(m)备注设计实际设计实际理论实际151 9月29-30日507# 4# d800 -13.90 49.70 49.90 -1.50 39.50 11.56 11.31 4 -13.70 -51.20 11.56 水下C35 19.35 21 1.09 37.50 152 9月29-30日505#4#d800 -13.70 49.75 49.95 -1.45 38.92 11.61 11.24 4 -13.70 -51.20 11.61 水下C35 19.35 20 1.10 37.50 153 9月29-30日478#1#d800 -15.90 51.80 52.00 -1.60 39.40 13.66 13.20 4 -15.90 -53.40 13.66 水下C35 19.35 20 1.10 37.50154 9月30-30日191#3#-d800 -13.90 49.80 50.00 -1.60 38.30 11.66 11.30 2 -13.90 -51.40 11.66 水下C35 19.35 21 1.09 37.50155 10月1-1日449#6#-d800 -13.10 49.12 49.32 -1.48 38.80 10.42 10.00 4 -13.10 -50.60 10.42 水下C35 19.35 21 1.09 37.50 156 10月1-1日469#1#d800 -15.90 51.80 52.00 -1.60 39.20 13.66 13.26 4 -15.90 -53.40 13.66 水下C35 19.35 21 1.09 37.50 157 10月1-1日425#4#-d800 -13.90 51.84 52.00 -1.48 38.80 13.70 13.30 4 -13.90 -51.40 13.70 水下C35 19.35 20 1.12 37.50 158 10月1-1日487#5#d800 -13.90 49.92 50.12 -1.48 39.30 11.78 11.30 4 -13.90 -51.40 11.78 水下C35 19.35 20 1.08 37.50 159 10月1-2日471#1#d800 -16.70 52.60 52.80 -1.60 38.80 14.46 14.05 3 -14.46 -54.20 14.46 水下C35 19.35 21 1.09 37.50 160 10月2-2日474#1#-d800 -15.90 51.78 51.98 -1.62 39.50 13.64 13.45 2 -15.90 -53.40 13.64 水下C35 19.35 21 1.09 37.50施工单位检查结果检查结果:监理单位验收结果验收结论:施工员:质检员:技术负责人:监理工程师:钻孔灌注桩施工记录汇总表表D2-3-3工程名称淮矿办公中心地基处理工程施工单位青海省地质基础处理工程施工总公司监理单位江苏建科建设监理有限公司序号施工日期桩号钻机号设计桩径(mm)桩顶标高(m)孔深(m) 地面标高(m)实际桩长(m)空孔(m ) 孔底沉渣(mm)笼顶标高(m)笼底标高(m)吊筋长度(m)混凝土强度混凝土方量(m3) 充盈系数有效桩长(m)备注设计实际设计实际理论实际161 10月1-2日535# 1# d800 -13.90 50.10 50.30 -1.39 39.50 11.80 11.28 5 -13.90 -51.40 11.80 水下C35 19.35 21 1.09 37.50 162 10月1-1日506#4#d800 -13.70 49.84 50.00 -1.36 39.50 11.70 11.30 5 -13.70 -51.20 11.70 水下C35 19.35 21 1.09 37.50 163 10月1-2日432#4#d800 -15.90 52.00 52.20 -1.40 38.70 13.86 13.24 4 -15.90 -53.40 13.86 水下C35 19.35 20 1.12 37.50 164 10月1-2日446#5#-d800 -13.50 49.53 49.73 -1.47 38.75 10.33 10.00 4 -13.50 -51.00 10.33 水下C35 19.35 20 1.13 37.50 165 10月1-2日448#6#-d800 -13.10 49.07 49.27 -1.53 38.78 10.37 10.12 4 -13.10 -50.10 10.37 水下C35 19.35 20 1.12 37.50 166 10月1-2日194#3#d800 -13.90 49.82 50.00 -1.58 38.80 11.68 11.32 5 -13.90 -51.40 11.68 水下C35 19.35 20 1.10 37.50 167 9月28-1日442#2#-d800 -13.90 49.90 50.00 -1.50 38.85 10.76 10.68 4 -13.90 -51.40 10.76 水下C35 19.35 20 1.09 37.50 168 10月2-3日434#4#d800 -15.90 52.00 52.20 -1.40 38.83 13.86 13.63 3 -15.90 -53.40 13.86 水下C35 19.35 20 1.10 37.50 169 10月2-3日440#5#d800 -13.10 49.93 50.20 -1.47 38.82 11.79 11.24 4 -13.90 -51.40 11.79 水下C35 19.35 21 1.09 37.50 170 10月2-2日399#2#-d800 -13.90 49.83 50.00 -1.57 38.90 11.69 11.18 3 -13.90 -51.40 11.69 水下C35 19.35 21 1.09 37.50施工单位检查结果检查结果:监理单位验收结果验收结论:施工员:质检员:技术负责人:监理工程师:钻孔灌注桩施工记录汇总表表D2-3-3工程名称淮矿办公中心地基处理工程施工单位青海省地质基础处理工程施工总公司监理单位江苏建科建设监理有限公司序号施工日期桩号钻机号设计桩径(mm)桩顶标高(m)孔深(m) 地面标高(m)实际桩长(m)空孔(m ) 孔底沉渣(mm)笼顶标高(m)笼底标高(m)吊筋长度(m)混凝土强度混凝土方量(m3) 充盈系数有效桩长(m)备注设计实际设计实际理论实际171 10月2-3日473# 1# d800 -16.70 52.60 52.80 -1.60 38.70 14.46 14.02 3 -16.70 -54.20 14.46 水下C35 19.35 21 1.09 37.50 172 10月2-3日456#6#d800 -13.90 49.73 49.93 -1.67 38.75 11.59 11.35 5 -13.90 -51.40 11.59 水下C35 19.35 20 1.10 37.50 173 10月2-3日426#4#d800 -15.90 51.88 52.00 -1.52 38.93 14.38 14.25 3 -15.90 -53.40 14.38 水下C35 19.35 20 1.10 37.50 174 10月2-3日470#1#-d800 -15.90 51.79 52.00 -1.61 38.70 13.65 13.29 4 -15.90 -53.40 13.65 水下C35 19.35 20 1.09 37.50 175 10月3-3日400#2#-d800 -13.90 49.80 50.00 -1.60 38.86 11.66 11.42 3 -13.90 -51.40 11.66 水下C35 19.35 21 1.09 37.50 176 10月3-4日250#3#d800 -13.90 49.80 50.00 -1.60 39.00 11.66 11.50 2 -13.90 -51.40 11.66 水下C35 19.35 21 1.09 37.50 177 10月3-4日472#1#-d800 -16.90 52.58 52.78 -1.62 38.76 14.44 14.00 5 -16.90 -54.20 14.44 水下C35 19.35 21 1.09 37.50 178 10月3-4日433#4#d800 -15.90 51.88 52.00 -1.52 38.90 13.74 13.39 5 -15.90 -53.40 13.74 水下C35 19.35 20 1.10 37.50 179 10月3-4日441#5#d800 -13.90 49.90 50.00 -1.50 38.76 11.76 11.27 5 -13.90 -51.40 11.76 水下C35 19.35 21 1.09 37.50 180 10月3-4日437#5#-d800 -13.90 49.90 50.00 -1.50 38.93 11.76 11.46 4 -13.590 -51.40 11.76 水下C35 19.35 20 1.10 37.50施工单位检查结果检查结果:监理单位验收结果验收结论:施工员:质检员:技术负责人:监理工程师:。
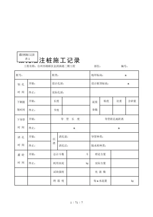
注桩施工记录
工程名称:台州市路桥区金清渔港二期工程部位:编号:
施工单位:中国水利水电第十二工程局有限公司
记录人: 记录日期:
钻孔灌注桩钻孔记录表
施工单位:中国水利水电第十二工程局有限公司
施工负责人: 记录人: 记录日期:
钻孔灌注桩终孔验收单
工程名称:台州市路桥区金清渔港二期工程灌注桩类型:
桩位编号:中心桩号:
开孔日期:年月日终孔验收日期:年月日
编号:
钻孔桩钢筋工程检验表
施工单位:中国水利水电第十二工程局有限公司
初检负责人: 复检负责人: 终检负责人:
检验日期:
5 / 75 / 7
水下混凝土施工记录表
工程名称:台州市路桥区金清渔港二期工程桩号:天气温度
孔底标高:导管离开孔底(m)孔深节数
砼浇注时间:年月日时分至月日时分砼标号:
编号:
施工单位:中国水利水电第十二工程局有限公司
施工负责人: 记录人: 记录日期:。
钻孔注浆记录表
施工单位:河南省路桥建设集团有限公司合同号:LSTZ标监理单位:河南省宏力工程咨询有限公司编号:
技术负责人:编制:复核:监理工程师:
注浆成果记录表
施工单位:河南省路桥建设集团有限公司合同号:LSTZ标施工日期:监理单位:河南省宏力工程咨询有限公司钻孔孔号:编号:
工地负责人::资料整理:复核:监理工程师:
施工单位:河南省路桥建设集团有限公司合同号:LSTZ标注浆日期:监理单位:河南省宏力工程咨询有限公司钻孔孔号:编号:
工地负责人::资料整理:复核:监理工程师:
施工单位:河南省路桥建设集团有限公司合同号:LSTZ标日期:
监理单位:河南省宏力工程咨询有限公司孔号:编号:
检测:记录:试验员:技术负责人:质检负责人:
注浆完工统计表
施工单位:河南省路桥建设集团有限公司合同号:LSTZ标
监理单位:河南省宏力工程咨询有限公司编号:
技术负责人:编制:复核:监理工程师:
注浆进料、用料统计表
施工单位:河南省路桥建设集团有限公司合同号:LSTZ标
监理单位:河南省宏力工程咨询有限公司编号:
记录人:审核:日期:。