静力受压弹性模量试验记录
- 格式:doc
- 大小:88.00 KB
- 文档页数:2
1.适用范围、检验参数及技术标准1.1适用范围普通混凝土、轻骨料混凝土1.2检验参数混凝土静力受压弹性模量1.3技术标准GB/T 50081-2002 《普通混凝土力学性能试验方法》2.检测环境1.1 实验室制作混凝土试件及静置时间,温度应保持在20℃±5℃。
1.2 混凝土力学性能试件标准养护条件:温度20℃±2℃,相对湿度95%以上。
1.3 混凝土抗压、混凝土抗折试验环境温度:10℃~35℃。
3.检测设备压力试验机(DY2008型),量程为0.2000KN,最小分度值为±1%。
微变型测量仪(),最小分度值0.001mm。
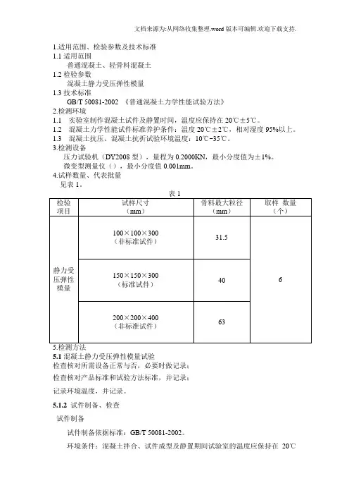
4.试样数量、代表批量见表1。
表1检验项目试样尺寸(mm)骨料最大粒径(mm)取样数量(个)静力受压弹性模量100×100×300(非标准试件)31.56 150×150×300(标准试件)40200×200×400(非标准试件)635.检测方法5.1混凝土静力受压弹性模量试验5.1.1设备、标准、环境检查检查核对所需设备正常与否,必要时做记录;检查核对产品标准和试验方法标准,并记录;记录环境温度,并记录。
5.1.2试件制备、检查5.1.2.1试件制备试件制备依据标准:GB/T 50081-2002。
环境条件:混凝土拌合、试件成型及静置期间试验室的温度应保持在20℃±5℃。
试件制备的细节,注意事项:a.混凝土力学性能试验应以三个试件为一组,每组试件所用的拌合物应从同一盘混凝土中取样。
b.成型前,应检查试模尺寸并符合GB/T 50081-2002中的技术要求的规定;试模内表面应涂一薄层矿物油或其他不与混凝土发生反应的脱模剂。
c.在实验室拌制混凝土时,其材料用量应以质量计,称量的精度:水泥、掺和料、水和外加剂为±0.5%;骨料为±0.1%。
d.取样或实验室拌制的混凝土应在拌制后尽短的时间内成型,一般不宜超过15min。
弹性模量实验报告实验概述弹性模量是材料力学中的一个重要指标,用于描述材料在受力时所表现出的弹性变形能力。
本次实验旨在通过测量实验材料在受压力时的弹性变形程度,来计算其弹性模量。
实验器材和材料本次实验所使用的器材有压力计、尺子、材料试样和载荷机器等。
实验步骤1. 将试样材料放置在载荷机器上,并较为平稳地施加一定的压力;2. 记录当前压力值,并使用尺子测量试样在压力下的长度;3. 持续施加压力,每隔一段时间重复测量当前压力值和试样长度;4. 记录试样在不同压力下的长度变化情况。
实验结果和分析通过实验数据的处理,我们得出了试样在受压力时的长度变化表格。
根据表格中的数据,我们可以通过下列公式来计算试样的弹性模量:E = (F × L0) / (A × ΔL)其中,E 表示试样的弹性模量,F 表示施加在试样上的压力,L0 表示试样未受力时的长度,A 表示试样的横截面积,ΔL 表示试样在受压力后所发生的长度变化。
通过计算我们得出了试样的弹性模量,当然在实际应用中,也可根据需要计算所需弹性模量的具体数值。
实验结果的精确性和可靠性是本次实验的关键之一。
因此,在实验过程中需要我们注意以下事项:1. 测量试样长度时,需要使用比较准确的尺子,并在读数时尽量避免视觉偏差;2. 在施加压力时,我们需要确保载荷机器施加的压力均匀且稳定,以减少试样发生过度变形或破坏的可能性;3. 在实验数据处理时,需要对数据进行有效分类和筛选,以排除一些异常值或错误数据对试样弹性模量计算的影响。
总结通过本次实验,我们了解了弹性模量的概念和计算方法,并通过实验得到了试样的弹性模量数据。
这对于我们在工程技术和科学研究中的材料选择和设计等方面,都有着很重要的指导和参考作用。
同时,我们也需要在实践中不断提高实验方法和数据处理的准确性和可靠性,从而更好地发挥实验的价值和意义。
1.适用范围、检验参数及技术标准1.1适用范围普通混凝土、轻骨料混凝土1.2检验参数混凝土静力受压弹性模量1.3技术标准GB/T 50081-2002 《普通混凝土力学性能试验方法》2.检测环境1.1 实验室制作混凝土试件及静置时间,温度应保持在20℃±5℃。
1.2 混凝土力学性能试件标准养护条件:温度20℃±2℃,相对湿度95%以上。
1.3 混凝土抗压、混凝土抗折试验环境温度:10℃~35℃。
3.检测设备压力试验机(DY2008型),量程为0.2000KN,最小分度值为±1%。
微变型测量仪(),最小分度值0.001mm。
4.试样数量、代表批量见表1。
5.1混凝土静力受压弹性模量试验检查核对所需设备正常与否,必要时做记录;检查核对产品标准和试验方法标准,并记录;记录环境温度,并记录。
5.1.2试件制备、检查试件制备试件制备依据标准:GB/T 50081-2002。
环境条件:混凝土拌合、试件成型及静置期间试验室的温度应保持在20℃±5℃。
试件制备的细节,注意事项:a.混凝土力学性能试验应以三个试件为一组,每组试件所用的拌合物应从同一盘混凝土中取样。
b.成型前,应检查试模尺寸并符合GB/T 50081-2002中的技术要求的规定;试模内表面应涂一薄层矿物油或其他不与混凝土发生反应的脱模剂。
c.在实验室拌制混凝土时,其材料用量应以质量计,称量的精度:水泥、掺和料、水和外加剂为±0.5%;骨料为±0.1%。
d.取样或实验室拌制的混凝土应在拌制后尽短的时间内成型,一般不宜超过15min。
e.根据混凝土拌合物的稠度确定混凝土成型方法,坍落度不大于70mm的混凝土宜用振动振实;大于70mm的宜用捣棒人工捣实;检验现浇混凝土或预制构件的混凝土,试件成型方法宜与实际采用的方法相同。
f.取样或拌制好的混凝土拌合物应至少用铁锹再来回拌合三次。
g.按,选择成型方法成型。
静态拉伸法测弹性模量实验报告弹性模量(亦称杨氏模量)是固体材料的一个重要物理参数,它标志着材料对于拉伸或压缩形变的抵抗能力。
作为测定金属材料弹性模量的一个传统方法,静态拉伸法在一起合理配置、误差分析和长度的放大测量等方面有着普遍意义,但这种方法拉伸试验荷载大,加载速度慢,存在弛豫过程,对于脆性材料和不同温度条件下的测量难以实现。
实验原理及仪器胡克定律指出,对于有拉伸压缩形变的弹性形体,在弹性范围内,应力F 与应变L∆成正比,即式中比例系数E 称为材料的弹性模量,它是描写材料自身弹性的物理量.改写上式则有、(1)可见,只要测量外力F 、材料(本实验用金属丝)的长度L 和截面积S ,以及金属丝的长度变化量L ∆,就可以计算出弹性模量E 。
其中,F 、S 和L 都是比较容易测得的,唯有L ∆很小,用一般的量具不易准确测量。
本实验采用光杠杆镜尺组进行长度微小变化量的测量,这是一种非接触式的长度放大测量的方法。
本实验采用的主要实验仪器有: 弹性模量仪(如图1)、光杠杆镜尺组(如图2)、螺旋测微器、米尺、砝码等。
图1 弹性模量测量装置图2 光杠杆 图3 光杠杆放大原理仪器调节好后,金属丝未伸长前,在望远镜中可看到由平面镜反射的标尺的像,将望远镜的细叉丝对准标尺的刻度,读出读数为R 0;将砝码加在砝码托上后,金属丝被拉长,光杠杆镜面向后倾斜了α角.根据光的反射定律可知,此时在望远镜中细叉丝对准的是镜面反射后的标尺上的刻度R 1,其对应的入射光和反射光的夹角为2α。
设N=R 1-R 2,K 为光杠杆的前后足之间的垂直距离,D 为光杠杆镜面到标尺之间的距离,考虑到,角很小,所以有可得∆ (2)将式(2)代入式(1)即得拉伸法测定金属丝弹性模量的计算公式E (3)式中d 为金属丝的直径.实验步骤1.1 调整弹性模量仪① 调节三脚底座上的调节螺丝,使立柱铅直。
② 将光杠杆放在平台上,两前足放在平台前面的横槽内,后足放在夹子B 上,注意后足不要与金属丝相碰。
混凝土静力受压弹性模量试验记录1.实验目的:评估混凝土的抗压能力和变形性能,得出混凝土材料的静力受压弹性模量。
2.实验设备:(1)静力试验机(2)直径为200mm、高度为400mm的混凝土试件(3)测量刻度尺(4)各类标准测量仪器3.实验步骤:(1)准备试件:将混凝土试件制备并养护至所需龄期,保证试件质量符合要求。
(2)安装试件:将试件放置在静力试验机上,并调整试件的纵向和横向位置,确保试件垂直加载轴线。
(3)加载试件:根据试件尺寸和试验要求,以增加的荷载逐渐加载试件,每次增加荷载后保持一段时间以使试件稳定。
(4)记录数据:在加载过程中,记录试件的变形情况和荷载大小,可以通过相关测量仪器实时测量试件的应变和变形情况。
(5)荷载卸载:当试件达到要求的最大荷载后,逐渐减小试件上的荷载,直至完全卸载。
(6)数据处理:根据实验记录的数据,计算混凝土试件在不同荷载下的应力和应变,并绘制应力-应变曲线。
4.实验结果和讨论:(1)混凝土试件抗压过程中,应力-应变曲线呈现线性变化,即弹性阶段。
(2)根据应力-应变曲线的斜率,可以计算出混凝土的静力受压弹性模量。
(3)通过多次试验和平均计算,得出混凝土的平均弹性模量,以评估混凝土的抗压能力和变形性能。
5.结论:本次混凝土静力受压弹性模量试验中,得出混凝土的静力受压弹性模量为XXXMPa,说明混凝土在受压状态下具有良好的抗压性能和变形性能。
6.实验总结:(1)本次试验结果可信度较高,得出的混凝土静力受压弹性模量符合要求。
(2)在实验过程中,应注意试件和试验设备的准备和安装,以及数据记录的准确性和完整性,避免对实验结果的影响。
以上是一份关于混凝土静力受压弹性模量试验记录的示例,实验记录应根据具体实验情况进行详细记录和分析。
混凝土静力受压弹性模量试验检验记录混凝土是一种常用的建筑材料,在工程中承受着巨大的压力。
混凝土静力受压弹性模量试验是评价混凝土抗压性能的重要方法之一、下面是一份混凝土静力受压弹性模量试验检验记录,详情如下:一、试验目的:评价混凝土抗压性能,确定混凝土在受压状态下的弹性模量。
二、试验仪器和材料:1.试验设备:混凝土静力试验机、电子测量仪器等;2.试验材料:混凝土试块,标准砂浆,清水。
三、试验方法:1. 准备试块:按照国家标准,将混凝土拌制成规定尺寸的试块,试块尺寸为150mm×150mm×150mm;2.试块质量检验:检验试块尺寸及质量,符合要求的试块进行试验;3.试块养护:将试块放入恒温恒湿室中进行28天养护;4.试验前准备:取出28天养护的试块,放置在相对湿度为60%~70%的环境中保持3天;5.试验操作:(1)清洗试块:使用清水将试块表面清洗干净,并用纸巾将表面水分吸干;(2)清洁模具:将试块用模具夹紧放入静力试验机;(3) 调整试验机:调整试验机的加载速率为0.5MPa/min;(4)开始试验:开始试验,记录试验开始时间和加载试块的力;(5)试验结束:当试块破坏后,停止试验,记录试验结束时间和最大承载力;(6)数据处理:根据试验数据计算出混凝土的静力受压弹性模量。
四、试验结果记录:试验日期:2024年6月1日试验人员:张三试验编号:001试块编号:C30-001试验开始时间:09:00试验结束时间:10:15试块质量:1530g最大承载力:350kN计算弹性模量:变形ε=0.002(取试验过程中应力与应变线性段的斜率)弹性模量E=应力σ/变形ε=15.56MPa/0.002=7780MPa试验结论:根据试验结果,该混凝土试块在受压状态下的弹性模量为7780MPa,符合设计要求。
五、试验结论确认:试验人员签名:_______(张三)试验日期:_______(2024年6月1日)质量控制签名:_______(李四)日期:_______(2024年6月2日)以上是一份混凝土静力受压弹性模量试验检验记录,根据试验结果可以评价混凝土的抗压性能,并进行相应的质量控制。
混凝土静力受压弹性模量试验检测细则1.适用范围、检验参数及技术标准1.1适用范围普通混凝土、轻骨料混凝土1.2检验参数混凝土静力受压弹性模量1.3技术标准GB/T 50081-2002 《普通混凝土力学性能试验方法》2.检测环境1.1 实验室制作混凝土试件及静置时间,温度应保持在20℃±5℃。
1.2 混凝土力学性能试件标准养护条件:温度20℃±2℃,相对湿度95%以上。
1.3 混凝土抗压、混凝土抗折试验环境温度:10℃~35℃。
3.检测设备压力试验机(DY2008型),量程为0.2000KN,最小分度值为±1%。
微变型测量仪(),最小分度值0.001mm。
4.试样数量、代表批量见表1。
表1检验项目试样尺寸(mm)骨料最大粒径(mm)取样数量(个)静力受压弹性模量100×100×300(非标准试件)31.56 150×150×300(标准试件)40200×200×400(非标准试件)635.检测方法5.1混凝土静力受压弹性模量试验5.1.1设备、标准、环境检查检查核对所需设备正常与否,必要时做记录;检查核对产品标准和试验方法标准,并记录;记录环境温度,并记录。
5.1.2试件制备、检查5.1.2.1试件制备试件制备依据标准:GB/T 50081-2002。
环境条件:混凝土拌合、试件成型及静置期间试验室的温度应保持在20℃±5℃。
试件制备的细节,注意事项:a.混凝土力学性能试验应以三个试件为一组,每组试件所用的拌合物应从同一盘混凝土中取样。
b.成型前,应检查试模尺寸并符合GB/T 50081-2002中的技术要求的规定;试模内表面应涂一薄层矿物油或其他不与混凝土发生反应的脱模剂。
c.在实验室拌制混凝土时,其材料用量应以质量计,称量的精度:水泥、掺和料、水和外加剂为±0.5%;骨料为±0.1%。
静态拉伸法测量材料的弹性模量实验日期 2010年11 月 29日实验目的(1)学习拉伸法测材料的弹性模量(2)了解光杠杆的结构原理,掌握使用方法(3)学习使用最小二乘法处理实验数据实验仪器弹性模量仪)(包括尺读望远镜)、千分尺(25mm,0.01mm)、游标卡尺(13cm、0.02mm)、钢卷(3m、1mm)、砝码(500g,8个)、钢丝实验原理:1测量原理在弹性限度内,应力和相关应变成正比对于长度为L的细长物体,其均截面积为A,沿长度方向寿拉力F时伸长为△L,根据胡克定律有F/A=E*△L/LF/A为作用在单位面积上的力,称为应力;△L/L为单位长度上的形变为应变;比例系数E称为裁量的弹性模量,单位是N/2用光杠杆噶测钢丝伸长量△L的装置原理改变砝码,设两夹头之间钢丝长度变化量为△L,放在园挂R上的脚a也有△L的变化,于是光杆杠上的反射镜改变θ角,设钢丝长度变化前,望远镜中叉丝对准尺上的位置为x0;平面反射镜转动后,根据光的反射定律,镜面转动θ,反射线将转动2θ角,此时望远镜中叉丝将对准新位置x设光杠杆M上的反射镜到尺的距离为D,光杠杆前后支脚间的垂直距离为l,因为θ很小,则2θ=tan2θ=x-x0/D,又θ=△L/L 故△L=l(x-x0)/2D测量出l和D,由望远镜中读出x0和x,即可算出△L从而求出E=2DL/Al*F/(x-x0)由于A=/4*(d为金属丝的直径),F=mg(m为金属丝上所加砝码的质量,g为重力加速度,故而上式应为E=*实验内容与测量(1)调整仪器的装置1)调节反射镜使得米尺的反射像在望远镜中2)从望远镜中观察,调节视度圈看清望远镜中的十字叉丝;调节聚焦手轮直至米尺的像清晰为止砝码钩上加4000g砝码,记下望远镜中读书x7,然后依次减少砝码(每次减少500g),并记下相应的读数x6,x5,……3)用米尺测量L、D的长度4)用千分尺测量钢丝的直径d,在不同位置测量,共测量6次,5)取下光杠杆,让它的三支脚在平铺的白纸上扎三个小孔,用游标、卡尺测出l 的长度钢丝伸长与外力的关系序号砝码/g 望远镜中的读数xi/cm △xi=xi-x0(cm)/cm减重加重平均值1234567钢丝的直径数据表千分尺初读数d0= cm测量次数 1 2 3 4 5 6末读数/cm直径d=-d0//cm。
混凝土静力受压弹性模量试验记录(一)
委托单位 委托编号 工程名称 记录编号 施工部位 试件编号 代表数量 试验日期 仪器设备
及 环境条件 仪器设备名称
型号
管理编号
示值范围
分辨力
温度(℃) 相对湿度(%)
样品状态描述
采用标准
(1) 技术条件
设计强度等级
设计弹性模量(MPa )
理论配合比报告编号
理论配合比
施工配合比
工地拌和方法 工地振捣方法 制件振捣方法 制件时坍落度(mm ) 制件时扩展度(mm ) 制件维勃稠度(s )
制件日期
试件尺寸(mm )
养护方法
(2) 混凝土使用材料情况
材料名称 材料产地
品种规格
报告编号
施工拌和用料量(kg/m 3
)
水泥 掺和料1 掺和料2 细骨料 粗骨料 外加剂1 外加剂2 拌和水
(3) 弹性模量试验前轴心抗压强度试验
试件
编号
试 件尺寸 (m m ) 制件 日期
试验
日期
龄期 (d )
折算 系数
破坏荷载F (N ) 弹性模量试验前
轴心抗压强度 f cp (MPa ) 初始荷载F 0 = (N ) 控制荷载F α = (N )
承压面积A = (mm 2
) 测量标距L = (mm )
单 值 组 值
附注:
试验 计算 复核
表号:铁建试录043
标准代号:Q/CR 9205-2015
混凝土静力受压弹性模量试验记录(二)
委托单位 委托编号 工程名称 记录编号 施工部位 试件编号 代表数量 试验日期
(4)弹性模量试验
试件
序号
加荷 顺序
千分 表号
F 0时变形读
数ε0(mm ) F α时变形读数
ε
α
(mm )
两侧变形平均值 Δn (mm ) 破 坏荷 载F (N )
弹性模量试验
后轴心抗压强
度
f ′cp (MPa ) 弹 性 模 量 E c (MPa )
两侧 平均 两侧 平均
单值
组值 单值 组值
附注:
试验 计算 复核
表号:铁建试录044
标准代号:Q/CR 9205-2015。