化工仪表和自动化第一阶段在线作业
- 格式:doc
- 大小:157.50 KB
- 文档页数:8
第一章自动控制系统基本概念1.什么是化学自动化?它的意义是什么?答:在化工设备上,配备上一些自动化装置,代替操作人员的部分直接劳动,使生产在不同程度上自动地进行,这种用自动化装置来管理化工生产过程的办法,称为化工自动化。
实现化工自动化可以加快生产速度,降低生产成本,提高产品产量和质量,降低劳动强度,保证生产安全,为逐步消除体力劳动和脑力劳动的差异创造条件。
2.化工自动化主要包括哪些内容?答:化工生产过程自动化一般包括自动检测、自动操作、自动保护和自动控制。
3.自动控制系统怎样构成?各组成环节起什么作用?答:自动控制系统主要由两部分组成。
其中一部分是一套完整的控制自动化装置。
对于常规仪器,它包括检测元件、变送器、控制器、执行器等;另一部分是由自动化装置控制的被控对象。
在自动控制系统中,检测元件及变送器用来感受被控变量的变化并将它转换成一种特定的信号(如气压信号或电压、电流信号等)。
控制器将检测元件及变送器送来的测量信号与工艺上需要保持的设定值信号进行比较得出偏差,根据偏差的大小及变化趋势,按预先设计好的控制规律进行运算后,将运算结果用特定的信号(如气压信号或电流信号)发送给执行器,执行器能自动地根据控制器送来的信号值相应地改变流人(或流出)被控变量的物料量或能量,克服扰动的影响,最终实现控制要求。
什么是操纵变量?受控制器操纵的,用以克服干扰的影响,使被控变量保持设定值的物料量或能量。
(或:具体实现控制作用的变量叫做操纵变量)4.闭环控制系统和开环控制系统的区别是什么?答自动控制系统按其基本结构形式可分为闭环自动控制系统和开环自动控制系统。
闭环自动控制是指控制器与被控对象之间具有正向控制和反向连接的自动控制。
如图1-1(a)所示,它是一个闭环自动控制。
在图中,控制器接收检测元件和变送器发送的测量信号,将其与设定值进行比较,得到偏差信号,然后根据偏差的大小和方向调整蒸汽阀的开度,改变蒸汽流量,使热料出口温度回到设定值。
国家开放大学《化工仪表及自动化》形考任务1-4参考答案形考任务11.控制系统的反馈信号使得原来信号增强的叫作()。
A.负反馈B.正反馈C.前馈D.回馈2.下面()符号代表调节阀。
A.FVB.FTC.FYD.FE3.在自动控制系统中,随动系统把()的变化作为系统的输入信号。
A.测量值B.给定值C.偏差值D.干扰值4.过渡过程品质指标中,余差表示()。
A.新稳态值与给定值之差B.测量值与给定值之差C.调节参数与被调参数之差D.超调量与给定值之差5.生产过程自动化的核心是()装置。
A.自动检测B.自动保护C.自动执行D.自动调节6.下列压力计中,能测绝对压力且精度最高的是()。
A.弹簧管压力计B.砝码、活塞式压力计C.电容式压力计D.电阻式压力计7.压力表在现场的安装需()。
A.水平B.倾斜C.垂直D.任意角度8.测量氨气的压力表,其弹簧管应用()材料。
A.不锈钢B.钢C.铜D.铁9.霍尔式压力传感器利用霍尔元件将压力所引起的弹性元件()转换为霍尔电势实现压力测量。
A.变形B.弹力C.电势D.位移10.活塞式压力计上的砝码标的是()。
A.质量B.压力值C.千克D.公斤11.仪表的精度级别是指仪表的()。
A.基本误差B.最大误差C.最大引用误差D.基本误差和最大允许值12.若一块压力表量程为0~16MPa,要求测量值的绝对误差小于±0.2MPa,选用()级的仪表。
A.1.0级B.1.5级C.2.0级D.0.5级13.评定仪表品质的主要质量指标是()A.精度B.基本误差C.动态误差D.系统误差14.计算错误所造成的误差是()。
A.随机误差B.系统误差C.疏忽误差D.附加误差15.由于仪表内部元件老化过程引起的误差称为()。
A.疏忽误差B.缓变误差C.随机误差D.系统误差16.自动控制系统方块图由()组成。
A.传递方块B.信号线C.比较点D.分支点17.下列过程中()属于典型过渡过程的基本形式。
A.发散振荡过程B.等幅振荡过程C.随机振荡过程D.非周期衰减过程18.按误差产生的原因以及误差的性质,误差分为()。
《化工仪表及自动化》在线作业单回路定值调节系统的静态是指()。
A:调节阀开度为零,调节器偏差为零B:调节器偏差为恒定值,调节阀开度不为恒定值C:调节器偏差为零,调节阀开度为50%恒定D:调节器偏差为零,调节阀开度稳定正确选项:D下面的()不属于定期排污的仪表。
A:控制器B:差压变送器C:压力变送器D:浮筒液位计正确选项:A在自控系统中,确定调节器、调节阀、被控对象的正、反作用方向必须按步骤进行,其先后排列次序为()。
A:调节器、调节阀、被控对象B:调节阀、被控对象、调节器C:被控对象、调节器、调节阀D:被控对象、调节阀、调节器正确选项:D控制对象的干扰通道的动态特性对过渡过程的影响是:干扰通道的纯滞后对调节质量( )A:影响大B:影响小C:无影响D:无法得知正确选项:C()不是信号报警和联锁保护系统的组成之一。
A:放大元件B:发信元件C:输出元件D:逻辑元件正确选项:A简单控制系统中被控变量的选择有两种途径,其中之一是( )指标控制,以工艺指标(如压力、流量、液位、温度、成分等)为被控变量A:不相关参数B:相关参数C:间接参数D:直接参数正确选项:D在节流装置的流量测量中进行温度、压力等修正是修正()A:疏忽误差B:系统误差C:偶然误差D:附加误差正确选项:B差压式流量计体积流量大小与其所测得差压的关系为()A:平方关系B:平方根关系C:三次方关系D:三次方根关系正确选项:B弹簧管压力表是利用弹簧管产生( )与被测压力相平衡来测量的A:位移B:弹性C:弹力D:其他都不对正确选项:A调节阀的流量随着开度的增大迅速上升,很快地接近最大值的是()。
A:直线流量特性B:等百分比流量特性C:快开流量特性D:抛物线流量特性正确选项:C电磁流量计安装地点要远离一切( ),不能有振动。
A:腐蚀场所B:热源C:磁源D:防爆场所正确选项:C正常情况下,流量仪表的示值应在满量程的1/3以上,其他仪表的示值应在满量程的()之内。
第一章自动控制系统基本概念1.自动控制系统主要由哪些环节构成?各组成环节起什么作用?答:闩动控制系统主要有俩大部分组成 C 一部分是起控制作用的全套自动化装置,包括测量元件及变送器、控制器、执行器。
另一•部分是受自动化装置控制的被控对象。
测量元件及变送器作用是用来感受被控变量的变化并将它转化为一种特定的、统一•的输出信号(如气压信号或电流、电压信号等)0控制器将检测元件及变送等送来的测量信号与工艺I:需要保持的设定值信号进行比较得出偏差,根据偏君的大小及变化趋势,按预先设计好的控制规律进行运算后,将运算结果用特定的信号•发送给执行器,执行器作用是接收控制器送来的控制信号,改变被控介质的流景:,从而将被控变量维持在所要求的数值上或一定的范围内。
2.闭环控制系统与开环控制系统有什么不同?答:闭环自动控制是指控制器与被控对象之间既有顺向控制又有反向联系的自动控制。
开环控制系统是指控制器与被控对象之间只有顺向控制而没有反向联系的自动控制系统。
即操纵变量通过被控对象去影响被控变量,但被控变量并不通过自动控制装置去影响操纵变量。
从信号传递关系上看,未构成闭合P1路。
开环控制系统不能自动地觉察被控变量的变化情况,也不能判断操纵变量的校正作用是否适合实际需要。
而闭环控制系统可以随时了解被控对象的情况,方针对性的根据被控变量的变化情况而改变控制作用的大小和方向。
3.什么是负反馈?负反馈在控制系统中有什么重要意义?答:反馈信号的作用方向与设定信号相反,即偏差信号为两者之差,这种反馈叫做负反馈;意义:当被空变量受到干扰的影响而升高时,只有负反馈才能是反馈信号升高,经过比较到控制器的偏差信号将降低,此时■控制器将发出信号而使控制阀的开度发生变化,变化的方向为负,从而使被空变量下降到给定值,这样就达到了控制的目的。
4.什么是控制系统的静态与动态?为什么说研究系统的动态比研究静态更为重要?答:在自动化领域内,把被控变量不随时间而变化的平衡状态称为控制系统的静态。
第一阶段在线作业单选题(共20道题)收起1、(2、5分) 有些对象在受到阶跃输入作用后,输出量开始变化很慢,后来才逐渐加快,最后又变慢直至逐渐接近稳定值,这种现象叫•A、传递滞后•B、容量滞后•C、大滞后我得答案:B 此题得分:2、5分2、(2、5分)某台测温仪表测温范围为100~600℃,校验该表得到得最大允许误差为+ 3℃,确定该仪表得精度等级•A、0、5•B、0、6•C、1、0我得答案:C此题得分:2、5分3、(2、5分) 气动仪表得信号传输,国际上统一使用( )得模拟气压信号•A、20~100KPa•B、4~20KPa•C、0~10KPa我得答案:A 此题得分:2、5分4、(2、5分)工程上所用得压力指示值多为•A、绝对压力•B、表压•C、负压我得答案:B 此题得分:2、5分5、(2、5分)某合成氨厂合成塔得压力变化范围为11~14MPa,较为平稳,则选择压力测量仪表得上限值为•A、21•B、28•C、30我得答案:A 此题得分:2、5分6、(2、5分)一台精度等级为0、5级,测量范围为600~1200℃得电子电位差计,它得最大允许绝对误差就是•A、0、5℃•B、1、5℃•C、2、5℃我得答案:C 此题得分:2、5分7、(2、5分)应用得最为广泛得节流装置就是•A、孔板•B、喷嘴•C、文丘里管我得答案:A 此题得分:2、5分8、(2、5分) 流过节流装置得流量与节流装置两端得压差得( )成正比•A、平方•B、平方根•C、立方我得答案:B此题得分:2、5分9、(2、5分)用镍铬—铜镍热电偶测温,设备得温度为800℃(对应得分度表热电势为67783μV),自由端得温度为30℃(对应得分度表热电势为1801μV),测得得热电势应为•A、67783•B、65982•C、1801我得答案:B 此题得分:2、5分10、(2、5分) 不与介质接触就可以测量介质液位得测量仪表就是•A、差压式液位计•B、电容式液位计•C、超声波液位计我得答案:A 此题得分:2、5分11、(2、5分)在运行时,系统被控变量得给定值就是不变得自动控制系统称为•A、定值控制系统•B、随动控制系统•C、程序控制系统我得答案:A 此题得分:2、5分12、(2、5分) 属于速度式流量计就是•A、差压流量计•B、电磁流量计•C、漩涡流量计•D、以上三种都就是我得答案:D 此题得分:2、5分13、(2、5分)简单控制系统一般由被控对象、控制器、测量变送器与( )组成•A、执行器•B、调节器•C、变频器我得答案:A 此题得分:2、5分14、(2、5分)根据某换热器温度控制系统在阶跃干扰作用下得过渡过程曲线可知,过渡过程曲线得第一波峰值为20,第二波峰值为5,则该过渡过程得衰减比为•A、3:1•B、4:1•C、5:1我得答案:B此题得分:2、5分15、(2、5分)根据某换热器温度控制系统在阶跃干扰作用下得过渡过程曲线可知,过渡过程曲线得给定值为300℃; 稳态值为305℃,则该过渡过程得余差为•A、5℃•B、10℃•C、15℃我得答案:A此题得分:2、5分16、(2、5分) 在工艺管道及控制流程图中,字母代号LIC中得L表示被测变量就是•A、压力•B、流量•C、液位我得答案:C 此题得分:2、5分17、(2、5分)受控对象控制通道得时滞τ(),则越不利于控制•A、越大•B、越小•C、没有关系我得答案:A此题得分:2、5分18、(2、5分)描述简单对象特性得参数分别有放大系数、时间常数与()•A、调节时间•B、滞后时间•C、振荡频率我得答案:B此题得分:2、5分19、(2、5分)( )数学模型描述得就是对象在输入量改变以后输出量得变化情况•A、静态•B、动态•C、稳态我得答案:B 此题得分:2、5分20、(2、5分)某个工业蒸馏塔得温度就是由流速来调节得,其稳态工作点就是流量=25000lb/h,温度=380℉,在利用阶跃响应曲线法测试对象模型时,流量得阶跃变化为+2500lb/h,稳定后温度为395℉,则该对象得放大系数为•A、0、006℉/(lb/h)•B、0、06℉/(lb/h)•C、0、6℉/(lb/h)我得答案:A 此题得分:2、5分判断题(共20道题)收起21、(2、5分)在利用阶跃响应曲线方法实验确定被控对象数学模型得过程中,需要合理得选择阶跃信号得幅度.•正确•错误我得答案:正确此题得分:2、5分22、(2、5分) 用数学得方法来描述出对象输入量与输出量之间得关系,这种对象特性得数学描述就称为对象得数学模型•正确•错误我得答案:正确此题得分:2、5分23、(2、5分) 两台测量范围不同得仪表,如果绝对误差相同,测量范围大得仪表精度较低•正确•错误我得答案:错误此题得分:2、5分24、(2、5分) DDZ-III型电动单元组合仪表得信号范围就是4~20mA或1~5V•正确•错误我得答案:正确此题得分:2、5分25、(2、5分) 负压(或真空度)等于绝对压力减去大气压力•正确•错误我得答案:错误此题得分:2、5分26、(2、5分)根据“化工自控设计技术规定”,测量稳定压力时,最大工作压力不应超过测量上限值得1/2•正确•错误我得答案:错误此题得分:2、5分27、(2、5分)差压式流量计基于流体流动得节流原理,利用流体流经节流装置所产生得压力差来实现流量测量得仪表•正确•错误我得答案:正确此题得分:2、5分28、(2、5分)腰轮流量计就是一种容积式流量计•正确•错误我得答案:正确此题得分:2、5分29、(2、5分) 容器中液体介质得高低称为液位,固体介质得高低称为料位•正确•错误我得答案:正确此题得分:2、5分30、(2、5分) 在使用补偿导线来延伸热电偶得冷端时,不需要考虑补偿导线得极性•正确•错误我得答案:错误此题得分:2、5分31、(2、5分)用来评价控制系统性能优劣得性能指标包括衰减比、超调量或最大偏差、余差、过渡时间、振荡频率与周期。
(单选题)1: 下列关于压力测量说法错误的是:
A: 所谓压力是指的物理学意义上的压强
B: 压力的检测还可以用于物位和流量的检测
C: 所谓真空度,是指被测压力低于大气压力的差值
D: 压力的国际标准单位为PSI(Pound per Square Inch)
正确答案: D
(单选题)2: 下列哪些指标不是描述准确度的指标?
A: 绝对误差
B: 引用误差
C: 变差
D: 相对误差
正确答案: C
(单选题)3: 关于自动操纵系统,下列说法错误的是:
A: 自动操纵系统需要按照预先规定的步骤进行操作
B: 自动操纵系统包括了自动检测系统
C: 自动操纵系统是为了保持某个参数稳定
正确答案: C
(单选题)4: 红外温度检测仪属于:
A: 接触式测量
B: 非接触式测量
C: 都不属于
正确答案: B
(单选题)5: 下述哪一项不是调节阀的性能指标?
A: 流量系数
B: 可调比
C: 流量特性
D: 阀阻比
正确答案: C
(单选题)6: 当流体流经节流元件时,由于其节流作用,导致流体的:A: 静压能下降,动压能上升
B: 静压能上升,动压能下降
C: 静压能不变,动压能也不变
D: 静压能变化不确定,动压能变化也不确定
正确答案: A
(单选题)7: 关于电气转换器是:
A: 将控制器来的电信号转换为0-100kPa的气信号
B: 将控制器来的电信号转换为20-100kPa的气信号
C: 将控制器来的气信号转换为0-100kPa的气信号。
(单选题)1: 下列为选择性控制系统的是()
A: 开关式选择性控制系统
B: 连续型选择性控制系统
C: 混合型选择性控制系统
D: 其他都是
正确答案: D
(单选题)2: 在精馏塔控制系统中,要控制塔顶馏出物的组分应选择()作为操纵变量。
A: 进料流量
B: 塔顶冷回流流量
C: 塔底再沸器加热蒸汽流量
D: 其他都不对
正确答案: B
(单选题)3: 在逻辑线路中,下面的()不是其执行的功能之一。
A: 启动
B: 检测
C: 保持
D: 停止
正确答案: B
(单选题)4: ( )不是典型过渡过程的基本形式。
A: 发散振荡过程
B: 等幅振荡过程
C: 随机振荡过程
D: 非周期衰减过程
正确答案: C
(单选题)5: 在节流装置的流量测量中进行温度、压力等修正是修正()
A: 疏忽误差
B: 系统误差
C: 偶然误差
D: 附加误差
正确答案: B
(单选题)6: 速度式流量计中,根据“卡曼涡街”现象测量流体流量的仪表为()
A: 电磁流量计
B: 漩涡流量计
C: 超声流量计
D: 叶轮式流量计
正确答案: B
(单选题)7: 下面的()不属于定期排污的仪表。
A: 控制器。
《化工自动化及仪表》课程习题集一、单选题1.利用各种检测仪表对主要工艺参数进行测量、记录或指示的,称为( )。
A.检测系统B.自动检测系统C.自动问答系统D.自动化系统2.测量元件安装位置不当,会产生纯滞后。
它的存在将引起过渡时间( )。
A 减少B 延长C变化D不一定3.在化工行业通常应用的流程图有很多种,下列( )不属于其使用的流程图。
A工艺流程图B能量流程图C工艺管道及控制流程图D现金流量图4.一阶环节的放大系数K是个()参数。
A静态B输出C输入D动态5.方框间用带有( )的线段表示相互间的关系及检测控制信号的流向。
A箭头B液相C汽相D直线6.影响被控变量波动的外来因素,在自动控制中称为( )。
A控制器C对象B操纵变量D干扰作用7.在自动控制系统中,将需要控制其工艺参数的生产设备或机器叫做( )。
A主变量B被控对象或对象C外来干扰D操纵变量8.在化工工艺生产中要求被控变量的给定值不变,就需要采用( )。
A定值控制系统B自动跟踪系统C均匀控制系统D程序控制系统9.在化工生产中以下( )过渡过程是在生产上所不允许的。
A发散振荡过程B等幅振荡过程C非周期衰减过程D衰减振荡过程10.滞后时间是反映对象( )特性的重要参数。
A 动态B 时间C 静态D 滞后11.仪表的灵敏度和灵敏限( )。
A相同B大小一样C等价D不相同12.工业上( )不是常用的热电偶。
A双铂铑热电偶B镍铬一镍铝C银铬一铜银D银铁一康铜13.减小随机误差常用的方法是()。
A空白实验 B对照实验C多次平行实验 D校准仪器14.测试仪表数字显示器的最末位数字间隔所代表的被测参数变化量,指的是仪表的()。
A分辨率B灵敏限C线性度D干扰作用15.化工上的流量大小指的是()。
A体积流量B对象流量C瞬时流量D平均流量16.二次仪表指的是()。
A模拟仪表B数字仪表C 一次仪表D显示仪表17.虚拟显示仪表属于()。
A新型显示仪表B电压型C线性型D模拟型18.信号变换电器在配接热电偶时还有参比端温度的自动()功能。
化工仪表及自动化第一阶段作业1.(2.5分)有些对象在受到阶跃输入作用后,输出量开始变化很慢,后来才逐渐加快,最后又变慢直至逐渐接近稳定值,这种现象叫A、传递滞后B、容量滞后C、大滞后我的答案:B 此题得分:2.5分2.(2.5分)某台测温仪表测温范围为100~600℃,校验该表得到的最大允许误差为+ 3℃,确定该仪表的精度等级A、0.5B、0.6C、1.0我的答案:C 此题得分:2.5分3.(2.5分)气动仪表的信号传输,国际上统一使用()的模拟气压信号A、20~100KPaB、4~20KPaC、0~10KPa我的答案:A 此题得分:2.5分4.(2.5分)工程上所用的压力指示值多为A、绝对压力B、表压C、负压我的答案:B 此题得分:2.5分5.(2.5分)某合成氨厂合成塔的压力变化范围为11~14MPa,较为平稳,则选择压力测量仪表的上限值为A、21B、28C、30我的答案:A 此题得分:2.5分6.(2.5分)一台精度等级为0.5级,测量范围为600~1200℃的电子电位差计,它的最大允许绝对误差是A、0.5℃B、1.5℃C、2.5℃我的答案:C 此题得分:2.5分7.(2.5分)应用的最为广泛的节流装置是A、孔板B、喷嘴C、文丘里管我的答案:A 此题得分:2.5分8.(2.5分)流过节流装置的流量与节流装置两端的压差的()成正比A、平方B、平方根C、立方我的答案:B 此题得分:2.5分9.(2.5分)用镍铬-铜镍热电偶测温,设备的温度为800℃(对应的分度表热电势为67783μV),自由端的温度为30℃(对应的分度表热电势为1801μV),测得的热电势应为A、67783B、65982C、1801我的答案:B 此题得分:2.5分10.(2.5分)不与介质接触就可以测量介质液位的测量仪表是A、差压式液位计B、电容式液位计C、超声波液位计我的答案:C 此题得分:2.5分11.(2.5分)在运行时,系统被控变量的给定值是不变的自动控制系统称为A、定值控制系统B、随动控制系统C、程序控制系统我的答案:A 此题得分:2.5分12.(2.5分)属于速度式流量计是A、差压流量计B、电磁流量计C、漩涡流量计D、以上三种都是我的答案:D 此题得分:2.5分13.(2.5分)简单控制系统一般由被控对象、控制器、测量变送器和()组成A、执行器B、调节器C、变频器我的答案:A 此题得分:2.5分14.(2.5分)根据某换热器温度控制系统在阶跃干扰作用下的过渡过程曲线可知,过渡过程曲线的第一波峰值为20,第二波峰值为5,则该过渡过程的衰减比为A、3:1B、4:1C、5:1我的答案:B 此题得分:2.5分15.(2.5分)根据某换热器温度控制系统在阶跃干扰作用下的过渡过程曲线可知,过渡过程曲线的给定值为300℃;稳态值为305℃,则该过渡过程的余差为A、5℃B、10℃C、15℃我的答案:A 此题得分:2.5分16.(2.5分)在工艺管道及控制流程图中,字母代号LIC中的L表示被测变量是A、压力B、流量C、液位我的答案:C 此题得分:2.5分17.(2.5分)受控对象控制通道的时滞τ(),则越不利于控制A、越大B、越小C、没有关系我的答案:A 此题得分:2.5分18.(2.5分)描述简单对象特性的参数分别有放大系数、时间常数和()A、调节时间B、滞后时间C、振荡频率我的答案:B 此题得分:2.5分19.(2.5分) ( )数学模型描述的是对象在输入量改变以后输出量的变化情况A、静态B、动态C、稳态我的答案:B 此题得分:2.5分20.(2.5分)某个工业蒸馏塔的温度是由流速来调节的,其稳态工作点是流量=25000lb/h,温度=380℉,在利用阶跃响应曲线法测试对象模型时,流量的阶跃变化为+2500lb/h,稳定后温度为395℉,则该对象的放大系数为A、0.006℉/(lb/h)B、0.06℉/(lb/h)C、0.6℉/(lb/h)我的答案:A 此题得分:2.5分判断题 (共20道题)收起21.(2.5分)在利用阶跃响应曲线方法实验确定被控对象数学模型的过程中,需要合理的选择阶跃信号的幅度。
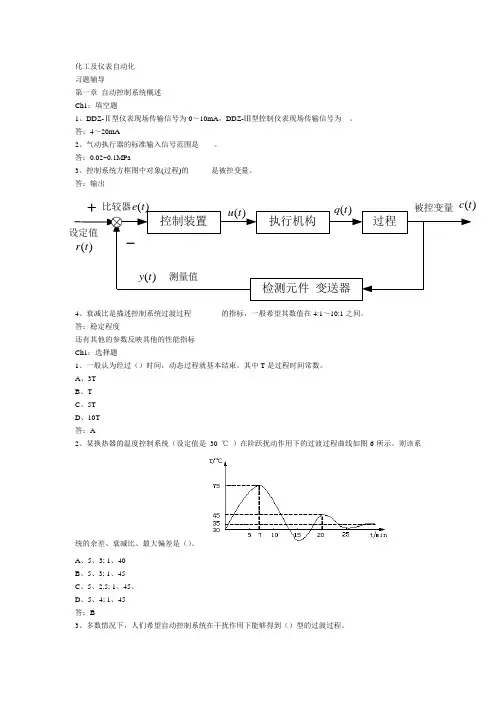
化工及仪表自动化 习题辅导第一章 自动控制系统概述 Ch1:填空题1、DDZ-Ⅱ型仪表现场传输信号为0~10mA ,DDZ-Ⅲ型控制仪表现场传输信号为 。
答:4~20mA2、气动执行器的标准输入信号范围是 。
答:0.02~0.1MPa3、控制系统方框图中对象(过程)的 是被控变量。
答:输出4、衰减比是描述控制系统过渡过程 的指标,一般希望其数值在4:1~10:1之间。
答:稳定程度还有其他的参数反映其他的性能指标 Ch1:选择题1、一般认为经过()时间,动态过程就基本结束。
其中T 是过程时间常数。
A 、3T B 、T C 、5T D 、10T 答:A2、某换热器的温度控制系统(设定值是 30 ℃ )在阶跃扰动作用下的过渡过程曲线如图6所示。
则该系统的余差、衰减比、最大偏差是()。
A 、5、3; 1、40B 、5、3; 1、45C 、5、2.5; 1、45、D 、5、4; 1、45 答:B3、多数情况下,人们希望自动控制系统在干扰作用下能够得到()型的过渡过程。
设定值控制装置执行机构过程检测元件 变送器比较器被控变量测量值+-)(t r )(t e )(t u )(t q )(t c )(t yA、衰减振荡B、非周期振荡C、等幅振荡D、发散振荡答:A4、()存在纯滞后,通常不影响控制质量。
A、调节通道B、测量元件C、变送器D、干扰通道答:D5、某加热炉温度控制系统如下图所示,则该系统的操纵变量是(),被控变量是()A、原料油流量原料油出口温度B、原料油流量燃料量C、燃料量原料油出口温度、D、燃料量原料油流量答:CCh1:判断改错题1、时间常数越小,表示对象受到干扰作用后,到达新稳态值所需的时间越长。
答:错误。
应该是:时间常数越小,表示对象受到干扰作用后,到达新稳态值所需的时间越短。
2、控制系统中,引起被控变量偏离设定值的主要原因是设定值的变化。
答:错误,应该是:设定值的变化和干扰3、控制系统方框图中,方框的输出可以影响输入。
第一章Ex1.化工自动化是化工、炼油、食品、轻工等化工类型生产过程自动化的简称。
在化工设备上,配备上一些自动化装置,代替操作人员的部分直接劳动,使生产在不同程度上自动地进行,这种用自动化装置来管理化工生产过程的办法,称为化工自动化。
实现化工生产过程自动化的意义:(1)加快生产速度,降低生产成本,提高产品产量和质量。
(2)减轻劳动强度,改善劳动条件。
(3)能够保证生产安全,防止事故发生或扩大,达到延长设备使用寿命,提高设备利用能力的目的。
(4)能改变劳动方式,提高工人文化技术水平,为逐步地消灭体力劳动和脑力劳动之间的差别创造条件。
Ex2.化工生产过程自动化,一般包括自动检测、自动保护、自动操纵和自动控制等方面的内容。
Ex3.闭环控制系统是指控制器与被控对象之间既有顺向控制又有反向联系的自动控制。
从信号传递关系上看,构成了一个闭合回路。
开环控制系统是指控制器与被控对象之间只有顺向控制而没有反向联系的自动控制。
从信号传递关系上看,未构成闭合回路。
Ex4.自动控制系统主要由被控对象、测量元件与变送器、控制器和执行器四个环节组成。
Ex7.方块图是用来表示控制系统中各环节之间作用关系的一种图形,由于各个环节在图中都用一个方块表示,故称之为方块图。
Ex8.测量元件与变送器:用来感受被控变量的变化并将它转换成一种特定的信号(如气压信号、电压、电流信号等);控制器:将测量元件与变送器送来的测量信号与工艺上需要保持的给定值信号进行比较得出偏差,根据偏差的大小及变化趋势,按预先设计好的控制规律进行运算后,将运算结果用特定的信号送住执行器。
执行器:能自动地根据控制器送来的信号值相应地改变流入(或流出)被控对象的物料量或能量,从而克服扰动影响,实现控制要求。
Ex9.被控对象:在自动控制系统中,将需要控制其工艺参数的生产设备或机器叫做~。
被控变量:被控对象内要求保持给定值的工艺参数。
给定值:被控变量的预定值。
操纵变量:受控制阀操纵的,用以克服干扰的影响,使被控变量保持给定值的物料量或能量。
一.判断并改错,在题上改即可(√)1.在自动控制系统方快图中,控制阀的输出信号q在任何情况下都是指向被控对象的,且任何一个简单的自动控制系统都是一个闭环系统。
(√)2.控制系统的过渡过程是衡量系统品质的依据。
由于在大多数情况下,都是希望得到衰减震荡过程,所以取衰减震荡过程的过渡过程形式来讨论控制过程的品质指标。
(×)3.变差是指在外界条件不变的情况下,用同一仪表对被测量在仪表一定测量范围内进行正反行程测量时,被测量值正行和反行所得到的两条特性曲线之间的最大偏差。
(×)4.时间常数T可以理解为:当对象受到阶跃输入作用后,被控变量按初始的变化速度达到新的稳态值的63.2%所需的时间。
(√)5.操纵变量的选择一般是在诸多影响被控变量的输入中选择一个对被控变量影响显著而且可控性良好的,作为操纵变量。
()6.对于数字式仪表,分辨力是指数字显示器的最末位数值间隔所代表的被测参数变化量。
(×)7.在固定床反应器中,如反应器内反应温度过高,造成催化剂烧结,则进出口压差增大。
(√)8.目前,我国生产的仪表常用的精确度等级有0.005,0.02,0.05,0.1,0.2,0.4,0.5,1.0,1.5,2.5,4.0等;一般0.05级以上的仪表常用来作为标准表;工业现场用的测量仪表,其精度大多是0.5以下的。
(√)9.随动控制系统的特点是给定值不断地变化,而且这种变化不是预先规定好了的。
(√)10.反应时间就是用来衡量仪表能不能尽快反应出参数变化的品质指标。
二.简述1.在自动控制系统中,执行器起的作用通常指控制阀,它与普通阀门的功能一样,只不过它能自动地根据控制器送来的信号值来改变阀门的开启度。
2.试述差压式液位变送器的工作原理。
差压式液位变送器,是利用容器内的液位改变时,由液柱产生的静压也相应变化的原理而工作的。
3.如何选择控制器的正反作用。
当给定值不变,被控变量测量值增加时,控制器的输出也增加,成为“正作用”方向,或者当测量值不变,给定值减小时,控制器的输出增加的称为“正作用”方向。
第1题在运行时,系统被控变量的给定值是不变的自动控制系统称为
您的答案:A
题目分数:0.5
此题得分:0.5
批注:自动控制系统的基本概念
第2题简单控制系统一般由被控对象、控制器、测量变送器和()组成
您的答案:A
题目分数:0.5
此题得分:0.5
批注:自动控制系统的基本组成
第3题根据某换热器温度控制系统在阶跃干扰作用下的过渡过程曲线可知,过渡过程曲线的第一波峰值为20,第二波峰值为5,则该过渡过程的衰减比为
您的答案:B
题目分数:0.5
此题得分:0.5
批注:自动控制系统的品质指标
第4题根据某换热器温度控制系统在阶跃干扰作用下的过渡过程曲线可知,过渡过程曲线的给定值为300℃;稳态值为305℃,则该过渡过程的余差为
您的答案:A
题目分数:0.5
此题得分:0.5
批注:自动控制系统的品质指标
第5题在工艺管道及控制流程图中,字母代号LIC中的L表示被测变量是
您的答案:C
题目分数:0.5
此题得分:0.5
批注:自动控制系统的方块图
第6题受控对象控制通道的时滞τ(),则越不利于控制
您的答案:A
此题得分:0.5
批注:描述对象特性的参数
第7题描述简单对象特性的参数分别有放大系数、时间常数和()
您的答案:B
题目分数:0.5
此题得分:0.5
批注:描述对象特性的参数
第8题 ( )数学模型描述的是对象在输入量改变以后输出量的变化情况
您的答案:B
题目分数:0.5
此题得分:0.5
批注:对象数学模型的定义
第9题某个工业蒸馏塔的温度是由流速来调节的,其稳态工作点是流量=25000lb/h,温度=380℉,在利用阶跃响应曲线法测试对象模型时,流量的阶跃变化为+2500lb/h,稳定后温度为395℉,则该对象的放大系数为
您的答案:A
题目分数:0.5
此题得分:0.5
批注:对象数学模型的建立
第10题有些对象在受到阶跃输入作用后,输出量开始变化很慢,后来才逐渐加快,最后又变慢直至逐渐接近稳定值,这种现象叫
您的答案:B
题目分数:0.5
此题得分:0.5
批注:描述对象特性的参数
第11题某台测温仪表测温范围为100~600℃,校验该表得到的最大允许误差为+ 3℃,确定该仪表的精度等级
您的答案:C
此题得分:0.5
批注:仪表的性能指标
第12题气动仪表的信号传输,国际上统一使用()的模拟气压信号
您的答案:A
题目分数:0.5
此题得分:0.5
批注:仪表的信号制
第13题工程上所用的压力指示值多为
您的答案:B
题目分数:0.5
此题得分:0.5
批注:压力检测仪表
第14题某合成氨厂合成塔的压力变化范围为
11~14MPa,较为平稳,则选择压力测量仪表的上限值为
您的答案:A
题目分数:0.5
此题得分:0.5
批注:压力计的选用
第15题一台精度等级为0.5级,测量范围为600~1200℃的电子电位差计,它的最大允许绝对误差是
您的答案:C
题目分数:0.5
此题得分:0.5
批注:仪表的性能指标
第16题应用的最为广泛的节流装置是
您的答案:A
题目分数:0.5
此题得分:0.5
批注:节流法流量测量
第17题流过节流装置的流量与节流装置两端的压差的()成正比
您的答案:B
题目分数:0.5
此题得分:0.5
批注:节流原理
第18题用镍铬-铜镍热电偶测温,设备的温度为800℃(对应的分度表热电势为67783μV),自由端的温度为30℃(对应的分度表热电势为1801μV),测得的热电势应为
您的答案:B
题目分数:0.5
此题得分:0.5
批注:热电偶测温原理
第19题不与介质接触就可以测量介质液位的测量仪表是
您的答案:C
题目分数:0.5
此题得分:0.5
批注:液位检测仪表
第20题属于速度式流量计是
您的答案:D
题目分数:0.5
此题得分:0.5
批注:流量检测仪表
第21题用来评价控制系统性能优劣的性能指标包括衰减比、超调量或最大偏差、余差、过渡时间、振荡频率和周期。
您的答案:正确
题目分数:0.5
此题得分:0.5
批注:自动控制系统的品质指标
第22题控制系统的方框图就是指工艺管道及仪表流程图
您的答案:错误
题目分数:0.5
此题得分:0.5
批注:自动控制系统的方块图
第23题受控对象为需要控制其工艺参数的生产设备或机器
您的答案:正确
题目分数:0.5
此题得分:0.5
批注:自动控制系统的基本组成
第24题自动控制系统是被控变量正反馈的闭环系统
您的答案:错误
题目分数:0.5
此题得分:0.5
批注:自动控制系统的基本概念
第25题控制系统方块图中带箭头的连接线代表代表方块之间的物料联系
您的答案:错误
题目分数:0.5
此题得分:0.5
批注:自动控制系统的方块图
第26题有的对象,输入作用发生变化后,被控变量不能立即而迅速地变化,这种现象称为滞后现象
您的答案:正确
题目分数:0.5
此题得分:0.5
批注:描述对象特性的参数
第27题对于有自衡的单容过程,稳态增益K指对象重新稳定后输入变化量与输出变化量的比值
您的答案:错误
题目分数:0.5
此题得分:0.5
批注:描述对象特性的参数
第28题时间常数越大,则受控对象受到干扰作用后,被控变量变化得越快,达到新的稳定值的速度越快
您的答案:错误
题目分数:0.5
此题得分:0.5
批注:描述对象特性的参数
第29题有些对象在受到阶跃输入作用后,输出量开始变化很慢,后来才逐渐加快,最后又变慢直至逐渐接近稳定值,这种现象叫纯滞后
您的答案:错误
题目分数:0.5
此题得分:0.5
批注:描述对象特性的参数
第30题在利用阶跃响应曲线方法实验确定被控对象
数学模型的过程中,需要合理的选择阶跃信号的幅度。
您的答案:正确
题目分数:0.5
此题得分:0.5
批注:对象数学模型的建立
第31题用数学的方法来描述出对象输入量与输出量
之间的关系,这种对象特性的数学描述就称为对象的数学模型
您的答案:正确
题目分数:0.5
此题得分:0.5
批注:对象数学模型的定义
第32题两台测量范围不同的仪表,如果绝对误差相同,测量范围大的仪表精度较低
您的答案:错误
题目分数:0.5
此题得分:0.5
批注:仪表的性能指标
第33题 DDZ-III型电动单元组合仪表的信号范围是4~20mA或1~5V
您的答案:正确
题目分数:0.5
此题得分:0.5
批注:仪表的信号制
第34题负压(或真空度)等于绝对压力减去大气压力
您的答案:错误
题目分数:0.5
此题得分:0.5
批注:压力检测仪表
第35题根据“化工自控设计技术规定”,测量稳定压力时,最大工作压力不应超过测量上限值的1/2
您的答案:错误
题目分数:0.5
此题得分:0.5
批注:压力计的选用
第36题差压式流量计基于流体流动的节流原理,利用流体流经节流装置所产生的压力差来实现流量测量的仪表
您的答案:正确
题目分数:0.5
此题得分:0.5
批注:节流原理
第37题腰轮流量计是一种容积式流量计
您的答案:正确
题目分数:0.5
此题得分:0.5
批注:流量检测仪表
第38题容器中液体介质的高低称为液位,固体介质的高低称为料位
您的答案:正确
题目分数:0.5
此题得分:0.5
批注:物位检测仪表
第39题在使用补偿导线来延伸热电偶的冷端时,不需要考虑补偿导线的极性
您的答案:错误
题目分数:0.5
此题得分:0.5
批注:热电偶冷端补偿
第40题目前工业上最常用的热电阻材料是铂和铂铹30
您的答案:错误
题目分数:0.5
此题得分:0.5
批注:热电阻测温基本原理
作业总得分:20.0
作业总批注:。