烧结设备参数
- 格式:doc
- 大小:177.00 KB
- 文档页数:13
烧结机点火炉订货参数
1.主要工艺技术条件:
1.1点火温度:1150℃±50℃
1.2烧结机台车栏板宽:~4.5m (详见台车图纸)
1.3烧结机风箱宽度:4.0m
1.4烧结机有效抽风长度:68m
1.5烧结机栏板高度:0.75m
1.6烧结机料层厚度:0.70~0.75m
1.7烧结机台车速度:0.9~
2.7 m/ min
1.8烧结机设计利用系数:1.3 ~1.45t/(m2·h)
1.9.烧结机主抽风机参数:
风量14000m3/min
风机全压(升)17.50KPa
1.10点火介质:高炉煤气热值:720kcal/ Nm3
1.11煤气压力:6000~7000Pa
2.供货范围:
2.1空气予热炉、点火炉;
2.2炉体上的手动阀门;
2.3予热炉和点火炉用助燃风机(一用一备。
2.4 助燃风机至空气预热炉和点火器之间管道;助燃风机管道切换阀(助燃风机置于0.00平面)。
2.5 煤气放散管道、阀,防爆系统。
热压烧结机参数
热压烧结机的参数通常包括以下几个方面:
1. 压力:热压烧结机需要施加足够的压力,以使原料在高温下形成致密的烧结体。
通常,压力的范围可以从几十兆帕到几百兆帕。
2. 温度:热压烧结机需要提供足够高的温度,以使原料能够烧结成致密的块体。
通常,温度范围可以从数百摄氏度到数千摄氏度。
3. 烧结时间:热压烧结机需要设定适当的烧结时间,以使原料在高温下得到充分的烧结。
烧结时间的长短取决于烧结机型号、原料性质和所需的烧结质量。
4. 烧结厚度:热压烧结机需要调整烧结厚度,以满足具体的需求。
烧结厚度的设定可以影响烧结质量和产量。
5. 烧结气氛:热压烧结机可以在不同的气氛下进行烧结,例如氢气、氮气或惰性气体。
烧结气氛的选择可根据原料的特性和烧结要求进行调整。
这些参数的具体数值将根据烧结机的型号和用途而有所不同。
烧结厂烧结机设备(历史发展概况)1S:DS32m2烧结机2S:DS30m2烧结机3S:DS32m2烧结机4S:DS50m2烧结机5S:32PS—02SJ—5#烧结机6S:32PS—02SJ—6#烧结机155m3×5活性石灰窑烧结厂1#烧结机(DS·32m2)烧结厂1#烧结机原为DS15 m2烧结机,现为DS32m2烧结机。
1、原1#·DS15 m2烧结机,是冶金工业部西安有色冶金设计院1986年元月份设计的,航天工业部西安7422工厂制造的,中国有色二建八公司土建施工,设备安装,非标制订,于1988年8月1日投入生产运行,经过14年8个月8天生产运行,于2002年6月9日停止运行生产,为烧结厂立下汗马功劳。
2、 2002年7月1日设备易地技术改造,在原DS15 m2烧结机基础上进行建设改造的,设计能力35—40万t/a,从2002年8月1日破土动工,同年12月5日投产运行,工程总投资2117.39万元,其中建筑工程345.14万元,设备购置安装1664.44万元,其他107.81万元,工程由四大部分组成:烧结系统、原料系统、成品输送系统、除尘系统;烧结机系统生产运行80块台车,设计82块台车。
3、 DS32m2烧结机设计单位为冶金工业部西安有色冶金设计院设计。
4、 DS32m2烧结机系统设备施工单位为“十二冶安装公司、十冶设备安装公司、十二冶一公司、厂建安公司、江苏防腐工程公司进行承建。
5、 DS32m2烧结机系统工程项目确定后,龙钢集团规划部成立了一烧改造工程项目,全权处理工程施工过程中的各项业务,而在整个施工过程中该项目组的同志齐心协力、积极主动完成了领导交给的任务,克服了原旧址地下障碍物较多、基础开挖难度大、施工场地狭小、工期紧,与原生产衔接紧密等不利因素给工程的建设带来了很大的困难。
烧结厂2#烧结机(DS30m2)烧结厂2#烧结机原为DS28m2烧结机,西安有色冶金设计院设计的,山西省省建一公司三处承担土建施工,非标制标,设备安装于1993年元月份施工,当年12月30日投入生产运行,工程总投资为1723万元,设计共有80块台车,运行生产台车79块。
真空烧结炉的具体参数真空烧结炉是一种广泛应用于材料烧结过程中的设备,它通过在真空环境下加热材料,使其粒子间发生结合,从而形成坚固的材料。
下面将介绍真空烧结炉的具体参数。
1. 温度范围:真空烧结炉的温度范围通常在300℃至3000℃之间。
这个温度范围可以满足不同材料的烧结需求。
在高温下,材料的粒子间能够更加紧密地结合,从而提高材料的密度和强度。
2. 加热方式:真空烧结炉通常采用电阻加热的方式。
通过在炉膛内设置加热元件,通电加热使得炉膛内的温度逐渐升高。
电阻加热具有加热速度快、温度控制精度高等优点,可以满足烧结过程中对温度的精确控制需求。
3. 真空度:真空烧结炉的真空度是指炉内的气体压力,通常用帕斯卡(Pa)或毫巴(mbar)来表示。
真空度的高低对材料的烧结过程有重要影响。
较高的真空度能够减少气体分子与材料粒子的碰撞,从而减少杂质的残留,提高材料的纯度。
4. 加热速率:真空烧结炉的加热速率是指炉膛内温度的升降速度。
加热速率的选择应根据具体材料的特性和烧结工艺要求进行调整。
较快的加热速率可以提高生产效率,但也可能引起材料的热应力和变形,影响烧结质量。
5. 加热区域:真空烧结炉的加热区域通常由炉膛和加热元件构成。
炉膛是材料放置和加热的空间,通常由高温合金材料制成,具有良好的耐热性和热传导性。
加热元件则负责向炉膛提供热量,常见的加热元件有电阻丝和电石墨。
6. 控制系统:真空烧结炉的控制系统用于对加热过程中的温度、真空度和加热速率等参数进行监测和控制。
现代真空烧结炉通常配备先进的自动化控制系统,能够实现精确的温度控制和过程参数的实时监测。
7. 安全设施:真空烧结炉还应配备一系列安全设施,以确保操作人员的安全和设备的正常运行。
常见的安全设施包括过温报警系统、漏气检测系统、紧急停机按钮等。
总结起来,真空烧结炉的具体参数包括温度范围、加热方式、真空度、加热速率、加热区域、控制系统和安全设施等。
这些参数的选择和调整能够影响材料的烧结质量和生产效率。
压铸和烧结参数压铸参数B t↗T H V1V2AEP600/EP600Combi小包埋圈700℃1292℉60℃108℉915℃1679℉15分915℃1679℉915℃1679℉300EP600/EP600Combi大包埋圈700℃1292℉60℃108℉920℃1688℉25分920℃1688℉920℃1688℉300EP500小包埋圈700℃1292℉60℃108℉925℃1697℉15分925℃1697℉925℃1697℉程序11-20软件2.9EP500大包埋圈700℃1292℉60℃108℉930℃1706℉25分930℃1706℉930℃1706℉程序11-20软件2.9烧结参数IPS e.max Press上的IPSe.max CeramB S t↗T H V1V2Wash层(结合层)403℃757℉4分4分50℃90℉750℃1382℉1分1分450℃842℉749℃1380℉Wash层(结合层)修正403℃757℉4分4分50℃90℉750℃1382℉1分1分450℃842℉749℃1380℉第一次牙本质/切端瓷的烧结403℃757℉4分4分50℃90℉750℃1382℉1分1分450℃842℉749℃1380℉第二次牙本质/切端瓷的烧结403℃757℉4分4分50℃90℉750℃1382℉1分1分450℃842℉749℃1380℉染色烧结403℃757℉4分4分50℃90℉725℃1337℉1分1分450℃842℉724℃1335℉上釉烧结403℃757℉4分4分50℃90℉725℃1337℉1分1分450℃842℉724℃1335℉Add-on上釉烧结403℃757℉4分4分50℃90℉725℃1337℉1分1分450℃842℉724℃1335℉Add-on上釉后烧结403℃757℉4分4分50℃90℉700℃1292℉1分1分450℃842℉699℃1290℉金沉积内冠上的IPS e.maxPress OpaquerB S t↗T H V1V2第一次不透明层烧结403℃757℉6分6分100℃180℉940℃1724℉2分2分450℃842℉939℃1722℉第二次不透明层的烧结403℃757℉6分6分100℃180℉930℃1706℉2分2分450℃842℉929℃1704℉-注意,这些参数也应用于Ivoclar Viadent的烤瓷炉:P200,P300,P500,PX1以及EP600Combi。同时也应用于一些较老型号的烤瓷炉,例如P20,P20,P90,P95,P80和P100。如果使用了这些烤瓷炉其中之一,温度可以有±10℃/±50℉的偏差,取决于烤瓷炉炉膛类型和使用年龄。-如果采用了非以上Ivoclar Viadent烤瓷炉,必须校验温度。-不同地区的电压或一条电路上使用几种电力设备,如必要调节压铸和烧结温度。
1.1产品方案及制度SiO2(1)产品方案烧结产品为经过冷却整粒冷却烧结矿。
烧结矿的化学成分:成品烧结矿粒度为5~150mm,其中:>50mm粒级占7%。
还原粉化率(-3.15mm)<40%成品烧结矿含粉率(-5mm)≤5%ISO转鼓强度78%(2)工作制度烧结车间为连续工作制,年工作365天,每天三班,每班工作8小时。
主机年工作330天,作业率为90.4%。
1.2车间组成烧结车间主要由原料仓库及配料室、燃料粗碎室、燃料细碎室、冷返矿仓、一次混合室、烧结室、主抽风机室、带冷机头房、成品筛分室、相应的通廊、转运站及公辅设施组成。
1.3烧结工艺流程烧结车间的工艺流程从原料进入烧结车间的胶带输送系统开始,至成品烧结矿运出烧结车间为止。
烧结车间的生产工艺流程图:排入大气成品烧结矿1.4主要技术经济指标1技术特点和技术装备水平1.1采用新型结构的烧结机,其传动装置采用柔性传动,传动装置重量小,传动效率高,纠偏性能好;采用圆辊加七辊布料,有利于自动纠正偏析布料,料层透气性好;中部骨架采用可滑动式,可减少因热变形而引起的风箱漏风;烧结机尾采用可滑动式,可减少因热变吸收台车热变形,防止台车跑偏。
1.2提高烧结矿质量技术2.2.1 铺地料系统烧结台车底层铺以返矿,系统中配置铺地料分离和布料设施,提高了烧结矿的强度。
2.2.2 自动化控制混合料的精确比例是烧结矿的质量保证,经准确的配料计算确定的混合料配比,采用计算机实现自动化计量原料。
烧结过程的控制和监视由计算机完成,根据烧结过程各工艺参数的采集,达到最佳工艺状态。
2.2.3 成品整粒冷却后的烧结矿成品经过多级筛分,分成几种粒度的成品,按不同用途分送到各用户。
2.2.4 提高点火温度2.3 采用新型长寿节能点火器提高点火温度烧结点火温度决定烧结料层是否能烧透,获得优质烧结矿,新型高效幕帘式点火器能适应不同发热值的煤气,经多排烧嘴达到足够的高的点火温度。
2.4 降低能耗技术烟气余热回收,对机尾,冷却段高温废气回收利用,产生蒸汽供烧结自身耗用,预热助燃空气和煤气,提高点火温度。
烧结炉的功能及技术指标
烧结炉是一种用于材料烧结的设备,将粉末状物料在高温条件下进行加热、烧结,使其形成致密坚固的固体。
烧结炉常用于金属、陶瓷、玻璃等材料的制造过程中。
烧结炉的功能包括:
1. 实现材料的烧结过程,将粉末状材料形成致密的固体。
2. 提供高温环境,使材料中的化学反应发生,如结晶、相变等。
3. 控制炉内气氛,通过调节气氛成分实现不同材料的烧结要求。
烧结炉的技术指标主要包括:
1. 最高温度:烧结炉能够提供的最高温度,根据材料特性和烧结要求选择。
2. 加热速率:烧结炉能够实现的温度升降速率,影响烧结效果与烧结时间。
3. 温度均匀性:烧结炉内温度的均匀性,对于材料烧结过程的一致性要求影响较大。
4. 炉内气氛:烧结炉能够提供的炉内气氛,如氧化、还原和惰性气氛,根据材料性质选择。
5. 炉容量:烧结炉内可同时烧结的材料量大小,根据生产需求选择。
6. 烧结区域尺寸:烧结炉的有效烧结区域的尺寸,影响生产能力与材料尺寸要求。
7. 自动化程度:烧结炉的控制系统的自动化程度,如温度、时间、气氛等的自动控制能力。
这些指标根据不同的烧结要求和工艺特性而有所不同,需要根据具体需求选择合适的烧结炉。
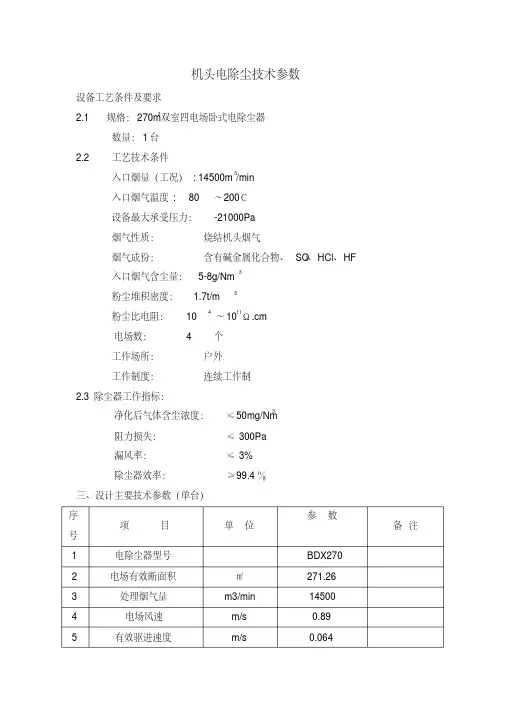
机头电除尘技术参数设备工艺条件及要求2.1 规格:270m2双室四电场卧式电除尘器数量:1台2.2 工艺技术条件入口烟量(工况): 14500m3/min入口烟气温度: 80~200℃设备最大承受压力: -21000Pa烟气性质:烧结机头烟气烟气成份:含有碱金属化合物、SO2、HCl、HF入口烟气含尘量: 5-8g/Nm3粉尘堆积密度: 1.7t/m 3粉尘比电阻: 104~1011Ω.cm电场数: 4个工作场所:户外工作制度:连续工作制2.3除尘器工作指标:净化后气体含尘浓度:≤50mg/Nm3阻力损失:≤ 300Pa漏风率:≤ 3%除尘器效率:≥99.4%三、设计主要技术参数(单台)序号项目单位参数备注1 电除尘器型号BDX2702 电场有效断面积㎡271.263 处理烟气量m3/min 145004 电场风速m/s 0.895 有效驱进速度m/s 0.0646 同极间距mm 4507 室数×电场数量个2×48 有效收尘面积㎡191939 电场有效长度m 4×3.9810 电场有效宽度m 9.9×211 电场有效高度m 13.712 阳极板型式C480型13 阴极线形式一电场二三电场四电场八齿RS四齿RSFD180齿为不锈钢材质14 阴极排数个17615 阳极排数个18416 阴阳极振打型式单侧摇臂锤17 设备阻力Pa ≤30018 设备最大承受负压Pa -2100019 漏风率% ≤320 烟气温度℃80~20021 烟气正常工作负压Pa 16500-1900022 入口含尘浓度g/Nm3 5-823 出口含尘浓度mg/Nm3 ≤5024 收尘效率% ≥99.425 灰斗数量个1626 单个灰斗的储灰容量m3 ~4027 单个灰斗加热功率KW 1528 高压电源型号×数量80KV/1100mA×6 80KV/600mA×229 除尘器接地电阻Ω≤231 设备本体使用寿命年30年32 和烧结机同步作业率100%33 质保期年 134 工作中风门大小90% 现场实际数据烧结机技术参数132㎡烧结机技术性能表序号主要参数单位132㎡烧结机1 有效烧结面积㎡1322 有效烧结长度M 443 外形尺寸㎜63395×10970×132004 最大产量吨/时4205 台车数量台1326 台车宽×长(有效)㎜1×37 料层厚度㎜700烧结主抽风机技术简介一. 风机技术参数风机型式:双吸入离心式风机用途:烧结主抽风机布置方式:进气135°、出气0°旋转方向: 左旋支撑方式:双支撑(叶轮在轴承中间)输送介质:烧结烟气机械设计温度: 250℃转子动平衡品质等级: G2.5转子振动均方根有效值: 4.0 mm/s驱动方式:由电机通过膜片联轴器驱动流量调节方式:入口调节门调节主轴临界转速: ≥1.3n (n为工作转速,r/min)风机型号: SJ14500-13T叶轮直径: 3800mm叶轮最高周速: 198.96m/s风机转子重量 : 17500 kg风机总重: 57500 kg (不包括电机及润滑油站)转子飞轮矩GD2: 48500 kg-m2二.气动性能参数进口容积流量(m3/min): 14500风机入口压力(Pa): -16500风机出口压力(Pa): 500进口温度(℃): 80~200(正常120) 进口密度(kg/m3): 0.739风机转速(r/min): 1000风机最高内效率 ( % ) : 86风机轴功率 (kW) : 4575(120℃)风机轴功率 (kW) : 4780(80℃)您只需提供相关数据,详细填写于下表中,我们将为您量身订制详尽的脱硫技术方案烧结机规模烧结机排烟气量(m3/h)烧结机烟尘浓度(mg/m3)烧结机排烟温度(℃)烧结机烧结能力(t/d)烧结烟气SO2含量烧结机烟气NOx(mg/m3) 烧结机烟气含O2烧结机烟气含湿量(H2O)烟道系统的阻力降(Pa) 烟气成分烟囱抽力(Pa) 烟囱高度(m)现配引风机性能参数型号功率(KW)流量(m3/h)额定状态当前工作状态现配除尘器的有关参数(请提供测试报告)规格型号效率阻力(Pa)出口尺寸(mm)当地环保部门要求SO2达标排放标准或总量控制数当地的气象条件参数当前装置现场布置图脱硫岛的位置条件现场地质报告公用实施条件(水电汽等)治理单位具体要求公司名称联系人联系电话传真注:以上红色的部分为我公司需要测量数据。
新型中频感应烧结炉技术参数一、设备组成本设备主要由可控硅中频电源、氢气烧结炉和温度自动控制系统等组成。
各部分的组成如下:1、可控硅中频电源由KGPS-250/2.5250KW 2.5KHz电源柜,电热电容器柜,连接铜排,引擎机构组成;2、烧结炉由罐体、感应器、氧化铝、氧化锆耐火材料、钨坩锅、开启式回水箱、氢气/氮气流量调节阀控制板、台架组成;3、温度自动控制系统推荐以下方式:3.1、温度自动控制系统由光纤传感仪测温,由温度调节仪进行控制,由记录仪进行加热温度的记录。
二、主要技术指标1、内坩埚尺寸:φ400×750×162、内坩埚材料:钨3、烧结最高温度:不小于2200℃4、控温精度:±10℃5、电源电压:380V、50Hz、三相四线制6、工作频率:2500Hz7、温度自动测量、显示、自动记录8、炉内氢气保护、流量可调出口设排渣9、具有过流、过压、缺相、水压不足、超温保护功能10、设备数量1台一、产品制造执行标准1.JB/T8669-1997《感应加热用半导体变频装置》2.JB4086-85《中频感应加热用电控设备技术条件》3.GB10067.3-88《电热设备基本技术条件—感应加热设备》4.GB5959.3-88《电热设备的安全—对感应和导电加热设备及感应熔炼的特殊要求》5.GB/T35859.3-93«半导体变流器、变压器和电抗器»6.GB2681-81电工成套装置中的导线颜色7.GB3926-83中频设备额定电压四、设备使用条件1.海拔高度不超过1000米;2.现场相对湿度≤85%;3.现场无导电尘埃,无腐蚀性气体,无强烈振动;4.电源电压:380V±10%,50Hz;三相四线制;5.电网的功率裕量≥320KVA;三相不平衡度≤5%;6.冷却水进水压力0.2--0.3Mpa,进水温度5℃≤T≤35℃;无凝露.7.耗水量10立方/小时,冷却水可采用自循环软化水池冷却,循环水池及冷却水泵、冷却塔由用户自备。
技术规格书1.技术规格设备名称:240m2烧结机设备数量:1台(套)1.1 基本设计参数:1.1.1有效烧结面积:240㎡(名义)1.1.2有效烧结长度:69.75m1.1.3台车宽度:3.5m1.1.4台车长度:1.5m1.1.5栏板高度:0.7m1.1.6台车数量:121台(不含备件)1.1.7头尾链轮中心距:84.35m1.1.8台车运行速度:1-3m/min1.1.9处理物料量:烧结矿 520-660t/h2.烧结机主要零部件制造说明2.1 台车240m2烧结机采用烧结矿作铺底料,烧结机运行时,台车是烧结机非常重要地部件,它数量多、受力复杂、工作温度高且不均匀.并反复承受热状态下负荷,因而台车结构和材质地优劣直接影响烧结机地性能,,在材质上,采用低硫(<0.02%)高球化率(>85%)地球墨铸铁,在高温下变形小,能够有效控制台车体受热时地挠度,在车体和蓖条之间加隔热垫,从而有效阻止了热量向主梁地传递,使主梁地温度大为降低,减少了由于受热不均而产生地热应力,延长了台车地使用寿命.●台车体台车毛坯精整清理后,需进行消除应力热处理,温度在530~550℃,保温时间不低于4小时,每台台车都要探伤检查,所有棱角和筋板交叉部位进行磁粉探伤,探伤检查符合设计规定.台车体探伤合格后,方可进行台车体地加工,为保证台车四个车轴孔在同一平面内,首先加工台车主梁端面,以主梁端面为基准,采用带精密回转工作台地专用数显镗铣床W160HA,利用专用铣刀控制四孔地位置度和加工精度,加工完一面两个孔后,在精密回转台上旋转180°,然后加工另一面地两个孔,保证了四车轴孔地轴心线地同轴度公差不得大于0.03mm,两对同轴孔轴心线地平行度公差不得大于0.1mm,轴孔地轴心线应对称于车体地中心平面,其对称度公差为0.05mm,台车体两端面在数控龙门铣床上一次装卡加工完毕,保证各面地平行及垂直性,台车体与栏板、密封板间地把合孔,均采用钻模控制其位置度,为了保证台车上零件地互换性,对台车车轴、盖、压板、车轮上地孔也采用模钻,达到位置精确.目前,沈重在台车体地铸造、热处理、探伤及加工工艺和制作水平上均已达到国内领先地位,按此技术为上海宝钢、鞍钢、本钢、包钢、武钢等大型烧结机提供了一千多台烧结机台车.●栏板台车栏板是关键地易损件,栏板材质为专用球墨铸铁,栏板必须按规定地曲线进行完全退火处理.●车轮台车车轮及车轴用锻钢制作,机械性能及热处理方法均按设计规定.●台车滑板台车滑板地作用是保证滑道和台车体密切接触,减少漏风,所以加工精度要求高,沈重采用精密铣床加工台车滑板,保证其精度,并保证在密封槽内活动自如.滑板工作表面高频淬火处理,并要有理化检验报告.●隔热件采用球墨铸铁精密铸造,球化率大于80%,进行完全退火处理,几何尺寸形状按样板检查,全部装配尺寸进行刀检.●台车装配台车地装配十分重要,车轴与台车体需采用热装并严格控制其过盈量,防止车轴松动(车轴与台车采用过盈配合),热装温度要严格控制,同时要采取应相措施确保车轴油孔地位置正确性,轴承外套和车轮内孔要达到接触均匀,车轮和滚套装配保证灵活,用手即可以能转动,然后空气密封装置装入台车密封槽内,用手按密封滑板时,密封滑板应能上下滑动自如,最后向车轮和滚套内注入润滑脂,台车装好后应进行试验检查,两台车端部接触面间隙不大于1.5mm,使漏风率减少到最低.台车体及栏板上地螺栓孔采用模钻,台车上地螺栓使用高强度耐热螺栓及防松螺母.台车采用自润滑轴承.台车首先试制1-2台,经检查确认并验收合格后再批量生产.2.2 头部星轮●齿板地齿形加工工艺及方法星轮齿板是烧结机地关键零件,它地制造精度直接影响烧结机运行.沈重制造齿板材料采用铸钢,在铸造过程中,严格控制工艺过程,确保齿板地内在质量.齿板铸造毛坯通过严格地检验合格后,进入加工工序.齿板与星轮筒体组装后,两侧地齿板应同步,为确保互换性,加工工艺地要点是必须确保每件齿板齿形地一致性,以及每件齿板与星轮安装止口尺寸地一致性.这两点都直接影响星轮两侧齿板安装地相位差.(1)齿板首先在龙门刨床加工齿板厚度方向两端面,达到图纸要求,然后按预先制作地样板(样板有两套,一套是齿形样板,另一套是齿距样板)进行划线,并在PF-75数控龙门铣床(德国产)按齿板分度地角度加工径向两侧面.(2)为保证齿板与星轮地安装止口尺寸一致,我们制作了大型地胎具,将安装在星轮一侧粗加工后地齿板,按安装顺序编号成为一组,装在胎具上,在6m立车一次车好安装止口及齿板内外圆,并达到图纸要求.(3)通过上述加工工序地单块齿板再上输好程序地PF-75数控龙门铣床进行齿形及侧面地加工,齿板在铣床固定好后,用铣床以齿板止口及侧面为基准进行工件找正后,完成齿形及侧面余量地加工.(4)完成各加工工序地齿板进行磁粉探伤,经检验合格后,进行齿形表面淬火.沈重在烧结机齿形表面淬火工艺上有独特地方法,沈重用此方法先后为宝钢、武钢、鞍钢、包钢和本钢等提供十数台大型烧结机,沈重通过上述工艺所制造地星轮齿板精度高、使用寿命长、互换性好.目前在国内采用上述工艺方法地独沈重一家.●星轮筒体焊接及加工沈重有较强地焊接能力和大跨度焊接厂房.作为焊接工件,沈重第一道工序是钢板要经过予处理线进行予处理(除去表面氧化皮及锈斑),然后按工件图纸要求用CORTA—KS200/3000光电跟踪切割机、600PNC数控切割机自动切割下料.因此,切割机下料精确,特别是形状复杂地烧结机零件更适合于用此设备下料,下料后经喷丸涂漆线进行予处理.头部星轮筒体通过下料、组焊后须经过整体退火处理以消除热应力,再按图纸进行机加工,对焊缝及耳轴进行磁粉、超声波探伤检查,合格后进入加工工序.头部星轮为耳轴式,中间部分为星轮滚筒及齿板,两端为耳轴.耳轴与星轮滚筒为焊接连接.耳轴中间大、两头小,两端耳轴和筒体外径地同轴和耳轴表面粗糙度以及筒体直径太大无法测量,为此,沈重在加工头部星轮筒体时,采用DTK500SS落地车床进行切削加工,检查轴径圆度和园柱度,调整端面主轴与尾座之间地同轴度,同时根据端面车床刀架在加工筒体外径和耳轴外径时,需要调整移动地情况,设定测量基面.保证刀架移动时轨迹与机床轴线平行.耳轴地表面粗糙度利用专门制作地砂带磨削装置进行磨削,而筒体上地大外径采用π尺测量,以保证头部星轮各部尺寸、加工精度及粗糙度均达到图纸要求.●头部星轮地装配头部星轮装配时链轮两侧齿板地相位差不大于±1mm,先装一侧齿板,齿距按齿距样板控制,然后再装另一侧齿板,相位差用铅垂线测量.由于在加工过程中采用了标准地胎具,统一地基准,保证了齿板地加工精度和安装精度,星轮地装配工艺在我厂已是成熟和稳定地技术.2.3尾部星轮尾部星轮地长轴承受着较大地负载重量和卸料冲击,必须保证其内部质量和表面硬度,锻件毛坯加工后进行调质处理,并在精加工前和精加工后分别进行超声波和渗透探伤检查,无任何缺陷方可参加装配.尾部地组装与头部星轮基本一致,不同之处是尾部链轮在两侧齿板相位差合格后,还要按一侧地尾轮轮盘轴孔键槽号出尾轮轴上地键槽位置,然后拆下尾轮,按号出地位置加工尾轮轴上地键槽,其检验方法与头部星轮相同2.4 移动架●移动架上、下框架地外形尺寸和对角线尺寸精度是影响移动架能否正常灵活移动地因素之一.本烧结机尾部移动架上部框架沈重将制作成装配部件,在工厂进行装配找正后再运往现场安装,这样做能够保证上部框架与侧板地相对位置精度,也非常便于安装,上述制造和装配及安装方法,沈重在宝钢、武钢、包钢等大型烧结机都已采用,效果非常理想.●侧板侧板各工件通过数控切割机下料后进行焊接,但对较长地焊缝和重要地焊缝都采用自动焊接,侧板组焊时,必须在大型工作平台上,并且必须采用特制地夹具和工艺方法,这样才能保证侧板在组焊时变形较小,保证图纸要求,组焊后地侧板须经整体退火处理消除焊接应力,侧板整体必须在退火炉中垫平,采用特制地夹具防止变形,退火处理后还应进行精整,达到图纸要求.●头尾弯道弯道必须采用PF-H-100kW数控龙门铣床进行加工,这样才能保证弯道尺寸精度,用其它工艺方法无法满足图纸尺寸精度要求.加工后在弯道工作面进行表面淬火,增强工作面地硬度,提高使用寿命.淬火后弯道必须进行严格地检验.检验方法:一、先用弯道样板进行检查;二、在大型工作平台上按弯道地轨迹进行精确地划线,将每段弯道按划线地相应位置进行检验,确认合格后再进行装配,精度符合设计规定.●尾部移动架地整体予装侧板在大型平台上首先找平,用水准仪将侧板在工作台上找平和找正,并以侧板尾部星轮中心线为基准划出弯道轨迹线及弯道座地位置线.将弯道按相应轨迹位置摆放在找正后地侧板上,检验弯道及轨迹地正确性,通过严格检验确认轨迹线及弯道完全符合图纸要求后,再将弯道座摆放在相应位置,将弯道予装在弯道座上进行初调,按弯道轨迹用直角尺找弯道来确定弯道座地位置.弯道座位置确定后调整弯道距侧板中心线地水平距离(用水准测量仪),按图纸严格安装和检验合格后地两个侧板,在平台上两弯道面重叠在一起,看两侧板弯道是否一致,确认合格后,两侧板进入其它装配工序,并保留有效地中心点、中心线标记.尾部移动架上、下框架制造精度是影响移动架能否正常灵活移动地因素之一.本烧结机尾部移动架上部框架制造厂将制作成装配部件,在工厂进行装配找正后再运往现场安装,这样做能够保证上部框架与侧板地相对位置精确,也非常便于安装.2.5 骨架骨架地基本构成是钢结构件,沈重对钢结构件和焊接H型钢地制作,从原材料开始,钢板首先要经过予处理线进行予处理,除去表面地氧化皮及锈斑,然后按工作图纸要求用光电跟踪切割机或6000PNC数控切割机自动切割下料,下料后地钢板还必须经喷丸涂漆线进行处理方能组焊.组焊时按YB3301—92地标准进行制造和检验,并采用特制工装和工艺方法焊接H型钢,再通过精整达到图纸要求.组焊后喷丸处理消除焊接应力,然后对所有焊缝要进行磁粉探伤检查,合格后方能进入下道工序.为保证骨架地装配精度和相对尺寸,凡等高地柱及等长地梁要求一起下料加工.骨架地装配必须预先设定烧结机纵向中心线和横向中心线,在车间是用细钢丝在两标杆间拉线,而两侧纵向方向地立柱都以纵向中心线为基准进行测量,并对称于烧结机纵向中心线,各柱装配是以柱子中心线为测量依据,铅垂度公差为1/1000,机架间对角线采用同一个测量工具,对角线长度之差柱子标高偏差不得超过规定值.2.6 风箱●风箱地侧梁、横梁均为焊接结构,焊后进行整体退火处理,风箱地焊缝(负压环节上)应进行煤油渗透检查.●风箱地制作关键是焊接质量和侧板、横梁地加工精度.经过去除氧化皮及锈斑处理地钢板,在下料时要严格控制,既要保证侧板地加工余量,又要保证侧板图纸规定地厚度尺寸.沈重采用数控切割机自动下料,再经喷丸处理后进行组焊,整体退火后严格检查焊缝和加工留量,经划线检查保证侧板厚度尺寸时,方可进入加工工序,否则如无加工留量无法保证加工精度,侧板厚度太薄,则无法承受风箱地重量.沈重地下料工艺措施和焊接水平绝对能保障风箱地制作要求.3.设计、制造检验地标准烧结机地全部零件必须进行工厂检验,保证符合图纸和有关国家标准,并向招标方提供质量保证地各项文件.制作验收标准:GB5675-85 灰铸铁通用技术条件JB/ZQ4302-86 球墨铸铁通用技术条件JB/T5000.2-1998 火焰切割通用技术条件JB/T5000.3-1998 焊接件通用技术条件JB/T5000.6-1998 铸钢件通用技术条件JB/T5000.8-1998 锻造件通用技术条件JB/T5000.9-1998 切削加工通用技术条件JB/T5000.10-1998 装配件通用技术条件JB/T5000.12-1998 涂装通用技术条件YB3301-92 焊接H型钢通用技术条件JB/ T 6062-1992焊缝渗透检验方法GB/ T 11345-1989钢焊缝手工超声探伤方法GB/ T 5677-1985 铸钢件射线探伤方法4 供货范围:5.主要配套件清单2版权申明本文部分内容,包括文字、图片、以及设计等在网上搜集整理.版权为个人所有This article includes some parts, including text, pictures, and design. Copyright is personal ownership.83lcP。
机头电除尘技术参数设备工艺条件及要求2.1 规格:270m2双室四电场卧式电除尘器数量:1台2.2 工艺技术条件入口烟量(工况): 14500m3/min入口烟气温度: 80~200℃设备最大承受压力: -21000Pa烟气性质:烧结机头烟气烟气成份:含有碱金属化合物、SO、HCl、HF2入口烟气含尘量: 5-8g/Nm3粉尘堆积密度: 1.7t/m3粉尘比电阻: 104~1011Ω.cm电场数: 4个工作场所:户外工作制度:连续工作制2.3除尘器工作指标:净化后气体含尘浓度:≤50mg/Nm3阻力损失:≤ 300Pa漏风率:≤ 3%除尘器效率:≥99.4%三、设计主要技术参数(单台)烧结机技术参数132㎡烧结机技术性能表烧结主抽风机技术简介一. 风机技术参数风机型式:双吸入离心式风机用途:烧结主抽风机布置方式:进气135°、出气0°旋转方向: 左旋支撑方式:双支撑(叶轮在轴承中间)输送介质:烧结烟气机械设计温度: 250℃转子动平衡品质等级: G2.5转子振动均方根有效值: 4.0 mm/s驱动方式:由电机通过膜片联轴器驱动流量调节方式:入口调节门调节主轴临界转速: ≥1.3n (n为工作转速,r/min)风机型号: SJ14500-13T叶轮直径: 3800mm叶轮最高周速: 198.96m/s风机转子重量 : 17500 kg风机总重: 57500 kg (不包括电机及润滑油站)转子飞轮矩GD2: 48500 kg-m2二.气动性能参数进口容积流量(m3/min): 14500风机入口压力(Pa): -16500风机出口压力(Pa): 500进口温度(℃): 80~200(正常120) 进口密度(kg/m3): 0.739风机转速(r/min): 1000风机最高内效率 ( % ) : 86风机轴功率 (kW) : 4575(120℃)风机轴功率 (kW) : 4780(80℃)您只需提供相关数据,详细填写于下表中,我们将为您量身订制详尽的脱硫技术方案注:以上红色的部分为我公司需要测量数据。
烧结设备一、烧结主设备(25MW一条线)1、BTU公司(1)公司简介BTU公司成立与1959年,总部位于美国波士顿,专业制造各种热处理设备,1989年在纳斯达克上市,股票代码BTUI。
BTU在炉子制造业中是最大的公司,技术先进,信誉好,实力雄厚。
BTU公司在世界各地有40多处分支机构,在上海外高桥保税区已建立了分公司和光伏实验室,具有展示、培训和备件服务功能。
最新统计国内目前现使用的BTU各系列炉总数量已突破2000台。
(2) BTU烧结设备①主设备a) 技术特性(较为详细的技术参数,包括设备型号、产能、设备的优点、特别之处、亮点等) 配合25MW一条线,烧结炉可以选用PVD609(只能用于5寸片烧结)或者PVD614(用于6寸,8寸,10寸片的烧结)的系列,该型号最大产能超过30MW,升温降温幅度大,可以达到非常好的烧结效果。
b) 设备尺寸、对厂房要求1.PVD609尺寸(长X宽X高):9.32mx0.96mx1.67m, 要求厂房承重≥300公斤/平方米2.PVD 614尺寸(长X宽X高):9.32mx0.96mx1.67m, 要求厂房承重≥300公斤/平方米c) 设备照片请查考资料图片。
d) 初报价(包括各个Options的价格)基本价格为PVD609为18万美金,PVD614为20万美金,包括包装及运输费用。
②BTU烧结设备辅助设备a) 包括有无真空泵、如果用压缩空气即有无空压机等,都需要什么辅助设备。
BTU烧结炉本身不带真空泵,也不需要外接真空管道,BTU烧结炉本身不带空压机,需要外接压缩空气(6-10Kg), 另外,烧结炉需要外接循环冷却水,需要客户准备冷水机或循环冷却水系统。
③主要动力要求a) 用电要求1.PVD609: 380V, 三相四线, 额定功率:90KW, 平均功率:36KW,2. PVD614: 380V, 三相四线, 额定功率:136KW , 平均功率:54KW,b) 用水要求(所用纯水量、纯度要求等)1.PVD609循环冷却水,自来水,最大用量1。
烧结机点火炉技术参数
烧结机点火炉订货参数
1.主要工艺技术条件:
1.1点火温度:1150℃±50℃
1.2烧结机台车栏板宽:~4.5m (详见台车图纸)
1.3烧结机风箱宽度:4.0m
1.4烧结机有效抽风长度:68m
1.5烧结机栏板高度:0.75m
1.6烧结机料层厚度:0.70~0.75m
1.7烧结机台车速度:0.9~
2.7 m/ min
1.8烧结机设计利用系数:1.3 ~1.45t/(m2·h)
1.9.烧结机主抽风机参数:
风量14000m3/min
风机全压(升)17.50KPa
1.10点火介质:高炉煤气热值:720kcal/ Nm3
1.11煤气压力:6000~7000Pa
2.供货范围:
2.1空气予热炉、点火炉;
2.2炉体上的手动阀门;
2.3予热炉和点火炉用助燃风机(一用一备。
2.4 助燃风机至空气预热炉和点火器之间管道;助燃风机管道切换阀(助燃风机置于0.00平面)。
2.5 煤气放散管道、阀,防爆系统。
钢铁厂主要生产工艺及设备简介烧结厂烧结厂目前有1#—6#烧结机(主要工艺流程如图),其中1#、2#的烧结机属于平烧,3#、4#、5#、6#属于带烧。
1、1#、2#烧结主要设备参数如下:10个原料料仓,一次混合机(Ø2.8×12m×1台),二次混合机(Ø2.8×12m×1台),平滚布料器(2台),烧结机(50m2×2台),助燃风机(4台),单辊破碎机(1台),链板机(IS125—15—M速比250×2台),1545振动筛(1.2×2.4m×2台)。
2、3#、4#、5#烧结主要设备参数如下:31个原料料仓,一次混合机(Ø3.2×13m×2台),二次混合机(Ø3.8×15m×2台),梭式布料器(48×1.2m×2台),烧结机(180m2×3台),助燃风机(9-19-7.1D×6台),抽风机(2台),单辊破碎机(2X3.74m×1台,3.23×1.8m×2台),环冷(170m2×48车×3台),椭圆等厚振动筛(IDLS3075×3台,IDLS 2060×3台)。
3、6#烧结主要设备参数如下:16个原料料仓,一次混合机(Ø3.8×15m×1台),二次混合机(Ø4.0×20m×1台),梭式布料器(41×1.2×1台),烧结机(265m2×1台),助燃风机(9-19-7.1D×2台),单辊破碎机(2X3.74m×1台),环冷(280m2×60车×1台),椭圆等厚振动筛(TDLS3090×2台)。
球团厂球团厂主要有3个竖炉(主要工艺流程如图),由老区1#,新区2#、3#竖炉组成。
球团链篦机回转窑技术参数
球团链篦机回转窑是一种常用于水泥生产过程中球团烧结的设备,其技术参数如下:
1. 直径:通常在3-6米之间,更大直径的设备可根据需要定制。
2. 长度:通常在40-120米之间,根据产能和生产需求而定。
3. 篦板速度:通常在0.4-0.8米/分钟之间,可根据烧结过程的
需求调节。
4. 电机功率:通常在7.5-180千瓦之间,取决于设备的大小和
产能。
5. 生产能力:通常在100-1000吨/天之间,根据设备的尺寸和
烧结过程的要求可调整。
6. 篦板层数:通常有3-5层,根据球团烧结的要求和设备的设
计而定。
7. 倾角:通常在3-6度之间,根据球团烧结的要求和设备的设
计而定。
以上参数仅为参考,实际使用时应根据具体设备的要求和生产工艺来确定。
第一节烧结厂各烧结机设备技术参数
第二节铺底和布料设备
(一)铺底料设备规格性能
铺底料矿槽,烧结厂每台烧结机有1个铺底料矿槽,每个矿槽有效容积m3,储存时间小时,每个矿槽有2台电磁振动装置,给予皮带机,由皮带机给予铺底料漏斗,给到台车上铺底料厚度40±5mm。
(二)布料设备(1s,2s,3s,4s,5s,6s)
圆筒给料机规格性能
(三)九辊布料器规格性能
第三节煤气点火炉及高压风机
一、设备名称:幕帘式多喷孔煤气点火炉
二、设备技术数据
1、设备台时产量50-60t/h
2、设备点火炉面积S=3.6m2
3、设备点火温度T=1260±5℃
4、设备使用温度范围 T=1150-1200℃
5、烧咀前煤气压力P压力=3000-6000pa
6、烧咀前空气压力P压力=2500-4000pa
7、保温炉温面积S=1.62m2
8、烧咀燃烧数量n=32个
三、煤气点火炉附属设备风机
设备规格型号9-26-11№4.5A
设备见机流量 3730-4792m3/n
设备风机压力 P=4545pa
电动机型号功率转速 Y132S2-2/7.5KW 2900r/min 技术条件 JB/T9616-1999
技术标准代号 JB/T7258-94
四、图纸代号查阅
1、D-20010611-3 MLS幕帘式烧咀 8种
2、D-20010611-4 钢梁 Q235
3、D-20010611-5 钢结构 Q235
4、D-20010611-6 管道结构
(二)4s·DS50m2烧结机技术数据
1、设备名称:长弧形低温点火炉
2、设备技术性能数据
(二)4SDS50m2烧结机技术数据
1、设备名称:长弧形低温点火炉
2、设备技术性能数据:
2—1 设备合格产量
2—2 设备点火炉面积S=6.39m2
2—3 一次点火炉温度T1=400±100( 0c )
2—4 二次点火炉温度T2=800±100( 0c )
2—5 热风烧结段温度T3>300( 0c )
2—6 烧嘴燃烧能力250~320GJ/n
2—7 烧嘴燃烧数量n=14J
2—8 煤气热值Q=3.35MJ/M3
2—9 煤气消耗量Q消耗=3500~4480m3/n 2—10 接点处煤气压力P压力=6000~8000Pa 2—11 空气消耗量2450~3136 m3/n
3、煤气点火风机技术数据:
风机规格型号9-26-11No4.5A
风机风量Q=368 m3/n
风机压力P=4718Pa
电动机型号、功率、转速YBZS2—2/ 7.5KW 2900V/min 电动机电压、电流U=380V 、I=15A
技术条件JB/TP696---199P
(三) 5S、6S(32PS—02sj)承平烧结机技术数据
1、设备名称:多喷双斜式煤气点火炉
2、设备技术性能数据:
2—1 设备合格产量50~60t/n
2—2 设备点火炉面积S=6.6m2
2—3 设备点火炉温度T1=1260±5( 0c )
2—4 燃料及发热值高炉煤气33.4ANKJ/NM3
2—5 最大煤气消耗量Q max消耗=4000~5000m3/n 2—6 最大空气消耗量Q空气消耗=3200~4000m3/n 2—7 烧嘴前煤气压力P压力=3000~6000Pa
2—8 烧嘴前空气压力P压力=3000~4000Pa
2—9 保温炉保温面积S=1.62 m2
2—10 烧嘴燃烧数量n=12组件
2—11 电动阀门控制器BFA--1
3、煤气点火炉附属设备风机:
煤气点火风机规格型号9-26-11No4.5A-5右900
煤气点火风机流量Q=4237 m3/ min
煤气点火风机压力P=4545Pa
电动机型号、功率、转速Y160M2—2/ 7.5KW、2900V/min 4、煤气阀门规格型号
D71X—10 DG150 手动对夹式蝶式调节烧嘴空气
D71X—10 DG100 手动对夹式蝶式调节烧嘴空气MQD347XF SH—06C DG=400 煤气手动蝶阀
Z341W—1 DG350 手动转式调节蝶阀
Z43W—1 DG50 煤气放散旋塞阀
5、图纸代号查阅:
5—1 煤气点炉保温炉衬32PS—B8—1
5—2 炉前煤气工业管道32PS—B8—1
5—3 炉前烧嘴12组件32PS—B8—7
5—4 炉前空气管道32PS—B8—3
5—5 煤气点火炉保钢结件32PS—B8—4
6、设备制造单位:安徽芜湖市汉光工业炉设备厂
(四)155 m2*5活性石灰窑煤气加压风机技术数据
一、煤气加压鼓风机技术数据:
1、设备规格型号AM200—1.1/2.5
2、设备介质高炉煤气
3、设备进口流量Q =200m3/n
4、进口密度Qj=1.19Kg/Nm3
5、进口温度T=40—100 0C
6、进口压力P进=11000Pa
7、执行技术条件Q/JFGP6—2000
8、旋转角度出口角度Z=900
9、电动额定功率数据N=90KW
10、附属设备电动机数据:
电动机型号YB280M—2
电动机功率N=90KW
电动机功率因素cos4=0.89
电动机转速n=2970r/min
电动机电压/电流I/U=167A/380V
JB9594—1994
烧结机检修项目及试车验收
一、烧结机设备技术性能数据:
a 烧结作业区一烧二烧三烧主传动减速机技术性能数据
总装配图DS32—1.2
b 一烧二烧三烧减速机安装技术要求:
1、减速机所有零件装配前必须用煤油洗净,滚动轴承用汽油洗净。
2、各密封处及螺纹连接处均不得有渗油现象,全部螺栓螺母必须拧紧。
3、各部齿轮对齿合之接触班点,在齿长度方向不得小于60%,在齿高方向
不得小于50%,对涡轮蜗杆接触班点在齿长度方向不得小于60%,在齿高方向不得小于50%,滚动轴承侧向调整方向间隙为0.12~0.32mm。
4、齿轮齿合之侧间隙对涡轮级最小为0.16mm,最大为0.8mm,对于第二级
和第三级最小为0.24mm,最大为0.32mm。
5、减速机全部装配完后,进行空载试转,按电机转速1460r/min及箭头所
示方向试运转两小时。
在此齿合平稳,无噪音和冲击,轴承温度为35—50 0C。
二、烧结作业区烧结机设备图纸代号
烧结离心抽风机设备技术参数。